Next Article in Journal
Implementation of SOH Estimator in Automotive BMSs Using Recursive Least-Squares
Next Article in Special Issue
A New Fault Diagnosis Method of Bearings Based on Structural Feature Selection
Previous Article in Journal
A Review of Automatic Phenotyping Approaches using Electronic Health Records
Previous Article in Special Issue
An Effective Multiclass Twin Hypersphere Support Vector Machine and Its Practical Engineering Applications
 
 
Font Type:
Arial Georgia Verdana
Font Size:
Aa Aa Aa
Line Spacing:
Column Width:
Background:
Article

A Life Prediction Model of Flywheel Systems Using Stochastic Hybrid Automaton

1
College of Astronautics Engineering, Nanjing University of Aeronautics & Astronautics, Nanjing 210016, China
2
China Academy of Space Technology, Beijing 100094, China
*
Author to whom correspondence should be addressed.
Electronics 2019, 8(11), 1236; https://doi.org/10.3390/electronics8111236
Submission received: 19 September 2019 / Revised: 19 October 2019 / Accepted: 24 October 2019 / Published: 29 October 2019
(This article belongs to the Special Issue Fault Detection and Diagnosis of Intelligent Mechatronic Systems)

Abstract

:
This paper proposes a practical life prediction model for Flywheel Systems (FSs) using the Stochastic Hybrid Automaton (SHA) method. The reliability of motors and the performance degradation of bearings are considered key causes of the failure of FSs. The unit flywheel SHA model is established for the failure mechanism, considering burst failure of motors and the accumulated performance degradation of bearings. This prediction model also describes the dynamic relation of lifetime with the configurations of FSs, work modes, and running environments. Monte Carlo simulation results demonstrate that the life distributions of FSs are quite different if the spacecrafts run in various orbits or with different configurations, or under changed work modes. The proposed method provides an engineering reference and guidance for the scheme design and in-orbit mission planning of FSs.

1. Introduction

To satisfy the requirement of high accuracy and a long useful life, flywheel subsystems (FSs) are commonly selected as typical and significant actuators to control the attitude of spacecrafts [1].
Some modern flywheels using active magnetic bearings have online health management systems [2], while traditional machinery flywheels still serve as vital actuators in the development and arrangement of spacecrafts for use in the two forthcoming decades. The reliability and useful life of the FS have distinguished its effects on the performance of attitude control systems (ACSs) [3]. A reasonable life prediction of an FS can provide important guidance for evaluating the health of the ACS when making on-orbit mission plans and conducting preventative maintenance.
The flywheel consists of four parts: a drive motor, a bearing subassembly, a wheel subassembly, and the housing. Numerous experiments and tests indicate that the bearing and motor are the main factors that cause flywheel failure [4,5,6,7,8,9,10]. Reference [11] shows that the residual amount of lubrication is the key factor that can disable a flywheel. Thermal vacuum experiments were performed to study the mechanism behind the loss of lubrication [12]. Reference [13] verified, through 10 years of experiments, that a change in temperature was the decisive factor causing a loss of lubricant. These works are of great help in learning the failure mechanisms of flywheels. However, they mostly focus on the failure factor of either burst failure or accumulated performance degradation. Usually, the lifetimes of FSs commonly end in the above two forms. How to integrate the two failure forms and explore their interactions when executing life prediction remains a challenge.
Reference [14] built a life prediction model using a joint distribution of two features. However, some other features, such as the temperature of the bearing, which also play an important role in determining the life of a flywheel, are not considered. Reference [15] studied the effect of working modes on the lifetime of a single flywheel. However, the running environment was not included.
The lifetime of an FS is affected not only by the failure of a single flywheel, but also by its configuration, running environment, and work modes.
In case of a failure of one single flywheel, the allocation of FS changes and a discrete state transformation happens. At the same time, a continuous state change occurs. For certain configurations with identical flywheels, the life of one single flywheel varies from the life of the others because of its different workload. During long-term running, accumulated stress will consequently have an impact on the performance of one single flywheel, which cannot be neglected. Moreover, due to the changed work modes and running environment, wear and tear will degrade the performance and results at the end of the FS’s life.
In this paper, we introduce the Stochastic Hybrid Automaton (SHA) method [16,17,18,19] to establish a prediction model; this method can describe all the aforementioned factors, as well as discrete state transformation and continuous state variation.
This paper is organized as follows: Section 1 introduces the failure mechanism of flywheels. The SHA model of a single flywheel is addressed in Section 2. The proposed life prediction model for FSs is established in Section 3. Section 4 illustrates case studies, and Section 5 concludes the paper.

2. Failure Mechanism of a Flywheel System

The reaction wheel is a momentum exchange device, which is a nominally non-spinning wheel mounted on a spacecraft. This wheel applies a reaction torque to the platform in the opposite direction. By mounting three or more wheels with spin axes not in the same plane, a torque can be created around an arbitrary axis at the spacecraft platform. As actuators, reaction wheels provide the most precise attitude control.
According to the composition of the flywheel, the drive motor refers to the motor and the controller. This motor is mainly responsible for transferring instructions to the host computer, executing instructions, and sending the status information of the flywheel. The bearing subassembly mainly refers to the flywheel lubrication system. The wheel subassembly is the main body for storing and releasing momentum during the angular momentum exchange between the flywheel and the satellite. A study in Reference [14] found that bearings and motors are critical factors that affect the performance of flywheels. Thus, these two factors are considered to be responsible for the end of a flywheel’s life.

2.1. Bearing Failure

In addition to environmental temperatures, speed regulations, and generalized stress, the residual amount of lubricant is also a crucial factor that causes the end of a flywheel’s life [7,8,9,10].
The oil supply rate q ( t ) of a flywheel bearing oil supply system is supplied in reference [12] as:
q ( t ) = γ A ρ ω ( t ) 2 v ( T ) L ( R 2 r 2 )
where γ is the permeability of the flow restrictor determined by the material; A is the cross-sectional area of the flow limiter; ρ is the density of the lubricant; ω ( t ) is the rotation speed of oil storage room directly proportional to the rotation speed of the flywheel n ( t ) ; L is the thickness of the flow limiter; and R and r are the respective radii of the outer and inner oil layer of the limiter, which are considered constants if the remaining oil in the storage chamber is sufficient and the ball is aided by elastic-hydrodynamic lubrication (EHL). Reference [20] established an empirical function with high accuracy; this function formulates the relationship between the dynamic viscosity v and bearing temperature T :
v ( T ) = e a ( ln T ) 4 + b ( ln T ) 3 + c ( ln T ) 2 + d ( ln T ) + e
where the coefficients a, b, c, d, and e are determined by the lubricant material.
By setting m 0 as the filling volume of the storage tank, we obtain the residual amount of lubricant, as follows:
m ( t ) = m 0 0 t q ( τ ) d τ
Define k T as the threshold of the failure factor. When m ( t ) = k T m 0 , the oil supply system can no longer supply oil normally to ensure correct performance. In this case, the ball cannot maintain its state of elasto-hydro dynamic lubrication, which will result in bearing failure. The parameter set ( γ , A , ρ , L , R , r ) of the flow limiter is investigated through abundant experiments and precise measurements [21]. In this way, the type of lubricant can be obtained. Therefore, the value of q ( t ) is affected by the rotation speed of the oil storage room ω ( t ) and temperature T .
Consequently, the useful life of the bearing can be considered equal to the time t B = arg t { t | m ( t ) = k T m 0 } , which is determined by the generalized stress ω ( t ) and bearing temperature T.

2.2. Motor Failure

According to GJB   299 C 2006 , the failure rate model of the flywheel motor is set as follows [22]:
λ p = λ b π E π Q
where λ p is the running failure rate; λ b is the basic failure rate, which is related to the speed of the motor; π E is the environmental factor; and π Q is the mass coefficient, which can be obtained by looking up the quality standard.
F ( t ) is the cumulative failure probability (CFP) and R ( t ) is the reliability of the flywheel motor. According to experimental formula, we can conclude Equations (5) and (6) as:
F ( t ) = 1 e λ p t
R ( t ) = 1 F ( t ) = e λ p t
The failure rate model of the motor has been established by statistical methods via ground tests [23,24,25]. Referring to GJB   299 C 2006 , λ b , g H and F s H ( t ) are set as the basic failure rate and the corresponding CFP model for high speed work mode, respectively. λ b , g L and F s L ( t ) are set as the basic failure rate and corresponding CFP model for the low speed work mode. Then, Equation (7) can be obtained:
F s H ( t ) = 1 e λ p , s H t = 1 e π E , s π E , g λ b , g H t
F s L ( t ) = 1 e λ p , s L t = 1 e π E , s π E , g λ b , g L t
where π E , s and π E , g are the environmental factors with respect to space and ground, which can be found in Reference [22].
The rotation speed of the flywheel n ( t ) varies with the specified work mode, which results in a switch between the high- and low-speed modes. Therefore, the CFP model of the motor is built considering the running mode, as described in Equations (7) and (8). Based on the Nelson hypothesis of the equivalent cumulative damage, Reference [26] established the dynamic reliability model (DRM) considering switches on diverse stress. Referring to this work, we calculate the corresponding dynamic reliability with respect to various running speeds.
A certain probability exists of unexpected failure for flywheel motors. Under the conditions of different work modes and running speeds, the accumulative failure of the motor varies. When a motor cannot meet its required performance, sudden failure occurs.
By investigating the failure mechanism, we can conclude that the main factors affecting the useful life of a single flywheel are the speed of its motor and the temperature of its bearing. If the motor fails at time and the bearing fails at time, then the life of the flywheel is determined by the competition of the failure of the bearing and motor, which can be described as follows.
l f = arg t max { t | t t M , t t B }

2.3. Failure Analysis of the Flywheel System

Through the analysis, we can conclude that a single flywheel’s life is mainly decided by the failure of its bearings and motors. Accumulated rotational speed and alternative temperatures with long-term wear and tear will degrade the bearings, which will also cause the sudden failure of the motors. In summary, the following aspects play significant roles in predicting the lives of FSs.
(1) Running orbit
A spacecraft running in different orbits is exposed to different radiation accumulations, which vary the running environment of the spacecraft and affect the lubrication status of its oil supply systems and the working status of its bearings.
(2) Work mode
For different on-orbit mission requirements, the spacecraft runs under different work modes, which decides whether a single flywheel maintains a constant speed or regulates its speed as required. As shown in Equation (4), the oil supply rate of the bearing changes dynamically with speed and accelerates the failure of the bearings.
(3) Configuration of FS
There are three typical configurations for FSs: an array of three orthogonal flywheels with one skewed flywheel, an array of four skewed flywheels, and an array of six orthogonal flywheels. Each flywheel performs differently from the others because of various distribution matrices and system redundancies. When one flywheel fails, the stress on the FS will be redistributed throughout the changed configuration array. As a result, the performance of the remaining flywheels will also change, which results in different accumulation failures for the bearings.

3. SHA Model of a Single Flywheel

The SHA model is the most classic and general method to analyze a complex system. This model consists of continuous (or discrete) time variables, discrete event variables, and random factors. These advantages give the SHA model a wide application in evaluating the reliability of the vital equipment in the nuclear industry. Thus, the SHA model is introduced here to build a life prediction model for FSs. The SHA model can describe the complicated relationship of lifetime with orbital environments, work modes, system configurations, dynamic probabilities, and the degeneration of components, as well as spacecraft dynamics and kinematics. In addition, deterministic state transfer and nondeterministic transfer among discrete states can both be considered in the SHA model.
The SHA model for a single flywheel is built as follows:
Define X f = { x f , 1 = F f ( t ) , x f , 2 = m ( t ) , x f , 3 = n ( t ) } as the set of continuous variables, where F f ( t ) is the CFP of motor, m ( t ) is the residual amount of bearing lubricant, and n ( t ) is the speed of the flywheels.
Define W f = { w f , 1 = M s , w f , 2 = T } as the external input set, where M s is the instruction torque, and T is bearing temperature.
Equations (2), (3), and (7)–(9) illustrate that the life of a single flywheel l f is determined by the flywheel’s speed n ( t ) and bearing temperature T , which exerts an accumulated effect on the residual amount of lubricant m ( t ) . Then n ( t ) is divided into two discrete segments according to the set threshold n T in Equations (7) and (8). Thus, S f = { s f , 1 , s f , 2 , s f , 3 } is the set of discrete states, where s f , 1 is the low-speed state, s f , 2 is the high-speed state, and s f , 3 is the failure state. Define E f = { e f , 1 , e f , 2 , e f , 3 , e f , 4 } as the discrete event set, where e f , 1 is the low-speed section, e f , 2 is the high-speed section, e f , 3 is the failure state of the motors, and e f , 4 is the failure state of the bearing lubrication.
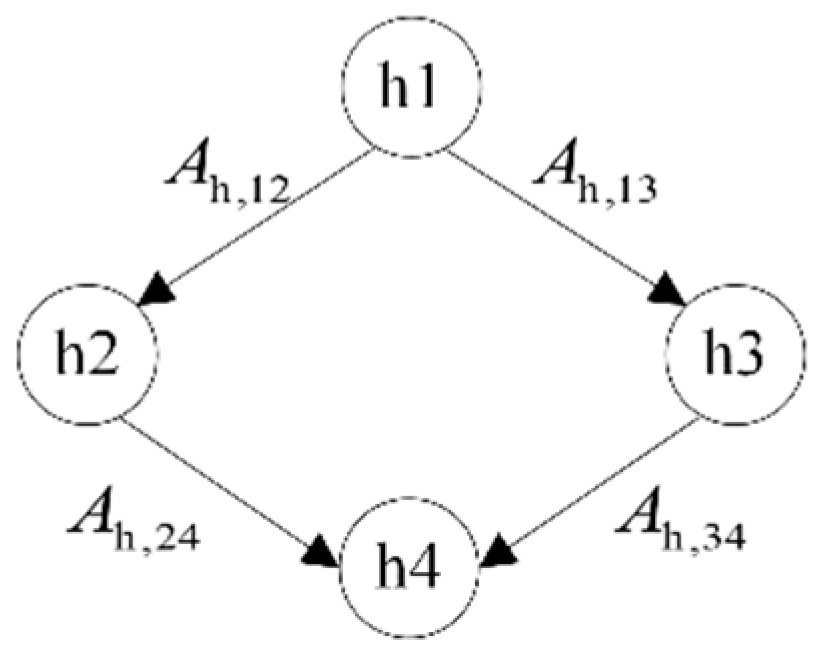
Define A f = { A f , 12 , A f , 21 , A f , 13 , A f , 23 } as the state transfer set. The state transfer diagram of the SHA model of a single flywheel is shown in Figure 1, and the detail transfer among discrete states is shown in Table 1.
Set Γ f = { { d x f , 1 d t = V s L ( t ) , d x f , 2 d t = q ( x f , 3 ( t ) , w f , 2 ( t ) ) , d x f , 3 d t = w 1 , 2 ( t ) | S f ( t ) = s f , 1 } , { d x f , 1 d t = V s H ( t ) , d x f , 2 d t = q ( x f , 3 ( t ) , w f , 2 ( t ) ) , d x f , 3 d t = w f , 2 ( t ) | S f ( t ) = s f , 2 } } as the collection of all continuous variables and V f = { s f , 1 , x f , 1 = 0 , P f , 13 = 0 } as the initial value collection. Thus, SHA model of a single flywheel is built as H f = ( S f , E f , W f , Γ f , X f , A f , V f ) .

4. The SHA Model of the Flywheel System

The useful life prediction model of a FS is proposed by integrating the SHA models for a single flywheel and the frame of a dynamic fault tree (DFT). By introducing a DFT frame, the SHA prediction model for FSs is classified into several layers; in this way, we avoid the exploration of state combinations.

4.1. Introduction of the DFT Structure

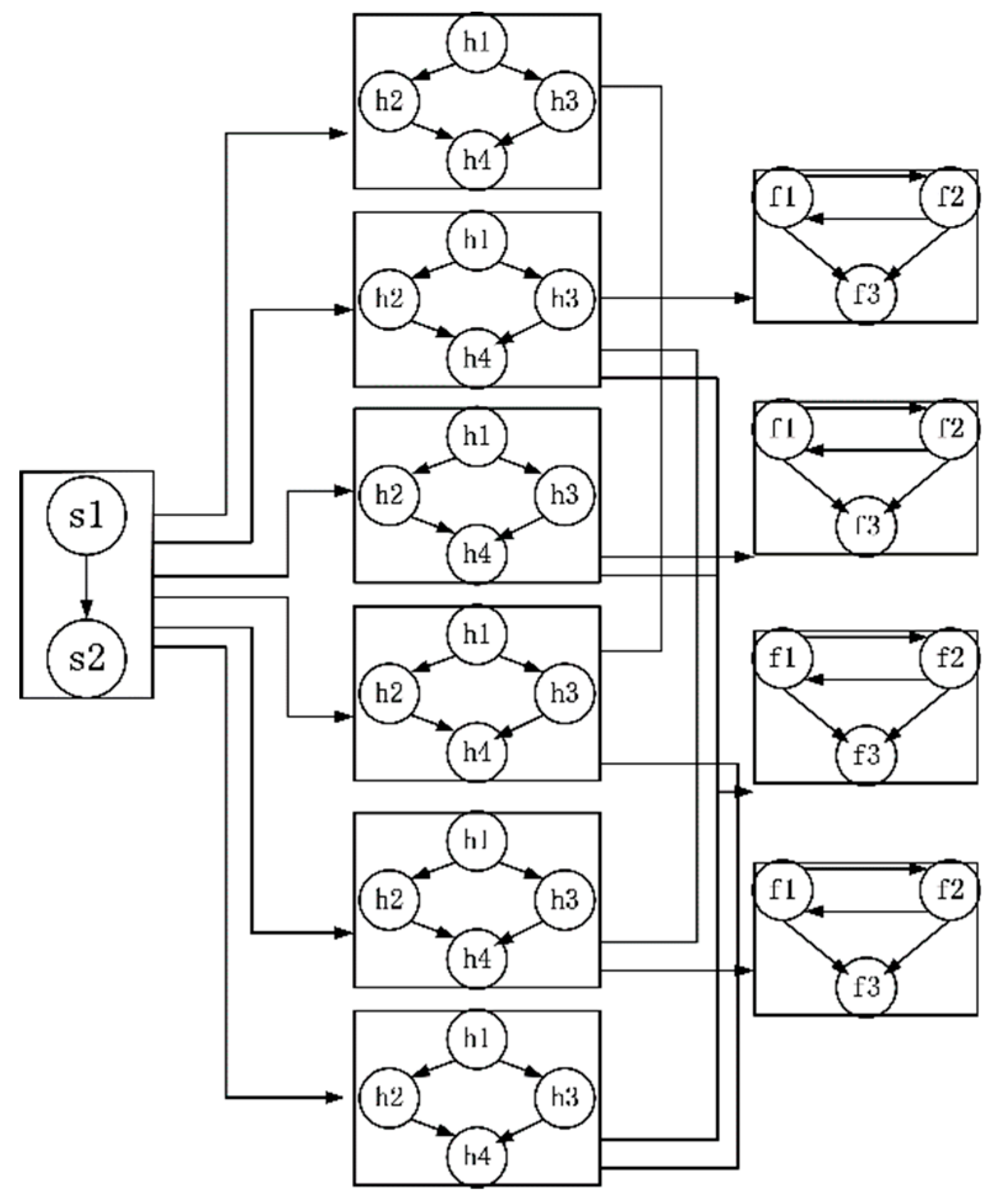
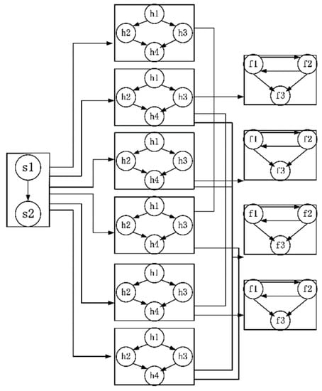
The DFT frame is introduced to describe the topology, failure path, and state transition of FSs, which makes SHA model less difficult. The dynamic fault of an FS with pyramid allocation, shown in Figure 2, is described in Figure 3. Compared with the traditional SHA model, the model we propose has following improvements: (a) We did not need to list all failure paths; (b) by introducing logic gates, the failure paths are clearer, which simplifies the description of the state transfer; (c) the number of discrete states is obviously reduced in this way, as shown in Table 2.
Dynamic logic gates are established to describe the propagation of generalized stress on FSs. Taking the SHA models of a single flywheel as the bottom events of a DFT, the SHA models of the logic gates can simultaneously transmit “0–1” binary discrete fault information and continuous stress variables. The life prediction model of the FS with a DFT frame and SHA description is shown in Figure 4.

4.2. Logic-Gate SHA Model

As shown in Figure 3, there are six hot backup logic gates, which are defined as HSP j , j { 1 , 2 , 3 , 4 , 5 , 6 } . HSP is in the middle layer, which accepts discrete state information from bottom flywheels and torque instructions from the upper system M i , i { 1 , 2 , 3 } . Then, it assigns torque M s to the bottom flywheels. The SHA model of the hot backup is built as H h = ( S h , E h , W h , Γ h , X h , A h , V h ) , and each part of which is defined as follows.
S h = { s h , 1 , s h , 2 , s h , 3 , s h , 4 } , s h , 1 is the normal state of flywheel 1; s h , 2 is the failure state of flywheel 2; s h , 3 is the failure state of flywheel 1; and s h , 4 is the failure state of wheels 1 and 2.
E h = { e h , 1 , e h , 2 } , e h , 1 is the failure event of flywheel 2 and e h , 2 is the failure event of flywheel 1.
W h = { w h , 1 , w h , 2 , w h , 3 } , w h , 1 = M j , w h , 2 is the discrete state s f 1 of the first flywheel SHA and w h , 3 is the discrete state s f 2 of the second flywheel SHA.
X h = { x h , 1 , x h , 2 } , x h , 1 is the assigned torque for flywheel 1 M s 1 and x h , 2 is the assigned torque for flywheel 2 M s 2 .
A h = { A h , 12 , A h , 13 , A h , 24 , A h , 34 } is shown in Table 3, and the state transfer diagram is shown in Figure 5.
As shown in Figure 3, the allocation matrix is described as follows.
U 0 = ( sin α cos β sin α cos β sin α cos β sin α sin β cos α cos α cos α cos α sin α sin β sin α cos β sin α cos β sin α cos β )
When flywheel F n , n { 1 , 2 , 3 , 4 } fails, the installation matrix for system performance degradation is rewritten as
U n = U 0 Z n
where
Z 1 = [ 0 , 0 , 0 ; 1 , 0 , 0 ; 0 , 1 , 0 ; 0 , 0 , 1 ] Z 2 = [ 1 , 0 , 0 ; 0 , 0 , 0 ; 0 , 1 , 0 ; 0 , 0 , 1 ] Z 3 = [ 1 , 0 , 0 ; 0 , 1 , 0 ; 0 , 0 , 1 ; 0 , 0 , 0 ] .
Hot backup determines the movement of X h according to the work state of the flywheels. Equations (10) and (11) can be shown with Γ h of the hot backup gate SHA in Table 4, where ( ) | i , j is the element of the matrix in row i and column j , and E is an identity matrix.
The logic gates of SHA in Figure 4 contain two states: "normal" and " failure". Torque M is required for the three axis inputs of the external controller. If s h j = 4 , the system will switch to the failure state, which means the end of FS’s life.

5. Simulation Verification

5.1. Simulation Process

The method of Model Abstract Approximation is often used to analyze linear SHA models [17,18]. It is difficult to analyze the model accuracy [16] of a SHA model for a complex nonlinear system with analytic methods, so a Monte-Carlo simulation is often used to simulate the SHA model to traverse all possible movements of systems [19].
The simulation process is presented in Figure 6. First, we input some information on the running orbits and ACS work modes of the spacecraft. A Simulink simulation platform was thus established; this platform includes the EGM96 gravity model, the IGRF2015 geomagnetic field model, attitude dynamics and kinematics, the gravity gradient perturbation model, and the atmospheric drag torque model. Running this simulation platform, we can obtain the three-axis instruction moment M j .
According to the empirical mode decomposition (EMD) method in reference [12], we obtain the curve cluster of the in-orbit temperature T and then input it to the SHA model of the flywheel system. We can obtain multiple life samples by simulating the SHA model several times. Then, we can analyze the results of the samples and draw conclusions.

5.2. Simulation

5.2.1. Running Orbit

Simulations are performed on two satellites named Sat. A and Sat. B, which run under different work modes to demonstrate different results of the useful life of FSs under various stresses.
Sat. A runs in a three-axis stable mode that points to the nadir for static observation, and Sat. B runs in a scanning mode to acquire information at different times. The parameters of the SHA model for a single flywheel are outlined in Table 5.

5.2.2. Work Mode

Based on the defined mission requirement and work modes, we can set flywheels in Sat. A to run with a constant speed and the flywheels in Sat. B to run with a regulated speed.
(1) work-mode 1
In this mode, the flywheel has been working in M 1 and indicates that it has been in a constant-speed state, so we have:
w o r k mod e 1 : M 1 t > 0
(2) work-mode 2
In this mode, the flywheel switches its operating state between M 1 and M 2 every 182 days (6 months).
w o r k mod e 2 { M 1 , n 365 < t n 365 + 182 M 2 , n 365 + 182 < t ( n + 1 ) 365 The unit of t is days; n = 1,2, ...
(3) work-mode 3
In this mode, the flywheel system must switch to M 1 at the beginning of each orbital cycle. Then, it will switch to M 2 in the middle of the orbital period (after 12 h).
w o r k mod e 3 { M 1 , n 24 < t n 24 + 12 M 2 , n 24 + 12 < t ( n + 1 ) 24 The unit of t is hours; n = 1,2, ...

5.2.3. Flywheel Configuration

Different configurations of flywheel systems have different abilities to respond to flywheel failures, which results in different life spans for flywheel systems.
(1) Configuration 1: three-orthogonal flywheels and one skewed flywheel
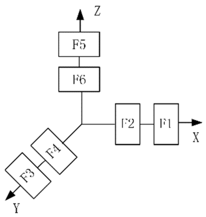
The configuration of 3-orthogonal flywheels and 1-skewed flywheel is shown in Figure 7. Three flywheels are mounted on the X, Y, and Z axes in the axis of the star body. In addition, a slanted flywheel is mounted with an installation angle of (α, β).
The installation matrix is as follows:
U = [ 1 , 0 , 0 , sin α sin β ; 0 , 1 , 0 , cos α sin β ; 0 , 0 , 1 , cos β ]
(2) Configuration 2: the four-skewed flywheel
The configuration of four-skewed flywheels is shown in Figure 8.
The installation matrix is as follows:
U 0 = ( sin α cos β sin α cos β sin α cos β sin α sin β cos α cos α cos α cos α sin α sin β sin α cos β sin α cos β sin α cos β )
(3) Configuration 3: six-orthogonal flywheel
The configuration of the six-orthogonal flywheels is shown in Figure 9.
The installation matrix is as follows:
U = [ 1 , 1 , 0 , 0 , 0 , 0 ; 0 , 0 , 1 , 1 , 0 , 0 ; 0 , 0 , 0 , 0 , 1 , 1 ]

5.3. Results and Analysis

5.3.1. Comparison of Different Orbital Environment Simulations

Simulations of Sat. A and Sat. B were carried out 5000 times, and the results of the convergence range, probability distribution, and PDF failure of the FS’s useful life are shown in Figure 10, Figure 11, Figure 12, Figure 13, Figure 14, Figure 15, Figure 16 and Figure 17.
As shown in Figure 10, with an increase of the sample numbers, the average life spans of Sat. A and Sat. B converge to 6761.8d and 5521.7 d, respectively. The variance is 63.46 d and 53.90 d, and the variation range is narrow. Figure 11 shows that the useful life of Sat. A appears to converge faster than that of Sat. B. The feasibility of approaching complex SHA motion via Monte-Carlo is verified by the results in Figure 10 and Figure 11.
The probability distribution of the predicted life of Sat. A and Sat. B is shown in Figure 12. This distribution demonstrates the obvious difference caused by generalized stress exerted by the different ACS work modes. The predicted life of Sat. A is always longer than that of Sat. B.
There are inflection points in Figure 12, which indicates that two factors play different roles in the failure of FSs. The curve before the turning point exhibits an exponential distribution, which demonstrates that the curve after the turning point exhibits a Weibull distribution, showing that lubricant depletion is the main cause for the end of a FS’s life.
Figure 13 shows the different features of the appearance of amplitude and peak via the PDF of the exponential distributions and Weibull distributions. The simulation results in Figure 12 and Figure 13 illustrate that the proposed SHA life prediction model incorporates not only the competition failure of the motor and bearings, but also the loss probability of components and accumulated stress.
The flywheel that causes performance degradation of the system is defined as N1. The conditional distribution of N1 and the failure probability of the single flywheel is close for Sat. A and Sat. B, as shown in Figure 14. The flywheel that results in FS failure is defined as N2, and the conditional distribution of N2 is shown in Figure 15.
The possibility distribution in Figure 15 shows leading factors that result in the end of the FS’s life. Thus, a plan to extend the residual life of an FS can be made by altering the work mode to minimize the exerted stress when failure occurs in a single flywheel.
Unlike the results in Reference [12], the distribution in Figure 16 exhibits two stages due to the SHA model, which considers the competing failures of the flywheel motor and bearing. The SHA model considers the effects of the ACS model on the single flywheel, so there is a significant difference in the F4 between Sat. A and Sat. B. The SHA model considers the effect of system stress on a single flywheel, so the lifespans of F2 and F4 of Sat. A is significantly different from those of F1 and F4 of Sat. B. We considered the effect of the ACS mode, component failure, and generalized stress on the SHA model of the flywheel system. Consequently, the distribution of the predicted life of the flywheel is different from that with a fixed speed because the actual space mission information is taken into account in the SHA model.
Figure 17 shows the distribution of the residual life of FSs when one flywheel fails. For Sat. A, the residual life of the FS is 500d with a probability of 15% after flywheel 2 fails. For Sat. B, flywheel 1 has a failure possibility of 84% within a few days, which results in the termination of the entire system’s life. We can evaluate the remaining life of the flywheel system according to Figure 17, when a spacecraft experiences failure of a flywheel.

5.3.2. Comparison of Different Configurations

The simulation results of FSs with different configurations are shown in Figure 18, Figure 19 and Figure 20.
Different configurations of the flywheel system introduce different distributions of the stress and running speed for each flywheel, thereby affecting the life span of each flywheel and the useful life of the FSs. As shown in Figure 18, Figure 19 and Figure 20, the curve for the probability distribution of the predicted life is presented for the FS in work modes M1, M2, and M3. By comparison, the probability distribution of FS with Configuration 3 is significantly higher than that of the other two configurations. Since the redundancy of FSs with Configuration 3 is larger. The probability distribution curves of the FS with Configurations 1 and 2 are close before the turning point, which indicates that the motor failure probability is similar for the FS with these two configurations. However, the probability of experiencing bearing lubricant failures of the FS with Configuration 2 is smaller than with Configuration 1.

5.3.3. Comparison of Different Work Modes

The flywheel runs at different speeds due to the various work modes of the ACS system, which results in different life spans for each flywheel, and ultimately affects the life of the FS. Figure 21, Figure 22 and Figure 23 show the probability distribution of the predicted life of the FS in different work modes. Three probability distribution curves of the FS’s predicted life at the turning point are notably close to each other, as shown in Figure 21. This demonstrates that the work mode has a small effect on the probability of motor failures; instead, it mainly affects the consumption of bearing lubricants. Therefore, we should improve bearing lubrication systems to increase the reliability and useful lifetime of FSs.

5.3.4. Life Expectancy in Different Work Modes

The average life and variance of the FS with different configurations in different work modes are shown in Figure 24, Figure 25 and Figure 26, which demonstrate that the variance of the FS with Configurations 1 and 2 is smaller than that with Configuration 3. The predicted life of the FS with different configurations is shown in Table 6.
As shown in Table 6, the useful life of the FS in different work modes with Configuration 3 is longer than that with Configurations 1 and 2, because Configuration 3 has a greater redundancy. The FS can continue working when one flywheel fails. For Configurations 1 and 2, the prediction life of the FS in work mode 1 does not vary significantly. However, there is a large difference between work modes 2 and 3, which provides guidance to increase the reliability and useful lifetime of the FS.
Based on this analysis, to increase the useful lifetime of FSs, we recommend Configuration 3 as the actuator configuration. For a spacecraft with a low life expectancy and relatively stable operating environment, FSs with Configuration 1 can be applied.
Simulation results help us take action and provide guidance for designing schemes to improve the reliability of FSs according to the assessment of their residual life distribution under various conditions.

6. Conclusion and Perspective

A life prediction model for FSs was established by the SHA method, where the reliability of the motors and the performance degradation of the lubrications of their bearings are considered to be the main contributors for an FS’s end of life. Running environments, work modes, and configurations are the key factors that affect the reliability of motors and the performance of lubrications of the bearings. The Monte Carlo simulation results clearly illustrate the competition between the reliability of motors and the performance degradation of lubrications. They also reveal the vulnerable spots of FSs with different configurations, and their predicted lifetimes are quite different. For an FS with a certain configuration, its lifetime and life distribution vary with its running work modes. The FS’s lifetime is longer and its life distribution fluctuates less when the FS runs in a constant work mode.
This paper only explores the feasibility of applying the SHA model to the life prediction of spacecraft FSs. Experiments will be conducted in our further work. Data acquired from accelerated testing experiments and temperature cycling experiments for stages of development greatly facilitate life prediction. How to take advantage of this data, however, remains a significant challenge that will require further study.

Author Contributions

Conceptualization, Y.C.; Funding acquisition, X.H.; Project administration, B.J.; Writing – original draft, Z.W.

Acknowledgments

This work was funded by Natural Science Foundation of China, grand number 61673206 and 61972398; 13th Five-Year equipment pre-research projects, grand number 30501050403. The APC is funded by Equipment Pre-research National Defense Science Technology Key Laboratory Foundation (61422080307).

Conflicts of Interest

The authors declare no conflict of interest. The funders had no role in the design of the study; in the collection, analyses, or interpretation of data; in the writing of the manuscript, or in the decision to publish the results.

References

  1. Zhou, J. The Principle of Spacecraft Control; Northwestern Polytechnical University Press: Xian, China, 2001. [Google Scholar]
  2. Sokolov, M.A.; Jastrzebski, R.P.; Saarakkala, S.E.; Hinkkanen, M.; Mystkowski, A.; Pyrhönen, J.; Pyrhonen, O. Analytical method for design and thermal evaluation of a long-term flywheel energy storage system. In Proceedings of the International Symposium on Power Electronics, Electrical Drives, Automation and Motion, Anacapri, Italy, 22–24 June 2016; pp. 270–275. [Google Scholar]
  3. Yu, J.; Zhu, C. A Sensor-Fault Tolerant Control Method of Active Magnetic Bearing in Flywheel Energy Storage System. In Proceedings of the 2016 IEEE Vehicle Power and Propulsion Conference, VPPC 2016, Hangzhou, China, 17–20 October 2016; pp. 1–6. [Google Scholar]
  4. Castet, J.F.; Saleh, J.H. Satellite and satellite subsystems reliability: Statistical data analysis and modeling. Reliab. Eng. Syst. Saf. 2009, 94, 1718–1728. [Google Scholar] [CrossRef]
  5. Nie, L.; Zhang, M.; Zhu, L.; Pang, J.; Yao, G.; Mao, Y.; Chen, M.; Zhang, Z. Fatigue life prediction of motor-generation rotor for pumped-storage plant. Eng. Fail. Anal. 2017, 79, 8–24. [Google Scholar] [CrossRef]
  6. Pang, H.; Yu, T.; Song, B. Failure mechanism analysis and reliability assessment of an aircraft slat. Eng. Fail. Anal. 2016, 60, 261–279. [Google Scholar] [CrossRef]
  7. Harris, T.A. Rolling Bearing Analysis; John Wiley and Sons: New York, NY, UAS, 2001. [Google Scholar]
  8. Shapiro, W.; Murray, F.; Howarth, R. Space Mechanisms Lessons Learned Study. Volume 1: Summary; Technical Report; NASA Technical Server: Washington, DC, USA, 1995. [Google Scholar]
  9. Han, B. Reliability Analysis and Fault—Tolerant Design of the Reaction Flywheel; Graduate University of Chinese Academy of Sciences: Huairou, China, 2014. [Google Scholar]
  10. Kai, L.; Luo, H.; Zhang, Z.; Han, B. Research on reliability of Brushless DC motor for magnetic levitation flywheel. Micromotor 2010, 43, 12–16. [Google Scholar]
  11. Liu, W.J.; Liu, C.R.; Wang, N.H.; Wang, D.Y. Quantitative and Qualitative Model Based Fault Diagnosability Evaluation of Momentum Wheel. Chin. Space Sci. Technol. 2011, 8, 55–63. [Google Scholar]
  12. Jin, G.; Matthews, D.; Fan, Y.; Liu, Q. Physics of failure-based degradation modeling and lifetime prediction of the momentum wheel in a dynamic covariate environment. Eng. Fail. Anal. 2013, 28, 222–240. [Google Scholar] [CrossRef]
  13. Mcmahon, P.; Lavèn, R. Results from 10 years of reaction/momentum wheel life testing. In Proceedings of the 11th European Space Mechanisms and Tribology Symposium, ESMATS 2005, Lucerne, Switzerland, 21–23 September 2005; pp. 299–305. [Google Scholar]
  14. Liu, S.N.; Lu, N.Y.; Cheng, Y.H.; Jiang, B. Prediction method of residual life of momentum wheel based on multiple degradation. J. Nanjing Univ. Aeronaut. Astronaut. 2015, 47, 360–366. [Google Scholar]
  15. Tian, J. Research on Prediction of Residual Use Life for Attitude Control System of Satellite Based on Dynamic Fault Tree. Master’s Thesis, Nanjing University of Aeronautics & Astronautics, Nanjing, China, 2016. [Google Scholar]
  16. Chiacchio, F.; Urso, D.; Compangon, L.; Pennisi, M.; Pappalardo, F.; Manno, G. A Stochastic Hybrid Fault Tree Automation for the modelling and simulation of dynamic reliability problems. Expert Syst. Appl. 2016, 47, 42–57. [Google Scholar] [CrossRef]
  17. Zamani, M.; Rungger, M.; Esfahani, P.M. Approximations of Stochastic Hybrid Systems: A Compositional Approach. IEEE Trans. Autom. Control 2017, 62, 2838–2853. [Google Scholar] [CrossRef]
  18. Abate, A.; Prandini, M.; Lygeros, J.; Sastry, S. Probabilistic reachability and safety for controlled discrete time stochastic hybrid systems. Automatica 2008, 44, 2724–2734. [Google Scholar] [CrossRef]
  19. Castaneda, G.A.P.; Aubry, J.F.; Brinzei, N. Stochastic hybrid automata model for dynamic reliability assessment. J. Risk Reliab. 2011, 225, 28–41. [Google Scholar] [CrossRef]
  20. Li, X.; Zhao, X. Analysis of factors affecting the viscosity of lubricating oil. Lubr. Oil 2009, 24, 59–64. [Google Scholar]
  21. Fei, G.; Li, C.W.; Li, C.Q.; Li, J.; Hu, L. Long life bearing centrifugal micro oil feeder screening device. Bearing 2011, 6, 25–27. [Google Scholar]
  22. Data Center of Electronic Fifth Research Institute of Ministry of Information Industry. GJB/Z 299C-2006 Electronic Equipment Reliability Forecast Manual, Quality and Reliability; Electronic Fifth Research Institute of Ministry of Information Industry: Beijing, China, 2007; p. 23. [Google Scholar]
  23. Han, S.S. The Correlation Study of Factors which effect on Insulation Reliability of Inverter Motor Using Statistical Analysis. J. Korea Acad. Ind. Coop. Soc. 2010, 111, 1216–1221. [Google Scholar]
  24. Rakowsky, U.K. An experiment on diagnosis, reliability estimation, and reliability prognosis. Chem. Eng. Trans. 2013, 33, 1111–1116. [Google Scholar]
  25. Zhao, Y. Reliability Data Analysis; National Defense Industry Press: Beijing, China, 2011. [Google Scholar]
  26. Cheng, Y.; Tian, J.; Lu, N.Y.; Jiang, B. Research on Residual Life Prediction of Momentum Wheel Backup System based on DTBN. Space Control 2016, 34, 89–94. [Google Scholar]
Figure 1. State transfer diagram of a single flywheel.
Figure 1. State transfer diagram of a single flywheel.
Electronics 08 01236 g001
Figure 2. Pyramid allocation of a flywheel system (FS).
Figure 2. Pyramid allocation of a flywheel system (FS).
Electronics 08 01236 g002
Figure 3. Dynamic Fault Tree (DFT) of the flywheel system.
Figure 3. Dynamic Fault Tree (DFT) of the flywheel system.
Electronics 08 01236 g003
Figure 4. Life prediction model of an FS with a DFT frame and a SHA description.
Figure 4. Life prediction model of an FS with a DFT frame and a SHA description.
Electronics 08 01236 g004
Figure 5. Diagram of the state transfer for hot backup.
Figure 5. Diagram of the state transfer for hot backup.
Electronics 08 01236 g005
Figure 6. Simulation process.
Figure 6. Simulation process.
Electronics 08 01236 g006
Figure 7. Configuration of the three-orthogonal flywheel with one-skewed flywheel.
Figure 7. Configuration of the three-orthogonal flywheel with one-skewed flywheel.
Electronics 08 01236 g007
Figure 8. Configuration of the four-skewed flywheels.
Figure 8. Configuration of the four-skewed flywheels.
Electronics 08 01236 g008
Figure 9. Configuration of six-orthogonal flywheels.
Figure 9. Configuration of six-orthogonal flywheels.
Electronics 08 01236 g009
Figure 10. Convergence range of the samples.
Figure 10. Convergence range of the samples.
Electronics 08 01236 g010
Figure 11. Convergence range of the standard deviation (STD).
Figure 11. Convergence range of the standard deviation (STD).
Electronics 08 01236 g011
Figure 12. Probability distribution of the predicted life.
Figure 12. Probability distribution of the predicted life.
Electronics 08 01236 g012
Figure 13. Failure PDF of Sat. A and Sat. B.
Figure 13. Failure PDF of Sat. A and Sat. B.
Electronics 08 01236 g013
Figure 14. Conditional distribution of N1.
Figure 14. Conditional distribution of N1.
Electronics 08 01236 g014
Figure 15. Conditional distribution of N2.
Figure 15. Conditional distribution of N2.
Electronics 08 01236 g015
Figure 16. Life possibility distribution of a single flywheel.
Figure 16. Life possibility distribution of a single flywheel.
Electronics 08 01236 g016
Figure 17. Distribution of the minimum residual life.
Figure 17. Distribution of the minimum residual life.
Electronics 08 01236 g017
Figure 18. Life distribution with different configurations under work mode M1.
Figure 18. Life distribution with different configurations under work mode M1.
Electronics 08 01236 g018
Figure 19. Life distribution with different configurations under work mode M2.
Figure 19. Life distribution with different configurations under work mode M2.
Electronics 08 01236 g019
Figure 20. Life distribution with different configurations under work mode M3.
Figure 20. Life distribution with different configurations under work mode M3.
Electronics 08 01236 g020
Figure 21. Life distribution of the FS with Configuration 1 in different work modes.
Figure 21. Life distribution of the FS with Configuration 1 in different work modes.
Electronics 08 01236 g021
Figure 22. Life distribution of the FS with Configuration 2 in different work modes.
Figure 22. Life distribution of the FS with Configuration 2 in different work modes.
Electronics 08 01236 g022
Figure 23. Life distribution of the FS with Configuration 3 in different work modes.
Figure 23. Life distribution of the FS with Configuration 3 in different work modes.
Electronics 08 01236 g023
Figure 24. Life prediction of the FS with Configuration 1 in different work modes.
Figure 24. Life prediction of the FS with Configuration 1 in different work modes.
Electronics 08 01236 g024
Figure 25. Life prediction of the FS with Configuration 2 in different work modes.
Figure 25. Life prediction of the FS with Configuration 2 in different work modes.
Electronics 08 01236 g025
Figure 26. Life prediction of the FS with Configuration 3 in different work modes.
Figure 26. Life prediction of the FS with Configuration 3 in different work modes.
Electronics 08 01236 g026
Table 1. State transfer relation of flywheel A f .
Table 1. State transfer relation of flywheel A f .
A f s f , i e f , i j P f , i j G f , i j ( ) s f , j
A f , 12 s f , 1 e f , 1 / x f , 3 n T s f , 2
A f , 21 s f , 2 e f , 2 / x f , 3 n T s f , 1
A f , 13 s f , 1 e f , 3 / e f , 4 x f , 1 x f , 3 k T m 0 s f , 3
A f , 23 s f , 2 e f , 3 / e f , 4 x f , 1 x f , 3 k T m 0 s f , 3
Table 2. Comparison between traditional methods and DFT- Stochastic Hybrid Automaton (SHA) method.
Table 2. Comparison between traditional methods and DFT- Stochastic Hybrid Automaton (SHA) method.
SHADFT-SHA
Number of SHA 10
Number of DFT 71
Number of discrete states277277
Number of discrete state artificial modeling27713
Table 3. List of the status transfer for hot backup SHA A h .
Table 3. List of the status transfer for hot backup SHA A h .
s h , i e h , i j G h , i j ( ) s h , j
s h , 1 e h , 1 s f 2 3 s h , 2
s h , 1 e h , 2 s f 1 3 s h , 3
s h , 2 e h , 2 s f 1 3 s h , 4
s h , 3 e h , 1 s f 2 3 s h , 4
Table 4. Hot backup gate SHA with the continuous variable motion law Γ h .
Table 4. Hot backup gate SHA with the continuous variable motion law Γ h .
HSP1HSP2HSP3
s h , 1 x h , 1 = E U 0 1 | 1 , 1 w h , 1 x h , 2 = E U 0 1 | 1 , 4 w h , 1 x h , 1 = E U 0 1 | 2 , 2 w h , 1 x h , 2 = E U 0 1 | 1 , 4 w h , 1 x h , 1 = E U 0 1 | 3 , 3 w h , 1 x h , 2 = E U 0 1 | 1 , 4 w h , 1
s h , 2 x h , 1 = E U 4 1 | 1 , 1 w h , 1 x h , 2 = E U 4 1 | 1 , 4 w h , 1 x h , 1 = E U 4 1 | 2 , 2 w h , 1 x h , 2 = E U 4 1 | 1 , 4 w h , 1 x h , 1 = E U 4 1 | 3 , 3 w h , 1 x h , 2 = E U 4 1 | 1 , 4 w h , 1
s h , 3 x h , 1 = E U 1 1 | 1 , 1 w h , 1 x h , 2 = E U 1 1 | 1 , 4 w h , 1 x h , 1 = E U 2 1 | 2 , 2 w h , 1 x h , 2 = E U 2 1 | 1 , 4 w h , 1 x h , 1 = E U 3 1 | 3 , 3 w h , 1 x h , 2 = E U 3 1 | 1 , 4 w h , 1
HSP4HSP5HSP6
x h , 1 = E U 0 1 | 4 , 4 w h , 1 x h , 2 = E U 0 1 | 1 , 4 w h , 1 x h , 1 = E U 0 1 | 5 , 5 w h , 1 x h , 2 = E U 0 1 | 1 , 4 w h , 1 x h , 1 = E U 0 1 | 6 , 6 w h , 1 x h , 2 = E U 0 1 | 1 , 4 w h , 1
x h , 1 = E U 4 1 | 4 , 4 w h , 1 x h , 2 = E U 4 1 | 1 , 4 w h , 1 x h , 1 = E U 4 1 | 5 , 5 w h , 1 x h , 2 = E U 4 1 | 1 , 4 w h , 1 x h , 1 = E U 4 1 | 6 , 6 w h , 1 x h , 2 = E U 4 1 | 1 , 4 w h , 1
x h , 1 = E U 4 1 | 4 , 4 w h , 1 x h , 2 = E U 4 1 | 1 , 4 w h , 1 x h , 1 = E U 5 1 | 5 , 5 w h , 1 x h , 2 = E U 5 1 | 1 , 4 w h , 1 x h , 1 = E U 6 1 | 6 , 6 w h , 1 x h , 2 = E U 6 1 | 1 , 4 w h , 1
Table 5. Parameters.
Table 5. Parameters.
Parameter γ A ρ 2 L ( a , b , c , d , e ) m 0
unit g m m 2 / r a d 2 / g
value 4.554 × 10 5 (20.43,499.5,4583.97,
−18718.36,28703.88)
40
( λ b , g H , λ b , g L ) ( π E , g , π E , s ) k T
10 6 / d //
(156,96)(2.5,1)0.25
Table 6. Life prediction of FSs with different configurations.
Table 6. Life prediction of FSs with different configurations.
Work-Mode1Work-Mode2Work-Mode3
Config. 14821.3 d4451.7 d3759.7 d
Config. 24806.1 d4723.8 d4240.4 d
Config. 35226.5 d5118.1 d4539.7 d

Share and Cite

MDPI and ACS Style

Cheng, Y.; Jiang, B.; Han, X.; Wang, Z. A Life Prediction Model of Flywheel Systems Using Stochastic Hybrid Automaton. Electronics 2019, 8, 1236. https://doi.org/10.3390/electronics8111236

AMA Style

Cheng Y, Jiang B, Han X, Wang Z. A Life Prediction Model of Flywheel Systems Using Stochastic Hybrid Automaton. Electronics. 2019; 8(11):1236. https://doi.org/10.3390/electronics8111236

Chicago/Turabian Style

Cheng, Yuehua, Bin Jiang, Xiaodong Han, and Zhijun Wang. 2019. "A Life Prediction Model of Flywheel Systems Using Stochastic Hybrid Automaton" Electronics 8, no. 11: 1236. https://doi.org/10.3390/electronics8111236

APA Style

Cheng, Y., Jiang, B., Han, X., & Wang, Z. (2019). A Life Prediction Model of Flywheel Systems Using Stochastic Hybrid Automaton. Electronics, 8(11), 1236. https://doi.org/10.3390/electronics8111236

Note that from the first issue of 2016, this journal uses article numbers instead of page numbers. See further details here.

Article Metrics

Back to TopTop