Next Article in Journal
Heterojunction Diodes and Solar Cells Fabricated by Sputtering of GaAs on Single Crystalline Si
Next Article in Special Issue
A Flexible Power Electronics Configuration for Coupling Renewable Energy Sources
Previous Article in Journal
Data-Throughput Enhancement Using Data Mining-Informed Cognitive Radio
 
 
Font Type:
Arial Georgia Verdana
Font Size:
Aa Aa Aa
Line Spacing:
Column Width:
Background:
Article

Analysis of a Multilevel Dual Active Bridge (ML-DAB) DC-DC Converter Using Symmetric Modulation

The University of Texas at San Antonio, One UTSA Circle, San Antonio, TX 78249, USA
*
Author to whom correspondence should be addressed.
Electronics 2015, 4(2), 239-260; https://doi.org/10.3390/electronics4020239
Submission received: 30 January 2015 / Accepted: 2 April 2015 / Published: 20 April 2015
(This article belongs to the Special Issue Multi-Level Converters)

Abstract

:
Dual active bridge (DAB) converters have been popular in high voltage, low and medium power DC-DC applications, as well as an intermediate high frequency link in solid state transformers. In this paper, a multilevel DAB (ML-DAB) has been proposed in which two active bridges produce two-level (2L)-5L, 5L-2L and 3L-5L voltage waveforms across the high frequency transformer. The proposed ML-DAB has the advantage of being used in high step-up/down converters, which deal with higher voltages, as compared to conventional two-level DABs. A three-level neutral point diode clamped (NPC) topology has been used in the high voltage bridge, which enables the semiconductor switches to be operated within a higher voltage range without the need for cascaded bridges or multiple two-level DAB converters. A symmetric modulation scheme, based on the least number of angular parameters rather than the duty-ratio, has been proposed for a different combination of bridge voltages. This ML-DAB is also suitable for maximum power point tracking (MPPT) control in photovoltaic applications. Steady-state analysis of the converter with symmetric phase-shift modulation is presented and verified using simulation and hardware experiments.

Graphical Abstract

1. Introduction

Because of various advantages, such as high power density, buck and boost conversion, high frequency operation, bi-directional power flow and galvanic isolation, the dual active bridge (DAB) has been widely used since the concept was first introduced in [1]. Conventionally, the DAB is a dc-dc power converter, though it has many applications in DC-AC, AC-DC [2], AC-AC [3] conversion, solid state transformers (SST) [3,4] and automotive power converters [5,6]. Most converters use the full-bridge DAB, which produces two-level (2L) square waves across the high frequency transformer. For medium and high voltage applications, DAB converters are usually cascaded [4,7] to achieve the desired high voltages due to the voltage limitation of the commercially available semiconductor switches. Experimental results, using 15-kV silicon carbide (SiC) based insulated-gate bipolar transistor (IGBT), have been reported in [8]. The multilevel DAB (ML-DAB) can overcome this voltage constraint of semiconductor switches to a great extent. The ML-DAB can be used in medium voltage (generally 2.3 kV to 6.6 kV [9]) applications without cascading or, if cascaded, can reduce the number of cascading modules in high voltage power conversion, such as high voltage direct current (HVDC) [7] applications.
Power converters synthesizing more than two voltage levels, such as the neutral point clamped (NPC), cascaded H-bridge (CHB) and flying capacitor (FC), are traditionally known as multilevel converters. Usually, the multilevel topology is used in medium or high voltage inverter applications [9,10]. The CHB topology is typically used with multiple cascaded DABs to achieve higher voltages. In the CHB topology, a DAB module itself does not synthesize multilevel (e.g., 3L, 5L, 7L, and so on) voltages, like NPC or FC. Because of the simple control and modulation scheme along with the simpler circuit structure, the 3L NPC is ahead of others in various industrial applications [9]. Very few works have been published on ML-DAB. A silicon carbide junction gate field-effect transistor (SiC-JFET) based 25-kW, high switching frequency DAB has been proposed in [11], where both primary and secondary bridges produce two-level voltages, although the secondary side bridge is formed in the NPC configuration. A detailed analysis on a semi-dual active bridge (S-DAB) has been presented in [12], where the primary and secondary bridges produce 2L and 3L voltage waveforms, respectively, which are phase-shifted to control the power flow. The concept of symmetric modulation for 2L-to-5L bridge voltages with an NPC-based secondary bridge has been introduced by the authors in [13], which has the advantage of having simple mathematical representation and a minimum number of parameters to define the voltage waveforms and to control the power flow through the ML-DAB. In [14], an NPC-based multilevel DAB is reported with capacitor voltage balancing.
This paper will analyze the design, modulation and power flow control of 3L NPC-based ML-DAB configurations for different cases where two active bridges produce 2L-5L, 5L-2L and 3L-5L voltage waveforms across the high frequency transformer. Section 2 discusses 3L NPC-based ML-DAB configurations with a symmetric modulation and switching scheme. Power flow equations for various ML-DAB configurations with soft-switching analysis are shown in Section 3. Section 4 discusses the applications of ML-DAB, such as maximum power point tracking (MPPT) for photovoltaic (PV) applications. Section 5 and Section 6 present the simulation results and conclusions, respectively.

2. ML-DAB Topologies with Symmetric Phase-Shift Modulation

In this ML-DAB configuration, two bridges are assumed to have different dc voltage levels (i.e., V s and V P , where V P > V s ) where V P and V s are high and low dc bus voltages, respectively. Figure 1 and Figure 2 show voltage step-up and step-down schematics of NPC-based 2L-5L DAB, respectively. Most DAB-based power electronic converters deal with different voltage levels at the two ends of the converter, and this ML-DAB is very suitable for such applications. If the required voltage level is much higher than the dc bus voltage V P , a higher voltage may be achieved by cascading multiple ML-DABs, which, in turn, facilitates conversion of large-scale (in the order of megawatts) power with a fewer number of ML-DAB modules. This methodology improves the overall efficiency and increases the power density.
Figure 1. Boost configuration (Vp > Vs) of a multilevel dual active bridge (ML-DAB), where the transformer primary voltage (vAB) is two-level (2L) and the secondary (vab) of 5L.
Figure 1. Boost configuration (Vp > Vs) of a multilevel dual active bridge (ML-DAB), where the transformer primary voltage (vAB) is two-level (2L) and the secondary (vab) of 5L.
Electronics 04 00239 g001
Figure 2. Buck configuration (Vs < Vp) of the ML-DAB where the transformer primary voltage (vab) is of 5L and the secondary (vAB) is of 2L.
Figure 2. Buck configuration (Vs < Vp) of the ML-DAB where the transformer primary voltage (vab) is of 5L and the secondary (vAB) is of 2L.
Electronics 04 00239 g002

2.1. Neutral Point Diode Clamped Configuration

The neutral point diode clamp (NPC) is one of the most popular and widely-used multilevel topologies in medium and high voltage industrial applications. In this ML-DAB, three-level (3L) diode clamped legs (leg-a, b in Figure 1 and Figure 2) are used to produce a leg-to-leg five-level (5L) voltage waveform v a b . The low voltage bridge is switched so as to produce a two-level (2L) square waveform v A B across the transformer. Compared to the 2L voltage source converter, the 3L-NPC configuration employs clamping diodes to connect the phase output to the neutral point “o”, as shown in Figure 1 and Figure 2, which produces a 3L voltage at each NPC leg. The voltage sources (i.e., V s , V P 2 ) shown in Figure 1 and Figure 2 are practically replaced by bulk capacitors, and the input and/or the output of the ML-DAB usually are followed by a source, a load or other converters in real applications. This ML-DAB can be configured for single phase or three phases with bi-directional power-flow capability by using current bi-directional switches and a suitable modulation scheme. In this paper, we are analyzing different cases of ML-DAB assuming a single-phase transformer with unidirectional power flow from the 2L bridge to the 5L bridge. The bi-directional power flow can easily be controlled with the phase-shift angle ( ϕ ) between the active bridges. Power always flows from the voltage-leading bridge to the voltage-lagging bridge.

2.2. Switching States of the 3L-NPC Bridge

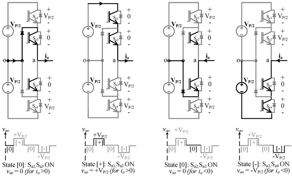
The NPC inverter concept was first proposed in 1980 [15]. Since then, researchers have contributed to several aspects of this converter, such as various modulation schemes, the number of voltage levels, capacitor voltage balancing, harmonics mitigation and active clamping instead of diodes. Switching and modulation details of a 3L-NPC as a three-phase inverter are studied in detail in [16]. In ML-DAB operation, the switching pattern of NPC is slightly different from that in conventional inverters. Unlike 3L-NPC line frequency (i.e., 50 or 60 Hz) inverters, the switching frequency is considered the fundamental frequency in an ML-DAB. Table 1 shows how a three-level voltage is synthesized in a 3L-NPC leg for both positive ( i a > 0 ) and negative ( i a < 0 ) current flow.
Table 1. Switching states in a 3L-NPC leg.
Table 1. Switching states in a 3L-NPC leg.
Switching StatesStatus of the Switches in 3L-NPC Leg-a3-Level LEG Voltage, vao
Sa1Sa2Sa3Sa4
+ONONOFFOFF+ V P 2
0OFFONONOFF0
OFFOFFONON V P 2
Figure 3 shows some major switching states to form a 3L (i.e., + V P 2 ,   0 ,   V P 2 ) voltage waveform v a o . The main advantage of the 3L-NPC is that all of the switching devices in a leg withstand only half (i.e., V P 2 ) of the dc bus voltage (i.e., V P ) during commutation between states, which also yields lower d v d t in comparison to the two-level inverter. Switching between “+” and “−” states are not considered, because this scheme involves all four switches ( S a 1   t o   S a 4 ) in a leg, two being turned on and the other two being commutated off, during which dynamic voltage on each switch may not be kept the same [16]. This also causes double the switching losses. A small dead time is allowed between different states. The leg-b is also switched in a similar pattern to create a 3L voltage waveform v b o . In this proposed modulation scheme, v b o is phase-shifted from v a o by an amount ( α + β ) to produce a leg-to-leg 5L voltage waveform v a b across the transformer (Figure 4).
Figure 3. Switching states and corresponding 3L voltage (vao) synthesized from leg-a of a 3L-NPC bridge.
Figure 3. Switching states and corresponding 3L voltage (vao) synthesized from leg-a of a 3L-NPC bridge.
Electronics 04 00239 g003
Figure 4. Switch pulses and corresponding voltage waveforms and primary current in a 2L-5L DAB boost topology.
Figure 4. Switch pulses and corresponding voltage waveforms and primary current in a 2L-5L DAB boost topology.
Electronics 04 00239 g004
The two-level bridge has two legs, each having two complementary switches operating with a 50% duty cycle. When S 1 ,    S 4 are turned on, the leg-to-leg square wave voltage v A B = + V s , and when S 2 ,    S 3 are turned on, v A B = V s . Gate pulses for all twelve switches (i.e., S 1  to  S 4  and  S a 1   to  S a 4 ,   S b 1  to  S b 4 ) for both 2L and 5L bridges in a boost topology are shown in Figure 4 with the resulting voltage waveforms ( v A B ,   v a b ) across the high frequency transformer and the current ( i L  and i L n ) through the leakage inductor.

2.3. Symmetric Modulation

In order to synthesize the 5L voltage v a b , the switching pulses and the resulting voltage waveform are defined with respect to angular distances (i.e., α ,   β ) instead of the duty cycle. These angles α ,   β are measured symmetrically at zero, π and 2 π within a switching period (Figure 5). The zero and π are considered at the mid-point of the zero voltage level of the 5L voltage v a b . Defining v a b in such a symmetrical way is advantageous in terms of the minimum numbers of parameters ( α ,   β ) required, which, in turn, easily describe and derive a simple mathematical expression for power flow in the ML-DAB. These parameters α  and  β shape the multilevel voltage waveform and can be utilized in the improvement of the total harmonic distortion (THD) and voltage balancing of the capacitors [14]. The phase-shift angle ϕ is independent of α ,   β and acts as the control parameter to control the power flow in the ML-DAB.
Figure 5. Voltage waveforms in a 5L-2L DAB for three different cases of buck topology when vAB is formed using D = 0 . 5 .
Figure 5. Voltage waveforms in a 5L-2L DAB for three different cases of buck topology when vAB is formed using D = 0 . 5 .
Electronics 04 00239 g005
In order to produce a zero-average symmetric alternating waveform, the low-voltage ( V s ) bridge legs should be switched complementarily at the duty cycle (D) in a range of zero to 50% ( 0 < D 0 . 5 ). If D = 0 . 5 , a 2L ( v A B + V s , V s ) voltage v A B will be formed, and if D < 0 . 5 , a 3L ( v A B + V s ,   0 , V s ) voltage will be produced (Figure 6). This 3L voltage at the low voltage bridge is also generated symmetrically, equally spaced from zero and  π by an angle γ . This single parameter γ can define the 3L v A B for the whole range of D < 0 . 5 .
Figure 6. Voltage waveforms in a 3L-5L DAB boost topology when vAB is formed using D < 0 . 5 .
Figure 6. Voltage waveforms in a 3L-5L DAB boost topology when vAB is formed using D < 0 . 5 .
Electronics 04 00239 g006

3. Power Flow Equations and Soft Switching in ML-DAB

In ML-DAB, power flow is controlled by the phase-shift angle ( ϕ ) between v A B and v a b , like conventional DAB. The leakage inductance of the high frequency transformer acts as the main energy transfer element. This primary referred leakage inductance is assumed externally as L L k in Figure 1 and Figure 2. In order to analyze the power flow through each type of ML-DAB shown in Figure 4, Figure 5 and Figure 6, we will analyze the current i L through the leakage inductor for each topology.

3.1. 2L-5L DAB Boost Topology

The switching and modulation for a 2L-5L DAB boost topology is shown in Figure 4. The 2L v A B is assumed to start at angle zero, and 5L v a b is lagging v A B by the phase-shift angle ϕ ,   ( 0 < ϕ < π 2 ) . From the basic inductor voltage relation we get,
v L = L . d i L d t o r ,      i L ( t ) = 1 L . t 1 t 2 v L . d t o r ,      i L ( θ ) = 1 ω L . θ 1 θ 2 v L . d θ ;  where ,      θ = ω t
One switching cycle time period has been converted to radians in the following equations. Now, writing this iL(θ) equation for each segment of vL from zero to π as shown in Figure 4, we get, for  0 < θ < ( ϕ β ) :  
i L ( θ ) = V s + V P n ω L . θ + i L ( 0 ) ;   i L ( ϕ β ) = V s + V P n ω L . ( ϕ β ) + i L ( 0 ) ,
for  ( ϕ β ) < θ < ( ϕ α ) :  
i L ( ϕ α ) = V s + V P 2 n ω L . ( ϕ α ϕ + β ) + i L ( ϕ β ) ,
for  ( ϕ α ) < θ < ( ϕ + α ) :  
i L ( ϕ + α ) = V s ω L . ( ϕ + α ϕ + α ) + i L ( ϕ α ) ,
for  ( ϕ + α ) < θ < ( ϕ + β ) :  
i L ( ϕ + β ) = V s V P 2 n ω L . ( ϕ + β ϕ α ) + i L ( ϕ + α ) ,
for  ( ϕ + β ) < θ < π :  
i L ( π ) = V s V P n ω L . ( π ϕ β ) + V s V P 2 n ω L . ( β α ) + V s ω L . ( 2 α ) + V s + V P 2 n ω L . ( β α ) + V s + V P n ω L . ( ϕ β ) + i L ( 0 ) ,
Assuming zero average current through the transformer, i L ( 0 ) = i L ( π ) :
o r ,       2 i L ( 0 ) = V s ω L . ( π ) V P 2 n ω L . ( 2 π 4 ϕ ) o r ,      i L ( 0 ) = V P n ω L . ( π 2 ϕ ) V s ω L . ( π 2 )
Putting this expression of i L ( z e r o ) in the above equations, we can get the i L ( θ ) at different points,
i L ( ϕ β ) = V s ω L . ( ϕ β π 2 ) + V P n ω L . ( π 2 β ) , i L ( ϕ α ) = V s ω L . ( ϕ α π 2 ) + V P n ω L . ( π 2 α 2 β 2 ) , i L ( ϕ + α ) = V s ω L . ( ϕ + α π 2 ) + V P n ω L . ( π 2 α 2 β 2 ) , i L ( ϕ + β ) = V s ω L . ( ϕ + β π 2 ) + V P n ω L . ( π 2 β ) . }
The average power flow expression from the primary to secondary bridge through the leakage inductance can be written as follows:
P o = 1 π 0 π v A B ( θ ) . i L ( θ ) . d θ o r ,      P o = V s 2 π [ { i L ( 0 ) + i L ( ϕ β ) } . ( ϕ β ) + { i L ( ϕ β ) + i L ( ϕ α ) } . ( β α ) + { i L ( ϕ α ) + i L ( ϕ + α ) } . ( 2 α ) + { i L ( ϕ + β ) + i L ( ϕ + α ) } . ( β α ) + { i L ( ϕ + β ) + i L ( π ) } . ( π ϕ β ) ]
After calculating the above power equation using (3), we get the simplified power equation as follows,
P o = V P V s n ω L . ( ϕ ϕ 2 π α 2 2 π β 2 2 π )
o r ,      P o p . u . = m ( ϕ ϕ 2 π α 2 2 π β 2 2 π ) ;   w h e r e   m = V P n V s ,   P b a s e = V s 2 ω L
where P o is the average power ( P o p . u . is the per unit power) measured at the output of the converter with the variables defined as, ω = 2 π f s , where f s is the switching frequency, n is the transformer turns ratio, m is the voltage conversion ratio defined as m = V P n V s and L is the primary referred inductance ( L L k ) used at the high frequency link. The per unit power vs. ϕ  and  β , while α is chosen to be fixed at 10 0 , is shown in Figure 7 for different m values. Power vs. ϕ  and  β planes with different m-values for a 2L-5L DAB boost topology are shown in Figure 7.
Figure 7. ML-DAB output power P o p . u . v s .   ϕ  and  β  with  α = 10 0   for m = 0 . 5 ,   1 ,   1 . 5  and  2 .
Figure 7. ML-DAB output power P o p . u . v s .   ϕ  and  β  with  α = 10 0   for m = 0 . 5 ,   1 ,   1 . 5  and  2 .
Electronics 04 00239 g007

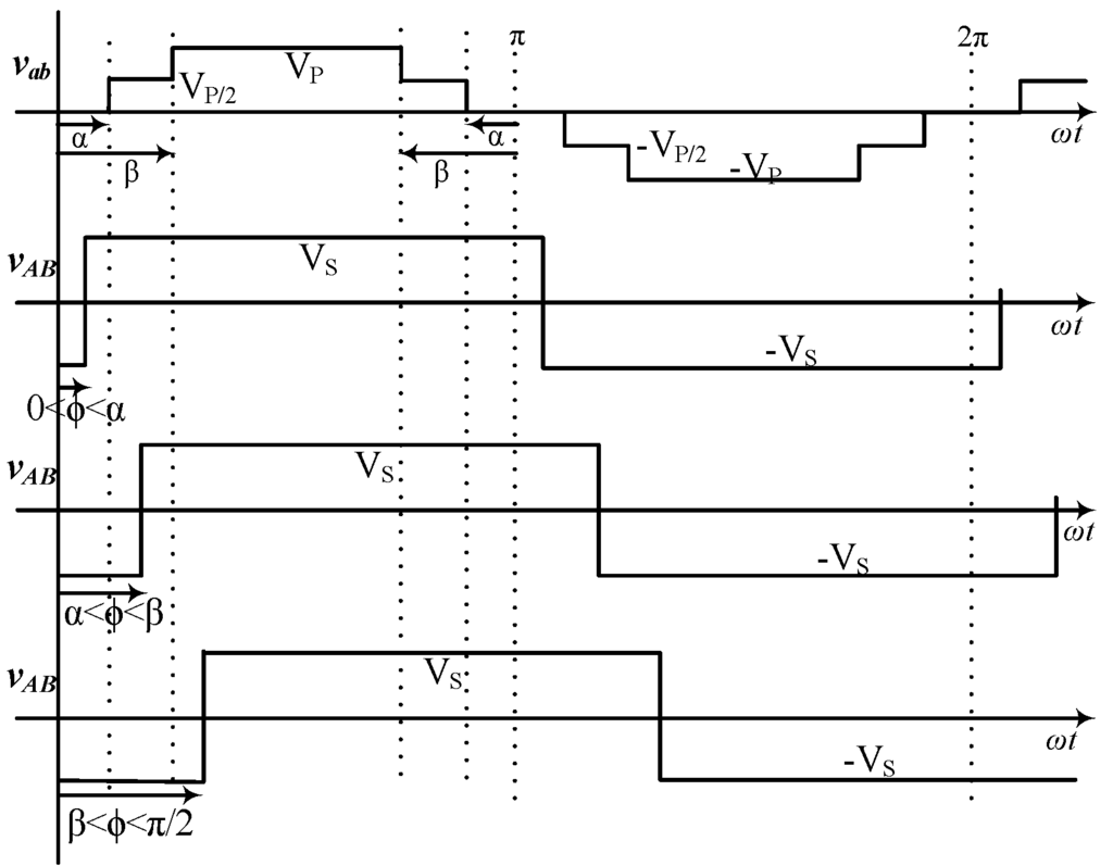
3.2. 5L-2L DAB Buck Topology

The voltage waveforms for a 5L-2L DAB buck topology are shown in Figure 5. The 5L vab is assumed to start at angle zero, and 2L vAB is lagging by the phase-shift angle ϕ. In this topology, based on the value of ϕ, there may be three cases, such as Case I :   0 < ϕ < α ,  Case II :   α < ϕ < β  and  Case III :   β < ϕ < π 2 . Each case has been analyzed to formulate a power flow equation using the same procedure described from (1) to (11).
Case I :   P o = V P V s n ω L ϕ ( 1 α π β π )   ;   0 < ϕ α
Case II :   P o = V P V s n ω L ( ϕ ϕ 2 π α 2 2 π ϕ β π )   ;   α < ϕ β
Case III :   P o = V P V s n ω L ( ϕ ϕ 2 π α 2 2 π β 2 2 π )   ;   β < ϕ π 2
Equation (14) may be considered as the generalized one and can be rewritten as follows,
P o = m V s 2 ω L ( ϕ ϕ 2 π α 2 2 π β 2 2 π ) ;  where  m = V P n V s
Equations (10) and (15) are the same, which also validates the bi-directional power-flow capability of this ML-DAB converter only based on the phase-shift between primary and secondary side bridge voltages. Figure 8 shows the power flow from the 5L to 2L bridge for the three different cases described above.
Figure 8. Power flow through DAB for all three cases (12) to (14), with respect to phase-shift ϕ; here, α = 10 0   a n d   20 0 ,   β = 40 0 are assumed for calculation.
Figure 8. Power flow through DAB for all three cases (12) to (14), with respect to phase-shift ϕ; here, α = 10 0   a n d   20 0 ,   β = 40 0 are assumed for calculation.
Electronics 04 00239 g008

3.3. 3L-5L DAB Boost Topology

The primary and secondary voltage waveforms for a 3L-5L DAB boost topology are shown in Figure 9. The 3L vAB is assumed to start at angle γ after the zero, and 5L vab is lagging vAB by the phase-shift angle ϕ The pulse-width of 3L waveform is assumed symmetrically reduced by an angle of γ which actually results from switch duty cycles D < 5. Using the same sector-wise inductor current analysis, as shown in (1) to (10), the power flow equation for this topology has been derived as,
P o p . u = [ m { ( ϕ ϕ 2 π + β γ π + γ 2 β 2 2 π α 2 2 π ) } + γ { π + β ϕ γ 2 π } ]
If we put γ = 0 in (16), it reduces to the 2L-5L power equation in (11). Similarly, if the condition is such that α = β = 0 , Equations (11) and (16) reduce to the conventional two-level DAB onverter equations [1].
Figure 9. Primary 3L voltage vAB secondary 5L voltage vab and current through the primary referred leakage inductance iL; where V s = 290  V ,    V P = 1 , 868  V ,   α = 10 0 ,    β = 40 0 ,   γ = 20 0  and  ϕ = 60 0 .
Figure 9. Primary 3L voltage vAB secondary 5L voltage vab and current through the primary referred leakage inductance iL; where V s = 290  V ,    V P = 1 , 868  V ,   α = 10 0 ,    β = 40 0 ,   γ = 20 0  and  ϕ = 60 0 .
Electronics 04 00239 g009

3.4. Soft Switching

The per unit output power vs. ϕ   -   β characteristics is shown in Figure 10 (15), where α is chosen as 15 0 , as this value gives the minimum THD in five-level v a b [14]. In Figure 11, the two-dimensional view of ϕ   -   β planes ease the visualization of the boundary values of ϕ > 55 0  and  β 46 0 for achieving soft-switching both in primary (2L) and secondary (5L) bridges, as described in the following subsections.
Figure 10. Soft switching boundaries shown in three-dimensional power vs. ϕ -   β planes (where α = 15 0 ,   0 < β < 90 0  and  0 < ϕ < 90 0 ); the grey planes (15) show the power vs. phi-beta relations for m = 0.5, 1, 1.5, 2; the green plane (17) is for two-level bridge, and the zero voltage switching (ZVS) is possible while operating under this plane; the blue (18) and red (19) planes are for five-level bridge leg-a and leg-b, respectively.
Figure 10. Soft switching boundaries shown in three-dimensional power vs. ϕ -   β planes (where α = 15 0 ,   0 < β < 90 0  and  0 < ϕ < 90 0 ); the grey planes (15) show the power vs. phi-beta relations for m = 0.5, 1, 1.5, 2; the green plane (17) is for two-level bridge, and the zero voltage switching (ZVS) is possible while operating under this plane; the blue (18) and red (19) planes are for five-level bridge leg-a and leg-b, respectively.
Electronics 04 00239 g010
Figure 11. Two-dimensional view of Figure 10 showing the ZVS boundaries of ϕ and β.
Figure 11. Two-dimensional view of Figure 10 showing the ZVS boundaries of ϕ and β.
Electronics 04 00239 g011
The conventional 2L DAB topology can achieve zero voltage switching (ZVS) for all switches in the entire power range when m is equal to unity. The switching pulses for the 2L-5L DAB switches are shown in Figure 4. It is possible to achieve the same in the primary bridge (S1 to S4 with the condition of i L ( 0 ) < 0 as shown in Figure 12.

3.4.1. Soft-Switching Conditions for the Two-Level (Vs) Bridge

From the current and voltage waveform of the switches in the primary two-level (Vs) bridge (Figure 12), we can say that the condition for soft-switching in the primary bridge should be,
i L ( 0 ) < 0 o r ,     V P n ω L . ( π 2 ϕ ) V s ω L . ( π 2 ) < 0 o r ,     V P n V s m < ( π 2 ) ( π 2 ϕ )
Figure 12. Voltage across the transformer vAB and vab, inductor current iL and switch currents and voltages for S1 to S4.
Figure 12. Voltage across the transformer vAB and vab, inductor current iL and switch currents and voltages for S1 to S4.
Electronics 04 00239 g012

3.4.2. Soft-Switching Conditions for the Leg-a of NPC (Five-Level) Bridge

Condition for Sa1 and Sa4 to be turned-on at ZVS: i L ( ϕ + β ) > 0  
o r ,     m > { π 2 ( ϕ + β ) } ( π 2 β )
Boundary condition for Sb1 and Sb4 to be turned-on at ZVS: i L ( ϕ α ) = 0
o r ,     m = { π 2 ( ϕ α ) } { π ( α + β ) }
In the NPC bridge, ZVS happens in the switches S a 1 ,    S a 4 ,   S b 1 ,   S b 4 during turn-on at m = 1 . The rest of the switches ( S a 2 ,    S a 3 ,   S b 2 ,   S b 3 ) are also turned on at a favorable condition when the current through the switch is already zero, as shown in Figure 13 and Figure 14.
Figure 13. Voltage across the transformer v A B  and  v a b , inductor current i L and switch currents and voltages for S a 1 to S a 4 .
Figure 13. Voltage across the transformer v A B  and  v a b , inductor current i L and switch currents and voltages for S a 1 to S a 4 .
Electronics 04 00239 g013
Figure 14. Voltage across the transformer vAB vab, inductor current iL and switch currents and voltages for Sb1 to Sb4.
Figure 14. Voltage across the transformer vAB vab, inductor current iL and switch currents and voltages for Sb1 to Sb4.
Electronics 04 00239 g014

3.5. Transformer Design

Considering the operating frequency and loss profile, various core materials, such as silicon steel, amorphous alloy and nano-crystalline, are used as the transformer core. For frequencies less than 10 kHz, the amorphous metglas material shows better performance. For this ML-DAB converter, amorphous metglas alloy 2605SA1 material has been chosen in the transformer core, because of its high permeability, low core losses, high saturation flux density and narrow hysteresis curve. The design of a 3.4-kVA transformer core and winding wires has been calculated using the area-product method as shown below:
The transformer core area product is defined as,
A p = A c o r e A w i n d o w = k c o n v ( V 1 I 1 r m s + V 2 I 2 r m s ) k w B m x J m x f s
where
  • V 1 V s = 292   V ,   V 2 V P = 1 , 667   V , switching frequency f s = 5   k H z ,  
  • I 1 r m s = 16.2   A ,   I 2 r m s = 2.9   A (RMS values calculated from simulation results),
  • k c o n v = 0 . 5 (this factor value is chosen based on the converter topology),
  • k w = 0.4 (this is the fill-factor having values usually within range of 0.3 to 0.6),
  • B m x = 1   T (chosen based on the maximum saturation flux density being 1.56 T),
  • J m x = 6   A / m m 2 (peak current density with the use of litz wire).
From Equation (20), we get A p = 398 , 650   m m 4 . By using metglass 2605SA1 AMCC-50 core specification, we get, A p = 462 , 000   m m 4 ,   A c o r e = 330   m m 2 ,   A w = 1 , 400   m m 2 .
The conductor cross-section can be found as A c o n d 1 = I 1 r m s J m x = 2.7   m m 2 ,   a n d   A c o n d 2 = 0.48   m m 2 . The number of turns in the transformer is calculated as, N 1 = k c o n v V 1 A c o r e f s B m x = 89   t u r n s , and similarly N 2 = 509   t u r n s . AWG 12 259/36 and AWG 20 38/30 Type 2 litz wire have been chosen for transformer primary and secondary windings, respectively.

4. Applications for ML-DAB

The proposed ML-DAB could find some suitable applications in a solid state transformer (SST), a front-end DC-DC converter in a photovoltaic (PV) system, a high step-up voltage DC-DC or an intermediate stage in ac-ac applications. Figure 15 shows a block diagram of the ML-DAB in a grid-connected large-scale PV system. The ML-DAB module along with inverter stage can act as a building block to be cascaded in order to achieve the 13.8-kV distribution voltage requirement.
Figure 15. ML-DAB module in a grid-connected photovoltaic (PV) power converter.
Figure 15. ML-DAB module in a grid-connected photovoltaic (PV) power converter.
Electronics 04 00239 g015
This ML-DAB can control maximum power point tracking (MPPT) by controlling the phase-shift ( ϕ ) between two active bridges. This topology has the advantage of being modular and replacing the bulky line frequency transformer at the grid-end with a smaller high frequency power electronic transformer. Figure 16, Figure 17 show the MPPT performance in an ML-DAB in PV applications.
Figure 16. (From top to bottom) (a) Change in PV output current Ipv due to the change in light intensity from 800 W/m2 to 1,000 W/m2; (b) corresponding change in voltage Vpv because of maximum power point tracking (MPPT) and (c) power Ppv.
Figure 16. (From top to bottom) (a) Change in PV output current Ipv due to the change in light intensity from 800 W/m2 to 1,000 W/m2; (b) corresponding change in voltage Vpv because of maximum power point tracking (MPPT) and (c) power Ppv.
Electronics 04 00239 g016
Figure 17. (From top to bottom) (a) Change in PV output current Ipv due to the change in light intensity from 1,000 W/m2 to 800 W/m2; (b) corresponding change in voltage Vpv because of MPPT and (c) power Ppv.
Figure 17. (From top to bottom) (a) Change in PV output current Ipv due to the change in light intensity from 1,000 W/m2 to 800 W/m2; (b) corresponding change in voltage Vpv because of MPPT and (c) power Ppv.
Electronics 04 00239 g017

5. Simulation and Experimental Results

A 3.34-kW ML-DAB module with a single phase high frequency transformer has been simulated in PSIM®. The design parameters of the ML-DAB are listed in Table 2. Based on the soft-switching constraints for the ML-DAB switches, as shown in (16) to (19), a good choice for modulation parameters is used for simulation, which are α = 10 ,   β = 30 0 and ϕ = 70 0 . For the PV application explained in Section 4, 1,200-V or 1,700-V rated IGBTs are needed for ML-DAB. There are limitations in the switching characteristics of commercially available IGBTs when operated above 20 kHz. Hence, we have chosen 5 kHz for the proposed ML-DAB. The minimum input capacitor value has been theoretically calculated as 39 uF based on the ML-DAB parameters in Table 2. In the prototype, we have used a 100-uF polypropylene capacitor with a high ripple current carrying capacity.
As per (10) and Table 2, the key simulation results are shown in Figure 18 and Figure 19 for a 2L-5L DAB in the steady state. The corresponding voltage and current waveforms for the 3L-5L ML-DAB have been shown in Figure 9 for the same input, output dc voltage and power rating as shown in Table 2. The phase-shift ϕ is actually the control parameter that is controlled by a proportional-integral (PI) controller sensing the variation in input (e.g., the PV panel’s output) or output (e.g., the input voltage of an inverter) dc voltages of the ML-DAB. Figure 18 and Figure 19 show the input and output voltage, current and average power of the ML-DAB obtained from simulation.
Table 2. Parameter values for a 3.34-kW ML-DAB based on the 2L-5L topology.
Table 2. Parameter values for a 3.34-kW ML-DAB based on the 2L-5L topology.
Item DescriptionNominal Value
Power rating of a ML-DAB module, Po3.34 kW
Vs = Vdc(2L)292 V
VP = Vdc(5L)1,668 V
ML-DAB high frequency transformer’s turns ratio, n = V P V s 5.716
I L 2 L 11.4 A
I L 5 L 2 A
I L 2 L ( r m s ) 17 A
Switching frequency, fs5 kHz
Leakage Inductance for ML-DAB transformer, L (value calculated as per Equation 14)0.5 mH
2-level PV side bridge IGBT’s VCE600 V (49% of Vs)
3-level NPC bridge IGBT’s VCE1,200 V (70% of V P 2 )
Soft-switching results for semiconductor switches in the converter are shown in Figure 12, Figure 13 and Figure 14 showing zero voltage switching (ZVS) and zero current switching (ZCS) performance. Infineon 1,200-V IGBT modules FF100R12YT3 are modeled in the simulation to estimate the losses and efficiency. In the simulation, the conduction losses have been modelled based on the IGBT datasheet parameters and assuming linear switching characteristics. The efficiency is 96.42%, as seen in the simulation.
Figure 18. (From top to bottom) (a) Primary 2L voltage vAB; (b) secondary 5L voltage vab; and (c) current through the primary referred leakage inductor iL.
Figure 18. (From top to bottom) (a) Primary 2L voltage vAB; (b) secondary 5L voltage vab; and (c) current through the primary referred leakage inductor iL.
Electronics 04 00239 g018
Figure 19. (From top to bottom) (a) ML-DAB input current Iin and its average; (b) output current Iout and its average; and (c) average input and output power P i n = A V G ( I i n * V s )  and  P o u t = A V G ( I o * V P ) .
Figure 19. (From top to bottom) (a) ML-DAB input current Iin and its average; (b) output current Iout and its average; and (c) average input and output power P i n = A V G ( I i n * V s )  and  P o u t = A V G ( I o * V P ) .
Electronics 04 00239 g019
Simulation and experimental results also verify the functionality of the proposed ML-DAB and the symmetric modulation technique. A hardware prototype (Figure 20) has been built and tested with a scaled-down input voltage ( V s = 120  V ,   f s = 5  kHz ) to verify the power flow and open-loop control. The gate signal for all the twelve IGBTs used in the ML-DAB is shown in Figure 21.The experimental voltage and current waveforms shown in Figure 22 and Figure 23 have a close match with the simulation results shown in Figure 18 and Figure 19. Figure 24 shows the output voltage and current waveforms when the ML-DAB is connected to a full-bridge inverter and a resistive-inductive (R-L) load. In the hardware prototype, an overall efficiency of 88% (Figure 25) has been observed for a 120-V input voltage and 638 W (which is 20% of the rated power of the converter) of input power (Table 3). At full rated power, it is expected that the observed efficiency will closely match with the theoretical and simulated efficiency figures.
Figure 20. ML-DAB prototype hardware setup for laboratory testing.
Figure 20. ML-DAB prototype hardware setup for laboratory testing.
Electronics 04 00239 g020
Figure 21. Gate pulses for the ML-DAB IGBTs (from top to bottom: S 1 , 4 , S 2 , 3  and  S a 1 , S a 2 , S a 3 , S a 4  and  S b 1 , S b 2 , S b 3 , S b 4 ) .
Figure 21. Gate pulses for the ML-DAB IGBTs (from top to bottom: S 1 , 4 , S 2 , 3  and  S a 1 , S a 2 , S a 3 , S a 4  and  S b 1 , S b 2 , S b 3 , S b 4 ) .
Electronics 04 00239 g021
Table 3. Experimental efficiency and losses for the prototype ML-DAB.
Table 3. Experimental efficiency and losses for the prototype ML-DAB.
VsVpPinPout P l o s s t r a n s P l o s s t o t a l EfftransEfftotal
(V)(V)(w)(w)(w)(w)(%)(%)
6031016113314289083
8041628423927459084
10052144337345708984
12062663856142779388
Figure 22. ML-DAB 2L voltage vAB, 5L voltage vab and current through the 2L and 5L side of the transformers i L p r i and  i L s e c ; where V s = 125  V ,    V P = 650  V ,   n = 5.71 ,    α = 10 0 , β = 30 0  and  ϕ = 70 0 .
Figure 22. ML-DAB 2L voltage vAB, 5L voltage vab and current through the 2L and 5L side of the transformers i L p r i and  i L s e c ; where V s = 125  V ,    V P = 650  V ,   n = 5.71 ,    α = 10 0 , β = 30 0  and  ϕ = 70 0 .
Electronics 04 00239 g022
Figure 23. ML-DAB input (2L bridge) and output (5L bridge) dc current waveforms I d c 2 L and I d c 5 L .
Figure 23. ML-DAB input (2L bridge) and output (5L bridge) dc current waveforms I d c 2 L and I d c 5 L .
Electronics 04 00239 g023
Figure 24. Output voltage and current waveforms when the ML-DAB is connected to a full-bridge inverter and a resistive-inductive (R-L) load.
Figure 24. Output voltage and current waveforms when the ML-DAB is connected to a full-bridge inverter and a resistive-inductive (R-L) load.
Electronics 04 00239 g024
Figure 25. Efficiency curve of the transformer and ML-DAB with output power variation.
Figure 25. Efficiency curve of the transformer and ML-DAB with output power variation.
Electronics 04 00239 g025

6. Conclusions

In this paper, a multilevel DAB (ML-DAB) dc-dc converter has been proposed for its use in high step-up/down, high-voltage applications. The boost and buck configurations of the ML-DAB have been explained in detail. A symmetric modulation technique has been proposed, which allows for independent control of the phase-shift from the control parameters that shape the multilevel voltage waveforms. The paper analyzes in detail the 2L-5L, 5L-2L and 3L-5L voltage waveforms across the high frequency transformer and derives expressions for the power flow. A soft-switching analysis along with boundary conditions is presented. The converter is designed and simulated in PSIM®. A hardware prototype is built and tested to verify the proposed ML-DAB performance with the symmetric modulation scheme. Experimental results have been presented to validate the proposed modulation and power flow in the ML-DAB.

Acknowledgments

This work is supported by the United States Department of Energy under Award No. DE-EE0006323.

Author Contributions

M.A. Moonem and H. Krishnaswami conceived the concept, performed the analysis and designed the experiments. R. Hernandez and C. Pechacek designed the prototype and performed the experiments; R. Hernandez and H. Krishnaswami analyzed the data; M.A. Moonem wrote the paper; All authors approved the final manuscript.

Conflicts of Interest

The authors declare no conflict of interest.

References

  1. De Doncker, R.W.A.A.; Divan, D.M.; Kheraluwala, M.H. A three-phase soft-switched high-power-density dc/dc converter for high-power applications. IEEE Trans. Ind. Appl. 1991, 27, 63–73. [Google Scholar] [CrossRef]
  2. Krishnamurthy, H.K.; Ayyanar, R. Building block converter module for universal (ac-dc,dc-ac,dc-dc) fully modular power conversion architecture. In Proceedings of the Power Electronics Specialists Conference, 2007 (PESC 2007), Orlando, FL, USA, 17–21 June 2007; pp. 483–489.
  3. Qin, H.; Kimball, J.W. Solid-state transformer architecture using ac–ac dual-active-bridge converter. IEEE Trans. Ind. Electron. 2013, 60, 3720–3730. [Google Scholar] [CrossRef]
  4. Bhattacharya, S.; Zhao, T.; Wang, G.; Dutta, S.; Baek, S.; Du, Y.; Parkhideh, B.; Zhou, X.; Huang, A.Q. Design and development of generation-i silicon based solid state transformer. In Proceedings of the 2010 Twenty-Fifth Annual IEEE Applied Power Electronics Conference and Exposition (APEC), Palm Springs, CA, USA, 21–25 February 2010; pp. 1666–1673.
  5. Krismer, F.; Kolar, J.W. Efficiency-optimized high-current dual active bridge converter for automotive applications. IEEE Trans. Ind. Electron. 2012, 59, 2745–2760. [Google Scholar] [CrossRef]
  6. Tang, G.-J.S.L. A three-phase bidirectional dc-dc converter for automotive applications. In Proceedings of the Industry Applications Society Annual Meeting, 2008 (IAS’08), Edmonton, AB, Canada, 5–9 October 2008; pp. 1–7.
  7. Engel, S.; Stieneker, M.; Soltau, N.; Rabiee, S.; Stagge, H.; de Doncker, R. Comparison of the modular multilevel dc converter and the dual-active bridge converter for power conversion in HVDC and MVDC grids. IEEE Trans. Power Electron. 2014, 30, 124–137. [Google Scholar] [CrossRef]
  8. Tripathi, A.; Mainali, K.; Patel, D.; Bhattacharya, S.; Hatua, K. Control and performance of a single-phase dual active half bridge converter based on 15 kv sic igbt and 1200 v sic MOSFET. In Proceedings of the Applied Power Electronics Conference and Exposition (APEC), 2014 Twenty-Ninth Annual IEEE, Fort Worth, TX, USA, 16–20 March 2014; pp. 2120–2125.
  9. Kouro, S.; Malinowski, M.; Gopakumar, K.; Pou, J.; Franquelo, L.G.; Bin, W.; Rodriguez, J.; Perez, M.A.; Leon, J.I. Recent advances and industrial applications of multilevel converters. IEEE Trans. Ind. Electron. 2010, 57, 2553–2580. [Google Scholar] [CrossRef]
  10. Panagis, P.; Stergiopoulos, F.; Marabeas, P.; Manias, S. Comparison of state of the art multilevel inverters. In Proceedings of the Power Electronics Specialists Conference, 2008 (PESC 2008), Rhodes, Greece, 15–19 June 2008; pp. 4296–4301.
  11. Aggeler, D.; Biela, J.; Kolar, J. A compact, high voltage 25 kW, 50 kHz dc-dc converter based on SiC JFETS. In Proceedings of the IEEE Applied Power Electronics Conference (APEC), Austin, TX, USA, 24–28 February 2008; pp. 801–807.
  12. Kulasekaran, S.; Ayyanar, R. Analysis, design and experimental results of the semi-dual active bridge converter. IEEE Trans. Power Electron. 2014, 29, 5136–5147. [Google Scholar] [CrossRef]
  13. Moonem, M.; Krishnaswami, H. Analysis and control of multi-level dual active bridge dc-dc converter. In Proceedings of the Energy Conversion Congress and Exposition (ECCE), 2012, Raleigh, NC, USA, 15–20 September 2012; pp. 1556–1561.
  14. Filba-Martinez, A.; Busquets-Monge, S.; Bordonau, J. Modulation and capacitor voltage balancing control of a three-level NPC dual-active-bridge dc-dc converter. In Proceedings of the IECON 2013–39th Annual Conference of the IEEE on Industrial Electronics Society, Vienna, Austria, 10–13 November 2013; pp. 6251–6256.
  15. Nabae, A.; Takahashi, I.; Akagi, H. A new neutral-point-clamped PWM inverter. IEEE Trans. Ind. Appl. 1981, IA-17, 518–523. [Google Scholar] [CrossRef]
  16. Wu, B. High-Power Converters and ac Drives; Wiley-IEEE Press: Hoboken, NJ, USA, 2006. [Google Scholar]

Share and Cite

MDPI and ACS Style

Moonem, M.A.; Pechacek, C.L.; Hernandez, R.; Krishnaswami, H. Analysis of a Multilevel Dual Active Bridge (ML-DAB) DC-DC Converter Using Symmetric Modulation. Electronics 2015, 4, 239-260. https://doi.org/10.3390/electronics4020239

AMA Style

Moonem MA, Pechacek CL, Hernandez R, Krishnaswami H. Analysis of a Multilevel Dual Active Bridge (ML-DAB) DC-DC Converter Using Symmetric Modulation. Electronics. 2015; 4(2):239-260. https://doi.org/10.3390/electronics4020239

Chicago/Turabian Style

Moonem, M. A., C. L. Pechacek, R. Hernandez, and H. Krishnaswami. 2015. "Analysis of a Multilevel Dual Active Bridge (ML-DAB) DC-DC Converter Using Symmetric Modulation" Electronics 4, no. 2: 239-260. https://doi.org/10.3390/electronics4020239

APA Style

Moonem, M. A., Pechacek, C. L., Hernandez, R., & Krishnaswami, H. (2015). Analysis of a Multilevel Dual Active Bridge (ML-DAB) DC-DC Converter Using Symmetric Modulation. Electronics, 4(2), 239-260. https://doi.org/10.3390/electronics4020239

Article Metrics

Back to TopTop