You are currently viewing a new version of our website. To view the old version click .
Electronics
  • Article
  • Open Access

26 December 2024

A Non-Integer Ratio Impedance Conversion Broadband RF Power Amplifier

,
,
,
,
and
1
The School of Electronic and Information Engineering, Liaoning Technical University, Huludao 125105, China
2
The Beijing Dunsemi Integrated Circuit Design Co., Ltd., Beijing 100083, China
3
Institute of Microelectronics of Chinese Academy of Sciences, Key Laboratory of Science and Technology on Silicon Devices, Beijing 100029, China
*
Author to whom correspondence should be addressed.

Abstract

This paper uses the non-integer ratio coaxial line impedance transform matching method to design a wideband RF power amplifier. The motivation for the research stems from the limitations of the fixed conversion ratio of traditional impedance converters at RF frequencies and the challenges of low-frequency performance degradation. A fixed conversion ratio and low-frequency performance often limit traditional impedance matching methods. The model enables flexible and efficient wideband impedance matching, covering a wide frequency range of 2–650 MHz. The results show that the power amplifier has an output power of more than 48.5 dBm, a gain of more than 16 dB, and a drain efficiency (DE) of more than 55% in the frequency band range of 2–650 MHz, which is superior to similar designs in terms of low-frequency performance and bandwidth.

1. Introduction

Power amplifiers in systems such as telecommunications and radar need to cover a wide frequency range while maintaining output power, so a wideband matching design is critical. Broadband amplifiers do not require tuning, allowing fast frequency switching and broadband signal transmission. Maximizing power transmission relies on complex conjugate matching of load and source impedance, which is a key challenge in broadband design. Achieving a balance between bandwidth and output power is still difficult, especially at low frequencies where impedance converters face higher demands.
Article [1] introduces a 100 W wideband reconfigurable power amplifier (PA) that operates over a frequency range of two octaves. By improving the existing wideband matching network (MN), the resonant characteristics of different frequencies are utilized, and the frequency band is switched dynamically. The experimental results show that in the 200–870 MHz band, the gain is 13.1–16.5 dB, the drain efficiency is 50–66%, and the output power is 50–51.9 dBm. In addition, tests on Wideband Code Division Multiple Access (W-CDMA) signals show that the adjacent channel power ratio (ACPR) across the entire bandwidth is better than −42 dBc at 45 dBm output power. However, its performance is insufficient at low frequencies [1].
In [2], a design method of a wideband VHF/UHF power amplifier based on the coaxial transformer is introduced, with special attention to the matching network design of the LDMOS power amplifier. This amplifier achieves stable performance in the frequency band from 30 to 512 MHz. The innovation of this paper lies in the use of a coaxial transmission line transformer and distributed inductance and induction capacitor embedded component design, combined with the traditional impedance matching method, which can effectively improve the bandwidth and power output of the amplifier. However, the study has shortcomings, such as impedance matching in high-frequency bands, which may be affected by some reaction loss, although this can be compensated by ferrite loading. In addition, broadband matching technology still needs to be further improved, especially for practical applications at higher frequencies [2].
In [3], a design of an ultra-wideband power amplifier based on silicon LDMOSFETs is proposed, with an operating frequency range of 2 to 500 MHz and a maximum output power of 5 W. Using a Class-AB operating mode, push-pull structure, and negative feedback network to improve efficiency and achieve broadband performance, the power amplifier has a very flat gain over the entire frequency band, with gain fluctuations of only 1.5 dB, an output power of more than 5 W at the 1 dB compression point (P1 dB), and a power added efficiency (PAE) of more than 43%. However, while the design performs well in P1 dB and PAE, its effect in higher frequencies or more complex applications needs to be further validated, and there may be potential challenges to the long-term stability and durability of the power amplifier [3].
Reference [4] presents a 40 W ultra-wideband linear power amplifier based on LDMOSFETs, operating in the frequency range from 2 MHz to 512 MHz. Using a push-pull structure and balanced inputs and outputs through 1:1 and 1:4 transmission line transformers, the power amplifier achieved more than 40 W of P1 dB output power in the 2–512 MHz band with a gain of 43.3 ± 1.8 dB and a power-added efficiency (PAE) of greater than 28.3%. In addition, the second and third harmonic distortions are lower than −28.5 dBc and −19 dBc, respectively [4].
Reference [5] presents an efficient power amplifier design with an output power of more than 100 W and an operating frequency range of 10–500 MHz. The amplifier uses a four-way push-pull construction and Guanella 1:1 transmission line transformer and achieves flat power gain within the bandwidth through a negative feedback network. Although it achieves ideal performance, its structure is complex [5].
The transverse diffused metal-oxide-semiconductor field-effect transistor wideband amplifier designed in reference [6] achieves 15 W output power and 50% efficiency in the 1.8~2.0 GHz band, with a gain of 14.5 dB [6]. The impedance matching network is the core component of RF and microwave circuits, which is mainly used for impedance matching, power distribution, and merging. In the microwave frequency range, the common impedance matching network is a quarter-wavelength impedance matching network [7]. However, the bandwidth of this type of transformer has certain limitations. Specifically, when it needs to be converted to very high or very low impedance, the required line impedance may be beyond a reasonable range in practical applications [8]. Although it is possible to extend the bandwidth using multiple transformer segments, at lower frequencies, the physical length of the transformer may be too long, thereby affecting the feasibility of practical applications and being limited by a fixed impedance conversion ratio. At RF frequencies, transmission line transformers are only suitable for impedance conversion ratios of 1:4 and operate stably in a relatively fixed frequency range [9].
In this paper, an impedance-matching method with low-frequency performance and bandwidth is proposed. The addition of the Barron structure ensures the bandwidth and improves the output power and efficiency. The Barron structure is a kind of structure that can be used for impedance conversion, impedance matching, and DC isolation. The non-integer coaxial transmission line model can obtain the exact solution of any impedance conversion ratio. It overcomes problems such as limited bandwidth and poor low-frequency performance of traditional impedance converters and realizes more flexible and efficient impedance matching. Dual mode represents the impedance seen when two conductors are symmetrically excited, and the voltage is in phase. Odd mode represents the impedance seen when the two conductors are stimulated in reverse phase, and the voltage is reversed. By analyzing the dual-mode and odd-mode properties, the proposed design method can be extended to a broader impedance range, and its practical feasibility is validated based on experimental results. Although the non-integer ratio impedance conversion technology has been widely documented and applied, most of the existing technologies focus on the application of specific frequency bands, and there are still difficulties in industrial manufacturing, most of which involve complex structures. In this paper, RF power amplifiers are successfully manufactured and tested under the theoretical model to expand their application range. In the bandwidth of 2 ~ 650 MHz, the output power is greater than 48.5 dBm, the gain characteristic is greater than 16 dB, and the efficiency is greater than 55%. The performance and bandwidth handling at low frequencies are better than similar RF power amplifiers.

2. Theory of Design

Impedance matching network is the basic component of maximum power transmission in radio frequency circuits and systems. It adjusts the impedance between signal source and load so that the signal can be transmitted without loss to achieve maximum power output. As a key signal amplifier, the performance of the RF power amplifier is directly affected by the input and output impedance matching. To achieve the best power matching of RF power amplifiers in the broadband range, it is very important to design a suitable matching network. A matching network not only needs to ensure accurate impedance conversion, but also must be able to maintain stable performance in the wide band. Thus, its design complexity is high.
In practical applications, common coaxial transformers usually use impedance conversion ratios of 1:4 and 1:9 [10], which are suitable for simple matching problems under ideal conditions. However, when there is a big difference between the impedance and the load of the line, the transformation of these fixed ratios cannot meet the actual demand, and the ideal impedance matching is not achieved. This is because, in the complex electromagnetic environment, actual impedance matching is often affected by many factors, such as the circuit geometry, material characteristics, and frequency range, and these factors make the traditional impedance matching method limited.
Therefore, a new non-integer ratio ferrite core transmission line model is proposed in this paper. This model can flexibly adjust the conversion ratio, no longer sticking to the traditional 1:4 or 1:9 [11] fixed conversion ratio. The model can accurately design a suitable impedance matching network according to the actual circuit requirements. By combining such non-integer ratio transmission lines with lumped elements, more accurate and widely applicable input/output matching can be achieved. This new matching network not only improves the power transmission efficiency, but also can work stably in a wider frequency range, and solves the complex impedance matching problem that the traditional matching method cannot adapt to, providing an effective solution for the performance optimization of RF power amplifiers.

2.1. Non-Integer Ratio Coaxial Line Transformer

The coaxial converter plays a very important role in the RF circuit, and its function is mainly reflected in the impedance matching between the signal source and the load through different impedance conversion ratios. For the design and analysis of coaxial converters, three key parameters require special attention: impedance conversion ratio, characteristic impedance, and electrical length [12]. These parameters together determine the performance and matching effect of the coaxial converter. The impedance conversion ratio determines the relationship between the input and output impedances, while the characteristic impedances affect the transmission characteristics and power losses of the signal. The electrical length is an essential parameter in the analysis process, especially when considering the signal propagation characteristics and frequency response.
The definition of electrical length is based on the length of the coaxial transmission line and the propagation speed of the signal. This is usually described by the electrical length, which is closely related to the dielectric characteristics of the coaxial line and the transmission speed. The electrical length is usually a function of frequency; thus, as the frequency of the signal changes, the electrical length also changes [13,14,15,16]. At higher frequencies, the effect of electrical length becomes more pronounced. For coaxial lines of a fixed medium and length, the electrical length is proportional to the frequency. This means that as the frequency increases, the electrical length will increase, resulting in a change in the behavior of the coaxial line. However, because coaxial converters usually operate in a narrow band frequency range, the effect of frequency on electrical length can be ignored and the analysis process can be simplified. However, it should be noted that this simplified analysis is only suitable for narrowband applications. Moreover, if the frequency range is wide, the frequency dependence of the electrical length may lead to limitations in power transmission, affecting the performance of the converter.
Therefore, to facilitate analysis and design, the ideal coaxial line model is usually considered. Specifically, complex factors such as transmission line loss, nonlinear effects, and frequency dependence are ignored, and only the basic parameters such as the characteristic impedance and impedance conversion ratio of the coaxial line are considered. Under ideal conditions, the input impedance and output impedance of each coaxial line of the coaxial converter are equal to its characteristic impedance Z0 because the transmission characteristics of the ideal coaxial line ensure that the signal is transmitted without damage, and the matching process is completely ideal. Taking the 1:4 impedance converter as an example, ideally, when the input and output impedances of the coaxial line match their characteristic impedances, Z0, the signal can achieve maximum power transmission without power loss [17].
Figure 1 shows the equivalent model of the ideal 1:4 impedance converter, where the input and output impedances of the coaxial line are equal to the characteristic impedances Z0, reflecting the matching relationship between the input and output impedances in the ideal converter. This ideal model provides us with a basic framework on which engineers can further consider non-ideal factors such as transmission line losses, nonlinear effects, and frequency response according to actual needs, to achieve more accurate design and optimization.
Figure 1. 1:4 coaxial converters.
Its source impedance Zg and ZL load impedance conversion ratio are explained as follows:
Z g : Z L = Z i n : Z o u t = 1 : 4
Figure 1 and Formula (1) show that the impedance conversion ratio of the converter is equal to the ratio of the input impedance to the output impedance. The input impedance of the coaxial converter is equal to the input impedance of the coaxial line in parallel, and the output impedance is equal to the output impedance of the coaxial line in series [12].
Since the characteristic impedance Z0 is usually a real number, and the source impedance and the load impedance are usually complex numbers, the impedance matching process cannot be simply calculated by the impedance transformation ratio. The goal of impedance matching is to achieve the conjugate matching of input impedance and source impedance to achieve the maximum power transmission [18]. In the circuit shown in Figure 2, the lossless coaxial transmission line has characteristic impedance Z0 and electrical length E. When the transmission line is connected to the complex impedance, its matching characteristics need special analysis. Because the source impedance does not match the characteristic impedance Z0 of the coaxial line, the reflection coefficient in the circuit is not simply determined by the load reflection coefficient. However, considering that the coaxial line is a lossless transmission line, the power entering the coaxial line is completely transmitted to the load, so the circuit can be simplified to the equivalent load impedance Zin. In this simplified model, the source impedance Zg and the equivalent input impedance Zin are both complex numbers, and they are in series [19,20]. Therefore, the imaginary part of the source impedance Zg can be equivalent to Zin for processing. Finally, the reflection coefficient is expressed as follows:
Figure 2. 1:N coaxial converter.
Γ = Z i n Z g Z i n + Z g
Zin is expressed as follows:
Z i n = Z 0 Z L + j Z 0 tan E Z 0 + j Z L tan E
When the Γ is 0 and E = 90°, it can be considered that there is no reflection transmission, that is, the impedance is perfectly matched:
Z 0 = Z L Z g
At this point, when ZL and Zg are real numbers, the equation can be solved, and the commonly used integer ratio transformation λ/4 impedance transformation can be completed. If you want to achieve any ratio, that is, the impedance transformation when E is not equal to 90°, you can use the real part and the imaginary part to be equal to 0 to solve the equations as follows:
Z 0 ( R L R g ) R L X g R g X L = tan E Z 0 ( X L + X g + Z 0 ) R g R L X L X g = tan E
The general formula is simplified as follows:
Z 0 = Z L cos ϕ g Z g cos ϕ L cos ϕ g + ϕ L
tan E = Z 0 Z g cos ϕ g Z L cos ϕ L cos ϕ g + ϕ L
The general model is established by combining the ideal model and the coaxial line analysis, as shown in Figure 2. The 1:N coaxial converter is equivalent to a coaxial line, and the characteristic impedance and electrical length parameters of any proportion can be obtained using the analysis results of the coaxial line.

2.2. Balun Transmission Line Model

Because of its simple structure and broadband characteristics, Barron structures have been widely used in a variety of RF applications, providing appropriate impedance matching to ensure efficient signal transmission and reduce signal distortion. In past studies [21,22,23,24], a wideband Barron design usually adopts a two-stage structure. The first stage is responsible for converting from a balanced to unbalanced configuration, and the second stage is responsible for impedance matching. Although this two-stage design can provide satisfactory performance, especially in terms of low distortion and wide band coverage, its disadvantages are also very obvious. First, a two-level design usually results in a larger overall Barron size, increasing the complexity of integration and layout. Second, due to the need for multiple components and longer transmission paths, the difficulty of manufacturing and debugging is also significantly increased. To solve these problems, a new non-integer ratio impedance transformed Barron transmission line model is proposed. The model is developed by taking a coaxial transmission line structure and winding it around two ferrite cores with different frequency characteristics. The special properties of the ferrite core enable the Barron to provide stable performance in a wide band. The design proposed in this paper not only reduces the volume but also improves the integration of the system, ensuring good performance in a wide range of frequencies. In addition, the Barron structure has a good impedance matching ability, which can effectively suppress the reflection and distortion of the signal.
The typical balun achieves a 4:1 impedance conversion while converting an unbalanced 50 Ω input to a balanced 12.5 Ω output [25]. In this paper, the non-integral proportional transformation of the coaxial line is first completed. Then, the characteristic impedance of the balun transmission line is determined to obtain good performance [26,27]. The Z0 of the balun transmission line is given by the following formula:
Z 0 = Z i n × Z o u t
Zin and Zout are the impedances of the input unbalanced port and the output balanced port, respectively. When the impedance transformation ratio is N:1, the following is obtained:
Z 0 = Z i n N
The balun can be designed to use a transmission line that is wound on a ferrite core with high permeability to reduce the operating frequency while enhancing low-frequency performance by reducing the number of windings turns. To achieve broadband characteristics, the use of coaxial transmission lines, rather than enameled or double-line transmission lines, is the preferred choice for closer field coupling between conductors, which enhances high-frequency performance [28]. The traditional transformer works normally in the high-frequency region [29]; however, parasitic coupling capacitance (capacitance between windings and capacitance between input and output windings) and leakage inductance will reduce the performance of the operating bandwidth at low frequencies. Taking the 4:1 coaxial transformation as an example, Figure 3 shows the circuit diagram of a 4:1 broadband balun using two different ferrite cores and a post-matching network [30,31].
Figure 3. Balun transmission line model.
The No. 1 core works with a relatively small initial permeability but provides better frequency characteristics in the high-frequency range. The No. 2 core has a large initial permeability. In terms of the balun structure, it can be treated as a four-port symmetric network. When one port is connected to an arbitrary impedance, the network reduces to a three-port configuration. To analyze the odd-even mode behavior, the S-parameter matrix must first be derived. The two second-order S-parameter matrices are determined by applying odd-mode and even-mode excitations, respectively. Subsequently, the complete four-port S-parameter matrix is obtained. The fourth-order S-parameter matrix is then reduced using boundary conditions, yielding the third-order S-parameter matrix. By substituting the parameters from the odd-even mode matrix, a relationship between the odd-even mode S-parameters and Barron’s S-parameters is established. Finally, by comparing the odd-mode and even-mode characteristic impedances derived from the matrix, the performance variations between the two modes can be evaluated.
The output matching circuit used in this paper is measured as shown in the Figure 4. It can be seen that the performance of S (2,1) in the low-frequency output of a without ferrite is poor, and its performance in the low-frequency output is improved after adding ferrite.
Figure 4. Output matching circuit test comparison diagram.

2.3. Non-Integer Ratio Ferrite Transmission Line Model

Coaxial impedance converters and their combinations are widely used in RF systems, especially where efficient impedance matching is required. The advantage is the ability to achieve a high impedance conversion ratio, which is achieved through the characteristics of the coaxial cable and a clever design combination. Compared with other traditional impedance conversion technologies, the coaxial cable impedance converter not only provides higher power capacity but also has a wider transmission bandwidth and good shielding performance, which significantly reduces signal reflection and electromagnetic interference. Taking the chip used in this paper as an example, the output matching network is combined with a coaxial cable impedance converter and a few lumped parameter elements.
The bandwidth mainly depends on the ferrite core. Commercial ferrite cores have various initial permeability and different frequency characteristics, which depend on the initial permeability of magnetic materials. As shown in the Figure 5, this design uses three different magnetic cores, the output matching circuit uses No. 1 and No. 2 magnetic cores, and the input matching circuit uses another magnetic core. In the output matching circuit, although the No. 1 core has a relatively small initial permeability, the core maintains its characteristics in a wider frequency range. The No. 2 core has a large initial permeability, but it decays rapidly with the increase in frequency. For the low-frequency range, the large permeability of the No. 2 core is required to compensate for the relatively short electrical length of the transmission line. The No. 1 core works with a relatively small initial permeability but provides better frequency characteristics in the high-frequency range. Combined with its coaxial line impedance converter, the overall output matching circuit is finally realized.
Figure 5. Balun transmission line matching network.

3. PA Prototype Circuit

This power amplifier uses the LDMOSFET self-developed by the Chinese Academy of Sciences. First, the gate–source bias voltage is set to Class AB, corresponding to the static bias points VGS = 1.45 V and VDS = 32 V. In terms of efficiency and linearity, the best in the criticality is obtained to ensure the optimal load impedance to maximize DE and output power. Due to the lack of theoretical models, the load-pull system is used to pull its optimal impedance point to determine the optimal basic load impedance at the center frequency. The variation range of load impedance in the 2–650 MHz bandwidth is determined to be 4.2 + j8.3Ω to 3.1 + j6.5Ω.
Through the analysis of the coaxial converter, the impedance matching can be completed by tuning the characteristic impedance and the electrical length. However, the characteristic impedance of the actual coaxial line is a certain specification, not arbitrary, and the electrical length changes with frequency. Thus, the coaxial converter and lumped element are used to achieve broadband matching.
The following Table 1 gives the specific dimensions and values of some components used.
Table 1. Usage model table of components.
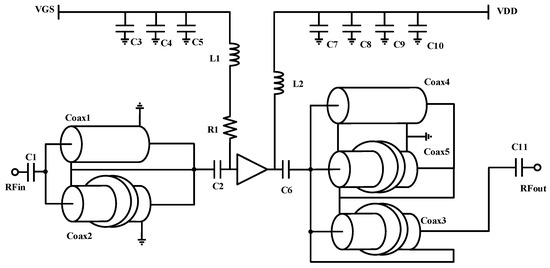
During the experimental test, the adjustment is finally obtained as shown in Figure 6. Figure 7 shows the equivalent circuit diagram Figure 8 shows the physical picture of the RF power amplifier realized. There are differences in the transition from the theoretical model to the physical object. Figure 9 shows some of the instruments that have been used in the test environment.
Figure 6. Overall power amplifier physical connection diagram.
Figure 7. Equivalent circuit diagrams.
Figure 8. RF power amplifier physical diagram.
Figure 9. PA test environment and equipment.

4. Circuit Testing

The physical object in Figure 6 is tested. All the tests are bias conditions in class AB state. As shown in Figure 10, it is a small signal test. It can be seen that its small signal gain, S (2,1), is greater than 16 dB in the 2–650 MHz frequency band, especially at low frequencies. Its gain performance is good, and the in-band insertion loss meets the design requirements. As shown in Figure 11, the large signal test data shows that the output power is greater than 48.5 dBm in the 2–650 MHz frequency band, and the highest point output power can reach 49.5 dBm. Compared with the gain performance of a small signal, the gain performance and flatness of a large signal meet the design requirements, both of which are greater than 16 dB. The in-band drain efficiency can reach more than 55%, and the center frequency can reach about 58%.
Figure 10. Small signal test results.
Figure 11. Large signal test result diagrams.
Figure 12 shows the measurement results of the IMD3 performance of a wideband power linear amplifier with an average output power level of 43 dBm. In most frequency bands, the IMD3 is maintained between −30 dBc and −40 dBc. Near 300 MHz, IMD3 is slightly reduced to about −40 dBc, indicating slightly better nonlinearity. Near 450 MHz, IMD3 is slightly increased, reaching about −30 dBc, and linearity is slightly degraded.
Figure 12. The measured IMD3 characteristics from 2 to 650 MHz.
Table 2 summarizes some of the recently reported broadband PA performance measurements. For a valid comparison, our broadband PA measurements are also listed. The broadband PA structure proposed in this paper has better performance and bandwidth processing at low frequencies than similar RF power amplifiers.
Table 2. Comparison of similar power amplifier (PA) performance.

5. Conclusions

In this paper, a wideband RF power amplifier based on non-integer ratio coaxial transmission line impedance conversion is designed to overcome the limitations of a traditional fixed impedance conversion ratio and low-frequency performance. The amplifier covers the frequency range from 2 MHz to 650 MHz and uses an innovative non-integer ratio impedance matching method to achieve efficient broadband performance and wider impedance adaptation. The output power and drain efficiency are optimized using a non-integer ratio coaxial transmission line model combined with the Barron structure.
The results show that the output power of the power amplifiers is greater than 48.5 dBm, the gain is more than 16 dB, and the drain efficiency (DE) is more than 55% in the 2–650 MHz band, which is significantly better than similar designs. In addition, the device has significantly improved performance and bandwidth coverage in low-frequency bands, making its application advantages in low-frequency bands more obvious, and maintaining stable gain and efficiency over the entire bandwidth range.

Author Contributions

Conceptualization: Y.Y. and J.N.; Methods: Y.Y. and J.N.; Software: Y.Y. and M.C. and J.L.; Verification: M.C., J.N. and T.D.; Formal analysis: M.C., J.N. and J.L.; Investigation: M.C., J.N. and Y.C.; Resources: M.C., J.N. and T.D.; Data Management: Y.Y., M.C. and J.L.; Writing—Original manuscript preparation: Y.Y., J.N., M.C., J.L., T.D. and Y.C.; Writing—Reviewed and edited by Y.Y., J.N., M.C., J.L., T.D. and Y.C.; Visualizations: M.C., J.N. and Y.C.; Supervisors: M.C., J.N. and T.D.; Project Management: Y.Y., J.N., M.C., J.L., T.D. and Y.C. All authors have read and agreed to the published version of the manuscript.

Funding

We would like to express our sincere thanks to the National Natural Science Foundation of China (61971210) for supporting this research.

Data Availability Statement

The data presented in this study are available on request from the corresponding author due to the reason is the data usage conditions and the conditions used.

Conflicts of Interest

Author Mifang Cong and Tao Dai was employed by the company The Beijing Dunsemi Integrated Circuit Design Co., Ltd. The remaining authors declare that the research was conducted in the absence of any commercial or financial relationships that could be construed as a potential conflict of interest.

References

  1. Yao, X.; Zhou, T.; Cong, M. Research and Development of a Two Octaves Reconfigurable Power Amplifier. IEEE Microw. Wirel. Technol. Lett. 2023, 33, 1450–1453. [Google Scholar] [CrossRef]
  2. Gentzler, C.G.; Leong, S.K. Broadband VHF/UHF amplifier design using coaxial transformers. High Freq. Electron. 2003, 2, 42–51. [Google Scholar]
  3. You, S.; Lim, K.; Cho, J.; Seo, M.; Kim, K.; Sim, J.; Park, M.; Yang, Y. A 5W ultra-broadband power amplifier using silicon LDMOSFETs. In Proceedings of the 2009 Asia Pacific Microwave Conference, Singapore, 7–10 December 2009; pp. 1116–1119. [Google Scholar]
  4. Seo, M.; Kim, K.; Kim, M.; Kim, H.; Jeon, J.; Sim, J.; Park, M.; Yang, Y. Design of a 40Watt Ultra broadband linear power amplifier using LDMOSFETs. In Proceedings of the 2010 Asia-Pacific Microwave Conference, Yokohama, Japan, 7–10 December 2010; pp. 414–417. [Google Scholar]
  5. Cho, J.; Lim, K.; You, S.; Seo, M.; Kim, K.; Sim, J.; Park, M.; Yang, Y. Design of a 100watt high-efficiency power amplifier for the 10–500MHz band. In Proceedings of the 2009 Asia Pacific Microwave Conference, Singapore, 7–10 December 2009; pp. 285–288. [Google Scholar]
  6. Dai, D.; Sun, L.; Wen, J.; Su, G.; Guo, L. A 10W broadband power amplifier for base station. In Proceedings of the 2012 International Conference on Microwave and Millimeter Wave Technology (ICMMT), Shenzhen, China, 5–8 May 2012; pp. 1–4. [Google Scholar]
  7. Bichler, A. An Introduction to Broadband Impedance Transformation for RF Power Amplifiers. High Freq. Des. 2009, 34–40. Available online: https://api.semanticscholar.org/CorpusID:990311 (accessed on 24 December 2024).
  8. Zhu, F.; Hong, W.; Chen, J.X.; Wu, K. Ultra-Wideband Single and Dual Baluns Based on Substrate Integrated Coaxial Line Technology. IEEE Trans. Microw. Theory Tech. 2012, 60, 3062–3070. [Google Scholar] [CrossRef]
  9. Haitao, Z.; Huai, G.; Guann-Pyng, L. Broad-band power amplifier with a novel tunable output matching network. IEEE Trans. Microw. Theory Tech. 2005, 53, 3606–3614. [Google Scholar] [CrossRef]
  10. Sun, Y.; Fidler, J.K. Practical considerations of impedance matching network design. In Proceedings of the 1994 Sixth International Conference on HF Radio Systems and Techniques, New York, NY, USA, 4–7 July 1994; pp. 229–233. [Google Scholar]
  11. Bidgoli, H.A.; Khodaei, M.; Tayarani, M. Multioctave Power Amplifier Design Using 9:1 Planar Impedance Transformer. IEEE Microw. Wirel. Compon. Lett. 2021, 31, 45–48. [Google Scholar] [CrossRef]
  12. Shen, H.-M.; Wu, T.T. Optimum design of a multifin coaxial converter. In Photonics West—Lasers and Applications in Science and Engineering; SPIE: Bellingham, WA, USA, 1993. [Google Scholar]
  13. Hofbauer, G.A. An ultra-wideband microwave balun using a tapered coaxial coil structure working from kHz range to beyond 26.5 GHz. In Proceedings of the IEEE MTT-S International Microwave Symposium Digest, Washington, DC, USA, 17 June 2005; pp. 551–554. [Google Scholar]
  14. Grant, J.P.; Clarke, R.N.; Symm, G.T.; Spyrou, N.M. A critical study of the open-ended coaxial line sensor technique for RF and microwave complex permittivity measurements. J. Phys. E Sci. Instrum. 1989, 22, 757–770. [Google Scholar] [CrossRef]
  15. Kian Sen, A.; Chee How, L.; Yoke Choy, L. Analysis and design of coupled line impedance transformers. In Proceedings of the 2004 IEEE MTT-S International Microwave Symposium Digest (IEEE Cat. No.04CH37535), Atlanta, Georgia, 6–11 June 2004; Volume 1953, pp. 1951–1954. [Google Scholar]
  16. Abrie, P.L.D. The Design of Impedance-Matching Networks for Radio-Frequency and Microwave Amplifiers; Artech House Publishers: London, UK, 1985. [Google Scholar]
  17. Steve, C. RF Power Amplifiers for Wireless Communications, 2nd ed.; Artech: New York, NY, USA, 2006; p. 1. [Google Scholar]
  18. Sevick, J. A Simplified Analysis of the Broadband Transmission Line Transformer. High Freq. Electron. 2004, 3, 48–53. [Google Scholar]
  19. Malinen, A.; Stadius, K.; Halonen, K. Characteristics and modeling of a broadband transmission-line transformer. In Proceedings of the 2004 IEEE International Symposium on Circuits and Systems (IEEE Cat. No.04CH37512), Atlanta, Georgia, 23–26 May 2004; p. IV-413. [Google Scholar]
  20. Lee, H.; Jung, I.; Seo, M.; Kim, H.; Ham, J.; Gu, J.; Yang, Y. 400 W broadband power amplifier using transmission-line transformers with 1:8 impedance transformation ratio. J. Electromagn. Waves Appl. 2013, 27, 1429–1438. [Google Scholar] [CrossRef]
  21. Raab, F.H. Broadband Class-E Power Amplifier for HF and VHF. In Proceedings of the 2006 IEEE MTT-S International Microwave Symposium Digest, San Francisco, CA, USA, 11–16 June 2006; pp. 902–905. [Google Scholar]
  22. Hamed, K.W.; Freundorfer, A.P.; Antar, Y.M.M. A monolithic double-balanced direct conversion mixer with an integrated wideband passive balun. IEEE J. Solid-State Circuits 2005, 40, 622–629. [Google Scholar] [CrossRef]
  23. Bawer, R.; Wolfe, J.J. A Printed Circuit Balun for Use with Spiral Antennas. IRE Trans. Microw. Theory Tech. 1960, 8, 319–325. [Google Scholar] [CrossRef]
  24. Kim, T.; Lee, H.; Lim, W.; Oh, S.; Oh, H.; Hwang, K.C.; Lee, K.Y.; Park, C.s.; Yang, Y. A Compact Single-Stage Wide-Band Balun: A 4:1 Wide-Band Transmission-Line Balun Based on a Combination of Two Different Ferrite Cores. IEEE Microw. Mag. 2018, 19, 78–83. [Google Scholar] [CrossRef]
  25. Oh, H.; Lee, W.; Lee, H.; Koo, H.; Oh, S.; Hwang, K.C.; Lee, K.Y.; Park, C.s.; Yang, Y. A Better Balun? Done The Design of a 4:1 Wideband Balun Using a Parallel-Connected Transmission-Line Balun. IEEE Microw. Mag. 2017, 18, 85–90. [Google Scholar] [CrossRef]
  26. Phelan, H.R. A Wide-Band Parallel-Connected Balun. IEEE Trans. Microw. Theory Tech. 1970, 18, 259–263. [Google Scholar] [CrossRef]
  27. Laughlin, G.J. A New Impedance-Matched Wide-Band Balun and Magic Tee. IEEE Trans. Microw. Theory Tech. 1976, 24, 135–141. [Google Scholar] [CrossRef]
  28. Ng, C.Y.; Chongcheawchamnan, M.; Robertson, I.D. Analysis and design of a high-performance planar Marchand balun. In Proceedings of the 2002 IEEE MTT-S International Microwave Symposium Digest (Cat. No.02CH37278), Washington, DC, USA, 2–7 June 2002; Volume 111, pp. 113–116. [Google Scholar]
  29. Rotholz, E. Transmission-Line Transformers. IEEE Trans. Microw. Theory Tech. 1981, 29, 327–331. [Google Scholar] [CrossRef]
  30. Horn, J.; Boeck, G. Design and modeling of transmission line transformers. In Proceedings of the 2003 SBMO/IEEE MTT-S International Microwave and Optoelectronics Conference—IMOC 2003. (Cat. No.03TH8678), Foz do Iguaçu, Brazil, 20–23 September 2003; Volume 421, pp. 421–424. [Google Scholar]
  31. Sahan, N.; Inal, M.E.; Demir, S.; Toker, C. High-Power 20–100-MHz Linear and Efficient Power-Amplifier Design. IEEE Trans. Microw. Theory Tech. 2008, 56, 2032–2039. [Google Scholar] [CrossRef]
Disclaimer/Publisher’s Note: The statements, opinions and data contained in all publications are solely those of the individual author(s) and contributor(s) and not of MDPI and/or the editor(s). MDPI and/or the editor(s) disclaim responsibility for any injury to people or property resulting from any ideas, methods, instructions or products referred to in the content.

Article Metrics

Citations

Article Access Statistics

Multiple requests from the same IP address are counted as one view.