Next Article in Journal
Analysis of Influence of Abnormal Fiber-Optical Current Transformer on Double Closed-Loop Control of Converter Valve in Flexible DC Converter Station
Previous Article in Journal
Static Output Feedback Control for Vehicle Platoons with Robustness to Mass Uncertainty
 
 
Font Type:
Arial Georgia Verdana
Font Size:
Aa Aa Aa
Line Spacing:
Column Width:
Background:
Article

Design and Performance Analysis of a Novel Cooling Device for IGBT Modules in Wind Power Converters

1
State Key Laboratory of Disaster Prevention & Reduction for Power Grid, Disaster Prevention & Reduction Center of State Grid Hunan Corporation, Changsha 410129, China
2
College of Electrical and Information Engineering, Hunan University, Changsha 410012, China
*
Author to whom correspondence should be addressed.
Electronics 2025, 14(1), 140; https://doi.org/10.3390/electronics14010140
Submission received: 26 October 2024 / Revised: 13 December 2024 / Accepted: 26 December 2024 / Published: 1 January 2025

Abstract

Overheating failure is one of the common causes of motor converter failure, so it is very important to improve the heat dissipation of the converter. In response to the inefficiency of traditional converter heat dissipation devices, we propose a novel heat dissipation device. The device combines micro-heat pipe arrays (MHPAs) and interleaved fins, and the MHPAs were initially applied in the converter. The device leverages the exceptional thermal conductivity of the MHPA to rapidly transfer heat from the heat source to various parts of the fins, ultimately achieving efficient heat dissipation and lowering the temperature. This study investigates the thermal resistance, heat dissipation performance, and overall temperature distribution of both the new and traditional heat dissipation devices using theoretical modeling, multi-condition experimental comparisons, and numerical simulation analysis. The experimental results demonstrate that the new heat dissipation device exhibits lower thermal resistance, higher heat dissipation, and greater convective heat transfer intensity compared to the conventional device. In a scenario with 6.3 kW power and 4.3 m/s wind speed, the new heat dissipation device decreases thermal resistance by 15 times, boosts heat dissipation by 30%, enhances convective heat transfer by 12.5%, and lowers the heatsink object temperature by 30%. As power and wind speed increase, the heat dissipation performance of the new heat dissipation device can be further improved. Additionally, the new heat dissipation device exhibits a characteristic where the temperature of the fins is higher on the outside and lower on the inside. Increasing the length of the fins helps improve the device’s heat dissipation performance. The feasibility of the MHPA being applied in converter heat dissipation systems is validated in this study. This device significantly enhances converter heat dissipation efficiency and is crucial for advancing the high-power capabilities of motors.

1. Introduction

In recent years, with the rapid development of grid-connected renewable energy technologies, the performance requirements for power converters are increasing. Taking the converter of a full-power conversion wind turbine as an example, in addition to the requirement of capacity matching, higher requirements have been put forward for its reliability, operational efficiency, and life span [1,2]. In the converter, power semiconductor switching devices, especially the insulated gate bipolar transistor (IGBT), are susceptible to failure due to excessive temperature.
According to statistics, more than 50% of IGBT failures are caused by overheating [3,4]. Studies have shown that if the average junction temperature of the IGBT is increased by 5 °C, its service life will be reduced by 20% to 25% [5,6,7]. In addition, the printed circuit board where the IGBT is located has a small thermal capacitance and is sensitive to temperature changes, and the performance of the resistance-capacitance components on the printed circuit board is also affected by temperature changes. Therefore, the design of an efficient converter heat sink is crucial to maintain the safety and stability of the motor.
In this context, this study aims to propose a novel heat dissipation device to solve the limitations of the traditional heat dissipation means in converters. Forced air cooling, which uses air as the heat transfer medium, is cost-effective, simple in design, and easy to maintain. However, its heat dissipation capacity is relatively low, and its temperature uniformity is not ideal. Liquid cooling, on the other hand, utilizes water or coolants to achieve more effective heat dissipation, but it involves a more complex system and higher maintenance costs, with potential risks of leakage. Heat pipe (HP) cooling relies on HP elements, offering advantages such as compact size, long lifespan, quiet operation, and excellent thermal conductivity. HP technology has been widely used in space, military, and other industries. It operates by transferring heat via phase changes in the internal medium and uses capillary action or gravity for fluid return, achieving an effective thermal conductivity greater than that of any known metal [8]. Thermoelectrics have gained attention for their compact size, precise temperature control, and lack of moving parts [9]. They can provide localized cooling and are particularly useful in situations where traditional cooling methods might be less effective or feasible. Thermoelectric devices, though more commonly used in small-scale applications or in combination with other cooling methods, have demonstrated potential for improving thermal management in high-performance electronics, including IGBTs. Therefore, this topic will not be addressed.
A series of studies have shown the successful application of HP in the thermal management of microelectronics and electric motors. For instance, ref. [10] provides a review of the different types of HP used in microelectronics thermal management, summarizing and comparing their packaging technologies. Another study [11] discusses the opportunities and challenges of using HP technology in motor thermal management. In [12], an O-type HP structure was applied to the heat dissipation of modular multilevel converters, with experimental results showing that the optimized heatsink reduced the hotspot temperature by 20% compared to traditional systems. Likewise, [13] used HP for permanent magnet synchronous motor cooling, where experimental and numeric thermal analyses showed a 22.9 °C temperature decrease for the lowest temperature.
Although widely utilized in power electronics for its outstanding thermal conductivity, HP technology has some drawbacks. For instance, the durability of HP functionality may be affected by the structural soundness of its capillary wick and the single-channel configuration. Distortion of the HP can drastically impair its ability to dissipate heat or even result in total malfunction, posing a significant obstacle to its sustained reliability in high-power settings.
In contrast, HP cooling rapidly transfers heat through the process of vapor–liquid phase change of the work material (evaporation and condensation heat transfer) and gravitational reflux, which has the advantages of small size, long lifetime, and no noise. Based on this, this study plans to use HP elements to solve the problems of conventional heat dissipation methods. However, the circular structure of the HP leads to the need for additional treatment for its fit to the heat transfer surface, while its single-channel nature may lead to a decrease in heat transfer performance or even failure if the HP deforms, thus making it difficult to ensure the reliability of operation. As a new type of HP element, the MHPA has a more flexible form factor and higher reliability while maintaining the working principle and characteristics of the traditional HP, as shown in Figure 1a. The flat structure of the MHPA is easy to fit the heat exchange surface. In addition, multiple independent microchannels operate in parallel, so that damage to one channel does not affect the other channels. In addition, each microchannel contains a micron-scale enhanced surface structure, such as the axial continuity fin structure shown in Figure 1b, which further enhances its pressure-bearing capacity and heat transfer effect. It has been reported that the ultimate equivalent thermal conductivity of MHPA can be up to 530 times that of copper [14].
In recent years, MHPA technology has made significant progress and widely used in several fields. The advantages of MHPA in terms of temperature uniformity and thermal response speed [15] have been verified in the fields of lithium-ion battery modules for electric vehicles [16], battery thermal management systems [17], LED heatsinks [18], and photovoltaic power generation systems [19]. However, the application of MHPA technology in motor converter cooling systems has not been explored. To fill this gap, this paper proposes a novel heatsink based on a MHPA combined with internal and external staggered fins, aiming to improve the heat dissipation performance of the converter. This innovative research idea is expected to provide a new solution to the heat dissipation problem of motor converters, thus promoting the further development of grid-connected renewable energy technologies.
To thoroughly examine the thermal behavior of the novel heatsink, this study contrasts its performance with that of the conventional heatsink across three dimensions: theoretical analysis, experimental testing, and simulation. Initially, a theoretical framework for the thermal resistance network of the heatsink is developed, alongside the design of a MHPA structure and fin dimensions. Subsequently, using a commercial motor converter rated at 7.5 kW, experimental comparisons are conducted to analyze the temperature profiles of both the traditional and the novel heatsinks, assessing their heat dissipation capabilities under varying power levels and airflow conditions. Lastly, a computational fluid dynamics (CFD) simulation model is constructed to evaluate the thermal distribution characteristics of the two heatsinks and to explore the influence of differing fin lengths on the thermal efficiency of the innovative heatsink.

2. Modeling and Structural Design of the Thermal Resistance Network for a Novel Heatsink Based on a MHPA

2.1. Loss Analysis of IGBT Modules

The IGBT used in this paper is the Jiaxing Star GD35PJT120L3S module, whose rated voltage is 1200 V, rated current is 35 A, and the maximum junction temperature is 175 °C. The power loss of the IGBT module during the working process originates from the internal IGBT and the flywheel diode (FWD) chip. Among them, the IGBT has pass-state loss PI and switching loss Psw, and the FWD has forward conduction loss Pf and reverse recovery loss Prec. The total loss PAll of the IGBT module can be expressed using the following formula:
P A l l = P I G B T + P F W D = ( P I + P o n + P o f f ) + ( P f + P r e c )
The size of PAll in the above equation is mainly related to the switching loss and has nothing to do with the control mode. In order to facilitate the calculation, the duty cycle of the IGBT is set to 0.5 in the following formula.
When designing the heatsink, in order to ensure that the IGBT does not exceed the maximum junction temperature of 175 °C, it is necessary to calculate the pass-state loss according to its output characteristics and the switching loss according to its collector current characteristics.
When the IGBT operates in the on-state mode, the internal on-state resistance rI of the IGBT interacts with the on-state current Ic to generate power dissipation and maintains a certain saturation voltage Vsat. Hence, the on-state losses of the IGBT are expressed as follows:
P I = V s a t I c + I c 2 r I δ I   = V s a t _ 25 + K V ( T j _ I 25 ) + r I _ 25 + K r ( T j _ I 25 ) I c 2 δ I  
where Vsat_25 and rI_25 represent the on-state saturation voltage and resistance of the IGBT at 25 °C, respectively. KV and Kr denote the temperature coefficients, while Tj_I refers to the junction temperature of the IGBT.
When the IGBT works in the switching mode, the voltage and current waveforms partially overlap and generate losses because of the existence of the collector trailing current, making the turn-off loss much larger than the turn-on loss. Therefore, the switching loss of IGBT is expressed as follows:
P o n _ o f f = f s w E o n _ o f f ( I I , ( t ) ) I c δ I
E o n _ o f f ( I c ) = ( E o n + E o f f ) U d I c U N I N [ 1 + K I ( 125 T j _ I ) ]
where fsw is the switching frequency; Eon and Eoff are the rated turn-on loss and turn-off losses, respectively; Ud is the DC side voltage; UN and IN are the rated voltage and current of the IGBT, respectively; and KI is the temperature coefficient.
The loss of FWD consists of forward conduction loss and reverse recovery loss. The forward conduction loss Pf is expressed as follows:
P f = V f I D + I D 2 × r D × 1 δ I   = V f _ 25 + K V D ( T j _ D 25 ) I D ( 1 δ I ) + r D _ 25 + K r D ( T j _ D 25 ) I D 2 ( 1 δ I )
where Vf is the diode on-state voltage, ID is the instantaneous current during conduction, and rD is the on-state resistance. Vf_25 and rD_25 are based on the on-state saturation voltage and on-state resistance of the FWD at 25 °C, KVD and KrD are the temperature coefficients, and Tj_D is the value of the FWD junction temperature.
FWD shutdown takes time to recover, and this process is characterized by a partial overlap of the voltage and current waveforms, resulting in a reverse recovery loss Prec:
P r e c = f s w × E N × U d I D U N D I N D × [ 1 + K D ( 125 T j _ D ) ]
where EN is the recovery loss of the diode when the diode is rated, and KD is the temperature correction factor for the energy loss of the diode.
According to the relevant parameters provided in the device technical manual of the GD35PJT120L3S module, combined with Equations (1)–(6), it is concluded that the loss PAll of the IGBT can reach a maximum of 301 W at a maximum junction temperature of 175 °C. On this basis, theoretical modeling of the thermal resistance network is required to calculate the heat transfer area.

2.2. Theoretical Modeling of Thermal Resistance Networks for Novel Heatsinks

The pin end of the IGBT module connects to the circuit board. The heatsink is secured to its copper sheet, and an epoxy resin is applied between them to enhance heat transfer. In the thermal resistance network model, the thermal resistance of the silicone grease is represented as R1, the MHPA as R2, and the heat dissipation fins for air convection as R3. The model assumes a uniformly distributed temperature on the copper sheet’s surface, with the MHPA relying on gravity for reflux. Figure 2 illustrates the simplified thermal resistance network of the heatsink device. Since R1 remains constant across different heatsinks, it is excluded from further analysis, focusing instead on reducing R2 and R3 to lower the IGBT module’s case temperature.
In Figure 2, red represents the MHPA; yellow and gray represent the IGBT assembly and fins, respectively; the green line represents the copper sheet surface of the IGBT module; the diagonal line represents the thermally conductive silicone grease; and the arrow shows the direction of the heat flow. Tj is the operating junction temperature of the IGBT, Tc is the shell temperature of the IGBT module, and Ta is the convection temperature of the heatsink and air. The total thermal resistance R of the heatsink can be calculated according to the following equation:
T c T a P A l l = R
R = R 1 + R 2 + R 3
where the thermal resistance R2 is generated by the heat conduction process. It can be calculated using the following equation:
R 2 = d A c k
where d is the heat transfer distance, Ac is the cross-sectional area of the heat transfer channel, and k is the thermal conductivity. The equivalent thermal conductivity kr of the MHPA is calculated as follows [20]:
k r = Q h l e f f A r ( t e t c )
where Qh is the heat transfer of the microtubes; leff is the effective length of the microtube array, Ar is the cross-sectional area; and te and tc are the average temperatures of the evaporation and condensation sections, respectively. In addition, the convective thermal resistance R3 is defined as follows:
R 3 = 1 A d × h
where Ad is the convective heat transfer area and h is the convective heat transfer coefficient. For forced convection, the heat transfer coefficients for laminar and turbulent flow are expressed as follows [21]:
h = ( 1.1 ~ 1.4 ) k a i r 0.66 R e f 0.5 L ( R e f < 10 5 )
h = ( 1.1 ~ 1.4 ) k a i r 0.032 R e f 0.8 L ( R e f > 10 5 )
R e f = ρ v d μ
where kair is the air thermal conductivity, Ref is the Reynolds number, L is the effective length, ρ is the fluid density, v is the fluid flow velocity, d1 is the characteristic length of fluid flow, and μ is the hydrodynamic viscosity.
According to the air temperature data of November in Hunan region, the average room temperature is 20 °C, the wind speed is 5 m/s, the temperature rise is 20 °C, and the shell temperature of IGBT module is 40 °C. According to Equations (7)–(14), the total thermal resistance R of the heatsink is calculated to be 6.644 × 10−2 °C/W, which in turn indicates that the required heat transfer area of the IGBT module is 0.1936 m2.

2.3. Structural Design

The internal heatsink space of the converter is shown in Figure 3. Here, the pink area represents the IGBT copper sheet surface, and the screw holes on both sides are used to fix the heatsink. The space occupied by the converter heatsink can be up to 102 × 100 × 72 mm. Taking into account the screw pressurization fastening, the structure of the two types of heatsinks, the installation margin, and the control of dimensional variables and other factors, this paper selects the size of the traditional heatsink as 101 × 95 × 70 mm and the size of the new heatsink as 100 × 95 × 71 mm.
The shape and size of the new heatsink are designed according to the converter configuration and IGBT module positions. The MHPA of the new heatsink adopts a U-shape structure to meet the gravity work characteristics and maximize the contact area with the heatsink fins. The thickness of the MHPA is 2 mm, the length is 200 mm, and the width is 80 mm. The evaporating section on the bottom side of the U-shape is in contact with the copper sheet of the IGBT module, with an area of 60 × 80 mm. The condensing section on the two sides of the U-shape is equipped with heat dissipation fins, with areas of 70 × 80 mm. The overall area size of the copper surface is 57 × 60 mm, and the designed micro-HP bottom size can meet the requirements of tight fit and screw fixation. The cooling fins are divided into U-shaped condensing sections on both sides, including the inner and outer types. Each fin has a thickness of 1.5 mm. The inner side features a cross-form design, measuring 95 mm in length and 44 mm in height with a total of 10 layers. The fin spacing is 5 mm. The outer side has the same style with a height of 13 mm. The specific dimensions and design parameters are shown in Figure 4.
According to the above parameters, the final design of the traditional heatsink structure and the new heatsink structure in kind is shown in Figure 5. The traditional heat dissipation structure, shown in Figure 5a, is made of aluminum alloy with flat ribbed fins, which are casted using a mold without welding points. The new heat dissipation structure, shown in Figure 5b, consists of a U-shaped MHPA (shown by the red dotted line in the Figure 5b) bonded with stainless steel fins, and the internal fins are staggered and interspersed.
On the basis of completing the design and fabrication of the two kinds of heat dissipation structures, this paper will compare and analyze the heat dissipation performance of the traditional heat dissipation structure and the new heat dissipation structure based on theory, experiments, and simulation.

3. Model Validation and Performance Testing of Novel Heatsinks

First, this section verifies the accuracy of the theoretical network modeling of thermal resistance using experiments. On this basis, the thermal resistance of the two heatsinks is compared using theoretical analysis. Second, the heat dissipation, convection intensity ΔT, and temperature of the heat dissipation object T2 of the two heatsinks were compared under variable power and variable air speed conditions using experiments in order to analyze the differences in their heat dissipation performance.

3.1. Construction of the Experimental Platform

The setup for the experiment consists of several key elements, including a drag motor, a power converter, a special heatsink for the converter, a variable speed fan, a DC voltage controller, and a data acquisition system. Referring to Figure 6, it is clear that the power converter is responsible for controlling the performance of the motor. The traction motor acts as the main driving force, taking on the load of a permanent magnet synchronous machine. The speed of the fan is modulated by adjusting the output voltage from the DC/DC converter, thereby controlling the airflow. A resistance temperature detector (RTD) is used to measure the temperature with an accuracy of ±(0.15 °C + 0.002 times the absolute value of t), where t is the current temperature. In addition, an Agilent data acquisition system is used to track and document temperature variations, which is critical to maintaining the stability and reliability of the experiment.
During the whole experiment, the room temperature was controlled at about 25 °C. Additionally, room temperature was continuously monitored throughout the experiment to ensure stability. In order to better simulate the real working scenario and fully consider the comprehensiveness of the experiment, the study conducted multiple sets of experimental validations with variable power and variable working conditions, as shown in Table 1. When the wind speed is 4.3 m/s, the working powers of 4 kW, 4.5 kW, 4.9 kW, 5.4 kW, 5.9 kW, and 6.3 kW are selected to analyze the influence of the heat dissipation performance of the two heatsinks under different powers. In order to make the experimental effect more obvious, the highest point of the verified operating power, 6.3 kW, was chosen as the fixed operating power under the variable wind speed conditions. At the same time, wind speeds of 1.0 m/s, 1.6 m/s, 2.9 m/s, and 4.3 m/s were selected to analyze the effects of the heat dissipation performance of the two heatsinks under different wind speeds.

3.2. Indicators for Measuring the Results of the Experiment

When the experimental results were analyzed, the heat dissipation performance of the two heatsinks was verified and assessed by comparing the heat dissipation capacity of the heatsinks, the convective heat transfer intensity, and the steady-state temperature of the heatsink object from several perspectives. Among them, the heat dissipation amount Q is determined as follows:
Q = C p m Δ T
where Cp is the specific heat capacity of the air, m is the mass of air passing through the cross-section of the heatsink, and ΔT1 is the temperature difference between the air inlet and outlet. In addition, the strength of convective heat transfer can be characterized by ΔT, the difference between the average temperature of the radiator fins, Tf,ave, and the average temperature of the air in and out of the heatsink, Ts_ave, with ΔT being the driving force for convective heat transfer between the fins and the air. The magnitude of ΔT in the following equation can characterize the strength of convective heat transfer.
Δ T = T f , a v e T s , a v e
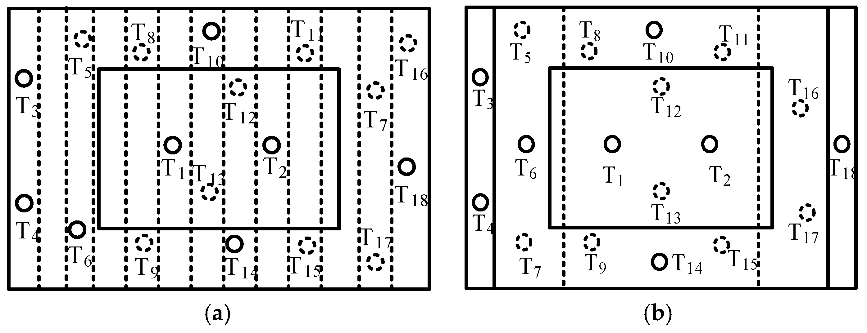
Based on the temperature points used for the above experimental measures, the same 20 temperature measurement points were set for both heatsinks in the experiment. In order to effectively compare the thermal performance of the two heatsinks, the circular markings in Figure 7 indicate the locations of the RTDs. Specifically, the following temperature points were selected: the T1 temperature measurement point is located on the heatsink side near the IGBT module for approximate characterization of the temperature of the copper sheet surface of the IGBT module; T2 is located on the circuit board side near the IGBT module for monitoring the actual temperature of the circuit board; T3~T18 are uniformly distributed on the fins of the heatsink for evaluating the average temperature of the heatsink; and T19 and T20 measure the air temperature at the inlet and outlet of the heatsink, respectively.
The experiments were conducted in the order of accuracy validation of the thermal resistance network model in Section 1 followed by multi-case experimental validation.

3.3. Validation of Theoretical Models of Thermal Resistance Networks and Comparison of Thermal Resistance

Under the working condition of 6.3 kW operating power and 4.3 m/s wind speed, the convective heat transfer thermal resistance calculated according to Equations (11)–(14) is 4.314 × 10−2 (°C/W), while the convective heat transfer thermal resistance measured and calculated experimentally is 4.041 × 10−2 (°C/W), with a relative error of 6.7%. This may be due to the insufficient precision of the temperature measurement in the experiment, as well as the slight difference between the actual room temperature and fan air speed and the expected value. Therefore, the theoretically calculated convective thermal resistance can better represent the results obtained after the experiment, which further validates the accuracy of the theoretical model of the thermal resistance network.
On this basis, the thermal resistances of the two heatsinks with an operating power of 6.3 kW and a wind speed of 4.3 m/s are calculated and compared. Among them, the calculated parameters of conduction thermal resistance R2 and convection thermal resistance R3 of the two heatsinks are listed in Table 2.
Based on the data in Table 2 and Figure 8, the conduction thermal resistance of the traditional heatsink is 4296 times that of the new heatsink, the convection thermal resistance is 1.17 times greater, and the total thermal resistance is 16 times higher. This demonstrates that the new heatsink has significantly better heat transfer performance than the traditional one. Additionally, the data reveal that higher wind speeds reduce both convective and total thermal resistance, further enhancing the heat dissipation performance of the new heatsink compared to the original design.

3.4. Analysis of the Experimental Results of Two Heatsinks with Variable Air Velocity

In order to further verify the above conclusions, experiments were conducted to compare the thermal performance of the two heatsinks with wind speeds ranging from 1.0 m/s to 4.3 m/s under a power of 6.3 kW. First, the convective heat transfer intensity ΔT of the two heatsinks was compared. Then, the steady state temperature T2 of the heatsink was further compared. Through the comparative analysis of ΔT and T2, the heat dissipation performance of the two heatsinks was evaluated at different wind speeds.
Figure 9a illustrates how the convective heat transfer intensity varies between the two heatsinks at different wind speeds. At a wind speed of 1.0 m/s, the conventional heatsink exhibits a convective heat transfer intensity (ΔT) of 9.9 °C, while the new heatsink achieves 10.5 °C, reflecting a 0.6 °C increase or a 6.1% improvement. When the wind speed rises to 4.3 m/s, the ΔT for the conventional heatsink decreases to 4.8 °C, whereas the new heatsink records a value of 5.4 °C, showing the same 0.6 °C difference but a 12.5% enhancement. These results from Figure 9 confirm that the new heatsink consistently demonstrates superior convective heat transfer intensity compared to the traditional design, with this advantage becoming more pronounced as wind speed increases.
Figure 9b provides a clearer and more detailed illustration of the cooling performance of the two heatsinks across varying wind speeds, complementing the insights obtained from Figure 9. The comparison focuses on the steady-state temperature of the cooling object. According to Figure 10, at a wind speed of 1.0 m/s, the steady-state temperature of the heat dissipation object using the traditional heatsink is 60 °C, while the new heatsink achieves a significantly lower temperature of 45 °C, representing a 15 °C reduction and a 25% improvement. At a higher wind speed of 4.3 m/s, the traditional heatsink maintains a temperature of 50 °C, whereas the new heatsink reduces it further to 35 °C, marking another 15 °C difference and a 30% enhancement. Experimental data confirm that the new heatsink outperforms the traditional one in lowering the steady-state temperature of the heat dissipation object. This advantage becomes increasingly pronounced as wind speed rises.
In conclusion, the new heatsink exhibits superior convective heat transfer capabilities compared to the traditional design. Its effectiveness in reducing the temperature of the heat dissipation object improves further with higher wind speeds, emphasizing its enhanced performance under dynamic conditions.

3.5. Analysis of the Results of Variable Power Experiments with Two Heatsinks

To further evaluate the heat dissipation performance of the new heatsink under varying power levels, comparative experiments were conducted at power ranges from 4 kW to 6.3 kW, with a wind speed of 4.3 m/s. The experiments assessed the heat dissipation capacity and convective heat transfer intensity (ΔT) of the two heatsinks, followed by a comparison of the steady-state temperature T2 of the heatsink object. This comprehensive evaluation considered factors such as heat dissipation efficiency, dissipation rate, and temperature stability.
Figure 10a illustrates the variation in heat dissipation between the two heatsinks at different power levels. At 4 kW, the conventional heatsink dissipates 89 J, while the new heatsink achieves 100 J, reflecting a difference of 11 J or a 12.4% improvement. At 6.3 kW, the heat dissipation increases to 129 J for the traditional heatsink and 144 J for the new one, corresponding to a 25 J difference or a 19.4% enhancement. These results indicate that the new heatsink consistently outperforms the conventional design, with its advantages becoming more pronounced as power increases.
Convective heat transfer intensity is another critical factor influencing heat dissipation. As shown in Figure 10b, at 4 kW, the ΔT for the conventional heatsink is 3.8 °C, while the new heatsink achieves 4.4 °C, representing a 15.8% increase. At 6.3 kW, the ΔT rises to 5.0 °C for the traditional heatsink and 5.8 °C for the new heatsink, indicating a 16% improvement. This superior performance can be attributed to the efficient heat transfer properties and temperature uniformity provided by the MHPA in the new heatsink. The closer alignment of fin temperature with the heat source enhances the temperature gradient, thereby improving convective heat transfer.
Figure 10c provides a consolidated view of Figure 10a,b, further highlighting the heat dissipation effects of the two heatsinks across power levels. At 4 kW, the steady-state temperature T2 of the traditional heatsink is 48 °C, compared to 33 °C for the new heatsink, representing a reduction of 15 °C or 31.3%. At 6.3 kW, T2 for the traditional heatsink is 54 °C, while the new heatsink achieves 35 °C, a difference of 19 °C or a 35.2% reduction. These results demonstrate the new heatsink’s superior ability to lower steady-state temperatures, particularly at higher power levels.
In summary, the new heatsink exhibits enhanced heat dissipation and convective heat transfer performance compared to the traditional design. It effectively reduces the temperature of the heat dissipation object, with its advantages becoming increasingly evident as power levels rise. These findings underscore the potential use of the new heatsink for applications requiring efficient thermal management.

3.6. Analysis of Cost and Mass Power Density

The traditional heat dissipation device weighs 917 g, while the novel heat dissipation device weighs 626 g, including 582 g for the fins and 44 g for the MHPA. The current price of aluminum is approximately 10.19 RMB/kg. Given the relatively simple manufacturing process for the fins, their cost is calculated based solely on material. The MHPA is made of aluminum and produced using a simple extrusion process, with a manufacturing cost of 5 RMB.
The material cost of the traditional heat dissipation device is calculated to be 9.34423 RMB, while the cost for the novel device is 10.93058 RMB. Although the novel device is 1.59 RMB more expensive than the traditional one, the cost difference is relatively small. Furthermore, as the cooling power increases, the traditional device requires larger fins to maintain efficient heat dissipation, which significantly raises the overall cost. In contrast, the superior thermal conductivity of the MHPA in the novel device allows for the use of smaller fins, achieving the same heat dissipation performance as the traditional device. This results in a notable reduction in both the overall cost and the required cooling volume.
To further illustrate the advantages of the novel heat dissipation device, the mass power density of both devices is compared, as shown in Figure 11.
Under a wind speed of 4.3 m/s and a 4 kW operating condition, the traditional device has a mass power density of 96.94 W/kg, while the novel device achieves a significantly higher mass power density of 160.18 W/kg. At a 6.3 kW operating condition, the mass power density of the traditional device is 140.37 W/kg, whereas the novel device reaches 231.71 W/kg.
These results clearly demonstrate that, despite having identical external dimensions, the novel heat dissipation device outperforms the traditional device in terms of mass power density. This improvement is particularly important for power converters operating in space-constrained environments, where maximizing cooling efficiency while minimizing the size and weight of the cooling device is crucial.

4. Optimization of the Heat Dissipation Structure Based on CFD Technology

In Section 2, the temperature measurement by RTD could not fully reflect the overall temperature distribution of the heatsink. Therefore, in this section, the CFD technique was applied using Ansys Fluent 2023 R1. The CFD technique is used to compare the overall temperature of the two heatsink structures and further explore the influence law of the fin length of the new heatsink on the temperature distribution. The geometric model of the new heatsink is simplified. The following initial conditions are set: the internal air is incompressible, steady state, and turbulent; the wall is adiabatic; the temperature difference inside the MHPA is negligible; the standard turbulence model is used, and the material parameters are aluminum, copper, and stainless steel; the velocity inlet and the free exit are set; the inlet wind speed is 4.3 m/s; the inlet temperature is 25.27 °C; the constant temperature of the heat source is 36.47 °C; the initial room temperature is 23.15 °C; gravity is applied along the z-axis; and the size is 9.81 m/s2.

4.1. Numerical Modeling and Validation of Novel Heatsinks

In this study, grid independence was verified by generating grids of 9.6 million, 22 million, 41.2 million, and 66.5 million elements. The first grid caused a floating point overflow. The second grid showed differences in temperature values at monitoring points compared to the third and fourth grids. The overall average temperature difference between the third and fourth grids is minimal. Therefore, the grid size is controlled in the range of 4 to 6 million elements.
Figure 12 shows the temperature differences between the actual temperatures at different monitoring points on the fins and the simulated results. Under steady-state conditions, the average calculated temperature for the novel cooler was 33.06 °C, while the experimental test value is 32.18 °C. The deviation between the two is 2.7%, which meets the accuracy requirement.

4.2. Comparison of the Temperature Distribution of Two Heatsink Structures

Figure 12 shows the temperature fields of the two heatsink structures with an operating power of 6.3 kW and an air velocity of 4.3 m/s operating condition. In this case, the IGBT heat source is located at the bottom, and the front side is the air outlet side.
The temperature distribution of the traditional heatsink is shown in Figure 13a, where the fins exhibit a higher temperature at the lower end and a lower temperature at the upper end, and its average temperature is 35.47 °C. The temperature distribution of the new heatsink is shown in Figure 13b, and the internal and external staggered fins exhibit the characteristics of high external and low internal temperatures. Its average temperature is 33.06 °C. The simulation results show that the temperature of the new heatsink is lower than that of the conventional heatsink overall. This result again verifies that compared with the traditional heatsink, the new heatsink has a higher heat dissipation capacity, a higher convection heat transfer intensity, a lower temperature of the heat dissipation object, and better heat dissipation performance.
Due to the limitations of the heat dissipation space of the converter, it is inconvenient to continue optimizing the outer fins of the new heatsink, so this paper also analyzes and optimizes the effect of the inner fin length on the temperature.

4.3. The Effect of the Length of Inner Staggered Fins on Temperature

The effect of inner fin length on temperature is investigated while keeping other conditions constant. The fin lengths selected in this paper are 32 mm, 39 mm, and 44 mm to study the effect on thermal resistance and fin temperature.
Table 3 details the performance characteristics of fins of different lengths, including their heat transfer efficiency, thermal resistance, and mean temperature. Analysis of the data shows a positive correlation between fin length and heat transfer coefficient, as well as a reduction in thermal resistance and a reduction in mean temperature. For example, increasing the fin length from 32 mm to 44 mm increases the heat transfer coefficient by 12.6%, from 87 to 98 W/m2·°C. At the same time, there is a 12.6% reduction in thermal resistance, from 4.552 × 10−2 °C/W to 4.041 × 10−2 °C/W. There is also a slight drop in mean temperature from 33.86 °C to 33.06 °C.
To further investigate the effect of fin length on the thermal profile of both the inner and outer sets of staggered fins, a simulation analysis was carried out in this research. As a result, the thermal maps for the newly designed heatsinks, each with fins of three different lengths, are shown in Figure 14.
It can be observed from Figure 14 that the average temperature of the heatsink increases as the fin length decreases and the overall temperature of the fins increases. By synthesizing the thermal resistance analysis and simulation results, it can be concluded that the longer the fin length is, the lower the thermal resistance to convection heat dissipation, the lower the average temperature of the heatsink, and the better the heat dissipation performance improvement.

5. Conclusions

In this paper, the MHPA element is applied to the heat dissipation system of a motor converter for the first time, and a new type of heatsink combining the MHPA and the inner and outer staggered fins is proposed. Using theorical, experimental, and simulation analyses, the thermal resistance, heat dissipation effect, and temperature distribution of the new heatsink and the traditional heatsink are compared in an all-round manner, and the length of the inner fins of the new heatsink is optimized and analyzed. The following conclusions are finally obtained:
The thermal resistance of the new heatsink is significantly lower than that of the traditional heatsink, and the trend is more prominent as the wind speed increases. Under the working condition of 6.3 kW power and 4.3 m/s wind speed, the thermal resistance of the traditional heatsink is 16 times that of the new heatsink. At the same time, as the wind speed increases from 1 m/s to 4.3 m/s, the increase in convective heat transfer intensity of the new heatsink increases from 6.1% to 12.5%, and the decrease in the temperature of the heatsink object increases from 25% to 30%.
Compared with the traditional heatsink, the new heatsink has greater heat dissipation, smaller convective thermal resistance, and a lower temperature of the heat dissipation object. With an increase in power, this trend is more obvious. For example, when the power increases from 4.3 kW to 6.3 kW, the heat dissipation of the new heatsink increases from 12.4% to 19.4%, the convective heat transfer intensity increases from 15.8% to 16%, and the temperature of the heat dissipation object decreases from 31.2% to 35.2%.
The fin temperature of the new heatsink is characterized by high external and low internal temperatures. Increasing the internal fin length can reduce the average temperature of the heatsink, reduce the convective thermal resistance, and increase the convective heat transfer coefficient. For example, when the internal fin length is increased from 32 mm to 44 mm, the heat transfer coefficient is increased by 12.6%, and the thermal resistance is decreased by 12.6%.
In summary, the novel heat dissipation device exhibits a significantly higher mass power density compared to the traditional device, providing superior cooling performance while reducing both weight and size. This makes it particularly advantageous for applications with space constraints. The proposed high-efficiency heatsink contributes to the advancement of high-power motors by enhancing cooling efficiency and minimizing the overall size of the cooling system.

Author Contributions

Writing—original draft, B.D.; Writing—review & editing, J.Z.; Supervision, P.X. All authors have read and agreed to the published version of the manuscript.

Funding

This work was supported by the Disaster Prevention & Reduction Center of State Grid Hunan Corporation (Grant No. SGHNFZ00JLJS2400035) and the National Natural Science Foundation of China (Grant No. 52377047).

Data Availability Statement

Data are contained within the article.

Conflicts of Interest

Author Pengkang Xie was employed by the company Disaster Prevention & Reduction Center of State Grid Hunan Corporation. The remaining authors declare that the research was conducted in the absence of any commercial or financial relationships that could be construed as a potential conflict of interest. The authors confirm that there are no identifiable financial conflicts or personal ties that may have potentially biased the outcomes or interpretations presented within this scholarly work.

References

  1. Li, H.; Liu, S.; Ran, L.; Li, Y.; Hu, Y.; Yang, D. A review of state monitoring technology for converters of high-power grid-connected wind turbines. Trans. China Electrotech. Soc. 2016, 31, 110. [Google Scholar] [CrossRef]
  2. Chang, G.; Luo, H.; Fang, C.; Chen, J.; Huang, Y. Influence of Heat Dissipation Baseplate on Power Cycling Lifetime of IGBT Modules. Trans. China Electrotech. Soc. 2024, 39, 2485–2495. [Google Scholar]
  3. Zhang, J.; Zhang, L.; Cheng, Y. Review of the lifetime evaluation for the IGBT module. Trans. China Electrotech. Soc. 2021, 36, 2560–2575. [Google Scholar]
  4. Wei, Y.; Chen, M.; Lai, W. Review on active thermal control methods based on junction temperature swing smooth control of IGBTs. Trans. China Electrotech. Soc. 2022, 37, 1415–1430. [Google Scholar]
  5. Zhao, Y.; Deng, E.; Pan, M.; Liu, J.; Zhang, Y.; Wang, S.; Huang, Y. Influence of Chip Surface Temperature Gradient on the Power Cycling Lifetime. Proc. CSEE 2023, 43, 6375–6384. [Google Scholar]
  6. Held, M.; Jacob, P.; Nicoletti, G.; Scacco, P.; Poech, M.H. Fast power cycling test for IGBT modules in traction application. In Proceedings of the Second International Conference on Power Electronics and Drive System, Singapore, 26–29 May 1997; IEEE: New York, NY, USA, 1997; Volume 1, pp. 425–430. [Google Scholar]
  7. Gao, B.; Chen, M.; Yang, F.; Shao, W.; Fu, J. Life Estimation of Generator Side Converter Considering the Comprehensive Mission Profiles. Trans. China Electrotech. Soc. 2017, 32, 88–99. [Google Scholar]
  8. Jiang, L.L.; Tang, Y.; Zhou, W.; Jiang, L.-Z.; Xiao, T.; Li, Y.; Gao, J.-W. Design and fabrication of sintered wick for miniature cylindrical heat pipe. Trans. Nonferrous Met. Soc. China 2014, 24, 292–301. [Google Scholar] [CrossRef]
  9. Liu, W.-D.; Yin, L.C.; Li, L.; Yang, Q.; Wang, D.Z.; Li, M.; Shi, X.-L.; Liu, Q.; Bai, Y.; Gentle, I.; et al. Grain boundary re-crystallization and sub-nano regions leading to high plateau figure of merit for Bi2Te3 nanoflakes. Energy Environ. Sci. 2023, 16, 5123–5135. [Google Scholar] [CrossRef]
  10. Chen, X.; Ye, H.; Fan, X.; Ren, T.; Zhang, G. A review of small heat pipes for electronics. Appl. Therm. Eng. 2016, 96, 1–17. [Google Scholar] [CrossRef]
  11. Tang, Y.; Sun, Y.; Guo, Z.; Zhang, S.; Yuan, W.; Tang, H.; Liang, F. Development Status and Perspective Trend of Motor Cooling Systems. China Mech. Eng. 2021, 32, 1135–1150. [Google Scholar]
  12. Wang, B.; Wang, L.; Yang, F.; Mu, W.; Qin, M.; Zhang, F.; Ma, D.; Wang, J.; Liu, J. Air-Cooling System Optimization for IGBT Modules in MMC Using Embedded O-shaped Heat Pipes. IEEE J. Emerg. Sel. Top. Power Electron. 2021, 9, 3992–4003. [Google Scholar] [CrossRef]
  13. Sun, Y.; Zhang, S.; Chen, G.; Tang, Y.; Liang, F. Experimental and numerical investigation on a novel heat pipe based cooling strategy for permanent magnet synchronous motors. Appl. Therm. Eng. 2020, 170, 114970. [Google Scholar] [CrossRef]
  14. Jing, H. Performance Study of Split-Type Natural Cooling Heat Exchange System Based on Micro-Heat Pipe Array in Data Center. Ph.D. Thesis, Beijing University of Technology, Beijing, China, 2020. [Google Scholar]
  15. Zhao, Y.; Wang, H.; Diao, Y.; Wang, X.; Deng, Y. Heat transfer characteristics of flat micro-heat pipe array. CIESC J. 2011, 62, 336–343. [Google Scholar]
  16. Lin, L.; Zhao, Y.; Diao, Y.; Ren, R.; Zhu, T.; Li, Y. Experimental investigation of preheating performance of lithium-ion battery modules in electric vehicles enhanced by bending flat micro heat pipe array. Appl. Energy 2023, 337, 120896. [Google Scholar]
  17. Yao, C.; Dan, D.; Zhang, Y.; Wang, Y.; Qian, Y.; Zhuge, W. Heat transfer performance of a micro heat pipe array for battery thermal management systems. Chin. Sci. Bull. 2020, 65, 3485–3496. [Google Scholar] [CrossRef]
  18. Jiu, Y.; Fan, H.; Wang, W. Investigation of a novel natural convection heat sink for LEDs based on U-shaped mini-heat pipe arrays. Appl. Therm. Eng. 2022, 204, 118000. [Google Scholar] [CrossRef]
  19. Wang, G.; Yang, Y.; Yu, W.; Wang, T.; Zhu, T. Performance of an air-cooled photovoltaic/thermal system using micro heat pipe array. Appl. Therm. Eng. 2022, 217, 119184. [Google Scholar] [CrossRef]
  20. Deng, Y.; Zhao, Y.; Wang, L.; Ye, S. Numerical simulation and optimization of a novel flat plate solar collector with Micro heat pipe array. Acta Energiae Solaris Sin. 2014, 35, 1646–1652. [Google Scholar]
  21. Chen, J. Learning Heat Dissipation from Scratch; Mechanical Industry Press: Hong Kong, China, 2020. [Google Scholar]
Figure 1. The working principle of MHPA, physical structure, and micro-sized structures. (a) MHPA working principle and HP objects. (b) Microchannels and microscale structures.
Figure 1. The working principle of MHPA, physical structure, and micro-sized structures. (a) MHPA working principle and HP objects. (b) Microchannels and microscale structures.
Electronics 14 00140 g001
Figure 2. The thermal resistance network model of the new heat dissipation device.
Figure 2. The thermal resistance network model of the new heat dissipation device.
Electronics 14 00140 g002
Figure 3. Spatial dimensions of the internal heat dissipation device of the converter.
Figure 3. Spatial dimensions of the internal heat dissipation device of the converter.
Electronics 14 00140 g003
Figure 4. Cross-section of the MHPA and heat dissipation fins.
Figure 4. Cross-section of the MHPA and heat dissipation fins.
Electronics 14 00140 g004
Figure 5. Physical images of the two heat dissipation structures. (a) Conventional heatsink structure. (b) New heatsink structure.
Figure 5. Physical images of the two heat dissipation structures. (a) Conventional heatsink structure. (b) New heatsink structure.
Electronics 14 00140 g005
Figure 6. A diagram of the experimental system.
Figure 6. A diagram of the experimental system.
Electronics 14 00140 g006
Figure 7. The thermal resistance distribution of different heat dissipation structures. (a) Conventional heatsinks. (b) New heatsinks.
Figure 7. The thermal resistance distribution of different heat dissipation structures. (a) Conventional heatsinks. (b) New heatsinks.
Electronics 14 00140 g007
Figure 8. Comparison of thermal resistance of two heat dissipation devices.
Figure 8. Comparison of thermal resistance of two heat dissipation devices.
Electronics 14 00140 g008
Figure 9. (a) Comparison of the temperature variation (ΔT) for two heat dissipation devices. (b) Comparison of the object temperature (T2) between the two heat dissipation devices.
Figure 9. (a) Comparison of the temperature variation (ΔT) for two heat dissipation devices. (b) Comparison of the object temperature (T2) between the two heat dissipation devices.
Electronics 14 00140 g009
Figure 10. (a) Comparison of the heat dissipation between the two heat dissipation devices. (b) Comparison of temperature variation (ΔT) between the two heat dissipation devices. (c) Comparison of the object temperature (T2) between the two heat dissipation devices.
Figure 10. (a) Comparison of the heat dissipation between the two heat dissipation devices. (b) Comparison of temperature variation (ΔT) between the two heat dissipation devices. (c) Comparison of the object temperature (T2) between the two heat dissipation devices.
Electronics 14 00140 g010
Figure 11. Mass power density of two heatsinks.
Figure 11. Mass power density of two heatsinks.
Electronics 14 00140 g011
Figure 12. The comparison of experimental data and numerical results at the steady state.
Figure 12. The comparison of experimental data and numerical results at the steady state.
Electronics 14 00140 g012
Figure 13. The temperature distribution nephogram of two heat dissipation structures. (a) Conventional heatsink structure. (b) New heatsink structure.
Figure 13. The temperature distribution nephogram of two heat dissipation structures. (a) Conventional heatsink structure. (b) New heatsink structure.
Electronics 14 00140 g013
Figure 14. The temperature distribution of array-based heat dissipation device with different middle fin lengths. (a) 44 mm. (b) 39 mm. (c) 32 mm.
Figure 14. The temperature distribution of array-based heat dissipation device with different middle fin lengths. (a) 44 mm. (b) 39 mm. (c) 32 mm.
Electronics 14 00140 g014
Table 1. The test conditions of the experiment.
Table 1. The test conditions of the experiment.
Working ConditionInvariant ParameterVariation Parameter
Variable air velocityPower 6.3 kW4.3, 2.9, 1.6, 1.0 (m/s)
Variable powerWind speed 4.3 m/s4, 4.5, 4.9, 5.4, 5.9, 6.3 (kW)
Table 2. The parameters of thermal resistance R2 and R3.
Table 2. The parameters of thermal resistance R2 and R3.
ParametersConventional HeatsinkNew Heatsink
Heat conduction distance d (m)13 × 10−32 × 10−3
Heat transfer channel area Ac (m2)9.595 × 10−315.6 × 10−3
Thermal conductivity k (W/m·°C)246105
Conduction thermal resistance R2 (°C/W)5.508 × 10−31.282 × 10−6
Heat exchange area Ad (m2)0.22230.2525
Heat transfer coefficient h (W/m2·°C)9598
Table 3. The variation in parameters based on different fin lengths.
Table 3. The variation in parameters based on different fin lengths.
Fin Length
(mm)
Heat Transfer Coefficient
(W/m2·°C)
Thermal Resistance
(°C/W)
Average Temperature
(°C)
44984.041 × 10−233.06
39944.213 × 10−233.38
32874.552 × 10−233.86
Disclaimer/Publisher’s Note: The statements, opinions and data contained in all publications are solely those of the individual author(s) and contributor(s) and not of MDPI and/or the editor(s). MDPI and/or the editor(s) disclaim responsibility for any injury to people or property resulting from any ideas, methods, instructions or products referred to in the content.

Share and Cite

MDPI and ACS Style

Xie, P.; Ding, B.; Zhang, J. Design and Performance Analysis of a Novel Cooling Device for IGBT Modules in Wind Power Converters. Electronics 2025, 14, 140. https://doi.org/10.3390/electronics14010140

AMA Style

Xie P, Ding B, Zhang J. Design and Performance Analysis of a Novel Cooling Device for IGBT Modules in Wind Power Converters. Electronics. 2025; 14(1):140. https://doi.org/10.3390/electronics14010140

Chicago/Turabian Style

Xie, Pengkang, Bowen Ding, and Ji Zhang. 2025. "Design and Performance Analysis of a Novel Cooling Device for IGBT Modules in Wind Power Converters" Electronics 14, no. 1: 140. https://doi.org/10.3390/electronics14010140

APA Style

Xie, P., Ding, B., & Zhang, J. (2025). Design and Performance Analysis of a Novel Cooling Device for IGBT Modules in Wind Power Converters. Electronics, 14(1), 140. https://doi.org/10.3390/electronics14010140

Note that from the first issue of 2016, this journal uses article numbers instead of page numbers. See further details here.

Article Metrics

Back to TopTop