Development of Non-Invasive Ventilator for Homecare and Patient Monitoring System
Abstract
1. Introduction
2. Design and Fabrication
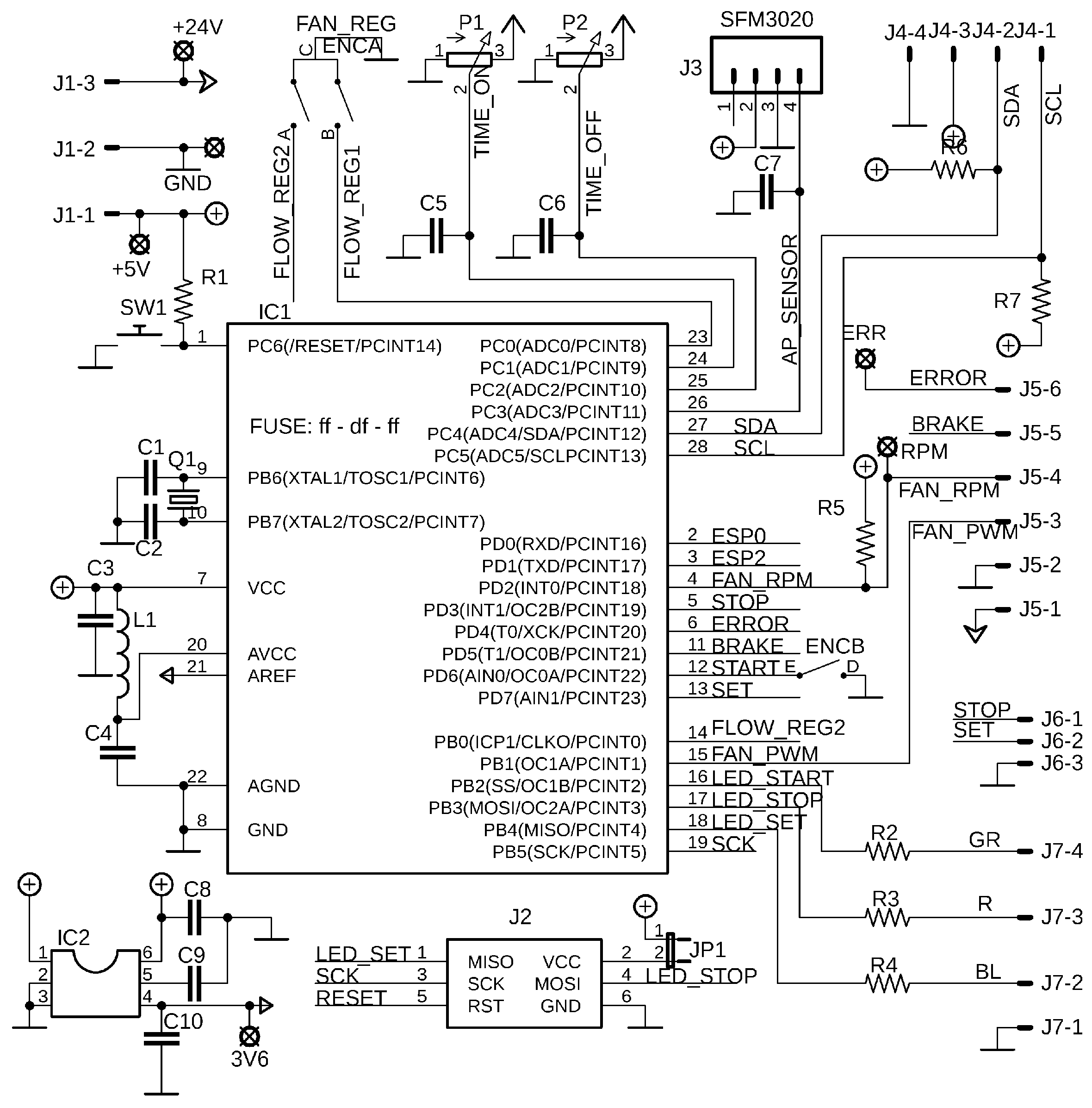
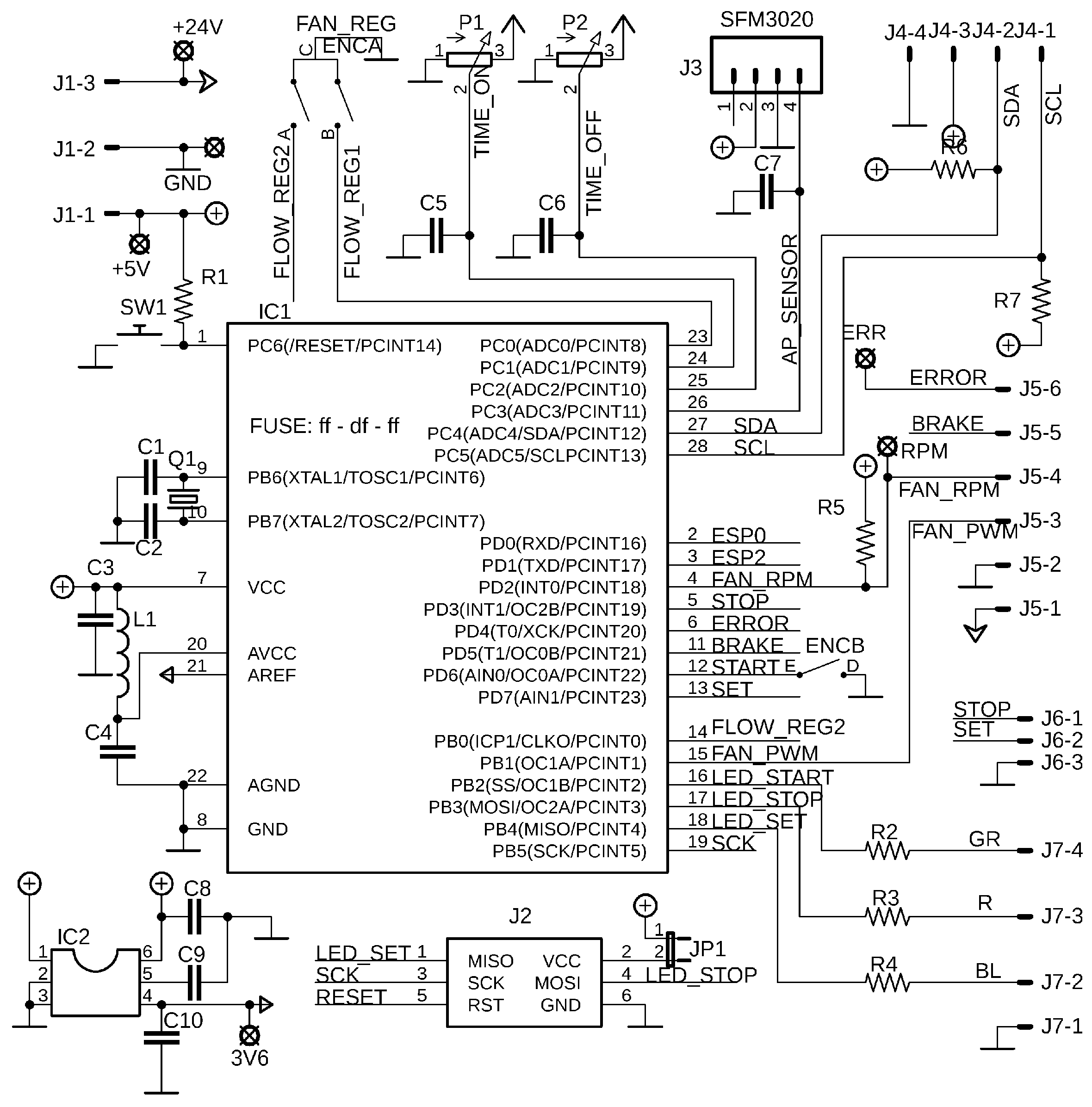
2.1. Hardware Design
2.2. Microcontroller Programming
3. Results and Discussion
4. Conclusions
Author Contributions
Funding
Data Availability Statement
Conflicts of Interest
References
- Hu, J.; Peng, P.; Cao, X.; Wu, K.; Chen, J.; Wang, K.; Tang, N.; Huang, A. Increased immune escape of the new SARS-CoV-2 variant of concern Omicron. Cell. Mol. Immunol. 2022, 19, 293–295. [Google Scholar] [CrossRef]
- Chow, E.J.; Uyeki, T.M.; Chu, H.Y. The effects of the COVID-19 pandemic on community respiratory virus activity. Nat. Rev. Microbiol. 2023, 21, 195–210. [Google Scholar] [CrossRef]
- Lupia, T.; Scabini, S.; Mornese Pinna, S.; Di Perri, G.; De Rosa, F.G.; Corcione, S. 2019 novel coronavirus (2019-nCoV) outbreak: A new challenge. J. Glob. Antimicrob. Resist. 2020, 21, 22–27. [Google Scholar] [CrossRef]
- Senni, M. COVID-19 experience in Bergamo, Italy. Eur. Heart J. 2020, 41, 1783–1784. [Google Scholar] [CrossRef]
- Bartoletti, M.; Giannella, M.; Scudeller, L.; Tedeschi, S.; Rinaldi, M.; Bussini, L.; Laghetti, P. Development and validation of a prediction model for severe respiratory failure in hospitalized patients with SARS-CoV-2 infection: A multicentre cohort study (PREDI-CO study). Clin. Microbiol. Infect. 2020, 26, 1545–1553. [Google Scholar] [CrossRef]
- Grasselli, G.; Zangrillo, A.; Zanella, A.; Antonelli, M.; Cabrini, L.; Castelli, A.; Zoia, E. Baseline characteristics and outcomes of 1591 patients infected with SARS-CoV-2 admitted to ICUs of the Lombardy Region, Italy. JAMA 2020, 323, 1574–1581. [Google Scholar] [CrossRef] [PubMed]
- Bertaina, M.; Nuñez-Gil, I.J.; Franchin, L.; Rozas, I.F.; Arroyo-Espliguero, R.; Viana-Llamas, M.C.; Estrada, V. Non-invasive ventilation for SARS-CoV-2 acute respiratory failure: A subanalysis from the HOPE COVID-19 registry. Emerg. Med. J. 2021, 38, 359–365. [Google Scholar] [CrossRef] [PubMed]
- Shchomak, Z.; Lima, C.; Pereira, S.; Baptista, M. EAP 2019 Congress and master course. Eur. J. Pediatr. 2019, 178, 1613–1800. [Google Scholar]
- Miller, M.A.; Cappuccio, F.P. A systematic review of COVID-19 and obstructive sleep apnoea. Sleep Med. Rev. 2021, 55, 101382. [Google Scholar] [CrossRef]
- Baptista, P.M.; Martin, F.; Ross, H.; Reina, C.O.C.; Plaza, G.; Casale, M. A systematic review of smartphone applications and devices for obstructive sleep apnea. Braz. J. Otorhinolaryngol. 2023, 88, 188–197. [Google Scholar] [CrossRef]
- Pullano, S.A.; Mahbub, I.; Bianco, M.G.; Shamsir, S.; Islam, S.K.; Gaylord, M.S.; Lorch, V.; Fiorillo, A.S. Medical Devices for Pediatric Apnea Monitoring and Therapy: Past and New Trends. IEEE Rev. Biomed. Eng. 2017, 10, 199–212. [Google Scholar] [CrossRef]
- Menniti, M.; Oliva, G.; Laganà, F.; Bianco, M.G.; Fiorillo, A.S.; Pullano, S.A. Portable Non-Invasive Ventilator for Homecare and Patients Monitoring System. In Proceedings of the 2023 IEEE International Symposium on Medical Measurements and Applications (MeMeA), Jeju, Republic of Korea, 14–16 June 2023. [Google Scholar]
- Michi, T.; Rosà, T.; Sklar, M.C.; Grieco, D.L. Rationale of Noninvasive Ventilation. In Noninvasive Mechanical Ventilation: Theory, Equipment, and Clinical Applications; Springer International Publishing: Cham, Switzerland, 2023; pp. 3–14. [Google Scholar]
- Zhu, X.; Li, F.; Shi, Y.; Feng, Z.; De Luca, D.; Zhong, X.; Li, H. Effectiveness of nasal continuous positive airway pressure vs nasal intermittent positive pressure ventilation vs non-invasive high-frequency oscillatory ventilation as support after extubation of neonates born extremely preterm or with more severe respiratory failure: A secondary analysis of a randomized clinical trial. JAMA Netw. Open 2023, 6, e2321644. [Google Scholar] [PubMed]
- Nieman, G.F.; Kaczka, D.W.; Andrews, P.L.; Ghosh, A.; Al-Khalisy, H.; Camporota, L.; Habashi, N.M. First stabilize and then gradually recruit: A paradigm shift in protective mechanical ventilation for acute lung injury. J. Clin. Med. 2023, 12, 4633. [Google Scholar] [CrossRef]
- Pazarli, A.C.; Köseoğlu, H.I. Devices for CPAP in OSA. In Noninvasive Mechanical Ventilation: Theory, Equipment, and Clinical Applications; Springer International Publishing: Cham, Switzerland, 2023; pp. 273–281. [Google Scholar]
- Luján, M.; Lalmolda, C. Ventilators, Settings, Autotitration Algorithms. J. Clin. Med. 2023, 12, 2942. [Google Scholar] [CrossRef]
- Çeleğen, M.; Kesici, S.; Bayrakci, B. Noninvasive Mechanical Ventilation in Rare Diseases. In Noninvasive Mechanical Ventilation: Theory, Equipment, and Clinical Applications; Springer International Publishing: Cham, Switzerland, 2023; pp. 445–452. [Google Scholar]
- Marmanidou, K.; Lagonidis, D. Carbon Dioxide Rebreathing and Exhalation Ports During Noninvasive Mechanical Ventilation. In Noninvasive Mechanical Ventilation: Theory, Equipment, and Clinical Applications; Springer International Publishing: Cham, Switzerland, 2023; pp. 163–174. [Google Scholar]
- Ibrahim, M.N. Asa difficult airway algorithm: Adult patients. In Anesthesia Oral Board Review: Knocking Out the Boards; Cambridge University Press: Cambridge, UK, 2023; p. 64. [Google Scholar]
- Al-Abri, M.A.; Bahammam, A.S. Noninvasive Ventilation in Obesity Hypoventilation Syndrome: What Practitioners Need to Know? Sleep Vigil. 2023, 7, 219–230. [Google Scholar] [CrossRef]
- Tondo, P.; Pronzato, C.; Risi, I.; D’Artavilla Lupo, N.; Trentin, R.; Arcovio, S.; Fanfulla, F. Switch of Nocturnal Non-Invasive Positive Pressure Ventilation (NPPV) in Obstructive Sleep Apnea (OSA). J. Clin. Med. 2022, 11, 3157. [Google Scholar] [CrossRef]
- Ackrivo, J. Pulmonary care for ALS: Progress, gaps, and paths forward. Muscle Nerve 2023, 67, 341–353. [Google Scholar] [CrossRef]
- Sharma, S.; Salibi, G.; Tzenios, N. Modern approaches of rehabilitation in COPD patients. Spec. J. Med. Acad. Other Life Sci. 2023, 1. [Google Scholar] [CrossRef]
- Costanzo, I.M.; Sen, D.; Rhein, L.; Guler, U. Respiratory Monitoring: Current State of the Art and Future Roads. IEEE Rev. Biomed. Eng. 2020, 15, 103–121. [Google Scholar] [CrossRef] [PubMed]
- Radogna, A.V.; Siciliano, P.A.; Sabina, S.; Sabato, E.; Capone, S. A Low-Cost Breath Analyzer Module in Domiciliary Non-Invasive Mechanical Ventilation for Remote COPD Patient Monitoring. Sensors 2020, 20, 653. [Google Scholar] [CrossRef]
- Ren, S.; Wang, T.; Wang, X.; Hao, L.; Luo, A. A Multivent System for Non-Invasive Ventilation: Solving the Problem of Ventilator Shortage During the COVID-19 Pandemic. IEEE Access 2023, 11, 49874–49881. [Google Scholar] [CrossRef]
- Hurtado, D.E.; Chavez, J.A.P.; Mansilla, R.; Lopez, R.; Abusleme, A. Respiratory Volume Monitoring: A Machine-Learning Approach to the Non-Invasive Prediction of Tidal Volume and Minute Ventilation. IEEE Access 2020, 8, 227936–227944. [Google Scholar] [CrossRef]
- Morales, S.; Palomino, S.; Terreros, R.; Ulloque, V.; Bazan-Lavanda, N.; Palacios-Matos, M.; Valdivia-Silva, J.; Vela, E.A.; Canahuire, R. Pressure and Volume Control of a Non-invasive Mechanical Ventilator: A PI and LQR approach. In Proceedings of the 9th International Conference on Control, Mechatronics and Automation, Luxembourg, 11–14 November 2021. [Google Scholar]
- Moh’d, B.A.-H. Developing of an open-source low-cost ventilator based on turbine technology. J. Med. Eng. Technol. 2023, 47, 217–233. [Google Scholar] [CrossRef] [PubMed]
- Arshad, M.; Mehmood, K. Development of a non-invasive ventilator for emergency and beyond. Comput. Biol. Med. 2023, 167, 107670. [Google Scholar] [CrossRef] [PubMed]
- Abraham, S.V.; Azeez, A.K.; Padmanabhan, A. NIV failure in respiratory failure: An analysis. Egypt. J. Bronchol. 2023, 17, 29. [Google Scholar] [CrossRef]
- Wang, Q.; Peng, Y.; Xu, S.; Lin, L.; Chen, L.; Lin, Y. The efficacy of high-flow nasal cannula (HFNC) versus non-invasive ventilation (NIV) in patients at high risk of extubation failure: A systematic review and meta-analysis. Eur. J. Med. Res. 2023, 28, 120. [Google Scholar] [CrossRef] [PubMed]
- Duan, J.; Chen, L.; Liu, X.; Bozbay, S.; Liu, Y.; Wang, K.; Mina, B. An updated HACOR score for predicting the failure of noninvasive ventilation: A multicenter prospective observational study. Crit. Care 2022, 26, 196. [Google Scholar] [CrossRef] [PubMed]
- Chatwin, M.; Heather, S.; Hanak, A.; Polkey, M.I.; Simonds, A.K. Analysis of home support and ventilator malfunction in 1211 ventilator-dependent patients. Eur. Respir. J. 2010, 35, 310–316. [Google Scholar] [CrossRef] [PubMed]
- Rabec, C.; Rodenstein, D.; Leger, P.; Rouault, S.; Perrin, C.; Gonzalez-Bermejo, J. Somno. NIV group Ventilator modes and settings during non-invasive ventilation: Effects on respiratory events and implications for their identification. Thorax 2011, 66, 170–178. [Google Scholar] [CrossRef]
- Lynch, A.L.; Matlock, D.N.; Akmyradov, C.; Weisner, M.D.; Beck, J.; Sinderby, C.; Courtney, S.E. Tidal volume delivery during nasal intermittent positive pressure ventilation: Infant cannula vs. nasal continuous positive airway pressure prongs. J. Perinatol. 2023, 44, 244–249. [Google Scholar] [CrossRef]
- Perry, M.A.; Jones, B.; Jenkins, M.; Devan, H.; Neill, A.; Ingham, T. Health System Factors Affecting the Experience of Non-Invasive Ventilation Provision of People with Neuromuscular Disorders in New Zealand. Int. J. Environ. Res. Public Health 2023, 20, 4758. [Google Scholar] [CrossRef] [PubMed]
- Gonzalez-Bermejo, J.; Lofaso, F.; Falaize, L.; Lejaille, M.; Raphael, J.C.; Similowski, T. Resting energy expenditure in Duchenne patients using home mechanical ventilation. Eur. Respir. J. 2005, 25, 682–687. [Google Scholar] [CrossRef] [PubMed]
- Georges, M.; Morelot-Panzini, C.; Similowski, T.; Gonzalez-Bermejo, J. Non-invasive ventilation reduces energy expenditure in amyotrophic lateral sclerosis. BMC Pulm Med. 2014, 14, 17. [Google Scholar] [CrossRef] [PubMed]
- Mahbub, I.; Pullano, S.A.; Wang, H.; Islam, S.K.; Fiorillo, A.S.; To, G.; Mahfouz, M. A Low-Power Wireless Piezoelectric Sensor Based Respiration Monitoring System Realized in CMOS Process. IEEE Sens. J. 2017, 17, 1858–1864. [Google Scholar] [CrossRef]
- Jiang, T.; Deng, L.; Qiu, W.; Liang, J.; Wu, Y.; Shao, Z.; Lin, L. Wearable breath monitoring via a hot-film/calorimetric airflow sensing system. Biosens. Bioelectron. 2020, 163, 112288. [Google Scholar] [CrossRef]
- Fiorillo, A.S.; Critello, C.D.; Pullano, S.A. Theory, technology and applications of piezoresistive sensors: A review. Sens. Actuators A Phys. 2018, 281, 156–175. [Google Scholar] [CrossRef]
- Laganà, F.; De Carlo, D.; Calcagno, S. An Agent-based System to Monitor an Energy Biomass Process. In Proceedings of the 18th Workshop “From Objects of Agents, Scilla, Italy, 15–16 June 2017. [Google Scholar]
- Laganà, F.; Calcagno, S.; Cacciola, M.; De Carlo, D.; Megali, G.; Versaci, M.; Morabito, F.C. Evaluating support vector Machines for path loss estimation on urban environments. In Proceedings of the 19th Italian Workshop on Neural Networks, WIRN, Vietri sul Mare, Salerno, Italy, 28–30 May 2009. [Google Scholar]
- Laganà, F.; Britti, D.; Fiorillo, A.S.; Pullano, S.A. New Surface Electrical Charge Detection System for Ecology and Insect Monitoring. In Proceedings of the 2023 International Workshop on Biomedical Applications, Technologies and Sensors (BATS), Catanzaro, Italy, 28–29 September 2023. [Google Scholar]
- Available online: https://document.resmed.com/documents/products/machine/aircurve-series/user-guide/aircurve-10-vauto-s-st-device-with-humidifier_user-guide_amer_por.pdf (accessed on 5 January 2024).
- Available online: https://www.draeger.com/Content/Documents/Products/oxylog-3000-plus-ifu-5705310-it.pdf (accessed on 5 January 2024).






| Component | Value | Component | Value |
|---|---|---|---|
| C1, C2 | 22 pF | R1 | 10 kΩ |
| C3–C7 | 100 nF | R2 | 220 kΩ |
| C8–C10 | 1 µF | R3 | 330 kΩ |
| P1, P2 | 10 kΩ | R4, R5 | 1.5 kΩ |
| L1 | 10 µH | R6, R7 | 4.7 kΩ |
| J1 | V_IN | IC1 | ATMEGA328P-PU |
| J2 | ICSP | IC2 | REF35360QDBVR |
| J3 | AP_SENS | Q1 | Crystal 16 MHz |
| J4 | LCD_20X4 | ENC | Encoder |
| J5 | FLOW_CONTROLLR | SW1 | Reset button |
| L1 | 10 µH | R6, R7 | 4.7 kΩ |
| Ref. | Use | NIV Type | Sensors | Features | Power |
|---|---|---|---|---|---|
| [47] | C | CPAP BiPAP | Airflow Pressure SPO2, HR | 21 dBA Apnea evaluation Breathing synchronization Leak management | 7 W |
| [27] | NC | BiPAP | Flow Pressure | Multiplexed NIV | N/A |
| [48] | C | CPAP BiPAP | Flow CO2 | <45 dBA Breathing synchronization | 45.6 W max. |
| [31] | NC | CPAP/BiPAP | Pressure Flow | Eliminates pressure drop Automated inspiratory pressure | 43.2 W |
| This work | NC | CPAP BiPAP | Pressure Flow | 20 dBA Wi-Fi monitoring | 2.1 ± 0.5 W |
Disclaimer/Publisher’s Note: The statements, opinions and data contained in all publications are solely those of the individual author(s) and contributor(s) and not of MDPI and/or the editor(s). MDPI and/or the editor(s) disclaim responsibility for any injury to people or property resulting from any ideas, methods, instructions or products referred to in the content. |
© 2024 by the authors. Licensee MDPI, Basel, Switzerland. This article is an open access article distributed under the terms and conditions of the Creative Commons Attribution (CC BY) license (https://creativecommons.org/licenses/by/4.0/).
Share and Cite
Menniti, M.; Laganà, F.; Oliva, G.; Bianco, M.; Fiorillo, A.S.; Pullano, S.A. Development of Non-Invasive Ventilator for Homecare and Patient Monitoring System. Electronics 2024, 13, 790. https://doi.org/10.3390/electronics13040790
Menniti M, Laganà F, Oliva G, Bianco M, Fiorillo AS, Pullano SA. Development of Non-Invasive Ventilator for Homecare and Patient Monitoring System. Electronics. 2024; 13(4):790. https://doi.org/10.3390/electronics13040790
Chicago/Turabian StyleMenniti, Michele, Filippo Laganà, Giuseppe Oliva, Maria Bianco, Antonino S. Fiorillo, and Salvatore A. Pullano. 2024. "Development of Non-Invasive Ventilator for Homecare and Patient Monitoring System" Electronics 13, no. 4: 790. https://doi.org/10.3390/electronics13040790
APA StyleMenniti, M., Laganà, F., Oliva, G., Bianco, M., Fiorillo, A. S., & Pullano, S. A. (2024). Development of Non-Invasive Ventilator for Homecare and Patient Monitoring System. Electronics, 13(4), 790. https://doi.org/10.3390/electronics13040790

