Power Converters for Green Hydrogen: State of the Art and Perspectives
Abstract
1. Introduction
2. PEM Electrolysis
Water Electrolysis by PEM Electrolyzers Supplied by Photovoltaic Sources
3. Losses Analysis in Power Converters
3.1. Design Measures
3.2. Control Techniques and Topology Measures
4. Power Converters for Electrolyzers
5. Non-Isolated Power Converters
5.1. Basic Buck Converter
5.2. Interleaved Buck Converter
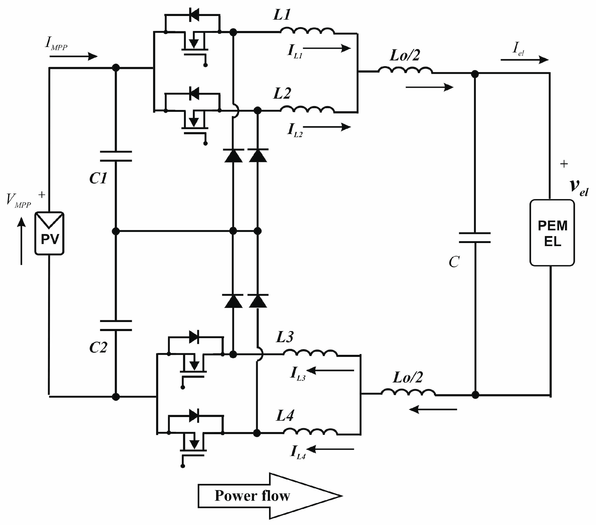
5.3. Stacked Interleaved Buck Converter
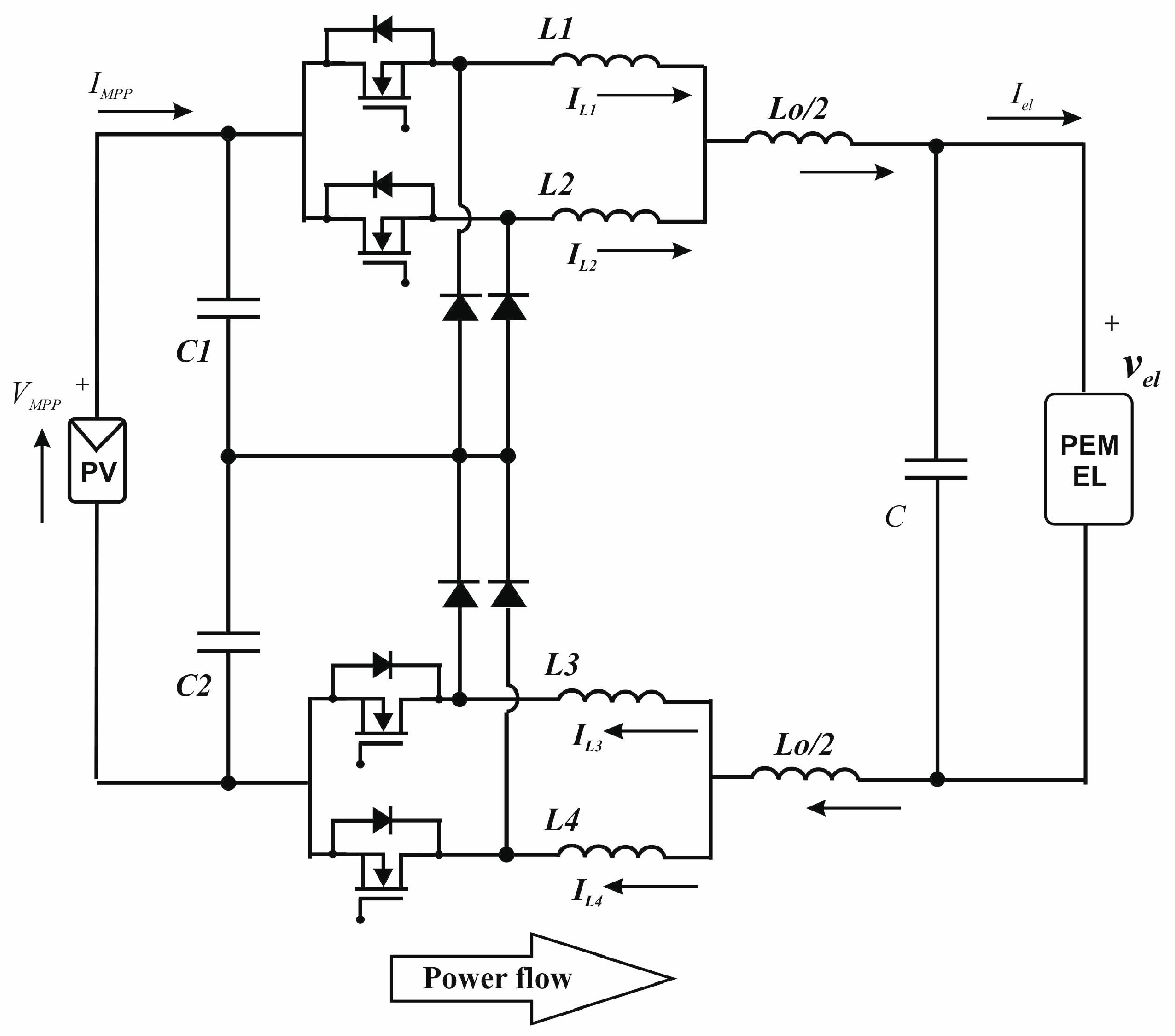
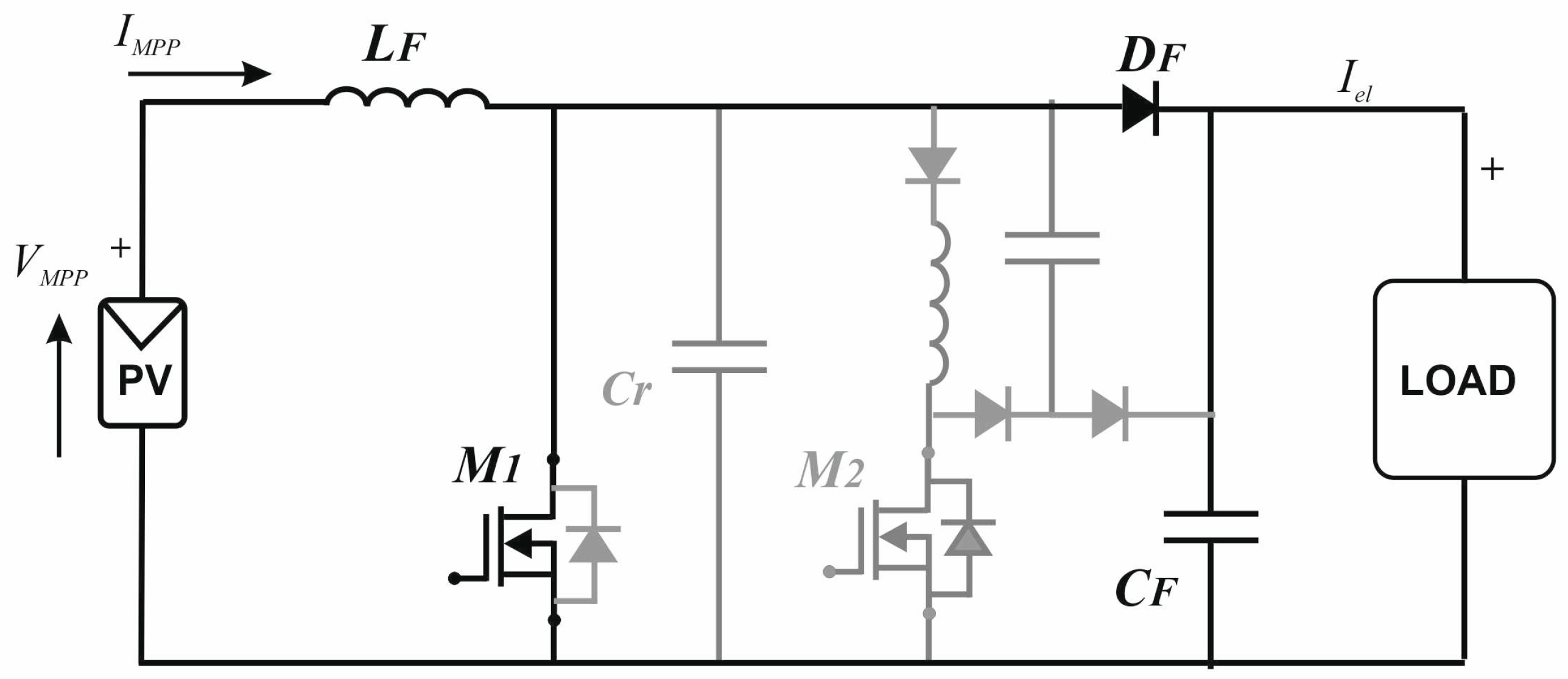
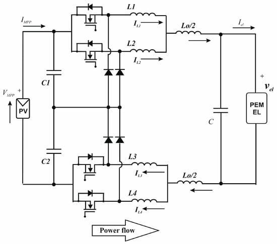
5.4. Three-Level Interleaved Buck Converter
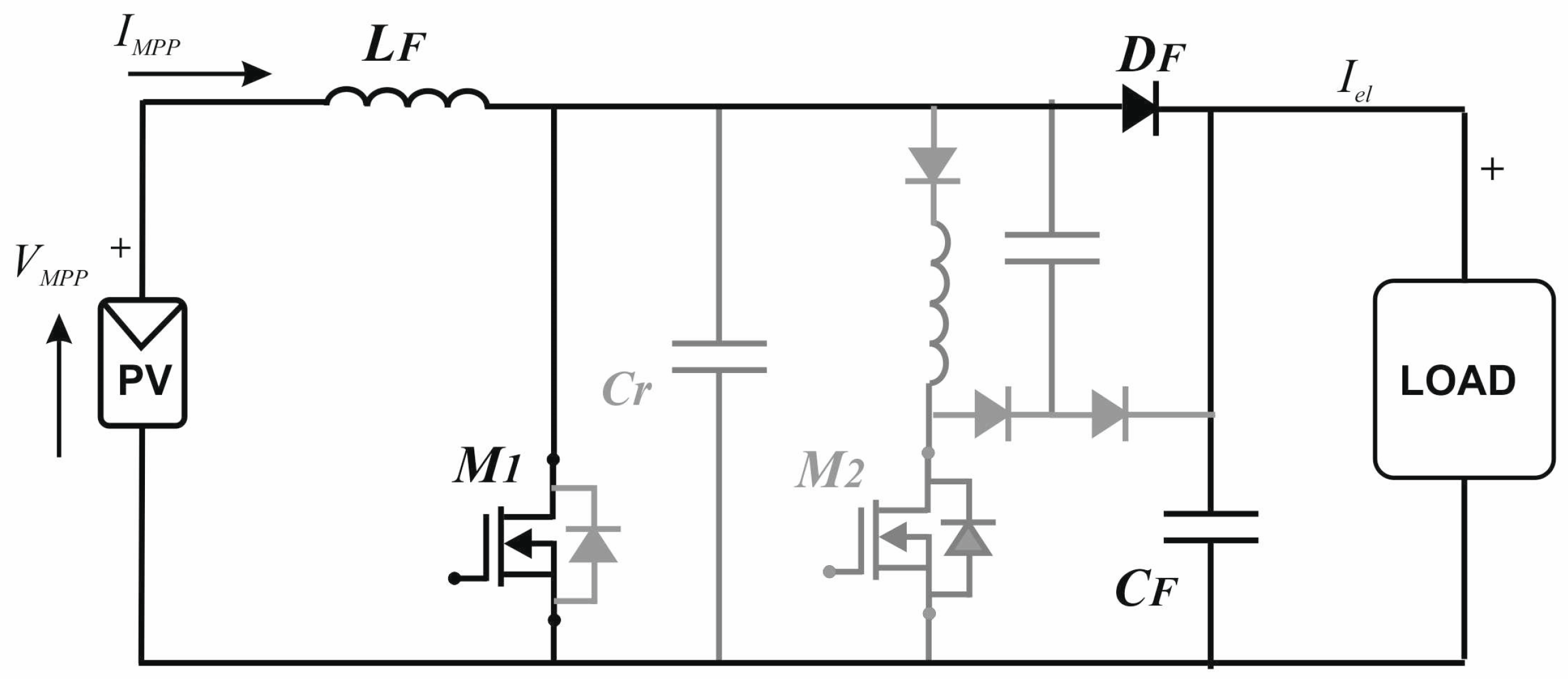
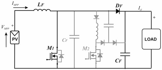
5.5. Partial Power Conversion
5.6. Direct Coupling
5.7. Feature Comparison of Transformerless Converters
6. Isolated Power Converters
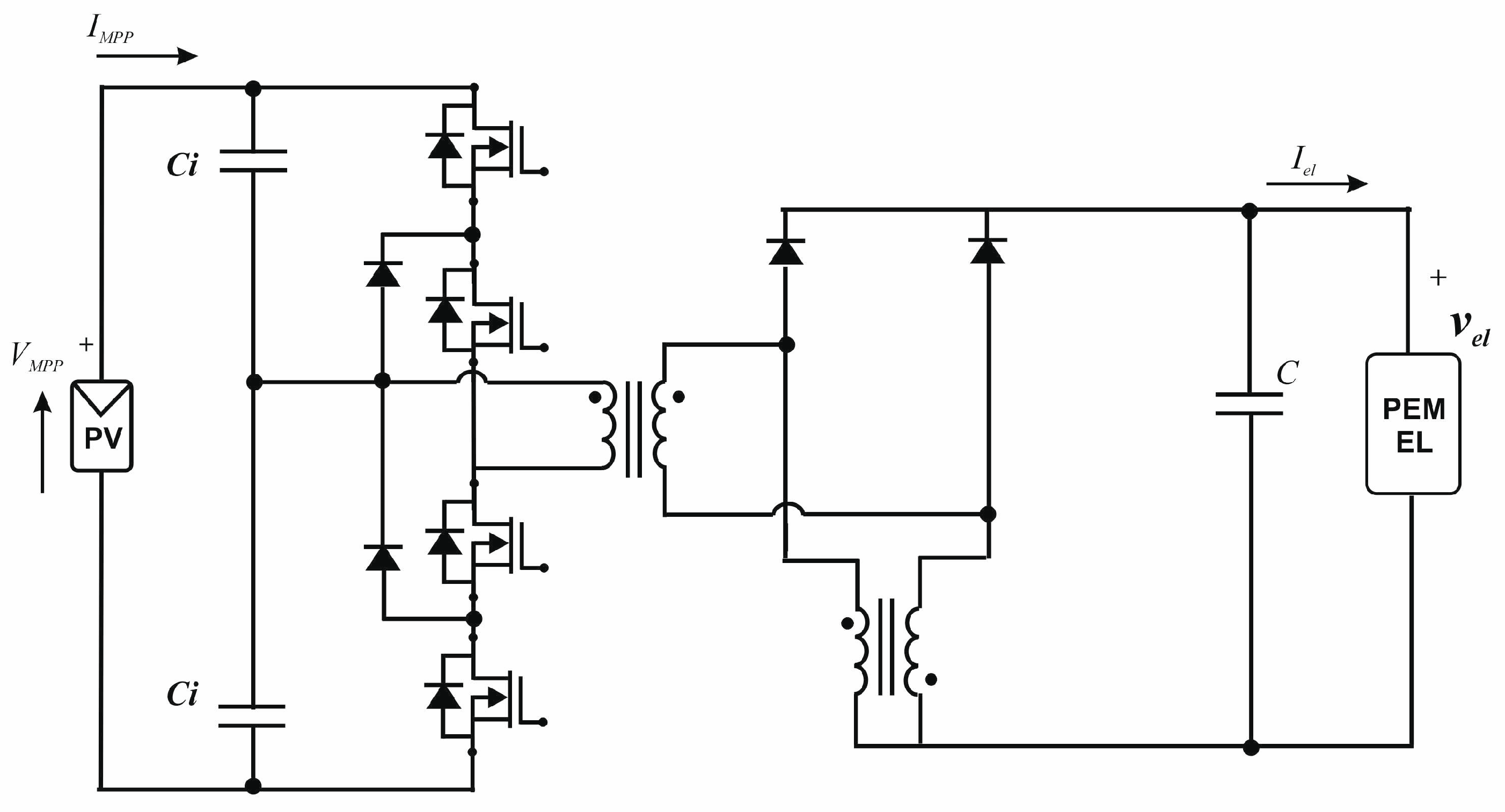
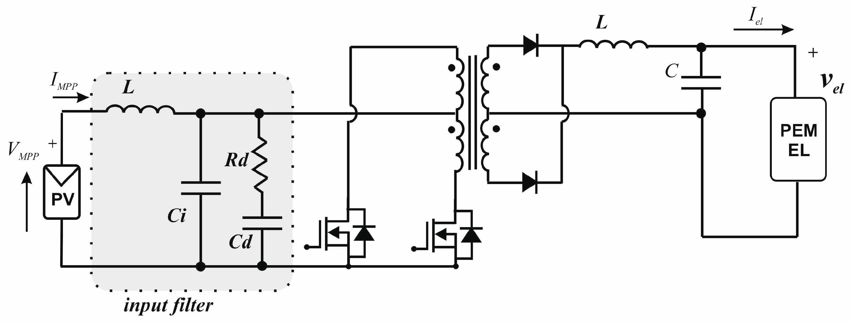
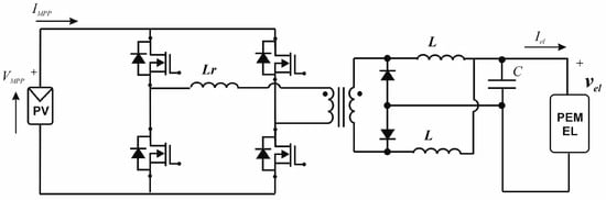
6.1. Push-Pull Inverter
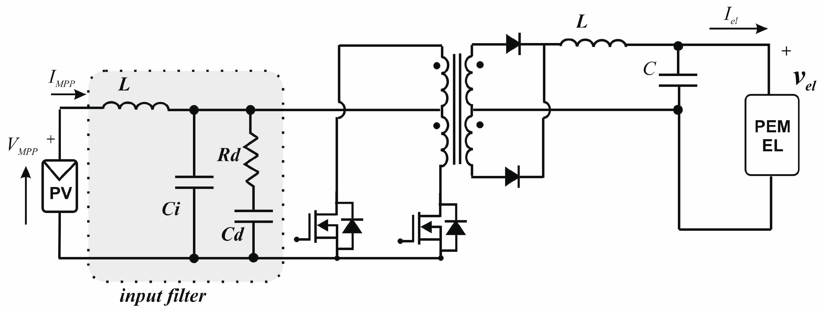
6.2. Half-Bridge Inverter
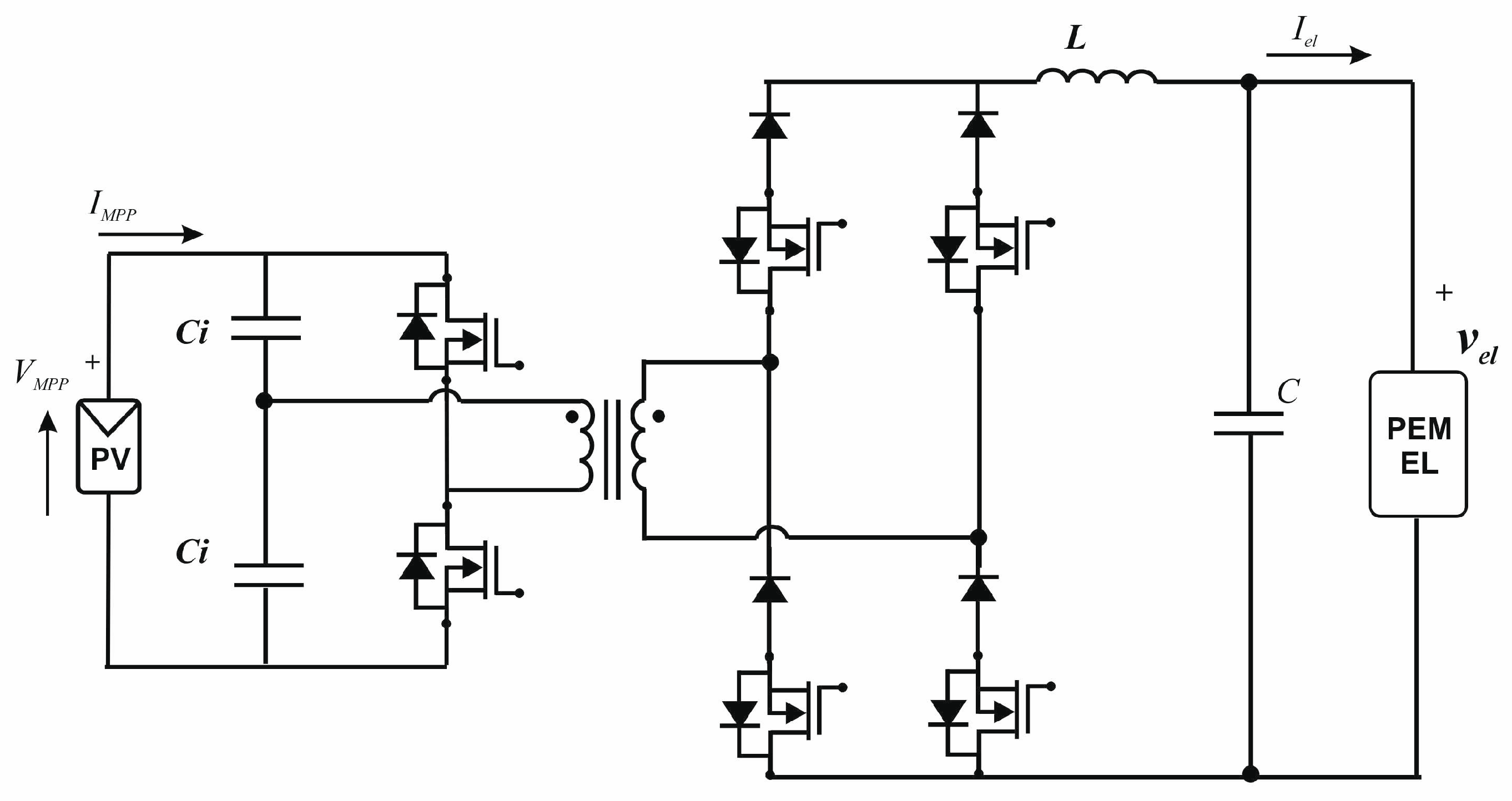
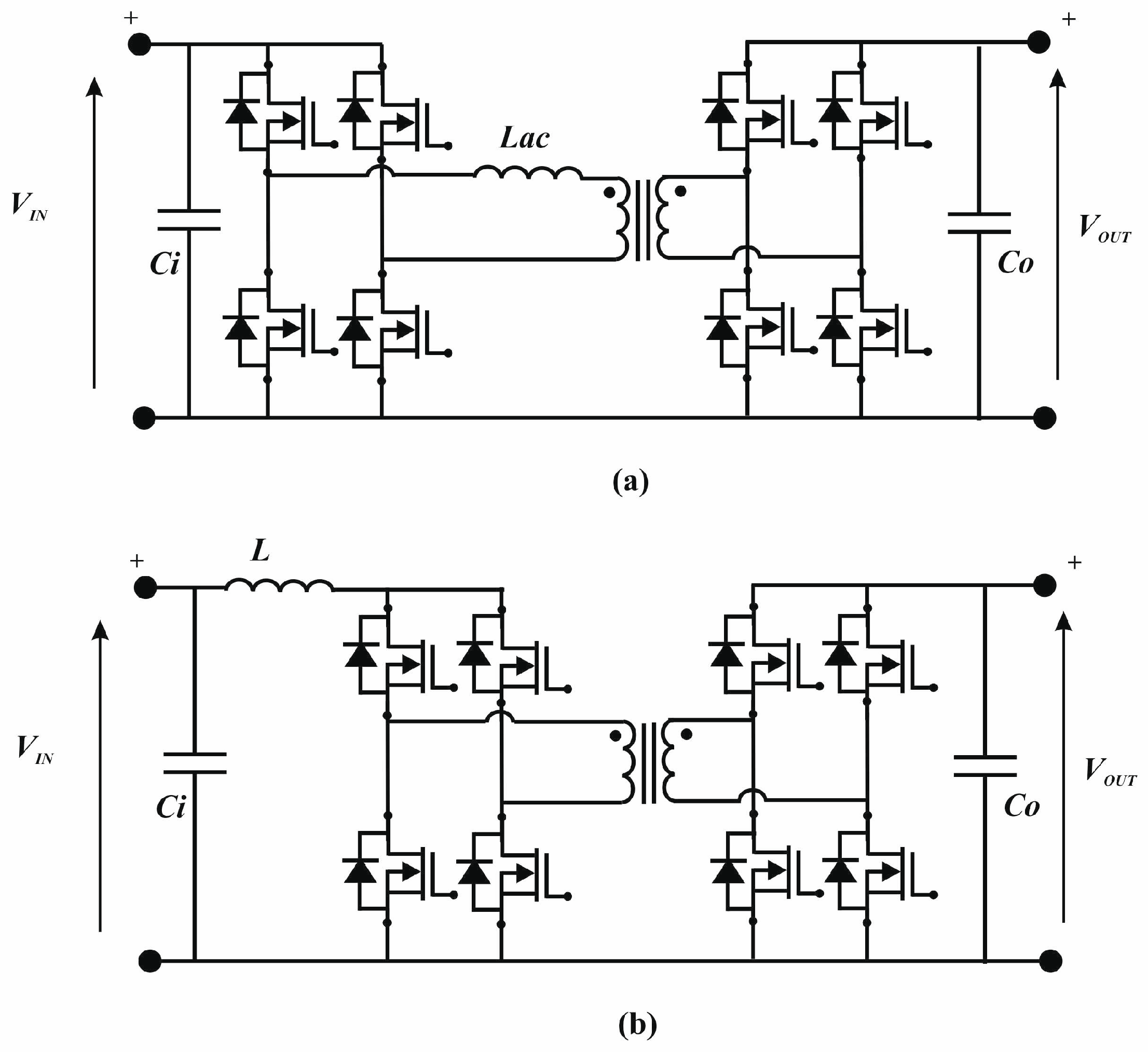
6.3. Full-Bridge Inverter
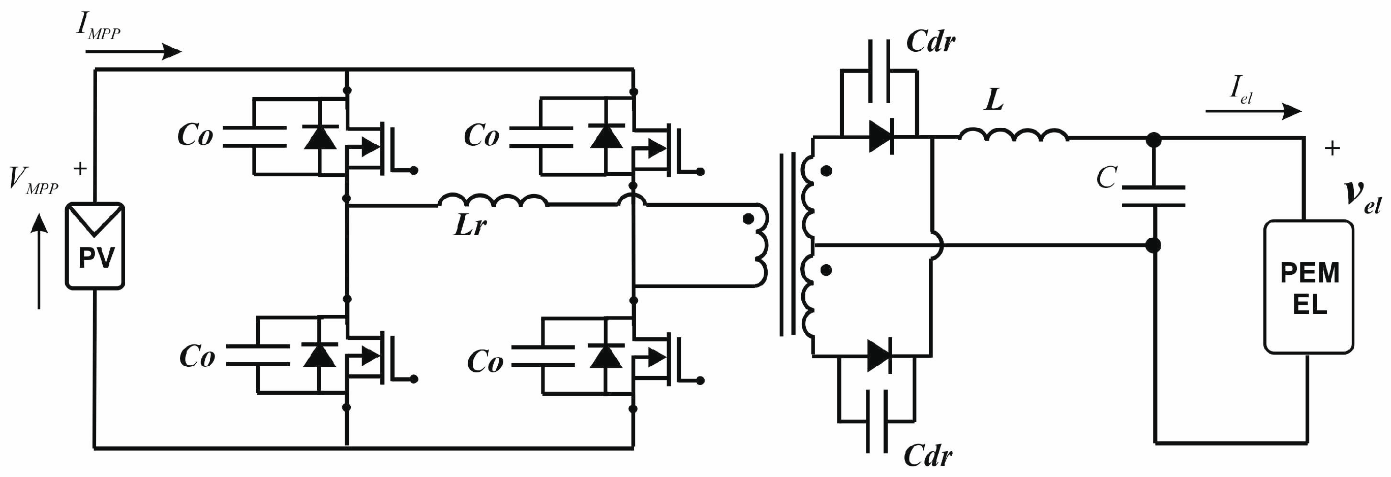
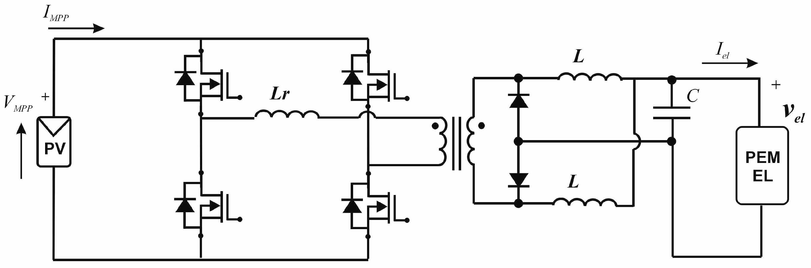
6.4. Full-Bridge Converters with Pre-Regulator Stage
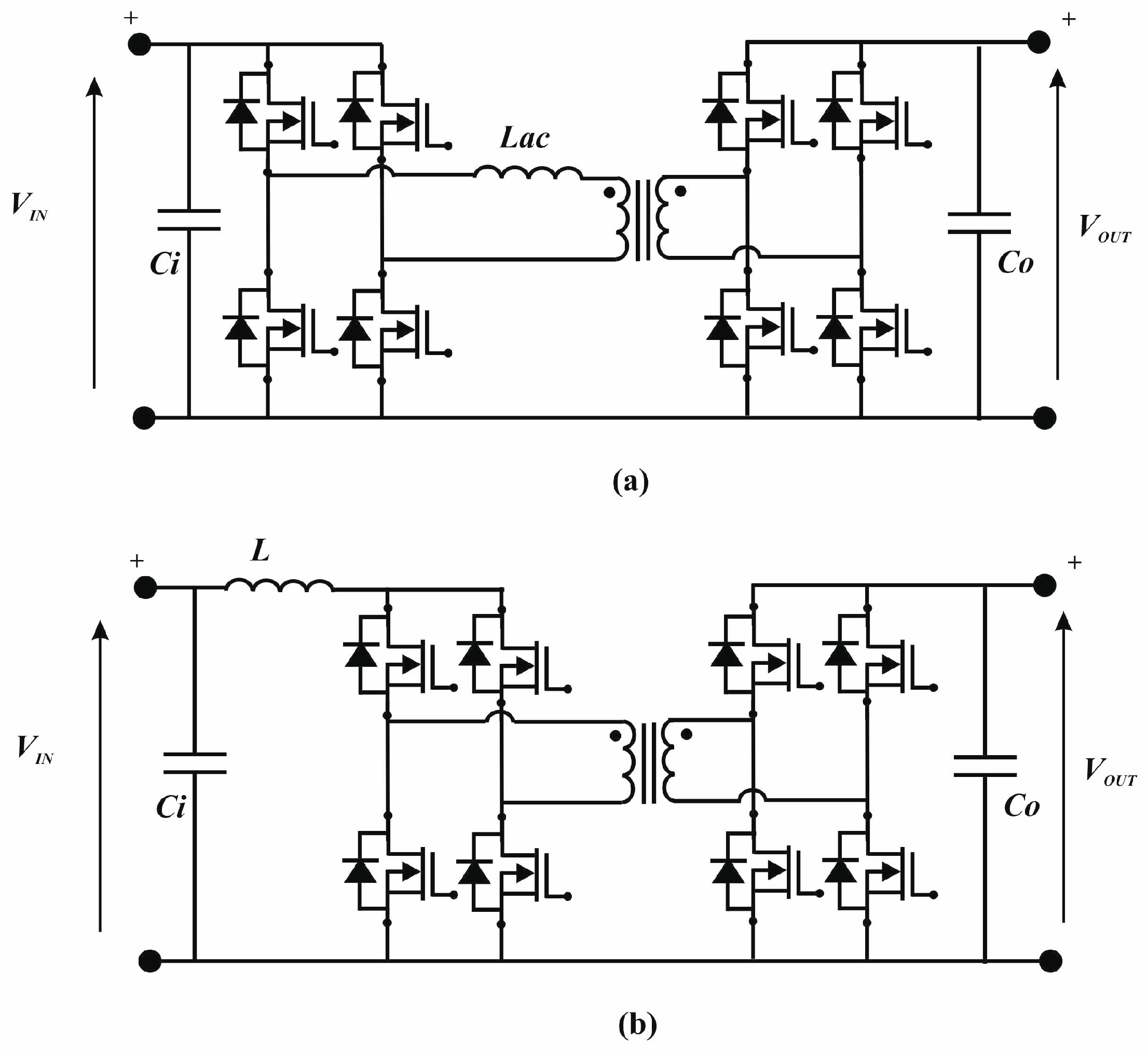
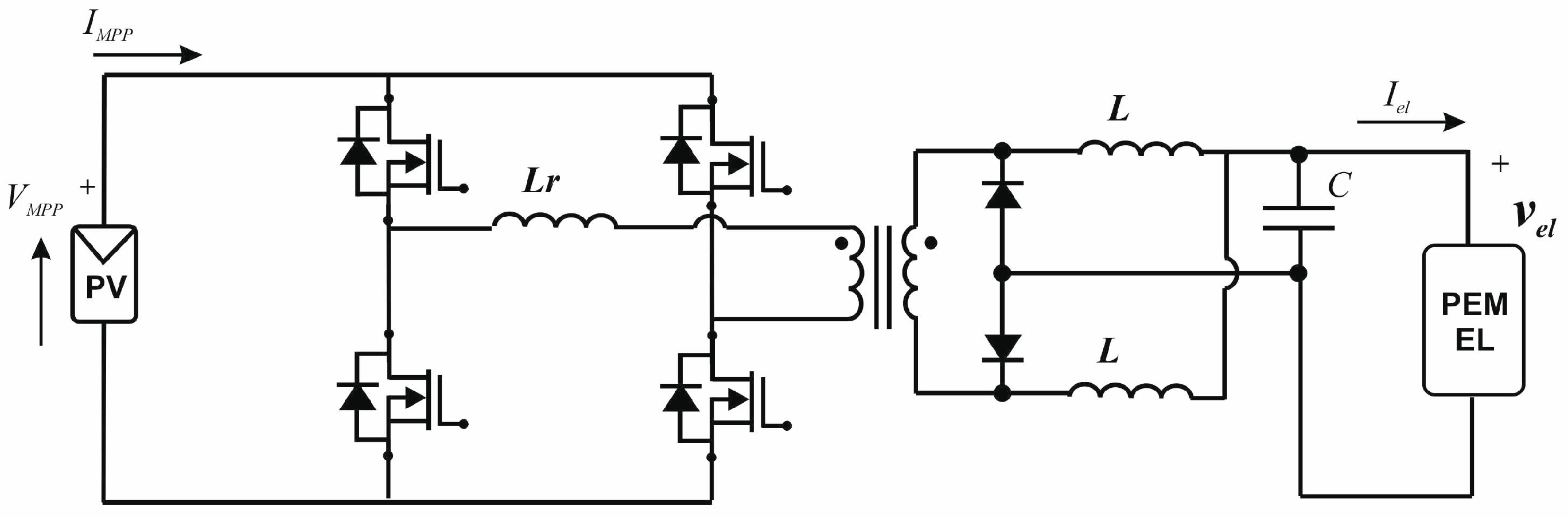
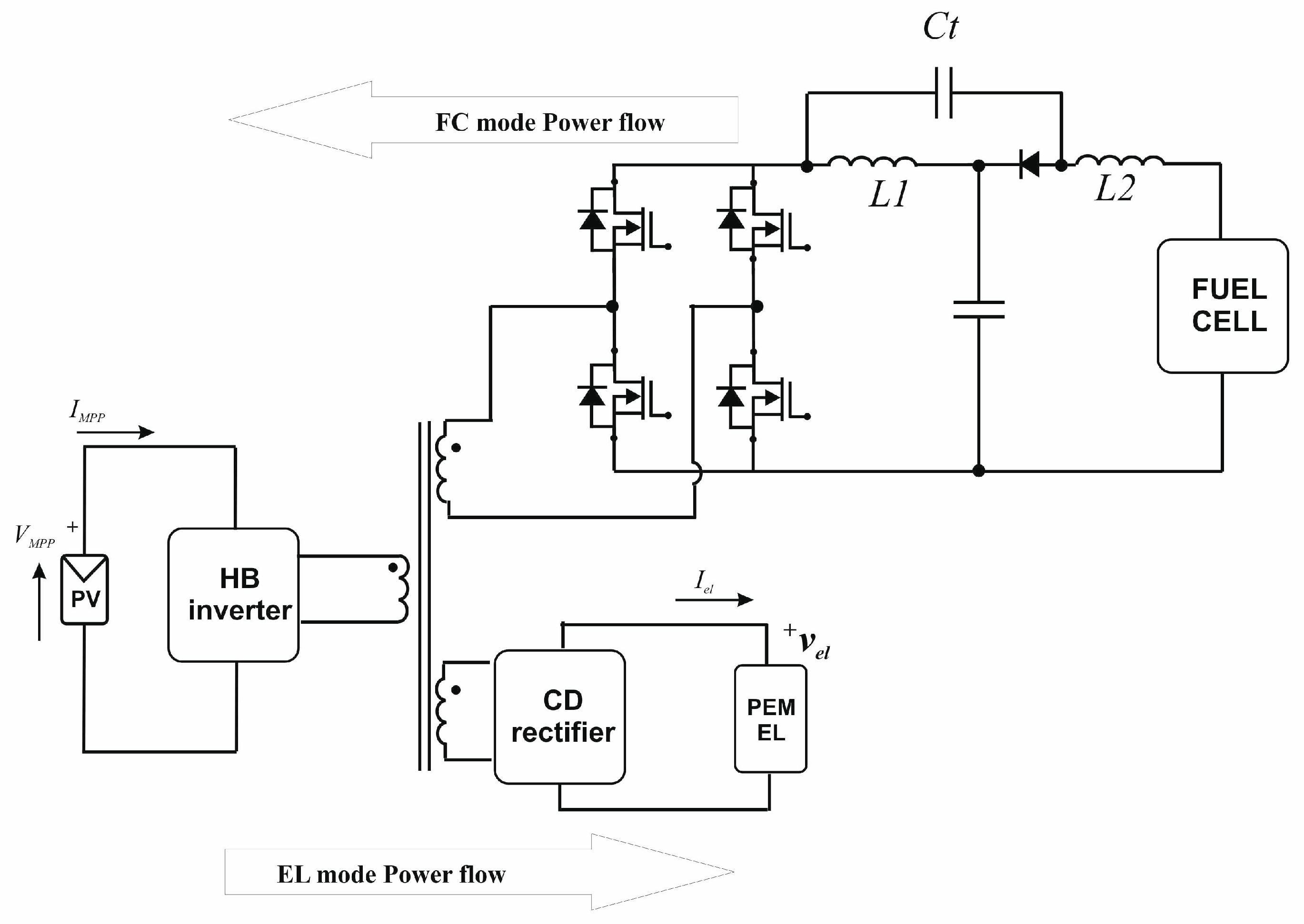
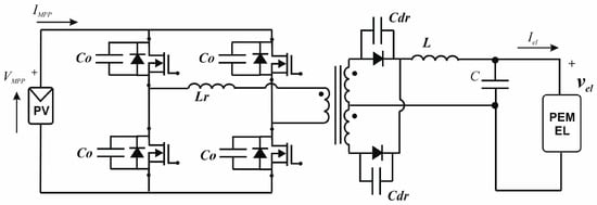
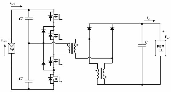
6.5. DCX Converters
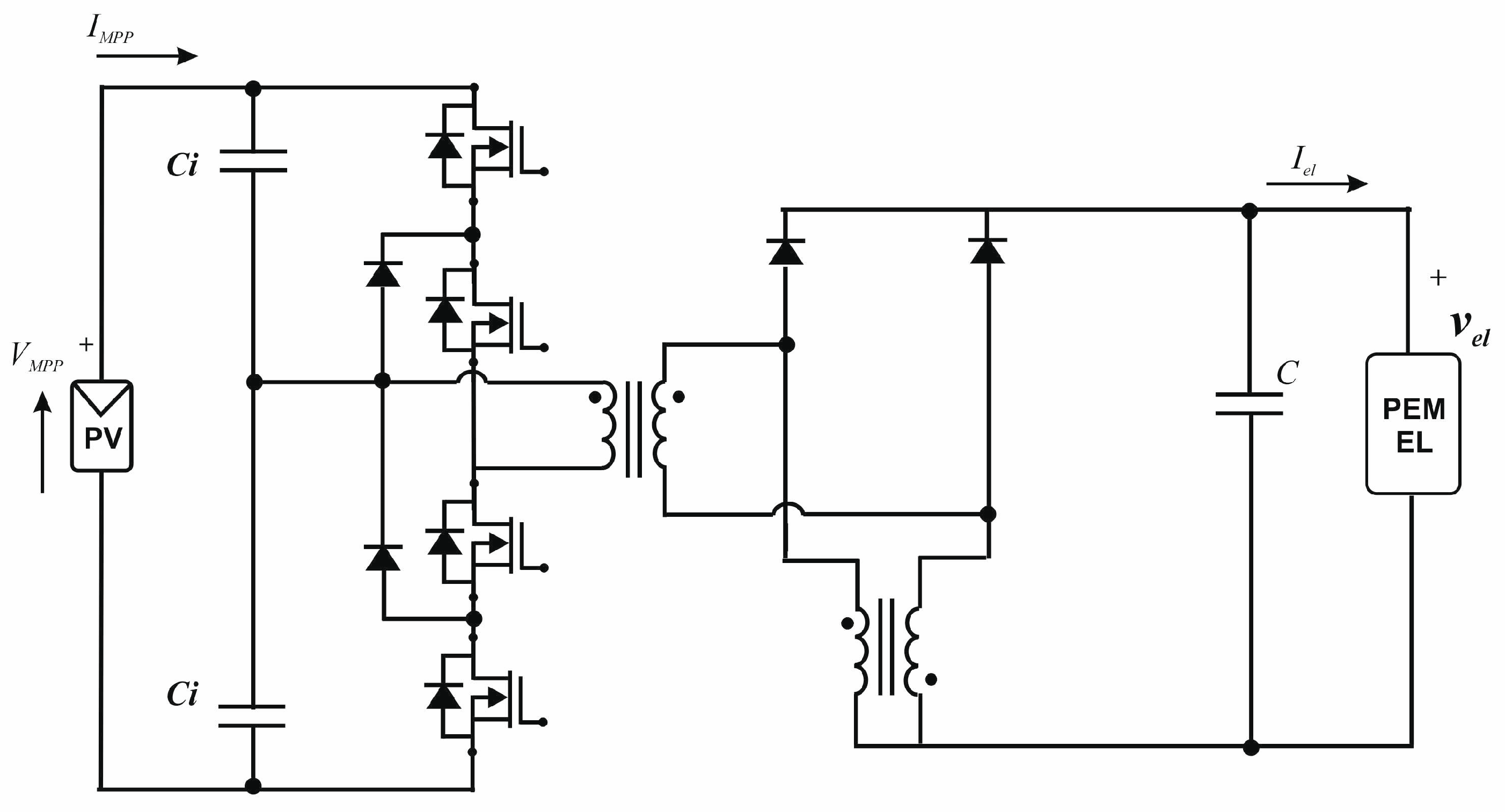
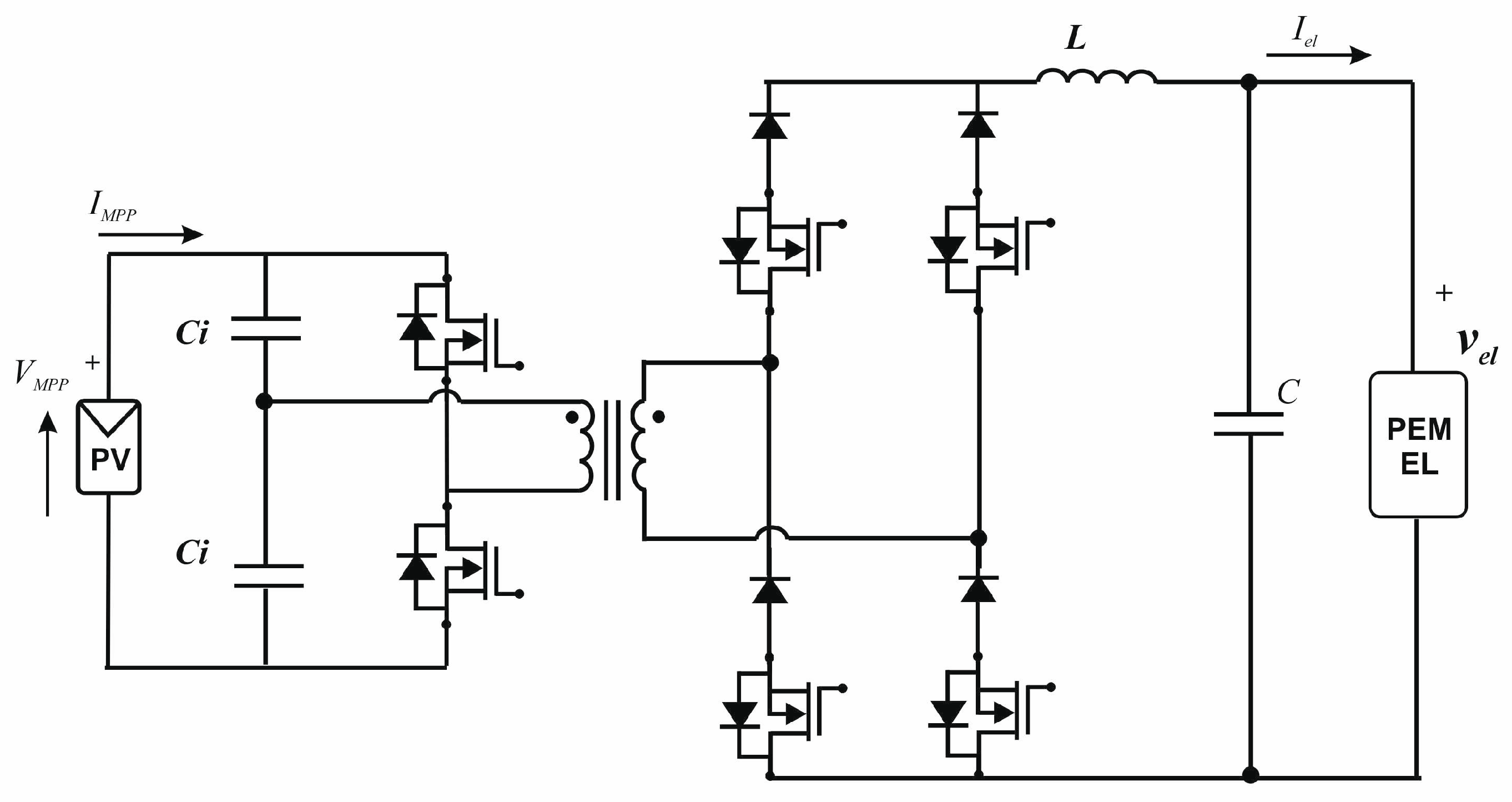
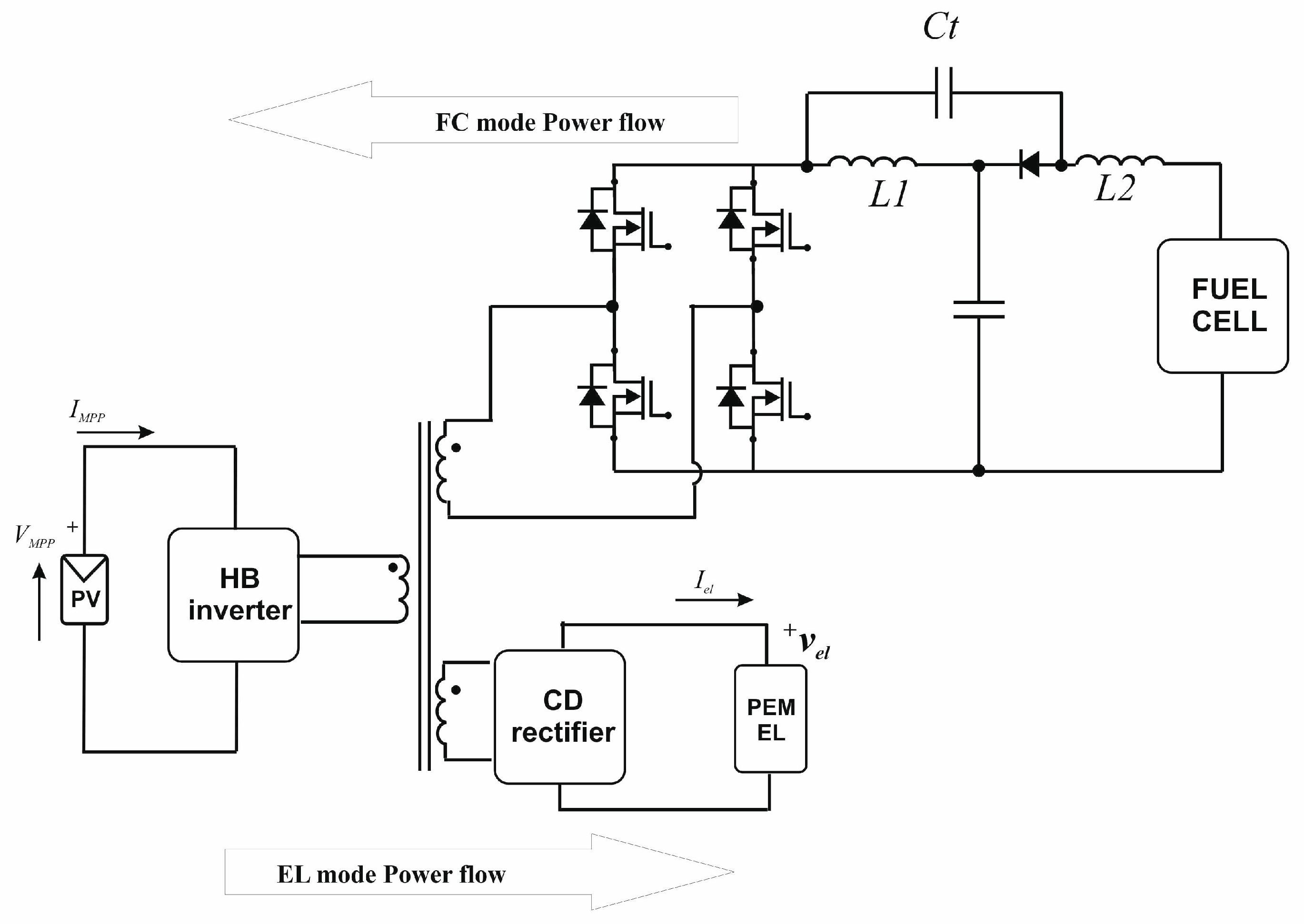
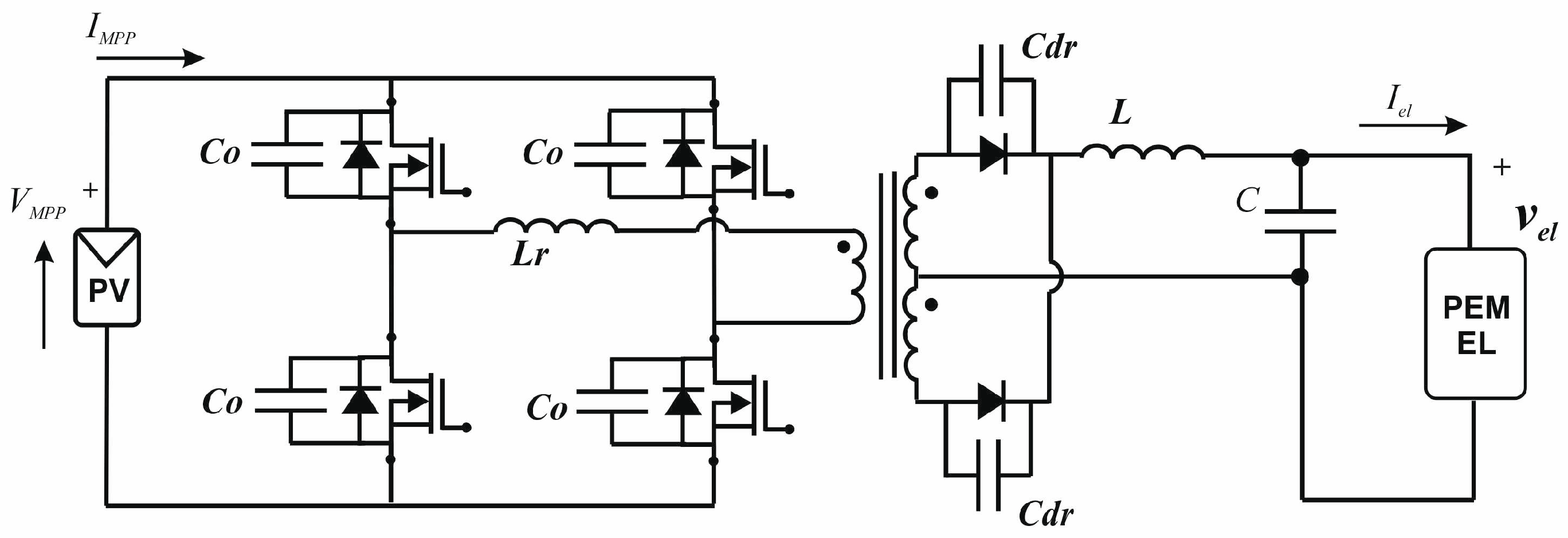
6.6. Full-Bridge Converters with Multi-Port
6.7. Feature Comparison of Isolated Converters
7. Perspectives
7.1. Converter Circuits
7.2. New Power Devices
7.3. Hard-to-Abate Sectors
8. Conclusions
Funding
Data Availability Statement
Acknowledgments
Conflicts of Interest
Appendix A. Maximum Efficiency Calculation
Appendix B. Analysis of the Main Losses in a Practical Case
| Parameter | Value | Unit |
|---|---|---|
| Pmpp | 4.33 | W |
| Vmpp | 0.53 | V |
| Impp | 8.17 | A |
| Voc | 0.635 | V |
| Isc | 8.693 | A |
| FF | 78.44 | % |
| Parameter | Value | Unit |
|---|---|---|
| Rated electric power | 400 | W |
| Stack voltage operating range | 4.2–8 | V |
| Stack current range | 0–50 | A |
| Operating temperature range | 288.15–313.15 | K |
| Hydrogen outlet pressure | 10.5 | Bar |
| Cells number | 3 | - |
| Active area section | 50 | cm2 |
| Hydrogen flow rate at STP (Standard Temperature and Pressure: 20 °C, 1 bar) | 0–1 | SLPM (Standard L/min) |
| Symbol | Rated Value | Supplier | Code |
|---|---|---|---|
| L | IL = 10 A, L = 500 μH, RL = 100 mΩ | Vishay (Selb, Germany) | IHV15BZ500 |
| C | 560 μF, Resr = 160 mΩ | Epcos (Milan, Italy) | B43511A 4567M007 |
| MOSFET | VDSS = 650 V, RDS(on) = 110 mΩ@25 °C; IDS = 25 A | Infineon Techn. (Milan, Italy) | IPA60R125CP CoolMOS |



Appendix C. Comparison of Efficiency Curves Between a Buck Converter and an Interleaved Configuration

References
- Pan, G.; Gu, Z.; Luo, E.; Gu, W. Analysis and Prospect of Electrolytic Hydrogen Technology Under Background of New Power Systems. Autom. Electr. Power Syst. 2023, 47, 1–13. [Google Scholar]
- Yue, M.; Lambert, H.; Pahon, E.; Roche, R.; Jemei, S.; Hissel, D. Hydrogen energy systems: A critical review of technologies, applications, trends and challenges. Renew. Sustain. Energy Rev. 2021, 146, 111180. [Google Scholar] [CrossRef]
- Guilbert, D.; Vitale, G. Hydrogen as a clean and sustainable energy vector for global transition from fossil-based to zero-carbon. Clean Technol. 2021, 3, 881–909. [Google Scholar] [CrossRef]
- IRENA. Green Hydrogen Cost Reduction: Scaling Up Electrolysers to Meet the 1.5 °C Climate Goal; International Renewable Energy Agency: Abu Dhabi, United Arab Emirates, 2020; Available online: https://www.irena.org/-/media/Files/IRENA/Agency/Publication/2020/Dec/IRENA_Green_hydrogen_cost_2020.pdf (accessed on 15 September 2024).
- Rogelj, J.; Shindell, D.; Jiang, K.; Fifita, S.; Forster, P.; Ginzburg, V.; Handa, C.; Kheshgi, H.; Kobayashi, S.; Kriegler, E.; et al. Mitigation pathways compatible with 1.5 C in the context of sustainable development. In Global Warming of 1.5; Intergovernmental Panel on Climate Change: Geneva, Switzerland, 2018; pp. 93–174. Available online: https://www.ipcc.ch/site/assets/uploads/sites/2/2019/02/SR15_Chapter2_Low_Res.pdf (accessed on 15 September 2024).
- 2030 Climate Targets. Available online: https://climate.ec.europa.eu/eu-action/climate-strategies-targets/2030-climate-targets_en#:~:text=In%202023%2C%20the%20EU%20adopted,climate%2Dneutral%20continent%20by%202050.pdf (accessed on 15 September 2024).
- Lei, J.; Ma, H.; Qin, G.; Guo, Z.; Xia, P.; Hao, C. A Comprehensive Review on the Power Supply System of Hydrogen Production Electrolyzers for Future Integrated Energy Systems. Energies 2024, 17, 935. [Google Scholar] [CrossRef]
- Edwards, P.P.; Kuznetsov, V.; David, W.I. Hydrogen energy. Philos. Trans. R. Soc. A Math. Phys. Eng. Sci. 2007, 365, 1043–1056. [Google Scholar] [CrossRef]
- Nikolaidis, P.; Poullikkas, A. A comparative overview of hydrogen production processes. Renew. Sustain. Energy Rev. 2017, 67, 597–611. [Google Scholar] [CrossRef]
- Renaudineau, H.; Llor, A.M.; Cortés, R.; Rojas, C.A.; Restrepo, C.; Kouro, S. Photovoltaic green hydrogen challenges and opportunities: A power electronics perspective. IEEE Ind. Electron. Mag. 2021, 16, 31–41. [Google Scholar] [CrossRef]
- Xu, S.; Yu, B. Current development and prospect of hydrogen energy technology in China. J. Beijing Inst. Technol. 2021, 23, 1–12. [Google Scholar]
- Abdelkareem, M.A.; Abdelghafar, A.A.; Mahmoud, M.; Sayed, E.T.; Mahmoud, M.S.; Alami, A.H.; Olabi, A.G. Optimized solar photovoltaic-powered green hydrogen: Current status, recent advancements, and barriers. Sol. Energy 2023, 265, 112072. [Google Scholar] [CrossRef]
- Chi, J.; Yu, H. Water electrolysis based on renewable energy for hydrogen production. Chin. J. Catal. 2018, 39, 390–394. [Google Scholar] [CrossRef]
- Grube, T.; Reul, J.; Reuß, M.; Calnan, S.; Monnerie, N.; Schlatmann, R.; Sattler, C.; Robinius, M.; Stolten, D. A techno-economic perspective on solar-to-hydrogen concepts through 2025. Sustain. Energy Fuels 2020, 4, 5818–5834. [Google Scholar] [CrossRef]
- Mallapragada, D.S.; Gencer, E.; Insinger, P.; Keith, D.W.; O’Sullivan, F.M. Can industrial-scale solar hydrogen supplied from commodity technologies be cost competitive by 2030? Cell Rep. Phys. Sci. 2020, 1, 100174. [Google Scholar] [CrossRef]
- Longden, T.; Jotzo, F.; Prasad, M.; Andrews, R. Green Hydrogen Production Costs in Australia: Implications of Renewable Energy and Electrolyser Costs; CCEP: Canberra, ACT, Australia, 2020; Available online: https://iceds.anu.edu.au/files/2020%2009%2001%20-%20ZCEAP%20-%20CCEP%20Working%20Paper%20-%20Green%20hydrogen%20production%20costs.pdf (accessed on 15 September 2024).
- Nicita, A.; Maggio, G.; Andaloro, A.; Squadrito, G. Green hydrogen as feedstock: Financial analysis of a photovoltaic powered electrolysis plant. Int. J. Hydrogen Energy 2020, 45, 11395–11408. [Google Scholar] [CrossRef]
- Bhattacharyya, R.; Misra, A.; Sandeep, K. Photovoltaic solar energy conversion for hydrogen production by alkaline water electrolysis: Conceptual design and analysis. Energy Convers. Manag. 2017, 133, 1–13. [Google Scholar] [CrossRef]
- Schmidt, O.; Gambhir, A.; Staffell, I.; Hawkes, A.; Nelson, J.; Few, S. Future cost and performance of water electrolysis: An expert elicitation study. Int. J. Hydrogen Energy 2017, 42, 30470–30492. [Google Scholar] [CrossRef]
- Guo, X.; Zhu, H.; Zhang, S. Overview of electrolyser and hydrogen production power supply from industrial perspective. Int. J. Hydrogen Energy 2023, 49, 1048–1059. [Google Scholar] [CrossRef]
- Sapountzi, F.M.; Gracia, J.M.; Weststrate, C.J.; Fredriksson, H.O.; Niemantsverdriet, J.H. Electrocatalysts for the generation of hydrogen, oxygen and synthesis gas. Prog. Energy Combust. Sci. 2017, 58, 1–35. [Google Scholar] [CrossRef]
- Guilbert, D.; Vitale, G. Dynamic emulation of a PEM electrolyzer by time constant based exponential model. Energies 2019, 12, 750. [Google Scholar] [CrossRef]
- Carmo, M.; Fritz, D.L.; Mergel, J.; Stolten, D. A comprehensive review on PEM water electrolysis. Int. J. Hydrogen Energy 2013, 38, 4901–4934. [Google Scholar] [CrossRef]
- Kumar, S.S.; Himabindu, V. Hydrogen production by PEM water electrolysis–a review. Mater. Sci. Energy Technol. 2019, 2, 442–454. [Google Scholar]
- Razi, F.; Dincer, I. A critical evaluation of potential routes of solar hydrogen production for sustainable development. J. Clean. Prod. 2020, 264, 121582. [Google Scholar] [CrossRef]
- De Lorenzo, G.; Agostino, R.G.; Fragiacomo, P. Dynamic electric simulation model of a proton exchange membrane electrolyzer system for hydrogen production. Energies 2022, 15, 6437. [Google Scholar] [CrossRef]
- Ouabi, H.; Lajouad, R.; Kissaoui, M.; El Magri, A. Hydrogen production by water electrolysis driven by a photovoltaic source: A review. e-Prime-Adv. Electr. Eng. Electron. Energy 2024, 8, 100608. [Google Scholar] [CrossRef]
- Yu, H.; Shao, Z.; Hou, M.; Yi, B.; Duan, F.; Yang, Y. Hydrogen Production by Water Electrolysis: Progress and Suggestions. Chin. J. Eng. Sci. 2021, 23, 146–152. [Google Scholar] [CrossRef]
- Łosiewicz, B. Recent Advances in Technologies of Green Hydrogen Production. Energies 2024, 17, 4514. [Google Scholar] [CrossRef]
- Abdin, Z.; Zafaranloo, A.; Rafiee, A.; Mérida, W.; Lipiński, W.; Khalilpour, K.R. Hydrogen as an energy vector. Renew. Sustain. Energy Rev. 2020, 120, 109620. [Google Scholar] [CrossRef]
- Ursua, A.; Gandia, L.M.; Sanchis, P. Hydrogen production from water electrolysis: Current status and future trends. Proc. IEEE 2011, 100, 410–426. [Google Scholar] [CrossRef]
- Ishaq, H.; Dincer, I. Comparative assessment of renewable energy-based hydrogen production methods. Renew. Sustain. Energy Rev. 2021, 135, 110192. [Google Scholar] [CrossRef]
- Barbir, F. PEM electrolysis for production of hydrogen from renewable energy sources. Sol. Energy 2005, 78, 661–669. [Google Scholar] [CrossRef]
- Nguyen, B.L.; Panwar, M.; Hovsapian, R.; Nagasawa, K.; Vu, T.V. Power converter topologies for electrolyzer applications to enable electric grid services. In Proceedings of the IECON 2021–47th Annual Conference of the IEEE Industrial Electronics Society, Sheraton Centre, Toronto, ON, Canada, 13–16 October 2021. [Google Scholar]
- Andrijanovitsh, A.; Steiks, I.; Zakis, J.; Vinnikov, D. Analysis of state-of-the-art converter topologies for interfacing of hydrogen buffer with renewable energy systems. Electr. Control Commun. Eng. 2011, 29, 87–94. [Google Scholar] [CrossRef]
- Koponen, J.; Poluektov, A.; Ruuskanen, V.; Kosonen, A.; Niemelä, M.; Ahola, J. Comparison of thyristor and insulated-gate bipolar transistor-based power supply topologies in industrial water electrolysis applications. J. Power Sources 2021, 491, 229443. [Google Scholar] [CrossRef]
- Chen, M.; Chou, S.F.; Blaabjerg, F.; Davari, P. Overview of power electronic converter topologies enabling large-scale hydrogen production via water electrolysis. Appl. Sci. 2022, 12, 1906. [Google Scholar] [CrossRef]
- Koundi, M.; El Fadil, H.; EL Idrissi, Z.; Lassioui, A.; Intidam, A.; Bouanou, T.; Nady, S.; Rachid, A. Investigation of Hydrogen Production System-Based PEM EL: PEM EL Modeling, DC/DC Power Converter, and Controller Design Approaches. Clean Technol. 2023, 5, 531–568. [Google Scholar] [CrossRef]
- Guilbert, D.; Collura, S.M.; Scipioni, A. DC/DC converter topologies for electrolyzers: State-of-the-art and remaining key issues. Int. J. Hydrogen Energy 2017, 42, 23966–23985. [Google Scholar] [CrossRef]
- Guida, V.; Guilbert, D.; Douine, B. Candidate interleaved dc-dc buck converters for electrolyzers: State-of-the-art and perspectives. In Proceedings of the 2018 IEEE International Conference on Environment and Electrical Engineering and 2018 IEEE Industrial and Commercial Power Systems Europe (EEEIC/I&CPS Europe), Palermo, Italy, 12–15 June 2018. [Google Scholar]
- Guida, V.; Guilbert, D.; Douine, B. Literature survey of interleaved dc-dc step-down converters for proton exchange membrane electrolyzer applications. Trans. Environ. Electr. Eng. 2019, 3, 33–43. [Google Scholar] [CrossRef]
- Yodwong, B.; Guilbert, D.; Phattanasak, M.; Kaewmanee, W.; Hinaje, M.; Vitale, G. AC-DC converters for electrolyzer applications: State of the art and future challenges. Electronics 2020, 9, 912. [Google Scholar] [CrossRef]
- Zorica, S.; Vukšić, M.; Betti, T. Design considerations of the multi-resonant converter as a constant current source for electrolyser utilisation. Int. J. Electr. Power Energy Syst. 2019, 111, 237–247. [Google Scholar] [CrossRef]
- Kandah, M.I. Enhancement of water electrolyzer efficiency. J. Energy Technol. Policy 2014, 4, 1–9. [Google Scholar]
- Ngoh, K.S.; Njomo, D. An overview of hydrogen gas production from solar energy. Renew. Sustain. Energy Rev. 2012, 16, 6782–6792. [Google Scholar] [CrossRef]
- Grimes, C.A.; Oomman, K.V.; Ranjan, S. Hydrogen Generation by Water Splitting. In Light, Water, Hydrogen: The Solar Generation of Hydrogen by Water Photoelectrolysis; Springer: Berlin/Heidelberg, Germany, 2008; pp. 35–51. [Google Scholar]
- Bovo, A.; Poli, N.; Trovò, A.; Marini, G.; Guarnieri, M. Hydrogen energy storage system in a multi–technology microgrid: Technical features and performance. Int. J. Hydrogen Energy 2023, 48, 12072–12088. [Google Scholar] [CrossRef]
- Parache, F.; Schneider, H.; Turpin, C.; Richet, N.; Debellemanière, O.; Bru, É.; Thieu, A.T.; Bertail, C.; Marot, C. Impact of Power Converter Current Ripple on the Degradation of PEM Electrolyzer Performances. Membranes 2022, 12, 109. [Google Scholar] [CrossRef] [PubMed]
- Erickson, R.W.; Maksimović, D. Input Filter Design. In Fundamentals of Power Electronics, 3rd ed.; CRC Press: Boca Raton, FL, USA, 2020; pp. 675–721. [Google Scholar]
- Guilbert, D.; Sorbera, D.; Vitale, G. A stacked interleaved dc-dc buck converter for proton exchange membrane electrolyzer applications: Design and experimental validation. Int. J. Hydrogen Energy 2020, 45, 64–79. [Google Scholar] [CrossRef]
- Kolar, J.W.; Krismer, F.; Lobsiger, Y.; Muhlethaler, J.; Nussbaumer, T.; Minibock, J. Extreme efficiency power electronics. In Proceedings of the 7th International Conference on Integrated Power Electronics Systems (CIPS), Nuremberg, Germany, 6–8 March 2012. [Google Scholar]
- Application Manual Power Semiconductors. Available online: https://www.semikron-danfoss.com/service-support/application-manual.html (accessed on 15 September 2024).
- Haaf, P.; Harper, J. Understanding diode reverse recovery and its effect on switching losses. In Fairchild Power Seminar; Fairchild: Sunnyvale, CA, USA, 2007; Volume 2007, Available online: https://www.mikrocontroller.net/attachment/351267/Understanding-Diode-Reverse-Recovery-and-Its-Effect-on-Switching-Losses.pdf (accessed on 15 September 2024).
- Amaral, A.M.R.; Cardoso, A.J.M. On-line fault detection of aluminium electrolytic capacitors, in step-down DC–DC converters, using input current and output voltage ripple. IET Power Electron. 2012, 5, 315–322. [Google Scholar] [CrossRef]
- Wang, H.; Blaabjerg, F. Reliability of capacitors for DC-link applications in power electronic converters—An overview. IEEE Trans. Ind. Appl. 2014, 50, 3569–3578. [Google Scholar] [CrossRef]
- Svensson, L. Adiabatic and Clock-Powered Circuits. In Low-Power Electronics Design; Piguet, L., Ed.; CRC Press: Boca Raton, FL, USA, 2004; pp. 240–254. [Google Scholar]
- Piazza, M.C.; Ragusa, A.; Vitale, G. Power-loss evaluation in CM active EMI filters for bearing current suppression. IEEE Trans. Ind. Electron. 2011, 58, 5142–5153. [Google Scholar] [CrossRef]
- Boglietti, A.; Cavagnino, A.; Lazzari, M.; Pastorelli, M. Predicting iron losses in soft magnetic materials with arbitrary voltage supply: An Engineering Approach. IEEE Trans. Magn. 2003, 39, 981–989. [Google Scholar] [CrossRef]
- Moses, A.J. Power loss of non oriented electrical steel under square wave excitation. IEEE Trans. Magn. 2001, 37, 2737–2739. [Google Scholar] [CrossRef]
- Abramovitz, A.; Ben Yaakov, S. RGSE-Based SPICE Modelling of Ferrite Core Losses. IEEE Trans. on Power Electr. 2017, 33, 2825–2831. [Google Scholar] [CrossRef]
- Roberto, S.F.; Sciré, D.; Lullo, G.; Vitale, G. Equivalent circuit modelling of ferrite inductors losses. In Proceedings of the 4th International Forum on Research and Technology for Society and Industry (RTSI), Palermo, Italy, 10–13 September 2018. [Google Scholar]
- Vitale, G.; Lullo, G.; Scirè, D. Thermal stability of a DC/DC converter with inductor in partial saturation. IEEE Trans. Ind. Electron. 2020, 68, 7985–7995. [Google Scholar] [CrossRef]
- Ahmad, G.E.; El Shenawy, E.T. Optimized photovoltaic system for hydrogen production. Renew. Energy 2006, 31, 1043–1054. [Google Scholar] [CrossRef]
- Gibson, T.L.; Kelly, N.A. Predicting efficiency of solar powered hydrogen generation using photovoltaic-electrolysis devices. Int. J. Hydrogen Energy 2010, 35, 900–911. [Google Scholar] [CrossRef]
- Gibson, T.L.; Kelly, N.A. Optimization of solar powered hydrogen production using photovoltaic electrolysis devices. Int. J. Hydrogen Energy 2008, 33, 5931–5940. [Google Scholar] [CrossRef]
- Mao, S.; Wu, T.; Lu, X.; Popovic, J.; Ferreira, J.A. Three-phase active front-end rectifier efficiency improvement with silicon carbide power semiconductor devices. In Proceeding of the 2016 IEEE Energy Conversion Congress and Exposition (ECCE), Milwaukee, WI, USA, 18–22 September 2016. [Google Scholar]
- Sánchez, L.; Reigosa, D.; Bilbao, A.; Peña-Gonzalez, I.; Briz, F. Comparative Analysis of Power Converter Topologies for Hydrogen Electrolyzers. IEEE J. Emerg. Sel. Top. Power Electron. 2024, 12, 4325–4341. [Google Scholar] [CrossRef]
- Dahbi, S.; Aboutni, R.; Aziz, A.; Benazzi, N.; Elhafyani, M.; Kassmi, K. Optimised hydrogen production by a photovoltaic-electrolysis system DC/DC converter and water flow controller. Int. J. Hydrogen Energy 2016, 41, 20858–20866. [Google Scholar] [CrossRef]
- Şahin, M.E. A photovoltaic powered electrolysis converter system with maximum power point tracking control. Int. J. Hydrogen Energy 2020, 45, 9293–9304. [Google Scholar] [CrossRef]
- Guilbert, D.; Yodwong, B.; Kaewmanee, W.; Phattanasak, M.; Hinaje, M. Hydrogen Flow Rate Control of a Proton Exchange Membrane Electrolyzer. In Proceedings of the 2019 Research, Invention, and Innovation Congress (RI2C), Bangkok, Thailand, 11–13 December 2019. [Google Scholar]
- Sahin, M.E.; Okumus, H.I.; Aydemir, M.T. Implementation of an electrolysis system with dc/dc synchronous buck converter. Int. J. Hydrogen Energy 2014, 39, 6802–6812. [Google Scholar] [CrossRef]
- Pipitone, E.; Vitale, G. A regenerative braking system for internal combustion engine vehicles using supercapacitors as energy storage elements-Part 1: System analysis and modeling. J. Power Sources 2020, 448, 227368. [Google Scholar] [CrossRef]
- Sferlazza, A.; Garraffa, G.; Vitale, G.; D’Ippolito, F.; Alonge, F.; Lullo, G.; Busacca, A.; Giaconia, G.C.; Scirè, D. Robust Disturbance Rejection Control of DC/DC Interleaved Boost Converters with Additional Sliding Mode Component. In Proceedings of the 2023 Asia Meeting on Environment and Electrical Engineering (EEE-AM), Hanoi, Vietnam, 13–15 November 2023. [Google Scholar]
- Yao, K.; Qiu, Y.; Xu, M.; Lee, F.C. A novel winding-coupled buck converter for high-frequency, high-step-down DC-DC conversion. IEEE Trans. Power Electron. 2005, 20, 1017–1024. [Google Scholar]
- Ilic, M.; Maksimovic, D. Interleaved Zero-Current-Transition Buck Converter. IEEE Trans. Ind. Appl. 2007, 43, 1619–1627. [Google Scholar] [CrossRef]
- Zhang, H.; Lu, Y.; Zhang, J.; Benigni, A. Real-time simulation of an electrolyzer with a diode rectifier and a threephase interleaved buck converter. In Proceedings of the 2022 IEEE 13th International Symposium on Power Electronics for Distributed Generation Systems (PEDG), Kiel, Germany, 26–29 June 2022. [Google Scholar]
- Pellitteri, F.; Campagna, N.; Inguanta, R.; Miceli, R. Application of a multiphase interleaved DC-DC converter for power-to-hydrogen systems. In Proceedings of the 17th International Conference on Compatibility, Power Electronics and Power Engineering (CPE-POWERENG), Tallinn, Estonia, 14–16 June 2023. [Google Scholar]
- Yodwong, B.; Sikkabut, S.; Guilbert, D.; Hinaje, M.; Phattanasak, M.; Kaewmanee, W.; Vitale, G. Open-circuit switch fault diagnosis and accommodation of a three-level interleaved buck converter for electrolyzer applications. Electronics 2023, 12, 1349. [Google Scholar] [CrossRef]
- Yodwong, B.; Guilbert, D.; Kaewmanee, W.; Phattanasak, M.; Hinaje, M.; Vitale, G. Improved Sliding Mode-Based Controller of a High Voltage Ratio DC–DC Converter for Electrolyzers Supplied by Renewable Energy. IEEE Trans. Ind. Electron. 2023, 71, 8831–8840. [Google Scholar] [CrossRef]
- Jørgensen, K.L.; Zhang, Z.; Andersen, M.A. Next generation of power electronic-converter application for energy conversion and storage units and systems. Clean Energy 2019, 3, 307–315. [Google Scholar] [CrossRef]
- Mira, M.C.; Zhang, Z.; Jørgensen, K.L.; Andersen, M.A. Fractional charging converter with high efficiency and low cost for electrochemical energy storage devices. IEEE Trans. Ind. Appl. 2019, 55, 7461–7470. [Google Scholar] [CrossRef]
- Anzola, J.; Aizpuru, I.; Romero, A.A.; Loiti, A.A.; Lopez-Erauskin, R.; Artal-Sevil, J.S.; Bernal, C. Review of architectures based on partial power processing for dc-dc applications. IEEE Access 2020, 8, 103405–103418. [Google Scholar] [CrossRef]
- Duc, T.N.; Goshome, K.; Endo, N.; Maeda, T. Optimization strategy for high efficiency 20 kW-class direct coupled photovoltaic-electrolyzer system based on experiment data. Int. J. Hydrogen Energy 2019, 44, 26741–26752. [Google Scholar]
- Clarke, R.; Giddey, S.; Ciacchi, F.; Badwal, S.; Paul, B.; Andrews, J. Direct coupling of an electrolyser to a solar PV system for generating hydrogen. Int. J. Hydrogen Energy 2009, 34, 2531–2542. [Google Scholar] [CrossRef]
- Mraoui, A.; Benyoucef, B.; Hassaine, L. Experiment and simulation of electrolytic hydrogen production: Case study of photovoltaic-electrolyzer direct connection. Int. J. Hydrogen Energy 2018, 43, 3441–3450. [Google Scholar] [CrossRef]
- Gaamouche, R.; Abbou, A.; Redouane, A.; El Hasnaoui, A.; Belhorma, B. Modeling and simulation of direct coupling of an electrolyzer to PV system for hydrogen production. In Proceedings of the 2018 6th IEEE International Renewable and Sustainable Energy Conference (IRSEC), Rabat, Morocco, 5–8 December 2018. [Google Scholar]
- Acar, C.; Erturk, E.; Firtina-Ertis, I. Performance analysis of a stand-alone integrated solar hydrogen energy system for zero energy buildings. Int. J. Hydrogen Energy 2023, 48, 1664–1684. [Google Scholar] [CrossRef]
- Arriaga, L.G.; Martinez, W.; Cano, U.; Blud, H. Direct coupling of a solar-hydrogen system in Mexico. Int. J. Hydrogen Energy 2007, 32, 2247–2252. [Google Scholar] [CrossRef]
- Khalilnejad, A.; Sundararajan, A.; Sarwat, A.I. Performance evaluation of optimal photovoltaic-electrolyzer system with the pur-pose of maximum hydrogen storage. In Proceedings of the 2016 IEEE/IAS 52nd Industrial and Commercial Power Systems Technical Conference (I&CPS), Detroit, MI, USA, 1–5 May 2016. [Google Scholar]
- Cai, X.; Lin, R.; Xu, J.; Lu, Y. Construction and analysis of photovoltaic directly coupled conditions in PEM electrolyzer. Int. J. Hydrogen Energy 2022, 47, 6494–6507. [Google Scholar] [CrossRef]
- Di Caro, A.; Vitale, G. Direct-Coupled Improvement of a Solar-Powered Proton Exchange Membrane Electrolyzer by a Reconfigurable Source. Clean Technol. 2024, 6, 1203–1228. [Google Scholar] [CrossRef]
- Van, L.P.; Hoang, L.H.; Duc, T.N. A comprehensive review of direct coupled photovoltaic-electrolyser system: Sizing techniques, operating strategies, research progress, current challenges, and future recommendations. Int. J. Hydrogen Energy 2023, 48, 25231–25249. [Google Scholar] [CrossRef]
- Gautam, D.S.; Bhat, A.K. A comparison of soft-switched DC-to-DC converters for electrolyzer application. IEEE Trans. Power Electron. 2012, 28, 54–63. [Google Scholar] [CrossRef]
- Sabate, J.; Vlatkovic, V.; Ridley, R. Design considerations for high-voltage high-power full-bridge zero-voltage swltclled pwm converter. In Proceedings of the Fifth Annual Proceedings on Applied Power Electronics Conference and Exposition IEEE APEC, Los Angeles, CA, USA, 11–16 March 1990. [Google Scholar]
- Chandrasekhar, P.; Rama Reddy, S. Design of LLC resonant converter for electrolyser. Int. J. Electr. Eng. Inform. 2011, 3, 3. [Google Scholar]
- Garrigós, A.; Blanes, J.M.; Carrasco, J.A.; Lizán, J.L.; Beneito, R.; Molina, J.A. 5 kW DC/DC converter for hydrogen generation from photovoltaic sources. Int. J. Hydrogen Energy 2010, 35, 6123–6130. [Google Scholar] [CrossRef]
- Erich, S.Y.; Polivka, W.A. Input filter design criteria for current-programmed regulators. IEEE Trans. Power Electron. 1992, 7, 143–151. [Google Scholar] [CrossRef]
- Garrigós, A.; Lizán, J.L.; Blanes, J.M.; Gutiérrez, R. Combined maximum power point tracking and output current control for a photovoltaic-electrolyser DC/DC converter. Int. J. Hydrogen Energy 2014, 39, 20907–20919. [Google Scholar] [CrossRef]
- Blinov, A.; Andrijanovits, A. New DC/DC converter for electrolyser interfacing with stand-alone renewable energy system. Electr. Control Commun. Eng. 2012, 1, 24–29. [Google Scholar] [CrossRef]
- Sun, J.; Webb, K.F.; Mehrotra, V. An improved current-doubler rectifier with integrated magnetics. In Proceedings of the Seventeenth Annual IEEE Applied Power Electronics Conference and Exposition APEC, Dallas, TX, USA, 10–14 March 2002. [Google Scholar]
- Andrijanovitš, A.; Vinnikov, D.; Roasto, I.; Blinov, A. Three-level half-bridge ZVS DC/DC converter for electrolyzer integration with renewable energy systems. In Proceedings of the 10th International Conference on Environment and Electrical Engineering, Rome, Italy, 8–11 May 2011. [Google Scholar]
- Balogh, L. The Current-Doubler Rectifier: An Alternative Rectification Technique for Push-Pull and Bridge Converters; Unitrode: Manchester, NH, USA, 1994; 3p, Available online: https://www.ti.com/lit/an/slua121/slua121.pdf?ts=1724676914976&ref_url=https%253A%252F%252Fwww.google.com%252F (accessed on 15 September 2024).
- Vukšić, M.; Beroš, S.M.; Vukšić, L. The multiresonant converter steady-state analysis based on dominant resonant process. IEEE Trans. Power Electron. 2011, 26, 1452–1468. [Google Scholar] [CrossRef]
- Cavallaro, C.; Cecconi, V.; Chimento, F.; Musumeci, S.; Santonocito, C.; Sapuppo, C. A phase-shift full bridge converter for the energy management of electrolyzer systems. In Proceedings of the 2007 IEEE International Symposium on Industrial Electronics, Vigo, Spain, 4–7 June 2007; pp. 2649–2654. [Google Scholar]
- Bodur, H.; Bakan, A.F. A new ZVT-PWM dc-dc converter. IEEE Trans. Power Electron. 2002, 17, 40–47. [Google Scholar] [CrossRef]
- Ting, N.S.; Sahin, Y.; Aksoy, I. A new ZVT-PWM interleaved dc-dc boost converter. In Proceedings of the 2015 Intl Aegean Conference on Electrical Machines & Power Electronics (ACEMP), 2015 Intl Conference on Optimization of Electrical & Electronic Equipment (OPTIM) & 2015 Intl Symposium on Advanced Electromechanical Motion Systems (ELECTROMOTION), Side, Turkey, 2–4 September 2015. [Google Scholar]
- Concha, D.; Renaudineau, H.; Hernandez, M.S.; Llor, A.M.; Kouro, S. Evaluation of DCX converters for off-grid photovoltaic-based green hydrogen production. Int. J. Hydrogen Energy 2021, 46, 19861–19870. [Google Scholar] [CrossRef]
- Wu, X.; Shi, H. High efficiency high density 1 MHz 380–12V DCX with low FOM devices. IEEE Trans. Ind. Electron. 2020, 67, 1648e56. [Google Scholar]
- Neumayr, D.; Vohringer, M.; Chrysogelos, N.; Deboy, G.; Kolar, J.W. P3dctdpartial-power pre-regulated dc transformer. IEEE Trans. Power Electron. 2019, 34, 6036e47. [Google Scholar] [CrossRef]
- Vinnikov, D.; Andrijanovitš, A.; Roasto, I.; Jalakas, T. Experimental study of new integrated DC/DC converter for hydrogen-based energy storage. In Proceedings of the 2011 10th International Conference on Environment and Electrical Engineering, Rome, Italy, 8–11 May 2011. [Google Scholar]
- Vinnikov, D.; Roasto, I. Quasi-Z-Source-Based Isolated DC/DC Converters for Distributed Power Generation. IEEE Trans. Ind. Electron. 2011, 58, 192–201. [Google Scholar] [CrossRef]
- Andrijanovitš, A.; Blinov, A.; Husev, O.; Vinnikov, D. Multiport converter with integrated energy storage for hydrogen buffer interfacing with renewable energy systems. In Proceedings of the 2012 IEEE International Conference on Industrial Technology, Athens, Greece, 19–21 March 2012. [Google Scholar]
- Agbossou, K.; Doumbia, M.; Anouar, A. Optimal hydrogen production in a stand-alone renewable energy system. In Proceedings of the Fourtieth IAS Annual Meeting, Conference Record of the 2005 Industry Applications Conference, Hong Kong, China, 2–6 October 2005; Volume 4, pp. 2932–2936. [Google Scholar]
- Zhou, J.; Meng, X.; Chen, Y.; Zhang, G. Research on DC Power Supply for Hydrogen Production from Electrolytic Water Based on New Energy Generation. J. Phys. Conf. Ser. 2023, 2465, 012007. [Google Scholar] [CrossRef]
- Jahdi, S.; Kumar, A.S.; Deakin, M.; Taylor, P.C.; Kuball, M. β-Ga2O3 in Power Electronics Converters: Opportunities & Challenges. IEEE Open J. Power Electron. 2024, 5, 554–564. [Google Scholar]
- Buffolo, M.; Favero, D.; Marcuzzi, A.; De Santi, C.; Meneghesso, G.; Zanoni, E.; Meneghini, M. Review and outlook on GaN and SiC power devices: Industrial state-of-the-art, applications, and perspectives. IEEE Trans. Electron. Devices 2024, 71, 1344–1355. [Google Scholar] [CrossRef]
- Wang, K.; Li, B.; Li, H.; Yang, X.; Qiu, A. Characterization and Modeling of Frequency-Dependent On-Resistance for GaN Devices at High Frequencies. IEEE Trans. Power Electron. 2020, 35, 4925–4933. [Google Scholar] [CrossRef]
- Sandler, S. Faster-Switching GaN: Presenting a number of interesting measurement challenges. IEEE Power Electron. Mag. 2015, 2, 24–31. [Google Scholar] [CrossRef]
- Azpurua, M.A.; Pous, M.; Silva, F. Time- and Frequency-Domain Characterization of Switching Losses in GaN FETs Power Converters. IEEE Trans. Power Electron. 2021, 37, 3219–3232. [Google Scholar] [CrossRef]
- Vella, A.; Galioto, G.; Vitale, G.; Lullo, G.; Giaconia, G.C. GaN and SiC Device Characterization by a Dedicated Embedded Measurement System. Electronics 2023, 12, 1555. [Google Scholar] [CrossRef]
- Wang, B.; Sun, L.; Diao, N.; Zhang, L.; Guo, X.; Guerrero, J.M. GaN-based step-down power converter and control strategy for hydrogen energy systems. Energy Rep. 2023, 9, 252–259. [Google Scholar] [CrossRef]
- Fritz, N.; Sechel, T.; Kowalewski, P.; De Doncker, R.W. Optimizing current-fed, GaN-based DC-DC converters for electrolysis applications. In Proceedings of the 11th International Conference on Power Electronics and ECCE Asia (ICPE 2023-ECCE Asia), Jeju, Republic of Korea, 22–25 May 2023. [Google Scholar]
- Kavlak, G.; McNerney, J.; Trancik, J.E. Evaluating the causes of cost reduction in photovoltaic modules. Energy Policy 2018, 123, 700–710. [Google Scholar] [CrossRef]
- Jayachandran, M.; Gatla, R.K.; Flah, A.; Milyani, A.H.; Milyani, H.M.; Blazek, V.; Kraiem, H. Challenges and opportunities in green hydrogen adoption for decarbonizing hard-to-abate industries: A comprehensive review. IEEE Access 2024, 12, 23363–23388. [Google Scholar] [CrossRef]
- Hughes, J.P.; Clipsham, J.; Chavushoglu, H.; Rowley-Neale, S.J.; Banks, C.E. Polymer electrolyte electrolysis: A review of the activity and stability of non-precious metal hydrogen evolution reaction and oxygen evolution reaction catalysts. Renew. Sustain. Energy Rev. 2021, 139, 110709. [Google Scholar] [CrossRef]
- International Renewable Energy Agency. Innovation Trends in Electrolysers for Hydrogen Production; International Renewable Energy Agency: Masdar City, United Arab Emirates, 2022; Available online: https://www.irena.org/-/media/Files/IRENA/Agency/Publication/2022/May/IRENA_EPO_Electrolysers_H2_production_2022.pdf?rev=647d930910884e51b60137bcf5a955a6 (accessed on 15 September 2024).
- Tashie-Lewis, B.C.; Nnabuife, S.G. Hydrogen production, distribution, storage and power conversion in a hydrogen economy—A technology review. Chem. Eng. J. Adv. 2021, 8, 100172. [Google Scholar] [CrossRef]
- Abohamzeh, E.; Salehi, F.; Sheikholeslami, M.; Abbassi, R.; Khan, F. Review of hydrogen safety during storage, transmission, and applications processes. J. Loss Prev. Process Ind. 2021, 72, 104569. [Google Scholar] [CrossRef]
- Poly 156*156mm. Available online: https://www.enfsolar.com/pv/cell-datasheet/919 (accessed on 15 September 2024).
- Hydrogen Generator. Available online: https://www.heliocentrisacademia.com/hydrogen-generator/p1520?currency=usd (accessed on 15 September 2024).


























| Circuit | Power Quality | Efficiency | Control | Reliability | Cost |
|---|---|---|---|---|---|
| 12-THY | poor | good | easy | very good | cheap |
| 12-DRMC | neutral | neutral | neutral | good | cheap |
| 12-THY-AF | good | neutral | difficult | neutral | neutral |
| AFE | very good | neutral | difficult | neutral | expensive |
| Converter | Figure | Ref. | Number of Devices | Efficiency | Step-Down Ratio | Current Ripple | Power Density |
|---|---|---|---|---|---|---|---|
| Basic Buck | 7 | [52] | low | low | low | high | high |
| Interleaved Buck | 9 | [70,71] | high | high | low | low | fair |
| Stacked Interleaved Buck | 10 | [53] | low | low | low | low | fair |
| Three Level Interleaved Buck | 11 | [76] | high | good | good | low | fair |
| PPC | 12 | [78,79] | high | very good | good | low | high |
| Topology | Figure | Ref. | Number of Devices | Efficiency | Current Ripple |
|---|---|---|---|---|---|
| Push-pull | 18 | [96,97,98] | low | low | fair |
| Half-bridge with full-bridge rectifier | 19 | [99] | fair | fair | fair |
| Full-bridge inverter with current doubler rectifier | 22 | [104] | high | good | fair |
| Full-bridge converters with pre-regulator stage | 22,23 | [93] | high | very good | fair |
| Two-stage with DCX | 16 | [107] | high | very good | fair |
| Topology | Reference | Number of Devices | Rated Power | Efficiency | Control |
|---|---|---|---|---|---|
| Single-stage | [71] | 2 MOSFETs | 50 W | ≈95% | PWM/ZVS |
| Isolated | [96] | 2 MOSFETs 2 diodes | 5 kW | ≈90% | ZVS |
| Isolated (LCL-SRC with capacitive output filter) | [93] | 4 MOSFETs 4 diodes | 7.2 kW | ≈90.8% | ZVS |
| Isolated (LCL-SRC with inductive output filter) | [93] | 4 MOSFETs 4 diodes | 7.2 kW | ≈90% | ZVS |
| Isolated (full-bridge with inductive output filter) | [93] | 4 MOSFETs 4 diodes | 7.2 kW | ≈89.8% | PWM/ZVS |
| Multi-phase Interleaved | [113] | 2 MOSFETs 2 diodes | 2.5 kW | ≈96% | PWM/ZVS |
| Three-phase interleaved parallel LLC | [114] | 6 MOSFETs 12 diodes | 6 kW | ≈93.1% | ZVS |
| Two-stage with LLC-DCX | [107] | 2 MOSFETs 2 diodes +(2 MOSFETs 2 diodes) 1 | 5 kW | >98% | Variable frequency/PWM 1 |
Disclaimer/Publisher’s Note: The statements, opinions and data contained in all publications are solely those of the individual author(s) and contributor(s) and not of MDPI and/or the editor(s). MDPI and/or the editor(s) disclaim responsibility for any injury to people or property resulting from any ideas, methods, instructions or products referred to in the content. |
© 2024 by the author. Licensee MDPI, Basel, Switzerland. This article is an open access article distributed under the terms and conditions of the Creative Commons Attribution (CC BY) license (https://creativecommons.org/licenses/by/4.0/).
Share and Cite
Vitale, G. Power Converters for Green Hydrogen: State of the Art and Perspectives. Electronics 2024, 13, 4565. https://doi.org/10.3390/electronics13224565
Vitale G. Power Converters for Green Hydrogen: State of the Art and Perspectives. Electronics. 2024; 13(22):4565. https://doi.org/10.3390/electronics13224565
Chicago/Turabian StyleVitale, Gianpaolo. 2024. "Power Converters for Green Hydrogen: State of the Art and Perspectives" Electronics 13, no. 22: 4565. https://doi.org/10.3390/electronics13224565
APA StyleVitale, G. (2024). Power Converters for Green Hydrogen: State of the Art and Perspectives. Electronics, 13(22), 4565. https://doi.org/10.3390/electronics13224565
