Analysis of Power Electronic Traction Transformer under Non-Single Frequency PWM Control
Abstract
1. Introduction
- (i)
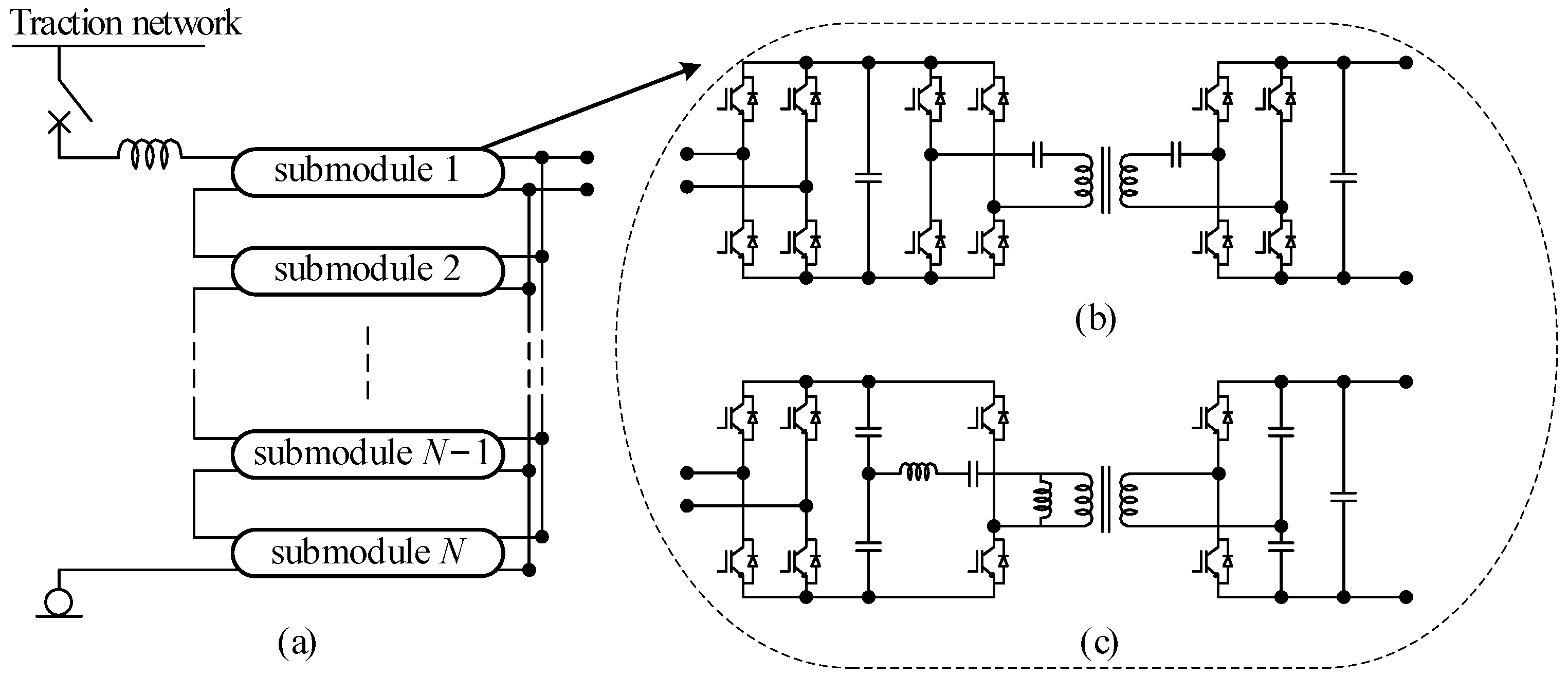
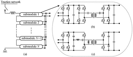
- Each power unit is an AC/DC converter and contains a medium-frequency transformer (MFT). The principal aspect of the MFT is constituted by a series of cascaded H-bridge modules, which function as alternating current AC/DC converters. The number of H-bridge modules in this configuration is designated as N. On the secondary side of the MFT, one H-bridge module is employed as an AC/DC converter.
- (ii)
- The two power units collectively constitute a unit group, and there is a distinction between the control signals of these two power units, which will be elucidated subsequently.
- (iii)
- With regard to feature 2, it is necessary for the number of power units in the PETT to be even.
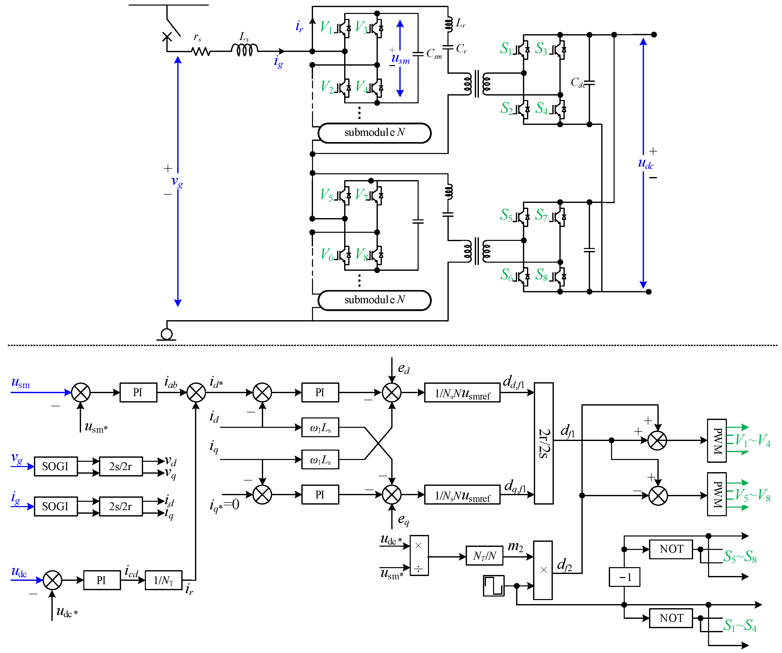
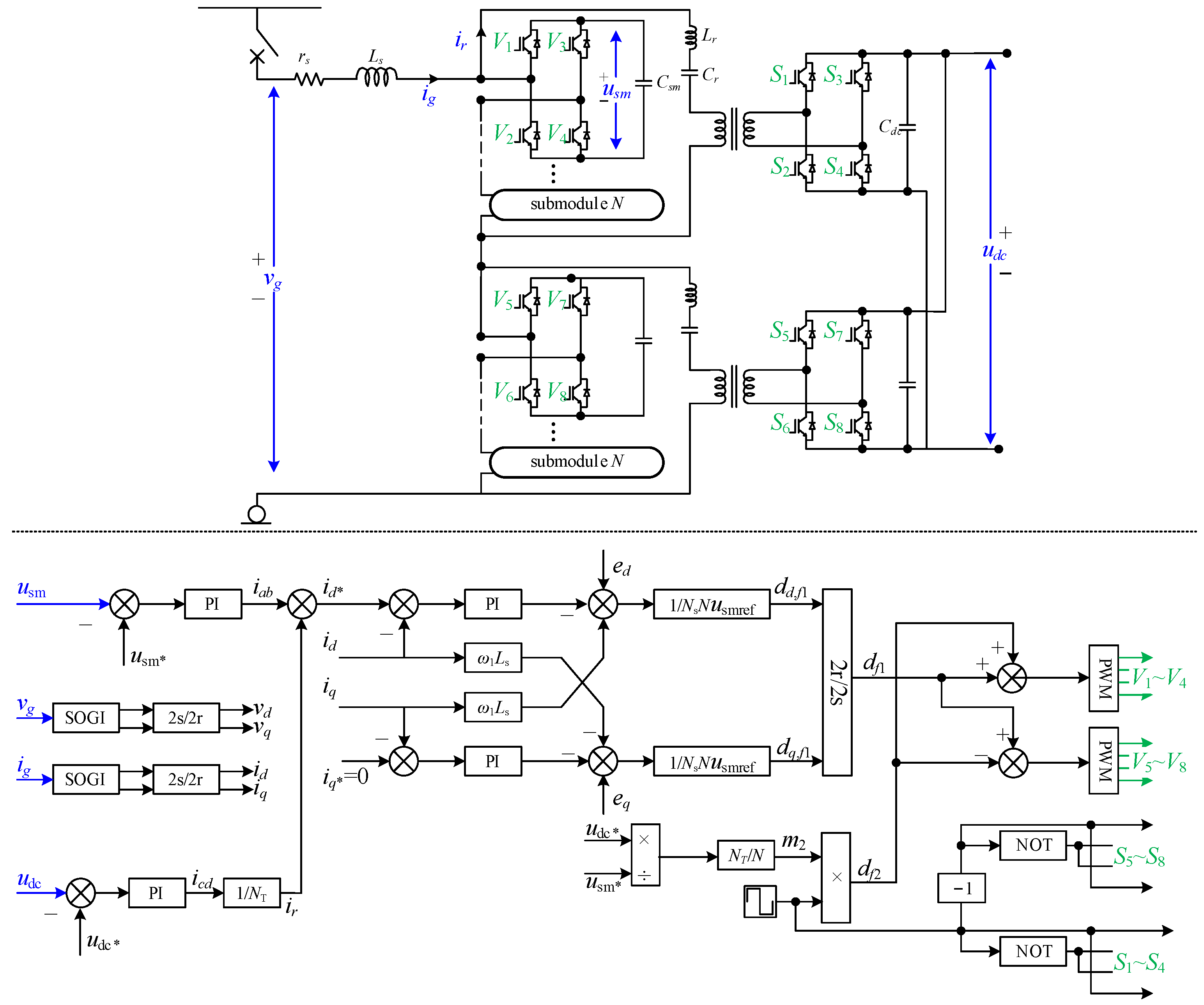
2. Analysis of the Proposed PETT
2.1. Analysis of the Working Principle
- (i)
- The modulating waveform ur1 will be taken to be sinusoidal, with frequency f1.
- (ii)
- The modulating waveform ur2 will be taken to be a square wave, with frequency f2.
- (i)
- At uab > 0, the value of uab will switch between usm and 0, where usm is the voltage of the capacitor Csm on the DC side of H1.
- (ii)
- At uab < 0, the value of uab will switch between −usm and 0.
2.2. Current Loop of the Proposed PETT
2.3. Mathematical Modelling of the Proposed PETT
3. Control Strategy of the Proposed PETT
3.1. Analyse of the Current Inner-Loop Control System
3.2. Analysis of the Voltage Outer-Loop Control System
3.3. Integrated Control Strategy
3.4. Loss Analysis of the Proposed PETT
- (i)
- Conduction loss
- (ii)
- Switching loss
4. Parametric Design of the Proposed PETT
- (i)
- When the current ig crosses zero, the rate of change of the current reaches its maximum value. In order to ensure the rapidity of the current response, the value of the inductor Ls should be as small as possible.
- (ii)
- Near the peak value of current ig, harmonic pulsation is at its most serious. In order to suppress the harmonic current, the value of inductor Ls should be as large as possible.
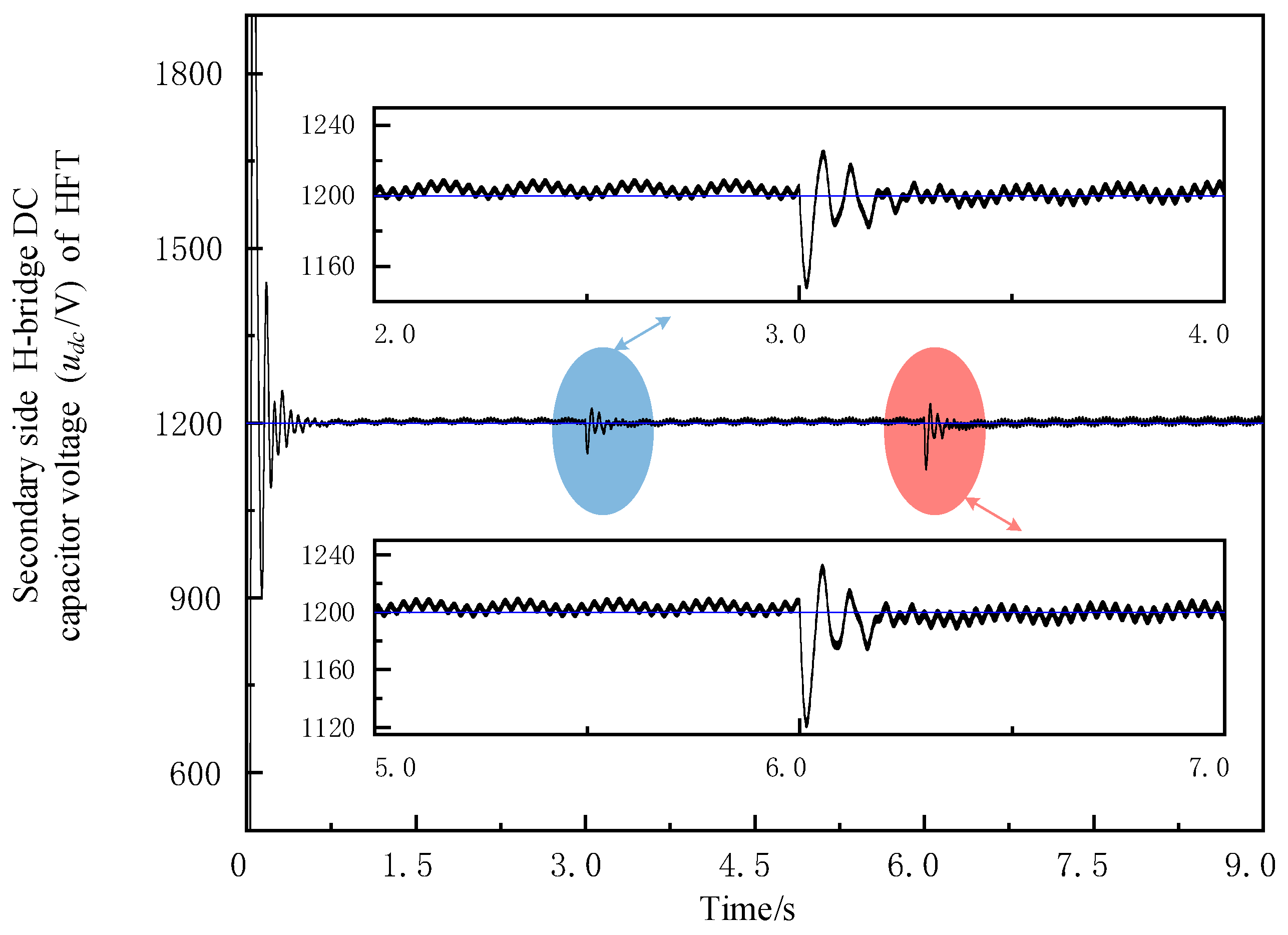
5. Simulation Analysis
6. Conclusions
Author Contributions
Funding
Data Availability Statement
Conflicts of Interest
References
- Zhang, J.; Liu, J.; Zhong, S.; Yang, J.; Zhao, N.; Zheng, T.Q. A Power Electronic Traction Transformer Configuration with Low-Voltage IGBTs for Onboard Traction Application. IEEE Trans. Power Electron. 2019, 34, 8453–8467. [Google Scholar] [CrossRef]
- Dujic, D.; Zhao, C.; Mester, A.; Steinke, J.K.; Weiss, M.; Lewdeni-Schmid, S.; Chaudhuri, T.; Stefanutti, P. Power Electronic Traction Transformer-Low Voltage Prototype. IEEE Trans. Power Electron. 2013, 28, 5522–5534. [Google Scholar] [CrossRef]
- Zhao, C.; Dujic, D.; Mester, A.; Steinke, J.K.; Weiss, M.; Lewdeni-Schmid, S.; Chaudhuri, T.; Stefanutti, P. Power Electronic Traction Transformer—Medium Voltage Prototype. IEEE Trans. Ind. Electron. 2014, 61, 3257–3268. [Google Scholar] [CrossRef]
- Zhao, C.; Weiss, M.; Mester, A.; Lewdeni-Schmid, S.; Dujic, D.; Steinke, J.K.; Chaudhuri, T. Power electronic transformer (PET) converter: Design of a 1.2 MW demonstrator for traction applications. In Proceedings of the International Symposium on Power Electronics Power Electronics, Electrical Drives, Automation and Motion, Sorrento, Italy, 20–22 June 2012; pp. 855–860. [Google Scholar]
- Dujic, D.; Steinke, G.K.; Bellini, M.; Rahimo, M.; Storasta, L.; Steinke, J.K. Characterization of 6.5 kV IGBTs for high-power medium-frequency soft-switched applications. IEEE Trans. Power Electron. 2014, 29, 906–919. [Google Scholar] [CrossRef]
- Besselmann, T.; Mester, A.; Dujic, D. Power electronic traction transformer: Efficiency improvements under light-load conditions. IEEE Trans. Power Electron. 2014, 29, 3971–3981. [Google Scholar] [CrossRef]
- Taufiq, J. Power Electronics Technologies for Railway Vehicles. In Proceedings of the 2007 Power Conversion Conference—Nagoya, Nagoya, Japan, 2–5 April 2007; pp. 1388–1393. [Google Scholar]
- Youssef, M.; Abu Qahouq, J.A.; Orabi, M. Analysis and design of LCC resonant inverter for the tranportation systems applications. In Proceedings of the 2010 Twenty-Fifth Annual IEEE Applied Power Electronics Conference and Exposition (APEC), Palm Springs, CA, USA, 21–25 February 2010; pp. 1778–1784. [Google Scholar]
- Glinka, M. Prototype of multiphase modular-multilevel-converter with 2 MW power rating and 17-level-output-voltage. In Proceedings of the 2004 IEEE 35th Annual Power Electronics Specialists Conference (IEEE Cat. No.04CH37551), Aachen, Germany, 20–25 June 2004. [Google Scholar] [CrossRef]
- Kolar, J.W.; Ortiz, G.I. Solid-state-transformers: Key components of future traction and smart grid systems. In Proceedings of the International Power Electronics Conference—ECCE Asia (IPEC 2014), Hiroshima, Japan, 18–21 May 2014; pp. 18–21. [Google Scholar]
- Zhao, T.; Wang, G.; Bhattacharya, S.; Huang, A.Q. Voltage and Power Balance Control for a Cascaded H-Bridge Converter-Based Solid-State Transformer. IEEE Trans. Power Electron. 2013, 28, 1523–1532. [Google Scholar] [CrossRef]
- Costa, L.; Carne, G.; Buticch, G.; Liserre, M. The smart transformer: A solid-state transformer tailored to provide ancillary services to the distribution grid. IEEE Power Electron. Mag. 2017, 4, 56–67. [Google Scholar] [CrossRef]
- Huber, J.E.; Böhler, J.; Rothmund, D.; Kolar, J.W. Analysis and cell-level experimental verification of a 25 kW All-SiC isolated front end 6.6 kV/400 V AC-DC solid-state transformer. CPSS Trans. Power Electron. Appl. 2017, 2, 140–148. [Google Scholar] [CrossRef]
- Huber, J.E.; Kolar, J.W. Optimum Number of Cascaded Cells for High-Power Medium-Voltage AC–DC Converters. IEEE J. Emerg. Sel. Top. Power Electron. 2017, 5, 213–232. [Google Scholar] [CrossRef]
- Ortiz, G.; Leibl, M.; Kolar, J.W.; Apeldoorn, O. Medium frequency transformers for solid-state-transformer applications—Design and experimental verification. In Proceedings of the 2013 IEEE 10th International Conference on Power Electronics and Drive Systems, Kitakyushu, Japan, 22–25 April 2013; pp. 1285–1290. [Google Scholar]
- Huang, A.Q.; Zhu, Q.; Wang, L.; Zhang, L. 15 kV SiC MOSFET: An enabling technology for medium voltage solid state transformers. Trans. Power Elect Ronice Appl. 2017, 2, 118–130. [Google Scholar] [CrossRef]
- Zhang, X.; Xu, Y.; Xiao, X. A High Power Density Resonance Cascaded H-Bridge Solid-State Transformer for Medium and High Voltage Distribution Network. Trans. China Electrotech. Soc. 2018, 33, 310–321. [Google Scholar] [CrossRef]
- Han, X.; Liao, Y.; Yang, D. Model Predictive Control Strategy for DAB-LLC Hybrid Bidirectional Converter Based on Power Distribution Balance. IEEE Trans. Circuits Syst. II: Express Briefs 2024, 71, 3236–3240. [Google Scholar] [CrossRef]
- Morsali, P.; Dey, S.; Mallik, A.; Akturk, A. Switching Modulation Optimization for Efficiency Maximization in a Single-Stage Series Resonant DAB-Based DC–AC Converter. IEEE J. Emerg. Sel. Top. Power Electron. 2023, 11, 5454–5469. [Google Scholar] [CrossRef]
- Tan, X.; Ruan, X. Equivalence Relations of Resonant Tanks: A New Perspective for Selection and Design of Resonant Converters. IEEE Trans. Ind. Electron. 2016, 63, 2111–2123. [Google Scholar] [CrossRef]
- Nayak, S.; Das, A. A DAB based Folder-Unfolder circuit in Cascaded H-Bridge Converter for MV Grid Application. In Proceedings of the 2022 IEEE International Conference on Power Electronics, Drives and Energy Systems (PEDES), Jaipur, India, 14–17 December 2022; pp. 1–6. [Google Scholar]
- Gao, F.; Li, Z.; Wang, P.; Xu, F.; Chu, Z.; Sun, Z.; Li, Y. Prototype of smart energy router for distribution DC grid. In Proceedings of the 2015 17th European Conference on Power Electronics and Applications (EPE’15 ECCE-Europe), Geneva, Switzerland, 8–10 September 2015; pp. 1–9. [Google Scholar]
- Zhang, X.; Xu, Y.; Long, Y.; Xu, S.; Siddique, A. Hybrid-Frequency Cascaded Full-Bridge Solid-State Transformer. IEEE Access 2019, 7, 22118–22132. [Google Scholar] [CrossRef]
- Zhao, C.; Zhang, C.; Jiang, Q. An H-Bridge Time-Sharing Multiplexing-Based Power Electronic Transformer. IEEE J. Emerg. Sel. Top. Power Electron. 2023, 11, 4831–4840. [Google Scholar] [CrossRef]
- Li, Y.; Li, Y.W.; Tian, H.; Zargari, N.R.; Cheng, Z. A Modular Design Approach to Provide Exhaustive Carrier-Based PWM Patterns for Multilevel ANPC Converters. IEEE Trans. Ind. Appl. 2019, 55, 5032–5044. [Google Scholar] [CrossRef]
- Li, Y.; Wang, Y.; Li, B.Q. Generalized Theory of Phase-Shifted Carrier PWM for Cascaded H-Bridge Converters and Modular Multilevel Converters. IEEE J. Emerg. Sel. Top. Power Electron. 2016, 4, 589–605. [Google Scholar] [CrossRef]
- Panda, A.K.; Mohanty, P.R.; Patnaik, N.; Penthia, T. Closed-Loop-Controlled Cascaded Current-Controlled Dynamic Evolution Control-Based Voltage-Doubler PFC Converter for Improved Dynamic Performance. IEEE J. Emerg. Sel. Top. Power Electron. 2018, 6, 1884–1891. [Google Scholar] [CrossRef]
- Wang, X.; Liu, J.; Ouyang, S.; Xu, T.; Meng, F.; Song, S. Control and Experiment of an H-Bridge-Based Three-Phase Three-Stage Modular Power Electronic Transformer. IEEE Trans. Power Electron. 2016, 31, 2002–2011. [Google Scholar] [CrossRef]
- Gu, C.; Zheng, Z.; Xu, L.; Wang, K.; Li, Y. Modeling and Control of a Multiport Power Electronic Transformer (PET) for Electric Traction Applications. IEEE Trans. Power Electron. 2016, 31, 915–927. [Google Scholar] [CrossRef]
- Xiangli, K.; Li, S.; Smedley, K.M. Decoupled PWM Plus Phase-Shift Control for a Dual-Half-Bridge Bidirectional DC-DC Converter. IEEE Trans. Power Electron. 2018, 33, 7203–7213. [Google Scholar] [CrossRef]
- An, F.; Song, W.; Yu, B.; Yang, K. Model Predictive Control with Power Self-Balancing of the Output Parallel DAB DC–DC Converters in Power Electronic Traction Transformer. IEEE J. Emerg. Sel. Top. Power Electron. 2018, 6, 1806–1818. [Google Scholar] [CrossRef]



















| Modal | Switching Device | uab | |||
|---|---|---|---|---|---|
| V1 | V2 | V3 | V4 | ||
| 1 | 0 | 1 | 0 | 1 | 0 |
| 2 | 0 | 1 | 1 | 0 | −usm |
| 3 | 1 | 0 | 0 | 1 | usm |
| 4 | 1 | 0 | 1 | 0 | 0 |
| Modal | Switching Device | ucd | |||
|---|---|---|---|---|---|
| S1 | S2 | S3 | S4 | ||
| 5 | 1 | 0 | 0 | 1 | udc |
| 6 | 0 | 1 | 1 | 0 | −udc |
| Circuits | Parameter | Values | Parameter | Values |
|---|---|---|---|---|
| Main circuit | Grid phase voltage RMS vg | 15 kV | Grid frequency f1 | 16.7 Hz |
| Rated power PN | 1.2 MW | Grid-side inductance Ls | 60 × 10−3 H | |
| Number of PM Ns | 2 | Number of SM N | 4 | |
| Resonant inductance Lr | 56.7 × 10−3 H | Resonant capacitance Cr | 1 × 10−6 F | |
| Sub-module capacitance Csm | 6 × 10−3 F | Output-side capacitance Cdc | 24 × 10−3 F | |
| Transformer ratio NT | 4.8 | Resonant frequency f2 | 668 Hz | |
| Control Circuit | Control mode of H1 | PWM | Control mode of H2 | open loop control |
| Switching frequency of H1 | 2 kHz | Switching frequency of H2 | 2 kHz | |
| DC-side voltage of H1 | 3.6 kV | DC-side voltage of H2 | 1.2 kV |
Disclaimer/Publisher’s Note: The statements, opinions and data contained in all publications are solely those of the individual author(s) and contributor(s) and not of MDPI and/or the editor(s). MDPI and/or the editor(s) disclaim responsibility for any injury to people or property resulting from any ideas, methods, instructions or products referred to in the content. |
© 2024 by the authors. Licensee MDPI, Basel, Switzerland. This article is an open access article distributed under the terms and conditions of the Creative Commons Attribution (CC BY) license (https://creativecommons.org/licenses/by/4.0/).
Share and Cite
Hou, B.; Li, Y.; Teng, Y. Analysis of Power Electronic Traction Transformer under Non-Single Frequency PWM Control. Electronics 2024, 13, 3805. https://doi.org/10.3390/electronics13193805
Hou B, Li Y, Teng Y. Analysis of Power Electronic Traction Transformer under Non-Single Frequency PWM Control. Electronics. 2024; 13(19):3805. https://doi.org/10.3390/electronics13193805
Chicago/Turabian StyleHou, Bingbing, Yan Li, and Yun Teng. 2024. "Analysis of Power Electronic Traction Transformer under Non-Single Frequency PWM Control" Electronics 13, no. 19: 3805. https://doi.org/10.3390/electronics13193805
APA StyleHou, B., Li, Y., & Teng, Y. (2024). Analysis of Power Electronic Traction Transformer under Non-Single Frequency PWM Control. Electronics, 13(19), 3805. https://doi.org/10.3390/electronics13193805
