Optimal Realization of Distributed Arithmetic-Based MAC Adaptive FIR Filter Architecture Incorporating Radix-4 and Radix-8 Computation
Abstract
1. Introduction
2. Associated Works
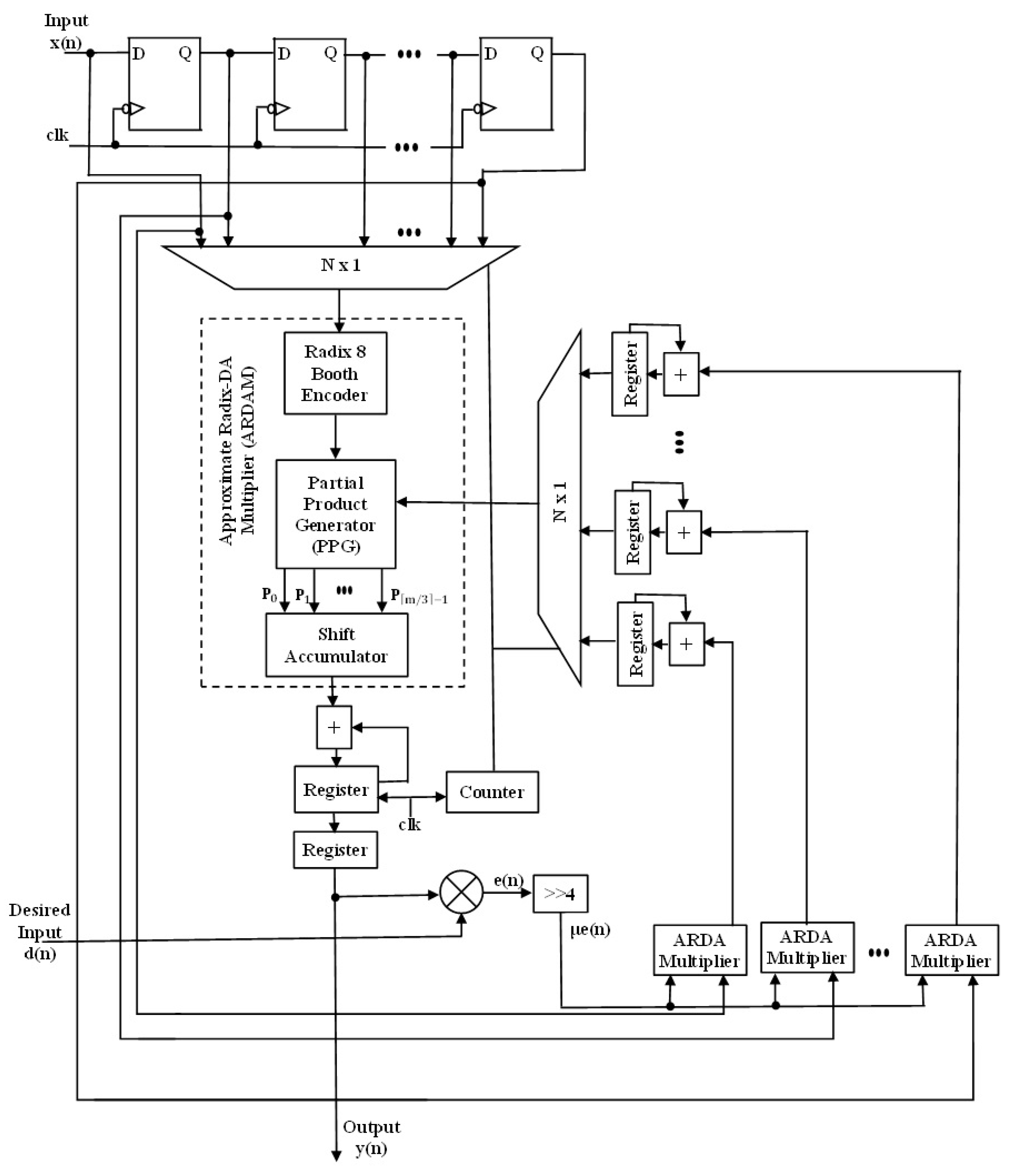
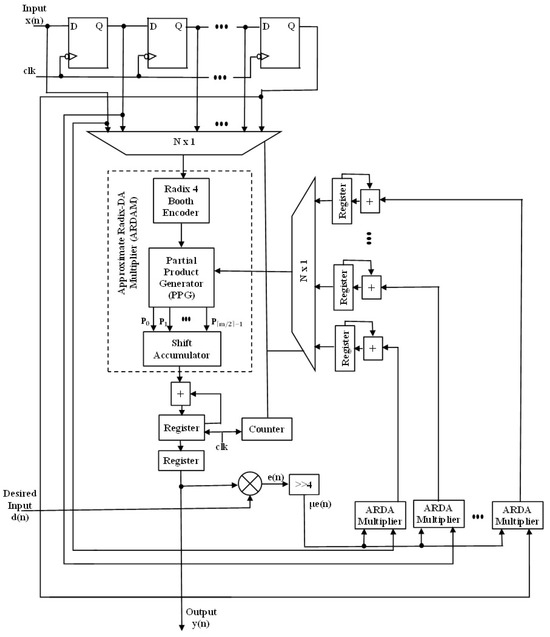
3. Proposed Adaptive Filter Architecture (DAAFA)
Error Manipulation Block
4. Results and Discussion
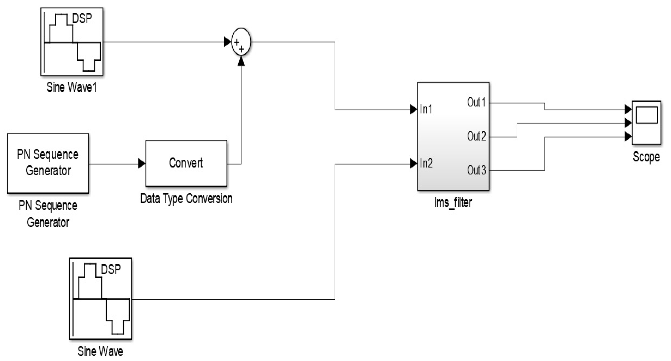
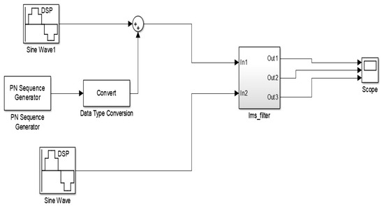
4.1. Simulink Module
4.2. Proposed DAAFA Results and Comparison
5. Conclusions
Author Contributions
Funding
Informed Consent Statement
Data Availability Statement
Acknowledgments
Conflicts of Interest
References
- Meher, P.K.; Park, S.Y. Park Area-Delay-Power Efficient Fixed-Point LMS Adaptive Filter With Low Adaptation-Delay. IEEE Trans. Very Large Scale Integr. Syst. 2013, 22, 362–371. [Google Scholar] [CrossRef]
- Krishna, E.H.; Raghuram, M.; Madhav, K.V.; Reddy, K.A. Acoustic echo cancellation using a computationally efficient transform domain LMS adaptive filter. In Proceedings of the 10th International Conference on Information Science, Signal Processing and Their Applications (ISSPA 2010), Kuala Lumpur, Malaysia, 10–13 May 2010; pp. 409–412. [Google Scholar] [CrossRef]
- Paul, T.K.; Ogunfunmi, T. On the Convergence Behavior of the Affine Projection Algorithm for Adaptive Filters. IEEE Trans. Circuits Syst. I Regul. Pap. 2011, 58, 1813–1826. [Google Scholar] [CrossRef]
- Meher, P.K.; Park, S.Y. Critical-Path Analysis and Low-Complexity Implementation of the LMS Adaptive Algorithm. IEEE Trans. Circuits Syst. I Regul. Pap. 2013, 61, 778–788. [Google Scholar] [CrossRef]
- Meher, P.K.; Chandrasekaran, S.; Amira, A. FPGA Realization of FIR Filters by Efficient and Flexible Systolization Using Distributed Arithmetic. IEEE Trans. Signal Process. 2008, 56, 3009–3017. [Google Scholar] [CrossRef]
- Yoo, H.; Anderson, D.V. Hardware-efficient distributed arithmetic architecture for high-order digital filters. In Proceedings of the IEEE International Conference on Acoustics, Speech, and Signal Processing, Philadelphia, PA, USA, 23 March 2005; Volume 5, pp. v/125–v/128. [Google Scholar] [CrossRef]
- Mirzaei, S.; Hosangadi, A.; Kastner, R. FPGA Implementation of High Speed FIR Filters Using Add and Shift Method. In Proceedings of the 2006 International Conference on Computer Design, San Jose, CA, USA, 1–4 October 2006; pp. 308–313. [Google Scholar] [CrossRef]
- Guo, R.; DeBrunner, L.S. Two High-Performance Adaptive Filter Implementation Schemes Using Distributed Arithmetic. IEEE Trans. Circuits Syst. II Express Briefs 2011, 58, 600–604. [Google Scholar] [CrossRef]
- Mohanty, B.K.; Meher, P.K. A High-Performance Energy-Efficient Architecture for FIR Adaptive Filter Based on New Distributed Arithmetic Formulation of Block LMS Algorithm. IEEE Trans. Signal Process. 2012, 61, 921–932. [Google Scholar] [CrossRef]
- Meher, P.K.; Park, S.Y. High-throughput pipelined realization of adaptive FIR filter based on distributed arithmetic. In Proceedings of the 2011 IEEE/IFIP 19th International Conference on VLSI and System-on-Chip (VLSI-SoC), Hong Kong, China, 3–5 October 2011; pp. 428–433. [Google Scholar]
- Long, G.; Ling, F.; Proakis, J.G. The LMS algorithm with delayed coefficient adaptation. IEEE Trans. Acoust. Speech Signal Process 1989, 37, 1397–1405. [Google Scholar] [CrossRef]
- Vaithiyanathan, D.; James, B.P.; Mariammal, K. Comparative Study of Single MAC FIR Filter Architectures with Different Multiplication Techniques. In Proceedings of the 2023 Second International Conference on Electrical, Electronics, Information and Communication Technologies (ICEEICT), Trichirappalli, India, 5–7 April 2023; pp. 1–10. [Google Scholar] [CrossRef]
- Vaithiyanathan, D.; Mariammal, K.; James, B.P. Performance Analysis of Multirate Filter Structures for Signal Processing Applications. In Proceedings of the 2023 3rd International Conference on Smart Generation Computing, Communication and Networking (SMART GENCON), Bangalore, India, 29–31 December 2023; pp. 1–7. [Google Scholar] [CrossRef]
- Vaithiyanathan, D.; Sonar, S.M.; Parri, J.B.; Mariammal, K.; Kunaraj, K. Performance Analysis of Full Adder Circuit using Conventional and Hybrid Techniques. In Proceedings of the 2021 IEEE Madras Section Conference (MASCON), Chennai, India, 27–28 August 2021; pp. 1–7. [Google Scholar] [CrossRef]
- Yao, C.-Y.; Huang, Y.Z. The Design of the NLMS Adaptive Filters Using the Fast-Division Approximation With CSD Encoded Divisors. IEEE Trans. Circuits Syst. II Express Briefs 2024, 71, 2459–2463. [Google Scholar] [CrossRef]
- Jiang, H.; Liu, C.; Liu, L.; Lombardi, F.; Han, J. A review, classification, and comparative evaluation of approximate arithmetic circuits. ACM J. Emerg. Technol. Comput. Syst. 2017, 13, 1–34. [Google Scholar] [CrossRef]
- King, E.; Swartzlander, E. Data-dependent truncation scheme for parallel multipliers. In Proceedings of the Conference Record of the Thirty-First Asilomar Conference on Signals, Systems and Computers (Cat. No.97CB36136), Pacific Grove, CA, USA, 2–5 November 1997; Volume 2, pp. 1178–1182. [Google Scholar] [CrossRef]
- Yuvan Shankar, J.; Shakeel Mohammed, G.; Maheshwari, G.; Mariammal, K. Design of Efficient Booth Multiplier based Polyphase FIR Filters. In Proceedings of the Second International Conference on Augmented Intelligence and Sustainable Systems (ICAISS 2023), Trichy, India, 23–25 August 2023; IEEE: Piscataway, NJ, USA, 2023; pp. 1834–1841. [Google Scholar]
- Jiang, H.; Han, J.; Qiao, F.; Lombardi, F. Approximate Radix-8 Booth Multipliers for Low-Power and High-Performance Operation. IEEE Trans. Comput. 2015, 65, 2638–2644. [Google Scholar] [CrossRef]
- Parmar, C.A.; Ramanadham, B.; Darji, A.D. FPGA Implementation of hardware efficient adaptive filter robust to impulsive noise. IET Comput. Digit. Tech. 2017, 11, 107–116. [Google Scholar] [CrossRef]
- Allred, D.; Yoo, H.; Krishnan, V.; Huang, W.; Anderson, D.V. LMS adaptive filters using distributed arithmetic for high throughput. IEEE Trans. Circuits Syst. I Regul. Pap. 2005, 52, 1327–1337. [Google Scholar] [CrossRef]
- AlfredoRosado-Munoz, A.; Bataller-Mompean, M.; Soria-Olivas, E.; Scarante, C.; Guerrero-Martinez, J.F. FPGA implementation of an adaptive filter robust to impulsive noise: Two approaches. IEEE Trans. Ind. Electron. 2009, 58, 860–870. [Google Scholar] [CrossRef]
- Ghosh, S.; Meher, P.K.; Ray, D.; George, N.V. Low Complexity Design of Logistic Distance Metric Adaptive Filter for Impulsive Noise Environments. IEEE Trans. Very Large Scale Integr. Syst. 2024, 32, 1409–1413. [Google Scholar] [CrossRef]
- Hao, Z.; Sun, H.; Li, S.; Zeng, X.; Fan, Y. Area-Efficient Processing Elements-Based Adaptive Loop Filter Architecture With Optimized Memory for VVC. IEEE Trans. Circuits Syst. II Express Briefs 2023, 70, 4231–4235. [Google Scholar] [CrossRef]















| 0 | 0 | 0 | 0 | 0 |
| 0 | 0 | 0 | 1 | +1 |
| 0 | 0 | 1 | 0 | +1 |
| 0 | 0 | 1 | 1 | +2 |
| 0 | 1 | 0 | 0 | +2 |
| 0 | 1 | 0 | 1 | +3 |
| 0 | 1 | 1 | 0 | +3 |
| 0 | 1 | 1 | 1 | +4 |
| 1 | 0 | 0 | 0 | −4 |
| 1 | 0 | 0 | 1 | −3 |
| 1 | 0 | 1 | 0 | −3 |
| 1 | 0 | 1 | 1 | −2 |
| 1 | 1 | 0 | 0 | −2 |
| 1 | 1 | 0 | 1 | −1 |
| 1 | 1 | 1 | 0 | −1 |
| 1 | 1 | 1 | 1 | 0 |
| Devised Realization | Complexity | |||
|---|---|---|---|---|
| Filter taps | 2 | 8 | 16 | 32 |
| Multiplier | 3 | 9 | 17 | 33 |
| Register | 8 | 14 | 22 | 38 |
| Latency | 6 | 6 | 6 | 6 |
| Formulary | Multiplier | Adder | Convergence Speed |
|---|---|---|---|
| LMS | N | N | High |
| RMN | 2N + 3 | 2N + 2 | Low |
| Robust | N + 3 | N + 5 | Low |
| MRMN | N | N | High |
| DAAFA | 2 | N + 1 | High |
| Performance Measures | Existing Approximate DA-Radix-4 | Proposed DAAFA- Radix4 | Existing Approximate DA-Radix-8 | Proposed DAAFA- Radix-8 | ||||
|---|---|---|---|---|---|---|---|---|
| Device | Xilinx Virtex-5 device | |||||||
| Filter length | 16 | 32 | 16 | 32 | 16 | 32 | 16 | 32 |
| Slices | 708 | 1501 | 162 | 195 | 702 | 1498 | 166 | 285 |
| MSP (ns) | 10.697 | 15.8 | 3.146 | 3.168 | 11.20 | 15.1 | 2.92 | 3.12 |
| MSF(MHz) | 93.484 | 63.29 | 317.9 | 315.65 | 89.28 | 66.25 | 342.29 | 320.51 |
| Design | MSP (ns) | MSF (MHz) | NOS | SREG | SLUT | % Embellishment in Slice-Delay Product |
|---|---|---|---|---|---|---|
| Device | XILINX VIRTEX-5 XC5VSX95T-1FF1136 | |||||
| Meher (2011) [10] | 17.35 | 57 | 178 | 412 | 267 | - |
| DAAFA with radix-8 | 2.92 | 342.46 | 166 | 342 | 247 | 84 |
| DAAFA with radix-4 | 3.02 | 331.12 | 164 | 333 | 236 | 83 |
| Design | Total Logic Elements | |
|---|---|---|
| Device | Altera Stratix EP1S80F1508C6 FPGA | |
| Filter taps | 16 | 32 |
| Allred (2005) [k = 2] [21] | 1309 | 2244 |
| Allred (2005) [k = 4] [21] | 915 | 1429 |
| Allred (2005) [k = 8] [21] | 798 | 1073 |
| DAAFA with Radix-8 | 645 | 998 |
| DAAFA with Radix-4 | 630 | 985 |
| Parameters | Alfredo Rosado-Muñoz [22] | Chintan A. Parmar [20] | DAAFA-Radix-8 | DAAFA- Radix-4 |
|---|---|---|---|---|
| Device | Xilinx Virtex-4 XC4VFX12 FF6618-12 FPGA | |||
| Slices | 2586 | 629 | 210 | 215 |
| Four-input LUTs | 4777 | 628 | 204 | 213 |
| MSP (ns) | 52.71 | 35.84 | 3.231 | 3.18 |
| MSF (MHz) | 19.16 | 27.90 | 309.50 | 314.46 |
| Parameters | Alfredo Rosado-Muñoz [22] | Chintan A. Parmar [20] | DAAFA-Radix-8 | DAAFA- Radix-4 |
|---|---|---|---|---|
| Device | Xilinx Virtex-5 XC5VLX30 FF324-3 FPGA | |||
| Slices | 3906 | 643 | 202 | 210 |
| Four-input LUTs | 3513 | 895 | 197 | 208 |
| MSP (ns) | 39.6 | 31.19 | 3.1 | 2.9 |
| MSF(MHz) | 25.25 | 32.060 | 322.58 | 344.82 |
| Parameters | Alfredo Rosado-Muñoz [22] | Chintan A. Parmar [20] | DAAFA-Radix-8 | DAAFA- Radix-4 |
|---|---|---|---|---|
| Device | Xilinx Spartan 3E XCS500E-4 FPGA | |||
| Slices | 2429 | 277 | 206 | 225 |
| Four-input LUTs | 4525 | 438 | 224 | 237 |
| MSP (ns) | 105.49 | 20.05 | 4.9 | 4.3 |
| MSF (MHz) | 9.48 | 49.863 | 204.08 | 232.55 |
| Design | MSP (ns) | MSF (MHz) | Logic Elements | Registers | Dynamic Power (mW) |
|---|---|---|---|---|---|
| Chia-Yu Yao (2024) [15] | 8.27 | 120.91 | 11,422 | 2531 | 99.04 |
| DAAFA with radix-8 | 3.12 | 320.51 | 502 | 375 | 89.14 |
| DAAFA with radix-4 | 3.07 | 325.73 | 504 | 384 | 91.04 |
Disclaimer/Publisher’s Note: The statements, opinions and data contained in all publications are solely those of the individual author(s) and contributor(s) and not of MDPI and/or the editor(s). MDPI and/or the editor(s) disclaim responsibility for any injury to people or property resulting from any ideas, methods, instructions or products referred to in the content. |
© 2024 by the authors. Licensee MDPI, Basel, Switzerland. This article is an open access article distributed under the terms and conditions of the Creative Commons Attribution (CC BY) license (https://creativecommons.org/licenses/by/4.0/).
Share and Cite
James, B.P.; Leung, M.-F.; Vaithiyanathan, D.; Mariammal, K. Optimal Realization of Distributed Arithmetic-Based MAC Adaptive FIR Filter Architecture Incorporating Radix-4 and Radix-8 Computation. Electronics 2024, 13, 3551. https://doi.org/10.3390/electronics13173551
James BP, Leung M-F, Vaithiyanathan D, Mariammal K. Optimal Realization of Distributed Arithmetic-Based MAC Adaptive FIR Filter Architecture Incorporating Radix-4 and Radix-8 Computation. Electronics. 2024; 13(17):3551. https://doi.org/10.3390/electronics13173551
Chicago/Turabian StyleJames, Britto Pari, Man-Fai Leung, Dhandapani Vaithiyanathan, and Karuthapandian Mariammal. 2024. "Optimal Realization of Distributed Arithmetic-Based MAC Adaptive FIR Filter Architecture Incorporating Radix-4 and Radix-8 Computation" Electronics 13, no. 17: 3551. https://doi.org/10.3390/electronics13173551
APA StyleJames, B. P., Leung, M.-F., Vaithiyanathan, D., & Mariammal, K. (2024). Optimal Realization of Distributed Arithmetic-Based MAC Adaptive FIR Filter Architecture Incorporating Radix-4 and Radix-8 Computation. Electronics, 13(17), 3551. https://doi.org/10.3390/electronics13173551

