Next Article in Journal
A Systematic Literature Review on the Strategic Shift to Cloud ERP: Leveraging Microservice Architecture and MSPs for Resilience and Agility
Previous Article in Journal
Proposing an Efficient Deep Learning Algorithm Based on Segment Anything Model for Detection and Tracking of Vehicles through Uncalibrated Urban Traffic Surveillance Cameras
 
 
Font Type:
Arial Georgia Verdana
Font Size:
Aa Aa Aa
Line Spacing:
Column Width:
Background:
Article

Joint Scheduling Method for Pumped Storage Units and Renewable Energy Sources

by
Boyuan Lin
1,
Ying Huang
1,*,
Ling Xu
2,
Zheng Xu
1,
Guoteng Wang
1 and
Le Zhao
2
1
Department of Electrical Engineering, Zhejiang University, Hangzhou 310023, China
2
State Grid Corporation of China East China Branch, Shanghai 200001, China
*
Author to whom correspondence should be addressed.
Electronics 2024, 13(14), 2884; https://doi.org/10.3390/electronics13142884
Submission received: 11 June 2024 / Revised: 14 July 2024 / Accepted: 15 July 2024 / Published: 22 July 2024

Abstract

With the integration of renewable energy sources, how we can improve the stability of the new energy power system has become an urgent issue pursued by scholars. In this paper, a joint scheduling method for pumped storage units (PSUs) and renewable energy sources (RESs) considering frequency deviation and voltage stiffness constraints is proposed. First, the analytical expression of the frequency deviation constraint is derived based on the primary frequency regulation model. Then, the voltage stiffness constraint is constructed to describe the system’s capability of maintaining the voltage magnitude. Finally, to minimize the renewable energy abandonment caused by stability requirements, the joint scheduling model for PSUs and RESs is established. The application of the method ensures that the frequency deviation of the modified IEEE 39 bus system is less than 0.5 Hz, while the voltage stiffness remains above 0.9.

1. Introduction

Renewable energy sources (RESs), such as wind power and photovoltaic, have been developed rapidly in recent years, accompanied by the exposure of some inherent defects. Firstly, new energy generation is characterized by intermittency, volatility, and stochasticity [1,2]. It provides a large amount of hidden inertia to the system after grid connection and has a certain impact on the frequency, peak, and voltage regulation capabilities of conventional units [3,4]. Secondly, when a large amount of RESs is connected to the grid, renewable energy abandonment and other waste of resources occur. This reduces the efficiency of resource utilization while increasing the cost of power generation, contrary to the original purpose of new energy generation [5,6].
Given the above reasons, it is necessary to find a reasonable way of storing energy to achieve the efficient use of new energy generation resources. Pumped storage is currently the most mature energy storage technology, with outstanding economic and cost advantages. Its mode of operation is through the pumping and discharge of water to convert gravitational potential energy into kinetic energy and further to the conversion of electrical energy. It can achieve power system peak shaving, emergency standby, and other key flexibility adjustment tasks [7]. Compared with other energy storage technologies, such as battery storage, PSUs have a wider range of application scenarios and can effectively cope with rapid changes in grid loads.
Scholars have performed a lot of research related to the application of PSUs in the power grid. Ref. [8] demonstrated the feasibility of using PSUs to reduce wind abandonment based on an actual example in a province in China. Ref. [9] explored whether PSU technology is the most suitable technology for small autonomous island grids and massive energy storage, where the energy efficiency of PSUs varies in practice between 70% and 80%, with some claiming up to 87%. The construction of a pumped hydro storage system in the Canary Islands is proposed in [10] to increase the proportion of wind power access on the island; the analysis shows that the construction of the PSUs will increase the proportion of wind power consumption by 1.93 percent, as well as having good environmental and economic benefits.
In view of the advantages of PSUs, how we can put them into practical engineering applications has become a hot issue. Therefore, a large number of joint scheduling methods for PSUs and new energy stations have been proposed these days. Ref. [11] used the sequential Monte Carlo method to analyze the impact of wind power and photovoltaic power on power system reliability. Considering construction costs and limitations of wind and solar resources, a capacity allocation planning model combining wind farms and pumped storage power stations has been established; Ref. [12] proposed a wind storage optimal scheduling model considering the framework of the power market, to minimize the penalty caused by the delivery of power shortfalls; Ref. [13] presented constraints for pumped storage hydropower stations considering hydraulic limitations. It jointly optimized the scheduling strategy of pumped storage hydropower stations with the conventional power plant unit combination strategy under deterministic and stochastic unit combination models; and [14] constructed a wind–thermal storage chance–constrained planning model, scheduling the power of wind and PSUs with the objective of optimal economics.
Although a large number of PSUs and RESs joint scheduling methods have been proposed, the above methods are essential for the power balance constraints to pursue economic optimization or the minimum amount of wind and solar abandonment [15]. The focus of scheduling is the use of PSUs to suppress the volatility of the new energy, to ensure the system’s balance of power, and it did not take into account the new energy output changes in the security and stability of the impact [16]. The increase in the proportion of new energy will not only bring about the problem of the balance of power and electricity but also cause the system’s frequency regulation capacity to decline and voltage stability to be reduced. With the excavation of pumped storage frequency regulation capability, scholars have begun to pay attention to the feasibility of using PSUs to improve the frequency regulation capability of new energy power systems [17,18,19]. The optimal scheduling problem of wind and solar–pumped storage under frequency constraints has also begun to be studied. However, the low–frequency problems associated with new energy low–voltage ride–through (LVRT) are not the same as those in conventional primary frequency regulation and have not yet been considered in existing studies. In addition, the voltage stability constraint of the new energy power system has not been taken into account in the pumped storage and new energy joint scheduling methods.
To fill this gap, the paper proposes a joint scheduling method for PSUs and new energy stations. It can make use of PSUs to alleviate the frequency and voltage stability problems, thus providing a reference for grid operation.
The remainder of this paper is organized as follows: The expressions for the frequency deviation constraint and voltage stiffness constraint are given in Section 2 and Section 3, respectively. Based on the above expressions, a joint robust scheduling method for PSUs and new energy field stations considering frequency deviation and voltage stiffness constraints is proposed in Section 4. Section 5 verifies the effectiveness of the proposed method in this paper, and Section 6 concludes the paper.

2. Frequency Deviation Constraints

When facing grid faults, the low–voltage ride–through (LVRT) strategy or even the off–grid behavior of new energy units can seriously damage the frequency stability of the system. Whether the system frequency response characteristics meet the requirements is usually determined based on the frequency deviation. However, the solution for the maximum frequency deviation often involves highly nonlinear and complex equations, making it challenging to apply these complex, nonlinear equations to the development of regulatory strategies. For this reason, this paper commences with a simplification of the synchronized units. The mechanical power curve of the synchronous units is given in Figure 1 under the following assumptions.
(1)
The change in mechanical power of the synchronous unit grows linearly until the system frequency reaches its maximum deviation.
(2)
The time at which the maximum frequency deviation occurs after a fault is fixed and set to tnadir.
(3)
At tnadir, it is assumed that the change in mechanical power of the synchronous unit is proportional to the peak frequency deviation, with the scale factor given in advance.
Figure 1. Diagram of the simplified mechanical power curve for synchronous units.
Figure 1. Diagram of the simplified mechanical power curve for synchronous units.
Electronics 13 02884 g001
To demonstrate the reasonableness of the above assumptions, a single–machine primary FM model is first established. The transfer function block diagram of the model is shown in Figure 2.
In Figure 2, Hsys and Dsys are the system equivalent inertia and damping coefficients, respectively, Th is the turbine reheat time constant, FH is the turbine high–pressure boiler duty cycle, ΔPe is the electromagnetic power perturbation, ΔPm is the mechanical power variation, Δf is the frequency deviation, and Rg is the tuning factor.
According to Figure 2, the response functions of the frequency and the mechanical power of the speed control system under electromagnetic power perturbation can be obtained, respectively, as follows:
F f s = R g T h s + R g 2 R g H sys T h s 2 + 2 H sys R g + R g T h D sys + F H T h s + D sys R g + 1
F p s = 1 + F H T h s 2 H sys T h R g s 2 + 2 H sys R g + D sys T h R g + F H T h s + D sys R g + 1
In Equations (1) and (2), Ff is the transfer function between frequency and electromagnetic power and Fp is the transfer function between mechanical power and electromagnetic power.
Based on Equation (1), the frequency response overshoot and the maximum frequency deviation appear at the given time, respectively, with the following:
δ f % = l f z f e ζ f 1 ζ f 2 π φ f
t f = 1 ω df π φ f
In Equations (3) and (4), δ f % is the amount of overshoot, t f is the time of maximum frequency deviation, ζ f is the frequency damping coefficient, φ f is the frequency additional phase, l f is the frequency auxiliary variable, z f is the frequency zero opposite, and ω df is the frequency oscillation frequency, with the following expressions:
ω nf = D sys R g + 1 2 R g H sys T h ζ f = 1 2 ω nf 2 R g H sys + R g T h D sys + F H T h 2 R g H sys T h z f = 1 T h ω df = ω nf 1 ζ f 2 l f = z f 2 2 ζ f ω nf z f + ω nf 2 φ f = atan ω df z f ζ f ω nf
Based on Equation (2), the mechanical power response overshoot and maximum deviation appear at the given time, respectively, with the following:
δ p % = l p z p e ζ p 1 ζ p 2 π φ p
t p = 1 ω dp π φ p
In Equations (6) and (7), δ p % is the mechanical power overshoot, t p is the time of maximum mechanical power deviation, ζ p is the mechanical power damping coefficient, φ p is the additional phase of mechanical power, l p is the auxiliary variable of mechanical power, z p is the opposite of the zero point of mechanical power, and ω dp is the frequency of oscillation of mechanical power, with the following expressions:
ω np = ω nf ζ p = ζ f z f = 1 F H T h ω dp = ω np 1 ζ p 2 l p = z p 2 2 ζ p ω np z p + ω np 2 φ p = atan ω dp z p ζ p ω np
In Equation (4), it is evident that when there is no adjustment in the primary frequency modulation parameters of the system, tf remains constant regardless of the perturbation’s magnitude. Consequently, the timing of the maximum frequency deviation remains constant. Similarly, according to Equations (3)–(6), it can be seen that neither the frequency deviation nor the amount of overshooting of the mechanical power changes with the variation of the perturbation, and it can be considered to be fixed under the condition that the system parameters are determined. Therefore, there is a good linear relationship between the maximum frequency deviation and the maximum change in mechanical power, which can be approximated as a proportional change.
In addition, comparing Equations (4) and (7), it can be seen that the maximum frequency deviation and the maximum mechanical power variation of the unit do not appear at the same time. Although the frequency deviation and mechanical power response functions share the same characteristic equation, the zeros of the two response functions are different, and the difference in the zeros is mainly caused by FH. If FH = 1, the characteristic equations and zeros of frequency and mechanical power are the same, and their peak appearance times are identical. In reality, the value of FH is usually less than 1, but to simplify the derivation process, it is approximated that the frequency and the peak appearance time of mechanical power are the same.
Under the above assumptions, the simplified curve of mechanical power of the new energy unit is shown in Figure 1. The time of fault occurrence is tfault. In the period [tfault, tnadir], the energy deficit due to the LVRT of the new energy unit can be written as follows:
E RES = i = 1 N RES t f a u l t t n a d i r + t fault P i RES t P 0 i RES d t
In Equation (9), NRES is the number of WTGs, ERES is the energy loss caused by LVRT of WTGs, P i RES t is the power at the moment t during the LVRT period of the new energy unit i, and P 0 i RES is the initial power of the new energy unit i.
The magnitude of the energy compensated by the change in mechanical power of the synchronized unit is written as follows:
E SG = i = 1 N S G t fault t n a d i r + t f a u l t P i M t P 0 i M d t
In Equation (10), NSG is the number of hydrological units, ESG is the mechanical power compensation energy of hydrological units, P i M t is the mechanical power of hydrological unit i at the moment t, and P 0 i M is the initial mechanical power of hydrological unit i.
According to Figure 1, Equation (10) can be simplified as follows:
E S G = i = 1 N SG 0.5 P i nadir t n a d i r
Assuming that P i nadir is proportional to fnadir with a scale factor of K i Pf , Equation (11) can be further written as follows:
E SG = i = 1 N SG 0.5 K i Pf f nadir t nadir
The energy surplus or deficit generated by the system under the joint action of the new energy unit and the synchronous unit speed control system is written as follows:
E det = E SG E R E S
In Equation (13), Edet is the energy surplus or deficit, Edet > 0 indicates that there is energy surplus in the system and the frequency rises, and Edet < 0 indicates that there is energy deficit in the system and the frequency falls.
The energy Edet will be balanced by the rotor kinetic energy of the synchronous unit, which will also bring about frequency deviation. Since it was assumed earlier that the time tnadir at which the maximum frequency deviation occurs in the system is fixed, Edet is the energy that causes the maximum frequency deviation in the system. Then the following equation should be satisfied:
E det = E SG E RES
E det = 1 2 H sys f 0 + f nadir 2 f 0 2
In Equations (14) and (15), f0 is the rated frequency and Hsys is the system equivalent inertia.
At present, the logic of the LVRT strategy for new energy units is: Enter the LVRT period immediately when the terminal voltage is lower than the threshold. During the period, the active power current is maintained at a fixed value. When the terminal voltage exceeds the threshold, an immediate exit from the low–voltage ride–through is initiated. For example, the new energy units in the East China Power Grid will enter the LVRT period when the terminal voltage is below 0.9 pu, maintain their active current at 50% during the period, and exit without delay when the terminal voltage is below 0.9 pu.
Under the above LVRT strategy, the energy lost by the new energy unit during the short–circuit fault is closely related to the system voltage characteristics. Generally speaking, in a large grid with a high voltage level, the voltage characteristics have less coupling effect with the active output of the new energy unit and are mainly affected by the reactive power. Therefore, it can be estimated that the system voltage variation characteristics and the new energy unit output reactive power. In this case, the proportion of the power lost by the new energy unit has nothing to do with the active output of the new energy unit, and it can be regarded as a fixed parameter. Therefore, for a fault i occurring at any point in the system, the energy loss of the WTGs can be obtained as follows:
E RES i = C i fault P s RES
In Equation (16), C i fault is the ratio coefficient between the lost energy and total power of WTGs, and P s RES is the total power of WTGs. It should be noted that due to the complexity of voltage recovery, C i fault is difficult to obtain by analytical methods and needs to be calculated by simulation.
K SG f nadir C i fault P s RES = 1 2 H sys f 0 + f nadir 2 f 0 2
K SG = i = 1 N SG 0.5 K i Pf t nadir
Equation (17) can be viewed as a quadratic equation concerning fnadir, which is obtained by further simplification as follows:
H sys f nadir 2 + 2 H sys f 0 2 K SG f nadir + 2 C i fault P s RES = 0
f nadir + H sys f 0 K SG H sys 2 + 2 C i fault P s RES H sys H sys f 0 K SG H sys 2 = 0
The most direct expression for the frequency stabilization constraint should be as follows:
f n a d i r f max
The frequency stabilization constraint can be converted into a constraint on the total output of the new energy unit according to Equation (20):
P s RES min F 1 , F 2
F 1 = H sys 2 C i fault f max + H sys f 0 K SG H sys 2 + H sys 2 C i fault H sys f 0 K SG H sys 2
F 2 = H sys 2 C i fault f max + H sys f 0 K SG H sys 2 + H sys 2 C i fault H sys f 0 K SG H sys 2
In Equation (22), F1 and F2 are auxiliary variables. The system frequency stabilization constraints on the new energy unit output can be obtained.

3. Voltage Stiffness Constraints

Voltage stiffness is generally portrayed in terms of Usys/Usys0, i.e., the voltage support strength at any point in the grid is defined as the ability to maintain the access point voltage mode value close to the no–load voltage at the access point. The voltage stiffness Kvtg is expressed as follows:
K vtg = U sys U sys 0 = Z device θ device Z th θ th + Z device θ device
In Equation (25), Usys is the voltage of the grid–connected node after the device is connected, Usys0 is the open–circuit voltage of the grid–connected node before the device is connected, Zdevice and θdevice are the device–equivalent impedance magnitude and phase, respectively, and Zth and θth are the system Davignan–equivalent impedance magnitude and phase, respectively.
Assuming that the power factor of the new energy unit output is constant as cosφn and the bus voltage is Un, the equivalent impedance of the new energy unit is calculated as follows:
Z ˙ device = U n 2 S n * = U n 2 P n 1 j tan φ n
In Equation (26), Z ˙ device is the equivalent impedance complex form of the new energy unit, S n * is the conjugate of the complex power of the new energy unit, and Pn is the active power of the new energy unit.
In general, the system equivalent impedance of a given bus changes less with unit output when the system turn–on mode and grid structure do not change. Therefore, it is approximated here that the external system Davenant equivalent impedance is unchanged for new energy unit grid connection points. To satisfy the system voltage stabilization constraints, voltage stiffness is required.
K vtg K c
where Kc is the value of critical voltage stiffness.
Substituting Equations (25) and (26) into Equation (27) yields the following:
U n 2 P n 1 j tan φ n K c Z ˙ sys U n 2 P n 1 j tan φ n
In high–voltage–level transmission networks, the line resistance is usually much smaller than the reactance value. Therefore, the role of resistance in the system equivalent impedance is ignored in Equation (28), and the pure reactance is used to model the system equivalent impedance. Equation (28) can be transformed into the following:
U n 2 P n 1 j tan φ n K c j X sys 1 j tan φ n U n 2 P n 1 j tan φ n
For both sides of the equation simultaneously eliminating 1 − jtanφn and taking the square of the modulus on both sides yields the following:
U n 4 P n 2 K c X sys tan φ n U n 2 P n 2 + X sys 2
Assuming Un = 1, Equation (30) can be regarded as a quadratic equation about the active power Pn of the new energy unit, which is transformed in the following form:
X sys 2 cos 2 φ n K c P n 2 2 K c X sys tan φ n P n + K c 1 0
Solving Equation (31) yields a range of values for the power of the new energy unit under the voltage stiffness constraint in the following:
P min vs P n P max vs
P max vs = 2 K c X sys sin φ n cos φ n + 4 K c 2 X sys 2 sin 2 φ n cos 2 φ n 4 X sys 2 cos 2 φ n K c K c 1 2 X sys 2 K c P min vs = max 0 , 2 K c X sys sin φ n cos φ n 4 K c 2 X sys 2 sin 2 φ n cos 2 φ n 4 X sys 2 cos 2 φ n K c K c 1 2 X sys 2 K c
In Equations (32) and (33), P max v s and P min v s are the maximum and minimum limits of the active output of the new energy unit under the voltage stiffness constraint, respectively. The constraints of voltage stiffness on the magnitude of the new energy unit output can be obtained.

4. Joint Scheduling Method for PSUs and New Energy Field Stations

In addition to the frequency deviation and voltage stiffness constraints mentioned above, the operation of PSUs and new energy units needs to satisfy conventional constraints. The expressions for these conventional constraints are given below.

4.1. Power Balance Constraints

In Equation (34), NPS is the number of PSUs, NCU is the number of conventional synchronous units, NL is the number of loads, P i , t PS is the active output of PSU i at the moment t, P i , t CU is the active output of conventional water–thermal unit i at the moment t, P i , t RES is the active output of new energy unit i at the moment t, and P i , t L is the active power of load i at the moment t.
i = 1 N PS P i , t PS + i = 1 N CU P i , t CU + i = 1 N RES P i , t RES = i = 1 N L P i , t L

4.2. Upper and Lower Limits of Output Constraints

For PSUs, the output needs to meet the upper and lower constraints written as follows:
P i PSmin P i , t PS < P i PSmax
In Equation (35), P i PSmin is the minimum output limit of PSU i, and P i PSmax is the maximum output limit of PSU i.
Similarly, for new energy units, their output needs to meet the cap constraints written as follows:
0 P i , t RES < P i , t RESmax
In Equation (36), P i RESmax is the maximum output limit for the new energy unit i.
The output of conventional water–thermal units, on the other hand, is treated here as a boundary condition that is not altered by the joint scheduling method of PSUs and new energy field stations.

4.3. New Energy Uncertainty Set

The maximum power that can be output from a new energy field station is characterized by randomness, but the distribution range of power output from each new energy field station can be understood based on the forecast. It is assumed that the maximum power range of each new energy field station is as follows:
P i , t RESl < P i , t RESmax < P i , t RESu
In Equation (37), P i , t RESu and P i , t RESl are the upper and lower bounds of the interval, respectively, given by the prediction.
In reality, the use of the new energy uncertainty set shown in Equation (37) brings serious conservatism. The main reason is that, in reality, it is unlikely that the maximum power of all new energy stations will reach the prediction boundary at the same time. Therefore, the uncertainty set shown in Equation (38) can be used instead of Equation (37).
W = P i , t RESmax = P i , t RESe + τ i P i , t RESh , i | τ i 1 , i
In Equation (38), P i , t RESe is the maximum power prediction value of new energy station i, P i , t RESh is the maximum power prediction deviation of new energy station i, and τi is the dispatch interval coefficient of new energy station i. The larger the interval coefficient is, the more tolerant the obtained robust scheme is to the uncertainty of new energy. Considering that there is no obvious correlation between different new energy field stations in the same period, if there are a total of NRES new energy field stations in the system, the uncertainty budget Γ can be as follows:
Γ i = 1 N RES τ i Γ
The value of the uncertainty budget Γ ranges from [0, NRES]. Adjusting the value of uncertainty budget Γ can change the robustness of the optimization model to the new energy uncertainty. As the set value of Γ increases, the uncertainty range of the new energy increases, and the robustness of the system operation gradually improves, but the economy of the system operation also decreases accordingly.

4.4. Water Storage Constraints for Pumped Storage Units

The amount of water stored in the pumping unit determines whether the pumping unit can output or absorb power at present. In this paper, the following equation is used to characterize the constraints on the amount of water stored in the PSU:
V i , t min V i , t WS < V i , t max
In (40), V i , t WS denotes the storage capacity of pumping unit i at the moment t, and V i min and V i max are the minimum and maximum storage capacity of pumping unit i, respectively.
The relationship between water storage and the output of pumping units is calculated as follows:
V i , t WS = V i , 0 WS + j = 1 t α i P i , j PS , t 1 , T
In Equation (41), V i , 0 WS is the initial storage capacity of the pumping and storage unit, αi is the coefficient representing the relationship between reservoir water level and output power, and T is a scheduling cycle.
It should be noted that in many cases, the amount of water consumed to output a unit of power from a PSU is not equal to the amount of water extracted to absorb a unit of power. Therefore, αi needs to satisfy the following equation:
α i = α i p , P i PS 0 α i n , P i PS < 0
For Equation (42), it is linearized for ease of solution as follows:
α i = x i α i p + 1 x i α i n z i j 0 z i j P i , j PS P i PSmin 1 x i z i j P i , j PS P i PSmax 1 x i P i PSmin x i z i j P i PSmax x i
where xi is a 0–1 variable, which is 0 when the pumping unit pumps water and 1 when it releases water; and zij is an auxiliary variable, which is used to ensure that the above logic is established.
Through the joint scheduling of PSUs and new energy stations, the regulating capacity of PSUs can be utilized to smooth out the volatility of new energy, while reducing the frequency and voltage stability problems at the same time. Under grid faults, the LVRT of new energy field stations causes a large energy deficit. When establishing the dispatch model, the optimization objective can be set to minimize the total loss of new energy output.
min i = 1 N RES t = 1 T P i , t RESmax P i , t RES s . t . ( 13 ) , ( 23 ) , ( 25 ) ( 30 )
Solving the model Equation (44), the output of each pumped storage unit and new energy field station can be obtained in the actual operation scenario to achieve reasonable dispatch. The specific flow chart is shown in Figure 3.

5. Simulation Verification

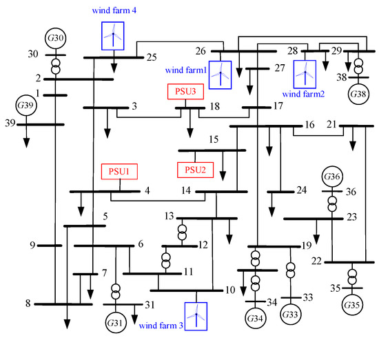
The proposed method is validated in a modified IEEE 39–node system, as shown in Table 1. The simulation is carried out based on PSS/E, while the optimization model is solved using Gurobi. Figure 4 shows the grid structure of the modified 39–node system. In this grid, generators 30 and 37 are replaced by WTGs, and there are two additional WTGs connected at nodes 26 and 28. The proportion of installed wind and thermal power in the system is 22% and 78%, respectively. In addition, three new PSUs are added at node 4, node 15, and node 18, respectively, with a maximum output power of 30 MW, 50 MW, and 60 MW. To ensure a balanced system supply–demand relationship, the loads at each node are increased in equal proportions.
In this paper, the considered period is 24 h in a day, and each hour is a period T; the following references to 4:00 and 18:00 represent specific times of the day. The minimum frequency limit of 49.5 Hz is set in the frequency constraints, and the minimum limit of voltage stiffness is 0.9. Extrapolation from theory: when the voltage stiffness is greater than 0.9, which is equivalent to the single feed–in short–circuit ratio of greater than two, it can be assumed that the voltage stability of this node is good. The predicted value of wind power for each period is shown in Figure 5, and the prediction uncertainty budget for the four turbines is set to 3.6. It can be noticed that the maximum output of the wind farm is different at different times of the day. At time 4:00, the wind power output is at its highest peak of the day, and at time 11:00, the wind power output is at its lowest point of the day.
A severe short–circuit fault near node 26 causes wind farm 1, wind farm 2, and wind farm 4 to enter the LVRT period at the same time. In this paper, the wind farms are set to maintain an active power at 20% of the rated value during the period. Therefore, a severe short–circuit fault near node 26 causes a large energy deficit in the system, which is also the location of the fault that causes the largest energy deficit in the system, shown in Figure 4. With the constraint that the system frequency deviation and voltage stiffness cannot cross the limit under this fault, the optimization model is solved. Further, the power utilization of the four wind farms at different times can be obtained as shown in Figure 6. Here, the power utilization is the ratio between the actual output power and the maximum output power of the wind farms.
As can be seen in Figure 6, when the wind power output is low (e.g., 11:00), the system’s utilization of the wind power is high, but during the peak wind power period (e.g., 4:00), the system’s utilization of the wind power decreases instead. This is because during the peak wind power period, if all the wind power is connected to the grid, the LVRT of the wind farm caused by a single fault will result in a large amount of energy missing, which is detrimental to the frequency stability of the system.
To verify the robustness of the optimization results to the wind power prediction uncertainty, the data at time 4:00 are selected for simulation calculation. According to Figure 5, at time 4:00, the wind power output is at its highest peak in a day. It is assumed that the prediction error interval for each wind farm is ±10%. With the prediction uncertainty budget set to 3.6, the maximum possible total error for the four wind farms is 118 MW.
According to Figure 6, it can be seen that at this time, the power generation strategy is to maximize the wind power utilization of wind farm 3 and minimize the wind power utilization of wind farms 1, 2, and 4. Therefore, when wind farms 1, 2, and 4 simultaneously enter the LVRT state, the system will not experience excessive power and energy deficits. Simulation calculations are carried out under this condition, and the system frequency variation is shown in Figure 7. If the wind farm scheduling scheme shown in Figure 6 is not used, it means that the actual output of all wind farms is equal to the maximum available output.
As can be seen from Figure 7, if no measures are taken and all wind power is allowed to be connected to the grid, the LVRT of wind farms will threaten the frequency stability of the system under severe grid faults. After adopting the scheduling method proposed in this paper, the frequency deviation constraint can be effectively satisfied to avoid the risk of frequency destabilization.
In addition, at time 4:00, the voltage stiffness of the four wind farms is shown in Table 2. Taking wind farm 3 as an example, after the implementation of the scheduling method, the voltage stiffness changes from 0.90 to 0.96. This is due to the fact that the scheduling procedure causes a change in the way that power is delivered to the wind farm, which in turn affects the voltage stiffness. Voltage stiffness is a measure of how much the voltage sags in response to changes in current. A higher voltage stiffness indicates that the voltage is less likely to sag. In addition, the amount of voltage change caused by the increased absorption of 100 Mvar of reactive power at the wind farms is given in Table 2. When the voltage stiffness is lower than 0.9, the addition of 100 Mvar reactive power at the new energy unit leads to a reduction of the terminal voltage by more than 0.03 pu, which indicates that the voltage strength at this point is insufficient.
To further illustrate the correctness of the frequency deviation and voltage stiffness constraints, the data at time 18:00 are selected for simulation. According to the results shown in Figure 6, at this time, the output utilization of all four wind farms is at a low level. Simulation calculations are carried out before and after the adoption of the joint scheduling scheme, respectively, and the fault is set to be a three–phase metallic short–circuit fault at bus 26. The simulation results are obtained as follows:
From Figure 8, it can be seen that if the new energy unit output is not restricted, the system will still have a frequency deviation greater than 0.5 Hz. Before and after the implementation of the scheduling scheme, the voltage stiffness of each wind farm and the value of the voltage drop under the 100 Mvar reactive power step are shown in Table 3.
From the above analysis results, it can be concluded that the frequency deviation constraint and voltage stiffness constraint proposed in this paper are kinds of bi–conservative constraints that can effectively ensure the frequency stability and voltage stability of the system.
The outputs of the three PSUs at each moment are shown in Figure 9. The PSUs are in the pumping state during the peak period of wind power and in the generating state during the low period of wind power. Therefore, it plays a good role in smoothing the volatility of wind power. The water storage percentages of the three PSUs at different moments are shown in Figure 10.
As can be seen from Figure 10, PSUs can play the roles of peak shaving and valley filling. Compared with other types of energy storage devices, PSUs can not only play the role of peak shaving and valley filling but also provide frequency and voltage stability support for the system, which is more conducive to improving the system’s ability to absorb new energy.

6. Conclusions

This paper proposes a joint regulation method for PSUs and RESs. Two main constraints are considered in this method: the frequency deviation constraint and the voltage stiffness constraint. The simulation results show that the method proposed in this paper can effectively utilize PSUs to smooth out the volatility of new energy sources and ensure that the system satisfies the frequency deviation and voltage stiffness constraints. In the future, PSUs could be combined with other energy storage devices to investigate scheduling control strategies leveraging the complementary advantages of multiple regulating resources. This approach aims to fully utilize the capabilities of energy storage devices to enhance support for the high proportion of new energy in power systems, particularly in terms of frequency, voltage stability, and other aspects.

Author Contributions

Conceptualization, B.L. and Z.X.; methodology, Y.H.; software, G.W.; validation, Y.H., L.X. and L.Z.; formal analysis, G.W.; investigation, Z.X.; resources, L.X. and L.Z.; data curation, G.W.; writing—original draft preparation, B.L. and G.W.; writing—review and editing, B.L.; visualization, L.X.; supervision, Z.X.; project administration, Y.H.; funding acquisition, L.X. and L.Z. All authors have read and agreed to the published version of the manuscript.

Funding

The research was supported by the Science and Technology Project of State Grid Corporation of China(5100–202336015A–1–1–ZN).

Data Availability Statement

The data presented in this study are available on request from the corresponding author.

Conflicts of Interest

Ling Xu and Le Zhao were employed by the State Grid Corporation of China. The remaining authors declare that the research was conducted in the absence of any commercial financial relationships that could be construed as a potential conflict of interest.

Nomenclature

RESsRenewable energy sources
PSUsPumped storage units
LVRTThe low–voltage ride–through
HsysThe system equivalent inertia
DsysThe damping coefficients
ThThe turbine reheat time constant
FHThe turbine high–pressure boiler duty cycle
ΔPeThe electromagnetic power perturbation
ΔPmThe mechanical power variation
ΔfThe frequency deviation
RgThe tuning factor
FfThe transfer function between frequency and electromagnetic power
FpThe transfer function between mechanical power and electromagnetic power
δ f % The amount of overshoot
t f The time of maximum frequency deviation
ζ f The frequency damping coefficient
l f The frequency auxiliary variable
z f The frequency zero opposite
ω df The oscillation frequency
δ p % The mechanical power overshoot
t p The time of maximum mechanical power deviation
ζ p The mechanical power damping coefficient
φ p The additional phase of mechanical power
l p The auxiliary variable of mechanical power
z p The opposite of the zero point of mechanical power
ω dp The frequency of oscillation of mechanical power
NRESThe number of wtgs
ERESThe energy loss caused by LVRT of wtgs
P i RES t The power at the moment t during the LVRT period of the new energy unit i
P 0 i RES The initial power of the new energy unit i
NSGThe number of hydrological units
ESGThe mechanical power compensation energy of hydrological units
P i M t The mechanical power of hydrological unit i at the moment t
P 0 i M The initial mechanical power of hydrological unit i
EdetThe energy surplus or deficit
f0The rated frequency
C i fault The ratio coefficient between the lost energy and total power of wtgs
P s RES The total power of wtgs
F1F2Auxiliary variables
UsysThe voltage of the grid–connected node after the device is connected
Usys0The open–circuit voltage of the grid–connected node before the device is connected
ZdeviceThe device–equivalent impedance magnitude
θdeviceThe device–equivalent impedance phase
ZthThe system Davignan–equivalent impedance magnitude
θthThe system Davignan–equivalent impedance phase
Z ˙ device The equivalent impedance complex form of the new energy unit
S n * The conjugate of the complex power of the new energy unit
PnThe active power of the new energy unit
KcThe value of critical voltage stiffness
P max v s The maximum limits of the active output of the new energy unit under the voltage stiffness constraint
P min v s The minimum limits of the active output of the new energy unit under the voltage stiffness constraint
NPSThe number of PSUs
NCUThe number of conventional synchronous units
NLThe number of loads
P i , t PS The active output of PSU i at the moment t
P i , t CU The active output of conventional water–thermal unit i at the moment t
P i , t RES The active output of new energy unit i at the moment t
P i , t L The active power of load i at the moment t
P i PSmin The minimum output limit of PSU i
P i PSmax The maximum output limit of PSU i
P i RESmax The maximum output limit for the new energy unit i
P i , t RESu The upper bounds of the interval
P i , t RESl The lower bounds of the interval
P i , t RESe The maximum power prediction value of new energy station i
P i , t RESh The maximum power prediction deviation of new energy station i
τiThe dispatch interval coefficient of new energy station i
V i , t WS The storage capacity of pumping unit i at the moment t
V i min The minimum storage capacity of pumping unit i
V i max The maximum storage capacity of pumping unit i
V i , 0 WS The initial storage capacity of the pumping and storage unit
αiThe coefficient representing the relationship between reservoir water level and output power

References

  1. Tong, J.; Liu, W.; Mao, J.; Ying, M. Role and Development of Thermal Power Units in New Power Systems. IEEE J. Radio Freq. Identif. 2022, 6, 837–841. [Google Scholar] [CrossRef]
  2. Peng, B. Preliminary Research on Power Grid Planning Method Aiming at Accommodating New Energy. Power Syst. Technol. 2013, 37, 3386–3391. [Google Scholar]
  3. Jain, A.; Padhy, N.P.; Pathak, M.K. Cost–Effective Size of HESS Incorporated in VSG With Enhanced Performance of Battery Providing Implicit Inertia. IEEE Trans. Ind. Appl. 2023, 59, 5633–5645. [Google Scholar] [CrossRef]
  4. Akbari, M.; Madani, S.M. Participation of DFIG based wind turbines in improving short term frequency regulation. In Proceedings of the 2010 18th Iranian Conference on Electrical Engineering, Isfahan, Iran, 1–13 May 2010; pp. 874–879. [Google Scholar]
  5. Yu, C.; Li, W.; Yang, S.; Zhang, S.; Xu, D.; Zhao, H. Research on Operation Control Strategy of Wind and Solar Storage Systems Considering High Ratio of New Energy Access. J. Phys. Conf. Ser. 2023, 2503, 012019. [Google Scholar] [CrossRef]
  6. Zhijun, E.; Wang, W.; Cao, J.; Wang, X.; Kong, X.; Quan, S. Multi–time Scale Joint Scheduling Method Considering the Grid of Renewable Energy. IOP Conf. Ser. Earth Environ. Sci. 2018, 108, 052048. [Google Scholar] [CrossRef]
  7. Consulting Group of State Grid Corporation of China to Prospects of New Technologies in Power Systems. An analysis of prospects for application of large–scale energy storage technology in power systems. Autom. Electr. Power Syst. 2013, 37, 3–8+30. [Google Scholar]
  8. Xiao, B.; Yang, Y.; Jiang, Z.; Wang, M.C.; Zhou, P.; Gu, B. Optimal planning of capacity of pumped storage power station in wind power–pumped storage system. Acta Energiae Solaris Sin. 2020, 41, 270–277. [Google Scholar]
  9. Rehman, S.; Al–Hadhrami, L.M.; Alam, M.M. Pumped hydro energy storage system: A technological review. Renew. Sustain. Energy Rev. 2015, 44, 586–598. [Google Scholar] [CrossRef]
  10. Bueno, C.; Carta, J.A. Wind powered pumped hydro storage systems, a means of increasing the penetration of renewable energy in the Canary Islands. Renew. Sustain. Energy Rev. 2006, 10, 312–340. [Google Scholar] [CrossRef]
  11. Yang, X.; Xu, Y.; Yang, N.; Wen, B.; Zhao, K.; Zhang, Y. Research on the reliability and capacity allocation of wind power–solar power–pumped storage hybrid power system. In Proceedings of the 2018 China International Conference on Electricity Distribution (CICED), Tianjin, China, 17–19 September 2018; IEEE: New York, NY, USA, 2018; pp. 2071–2076. [Google Scholar]
  12. Jamii, J.; Abbes, D.; Mimouni, M.F. Scheduling optimization of wind power generation with pumped storage hydro plant. In Proceedings of the 2016 17th International Conference on Sciences and Techniques of Automatic Control and Computer Engineering (STA), Sousse, Tunisia, 19–21 December 2016; IEEE: New York, NY, USA, 2016; pp. 546–551. [Google Scholar]
  13. Bruninx, K.; Dvorkin, Y.; Delarue, E.; Pandzic, H.; Dhaeseleer, W.; Kirschen, D.S. Coupling pumped hydro energy storage with unit commitment. IEEE Trans. Sustain. Energy 2015, 7, 786–796. [Google Scholar] [CrossRef]
  14. Wang, B.; Zhan, H.; Zhang, Y. Combined optimal economic dispatch of wind–storage–fire considering wind power uncertainty. Electric Power Eng. Technol. 2022, 41, 93–100. [Google Scholar]
  15. Tian, S.; He, J.; Xin, Y.; Xu, F.; Wang, Z.; Hao, Q. Research on day–ahead optimal dispatch considering the mutual constraint of pumped storage unit. In Proceedings of the 2020 International Conference on Intelligent Computing, Automation and Systems (ICICAS), Chongqing, China, 11–13 December 2020; IEEE: New York, NY, USA, 2020. [Google Scholar]
  16. Wei, M.; Lv, Z.; Wang, L.; Li, X.; Zhao, Y.; Liu, Z.; Yuan, K. Frequency Stability Optimization of Receiving–end Grid Based on Pumped Storage. In Proceedings of the 2022 IEEE International Conference on Power Systems and Electrical Technology (PSET), Aalborg, Denmark, 13–15 October 2022; IEEE: New York, NY, USA, 2022; pp. 257–261. [Google Scholar]
  17. Liu, Y.; Yin, Y.; Sun, B.; Lin, K.; Li, Y.; Wu, F.; Huang, W.; Jing, R. Coordinated Frequency Regulation Strategy of Pumped Storage Units and Battery Energy Storage System. In Proceedings of the 2021 IEEE Sustainable Power and Energy Conference (iSPEC), Nanjing, China, 23–25 December 2021; IEEE: New York, NY, USA, 2021; pp. 1195–1200. [Google Scholar]
  18. Papakonstantinou, A.G.; Konstanteas, A.I.; Papathanassiou, S.A. Solutions to enhance frequency regulation in an island system with pumped–hydro storage under 100% renewable energy penetration. IEEE Access 2023, 11, 76675–76690. [Google Scholar] [CrossRef]
  19. Yang, Y.; Xiang, L.; Guo, X.; Zheng, Y. Introducing LADRC to Load Frequency Control Model with Pumped Storage Power Station Considering Demand Response. In Proceedings of the 2019 Chinese Automation Congress (CAC), Hangzhou, China, 22–24 November 2019; IEEE: New York, NY, USA, 2019; pp. 610–615. [Google Scholar]
Figure 2. Diagram of the primary frequency regulation transfer function.
Figure 2. Diagram of the primary frequency regulation transfer function.
Electronics 13 02884 g002
Figure 3. Flowchart of the joint scheduling method.
Figure 3. Flowchart of the joint scheduling method.
Electronics 13 02884 g003
Figure 4. Topology diagram of the modified IEEE 39–bus system.
Figure 4. Topology diagram of the modified IEEE 39–bus system.
Electronics 13 02884 g004
Figure 5. Maximum active power of wind turbines.
Figure 5. Maximum active power of wind turbines.
Electronics 13 02884 g005
Figure 6. Wind power utilization rate for different wind farms.
Figure 6. Wind power utilization rate for different wind farms.
Electronics 13 02884 g006
Figure 7. Simulation results of frequency responses at time 4:00.
Figure 7. Simulation results of frequency responses at time 4:00.
Electronics 13 02884 g007
Figure 8. Simulation results of frequency responses at time 18:00.
Figure 8. Simulation results of frequency responses at time 18:00.
Electronics 13 02884 g008
Figure 9. Output power of PSUs.
Figure 9. Output power of PSUs.
Electronics 13 02884 g009
Figure 10. Percentage of water storage in the PSUs.
Figure 10. Percentage of water storage in the PSUs.
Electronics 13 02884 g010
Table 1. IEEE 39–node system generator set information.
Table 1. IEEE 39–node system generator set information.
GeneratorPg,max/MWPg,min/MWTg/h
G3010402003
G316461003
G336521203
G34508801
G356871303
G36580902
G388651803
G3911002104
Table 2. Voltage stiffness of wind farm connection points at time 4:00.
Table 2. Voltage stiffness of wind farm connection points at time 4:00.
Wind FarmBefore Scheduling ProgramAfter Scheduling Program
Voltage StiffnessVoltage DropVoltage StiffnessVoltage Drop
10.880.0360.940.019
20.890.0320.940.019
30.900.0270.960.011
40.910.0250.920.020
Table 3. Voltage stiffness of wind farm connection points at time 18:00.
Table 3. Voltage stiffness of wind farm connection points at time 18:00.
Wind FarmBefore Scheduling ProgramAfter Scheduling Program
Voltage StiffnessVoltage DropVoltage StiffnessVoltage Drop
10.870.0340.960.015
20.910.0260.950.013
30.880.0320.970.008
40.930.0210.950.016
Disclaimer/Publisher’s Note: The statements, opinions and data contained in all publications are solely those of the individual author(s) and contributor(s) and not of MDPI and/or the editor(s). MDPI and/or the editor(s) disclaim responsibility for any injury to people or property resulting from any ideas, methods, instructions or products referred to in the content.

Share and Cite

MDPI and ACS Style

Lin, B.; Huang, Y.; Xu, L.; Xu, Z.; Wang, G.; Zhao, L. Joint Scheduling Method for Pumped Storage Units and Renewable Energy Sources. Electronics 2024, 13, 2884. https://doi.org/10.3390/electronics13142884

AMA Style

Lin B, Huang Y, Xu L, Xu Z, Wang G, Zhao L. Joint Scheduling Method for Pumped Storage Units and Renewable Energy Sources. Electronics. 2024; 13(14):2884. https://doi.org/10.3390/electronics13142884

Chicago/Turabian Style

Lin, Boyuan, Ying Huang, Ling Xu, Zheng Xu, Guoteng Wang, and Le Zhao. 2024. "Joint Scheduling Method for Pumped Storage Units and Renewable Energy Sources" Electronics 13, no. 14: 2884. https://doi.org/10.3390/electronics13142884

APA Style

Lin, B., Huang, Y., Xu, L., Xu, Z., Wang, G., & Zhao, L. (2024). Joint Scheduling Method for Pumped Storage Units and Renewable Energy Sources. Electronics, 13(14), 2884. https://doi.org/10.3390/electronics13142884

Note that from the first issue of 2016, this journal uses article numbers instead of page numbers. See further details here.

Article Metrics

Back to TopTop