Abstract
As research into data centers progresses, the importance of resonant switched-capacitor converters in power supply design becomes more evident. Practical applications reveal that the values of resonant capacitors and inductors may deviate from their nominal values due to various factors, leading to resonant frequency instability. This instability poses a challenge to power electronics technology, affecting system reliability and performance. This paper analyzes the effect of frequency deviation on system functionality, identifies the relationship between output voltage and switching frequency, and proposes a self-tracking frequency strategy to address this issue. Through experimental validation, this approach shows that it maintains synchronization between switching and resonant frequencies, reducing losses associated with frequency misalignment. Simulation and experimental results validate the converter’s stable operation and its ability to achieve zero-voltage and zero-current switching.
1. Introduction
Resonant converters are indispensable in the realm of Point-of-Load (PoL) circuits, serving as the backbone for powering a myriad of devices that are central to modern technology infrastructure. These devices range from expansive data centers that process and store vast amounts of information, to sophisticated artificial intelligence systems that drive innovation and automation, and to personal computers that are integral to daily productivity and connectivity. The significance of resonant converters in these applications lies in their ability to efficiently manage power distribution at the load point, ensuring optimal performance and reliability of the devices they support. This efficiency is particularly critical given the increasing demand for energy conservation and the need to minimize heat generation in densely packed electronic environments [1,2,3,4]. For example, the switched-tank converters (STC) proposed by Google [5], switched capacitors (SC) proposed by UCB (University of California Berkeley) [6,7,8,9,10], products from Vicor [11] and Infineon [12], and research from the University of Cambridge exemplify the significant work in this field [13,14]. A core principle for the resonant frequency (fr) of resonant converters should be aligned with the switching frequency (fsw). However, parameter drifts, such as the variation in capacitance and inductance, lead to significant fluctuations of fr. Therefore, identifying the fsw to match the fr is extremely important.
The primary factors for fr variation are the capacitance and inductance variations. In [10], the capacitance of the selected resonant capacitors reduced 95.25% at the rated voltage. Moreover, [15] from TDK points out that the permeability of MnZn reduces 23% at −40 °C and increases 8.3% at +85 °C. Therefore, the fr variation is a critical issue.
Academic research often neglects this issue and only adjusts the fsw with trial and error. However, ref. [9] from UCB carefully selected the capacitors. Although the selected capacitors are Class II capacitors, the capacitance variation is relatively small so the fr variation can be reduced. However, these variations still exist (although reduced), even though the inductance variations are not considered. Therefore, the fr still varies.
To mitigate fr variability, the industry initially preferred high-precision components. For instance, in 2018, Google used Class I capacitors featuring high-precision dielectrics [5]. However, these Class I capacitors exhibit a significantly lower energy density compared to Class II capacitors, leading to increased size and assembly complexity. Recognizing these limitations, in 2022, Google started a transition toward Class II capacitors [16]. The shift toward intelligent control systems, as opposed to relying solely on precise, yet low-energy-density components, has proven to be an effective strategy for reducing costs, size, and complexity in industrial applications.
Besides reducing variations in fr, Infineon’s circuit architecture can tolerate this fr variation [14] and maintain a considerable efficiency within the fr variation range. Nevertheless, [10] also points out that the fr variation can result in an efficiency decrease and thermal increase.
Zero-crossing detection is effective for identifying fr. However, this technique is sensitive to noise and demands a detection circuit with exceptionally high bandwidth. As a result, its application is limited to low-frequency applications and is rare in resonant converters in SCs or STCs for data center applications.
This manuscript investigates the relationship between output voltage and switching frequency in resonant capacitor conversion circuits, identifying a voltage behavior pattern relative to resonant frequency. The findings indicate that the output voltage increases with a rise in fsw below the resonant frequency, decreases above it, and peaks when frequencies align (fr = fsw). Consequently, a control strategy is proposed, dynamically adjusting switching frequency based on output voltage feedback to optimize output and achieve frequency synchronization. This approach eliminates the need for additional sensors or precision instruments, maintaining effectiveness amidst capacitance and inductance fluctuations due to input voltage variability. Table 1 provides a comparative overview of four strategies for managing resonance frequency deviations in power converters, detailing their methods, effectiveness, advantages, and application considerations. Theoretical analysis and experimental validation confirm the strategy’s efficacy in improving power electronic system efficiency and stability. This research provides essential insights for the design and implementation of efficient, reliable resonant conversion circuits.
Table 1.
Overview of Strategies for Managing Resonance Frequency Deviations in Power Converters.
The structure of this paper is as follows: Section 2 offers a comprehensive analysis of the resonant converters. Section 3 examines and verifies the relationship between output voltage and switching frequency in the resonant capacitor conversion circuit. Section 4 provides a detailed examination of experimental outcomes, confirming the effectiveness of a self-tracking switching frequency method to ensure the system operates stably with aligned resonant and switching frequencies. Finally, Section 5 concludes this article.
2. Circuit, Operations, and the Algorithm
2.1. Circuit
Resonant converters aim to improve energy conversion efficiency, especially in data centers and large-scale power systems. If adjusted to closely align with the resonant frequency, the switching frequency enables the resonant converter to achieve lossless switching. Utilizing a resonant loop of inductors and capacitors facilitates soft switching at zero current, thereby reducing energy losses in conversion. Adjusting the switching frequency and duty cycle tailors output voltage and current to meet specific load demands.
2.2. Operations
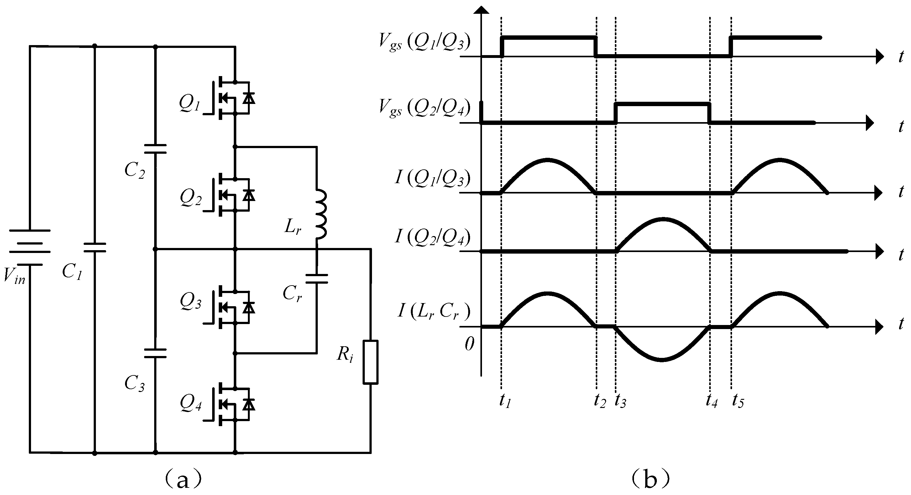
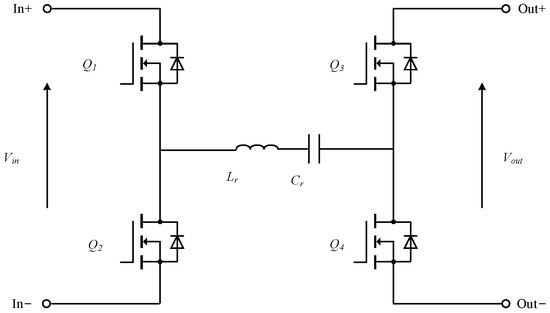
This manuscript focuses on the basic unit circuit of the resonant converter, as shown in Figure 1. The basic cell of resonant converters. In Figure 1, it connects in− to out+. The main voltage is applied between in+ and out−. A load is connected between out+ and out− to form a simple 2:1 Switched Capacitor (SC) circuit, as shown in Figure 2a. The operational principle hinges on aligning the switching frequency with the resonant frequency, resulting in the operational waveform shown in Figure 2b, where all switches have a fixed duty cycle of 50%. Q1 and Q3 switch synchronously, as do Q2 and Q4, with the latter pair acting complementary to Q1 and Q3. Figure 3, Figure 4 and Figure 5 provide an in-depth analysis of the circuit operation. The system’s main voltage, Vin, powers decoupling capacitors C2 and C3, with their voltage increments complementing each other to alternately energize the output resistor Ri. From t1 to t2, Q1 and Q3 conduct while Q2 and Q4 remain off, allowing Lr and Cr to store energy. The inductor current, taking the form of a sine wave, reaches zero at phase change, effectuating Zero-Current Switching (ZCS), as shown in Figure 3. The system enters a dead time from t2 to t3, with all switches off and the resonant tank (Lr, Cr) current at zero, as demonstrated in Figure 4. Between t3 and t4, with Q1 and Q3 off and Q2 and Q4 conducting, the current prior to Q2 and Q4 conducting drops to zero alongside their VDS, achieving Zero-Voltage Switching (fsw). In this phase, Lr and Cr discharge the energy accumulated from t1 to t2, with the inductor current inverting direction compared to t1 to t2 and supplying power to the load, as detailed in Figure 5. The system enters a dead time from t4 to t5, with all switches off and the resonant tank (Lr, Cr) current at zero, as demonstrated in Figure 6.
Figure 1.
The basic cell of resonant converters.
Figure 2.
The system circuit topology used in this paper: (a) is the circuit topology diagram, and (b) is the MOSFET gate-source voltage (Vgs) and current (IQx), and resonant inductor current (ILr) waveform diagram.
Figure 3.
During t1–t2 time, Q1 Q3 is on, and Q2 Q4 is off, the circuit current direction and the waveform of Q1–Q4 gate-source voltage (Vgs) and resonant inductor current (ILr): (a) diagram of current flow and (b) waveform diagram. The highlighted section shows the ZVS process (blue) and ZCS process (pink).
Figure 4.
During the t2–t3 time, all MOSFETs are turned off, the circuit current direction and the working waveform of Q1–Q4 gate-source voltage (Vgs) and current (IQx) and resonant inductor current: (a) diagram of current flow and (b) waveform diagram.
Figure 5.
During t3–t4 time, Q1 Q3 is turned off, Q2 Q4 is turned on, the circuit current direction and the working waveform of Q1–Q4 gate-source voltage (Vgs) and current (IQx) and resonant inductor current: (a) diagram of current flow and (b) waveform diagram. The highlighted section shows the ZVS process (blue) and ZCS process (pink).
Figure 6.
During the t4–t5 time, all MOSFETs are turned off, the circuit current direction and the working waveform of Q1–Q4 gate-source voltage (Vgs) and current (IQx) and resonant inductor current: (a) diagram of current flow and (b) waveform diagram.
2.3. Challenges
Due to the nonlinear properties of Class II dielectric materials, capacitance fluctuates sharply with its voltage changes. Figure 7 shows the DC bias characteristics of capacitors from various studies. Google initially used high-precision Class I capacitors in their 2018 STC circuit [5], but later opted for Class II capacitors with greater tolerances in 2022 [16]. Resonant Switched Capacitor Converter [6,7,8,9,10] research also predominantly employs Class II capacitors. Class II capacitors are broadly used in electronic circuits, including resonant switching circuits, for their high dielectric constant and broad temperature and capacitance ranges. However, their capacitance significantly varies with temperature and voltage, a drawback for high precision or stability needs. Class II capacitors, with their higher capacitance density, offer a significant advantage in miniaturization over Class I capacitors, making them ideal for compact power electronic applications where space is at a premium.
Figure 7.
The DC bias characteristics of capacitors from various studies [5,6,7,8,9,10,16].
Figure 8 provides a comparative analysis of Class I (C0G) and Class II (X7R) capacitors under identical resonant capacitance and direct current bias conditions. It illustrates that the resonant capacitor composed of Class II (X7R) material occupies only 3.04% of the area and 2.24% of the volume compared to its Class I (C0G) counterpart. This stark contrast underscores the substantial reduction in both footprint and volumetric space achieved through the utilization of Class II capacitors, highlighting their potential for miniaturization in power electronic applications while maintaining the same capacitance value. Although Class II capacitors may demonstrate reduced stability under DC bias, the innovative self-tracking frequency control strategy outlined in this manuscript effectively mitigates issues related to capacitor instability, thereby maintaining reliable system performance.
Figure 8.
Dimensional Comparison of Class I and Class II Capacitors with Equivalent Capacitance and Rated Voltage.
An inductor serves to store energy via a magnetic field induced by current flow within a coil. The passage of current generates heat, elevating the coil’s temperature. Such temperature increases impact the coil’s resistance and inductance, consequently altering its output voltage and current characteristics. Figure 9 depicts the variability of MnZn’s magnetic permeability with environmental conditions, demonstrating that inductance values fluctuate within ±25% across an ambient temperature range of −40 °C to 85 °C [15].
Figure 9.
The change curve of the permeability of MnZn with environmental conditions mentioned in [15].
When fsw < fr, the system waveform diagram and diagram of current flow are shown in Figure 10 and Figure 11. Within t1–t2 time, Q1 and Q3 are switched on, the charging process of the resonant capacitor ends in advance, and the energy stored on the inductor begins to discharge and reverse charge the capacitor. The blue highlighted time in the waveform diagram is shown in Figure 10a, and the system current flow diagram is shown in Figure 10b. At this time, ILr, IQ-1, and IQ-2 change direction, and the resonant capacitor is charged in reverse. At t2–t3, the system enters the dead time. Within the timeframe highlighted in blue in the waveform diagram (Figure 10c), the flow current is depicted in Figure 10d. Q1–Q4 is turned off, and the current passes through the MOSFET body diode to continue releasing the energy stored in the inductance. In t3–t4, Q2 and Q4 are switched on, the resonant inductor discharge process ends in advance, and the charging process begins. In the waveform diagram (Figure 11a), during the time highlighted in blue, the direction of system current flow is as shown in Figure 11b. At t4–t5, the system enters the dead time again. Within the timeframe highlighted in blue in the waveform diagram (Figure 11c), the flow current is depicted in Figure 11d. Q1–Q4 is turned off and flow through the MOSFET body diode, and the capacitor continues to charge. When fsw > fr, the system waveform diagram and current direction diagram are shown in Figure 12 and Figure 13. Comparing the two detuning states, although their waveform distortion is different, the current and voltage flowing through the MOSFET during the on-and-off process have overlapping regions. As a result, perfect ZVS/ZCS cannot be achieved in either detuning state, resulting in loss.
Figure 10.
When fsw < fr, during t1–t3 time, the circuit current direction and the waveform: (a) During t1–t2 time, waveform distortion analysis (blue highlighted area in the figure). (b) The current flow diagram that works abnormally in t1–t2 time. (c) During t1–t2 time, waveform distortion analysis (blue highlighted area in the figure). (d) The current flow diagram that works abnormally in t1–t2 time [14,15,16].
Figure 11.
When fsw < fr, during t3–t5 time, the circuit current direction and the waveform: (a) During t3–t5 time, waveform distortion analysis (blue highlighted area in the figure). (b) The current flow diagram that works abnormally in t3–t4 time. (c) During t4–t5 time, waveform distortion analysis (blue highlighted area in the figure). (d) The current flow diagram that works abnormally in t4–t5 time [17,18,19,20].

Figure 12.
When fsw > fr, during t1–t3 time, the circuit current direction and the waveform: (a) During t1–t2 time, waveform distortion analysis (blue highlighted area in the figure). (b) The current flow diagram that works abnormally in t1–t2 time. (c) During 0–t1 time, waveform distortion analysis (blue highlighted area in the figure). (d) The current flow diagram that works abnormally in 0–t1 time [13].
Figure 13.
When fsw > fr, during t3–t5 time, the circuit current direction and the waveform: (a) During t2–t4 time, waveform distortion analysis (blue highlighted area in the figure). (b) The current flow diagram that works abnormally in t3–t4 time. (c) During t2–t3 time, waveform distortion analysis (blue highlighted area in the figure). (d) The current flow diagram that works abnormally in t2–t3 time [16,17].
2.4. Algorithm
This manuscript introduces an algorithm designed to address disruptions stemming from variations in resonant frequency. Experimental data, as depicted in Figure 14, reveal that the converter’s output voltage achieves its maximum when the switching frequency is synchronized with the resonant frequency. Consequently, the algorithm continuously modulates the switching frequency to maintain this maximum output voltage, thereby ensuring alignment between the switching and resonant frequencies to reduce system losses attributed to frequency deviation. A flowchart detailing the algorithm’s methodology is provided in Figure 14.
Figure 14.
Flowchart of closed-loop control algorithm [18,19,20,21,22,23,24,25,26,27,28]. The related project, including the hardware design files and the software, is attached in the Supplementary Materials.
Vout represents the system’s output voltage, direction indicates the change in system switching cycles, and period denotes the number of switching cycles, with periodmin and periodmax signifying the minimum and maximum values of switching cycles, respectively. The algorithm initiates by comparing the output voltage values of two consecutive measurements. If the output voltage increases, the sign of direction remains unchanged; if the output voltage decreases, the sign of direction changes. The algorithm adjusts periodk based on the change in directionk. If periodk falls within the threshold range of switching frequencies, the program proceeds to the next cycle; if periodk < periodmin or periodk > periodmax, define periodk as the boundary value for adjacent periods (periodmin or periodmax), subsequently proceeding with the iterative process.
The algorithm optimizes the system’s switching cycles by iteratively adjusting the period based on the output voltage’s direction of change. It maintains the period within the specified minimum and maximum thresholds, ensuring stability and efficiency in the system’s performance. The algorithm’s start-up phase involves an initial measurement of the system’s output voltage, Vout, which establishes a baseline for subsequent comparisons. This phase is critical as it sets the initial conditions for the direction indicator, directionk, which will influence the adjustment of the switching cycles’ period. By comparing the initial Vout with the following measurement, the algorithm determines the initial trend in voltage change, setting the stage for the iterative process that continuously adapts the system’s response to achieve optimal performance within the defined thresholds. This start-up procedure ensures that the system begins its operation with a clear directive for maintaining voltage stability and efficiency.
3. Simulation
Conducted Simulink simulations on the proposed circuit involved varying the switching frequency and recording the resultant changes in output voltage.
Data analysis, shown in Figure 15, reveals a relationship where output voltage increases with the switching frequency (fsw) below the resonant frequency (fr), decreases when fsw exceeds fr, and peaks at fsw = fr.
Figure 15.
Curve of Output Voltage Gain as a Function of Switching Frequency with a Unique Maximum Value [29,30,31,32].
The voltage across the MOSFET’s source and drain (VDS) and the current through resonator Lr (ILr) were measured. At fsw = fr, Figure 16 shows the simulation waveform, indicating that the system operates at the resonant point with minimal circuit impedance, ensuring stable output voltage and current. This stability facilitates consistent output performance and parameter uniformity, even with fluctuating load conditions. When fsw < fr, the waveform is shown in Figure 17. The resonance current experiences over-resonance, leading to circuit resonance amplitudes significantly exceeding expectations and causing abnormal increases in voltage or current. This can result in component overheating or damage and circuit performance instability. When fsw > fr, the waveform is shown in Figure 18. Significant voltage and current overlap impede the attainment of ideal Zero-Voltage Switching (ZVS) or Zero-Current Switching (ZCS), causing the switching device to operate under non-ideal conditions. This escalates switching losses and culminates in additional heat production.
Figure 16.
The simulation waveform of the current flowing in the resonant inductor and the voltage at both ends of Q1 source and drain when fsw = fr.
Figure 17.
The simulation waveform of the current flowing in the resonant inductor and the voltage at both ends of Q1 source and drain when fsw < fr.
Figure 18.
The simulation waveform of the current flowing in the resonant inductor and the voltage at both ends of Q1 source and drain when fsw > fr.
The proposed methodology incorporates a self-tuning frequency mechanism that dynamically synchronizes the switching frequency with the resonant frequency. This strategy effectively addresses the issue of non-zero-voltage switching due to resonance inaccuracies, a technical challenge not adequately resolved by conventional technologies. In the simulation, the variations of the resonant inductor and resonant capacitor during actual operation are modeled. Utilizing the algorithm we proposed, the optimal point of the output voltage is determined to control the switching frequency of the system. This ensures that the system consistently produces the optimal output. Figure 19 illustrates the dynamic results of the simulation system, demonstrating that when a deviation in the resonant frequency occurs, the system adjusts the switching frequency in a timely manner by monitoring the output voltage. Ultimately, this allows the system to return to an optimal state where zero-voltage turn-on and zero-current turn-off can be achieved. Table 2 contrasts Self-Frequency Tracking with Conventional Methods for ZVS achievement amidst resonance frequency shifts. It details their approaches to frequency adjustment, resonance accuracy, and technical application, highlighting Self-Frequency Tracking’s adaptability and precision in maintaining system performance under varying conditions.
Figure 19.
Dynamic Response of Self-Tracking Frequency System with Variable Resonant Components in Simulation.
Table 2.
Resolving ZVS Challenges: A Comparative Study of Self-Frequency Tracking and Conventional Methods.
Table 3 lists the relevant parameters of the simulation system. Fundamentally, the resonant frequency exhibits a significant correlation with the switching frequency. The mismatch between the resonant frequency and the switching frequency results in decreased output voltage. Aligning the resonant frequency with the switching frequency is crucial for enhancing circuit performance and system reliability. Based on the relationship between the output voltage and the switching frequency, we believe that the proposed method is feasible.
Table 3.
The modules and their parameters in the simulation system are listed.
4. Discussion Results
The test prototype is shown in Figure 20. The device parameters utilized in the experimental setup are enumerated in Table 4. The circuit comprises four MOSFET switches, a sampling resistor for measuring ILr, decoupling capacitors, as well as resonant inductors and capacitors. The configuration features four inputs: two dedicated to driver signal inputs, one for VDD, and one for GND. Activation of the four MOSFETs is facilitated by a driver chip. The launchpad generates two complementary PWM drive signals, records the output voltage, and manages feedback control tasks.

Figure 20.
Converter prototype for PCB top view and up view, and test prototype: (a) PCB top view, (b) PCB up view, (c) Setup prototype.
Table 4.
The parameters of the resonant converter are proposed.
In an open-loop configuration, varying the switching frequency allows for recording the output voltage and establishing a relationship curve between the switching frequency and output voltage under different input voltages, as Figure 21 shows. The closed-loop system automatically adjusts the switching frequency to a stable state, identified as fsw-s, where the output voltage reaches its maximum. Figure 22 displays the VDS and ILr waveform. When operating in an open loop, if the switching frequency deviates from the specified fsw-s, as illustrated in Figure 23 and Figure 24, the waveform of ILr distorts. This distortion leads to an increase in current, which prevents the MOSFETs from turning off at zero current. Figure 25 and Figure 26 show the experimental results of the system during open-loop operation and closed-loop operation respectively. In closed-loop mode, dynamic experimental results, as depicted in Figure 27 and Figure 28, demonstrate that variations in the system’s main voltage prompt instantaneous modifications in ILr. These modifications rapidly converge to the new steady state. Figure 29 displays the steady-state outcomes of the closed-loop system under varying input voltages. The system also continues to operate effectively with load changes, with results shown in Figure 30.
Figure 21.
The output voltage varies with the switching frequency of the system. The red curve shows the relation between the output voltage and the switching frequency when the input voltage is 6 V; the green curve shows the relation between the output voltage and the switching frequency when the input voltage is 12 V; the blue curve shows the relation between the output voltage and the switching frequency when the input voltage is 24 V.
Figure 22.
Experimental waveform of the current flowing in the resonant inductor (ILr) and the voltage at both ends of Q1 source and drain (VDS) when fsw = fr.
Figure 23.
Experimental waveform of the current flowing in the resonant inductor (ILr) and the voltage at both ends of Q1 source and drain (VDS) when fsw < fr.
Figure 24.
Experimental waveform of the current flowing through the resonant inductor and the voltage at both ends of Q1 source and drain (VDS) when fsw > fr.
Figure 25.
Experimental results of the system in open-loop operation.
Figure 26.
Experimental results of closed-loop operation of the system.
Figure 27.
Dynamic test diagram: the input voltage from 12 V to 24 V capacitance value drops sharply, the resonant frequency drifts instantaneously, and the best advantage is obtained after about 1.2 s closed-loop control.
Figure 28.
Dynamic experiment diagram: the input voltage from 6 V to 24 V capacitance value drops sharply, the resonant frequency shifts instantaneously, after about 2.4 s of closed-loop control to get the best advantage, and then the input voltage from 24 V to 6 V capacitance value increases, after about 2 s of closed-loop control back to the best advantage.
Figure 29.
The variable input voltage changes the system waveform: (a) is the input voltage of 24 V, (b) is the input voltage of 20 V, (c) is the input voltage of 18 V, (d) is the input voltage of 16 V.
Figure 30.
The system waveform changes under the changing load current: (a) the output current is 1.2 A, (b) the output current is 1 A, (c) the output current is 0.8 A, and (d) the output current is 0.4 A.
5. Conclusions
This research addresses resonant frequency instability in resonant capacitor converters by implementing a self-tracking frequency approach. The system’s capability to synchronize the switching and resonant frequencies was experimentally validated, thereby reducing losses due to frequency misalignment. Our analysis revealed a critical correlation between output voltage and switching frequency. The proposed converter achieved stable operation with zero-voltage and zero-current switching, as evidenced by both simulation and experimental results This research contributes to the field by offering a novel approach to addressing resonant frequency instability, enhancing the reliability and performance of resonant converters. It opens avenues for future investigations into the broader application and optimization of resonant conversion technologies.
Supplementary Materials
The following supporting information can be downloaded at https://www.mdpi.com/article/10.3390/electronics13112029/s1.
Author Contributions
Conceptualization, Y.D., D.C., F.Y., C.J., T.L., K.L., J.Q. and H.Z.; Methodology, Y.D., J.Z. and H.Z.; Software, Y.D. and J.Z.; Validation, Y.D., J.Z., W.Y. and F.Y.; Formal analysis, Y.D., J.Z. and D.C.; Investigation, Y.D., D.C., W.Y., F.Y., C.J., T.L., K.L., J.Q. and H.Z.; Resources, Y.D., J.Z., D.C. and H.Z.; Data curation, Y.D. and W.Y.; Writing—original draft, Y.D. and H.Z.; Writing—review & editing, F.Y., C.J., T.L., K.L., J.Q. and H.Z.; Visualization, W.Y.; Supervision, W.Y.; Project administration, C.J., T.L., K.L., J.Q. and H.Z.; Funding acquisition, H.Z. All authors have read and agreed to the published version of the manuscript.
Funding
This research received no external funding.
Data Availability Statement
The original contributions presented in the study are included in the article/Supplementary Materials, further inquiries can be directed to the corresponding author/s.
Conflicts of Interest
Author Fan Yue was employed by the company CSSC-Wuxi Silent Electric System (SES) Technology Co., Ltd. The remaining authors declare that the research was conducted in the absence of any commercial or financial relationships that could be construed as a potential conflict of interest.
References
- International Energy Agency (IEA). Tracking Data Centres and Data Transmission Networks 2020; IEA: Paris, France, 2020. [Google Scholar]
- Jijuan, L.; Lirong, H.; Miaohong, X.; Chi, Z.; Dewei, L. The Application of Data Mining and Fusion Technology in the Security Management of Sensitive Data in Data Center. In Proceedings of the 2021 IEEE International Conference on Data Science and Computer Application (ICDSCA), Dalian, China, 29–31 October 2021; pp. 464–467. [Google Scholar] [CrossRef]
- Jones, N. How to stop data centres from gobbling up the world’s electricity. Nature 2018, 561, 163–167. [Google Scholar] [CrossRef] [PubMed]
- Ding, W.; Li, W.; Zhang, R.; Zhang, Q.; Yang, C. A Large Scale Data Transmission Control Mechanism across Data Centers. In Proceedings of the 2017 Fifth International Conference on Advanced Cloud and Big Data (CBD), Shanghai, China, 13–16 August 2017; pp. 20–25. [Google Scholar] [CrossRef]
- Jiang, S.; Saggini, S.; Nan, C.; Li, X.; Chung, C.; Yazdani, M. Switched Tank Converters. IEEE Trans. Power Electron. 2019, 34, 5048–5062. [Google Scholar] [CrossRef]
- Ye, Z.; Lei, Y.; Pilawa-Podgurski, R.C.N. A 48-to-12 V Cascaded Resonant Switched-Capacitor Converter for Data Centers with 99% Peak Efficiency and 2500 W/in3 Power Density. In Proceedings of the 2019 IEEE Applied Power Electronics Conference and Exposition (APEC), Anaheim, CA, USA, 17–21 March 2019; pp. 13–18. [Google Scholar] [CrossRef]
- Zhu, Y.; Ye, Z.; Pilawa-Podgurski, R.C.N. Modeling and Analysis of Switched-Capacitor Converters With Finite Terminal Capacitances. IEEE Trans. Power Electron. 2024, 39, 6640–6653. [Google Scholar] [CrossRef]
- Ge, T.; Ye, Z.; Abramson, R.A.; Pilawa-Podgurski, R.C.N. A 48-to-12 V Cascaded Resonant Switched-Capacitor Converter Achieving 4068 W/in3 Power Density and 99.0% Peak Efficiency. In Proceedings of the 2021 IEEE Applied Power Electronics Conference and Exposition (APEC), Phoenix, AZ, USA, 14–17 June 2021; pp. 1335–1342. [Google Scholar] [CrossRef]
- Ye, Z.; Lei, Y.; Pilawa-Podgurski, R.C.N. A resonant switched capacitor based 4-to-1 bus converter achieving 2180 W/in3 power density and 98.9% peak efficiency. In Proceedings of the 2018 IEEE Applied Power Electronics Conference and Exposition (APEC), San Antonio, TX, USA, 4–8 March 2018; pp. 121–126. [Google Scholar] [CrossRef]
- Ye, Z.; Lei, Y.; Pilawa-Podgurski, R.C.N. The Cascaded Resonant Converter: A Hybrid Switched-Capacitor Topology With High Power Density and Efficiency. IEEE Trans. Power Electron. 2020, 35, 4946–4958. [Google Scholar] [CrossRef]
- Vicor Corporation. The PI33XX: Zero-Voltage Switching Applied to Buck Regulation; Vicor Corporation: Andover, MA, USA, 2012. [Google Scholar]
- Infineon Technologies AG. Solving the Power Density Challenge: How Innovation in Power Management Enable Artificial Intelligence in Hyperscale Datacenters; Infineon Technologies AG: Neubiberg, Germany, 2020. [Google Scholar]
- Jiang, C.Q.; Li, X.R.; Ghosh, S.S.; Zhao, H.; Shen, Y.F.; Long, T. Nanocrystalline Powder Cores for High-Power High-Frequency Power Electronics Applications. IEEE Trans. Power Electron. 2020, 35, 10821–10830. (In English) [Google Scholar] [CrossRef]
- Zhao, H.; Shen, Y.; Ying, W.; Qi, J.; Jiang, C.; Long, T. Mixed Analog Digital (MAD) Converters for High Power Density DC-DC Conversions. IEEE Trans. Power Electron. 2020, 35, 7742–7748. [Google Scholar] [CrossRef]
- Kącki, M.; Rylko, M.S.; Hayes, J.G.; Sullivan, C.R. Magnetic material selection for EMI filters. In Proceedings of the 2017 IEEE Energy Conversion Congress and Exposition (ECCE), Cincinnati, OH, USA, 1–5 October 2017; pp. 2350–2356. [Google Scholar] [CrossRef]
- Balutto, M.; Ripamonti, G.; Antoszczuk, P.D.; Michelis, S.; Iob, F.; Dago, A.; Saggini, S. Switched Tank Converter: Quasi-Resonant Regulation for Soft Start and Mismatch Mitigation Technique. IEEE Trans. Power Electron. 2023, 38, 15016–15031. [Google Scholar] [CrossRef]
- Li, Y.; Wei, M.; Lyu, X.; Ni, Z.; Cao, D. Analysis and Design of High-Efficiency Modular Multilevel Resonant DC-DC Converter. IEEE Open J. Power Electron. 2022, 3, 755–771. [Google Scholar] [CrossRef]
- Lyu, X.; Li, Y.; Ren, N.; Nan, C.; Cao, D.; Jiang, S. Optimization of High-Density and High-Efficiency Switched-Tank Converter for Data Center Applications. IEEE Trans. Ind. Electron. 2020, 67, 1626–1637. [Google Scholar] [CrossRef]
- Chen, M.; Perreault, D.J.; Afridi, K.K. Switched-Capacitor Split Drive Transformer Power Conversion Circuit. U.S. Patent No. 9,825,545, 21 November 2017. [Google Scholar]
- Liu, X.; Qiu, M.; Hobbs, K.; Dahneem, A.; Meng, H.; Cao, D. A 500 kW 1600 V Zero-Voltage Switching Resonant Switched-Capacitor DC-DC Converter for Electric Trucks and Electric Aircraft Application. In Proceedings of the 2023 IEEE Energy Conversion Congress and Exposition (ECCE), Nashville, TN, USA, 29 October–2 November 2023; pp. 2084–2090. [Google Scholar] [CrossRef]
- Li, Y.; Lyu, X.; Cao, D.; Jiang, S.; Nan, C. A 98.55% Efficiency Switched-Tank Converter for Data Center Application. IEEE Trans. Ind. Appl. 2018, 54, 6205–6222. [Google Scholar] [CrossRef]
- Fan, S.; Sun, L.; Duan, J.; An, Q.; Bi, K.T.; Zhang, K.; Wang, Y. An Improved Interleaved DC-DC Converter with Zero Voltage Switching Operation. In Proceedings of the 2018 IEEE Transportation Electrification Conference and Expo, Asia-Pacific (ITEC Asia-Pacific), Bangkok, Thailand, 6–9 June 2018; pp. 1–5. [Google Scholar] [CrossRef]
- Yuanmao, Y.; Cheng, K.W.E.; Yeung, Y.P.B. Zero-Current Switching Switched-Capacitor Zero-Voltage-Gap Automatic Equalization System for Series Battery String. IEEE Trans. Power Electron. 2012, 27, 3234–3242. [Google Scholar] [CrossRef]
- Tayebi, S.M.; Hu, H.; Abdel-Rahman, S.; Batarseh, I. Dual-Input Single-Resonant Tank LLC Converter with Phase Shift Control for PV Applications. IEEE Trans. Ind. Appl. 2019, 55, 1729–1739. [Google Scholar] [CrossRef]
- Tayebi, S.M.; Hu, H.; Abdel-Rahman, O.; Batarseh, I. Design and analysis of a dual-input single-resonant tank LLC converter for PV applications. In Proceedings of the 2018 IEEE Applied Power Electronics Conference and Exposition (APEC), San Antonio, TX, USA, 4–8 March 2018; pp. 476–483. [Google Scholar] [CrossRef]
- Katche, M.L.; Makokha, A.B.; Zachary, S.O.; Adaramola, M.S. A Comprehensive Review of Maximum Power Point Tracking (MPPT) Techniques Used in Solar PV Systems. Energies 2023, 16, 2206. [Google Scholar] [CrossRef]
- Mahesh, P.V.; Meyyappan, S.; Alla, R.R. Maximum power point tracking using decision-tree machine-learning algorithm for photovoltaic systems. Clean Energy 2022, 6, 762–775. [Google Scholar] [CrossRef]
- Elbarbary, Z.M.S.; Alranini, M.A. Review of maximum power point tracking algorithms of PV system. Front. Eng. Built Environ. 2021, 1, 68–80. [Google Scholar] [CrossRef]
- Fernandez, K.; Pilawa-Podgurski, R.C.N. A 1-to-10 Fixed-Ratio Step-up Multi-Resonant Cascaded Series-Parallel (CaSP) Switched-Capacitor Converter with Zero-Current Switching. In Proceedings of the 2023 11th International Conference on Power Electronics and ECCE Asia (ICPE 2023—ECCE Asia), Jeju Island, Republic of Korea, 22–25 May 2023; pp. 729–735. [Google Scholar] [CrossRef]
- Vicor Corporation; NBM Bus Converter. 2317S60E1560T0R. Vicor Corporation, Product Data Sheet, Rev 1.8, July 2021. Available online: https://www.vicorpower.com/documents/datasheets/ds-NBM2317S60E1560T0R-VICOR.pdf (accessed on 16 July 2021).
- Algamluoli, A.F.; Wu, X. A High-Efficiency DC-DC Converter Based on Series/Parallel Switched Inductor Capacitors for Ultra-High Voltage Gains. Appl. Sci. 2024, 14, 998. [Google Scholar] [CrossRef]
- Ni, Z.; Li, Y.; Liu, C.; Wei, M.; Cao, D. A 100-kW SiC Switched Tank Converter for Transportation Electrification. IEEE Trans. Power Electron. 2020, 35, 5770–5784. [Google Scholar] [CrossRef]
Disclaimer/Publisher’s Note: The statements, opinions and data contained in all publications are solely those of the individual author(s) and contributor(s) and not of MDPI and/or the editor(s). MDPI and/or the editor(s) disclaim responsibility for any injury to people or property resulting from any ideas, methods, instructions or products referred to in the content. |
© 2024 by the authors. Licensee MDPI, Basel, Switzerland. This article is an open access article distributed under the terms and conditions of the Creative Commons Attribution (CC BY) license (https://creativecommons.org/licenses/by/4.0/).