Abstract
Due to the complexity of the Automotive Electromagnetic Compatibility legislation in force, this article aims to describe a simplified overview of several technical standards relating to conducted immunity tests on electronic sub-assemblies, where communication lines are involved. The discussed automotive standards reported in this article are: ISO 11452-1 and ISO 11452-4 for continuous narrowband electromagnetic fields immunity test, bulk current injection and tubular wave coupler, IEC 61000-4-5 for immunity against surge events, IEC 61000-4-4 for electrical fast transient/burst events immunity, ISO 10605 for electrostatic discharge events immunity, ISO 7637-2 and ISO 7637-3 for transient disturbances events immunity. For each cited standard, disturbance bandwidth evaluation was performed. Practical examples are reported, with analysis and discussion of some of the adoptable disturbance countermeasures applicable on controlled area network communication lines, and possible design advantages and disadvantages with different types of filtering and suppression circuit solutions.
1. Introduction
In EMC, immunity tests are necessary to evaluate the robustness of a system against disturbance events. These could be radiated or conducted and differ in terms of amplitude levels, frequency range, phase, modulation, and propagation mode (common mode, CM, differential mode, DM). Typically, these tests are performed on each electrical sub-assembly (ESA) and particular attention should be taken when communication lines are directly involved. Indeed, inside an electrical vehicle (EV), ESAs exchange information with the electrical control unit (ECU), adopting different protocols as controlled area network (CAN) [1], CAN with flexible data-rate (CAN FD) [2,3], local interconnect network, (LIN) [4], FlexRay [5], and automotive Ethernet [6]. For this purpose, there is a dedicated circuit board in which all the transceivers are placed. The signal travelling through these lines needs to be preserved, avoiding data loss or communication drops; therefore, it is necessary to know how the system behaves when disturbance events occur. These events could occur with high or low repetition frequency and could have high energy content, becoming critical in order to guarantee system reliability. The test procedures described in this article refer to conducted immunity tests: bulk current injection and tubular wave coupler (BCI and TWC), according to ISO 11452-1 [7] and ISO 11452-4 [8]; immunity against surge and burst events, according to IEC 61000-4-5 [9] and IEC 61000-4-4 [10]; electrostatic discharge (ESD) immunity, according to ISO 10605 [11]; and fast and slow transient pulses, according to ISO 7637-2 [12] and ISO 7637-3 [13]. The last section of this article describes an example of a circuital solution suitable for a CAN bus in order to fulfil standard/carmaker requirements, highlighting design constraints and critical points.
2. Immunity Verification Methods
2.1. BCI and TWC
Device under test (DUT) performances against continuous narrowband electromagnetic fields are evaluated according to ISO 11452-4, injecting the disturbance signal into its harness. Two methods are reported in the standard: BCI and TWC. BCI aims to inject a disturbing current by means of an inductive clamp to the harness of the DUT through the transformer’s working principle. The frequency range at which BCI is applied goes from 100 kHz to 400 MHz and the standard describes two different test methods: substitution and closed loop. Both methods are based on the concept that the injected power is used as a reference for both calibration and testing. The disturb current could be applied to DUT harnesses by means of multiple current clamps, making it possible to use a dedicated probe for monitoring purposes. Test level profiles, in which different injected current level profiles are reported as a function of the frequency and severity level, are reported in Figure 1.
Figure 1.
BCI Test profiles according to different severity levels. ISO 11452-4 indicates four stress levels applied to the DUT, depending on the required operational characteristics.
Injected disturbances, according to ISO 11452-1, could be a continuous wave (CW), amplitude-modulated (AM) or pulse-modulated (PM) signal; for AM, the modulation signal frequency is 1 kHz and the modulation index is 0.8 in order to guarantee peak value conservation, typically reported into the test plan as AM, 1 kHz 80%, modulated signal is reported in Figure 2.
Figure 2.
Amplitude-modulated BCI signal, modulation index m = 0.8.
TWC is the other method described in ISO 11452-4; this method is based on a directional coupler mechanism in which the disturbances are coupled to the DUT harnesses through a transverse electromagnetic (TEM) wave emitted by the tubular waveguide. The frequency range covered goes from 400 MHz to 3 GHz and is well suited for small and shielded DUTs. In this case, the DUT is not only subjected to the conducted disturbances resulting from waveguide coupling to harnesses but also to radiation whose fields close directly to the DUT [8].
BCI is one of the tests reported in UN-ECE R.10 [14] as an immunity test of an ESA involved in rechargeable energy storage systems (REESS) charging mode coupled to the power grid, such as on-board chargers (OBCs), in which the injection probe is clamped on low voltage (LV) and high voltage (HV) lines. For an EV, the BCI test is applied only if dimensions exceed at least one of these values: 4 m in height, 12 m in length or 2.6 m in width, as reported in [14].
2.2. Surge Event
The surge test is described in IEC 61000-4-5 and aims to reproduce and quantify the robustness of a system against high-energy impulse disturbances. Surge events could be related to high-power switching activities, failures, from natural events, as lighting, or from military activities (EMP). These events are reproduced through a combination wave generator (CWG) and opportunely coupled to the lines. Two of the CWGs reported into standard are: 1.2/50–8/20 μs, and 10/700–5/320 μs. An example of surge waveform is shown in Figure 3.
Figure 3.
Normalized open circuit voltage of 1.2/50 μs and short circuit current of 8/20 μs CWG surge waveform.
Surges are typically performed in both CM (line to ground) and DM (line to line), positive and negative amplitude, 5 times for a total test duration of 60 s. The overall impulse duration, in the order of hundreds of microseconds, exhibits slow rise and fall time with high amplitude (from 0.5 kV to a value possibly greater than 4 kV). One of the EV components that could be involved in a surge event is on-board chargers (OBCs) which are connected to the power grid and through which the disturbances are propagated typically caused by a lightning strike, system faults (e.g., short-circuit, arcing faults), and load changes in the power distribution network. The standard includes three types of coupling networks that must be used depending on communication speed (e.g., standard is defined as high-speed communication lines, all of which operate at frequencies above 100 kHz). Capacitor coupling networks are useful for low-data-rate systems not exhibiting any non-linear distortion, but increasing the lines equivalent load capacitance implies further evaluation of their effect on the tested lines. The Transzorb coupling network exhibits high non-linear distortion and low capacitive load effects on the bus. The presence of the diode reduces the pulse amplitude; however, it could be adjusted once the voltage drop is known. The last type of coupling network uses gas arrestors, which have the advantage of not having capacitive load effects on the lines and on the amplitude of the pulse; nevertheless, it presents high non-linearity every time it goes into a conductive state [9]. Depending on communication type and cable length, different test levels can be applied: unsymmetrical communication lines can be tested line-to-line up to 2 kV, and line-to-ground up to 4 kV; symmetrical communication lines can be tested only in line-to-ground coupling up to 4 kV; and shielded communication lines can be tested only in line-to-ground coupling up to 4 kV.
2.3. EFT/Burst Events
Also known as electrical fast transient (EFT), a burst event is defined in IEC 61000-4-4 as a “Sequence of a limited number of distinct pulses or an oscillation of limited duration”. Burst events are similar to surge events; however, they differ deeply in terms of impulse timing. Figure 4 depicts typical waveforms of a burst train, where the single pulse refers to a 50 Ω load case [10].
Figure 4.
Burst train pulses and single-pulse waveform (50 Ω load case).
The burst set-up shares similarities with surge: an EFT waveform generator is used to set the impulse trains, which are injected by means of a capacitive coupling network that must be well placed around the cable in order to maximize the capacitive coupling factor, which shall fall in the range of 100 pF–1 nF. A capacitive clamp is the preferred method for communication lines; however, due to mechanical constraints such as DUT size, cable routing, and cable length, it can be replaced with conductive tape/foil in such a way as to reproduce the same coupling factor or with discrete 100 pF capacitors directly connected to the lines.
The standard describes five test levels distinguished among power port-PE and I/O-data-control ports. For I/O-data-control ports, the voltage peak value goes from 0.25 kV to 2 kV with a repetition rate (RR) of 5 kHz to 100 kHz. Level X is an open level that can be customized, depending on the product type [9].
2.4. Electrostatic Discharge
The reference test method standard for the electronics module on a vehicle is ISO 10605. An electrostatic discharge (ESD) event can easily occur during the operating life of a component/module, starting from its production up to its placement, shipment, and usage. The ESD classical waveform types are human body model (HBM), machine model (MM), and charge device model (CDM). However, these models are inadequate for system-level tests, so ISO 10605 recalls IEC 61000-4-2, which specifies a more stringent ESD waveform able to quantify robustness at the system level. Figure 5 shows the 2 kV ESD current waveform.
Figure 5.
IEC 61000-4-2 4 kV and 6 kV ESD pulse current waveform.
Differently from surges, ESD events are low-energy (1 to 10 mJ) fast events, whose rise time is in the range of a few nanoseconds. ISO 10605 describes three different test configurations: direct, indirect, and handling. Direct tests rely on an electrostatic discharge on the DUT, with the ESD gun applying the disturbance by direct contact with the DUT or through air. An indirect test is performed through discharge of the gun to a horizontal coupling plane on points placed at a specific distance with respect to the DUT. The handling test aims to simulate human body discharge when the DUT is handled, and service case discharge; two ESD guns are used for that purpose [11,15].
2.5. ISO 7637-2 & ISO 7637-3
Immunity against transient disturbances coupled on lines is described by ISO 7637-3. Part 2 describes the waveforms of the various impulses, while Part 3 of the standard describes coupling mechanisms, which are the capacitive coupling clamp (CCC) method, the direct capacitive coupling (DCC) method, and the inductive coupling clamp (ICC) method. Four different severity levels are described for both 12 V and 24 V electrical system, as well as the expected shape of the pulses (slow pulses 1, 2a, and 2b; fast pulses 3a and 3b). The 3a and 3b pulse shapes are reported in Figure 6. In a vehicle: pulse 1 simulates the transient effects caused by supply disconnection from inductive loads; pulse 2a simulates transients caused by a sudden interruption of current in a device connected in parallel, with respect to DUT, instead of pulse 2b transients from DC motors; and pulse 3a and 3b simulate transients caused by switching activities of nearby devices such as a DC/DC converter and an OBC.
Figure 6.
ISO 7637-3 pulses: waveform pulse 3a and pulse 3b (negative and positive transient voltage).
The CCC method is only suitable for coupled fast transient pulses when the DUT presents several leads, using a capacitive clamp such as the one used for burst events. Supply lines should not be included in the CCC except for extra auxiliary equipment such as sensors and actuators. The DCC method implies a discrete high-voltage non-polarized capacitor for coupling the disturbances; capacitor value changes according to transient speed (slow pulses 0.1 µF, fast pulses 100 pF). In the case of a fast transient, capacitors should be placed in a shielding enclosure and bonded to the ground, whereas for balanced symmetrical lines, one capacitor per line should be connected. The ICC method is suitable for slow transient pulses; as a CCC, it can be applied on many lines. The ICC coupling mechanism is the same as that of the BCI test [13].
3. Frequency Content of Disturbance Signals
An important and critical aspect during the design phase is the frequency content of disturbance signals. As suggested in [16], it is possible to collect time-related information for all disturbances, such as rise-time, pulse duration, period, and the amplitude of the signal, which are useful to estimate the frequency spectrum of each signal. Table 1 summarizes rise-time and duration time for all aforementioned disturbances, which are useful to calculate the first and second corner frequencies of the spectrum reported in Figure 7.
Table 1.
Rise-time and duration times for disturbance signals frequency spectrum calculations.
Figure 7.
Frequency spectrum of disturbance signals, considering f1 and f2 from Table 1; energy level is reported qualitatively.
4. Countermeasures against Conducted Disturbances on CAN Communications
The CAN communication standard was developed by Robert Bosch GmbH in 1983 as a multi-master message broadcast system to replace the complex wiring harness with a simple two-wire bus. Each node communicates in a broadcast way under the supervision of a central bus master [1,17]. The first release of the CAN communication was created for automotive applications in a noisy environment. To cite an example, in combustion engine vehicles, each time the motor is ignited, disturbance events occur and propagate through the battery lines. A worse condition occurs in EVs, in which the switching action of the DC/DC and AC/DC converters, inverter, and motor relies not only on new communication nodes to be managed but also on new noise sources. The first thing to be considered is the number of electronic control units (ECUs), referred to as nodes, to be managed, so the connection topology and in which way the CAN bus is connected to each node. Bus topology allows connecting several nodes properly matched with a 120 Ω resistor (or a 60 Ω splitted solution) in order to ensure maximum transmitted power and low reflection. The higher the number of nodes, the lower the maximum frequency at which the communication occurs. In fact, it is possible to verify this by inspecting the −3 dB bandwidth during scattering transmission coefficient (S21) measurements between nodes. The introduction of new nodes and their cabling layout critically affects the maximum data rate.
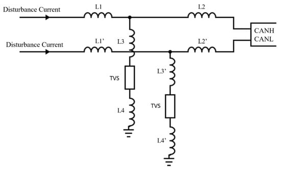
The datasheet of a CAN transceiver, e.g., [18,19,20,21,22], reports its strength against disturbances such as maximum rated voltages for ESD and transient pulses. Modern transceivers are robustly designed and do not need any additional circuitry. However, as a practical rule, it is better to place additional components to improve system reliability and fulfil carmaker requirements, which are standard-based but typically more stringent. As the conventional literature proposes, the dissipation of the disturbance energy and the creation of a low-impedance path to ground to deviate it are the keys to reaching compliance and ensuring signal integrity. In the case of balanced communication such as CAN, whenever a more robust solution is required, at the transceiver pins CAN high (CANH) and CAN low (CANL) a common mode choke (CMC) is usually placed with some bus-to-ground capacitor, Cbus, in order to exhibit a high CM impedance, composing an LC low-pass filter topology in which the CMC ensures high CM inductance values and a low DM inductance value [23]. The CMC/Cbus solution is effective for all tests performed in CM, such as BCI/TWC and ISO 7637 impulses. Also, a common-mode RC filter could be placed between CANH and CANL, with resistance and capacitance values depending on the line characteristic impedance and communication bandwidth. The CMC and Cbus capacitors are useful for disturbance suppression but critical in bus-failure events. As suggested in [24], unwanted transient voltage occurs if one of the bus lines is shorted to Vcc, causing unwanted EMI generation. The CMC core type, winding type, and inductance values contribute to the voltage transient level; toroidal core typically performs better with respect to I Bar core. A suitable solution for CAN bus is reported in Figure 8, where the CAN transceiver is protected by CMC, Cbus, an RC filter, and two TVS that are placed in proximity of bus pins in order to clamp unwanted voltage transients caused by CMC when bus failure occurs. However, the solution reported in [24] shows its vulnerability against a surge event that must always be intercepted at the connector level, and transient voltage suppressors (TVS) are not the only available solution on the market.
Figure 8.
Typical solution for CAN bus protection against conducted disturbances.
Against EFT transient disturbances, surge and ESD suppressor components can be placed on CANH and CANL to limit the maximum voltage peak to a safe value, improving DUT immunity. Various types of suppressors are available on the market: (i) Zener diode, (ii) TVS diode, (iii) metal oxide varistor (MOV), and (iv) avalanche diode. A transient voltage suppressor acts as a voltage-clamping device limiting the voltage peaks to a level equal to its breakdown voltage. Depending on manufacturing construction, they might differ in terms of velocity, energy handling, and parasitic capacitance. The main characteristics that must be considered during the design phase are: clamping voltage, which must be lower with respect to the maximum rated voltage of the transceiver; working voltage, which must be greater than the supply voltage; parasitic capacitance, which influences other devices such as bus-to-ground capacitance; and the maximum allowable frequency of the communication line. Other important parameters are the peak power dissipation and the rated standoff voltage. The Zener diode and TVS are well suited for high-/medium-speed data lines but cannot handle high-energy events and present different failure strategies (Zener usually fails open, the transient voltage suppressor as a short circuit). The introduction of a RC tank in series with TVS improves its lifetime by limiting the current flow through it [16]; however, the equivalent impedance of the noise path to ground increases as well, so it is important to have a very good ground connection. MOV and avalanche diodes are well suited against high-energy events; however, MOV presents quite a high equivalent capacitance, which limits communication frequency; avalanche diodes, due to their conduction mechanism, are known to be quite noisy, but if they are not overheated, they do not break up during a high-energy disturbance event. The typical stray capacitance values of these components are reported in Table 2.
Table 2.
Typical stray capacitance values for protective devices.
Considering a 1 MHz CAN bus, if a TVS diode is chosen, the overall equivalent capacitance will be less than 30 pF in order to guarantee signal integrity [10]. For automotive applications, a 500 kHz CAN bus is implemented, so the overall equivalent capacitance will be kept below 100 pF in order to fulfil bit-timing requirements, as specified in the transceiver datasheet [20]. Clearly, the capacitance value has to be lower/higher for higher/lower communication speed. Suppressor impedance also shows a resonance due to the equivalent IC parasitic inductance, and this can lead to a possible design issue for high frequency tests. This could be prevented through an accurate choice of the Cbus. An example of TVS diode impedance is shown in Figure 9; TVS exhibits 3.3 nF capacitance, reaching a maximum value of 22 nF at resonant frequency.

Figure 9.
Example of a TVS non-operating state impedance measured through VNA and its parasitic capacitance.
Most adopted components are TVS diodes that show a good trade-off in terms of capacitive load, velocity, integration (arrayed IC solution) and cost. The last aspects of knowing how to act against disturbances are the suitable location of protection circuits and how to find the best components aimed at fulfilling this. The golden rule is to place protection circuitry close to connectors and sensible devices in order to suppress the disturbances at the very beginning, thereby avoiding propagation through parasitic capacitances/inductances into other circuit traces close to the tested lines, which is particularly effective against surge events. However, a solution suggested in [24] is exactly the opposite, being a design constraint. In addition, at the printed circuit board (PCB) level, the protection circuitry traces will exhibit the lowest parasitic inductance possible from the disturbance source to ground, avoiding high series impedance and unwanted resonances. As an example, for ESD immunity, parasitic inductances are detrimental; due to high dI/dt, the voltage drop on each trace connecting the ESD source through TVS to ground could be quite high. Considering an 8 kV ESD event, dI/dt is equal to a 40 × 109 A/s leading on 20 V in the event of an inductance trace equal to 0.5 nH (VL = dI/dt·L). Figure 10 shows parasitic inductances that should be considered during the PCB layout of a protection component such as a TVS. A connection between a noise source and a protection circuit through VIAs must be avoided as much as possible. VIAs introduce series parasitic inductances, and any current that does pass through them will increase the voltage presented to the protection circuit. Whenever VIAs are necessary it is recommended to place them between the protection circuit and the device that must be protected (CAN transceiver). Because transients such as ESDs and bursts present a wide-frequency bandwidth from tens to hundreds of MHz, high-frequency layout techniques must be adopted during the PCB design phase. CANH and CANL traces must be straight and as short as possible. Corners are a strong source of electro-magnetic interferences (EMI); 45° or curved traces with the largest radius possible are preferred with respect to a 90° angle; indeed, 90° corners are strong EMI sources.
Figure 10.
Parasitic inductances due to traces and VIAs between CAN data lines and ground. L3 and L4 should be as low as possible in order to minimize L·dI/dt voltage amplitude.
In Figure 10, the ground plane inductance is not considered; nevertheless, how the ground plane is designed is known to be one of the key factors for good performance. In [25], four different PCBs are simulated and measured to find out how the current return path, due to ESD transient noise, propagates with different ground plane designs. Additionally, the effect of a TVS placed close to the noise source, in the middle of a transmission line, and close to the device that must be protected, is reported, highlighting how current distribution on the ground plane is confined when protection circuitry is placed close to the noise source. To minimize parasitic inductance to the ground, multiple stitching VIAs must be placed in order to connect the protection circuit ground pad to one or multiple ground planes. Furthermore, stitching VIAs must be as large as possible to maximize the surface contact area (both inside and outside), thereby improving parasitic inductance minimization. For a VIA diameter of 0.7 mm and a substrate height of 1.54 mm, its parasitic inductance can be calculated and is equal to 304.9 pH. In Figure 11, simulation results for the ANSYS Electronics Desktop for the circuit in Figure 10 are reported, where an automotive dual-line ESDCAN series TVS is simulated and the voltage drop of the VIA to ground is considered. Input impedance of the TVS reported in [19] is applied.
Figure 11.
Simulation results of an 8 kV ESD effect on a VIA that connect a TVS to ground. VIA is characterized by parasitic inductances equal to 304.9 pH.
Asymmetries along a differential path constitute a vulnerability point both in terms of emission and immunity due to noise mode conversion; as an example, the disturbance induced by an ESD event could be coupled from the ground to a differential signal path due to CM-to-DM conversion caused by asymmetries. As reported in [26,27], potential sources of asymmetries can be the stray inductance of the CMC (from 10 nH to 300 nH) and 60 Ω termination resistor values. Asymmetries could also be determined by PCB lay-out. In Figure 12, a simulated CAN bus circuit (a) and the impact of bus trace asymmetries along CAN bus lines (b) are shown, highlighting how CM-to-DM noise conversion increases as a ΔL (between L_TRACES_CANH and L_TRACES_CANL) is applied between CANH and CANL. At the transceiver side, typical input resistance is considered.
Figure 12.
Simulated circuit (a) and transient results (b) of the CAN bus asymmetries introduced by PCB traces: comparison between ΔL = 0 nH and ΔL = 40 nH is shown.
5. Conclusions
In conclusion, in a vehicle, different sources of noise are present and must be taken into consideration in every single device design phase. In order to verify the conducted immunity and robustness of a device, different tests at the system level must be performed according to the standards, and considering the carmaker requirements, which could be more stringent. Those tests aim to replicate vehicle conditions by stressing the DUT with different voltage levels, current levels, energy levels, coupling mode, phase angle, and frequency content, looking for possible deviations with respect to normal operative conditions. In this article, these immunity tests are reported: bulk current injection and tubular wave coupler (BCI and TWC), according to ISO 11452-1 and ISO 11452-4; immunity against surge and burst events, according to IEC 61000-4-5 and IEC 61000-4-4; electrostatic discharge (ESD) immunity, according to ISO 10605; fast and slow transient pulses, according to ISO 7637-2 and ISO 7637-3. Those tests become crucial if devices are installed on EVs in which AC/DC and DC/DC converters, inverters, and motors are present, and whenever communication lines are involved. Immunity verification on vehicle communication lines, such as CAN, is crucial; therefore, particular attention must be paid during the design phase in order to fulfil the requirements. The CAN bus communication was created as a robust system, but it needs external protection circuitry such as CMCs, bus capacitors, and TVS diodes. An example of protection circuit is reported and discussed, highlighting that the choice of a single-component, cabling strategy, PCB layout is quite critical and must be carefully evaluated. Protection circuits and filters have to be placed close to the noise source, intercepting noise at the beginning. Traces and VIAs introduce parasitic inductances relying on a critical point during the layout phase; parasitic inductances should be minimized as much as possible. The ground also plays an important role in the noise current return path, and simulation results for the PCB trace asymmetries between CANH and CANL are reported, justifying why it must be avoided.
Author Contributions
Conceptualization, L.V. and A.T.; methodology, L.V. and L.D.; validation, L.V., A.T. and L.D.; formal analysis, L.D., A.C. and S.R.; resources, S.R.; writing—original draft preparation, S.R.; writing—review and editing, L.V., A.T., A.C. and L.D.; supervision, A.T., L.D. and L.V. All authors have read and agreed to the published version of the manuscript.
Funding
This research received no external funding.
Conflicts of Interest
The authors declare no conflict of interest.
References
- Bosch, R. Automotive Handbook; Robert Bosch GmbH: Gerlingen, Germany, 2000; Volume 30, pp. 2–20. [Google Scholar]
- Hartwich, F. CAN with Flexible Data-Rate. Available online: https://www.can-cia.org/fileadmin/resources/documents/proceedings/2012_hartwich.pdf (accessed on 8 February 2023).
- Bosch, R. CAN with Flexible Data-Rate Specification, Version 1.0; Robert Bosch GmbH: Gerlingen, Germany, 2011. [Google Scholar]
- Hackett, E. LIN Protocol and Physical Layer Requirements; Texas Instruments: Dallas, TX, USA, 2022. [Google Scholar]
- Chen, X.; Tan, J. Research for FlexRay Communication Based on OSEK/VDX. In Proceedings of the 2011 International Conference on Computer Science and Service System (CSSS), Nanjing, China, 27–29 June 2011; pp. 3412–3414. [Google Scholar] [CrossRef]
- Hank, P.; Müller, S.; Vermesan, O.; Van Den Keybus, J. Automotive Ethernet: In-Vehicle Networking and Smart Mobility. In Proceedings of the Design, Automation & Test in Europe Conference & Exhibition, Grenoble, France, 18–22 March 2013; pp. 1735–1739. [Google Scholar] [CrossRef]
- ISO11452-1; Road Vehicles—Component Test Methods for Electrical Disturbances from Narrowband Radiated Electromagnetic Energy—Part 1: General Principles and Terminology. International Organization for Standardization: Geneva, Switzerland, 2015.
- ISO11452-4; Road Vehicles—Component Test Methods for Electrical Disturbances from Narrowband Radiated Electromagnetic Energy—Part 4: Harness Excitation Methods. International Organization for Standardization: Geneva, Switzerland, 2020.
- IEC61000-4-5; Electromagnetic Compatibility (EMC)—Part 4-5: Testing and Measurement Techniques—Surge Immunity Test. International Electrotechnical Commission: Geneva, Switzerland, 2017.
- IEC61000-4-4; Electromagnetic Compatibility (EMC)—Part 4-4: Testing and Measurement Techniques—Electrical Fast Transient/Burst Immunity Test. International Electrotechnical Commission: Geneva, Switzerland, 2012.
- ISO10605; Road Vehicles—Test Methods for Electrical Disturbances from Electrostatic Discharge. International Organization for Standardization: Geneva, Switzerland, 2008.
- ISO7637-2; Road Vehicles—Electrical Disturbances from Conduction and Coupling—Part 2: Electrical Transient Conduction along Supply Lines Only. International Organization for Standardization: Geneva, Switzerland, 2011.
- ISO7637-3; Road Vehicles—Electrical Disturbances from Conduction and Coupling—Part 3: Electrical Transient Transmission by Capacitive and Inductive Coupling via Lines Other than Supply Lines. International Organization for Standardization: Geneva, Switzerland, 2016.
- United Nation. Addendum 9—UN Regulation No. 10 Revision 6; United Nation: New York, NY, USA, 2019. [Google Scholar]
- Javor, V.; Lundengård, K.; Rancic, M.; Silvestrov, S. ‘Electrostatic discharge currents and their derivatives’ approximation by piecewise power-exponential functions. Turk. J. Electr. Eng. Comput. Sci. 2018, 26, 1093–1102. [Google Scholar] [CrossRef]
- Lepkowski, J. System Level Surge Suppression Solution for the CAN Bus; On Semiconductor: Phoenix, AZ, USA, 2006. [Google Scholar]
- Corrigan, S. Introduction to the Controlled Area Network (CAN); Texas Instruments: Dallas, TX, USA, 2002. [Google Scholar]
- NXP Semiconductors N.V. High Speed CAN Transceiver with Standby Mode. Available online: https://www.nxp.com/products/interfaces/can-transceivers/can-with-flexible-data-rate/high-speed-can-transceiver-with-standby-mode:TJA1049 (accessed on 8 February 2023).
- NXP Semiconductors B.V. AN10211 TJA1040 High Speed CAN Transceiver. Available online: https://www.nxp.com.cn/docs/en/application-note/AN10211.pdf (accessed on 8 February 2023).
- Texas Instruments. TCAN1462-Q1 and TCAN1462V-Q1 Automotive Fault-Protected CAN FD Transceiver with Signal Improvement Capability (SIC) and Standby Mode; Texas Instruments: Dallas, TX, USA, 2022. [Google Scholar]
- NXP Semiconductors. TJA1043—High Speed CAN Transceiver; NXP Semiconductors: Eindhoven, The Netherlands, 2017. [Google Scholar]
- NXP Semiconductors. TJA1441—High speed CAN Transceiver; NXP Semiconductors: Eindhoven, The Netherlands, 2020. [Google Scholar]
- Lepkowski, J.; Wolfe, B.; Lepkowski, W. EMI/ESD Solutions for the CAN Network. In Proceedings of the 2005 IEEE Networking, Sensing and Control, Tucson, AZ, USA, 19–22 March 2005; pp. 413–418. [Google Scholar] [CrossRef]
- Skroppa, O.-K.; Monroe, S. Common Mode Chokes in CAN Networks: Source of Unexpected Transients; Texas Instruments: Dallas, TX, USA, 2008. [Google Scholar]
- Lin, H.-N.; Huang, J.-Y.; Huang, Y.-C.; Lin, M.-S.; Ho, T.-H.; Su, C.-H. Analysis of PCB Return Path Configuration Effect on Transient ESD Suppression. In Proceedings of the 2019 Joint International Symposium on Electromagnetic Compatibility, Sapporo and Asia-Pacific International Symposium on Electromagnetic Compatibility (EMC Sapporo/APEMC), Sapporo, Japan, 3–7 June 2019; pp. 214–217. [Google Scholar] [CrossRef]
- Austermann, C.; Frei, S. Analysis on Common to Differential Mode Conversion Within Automotive Communication Systems. In Proceedings of the 2021 IEEE International Joint EMC/SI/PI and EMC Europe Symposium, Raleigh, NC, USA, 26 July–13 August 2021; pp. 180–185. [Google Scholar] [CrossRef]
- Miropolsky, S.; Roebl, M. Uncertainty of CAN RF Emission Test Results due to Common Mode Choke Asymmetry. In Proceedings of the 2019 International Symposium on Electromagnetic Compatibility—EMC EUROPE, Barcelona, Spain, 2–6 September 2019; pp. 860–865. [Google Scholar] [CrossRef]
Disclaimer/Publisher’s Note: The statements, opinions and data contained in all publications are solely those of the individual author(s) and contributor(s) and not of MDPI and/or the editor(s). MDPI and/or the editor(s) disclaim responsibility for any injury to people or property resulting from any ideas, methods, instructions or products referred to in the content. |
© 2023 by the authors. Licensee MDPI, Basel, Switzerland. This article is an open access article distributed under the terms and conditions of the Creative Commons Attribution (CC BY) license (https://creativecommons.org/licenses/by/4.0/).