Design and Implementation of Embedded Controller-Based Energy Storage and Management System for Remote Telecom
Abstract
1. Introduction
2. Block Diagram
3. System Blueprint
3.1. Wind and Solar System
| S.No | Solar Constraints | Gain |
|---|---|---|
| 1 | Voltage present at highest power | 53 V |
| 2 | Current present at highest power | 22 A |
| 3 | Reference temperature | 60 °C |
| 4 | Voc, open circuit voltage | 52.8 V |
| 5 | Isc, short circuit current | 21 A |
| S.No | Solar Parameters | Values |
|---|---|---|
| 1 | Wind speed | 12 m/s |
| 2 | Voltage present at highest power | 323 V |
| 3 | Current present at highest power | 3 A |
| 4 | Type of DC Machine | PMSM |
| 5 | Maximum power | 1260 W |
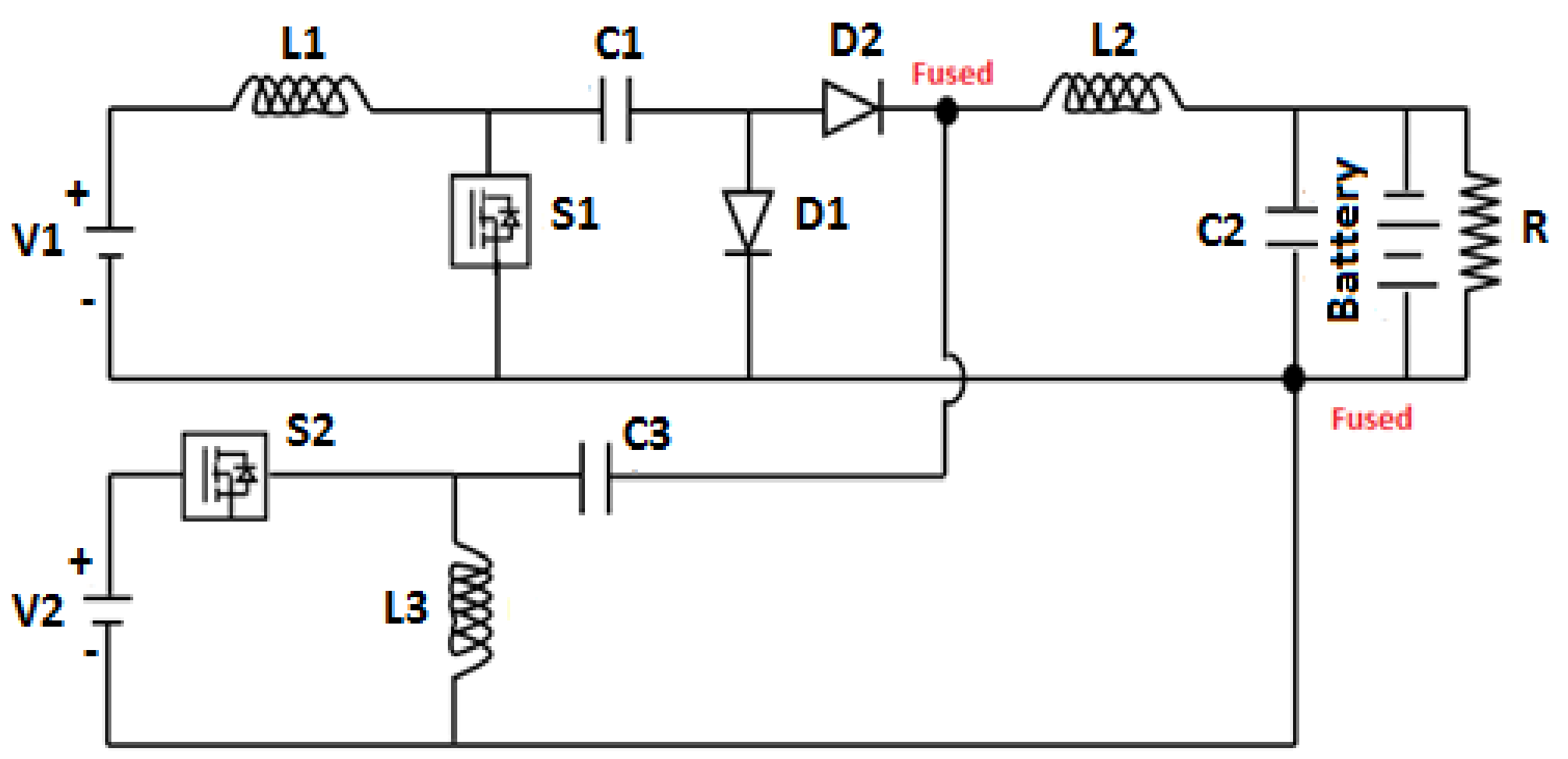
3.2. Cuk-Luo Integrated Converter
3.3. Embedded Controller Design Procedure for the Cuk-Luo Integrated Converter
3.3.1. Battery Specifications
| (a) | |||||
|---|---|---|---|---|---|
| SOC | At Charging | ||||
| Voltage at (C/15) | Voltage at (C/30) | Voltage at (C/50) | Voltage at (C/75) | ||
| 10 | 22.5 | 22 | 21.4 | 21 | |
| 20 | 22.32 | 22.21 | 22.1 | 22 | |
| 30 | 22.63 | 22.4 | 22.3 | 22.2 | |
| 40 | 22.92 | 22.5 | 22.45 | 22.42 | |
| 50 | 23.98 | 23.25 | 23.2 | 23.1 | |
| 60 | 23.52 | 23.5 | 23.4 | 23.3 | |
| 70 | 23.74 | 23.63 | 23.61 | 23.5 | |
| 80 | 24 | 23.9 | 23.7 | 23.6 | |
| 90 | 24.24 | 24.13 | 24.12 | 24.24 | |
| 100 | 24.46 | 24.2 | 24.15 | 24.1 | |
| (b) | |||||
| SOC | At discharging | ||||
| Voltage at (C/15) | Voltage at (C/30) | Voltage at (C/50) | Voltage at (C/75) | Voltage at (C/150) | |
| 10 | 24 | 22.6 | 21.23 | 21.22 | 21.2 |
| 20 | 23.2 | 22.82 | 22.8 | 22.7 | 22 |
| 30 | 23.3 | 23.2 | 23 | 22.9 | 22.4 |
| 40 | 23.6 | 23.4 | 23.3 | 23.2 | 22.6 |
| 50 | 23.7 | 23.5 | 23.4 | 23.3 | 22.8 |
| 60 | 24.2 | 23.9 | 23.6 | 23.5 | 22.9 |
| 70 | 24.4 | 24.4 | 24.2 | 23.9 | 23 |
| 80 | 24.8 | 24.45 | 24.3 | 24.2 | 23.2 |
| 90 | 25 | 24.6 | 24.4 | 24.3 | 23.3 |
| 100 | 25.2 | 24.8 | 24.5 | 23.4 | 23.6 |
3.3.2. Battery Operation
Mode 1
Mode 2
Mode 3
Mode 4
Mode 5
4. Simulation Results and Discussion
5. Prototype Implementation
6. Conclusions
Author Contributions
Funding
Data Availability Statement
Acknowledgments
Conflicts of Interest
References
- Naziruddin, N.; Abdurahman, F.; Radhiah, R.; Maimun, M.; Bakar, S.A. Design and Implementation of Substitution Power Supply at Base Transceiver Station (BTS) Using Hybrid Distributed Generator Wind Turbine and Solar Cell Powers. Sci. J. PPI-UKM 2017, 4, 70–75. [Google Scholar]
- Ahmed, F.; Naeem, M.; Ejaz, W.; Iqbal, M.; Anpalagan, A.; Kim, H.S. Renewable Energy Assisted Traffic Aware Cellular Base Station Energy Cooperation. Energies 2018, 11, 99. [Google Scholar] [CrossRef]
- Bhattacharya, D.; Kumar, T. Modeling and Control of a Solar/Wind Hybrid Energy System for BTS. Int. J. Appl. Eng. Res. 2014, 9, 11621–11630. [Google Scholar]
- Kumar, K.S.; Bhaskar, G.; Raghaveder, C. Power Management of Cell Sites. Int. Refereed J. Eng. Sci. (IRJES) 2013, 2, 41–45. [Google Scholar]
- Hossam, K.; Mikhail, A.R.; Hafez, I.M.; Anis, W.R. Optimum Design of PV Systems for BTS in Remote and Urban Areas. Int. J. Sci. Technol. Res. 2016, 5, 1–9. [Google Scholar]
- Joga Rao, G.; Shrivastava, S.K.; Ranjith, V.L. Analysis and simulation of hybrid solar- wind renewable energy systems. Int. J. Innov. Res. Electr. Electron. Instrum. Control Eng. 2016, 4, 33–38. [Google Scholar]
- Pandiyan, P.; Sitharthan, R.; Saravanan, S.; Prabaharan, N.; Ramji Tiwari, M.; Chinnadurai, T.; Yuvaraj, T.; Devabalaji, K.R. A comprehensive review of the prospects for rural electrification using stand-alone and hybrid energy technologies. Sustain. Energy Technol. Assess. 2022, 52, 102155. [Google Scholar] [CrossRef]
- Manikandan, A.; Vadivel, N. Design and implementation of luo converter for electric vehicle applications. Int. J. Eng. Trends Technol. (IJETT) 2013, 4, 4437–4441. [Google Scholar]
- Taylor, P.; Aravind, C.K.; Ilango, G.S.; Nagamani, C.; Jaya Bharata Reddy, M. A control strategy for hybrid autonomous power system with a battery management scheme. Electr. Power Compon. Syst. 2015, 43, 37–41. [Google Scholar]
- He, Y.; Luo, F.L. Analysis of Luo converters with voltage-lift circuit. IEEE Proc. -Electr. Power Appl. 2005, 152, 1239–1252. [Google Scholar] [CrossRef]
- Rashid, M.H. Power Electronics Handbook; Butterworth-Heinemann: Oxford, UK, 2017. [Google Scholar]
- Mengi, O.O.; Altas, I.H. A New energy management technique for PV/wind/grid renewable energy system. Int. J. Photo Energy Hindawi Publ. Corp. 2015, 2015, 1–20. [Google Scholar] [CrossRef]
- Almi, M.F.; Arrouf, M.; Belmili, H.; Boulouma, S.; Bendib, B. Energy management of wind/PV and battery hybrid system. Int. J. New Comput. Archit. Appl. (IJNCAA) 2014, 4, 30–38. [Google Scholar] [CrossRef]
- Zarrad, O.; Hajjaji, M.A.; Jemaa, A.; Mansouri, M.N. Sizing Control and Hardware Implementation of a Hybrid Wind-Solar Power System, Based on an ANN Approach, for Pumping Water. Int. J. Photo Energy Hindawi Publ. Corp. 2019, 2019, 1–15. [Google Scholar] [CrossRef]
- Shrivastava, A.; Calhoun, B.H. Modelling DC-DC converter efficiency and power management in ultralow power systems. In Proceedings of the IEEE Subthreshold Microelectronics Conference (SubVT), Waltham, MA, USA, 9–10 October 2012; pp. 1–3. [Google Scholar]
- Ayang, A.; Ngohe-Ekam, P.S.; Videme, B.; Temga, J. Power consumption: Base stations of telecommunication in sahel zone of cameroon: Typology based on the power consumption—Model and energy savings. J. Energy Hindawi Publ. Corp. 2016, 2016, 3161060. [Google Scholar] [CrossRef]
- Chandrasekar, B.; Nallaperumal, C.; Dash, S.S. A nonisolated three-port DC–DC converter with continuous input and output currents based on Cuk topology for PV/fuel cell applications. Electronics 2019, 8, 214. [Google Scholar] [CrossRef]
- Thayumanavan, P.; Kaliyaperumal, D.; Subramaniam, U.; Bhaskar, M.S.; Padmanaban, S.; Leonowicz, Z.; Mitolo, M. Combined Harmonic Reduction and DC Voltage Regulation of A Single DC Source Five-Level Multilevel Inverter for Wind Electric System. Electronics 2020, 9, 979. [Google Scholar] [CrossRef]
- Alavi, O.; Rajabloo, T.; De Ceuninck, W.; Daenen, M. Non-Isolated DC-DC Converters in Fuel Cell Applications: Thermal Analysis and Reliability Comparison. Appl. Sci. 2022, 12, 5026. [Google Scholar] [CrossRef]
- Mahafzah, K.A.; Obeidat, M.A.; Al-Shetwi, A.Q.; Ustun, T.S. A Novel Synchronized Multiple Output DC-DC Converter Based on Hybrid Flyback-Cuk Topologies. Batteries 2022, 8, 93. [Google Scholar] [CrossRef]
- Khan, H.R.; Kazmi, M.; Ashraf, H.B.; Hashir Bin Khalid, M.; Hasan, A.; Qazi, S.A. An Isolated Power Factor Corrected Cuk Converter with Integrated Magnetics for Brushless DC Ceiling Fan Applications. Electronics 2021, 10, 1720. [Google Scholar] [CrossRef]
- Priyadarshi, N.; Bhaskar, M.S.; Azam, F.; Singh, M.; Dhaked, D.K.; Taha, I.B.; Hussien, M.G. Performance Evaluation of Solar-PV-Based Non-Isolated Switched-Inductor and Switched-Capacitor High-Step-Up Cuk Converter. Electronics 2022, 11, 1381. [Google Scholar] [CrossRef]
- Haider, Z.; Ulasyar, A.; Khattak, A.; Zad, H.S.; Mohammad, A.; Alahmadi, A.A.; Ullah, N. Development and Analysis of a Novel High-Gain CUK Converter Using Voltage-Multiplier Units. Electronics 2022, 11, 2766. [Google Scholar] [CrossRef]
- Jegha, A.; Darcy, G.M.S.P.; Nallapaneni, M.K.S.; Ghosh, A. Optimally tuned interleaved Luo converter for PV array fed BLDC motor driven centrifugal pumps using whale optimization algorithm—A resilient solution for powering agricultural loads. Electronics 2020, 9, 1445. [Google Scholar] [CrossRef]
- Chincholkar, S.H.; Malge, S.V.; Patil, S.L. Design and analysis of a voltage-mode non-linear control of a non-minimum-phase positive output elementary Luo converter. Electronics 2022, 11, 207. [Google Scholar] [CrossRef]
- Gholizadeh, H.; Shahrivar, R.S.; Hashemi, M.R.; Afjei, E.; Gorji, S.A. Design and implementation a single-switch step-up DC-DC converter based on cascaded boost and luo converters. Energies 2021, 14, 3584. [Google Scholar] [CrossRef]
- Margaret Amutha, W.; Harshini, H.; Rajini, V. A new green energy interface for telecommunications. Int. J. Electron. 2018, 105, 1831–1854. [Google Scholar] [CrossRef]
- Amutha, W.; Margaret, V.R.; Rajini, V. A novel parallel power conversion technique for efficiency improvement in hybrid DC/DC converter based rural telephony. In Proceedings of the 2013 International Conference on Renewable Energy and Sustainable Energy (ICRESE), Coimbatore, India, 5–6 December 2013; IEEE: Piscataway, NJ, USA, 2013; pp. 64–69. [Google Scholar]
- Roumila, Z.; Rekioua, D.; Rekioua, T. Energy management based fuzzy logic controller of hybrid system wind/photovoltaic/diesel with storage battery. Int. J. Hydrog. Energy 2017, 42, 19525–19535. [Google Scholar] [CrossRef]
- Bendary, A.F.; Ismail, M.M. M.M. Battery Charge Management for Hybrid PV/Wind/Fuel Cell with Storage Battery. Energy Procedia 2019, 162, 107–116. [Google Scholar] [CrossRef]
- Schimpe, M.; Becker, N.; Lahlou, T.; Holger, C.; Hesse, A.J. Energy efficiency evaluation of grid connection scenarios for stationary battery energy storage systems. Energy Procedia 2018, 155, 77–101. [Google Scholar] [CrossRef]
- Ibrahim, H.; Anani, N. Variations of PV module parameters with irradiance and temperature. Energy Procedia 2017, 134, 276–285. [Google Scholar] [CrossRef]
- Chong, L.W.; Wong, Y.W.; Rajkumar, R.K.; Isa, D. Modelling and Simulation of Standalone PV Systems with Battery super capacitor Hybrid Energy Storage System for a Rural Household. Energy Procedia 2016, 107, 232–236. [Google Scholar] [CrossRef]
- Barta, G.; Pasztor, B.; Prava, V. Optimized Charge Controller Schedule in Hybrid Solar-Battery Farms for Peak Load Reduction. Energies 2021, 14, 7794. [Google Scholar] [CrossRef]
- Munzke, N.; Schwarz, B.; Hiller, M. Intelligent control of household Li-ion battery storage systems. Energy Procedia 2018, 155, 17–31. [Google Scholar] [CrossRef]
- Gajewski, P.; Pieńkowski, K. Control of the Hybrid Renewable Energy System with Wind Turbine, Photovoltaic Panels and Battery Energy Storage. Energies 2021, 14, 1595. [Google Scholar] [CrossRef]
- Znaczko, P.; Szczepanski, E.; Kaminski, K.; Chamier-Gliszczynski, N.; Kukulski, J. Experimental diagnosis of the heat pipe solar collector malfunction. A case study. Energies 2021, 14, 3050. [Google Scholar] [CrossRef]
- Tasmin, N.; Farjana, S.H.; Hossain, M.R.; Golder, S.; Parvez Mahmud, M.A. Integration of Solar Process Heat in Industries: A Review. Clean Technol. 2022, 4, 97–131. [Google Scholar] [CrossRef]
- Uzhytchak, M.; Smolková, B.; Lunova, M.; Jirsa, M.; Frtús, A.; Kubinová, Š.; Dejneka, A.; Lunov, O. Iron oxide nanoparticle-induced autophagic flux Is regulated by interplay between p53-mTOR axis and Bcl-2 signaling in hepatic cells. Cells 2020, 9, 1015. [Google Scholar] [CrossRef]
- Jafari, S.; Sohani, A.; Hoseinzadeh, S.; Pourfayaz, F. The 3E Optimal Location Assessment of Flat-Plate Solar Collectors for Domestic Applications in Iran. Energies 2022, 15, 3589. [Google Scholar] [CrossRef]















| Modes | Switch | VL1 | VL2 | VL3 | |
|---|---|---|---|---|---|
| Sw1 | Sw2 | ||||
| 1 | ON | ON | V1 | VC3-Vo | V2 |
| 2 | ON | OFF | V1 | VC3-Vo | V2-VC3 |
| 3 | OFF | ON | V1-VC1 | VC3-Vo | V2 |
| 4 | OFF | OFF | V1-VC1 | VC3-Vo | -VC3 |
| Elements Involved in Hardware | ||
|---|---|---|
| Coil (Inductor) | L1 | 140 μH |
| L2 | 420 μH | |
| L3 | 480 μH | |
| Charging Capacitors | C1 | 300 μf |
| C2 | 330 μf | |
| C3 | 330 μf | |
| Load | DC | 100 watts |
| Input DC sources | V1 | 54 V |
| V2 | 55 V | |
| Frequency | 20 kHz | |
Disclaimer/Publisher’s Note: The statements, opinions and data contained in all publications are solely those of the individual author(s) and contributor(s) and not of MDPI and/or the editor(s). MDPI and/or the editor(s) disclaim responsibility for any injury to people or property resulting from any ideas, methods, instructions or products referred to in the content. |
© 2023 by the authors. Licensee MDPI, Basel, Switzerland. This article is an open access article distributed under the terms and conditions of the Creative Commons Attribution (CC BY) license (https://creativecommons.org/licenses/by/4.0/).
Share and Cite
Nalina, B.S.; Chilambarasan, M.; Tamilselvi, S.; Al Alahmadi, A.A.; Alwetaishi, M.; Mujtaba, M.A.; Kalam, M.A. Design and Implementation of Embedded Controller-Based Energy Storage and Management System for Remote Telecom. Electronics 2023, 12, 341. https://doi.org/10.3390/electronics12020341
Nalina BS, Chilambarasan M, Tamilselvi S, Al Alahmadi AA, Alwetaishi M, Mujtaba MA, Kalam MA. Design and Implementation of Embedded Controller-Based Energy Storage and Management System for Remote Telecom. Electronics. 2023; 12(2):341. https://doi.org/10.3390/electronics12020341
Chicago/Turabian StyleNalina, B. S., M. Chilambarasan, S. Tamilselvi, Ahmad Aziz Al Alahmadi, Mamdooh Alwetaishi, M. A. Mujtaba, and M. A. Kalam. 2023. "Design and Implementation of Embedded Controller-Based Energy Storage and Management System for Remote Telecom" Electronics 12, no. 2: 341. https://doi.org/10.3390/electronics12020341
APA StyleNalina, B. S., Chilambarasan, M., Tamilselvi, S., Al Alahmadi, A. A., Alwetaishi, M., Mujtaba, M. A., & Kalam, M. A. (2023). Design and Implementation of Embedded Controller-Based Energy Storage and Management System for Remote Telecom. Electronics, 12(2), 341. https://doi.org/10.3390/electronics12020341

