A Survey on the State-of-the-Art and Future Trends of Multilevel Inverters in BEVs
Abstract
1. Introduction
2. High DC Link Voltage Benefits Light-Duty Passenger BEVs
2.1. BEV Battery Pack and Battery Management
2.2. Charging Stations and Extremely Fast Charging (XFC)
2.3. Copper and Cables
2.4. Electric Motors
3. Multilevel Inverters
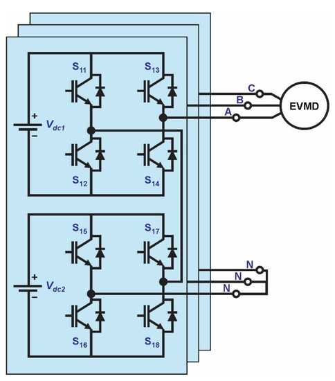
3.1. Cascade H-Bridge MLI
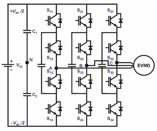
3.2. NPC MLI
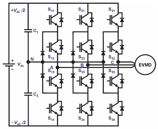
3.3. Flying Capacitor MLI
3.4. MLIs: Design and Power Loss Considerations
4. Comparison between MLIs and Conventional 2-Level Inverters
4.1. CHB MLI versus 2-Level Inverter
4.2. A 3-Level NPC MLI versus 2-Level Inverter
4.3. Comparison Results of Different Inverter Topologies
5. State-of-the-Art of MLIs in All Electric Vehicles
5.1. MLI in Electric Railway
5.2. MLI in Electric Ships
5.3. MLI in Aircraft
5.4. MLI in Road Transport
5.5. MLIs on the Market and Future Trends
6. Conclusions
Author Contributions
Funding
Data Availability Statement
Conflicts of Interest
Abbreviations
| BEV | Battery electric vehicle |
| BESS | Battery energy storage system |
| CHB | Cascade H-bridge |
| DCC | Diode-clamped converter |
| HEV | Hybrid electric vehicle |
| EV | Electric vehicle |
| FC | Flying capacitor |
| FACTS | Flexible AC transmission system |
| GaN | Gallium nitride |
| ICEV | Internal combustion engine vehicle |
| MLI | Multilevel inverter |
| NPC | Neutral point clamped |
| NVH | Noise, vibration, and harshness |
| PWM | Pulse-width modulation |
| RES | Renewable energy sources |
| SES | Stationary energy storage |
| SoC | State of charge |
| THD | Total harmonic distortion |
| XFC | Extremely fast charging |
| WBG | Wide bandgap |
References
- Cars, Planes, Trains: Where Do CO2 Emissions from Transport Come from? Available online: https://ourworldindata.org/co2-emissions-from-transport (accessed on 23 March 2023).
- Sustainable and Smart Mobility Strategy. Available online: https://ec.europa.eu/info/law/better-regulation/have-your-say/initiatives/12438-sustainable-and-smart-mobility-strategy_en (accessed on 4 April 2023).
- Adib, A.; Shadmand, M.B.; Shamsi, P.; Afridi, K.K.; Amirabadi, M.; Fateh, F.; Ferdowsi, M.; Lehman, B.; Lewis, L.H.; Mirafzal, B.; et al. E-Mobility—Advancements and Challenges. IEEE Access 2019, 7, 165226–165240. [Google Scholar] [CrossRef]
- Meintz, A.; Zhang, J.; Vijayagopal, R.; Kreutzer, C.; Ahmed, S.; Bloom, I.; Burnham, A.; Carlson, R.B.; Dias, F.; Dufek, E.J.; et al. Enabling Fast Charging—Vehicle Considerations. J. Power Source 2017, 367, 216–227. [Google Scholar] [CrossRef]
- Tu, H.; Feng, H.; Srdic, S.; Lukic, S. Extreme Fast Charging of Electric Vehicles: A Technology Overview. IEEE Trans. Transp. Electrif. 2019, 5, 861–878. [Google Scholar] [CrossRef]
- Deb, N.; Singh, R.; Brooks, R.R.; Bai, K.; Barrero, F.; Kao, M.H. A Review of Extremely Fast Charging Stations for Electric Vehicles. Energies 2021, 14, 7566. [Google Scholar] [CrossRef]
- Electric Vehicle Database. Available online: https://ev-database.org/ (accessed on 25 May 2023).
- Bubert, A.; Oberdieck, K.; Xu, H.; De Doncker, R.W. Experimental Validation of Design Concepts for Future EV-Traction Inverters. In Proceedings of the 2018 IEEE Transportation and Electrification Conference and Expo, ITEC 2018, Long Beach, CA, USA, 13–15 June 2018; Institute of Electrical and Electronics Engineers Inc.: Piscataway, NJ, USA, 2018; pp. 347–352. [Google Scholar]
- Poorfakhraei, A.; Narimani, M.; Emadi, A. A Review of Multilevel Inverter Topologies in Electric Vehicles: Current Status and Future Trends. IEEE Open J. Power Electron. 2021, 2, 155–170. [Google Scholar] [CrossRef]
- Jung, C. Power Up with 800-V Systems: The Benefits of Upgrading Voltage Power for Battery-Electric Passenger Vehicles. IEEE Electrif. Mag. 2017, 5, 53–58. [Google Scholar] [CrossRef]
- Keyser, M.; Pesaran, A.; Li, Q.; Santhanagopalan, S.; Smith, K.; Wood, E.; Ahmed, S.; Bloom, I.; Dufek, E.; Shirk, M.; et al. Enabling Fast Charging—Battery Thermal Considerations. J. Power Source 2017, 367, 228–236. [Google Scholar] [CrossRef]
- Burnham, A.; Dufek, E.J.; Stephens, T.; Francfort, J.; Michelbacher, C.; Carlson, R.B.; Zhang, J.; Vijayagopal, R.; Dias, F.; Mohanpurkar, M.; et al. Enabling Fast Charging—Infrastructure and Economic Considerations. J. Power Source 2017, 367, 237–249. [Google Scholar] [CrossRef]
- Rafi, M.A.H.; Bauman, J. A Comprehensive Review of DC Fast-Charging Stations with Energy Storage: Architectures, Power Converters, and Analysis. IEEE Trans. Transp. Electrif. 2021, 7, 345–368. [Google Scholar] [CrossRef]
- Islam, R.; Rafin, S.M.S.H.; Mohammed, O.A. Comprehensive Review of Power Electronic Converters in Electric Vehicle Applications. Forecasting 2022, 5, 2. [Google Scholar] [CrossRef]
- Powar, V.; Singh, R. End-to-End Direct-Current-Based Extreme Fast Electric Vehicle Charging Infrastructure Using Lithium-Ion Battery Storage. Batteries 2023, 9, 169. [Google Scholar] [CrossRef]
- Copper Drives Electric Vehicles. Available online: https://www.copper.org/publications/pub_list/pdf/a6191-electricvehicles-factsheet.pdf (accessed on 4 April 2023).
- Leon, J.I.; Vazquez, S.; Franquelo, L.G. Multilevel Converters: Control and Modulation Techniques for Their Operation and Industrial Applications. Proc. IEEE 2017, 105, 2066–2081. [Google Scholar] [CrossRef]
- Alavi, O.; Viki, A.H.; Shamlou, S. A Comparative Reliability Study of Three Fundamental Multilevel Inverters Using Two Different Approaches. Electronics 2016, 5, 18. [Google Scholar] [CrossRef]
- Tolbert, L.M.; Peng, F.Z.; Habetler, T.G. Multilevel Inverters for Electric Vehicle Applications. In Proceedings of the IEEE Workshop on Power Electronics in Transportation, WPET 1998, Dearborn, MI, USA, 22–23 October 1998; IEEE: Piscataway, NJ, USA, 1998. [Google Scholar]
- Rodríguez, J.; Lai, J.S.; Peng, F.Z. Multilevel Inverters: A Survey of Topologies, Controls, and Applications. IEEE Trans. Ind. Electron. 2002, 49, 724–738. [Google Scholar] [CrossRef]
- Rodriguez, J.; Bernet, S.; Steimer, P.K.; Lizama, I.E. A Survey on Neutral-Point-Clamped Inverters. IEEE Trans. Ind. Electron. 2010, 57, 2219–2230. [Google Scholar] [CrossRef]
- Nabae, A.; Takahashi, I.; Akagi, H. A New Neutral-Point-Clamped PWM Inverter. IEEE Trans. Ind. Appl. 1981, IA-17, 518–523. [Google Scholar] [CrossRef]
- Matsui, K.; Kawata, Y.; Ueda, F. Application of Parallel Connected NPC-PWM Inverters with Multilevel Modulation for AC Motor Drive. IEEE Trans. Power Electron. 2000, 15, 901–907. [Google Scholar] [CrossRef]
- Enjeti, P.N.; Jakkli, R. Optimal Power Control Strategies for Neutral Point Clamped (NPC) Inverter Topology. IEEE Trans. Ind. Appl. 1992, 28, 558–566. [Google Scholar] [CrossRef]
- Sebaaly, F.; Vahedi, H.; Kanaan, H.Y.; Moubayed, N.; Al-Haddad, K. Design and Implementation of Space Vector Modulation-Based Sliding Mode Control for Grid-Connected 3L-NPC Inverter. IEEE Trans. Ind. Electron. 2016, 63, 7854–7863. [Google Scholar] [CrossRef]
- Wang, Y.; Li, R. Novel High-Efficiency Three-Level Stacked-Neutral-Point-Clamped Grid-Tied Inverter. IEEE Trans. Ind. Electron. 2013, 60, 3766–3774. [Google Scholar] [CrossRef]
- Brückner, T.; Bernet, S.; Güldner, H. The Active NPC Converter and Its Loss-Balancing Control. IEEE Trans. Ind. Electron. 2005, 52, 855–868. [Google Scholar] [CrossRef]
- Zhang, L.; Zheng, Z.; Li, C.; Ju, P.; Wu, F.; Gu, Y.; Chen, G. A Si/SiC Hybrid Five-Level Active NPC Inverter with Improved Modulation Scheme. IEEE Trans. Power Electron. 2020, 35, 4835–4846. [Google Scholar] [CrossRef]
- Li, J.; Huang, A.Q.; Liang, Z.; Bhattacharya, S. Analysis and Design of Active NPC (ANPC) Inverters for Fault-Tolerant Operation of High-Power Electrical Drives. IEEE Trans. Power Electron. 2012, 27, 519–533. [Google Scholar] [CrossRef]
- Ma, L.; Kerekes, T.; Rodriguez, P.; Jin, X.; Teodorescu, R.; Liserre, M. A New PWM Strategy for Grid-Connected Half-Bridge Active NPC Converters with Losses Distribution Balancing Mechanism. IEEE Trans. Power Electron. 2015, 30, 5331–5340. [Google Scholar] [CrossRef]
- Guan, Q.X.; Li, C.; Zhang, Y.; Wang, S.; Xu, D.D.; Li, W.; Ma, H. An Extremely High Efficient Three-Level Active Neutral-Point-Clamped Converter Comprising SiC and Si Hybrid Power Stages. IEEE Trans. Power Electron. 2018, 33, 8341–8352. [Google Scholar] [CrossRef]
- Choudhury, S.; Bajaj, M.; Dash, T.; Kamel, S.; Jurado, F. Multilevel Inverter: A Survey on Classical and Advanced Topologies, Control Schemes, Applications to Power System and Future Prospects. Energies 2021, 14, 5773. [Google Scholar] [CrossRef]
- Sayed, K.; Almutairi, A.; Albagami, N.; Alrumayh, O.; Abo-Khalil, A.G.; Saleeb, H. A Review of DC-AC Converters for Electric Vehicle Applications. Energies 2022, 15, 1241. [Google Scholar] [CrossRef]
- Aishwarya, V.; Gnana Sheela, K. Review of Reduced-Switch Multilevel Inverters for Electric Vehicle Applications. Int. J. Circuit Theory Appl. 2021, 49, 3053–3110. [Google Scholar] [CrossRef]
- Chen, M.; Yang, Y.; Liu, X.; Loh, P.C.; Blaabjerg, F. Single-Source Cascaded Multilevel Inverter with Voltage-Boost Submodule and Continuous Input Current for Photovoltaic Applications. IEEE Trans. Power Electron. 2022, 37, 955–970. [Google Scholar] [CrossRef]
- Siddique, M.D.; Aslam Husain, M.; Iqbal, A.; Mekhilef, S.; Riyaz, A. Single-Phase 9L Switched-Capacitor Boost Multilevel Inverter (9L-SC-BMLI) Topology. IEEE Trans. Ind. Appl. 2023, 59, 994–1001. [Google Scholar] [CrossRef]
- Lee, S.S.; Bak, Y.; Kim, S.M.; Joseph, A.; Lee, K.B. New Family of Boost Switched-Capacitor Seven-Level Inverters (BSC7LI). IEEE Trans. Power Electron. 2019, 34, 10471–10479. [Google Scholar] [CrossRef]
- Alamri, B.; Darwich, M. Precise Modelling of Switching and Conduction Losses in Cascaded H-Bridge Multilevel Inverters. In Proceedings of the 49th International Universities Power Engineering Conference (UPEC), Cluj-Napoca, Romania, 2–5 September 2014. [Google Scholar]
- Rajashekara, K. Present Status and Future Trends in Electric Vehicle Propulsion Technologies. IEEE J. Emerg. Sel. Top. Power Electron. 2013, 1, 3–10. [Google Scholar] [CrossRef]
- Chang, F.; Ilina, O.; Lienkamp, M.; Voss, L. Improving the Overall Efficiency of Automotive Inverters Using a Multilevel Converter Composed of Low Voltage Si Mosfets. IEEE Trans. Power Electron. 2019, 34, 3586–3602. [Google Scholar] [CrossRef]
- Li, H.; Klontz, K.W. An Investigation of Current Harmonic Influence on Induction Motor in Hybrid Electric Vehicle Application. In Proceedings of the 2017 IEEE International Electric Machines and Drives Conference, IEMDC 2017, IEEE, Miami, FL, USA, 21–24 May 2017. [Google Scholar]
- Josefsson, O.; Thiringer, T.; Lundmark, S.; Zelaya, H. Evaluation and Comparison of a Two-Level and a Multilevel Inverter for an EV Using a Modulized Battery Topology. In Proceedings of the IEEE Industrial Electronics Conference IECON 2012, Montreal, QC, Canada, 25–28 October 2012. [Google Scholar]
- Kersten, A.; Theliander, O.; Grunditz, E.A.; Thiringer, T.; Bongiorno, M. Battery Loss and Stress Mitigation in a Cascaded H-Bridge Multilevel Inverter for Vehicle Traction Applications by Filter Capacitors. IEEE Trans. Transp. Electrif. 2019, 5, 659–671. [Google Scholar] [CrossRef]
- Roemer, F.; Ahmad, M.; Chang, F.; Lienkamp, M. Optimization of a Cascaded H-Bridge Inverter for Electric Vehicle Applications Including Cost Consideration. Energies 2019, 12, 4272. [Google Scholar] [CrossRef]
- Bubert, A.; Lim, S.-H.; De Doncker, R.W. Comparison of 2-Level B6C and 3-Level NPC Inverter Topologies for Electric Vehicles. In Proceedings of the 2017 IEEE Southern Power Electronics Conference, PESC, Puerto Varas, Chile, 4–7 December 2017. [Google Scholar]
- Mecke, R. Multilevel Inverter with New Wide-Bandgap SiC and GaN Power Switches. In Proceedings of the 2021 IEEE 15th International Conference on Compatibility, Power Electronics and Power Engineering, CPE-POWERENG 2021, Florence, Italy, 14–16 July 2021. [Google Scholar]
- Busquets-Monge, S.; Alepuz, S.; García-Rojas, G.; Bordonau, J. Electric Vehicle Powertrains with Modular Battery Banks Tied to Multilevel NPC Inverters. Electronics 2023, 12, 266. [Google Scholar] [CrossRef]
- Busquets-Monge, S. A Simple Virtual-Vector-Based PWM Formulation for Multilevel Three-Phase Neutral-Point-Clamped DC–AC Converters Including the Overmodulation Region. Electronics 2022, 11, 641. [Google Scholar] [CrossRef]
- Steinke, J.K. ontrol Strategy for a Three Phase AC Traction Drive with Three-Level GTO PWM Inverter. In Proceedings of the PESC Record—IEEE Annual Power Electronics Specialists Conference PESC 1988, Kyoto, Japan, 11–14 April 1988. [Google Scholar]
- Youssef, M.Z.; Woronowicz, K.; Aditya, K.; Azeez, N.A.; Williamson, S.S. Design and Development of an Efficient Multilevel DC/AC Traction Inverter for Railway Transportation Electrification. IEEE Trans. Power Electron. 2016, 31, 3036–3042. [Google Scholar] [CrossRef]
- Yang, G.; Xiao, F.; Fan, X.; Wang, R.; Liu, J. Three-Phase Three-Level Phase-Shifted PWM DC-DC Converter for Electric Ship MVDC Application. IEEE J. Emerg. Sel. Top. Power Electron. 2017, 5, 162–170. [Google Scholar] [CrossRef]
- Ronanki, D.; Williamson, S.S. Modular Multilevel Converters for Transportation Electrification: Challenges and Opportunities. IEEE Trans. Transp. Electrif. 2018, 4, 399–407. [Google Scholar] [CrossRef]
- Wenfeng, L.; Nianzhou, L.; Kui, W.; Zedong, Z.; Yongdong, L. Symmetrical Hybrid Multilevel Inverters for Ship Electric Propulsion Drives. In Proceedings of the IEEE 4th International Future Energy Electronics Conference (IFEEC), Singapore, 24–28 November 2019. [Google Scholar]
- Chen, Y.; Li, Z.; Zhao, S.; Wei, X.; Kang, Y. Design and Implementation of a Modular Multilevel Converter with Hierarchical Redundancy Ability for Electric Ship MVDC System. IEEE J. Emerg. Sel. Top. Power Electron. 2017, 5, 189–202. [Google Scholar] [CrossRef]
- Schefer, H.; Fauth, L.; Kopp, T.H.; Mallwitz, R.; Friebe, J.; Kurrat, M. Discussion on Electric Power Supply Systems for All Electric Aircraft. IEEE Access 2020, 8, 84188–84216. [Google Scholar] [CrossRef]
- Patel, V.; Buccella, C.; Cecati, C. Analysis and Implementation of Multilevel Inverter for Full Electric Aircraft Drives. Energies 2020, 13, 6126. [Google Scholar] [CrossRef]
- Zhang, D.; He, J.; Pan, D. A Megawatt-Scale Medium-Voltage High-Efficiency High Power Density “SiC+Si” Hybrid Three-Level ANPC Inverter for Aircraft Hybrid-Electric Propulsion Systems. IEEE Trans. Ind. Appl. 2019, 55, 5971–5980. [Google Scholar] [CrossRef]
- He, J.; Zhang, D.; Pan, D. PWM Strategy for MW-Scale “SiC+Si” ANPC Converter in Aircraft Propulsion Applications. IEEE Trans. Ind. Appl. 2021, 57, 3077–3086. [Google Scholar] [CrossRef]
- Pereda, J.; Dixon, J. 23-Level Inverter for Electric Vehicles Using a Single Battery Pack and Series Active Filters. IEEE Trans. Veh. Technol. 2012, 61, 1043–1051. [Google Scholar] [CrossRef]
- Sheir, A.; Youssef, M.Z.; Orabi, M. A Novel Bidirectional T-Type Multilevel Inverter for Electric Vehicle Applications. IEEE Trans. Power Electron. 2019, 34, 6648–6658. [Google Scholar] [CrossRef]
- Li, Z.; Khajepour, A.; Song, J. A Comprehensive Review of the Key Technologies for Pure Electric Vehicles. Energy 2019, 182, 824–839. [Google Scholar] [CrossRef]
- Roy, P.; Banerjee, A. A Study on Performance Parameters of Three-Level T-Type Inverter Based PMSM Drives for Electric Vehicles Applications. Electr. Eng. 2023, 105. [Google Scholar] [CrossRef]
- Josefsson, O. Investigation of a Multilevel Inverter for Electric Vehicle Applications. Doctoral Thesis, Chalmers University of Technology, Göteborg, Sweden, 2015. [Google Scholar]
- Du, Z.; Ozpineci, B.; Tolbert, L.M.; Chiasson, J.N. DC-AC Cascaded H-Bridge Multilevel Boost Inverter with No Inductors for Electric/Hybrid Electric Vehicle Applications. IEEE Trans. Ind. Appl. 2009, 45, 963–970. [Google Scholar] [CrossRef]
- Reimers, J.; Dorn-Gomba, L.; Mak, C.; Emadi, A. Automotive Traction Inverters: Current Status and Future Trends. IEEE Trans. Veh. Technol. 2019, 68, 3337–3350. [Google Scholar] [CrossRef]
- Hofer Powertrain. Available online: https://www.hoferpowertrain.com/technology-page/hv-multi-level-inverter (accessed on 15 April 2023).
- Abdelrahman, A.S.; Erdem, Z.; Attia, Y.; Youssef, M.Z. Wide Bandgap Devices in Electric Vehicle Converters: A Performance Survey. Can. J. Electr. Comput. Eng. 2018, 41, 45–54. [Google Scholar] [CrossRef]
- Kumar, A.; Moradpour, M.; Losito, M.; Franke, W.T.; Ramasamy, S.; Baccoli, R.; Gatto, G. Wide Band Gap Devices and Their Application in Power Electronics. Energies 2022, 15, 9172. [Google Scholar] [CrossRef]
- Song, Q.; Kozak, J.P.; Xiao, M.; Ma, Y.; Wang, B.; Zhang, R.; Volkov, R.; Smith, K.; Baksht, T.; Zhang, Y. Evaluation of 650V, 100A Direct-Drive GaN Power Switch for Electric Vehicle Powertrain Applications. In Proceedings of the IEEE 8th Workshop on Wide Bandgap Power Devices and Applications, WiPDA 2021, Crowne Plaza Redondo Beach and Marina, Los Angeles, CA, USA, 7–11 November 2021. [Google Scholar]
- Husain, I.; Ozpineci, B.; Sariful Islam, M.; Member, S.; Gurpinar, E.; Member, S.; Su, G.-J.; Yu, W.; Chowdhury, S.; Xue, L.; et al. Electric Drive Technology Trends, Challenges, and Opportunities for Future Electric Vehicles. Proc. IEEE 2021, 109, 1039–1059. [Google Scholar] [CrossRef]






| Vehicle | Production Year | DC Voltage (V) | Nominal and Usable Battery Capacities (kWh) |
|---|---|---|---|
| Mercedes EQS 450+ | 2021 | 400 | 120 (107.8) |
| NIO ET5 | 2022 | 400 | 100 (90) |
| Tesla S Dual Motor | 2023 | 400 | 100 (95) |
| Porsche Taycan 4S Plus | 2020 | 800 | 93.4 (83.7) |
| Audi e-tron GT RS | 2021 | 800 | 93.4 (85) |
| KIA EV6 Long Range | 2021 | 800 | 77.4 (74) |
| Hyundai IONIQ 6 LR AWD | 2022 | 800 | 77.4 (74) |
| Genesis GV60 Premium | 2022 | 800 | 77.4 (74) |
| BYD HAN | 2023 (from March) | 800 | 85.4 (83) |
| Lucid Air Pure | 2023 (from June) | 800 | 88 (88) |
| XPENG G9 AWD | 2023 | 800 | 98 (94) |
| Vehicle | Estimated Efficiency (Wh/km) | Fast Charge Speed (km/min) | Max. and Average Fast Charge Powers (kW DC) |
|---|---|---|---|
| Mercedes EQS 450+ | 170 | 15.8 | 207 (173) |
| NIO ET5 | 180 | 8.7 | 140 (100) |
| Tesla S Dual Motor | 165 | 13.2 | 250 (140) |
| Porsche Taycan 4S Plus | 182 | 18.8 | 268 (216) |
| Audi e-tron GT RS | 210 | 16.7 | 268 (216) |
| KIA EV6 Long Range | 180 | 17.8 | 233 (200) |
| Hyundai IONIQ 6 LR AWD | 149 | 19.2 | 233 (200) |
| Genesis GV60 Premium | 190 | 17 | 233 (200) |
| BYD HAN | 178 | 7.5 | 120 (85) |
| Lucid Air Pure | 157 | 16.3 | 200 (160) |
| XPENG G9 AWD | 214 | 15.3 | 300 (210) |
| Vehicle | Number of Cells | Pack Configuration | Battery Nominal Voltage (V) |
|---|---|---|---|
| Mercedes EQS 450+ | 432 | 108s4p | 396 |
| NIO ET5 | 96 | 96s1p | no data |
| Tesla S Dual Motor | 7920 | 110s72p | 407 |
| Porsche Taycan 4S Plus | 396 | 198s2p | 725 |
| Audi e-tron GT RS | 396 | 198s2p | 725 |
| KIA EV6 Long Range 2WD | 384 | 192s2p | 697 |
| Hyundai IONIQ 6 LR 2AWD | 384 | 192s2p | 697 |
| Genesis GV60 Premium | 384 | 192s2p | 697 |
| BYD HAN | 178 | 178s1p | 569 |
| Lucid Air Pure | No data | No data | No data |
| XPENG G9 AWD | No data | No data | No data |
| Vehicle | 10% to 80% Range Estimation (km) | Time to Charge from 10% to 80% (min) | Average Fast Charge Power (kW DC) |
|---|---|---|---|
| Mercedes EQS 450+ | 64–508 | 28 | 173 |
| NIO ET5 | 50–400 | 40 | 100 |
| Tesla S Dual Motor | 58–460 | 30 | 140 |
| Porsche Taycan 4S Plus | 46–368 | 17 | 216 |
| Audi e-tron GT RS | 41–324 | 17 | 216 |
| KIA EV6 Long Range | 48–328 | 16 | 200 |
| Hyundai IONIQ 6 LR AWD | 39–312 | 16 | 200 |
| Genesis GV60 Premium | 39–312 | 16 | 200 |
| BYD HAN | 47–372 | 43 | 85 |
| Lucid Air Pure | 56–448 | 24 | 160 |
| XPENG G9 AWD | 44–352 | 20 | 210 |
| Switching States | S11 | S12 | S13 | S14 | Output Voltage |
|---|---|---|---|---|---|
| 1 | 1 | 0 | 0 | 1 | Vdc |
| 2 | 1 | 0 | 1 | 0 | 0 |
| 3 | 0 | 1 | 0 | 1 | 0 |
| 4 | 0 | 1 | 1 | 0 | −Vdc |
| Switching States | S11 | S12 | S13 | S14 | Output Voltage |
|---|---|---|---|---|---|
| 1 | 1 | 1 | 0 | 0 | Vdc/2 |
| 2 | 0 | 1 | 1 | 0 | 0 |
| 3 | 0 | 0 | 1 | 1 | −Vdc/2 |
| Switching States | S11 | S12 | S13 | S14 | Output Voltage |
|---|---|---|---|---|---|
| 1 | 1 | 1 | 0 | 0 | Vdc/2 |
| 2 | 1 | 0 | 1 | 0 | 0 |
| 3 | 0 | 1 | 1 | 0 | 0 |
| 4 | 0 | 0 | 1 | 1 | −Vdc/2 |
| Topology | No. of DC Voltage Sources Vdc | No. of Switches | No. of Capacitors | No. of Diodes | Max. and Min. Output Voltages |
|---|---|---|---|---|---|
| NPC MLI | 1 | 2(m − 1) | (m − 1) | (m − 1)(m − 2) | +Vdc/2, −Vdc/2 |
| FC MLI | 1 | 2(m − 1) | (m − 1) + (m − 1)(m − 2)/2 | 0 | +Vdc/2, −Vdc/2 |
| CHB MLI | (m − 1)/2 | 2(m − 1) | 0 | 0 | +((m − 1)/2)Vdc, −((m − 1)/2)Vdc |
| Application | Inverter Structure | DC Voltage (V) | Switching Devices |
|---|---|---|---|
| Electric ships | 2-level or Multilevel | 1.5 kV to 15 kV | GTO, Thyristor, or IGBT |
| Trains and tramways | 2-level or 3-level | Up to 3 kV | GTO, Thyristor, or IGBT |
| Buses and trucks | 2-level or 3-level | Up to 900-V | IGBT or MOSFET |
| Passenger BEVs | 2-level or 3-level | Up to 900-V | IGBT, MOSFET, SiC, or GaN |
Disclaimer/Publisher’s Note: The statements, opinions and data contained in all publications are solely those of the individual author(s) and contributor(s) and not of MDPI and/or the editor(s). MDPI and/or the editor(s) disclaim responsibility for any injury to people or property resulting from any ideas, methods, instructions or products referred to in the content. |
© 2023 by the authors. Licensee MDPI, Basel, Switzerland. This article is an open access article distributed under the terms and conditions of the Creative Commons Attribution (CC BY) license (https://creativecommons.org/licenses/by/4.0/).
Share and Cite
Hren, A.; Truntič, M.; Mihalič, F. A Survey on the State-of-the-Art and Future Trends of Multilevel Inverters in BEVs. Electronics 2023, 12, 2993. https://doi.org/10.3390/electronics12132993
Hren A, Truntič M, Mihalič F. A Survey on the State-of-the-Art and Future Trends of Multilevel Inverters in BEVs. Electronics. 2023; 12(13):2993. https://doi.org/10.3390/electronics12132993
Chicago/Turabian StyleHren, Alenka, Mitja Truntič, and Franc Mihalič. 2023. "A Survey on the State-of-the-Art and Future Trends of Multilevel Inverters in BEVs" Electronics 12, no. 13: 2993. https://doi.org/10.3390/electronics12132993
APA StyleHren, A., Truntič, M., & Mihalič, F. (2023). A Survey on the State-of-the-Art and Future Trends of Multilevel Inverters in BEVs. Electronics, 12(13), 2993. https://doi.org/10.3390/electronics12132993

