An Improved Measurement Matrix Generator for Compressed Sensing of ECG Signals
Abstract
1. Introduction
2. Background
2.1. CS Algorithm
2.2. CS Processing System
3. Proposed Measurement Matrix Generator
4. Compressed Sensing Circuit
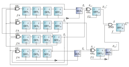
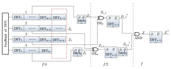
4.1. Structure of the CS Circuit
- ADC: The ADC converts the ECG signals into digital signals, while the other five modules compress the signals.
- Clock module: The dominant clock f is divided into two clocks with frequencies f/4 and f/2, respectively.
- Matrix generation module: The measurement matrix generator produces a serial sparse binary matrix Φ.
- Control module: It generates the enable signals to control the matrix generation, compression calculation, and storage modules on or off, which can significantly reduce dynamic power consumption.
- Compression calculation module: The module uses a serial calculation method to compress the N-dimension signal into an M-dimension signal by the measurement matrix Φ.
- Storage module: It contains M memories that update data in the compression process and store the final results.
4.2. Compression Calculations
5. Simulation and Implementation
5.1. Parameter Determination
5.2. Implementation
6. Discussion
7. Conclusions
Author Contributions
Funding
Institutional Review Board Statement
Informed Consent Statement
Data Availability Statement
Acknowledgments
Conflicts of Interest
References
- Fang, S.C.; Wu, Y.L.; Tsai, P.S. Heart Rate Variability and Risk of All-Cause Death and Cardiovascular Events in Patients With Cardiovascular Disease: A Meta-Analysis of Cohort Studies. Biol. Res. Nurs. 2020, 22, 45–56. [Google Scholar] [CrossRef]
- Ruan, H.; Dai, X.; Chen, S.; Qiu, X. Arrhythmia Classification and Diagnosis Based on ECG Signal: A Multi-Domain Collaborative Analysis and Decision Approach. Electronics 2022, 11, 3251. [Google Scholar] [CrossRef]
- Adams, M.L.; Grandpre, J.; Katz, D.L.; Shenson, D. Cognitive Impairment and Cardiovascular Disease: A Comparison of Risk Factors, Disability, Quality of Life, and Access to Health Care. Public Health Rep. 2020, 135, 132–140. [Google Scholar] [CrossRef] [PubMed]
- Ozkan, H.; Ozhan, O.; Karadana, Y.; Gulcu, M.; Macit, S.; Husain, F. A Portable Wearable Tele-ECG Monitoring System. IEEE Trans. Instrum. Meas. 2020, 69, 173–182. [Google Scholar] [CrossRef]
- Husain, K.; Mohd Zahid, M.S.; Ul Hassan, S.; Hasbullah, S.; Mandala, S. Advances of ECG Sensors from Hardware, Software and Format Interoperability Perspectives. Electronics 2021, 10, 105. [Google Scholar] [CrossRef]
- Mishra, I.; Jain, S. Optimized Compressive Sensing Based ECG Signal Compression and Reconstruction. Intell. Autom. Soft Comput. 2022, 33, 415–428. [Google Scholar] [CrossRef]
- Chen, K.C.; Chou, C.Y.; Wu, A.Y. A Tri-Mode Compressed Analytics Engine for Low-Power AF Detection With On-Demand EKG Reconstruction. IEEE J. Solid State Circuits 2021, 56, 1608–1617. [Google Scholar] [CrossRef]
- Chen, J.X.; Sun, S.; Zhang, L.B.; Yang, B.Q.; Wang, W. Compressed Sensing Framework for Heart Sound Acquisition in Internet of Medical Things. IEEE Trans. Ind. Inform. 2022, 18, 2000–2009. [Google Scholar] [CrossRef]
- Melek, M.; Khattab, A. ECG Compression Using Wavelet-based Compressed Sensing with Prior Support Information. Biomed. Signal Process. Control 2021, 68, 102786. [Google Scholar] [CrossRef]
- Nasimi, F.; Khayyambashi, M.R.; Movahhedinia, N. Redundancy Cancellation of Compressed Measurements by QRS Complex Alignment. PLoS ONE 2022, 17. [Google Scholar] [CrossRef] [PubMed]
- Kumar, K.G.; Chatterjee, B.; Sen, S. CS-Audio: A 16 pJ/b 0.1-15 Mbps Compressive Sensing IC with DWT Sparsifier for Audio-AR. IEEE J. Solid State Circuits 2022, 57, 2220–2235. [Google Scholar] [CrossRef]
- Li, W.Z.; Chu, H.M.; Huang, B.M.; Huan, Y.X.; Zheng, L.R.; Zou, Z. Enabling on-Device Classification of ECG with Compressed Learning for Health IoT. Microelectron. J. 2021, 115, 105188. [Google Scholar] [CrossRef]
- Liu, X.; Richardson, A.G.; Van der Spiegel, J. An Energy-Efficient Compressed Sensing-Based Encryption Scheme for Wireless Neural Recording. IEEE J. Emerg. Sel. Top. Circuits Syst. 2021, 11, 405–414. [Google Scholar] [CrossRef]
- Lu, C.B.; Chen, W.G.; Xu, H.B. Binary Sequence Family for Chaotic Compressed Sensing. KSII Trans. Internet Inf. Syst. 2019, 13, 4645–4664. [Google Scholar] [CrossRef]
- Cai, C.; Bai, E.; Jiang, X.Q.; Wu, Y. Simultaneous Audio Encryption and Compression Using Parallel Compressive Sensing and Modified Toeplitz Measurement Matrix. Electronics 2021, 10, 2902. [Google Scholar] [CrossRef]
- Blunck, Y.; Kolbe, S.C.; Moffat, B.A.; Ordidge, R.J.; Cleary, J.O.; Johnston, L.A. Compressed Sensing Effects on Quantitative Analysis of Undersampled Human Brain Sodium MRI. Magn. Reson. Med. 2020, 83, 1025–1033. [Google Scholar] [CrossRef]
- Chen, J.; Sun, S.; Bao, N.; Zhu, Z.; Zhang, L.B. Improved Reconstruction for CS-Based ECG Acquisition in Internet of Medical Things. IEEE Sens. J. 2021, 21, 25222–25233. [Google Scholar] [CrossRef]
- Yang, Y.; Huang, F.; Long, F.; Yongzhong, T. Design of an Adaptive ECG Signal Processing System Based on Compressed Sensing. In Proceedings of the 2020 5th International Conference on Universal Village (UV), Boston, MA, USA, 24–27 October 2020; pp. 1–5. [Google Scholar]
- Izadi, V.; Shahri, P.K.; Ahani, H. A Compressed-Sensing-based Compressor for ECG. Biomed. Eng. Lett. 2020, 10, 299–307. [Google Scholar] [CrossRef]
- Djelouat, H.; Zhai, X.; Al Disi, M.; Amira, A.; Bensaali, F. System-on-Chip Solution for Patients Biometric: A Compressive Sensing-based Approach. IEEE Sens. J. 2018, 18, 9629–9639. [Google Scholar] [CrossRef]
- Zhang, J.; Yu, Z.L.; Cen, L.; Gu, Z.; Lin, Z.; Li, Y. Deterministic Construction of Sparse Binary Matrices via Incremental Integer Optimization. Inf. Sci. 2018, 430, 504–518. [Google Scholar] [CrossRef]
- Picariello, F.; Iadarola, G.; Balestrieri, E.; Tudosa, I.; De Vito, L. A Novel Compressive Sampling Method for ECG Wearable Measurement Systems. Measurement 2021, 167, 108259. [Google Scholar] [CrossRef]










| Process | Supply | Frequency | Static Power | Dynamic Power | Total Power |
|---|---|---|---|---|---|
| SMIC 55 nm | 1.2 V | 40 kHz | 1.206 μW | 0.484 μW | 1.690 μW |
Publisher’s Note: MDPI stays neutral with regard to jurisdictional claims in published maps and institutional affiliations. |
© 2022 by the authors. Licensee MDPI, Basel, Switzerland. This article is an open access article distributed under the terms and conditions of the Creative Commons Attribution (CC BY) license (https://creativecommons.org/licenses/by/4.0/).
Share and Cite
Yu, Z.; Zhao, Z.; Tian, Q.; Guo, J.; Huang, X.; Gu, X. An Improved Measurement Matrix Generator for Compressed Sensing of ECG Signals. Electronics 2022, 11, 3784. https://doi.org/10.3390/electronics11223784
Yu Z, Zhao Z, Tian Q, Guo J, Huang X, Gu X. An Improved Measurement Matrix Generator for Compressed Sensing of ECG Signals. Electronics. 2022; 11(22):3784. https://doi.org/10.3390/electronics11223784
Chicago/Turabian StyleYu, Zhiguo, Zuoqin Zhao, Qing Tian, Jun Guo, Xiang Huang, and Xiaofeng Gu. 2022. "An Improved Measurement Matrix Generator for Compressed Sensing of ECG Signals" Electronics 11, no. 22: 3784. https://doi.org/10.3390/electronics11223784
APA StyleYu, Z., Zhao, Z., Tian, Q., Guo, J., Huang, X., & Gu, X. (2022). An Improved Measurement Matrix Generator for Compressed Sensing of ECG Signals. Electronics, 11(22), 3784. https://doi.org/10.3390/electronics11223784

