Next Article in Journal
Recent Advances in Biometrics and Its Applications
Next Article in Special Issue
A Low-Power CMOS Bandgap Voltage Reference for Supply Voltages Down to 0.5 V
Previous Article in Journal
Improving the Performance of an Associative Classifier in the Context of Class-Imbalanced Classification
Previous Article in Special Issue
Energy Efficient Self-Adaptive Dual Mode Logic Address Decoder
 
 
Font Type:
Arial Georgia Verdana
Font Size:
Aa Aa Aa
Line Spacing:
Column Width:
Background:
Article

A Low Dark Current 160 dB Logarithmic Pixel with Low Voltage Photodiode Biasing

by
Alessandro Michel Brunetti
1,*,† and
Bhaskar Choubey
2,3
1
Department of Engineering Science, University of Oxford, Parks Road, Oxford OX1 3PJ, UK
2
Analogue Circuits and Image Sensors, Universität Siegen, Hölderlinstr. 3, 57076 Siegen, Germany
3
Microelectronic Intelligence, Fraunhofer Institute of Microelectronics Circuits and Systems, 47057 Duisburg, Germany
*
Author to whom correspondence should be addressed.
Current Address: Absensing LTD., Oxford, UK.
Electronics 2021, 10(9), 1096; https://doi.org/10.3390/electronics10091096
Submission received: 31 March 2021 / Revised: 1 May 2021 / Accepted: 3 May 2021 / Published: 7 May 2021
(This article belongs to the Special Issue Design of Ultra-Low Voltage/Power Circuits and Systems)

Abstract

Extending CMOS Image Sensors’ dynamic range is of fundamental importance in applications, such as automotive, scientific, or X-ray, where a broad variation of incoming light should be measured. The typical logarithmic pixels suffer from poor performance under low light conditions due to a leakage current, usually referred to as the dark current. In this paper, we propose a logarithmic pixel design capable of reducing the dark current through low-voltage photodiode biasing, without introducing any process modifications. The proposed pixel combines a high dynamic range with a significant improvement in the dark response compared to a standard logarithmic pixel. The reported experimental results show this architecture to achieve an almost 35 dB improvement at the expense of three additional transistors, thereby achieving an unprecedented dynamic range higher than 160 dB.

1. Introduction

Technological advances in CMOS image sensors (CIS) have boosted their utilization in a variety of applications. In particular, CIS are widely employed in battery powered devices, such as smartphones or surveillance cameras, which have boosted interest in the design of low-power circuits to reduce battery consumption [1,2,3,4,5]. At a system level, the effort to reduce power consumption has been conducted in various directions. For example, research has been focused on harvesting energy from the environment [6,7]; however, energy harvesting systems still require low-power CIS. Furthermore, readout circuits, including analog-to-digital converters (ADC) are usually power hungry, and a significant effort has been undertaken to reduce ADC consumption [1,3,8]. Alternative readout schemes have been proposed to reduce power consumption [9], while other analog encoding voltage techniques have been introduced to boost dynamic range (DR) [10]. The need for high DR (HDR) imaging is mostly driven by automotive applications, where the light conditions can vary significantly [11]. Alternative applications, such as scientific imaging, may benefit from an HDR sensor. Several approaches have been proposed to increase the DR [12,13,14]. However, most of these solutions require a high number of samples, several transistors per pixel and/or computationally demanding post-processing. One candidate pixel architecture that combines HDR and low power is the logarithmic pixel, which exploits transistor subthreshold operation [15,16,17]. Unfortunately, in low light conditions, their sensitivity to light is limited [18] as in other CMOS pixels. The inherent high leakage current linked with CMOS processes is one of the principal causes of this degradation. This leakage current is also referred to as the “dark current” for its presence in the absence of light. The dark current is due to defects in the photodiode and at the boundaries and is mainly related to the manufacturing process. Therefore, the techniques to reduce the dark current also usually involve process modifications, generally by introducing either barriers to avoid the interaction with the source of the defects or by curing the defects, for example, with annealing [19,20,21]. Unfortunately, any technique that involves process modification is costly to implement and is generally of limited availability to circuit designers. Other techniques based on circuit implementations have been presented. The dark current has been proven to be reduced by applying a negative offset operation on the gate of the transfer gate transistor [22] or by clever layout techniques, which also improve the light response [23,24]. Furthermore, integrating CMOS Active Pixel Sensors have a limited dynamic range of 2–3 decades. This means that any significant improvement at the dark end of the response may lead to poor performance in the brighter regions. Therefore, an HDR sensor is required to fully utilize the advantages offered by reducing the dark current. A low dark current logarithmic pixel was previously reported [25] where a theoretical analysis and simulation mismatch were conducted; however, no experimental evidence was provided. Experimental methods have been proposed to correct the mismatch in logarithmic pixels by modeling and calibration [26]. In this paper, we report definitive proof of operation of a single, low, dark current pixel, which is manufactured in a CMOS technology and compared to a standard logarithmic pixel. The subthreshold logarithmic pixel architecture is intended for large formats and meets the needs of scientific imaging where low power, low dark current and wide dynamic range may be employed and where the demand of speed or pixel scaling is limited.
This paper is organized as follows. In Section 2, we first present the physical foundation of our approach and the classic 3T logarithmic pixel. We also present the proposed approach with low voltage bias and enhanced low light operation. Section 3 presents the experimental results, while Section 4 concludes the paper.

2. Methodology

In CMOS image sensors, the dark current is mainly attributed to two different sources, in addition to any leakage due to surface or periphery defects. The first is the current injection–diffusion that originates from the random movement of carriers and depends on their concentration. The second is the thermal carrier generation–recombination described by the Shockley–Read–Hall equation for generation–recombination and directly depends on the applied voltage across the photodiode depletion layer. In CMOS pixels, the photodiode is usually operated in a reverse bias. Figure 1 shows a simulated I-V characteristic of the photodiode at different light intensities and different bias voltages in a typical CMOS process. As can be observed in the figure, the photodiode leakage current is at its minimum value at a zero-voltage bias. When biased with a negative voltage, the dark current increases from this minimal value. Due to this, one may imagine that the dark current can be reduced if the photodiode operates as close as possible to zero volts. In this paper, we show that the logarithmic pixel can exploit a zero-volt operation, trading off against the use of additional transistors.
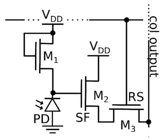
The strategy used to reduce the dark current is to keep the photodiode voltage close to zero. This is not possible using the standard Active Pixel Sensor, as it has limited dynamic range (DR). Hence, improving the dark current without enhancing the dynamic range will not fully exploit the high light region performance. A logarithmic pixel which converts the input photocurrent to an output logarithmic voltage is the optimum for single-frame recording, with the minimum number of transistors and limited post-processing required. Unfortunately, this pixel is worst affected by the dark current. Figure 2 shows a typical logarithmic pixel where the nMOS load transistor M1 is operating in the subthreshold region. M2 and M3 are the source follower (SF) and the row selector (RS), respectively, PD is the photodiode, VDD is the supply voltage and col output is the column output node. The drain current of transistor M1 is logarithmically related to the drain to source voltage as shown in Equation (1).
V S , M 1 = V D D V T H n V T ln I D S , M 1 I 0 ,
In Equation (1), VDD = VGM1 is the supply voltage, VTH is the threshold voltage, VT is the thermal voltage, IDS,M1 is the drain current flowing in M1, I0 is a characteristic current that defines the current that leaks through the transistor M1 and n is the subthreshold slope factor. Ideally, the output voltage is logarithmically proportional to the photogenerated current due to the incoming light. Unfortunately, the dark current produced in the photodiode gets added to the photogenerated current, limiting the sensitivity at the darker end of the pixel response. This effect also limits the gain sensitivity of the pixel. A possible solution to enhance the pixel response is to reduce the dark current. A circuit that implements this technique is presented in the next section.
It is worth noting that the main contribution of a photodiode dark current is related to the voltage applied across the photodiode as presented in Figure 1. The typical bias voltage applied to the diode in a logarithmic pixel is similar to the pixel output. For example, the analogue supply voltage can be 3.3 V and hence, the output voltage is often comprised between 2.5 and 1.8 V, which generates a significant leakage contribution. A possible solution to reduce the dark current is to force a zero-potential difference across the photodiode. Such an approach is proposed in the pixel shown in Figure 3. While in a standard logarithmic pixel, the output node is connected to the node biasing the photodiode; in the proposed circuit, this is split into two different nodes. In fact, this circuit is able to maintain a nearly zero potential across the photodiode, resulting in minimal leakage current, as the generation-recombination contribution to the dark current is close to zero. In this pixel, transistors M3 and M4 form a pMOS current mirror, and transistors M2 and M1 form a nMOS current mirror.
The output to the SF M5 and to the readout circuitry is taken from the drain of the nMOS M1, while the photodiode is connected to its source. In this pixel, the transistors are usually operating in subthreshold due to the low photocurrent produced in typical lighting conditions and the diode size used. The idea of the circuit is to copy the photogenerated current in the two branches of the circuit consisting of M1, M3 and M2, M4, respectively. When the same current flows in transistors M1 and M2, these will have the same gate-source voltage, in turn. The voltage drop on the photodiode can be expressed as the difference between the gate-source voltages of the nMOS couple M2 and M1 when considering the loop formed by the gate-source of the nMOS mirror pair and the photodiode, and can be written as follows:
V P D = V G S , M 2 V G S , M 1 ,
where VPD is the cathode-to-anode photodiode voltage and VGS,M1 and VGS,M2 are the gate-source voltages or the transistors M1 and M2, respectively. In turn, the source voltages depend on the biasing current of each pair and, for a subthreshold operating region, is expressed as follows:
V G S , M x = n V T ln I D S , M x I M x + V T H
where VGS,Mx is the gate-source voltage of the transistors, VTH is the threshold voltage, VT is the thermal voltage, IDS,Mx is the drain current flowing in either M1 or M2 and IMx0 is a characteristic current that defines the current that leaks through transistors M1 and M2 and n is the subthreshold slope factor.
The top part of the circuit consists of a pMOS pair formed by identically sized transistors, M3 and M4, that replicate the current flowing in the right branch of the circuit into the left one, thereby achieving almost identical currents in both branches. The currents are almost identical, as we are not considering the mismatch of the devices in this analysis as it has been previously reported by the authors [25]. In this case, if the drain-source currents are identical, the gate-source voltages should also be identical, thereby achieving a zero voltage drop across the photodiode. The current flowing in the branch is the sum of the photogenerated current and the dark current. When the photodiode is not exposed to light, only the dark current flows in the pixel. In this case, the output voltage is high; however, in the proposed pixel, this is the source of M3, which is not directly connected to the photodiode as opposed to the logarithmic pixel. Thanks to this feature, the advantage of the proposed pixel compared to the typical logarithmic pixel is that the photodiode voltage is enforced to zero, thereby reducing the dark current. A lower dark current directly translates to a higher sensitivity at the darker end of the response, with a significant increase in the dynamic range in this portion of the pixel response.
The logarithmic response of the pixel is granted, thanks to the load transistor M3, which is a diode-connected pMOS transistor. Equation (1) similarly applies and describes the output of the pixel, apart from the well-known differences between nMOS and pMOS transistors. The transistors M5 and M6 are the SF and the RS transistor, respectively. VBIAS is the anode voltage of the photodiode. Depending on the process technology and the size of the transistors, this can either be connected to the ground or the bias voltage VBIAS. In fact, let us consider the expression of the threshold voltage [27]:
V T H = V F B + 2 ψ B + 2 ϵ s i q N a 2 ψ B + V B S C o x
where VFB is the flat-band voltage, Na is the doping density in the substrate, Cox is the gate oxide capacitance, ϵ s i   is the dielectric constant of the silicon, q is the electron charge and ψB = (KT/q) log(Na/ni) is the difference between the Fermi potential and the intrinsic potential in the substrate. A change of the body-source voltage will result in a variation of the threshold voltage. In the considered Equations (1)–(3), second-order effects have been ignored, and the change of VTH should not affect the behavior of the current mirror. However, considering a more advanced expression of the subthreshold leakage [28]:
I D S , s u b t h = I S e 1 n V T V G S V T H 0 γ V S + η V D S
where IS is a factor that depends on the aspect ratio, VTH0 is the zero bias threshold voltage, and η is the Drain-Induced Barrier Lowering (DIBL) coefficient. For small values of VBS, the body effect is linear and it is represented by the term γVS, where γ’ is the linearized body effect coefficient. The subthreshold current is dependent on the VDS voltage. In the double current mirror circuit, transistors M1 and M2 have different VDS voltages. This difference causes a mismatch between the two IDS currents. In turn, the mismatch between the currents causes the VGS of the current mirror pair to be different, as well. This causes a voltage drop across the photodiode. However, increasing the VBS voltage increases the effect of the first term in the exponential, compared to the second term where the VDS is present. If sufficiently increased, the mismatch between the two currents will be reduced, and the photodiode voltage drop will be reduced as well. Alternatively, it is possible to increase the length of the transistor channels to minimize the DIBL effect. For the purpose of this paper, the transistor channel length was increased to 5 μm and the VBIAS voltage was set to ground.
Figure 4 presents the pixel layout of the pixels that are compared in this study. Figure 4a presents the layout of the logarithmic pixel, while Figure 4b shows the layout of the proposed low dark current pixel. The load transistors, M1 and M3, have been designed with the same sizes, W = 5 μm, while their length is the minimum length allowed by the technology. The transistors are standard from the LFoundry CIS 110 nm PDK: low Vt 3.3 V MOS.
The chosen size of the photodiode (100 μm) does not allow a representation in-scale of the pixel. However, while in X-ray applications, large pixels are often utilized, in other applications, smaller pixels may be of interest. For this reason, we introduce a scaling model to estimate the fill factor achievable with the proposed design. Let us define p as the pixel pitch. The total area of the pixel can be then written as Apix = p2. To evaluate the fill factor, we need to evaluate the area of the photodiode. This can be estimated as the difference between the pixel area and the area occupied by the transistors APD = ApixAtr. The estimation of the area occupied by the transistors depends on the specific design considered and the design choices; however, for the case in this example, we can consider that the area of the SF and RS transistors is the same in both the logarithmic pixel and the proposed low dark current pixel. If the diffusion-to-diffusion minimum distance is also accounted for, it is possible to estimate the SF and RS area as 0.75 μm2 (1.5 μm × 0.5 μm). In the logarithmic pixel, the load transistor M1 area can be estimated as 2.75 μm2 (5.5 μm × 0.5 μm), while in the proposed low dark current pixel, the core transistor area can be estimated as 11 μm2 (5.5 μm × 0.5 μm × 4 transistors). Recalling the expression of the fill factor as the percent ratio between the photodiode area and the pixel area, it is possible to formalize the following:
F F l o g = 100 A P D l o g A p i x = 100 × p 2 A M 1 A S F , R S p 2
F F l d c = 100 A P D l d c A p i x = 100 × p 2 4 A M A S F , R S p 2
where APDlog and APDldc are the areas of the logarithmic pixel photodiode and the low dark current pixel photodiode, respectively. AM1 = AM is the area of the load transistors and ASF,RS is the area of the SF and RS transistors.
Figure 5 shows the calculated fill factor of Equations (6) and (7) for the logarithmic pixel and the proposed low dark current pixel, respectively. While for the pixel pitch of choice the difference is negligible, for smaller pixel pitches, the difference in fill factor increases. With LFoundry technology and the chosen transistor parameters, the achievable pixel pitch for the logarithmic pixel is smaller than the proposed low dark current pixel in front side illuminated technologies. However, for scientific applications, the typical pixel pitch is significatively larger, and for pitches above 20 μm, the difference can be neglected.

3. Experimental Results

This pixel was manufactured with LFoundry 110 nm Image Sensor process technology. It was implemented as a single device structure to prove functionality. In order to compare the proposed pixel with the standard logarithmic pixel, both versions have been designed and fabricated. Recalling Figure 3, the load of the proposed pixel consists of a pMOS device. Therefore, the logarithmic pixel designed for this experiment also employs a pMOS as a load. In order to ensure a reliable comparison, both the standard and the proposed logarithmic pixels were connected to a photodiode of the same size (100 × 100 μm). Both were designed close in the die and exposed to the same light generated by a calibrated source during the measurements. The choice of a large pixel of 100 μm pitch also helps with the characterization. In fact, the typical dark current values nowadays in CIS are in the range of the pA/cm2 and may be particularly difficult to measure. A larger photodiode provides a higher current, enabling measurements with common laboratory equipment.
The pixels were measured in a laboratory environment where a calibrated light source was used to shine the light through an integrating sphere to guarantee uniformity. The measurement setup was equipped with a high sensitivity photodiode. The measurement results are shown in Figure 6, where the pixel output voltages are plotted against the measured incoming light intensity. The red diamonds represent the response of the standard logarithmic pixel, while the blue circles represent the response of the proposed low dark current pixel. In addition, the data were fitted with the model presented in Equation (8) in order to estimate the dark current levels. Equation (8) is a model for Equation (1), where the dark current has been made explicit and the parameters simplified, resulting in the following [10]:
y = a + b   ln x + c ,
where a is the offset, b is the gain and c is the dark current contribution of each pixel. The terms a and b are characteristic parameters, depending on the process, temperature and to the readout circuitry. In this experiment, the measurements were conducted at the same temperature and with the same process technology. Therefore, the aforementioned parameters are expected to be similar for both pixels. However, the c-terms are different, as they represent the different levels of the dark current, which, in turn, depend on the bias voltage of the photodiode. Let us define clog and cldc, the dark current terms for the logarithmic and low dark current pixel, respectively. The ratio between the c terms represents the dark current reduction rate. The measured ratio is cldc/clog = −34.54 dB, which corresponds to a reduction in the dark current by a factor higher than 50. In addition, we can analyze the slope of the pixel responses to determine their sensitivity. Figure 7 shows the slopes of both the logarithmic and low dark current pixels.
The slope represents the sensitivity of the pixel as a function of the input light intensity. From this figure, the low dark current pixel exhibits a higher sensitivity for lower values of incoming light compared to the logarithmic pixel. In their normal region of operation, both pixels have a slope of 58 mV/decade. Furthermore, this is guaranteed for a higher range in the proposed pixel. From the analysis conducted in this paper, it is possible to conclude that the proposed low dark current pixel circuit has a wider dynamic range of ~35 dB at the darker end of the response compared to a logarithmic pixel. The results are summarized in Table 1.

4. Conclusions

The dark current limits the performance of CMOS image sensors. In this paper, starting from the observation that enforcing a zero potential across the photodiode leads to a dark current reduction, a pixel circuit able to maintain a zero potential across the photodiode was presented. The proposed circuit consists of six transistors, has a logarithmic response and the advantage of reducing the dark current by enforcing a low voltage potential across the photodiode. In this paper, we compared this low dark current pixel to a standard logarithmic pixel. Both pixels were manufactured in LFoundry 110 nm CIS process technology, using standard low VT 3.3 V transistors and the same photodiode size of 100 μm. The proposed pixel is able to maintain a low voltage bias across the photodiode, which results in a significant reduction in dark current. In fact, the dark current improves by 34.5 dB, which directly translates to an increased dynamic range, thanks to the broader response at the darker end of the characteristic. This improvement enables an overall dynamic range larger than 160 dB, which is a record for logarithmic pixels.

5. Patents

This work led to the patent application: “Pixel Circuit” European Patent no. EP3354010A1.

Author Contributions

Conceptualization, methodology, design, validation, formal analysis, investigation, resources, data curation, writing—original draft preparation, A.M.B.; design, writing—review and editing, supervision, funding acquisition, B.C. Both authors have read and agreed to the published version of the manuscript.

Funding

The authors would like to thank the European Commission for funding this research through the EDISON-GA project (Marie Curie Actions, FP7-People Programme).

Acknowledgments

The authors would like to thank Giuseppe di Nicolantonio for the help with the device samples.

Conflicts of Interest

The authors declare no conflict of interest.

References

  1. Freitas, L.M.C.; Morgado-Dias, F. Reference Power Supply Connection Scheme for Low-Power CMOS Image Sensors Based on Incremental Sigma-Delta Converters. Electronics 2021, 10, 299. [Google Scholar] [CrossRef]
  2. Park, K.; Yeom, S.; Kim, S.Y. Ultra-Low Power CMOS Image Sensor with Two-Step Logical Shift Algorithm-Based Correlated Double Sampling Scheme. IEEE Trans. Circuits Syst. I Regul. Pap. 2020, 67, 3718–3727. [Google Scholar] [CrossRef]
  3. Wei, J.; Li, X.; Sun, L.; Li, D. A Low-Power Column-Parallel Gain-Adaptive Single-Slope ADC for CMOS Image Sensors. Electronics 2020, 9, 757. [Google Scholar] [CrossRef]
  4. Gao, Q.; Yadid-Pecht, O. A Low Power CMOS Imaging System with Smart Image Capture and Adaptive Complexity 2D-DCT Calculation. J. Low Power Electron. Appl. 2013, 3, 267–278. [Google Scholar] [CrossRef]
  5. Sukhavasi, S.B.; Sukhavasi, S.B.; Elleithy, K.; Abuzneid, S.; Elleithy, A. CMOS Image Sensors in Surveillance System Applications. Sensors 2021, 21, 488. [Google Scholar] [CrossRef]
  6. Cevik, I.; Huang, X.; Yu, H.; Yan, M.; Ay, S.U. An Ultra-Low Power CMOS Image Sensor with On-Chip Energy Harvesting and Power Management Capability. Sensors 2015, 15, 5531–5554. [Google Scholar] [CrossRef] [PubMed]
  7. Law, M.K.; Bermak, A.; Shi, C. A low-power energy-harvesting logarithmic CMOS image sensor with reconfigurable resolution using two-level quantization scheme. IEEE Trans. Circuits Syst. II Express Briefs 2011, 58, 80–84. [Google Scholar] [CrossRef]
  8. Kim, H.J.; Hwang, S.I.; Kwon, J.W.; Jin, D.H.; Choi, B.S.; Lee, S.G.; Park, J.; Shin, J.; Ryu, S. A delta-readout scheme for low-power CMOS image sensors with multi-column-parallel SAR ADCs. IEEE J. Solid State Circuits 2016, 51, 2262–2273. [Google Scholar] [CrossRef]
  9. Boussaid, F.; Bermak, A.; Bouzerdoum, A. An ultra-low power operating technique for mega-pixels current-mediated CMOS imagers. IEEE Trans. Consum. Electron. 2004, 50, 46–53. [Google Scholar] [CrossRef]
  10. Spivak, A.; Belenky, A.; Fish, A.; Yadid-Pecht, O. Analog Encoding Voltage—A Key to Ultra-Wide Dynamic Range and Low Power CMOS Image Sensor. J. Low Power Electron. Appl. 2013, 3, 27–53. [Google Scholar] [CrossRef]
  11. Schanz, M.; Nitta, C.; Bußmann, A.; Hosticka, B.J.; Wertheimer, R.K. A high-dynamic-range CMOS image sensor for automotive applications. IEEE J. Solid State Circuits 2000, 35, 932–938. [Google Scholar] [CrossRef]
  12. Campos, F.d.S.; Castro, B.A.d.; Swart, J.W. A Tunable CMOS Image Sensor with High Fill-Factor for High Dynamic Range Applications. Eng. Proc. 2020, 2, 79. [Google Scholar] [CrossRef]
  13. El Gamal, A. High dynamic range image sensors. In Proceedings of the Tutorial at International Solid-State Circuits Conference—International Solid State Circuits Conference Tutorials, San Francisco, CA, USA, 7 February 2002; Volume 290. [Google Scholar]
  14. Spivak, A.; Belenky, A.; Fish, A.; Yadid-Pecht, O. Wide-dynamic-range CMOS image sensors—comparative performance analysis. IEEE Trans. Electron Devices 2009, 56, 2446–2461. [Google Scholar] [CrossRef]
  15. Kavadias, S.; Dierickx, B.; Scheffer, D.; Alaerts, A.; Uwaerts, D.; Bogaerts, J. A logarithmic response CMOS image sensor with on-chip calibration. IEEE J. Solid State Circuits 2000, 35, 1146–1152. [Google Scholar] [CrossRef]
  16. Bermak, A.; Kitchen, A. A novel adaptive logarithmic digital pixel sensor. IEEE Photonics Technol. Lett. 2006, 18, 2147–2149. [Google Scholar] [CrossRef]
  17. Choubey, B.; Otim, S.; Aoyama, S.; Joseph, D.; Collins, S. An electronic calibration scheme for logarithmic CMOS image sensor. IEEE J. Sens. 2006, 6, 950–956. [Google Scholar] [CrossRef]
  18. Roy, F.; Tournier, A.; Wehbe-Alause, H.; Blanchet, F.; Boulenc, P.; Leverd, F.; Favennec, L.; Perrot, C.; Pinzelli, L.; Gatefait, M.; et al. Challenges in CMOS-based images. Phys. Status Solidi C 2014, 11, 50–56. [Google Scholar] [CrossRef]
  19. Moon, C.R.; Jung, J.; Kwon, D.W.; Yoo, J.; Lee, D.H.; Kim, K. Application of plasma-doping (plad) technique to reduce dark current of CMOS image sensors. Electron Device Lett. IEEE 2007, 28, 114–116. [Google Scholar] [CrossRef]
  20. Kwon, H.I.; Kwon, O.J.; Shin, H.; Park, B.G.; Park, S.S.; Lee, J.D. The effects of deuterium annealing on the reduction of dark currents in the CMOS APS. IEEE Trans. Electron Devices 2004, 51, 1346–1349. [Google Scholar] [CrossRef]
  21. Seo, M.-W.; Kawahito, S.; Yasutomi, K.; Kagawa, K.; Teranishi, N. A low dark leakage current high-sensitivity CMOS image sensor with STI-less shared pixel design. Electron Devices IEEE Trans 2014, 61, 2093–2097. [Google Scholar] [CrossRef]
  22. Mheen, B.; Song, Y.J.; Theuwissen, A.J.P. Negative offset operation of four-transistor CMOS image pixels for increased well capacity and suppressed dark current. Electron Device Lett. IEEE 2008, 29, 347–349. [Google Scholar] [CrossRef][Green Version]
  23. Brunetti, A.M.; Musolino, M.; Strangio, S.; Choubey, B. Pixel Design Driven Performance Improvement in 4T CMOS Image Sensors: Dark Current Reduction and Full-Well Enhancement. IEEE Trans. Electron Devices 2020, 67, 409–412. [Google Scholar] [CrossRef]
  24. Brunetti, A.M.; Musolino, M.; Choubey, B. Staggered Pixel Layout to Reduce Area and Increase Full Well Capacity in CMOS Image Sensors. IEEE Trans. Electron Devices 2021, 68, 572–577. [Google Scholar] [CrossRef]
  25. Brunetti, A.M.; Choubey, B. A low dark current wide dynamic range CMOS pixel. In Proceedings of the 2016 IEEE International Symposium on Circuits and Systems (ISCAS), Montreal, QC, Canada, 22–25 May 2016; pp. 2523–2526. [Google Scholar]
  26. Joseph, D.; Modelling, S.C. calibration and correction of nonlinear illumination dependent fixed pattern noise in logarithmic CMOS image sensors. In Proceedings of the IMTC 2001, 18th IEEE Instrumentation and Measurement Technology Conference, Rediscovering Measurement in the Age of Informatics (Cat. No.01CH 37188), Budapest, Hungary, 21–23 May 2001; Volume 2, pp. 1296–1301. [Google Scholar]
  27. Sze, S. Semiconductor Devices, Physics and Technology; John Wiley & Sons: Hoboken, NJ, USA, 1985. [Google Scholar]
  28. Roy, K.; Mukhopadhyay, S.; Mahmoodi-Meimand, H. Leakage current mechanisms and leakage reduction techniques in deep-submicrometer CMOS circuits. Proc. IEEE 2003, 91, 305–327. [Google Scholar] [CrossRef]
Figure 1. Simulated I-V characteristic of the photodiode for increasing levels of light. The photodiode current is expressed in arbitrary units (a.u.).
Figure 1. Simulated I-V characteristic of the photodiode for increasing levels of light. The photodiode current is expressed in arbitrary units (a.u.).
Electronics 10 01096 g001
Figure 2. A typical logarithmic pixel with single nMOS load [25].
Figure 2. A typical logarithmic pixel with single nMOS load [25].
Electronics 10 01096 g002
Figure 3. Proposed double-mirrored, low, dark current pixel design. In the proposed pixel design, 3 transistors are added compared to the logarithmic pixel with the purpose of enforcing a zero-voltage potential across the photodiode [25].
Figure 3. Proposed double-mirrored, low, dark current pixel design. In the proposed pixel design, 3 transistors are added compared to the logarithmic pixel with the purpose of enforcing a zero-voltage potential across the photodiode [25].
Electronics 10 01096 g003
Figure 4. Pixel layout (not in scale). (a) Logarithmic pixel. (b) Proposed low dark current pixel. The diffusion is in green, the polysilicon is in red and the photodiode sensitive area is in pink.
Figure 4. Pixel layout (not in scale). (a) Logarithmic pixel. (b) Proposed low dark current pixel. The diffusion is in green, the polysilicon is in red and the photodiode sensitive area is in pink.
Electronics 10 01096 g004
Figure 5. Calculated fill factor in semilogarithmic scale for both the logarithmic pixel (in red) and the proposed low dark current pixel (in blue).
Figure 5. Calculated fill factor in semilogarithmic scale for both the logarithmic pixel (in red) and the proposed low dark current pixel (in blue).
Electronics 10 01096 g005
Figure 6. Measured responses of the logarithmic pixel (red diamonds) fitted with the red line compared to the proposed low dark current pixel (blue circles) fitted with the blue line. The dynamic range (DR) is highlighted for both pixel versions.
Figure 6. Measured responses of the logarithmic pixel (red diamonds) fitted with the red line compared to the proposed low dark current pixel (blue circles) fitted with the blue line. The dynamic range (DR) is highlighted for both pixel versions.
Electronics 10 01096 g006
Figure 7. Slope of the measured logarithmic pixel response (red dotted line) compared to the measured proposed low dark current pixel response (blue line).
Figure 7. Slope of the measured logarithmic pixel response (red dotted line) compared to the measured proposed low dark current pixel response (blue line).
Electronics 10 01096 g007
Table 1. Summary of pixel performance.
Table 1. Summary of pixel performance.
ParameterLDC PixelLOG Pixel
TechnologyLFoundry 110 nm CIS process
Photodiode pitch100 μm
Photodiode bias<5 mV2.2–2.6 V
Dynamic Range>160 dB>120 dB
Dark Current Ratio (LDC/LOG)−34.54 dB
Publisher’s Note: MDPI stays neutral with regard to jurisdictional claims in published maps and institutional affiliations.

Share and Cite

MDPI and ACS Style

Brunetti, A.M.; Choubey, B. A Low Dark Current 160 dB Logarithmic Pixel with Low Voltage Photodiode Biasing. Electronics 2021, 10, 1096. https://doi.org/10.3390/electronics10091096

AMA Style

Brunetti AM, Choubey B. A Low Dark Current 160 dB Logarithmic Pixel with Low Voltage Photodiode Biasing. Electronics. 2021; 10(9):1096. https://doi.org/10.3390/electronics10091096

Chicago/Turabian Style

Brunetti, Alessandro Michel, and Bhaskar Choubey. 2021. "A Low Dark Current 160 dB Logarithmic Pixel with Low Voltage Photodiode Biasing" Electronics 10, no. 9: 1096. https://doi.org/10.3390/electronics10091096

APA Style

Brunetti, A. M., & Choubey, B. (2021). A Low Dark Current 160 dB Logarithmic Pixel with Low Voltage Photodiode Biasing. Electronics, 10(9), 1096. https://doi.org/10.3390/electronics10091096

Note that from the first issue of 2016, this journal uses article numbers instead of page numbers. See further details here.

Article Metrics

Back to TopTop