Four-Level Quasi-Nested Inverter Topology for Single-Phase Applications
Abstract
1. Introduction
- The hardware modifications required for single-phase implementation of the 4-level double star MLI are detailed.
- A suitable carrier-based modulation scheme is proposed and tested in order to guarantee accurate capacitor voltage balancing.
- An experimental validation of the 4L-QN topology is presented for the first time.
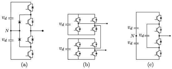
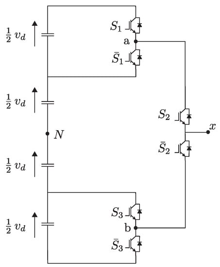
2. Converter Topology
- It is capable of single or three-phase operation. The latter requires using three parallel cells and a single DC-link with three capacitors and no clamping point.
- Four voltage levels: one more than the 3L-ANPC using the same number of active switches and one more level than the 3L-NPC with the same number of semiconductor switches.
- No need of clamping diodes or active switches like in the 3L-ANPC, 3L-NPC topologies.
- No need of flying capacitors with asymmetric voltage levels, thereby avoiding the requirement of a dedicated pre-charge strategy.
- The inner switches (, , , ) blocking voltage stress is of the nominal DC-voltage , representing an improvement with respect to nested topologies, like 3L-NPC, 3L-ANPC and H-Bridge, whose blocking voltage stress is of the DC-voltage. On the other hand, the blocking voltage stress of the outer active switches (, ) is , exceeding that of the 3L-NPC, 3L-ANPC and H-Bridge topologies. This issue will be later analyzed in detail employing the total active switching stress and utilization factors [30] as more precise comparison criteria.
2.1. Fundamental Principle
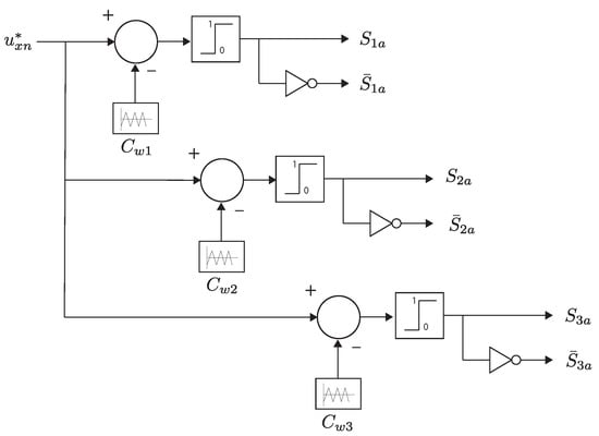
2.2. Modulation Scheme
2.3. Balancing of DC-Link Capacitors
3. Control Objectives
4. Results
4.1. Simulation Results
4.2. Voltage and Current Stress of the Semiconductor Switches
4.3. Efficiency Analysis
4.4. Experimental Validation
4.5. Discussion
5. Conclusions
Author Contributions
Funding
Institutional Review Board Statement
Informed Consent Statement
Data Availability Statement
Acknowledgments
Conflicts of Interest
Abbreviations
| 3L-ANPC | Three Level Active Neutral Point Clamped |
| 3L-FC | Three Level Flying Capacitor |
| 3L-NPC | Three Level Neutral Point Clamped |
| 4L-FC | Four Level Flying Capacitor |
| 4L-QN | Four-level quasi-nested |
| AC | Alternating Current |
| DC | Direct Current |
| ANPC | Active Neutral Point Clamped |
| CHB | Cascaded H-Bridge |
| DSC | Double-star converter |
| FC | Flying Capacitor |
| IGBT | Isolated Gate Bipolar Transistor |
| LS-PWM | Level-Shifted Pulse Width Modulation |
| MOSFET | Metal Oxide Semiconductor Field Effect Transistor |
| MLI | Multi-level Inverter. |
| MV | Medium-Voltage |
| NLC | Nearest level control |
| NPC | Neutral Point Clamped |
| PI | Proportional Integral |
| PLL | Phase Locked Loop |
| PMR | Proportional Multi Resonant |
| PS-PWM | Phase-Shifted Pulse Width Modulation |
| PWM | Pulse Width Modulation |
| R-L | Resistive-inductive |
| SHE-PWM | Selective harmonic elimination PWM |
| SVPWM | Space Vector PWM |
| THD | Total Harmonic Distortion |
References
- Sunddararaj, S.P.; Srinivasarangan Rangarajan, S. An Extensive Review of Multilevel Inverters Based on Their Multifaceted Structural Configuration, Triggering Methods and Applications. Electronics 2020, 9, 433. [Google Scholar] [CrossRef]
- Akagi, H. Multilevel Converters: Fundamental Circuits and Systems. Proc. IEEE 2017, 105, 2048–2065. [Google Scholar] [CrossRef]
- Franquelo, L.G.; Rodriguez, J.; Leon, J.I.; Kouro, S.; Portillo, R.; Prats, M.A.M. The age of multilevel converters arrives. IEEE Ind. Electron. Mag. 2008, 2, 28–39. [Google Scholar] [CrossRef]
- Kouro, S.; Malinowski, M.; Gopakumar, K.; Pou, J.; Franquelo, L.G.; Wu, B.; Rodriguez, J.; Perez, M.A.; Leon, J.I. Recent Advances and Industrial Applications of Multilevel Converters. IEEE Trans. Ind. Electron. 2010, 57, 2553–2580. [Google Scholar] [CrossRef]
- Alahuhtala, J. A Three-Level Neutral-Point-Clamped Inverter. European Patent 12191024.4, 2 November 2012. [Google Scholar]
- Li, J.; Boroyevich, D.; Liu, J. Three-Level Active Neutral Point Clamped Zero Voltage Switching Converter. U.S. Patent US20120218785A1, 23 February 2012. [Google Scholar]
- Meynard, T.; Foch, H. Electronic Device for Electrical Energy Conversion between a Voltage Source and a Current Source by Means of Controllable Switching Cells. European Patent 92/916336.8, 8 July 1992. [Google Scholar]
- Kala, P.; Arora, S. A comprehensive study of classical and hybrid multilevel inverter topologies for renewable energy applications. Renew. Sustain. Energy Rev. 2017, 76, 905–931. [Google Scholar] [CrossRef]
- Bana, P.R.; Panda, K.P.; Naayagi, R.T.; Siano, P.; Panda, G. Recently Developed Reduced Switch Multilevel Inverter for Renewable Energy Integration and Drives Application: Topologies, Comprehensive Analysis and Comparative Evaluation. IEEE Access 2019, 7, 54888–54909. [Google Scholar] [CrossRef]
- Hassan, A.; Yang, X.; Chen, W.; Houran, M.A. A State of the Art of the Multilevel Inverters with Reduced Count Components. Electronics 2020, 9, 1924. [Google Scholar] [CrossRef]
- Bin, W. High-Power Converters and AC Drives, 1st ed.; Wiley-IEEE Press: Hoboken, NJ, USA, 2006; pp. 1–468. [Google Scholar]
- Amini, J.; Viki, A.H.; Radan, A.; Moallem, M. A General Active Capacitor Voltage Regulating Method for L-Level M-Cell N-Phase Flying Capacitor Multilevel Inverter with Arbitrary DC Voltage Distribution. IEEE Trans. Ind. Electron. 2016, 63, 2659–2668. [Google Scholar] [CrossRef]
- Salem, A.; Van Khang, H.; Robbersmyr, K.G.; Norambuena, M.; Rodriguez, J. Voltage Source Multilevel Inverters with Reduced Device Count: Topological Review and Novel Comparative Factors. IEEE Trans. Power Electron. 2021, 36, 2720–2747. [Google Scholar] [CrossRef]
- Heydari-doostabad, H.; Monfared, M. An Integrated Interleaved Dual-Mode Time-Sharing Inverter for Single-Phase Grid-Tied Applications. IEEE Trans. Ind. Electron. 2019, 66, 286–296. [Google Scholar] [CrossRef]
- Abbaszadeh, M.; Monfared, M.; Heydari-doostabad, H. High-buck in Buck and High-boost in Boost Dual-Mode Inverter (Hb2DMI). IEEE Trans. Ind. Electron. 2020, 1. [Google Scholar] [CrossRef]
- Buticchi, G.; Barater, D.; Lorenzani, E.; Concari, C.; Franceschini, G. A Nine-Level Grid-Connected Converter Topology for Single-Phase Transformerless PV Systems. IEEE Trans. Ind. Electron. 2014, 61, 3951–3960. [Google Scholar] [CrossRef]
- Lee, S.; Kim, J. Optimized Modeling and Control Strategy of the Single-Phase Photovoltaic Grid-Connected Cascaded H-bridge Multilevel Inverter. Electronics 2018, 7, 207. [Google Scholar] [CrossRef]
- Barcellona, S.; Barresi, M.; Piegari, L. MMC-Based PV Single-Phase System with Distributed MPPT. Energies 2020, 13, 3964. [Google Scholar] [CrossRef]
- Kumar, A.; Verma, V. Performance Enhancement of Single-Phase Grid-Connected PV System under Partial Shading Using Cascaded Multilevel Converter. IEEE Trans. Ind. Appl. 2018, 54, 2665–2676. [Google Scholar] [CrossRef]
- Pourfaraj, A.; Monfared, M.; Heydari-doostabad, H. Single-Phase Dual-Mode Interleaved Multilevel Inverter for PV Applications. IEEE Trans. Ind. Electron. 2020, 67, 2905–2915. [Google Scholar] [CrossRef]
- Oliveira Pinto, J.; Macedo, R.; Monteiro, V.; Barros, L.; Sousa, T.; Afonso, J. Single-Phase Shunt Active Power Filter Based on a 5-Level Converter Topology. Energies 2018, 11, 1019. [Google Scholar] [CrossRef]
- Verma, V.; Kumar, A. Cascaded multilevel active rectifier fed three-phase smart pump load on single-phase rural feeder. IEEE Trans. Power Electron. 2017, 32, 5398–5410. [Google Scholar] [CrossRef]
- Rahman, S.; Meraj, M.; Iqbal, A.; Tariq, M.; Maswood, A.I.; Ben-Brahim, L.; Al-Ammari, R. Design and Implementation of Cascaded Multilevel qZSI Powered Single-Phase Induction Motor for Isolated Grid Water Pump Application. IEEE Trans. Ind. Appl. 2020, 56, 1907–1917. [Google Scholar] [CrossRef]
- Omer, P.; Kumar, J.; Surjan, B.S. A Review on Reduced Switch Count Multilevel Inverter Topologies. IEEE Access 2020, 8, 22281–22302. [Google Scholar] [CrossRef]
- Kouro, S.; Perez, M.; Rodriguez, J.; Wu, B. Four-level medium voltage multilevel converter for high power applications. In Proceedings of the 2013 IEEE ECCE Asia Downunder, Melbourne, Australia, 3–6 June 2013; pp. 1028–1033. [Google Scholar] [CrossRef]
- Rivera, S.; Kouro, S.; Llor, A.; Reusser, C. Four-level double star multilevel converter for grid-connected photovoltaic systems. In Proceedings of the 2017 19th European Conference on Power Electronics and Applications (EPE’17 ECCE Europe), Warsaw, Poland, 11–14 September 2017. [Google Scholar] [CrossRef]
- Reusser, C.A.; Kouro, S.; Llor, A.; Cardenas, R.; Yaramasu, V. Permanent Magnet Synchronous Generator WECS based on a four-level double star converter. In Proceedings of the 2017 IEEE 8th International Symposium on Power Electronics for Distributed Generation Systems (PEDG), Florianopolis, Brazil, 17–20 April 2017. [Google Scholar] [CrossRef]
- Ghasemi, N.; Zare, F.; Boora, A.A.; Ghosh, A.; Langton, C.; Blaabjerg, F. Harmonic elimination technique for a single-phase multilevel converter with unequal DC link voltage levels. IET Power Electron. 2012, 5, 1418–1429. [Google Scholar] [CrossRef]
- Yao, W.; Hu, H.; Lu, Z. Comparisons of Space-Vector Modulation and Carrier-Based Modulation of Multilevel Inverter. IEEE Trans. Power Electron. 2008, 23, 45–51. [Google Scholar] [CrossRef]
- Erickson, R.; Maksimovic, D. Fundamentals of Power Electronics, 2nd ed.; Springer: New York, NY, USA; Philadelphia, PA, USA, 2001. [Google Scholar]
- McGrath, B.P.; Holmes, D.G. Multicarrier PWM strategies for multilevel inverters. IEEE Trans. Ind. Electron. 2002, 49, 858–867. [Google Scholar] [CrossRef]
- Holmes, D.G.; Lipo, T.A. Pulse Width Modulation for Power Converters: Principles and Practice, 1st ed.; Wiley-IEEE Press: Hoboken, NJ, USA, 2003. [Google Scholar]
- Angulo, M.; Lezana, P.; Kouro, S.; Rodriguez, J.; Wu, B. Level-shifted PWM for Cascaded Multilevel Inverters with Even Power Distribution. In Proceedings of the 2007 IEEE Power Electronics Specialists Conference, Orlando, FL, USA, 17–21 June 2007; pp. 2373–2378. [Google Scholar] [CrossRef]
- Li, J. Design and Control Optimisation of a Novel Bypass-embedded Multilevel Multicell Inverter for Hybrid Electric Vehicle Drives. In Proceedings of the 2020 IEEE 11th International Symposium on Power Electronics for Distributed Generation Systems (PEDG), Dubrovnik, Croatia, 28 September–1 October 2020; pp. 382–385. [Google Scholar] [CrossRef]
- Llor, A.M.; Kouro, S.; Reusser, C.; Yaramasu, V.; Wu, B. Medium voltage 4-level double-star multilevel converter using model predictive control. In Proceedings of the 2017 IEEE International Conference on Industrial Technology (ICIT), Toronto, ON, Canada, 22–25 March 2017; pp. 136–140. [Google Scholar] [CrossRef]
- Pereira, L.F.A.; Bazanella, A.S. Tuning Rules for Proportional Resonant Controllers. IEEE Trans. Control Syst. Technol. 2015, 23, 2010–2017. [Google Scholar] [CrossRef]
- Verdugo, C.; Kouro, S.; Rojas, C.A.; Perez, M.A.; Meynard, T.; Malinowski, M. Five-Level T-type Cascade Converter for Rooftop Grid-Connected Photovoltaic Systems. Energies 2019, 12, 1743. [Google Scholar] [CrossRef]
- Teodorescu, R.; Blaabjerg, F.; Liserre, M.; Loh, P.C. Proportional-resonant controllers and filters for grid-connected voltage-source converters. IEE Proc.-Electr. Power Appl. 2006, 153, 750–762. [Google Scholar] [CrossRef]
- Yuan, X.; Merk, W.; Stemmler, H.; Allmeling, J. Stationary-frame generalized integrators for current control of active power filters with zero steady-state error for current harmonics of concern under unbalanced and distorted operating conditions. IEEE Trans. Ind. Appl. 2002, 38, 523–532. [Google Scholar] [CrossRef]
- Fu, X.; Li, S. Control of Single-Phase Grid-Connected Converters With LCL Filters Using Recurrent Neural Network and Conventional Control Methods. IEEE Trans. Power Electron. 2016, 31, 5354–5364. [Google Scholar] [CrossRef]
- Avci, E.; Ucar, M. Proportional multi-resonant-based controller design method enhanced with a lead compensator for stand-alone mode three-level three-phase four-leg advanced T-NPC inverter system. IET Power Electron. 2020, 13, 863–872. [Google Scholar] [CrossRef]
- Schiesser, M.; Wasterlain, S.; Marchesoni, M.; Carpita, M. A Simplified Design Strategy for Multi-Resonant Current Control of a Grid-Connected Voltage Source Inverter with an LCL Filter. Energies 2018, 11, 609. [Google Scholar] [CrossRef]
- Goodwin, G.C.; Graebe, S.F.; Salgado, M.E. Control System Design, 1st ed.; Pearson: London, UK, 2000; pp. 1–908. [Google Scholar]















| # | ||||
|---|---|---|---|---|
| 1 | 0 | 0 | 0 | − |
| 2 | 0 | 0 | 1 | − |
| 3 | 0 | 1 | 0 | |
| 4 | 0 | 1 | 1 | |
| 5 | 1 | 0 | 0 | − |
| 6 | 1 | 0 | 1 | − |
| 7 | 1 | 1 | 0 | |
| 8 | 1 | 1 | 1 |
| Symbol | Parameter | Simulation Value | Experimental Value |
|---|---|---|---|
| Inverter Parameters | |||
| Total DC-link voltage | 540 [V] | 90 [V] | |
| DC-link capacitors | 2400 [F] | 2400 [F] | |
| Carrier frequency | 5000 [Hz] | 5000 [Hz] | |
| Load inductance | 10 [mH] | 10 [mH] | |
| Load resistance | 10 [] | 10 [] | |
| Control Parameters | |||
| Sample period | 15 [s] | 15 [s] | |
| BW | Current control bandwidth | 300 [Hz] | 300 [Hz] |
| Topology | Active Switch Stress (S) | Utilization Factor (U) |
|---|---|---|
| H-Bridge | ||
| NPC | ||
| ANPC | ||
| 4L-QN |
| Topology | Conduction Losses (W) | Switching Losses (mJ) |
|---|---|---|
| H-Bridge | 12 | |
| NPC | ||
| ANPC | ||
| 4L-QN | 2 |
Publisher’s Note: MDPI stays neutral with regard to jurisdictional claims in published maps and institutional affiliations. |
© 2021 by the authors. Licensee MDPI, Basel, Switzerland. This article is an open access article distributed under the terms and conditions of the Creative Commons Attribution (CC BY) license (http://creativecommons.org/licenses/by/4.0/).
Share and Cite
Reusser, C.A.; Young, H. Four-Level Quasi-Nested Inverter Topology for Single-Phase Applications. Electronics 2021, 10, 233. https://doi.org/10.3390/electronics10030233
Reusser CA, Young H. Four-Level Quasi-Nested Inverter Topology for Single-Phase Applications. Electronics. 2021; 10(3):233. https://doi.org/10.3390/electronics10030233
Chicago/Turabian StyleReusser, Carlos A., and Hector Young. 2021. "Four-Level Quasi-Nested Inverter Topology for Single-Phase Applications" Electronics 10, no. 3: 233. https://doi.org/10.3390/electronics10030233
APA StyleReusser, C. A., & Young, H. (2021). Four-Level Quasi-Nested Inverter Topology for Single-Phase Applications. Electronics, 10(3), 233. https://doi.org/10.3390/electronics10030233
