A Power-Gated 8-Transistor Physically Unclonable Function Accelerates Evaluation Speeds
Abstract
:1. Introduction
1.1. Background
1.2. Main Contributions
- The custom 8T PUF facilitates fast statistical measurements and improves security: The 8T PUF maximises physical mismatch and eliminates data retention swiftly for high-speed evaluations and countering security attacks [14,15,16,17,18]. It does not require a special process for high-density SRAM manufacturing and can be fabricated in the same process as microcontrollers (MCUs). Fast statistical measurements can be performed on this platform to extract raw PUF bits. These raw bits are then processed and marked onto a bitmap to identify the PUF cell instability. These unstable bits, which are discarded in the references, can be used for True Random Number generation or as part of the PUF Response [19,20,21,22].
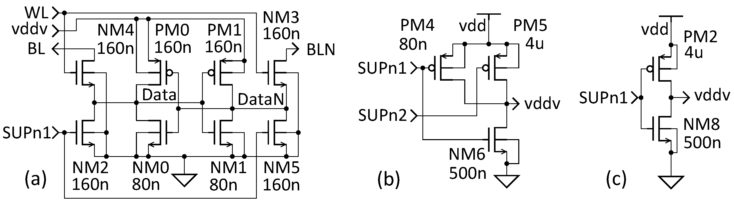
- Two-phase power gating improves PUF performance and security whilst saving energy and delaying ageing: This newly developed power-switching process includes three stages:
- Reset stage: The reset stage drops the virtual power supply (vddv), quickly drains the remaining current and eliminates retained data.
- Phase I power-up stage: Phase I slowly powers up the chosen PUFs to prolong the metastability-resolving process in the hope of reducing EMI and crosstalk amongst PUF cells [23].
- Phase II power-up stage: Finally, phase II speeds up the voltage ramp-up process.
In addition, different combinations of power gating parameters can curb the in-rush current, thus shielding it from side channel attacks, e.g., Differential Power Analysis (DPA) [14,15]. Moreover, the 8T PUF cells are partitioned into rows, and only the chosen rows will be powered up during the reading process. Besides saving energy proportionally, PUF cells without a power supply cannot be read out and are protected from security attacks. Furthermore, power gating can delay the transistor ageing effect. - A new data processing method marks out most errors: The high-speed measurements not only reduce the time needed for the enrolment phase in manufacturing but also enable multiple evaluations in the key regeneration phase. Since the positions of the unstable PUF cells drift away in different voltage or temperature corners, and extreme corners cause more unstable PUF cells, TMV plus Dark-bit masking in nominal conditions [7,8,9] is insufficient. We propose a new data processing method here. First, during manufacturing, Multiple TMV under nominal conditions and extreme corners are used to mark out unstable readings and flipped readings as Dark bits onto a bitmap. Then, during field usage, the Dark bits are discarded first and followed by the regeneration of Secret Keys using fast TMV. Finally, with a significantly reduced number of error bits remaining, an error correction technique with a lower hardware penalty will be applied. When the BER drop close to 0%, the hardware penalty for error correction can be reduced significantly. The stability levels of PUFs are also recorded on the bitmap. These unstable readings can be used further for True Random Number generation or as part of the PUF Response.
1.3. State of the Art and Related PUF Works
1.4. Paper Structure
2. Power-Gated PUF Architecture and Design Methods
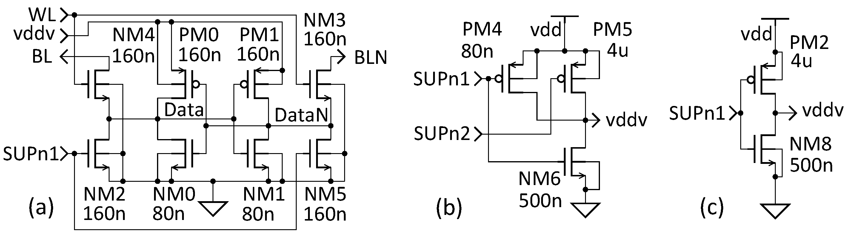
- Challenge–Response pair (CRP): The 8-bit address inputs are the PUF Challenges, and the 8-bit corresponding data outputs are the PUF Responses. Together, they form a Challenge–Response pair (CRP).
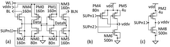
- PUF array: In the PUF array, there are 128 PUFs in a row gated by a power gating cell. Since the main purpose of power gating is facilitating fast evaluations by switching the power supply, the general term SLEEP for normal power gating is replaced by SUPPLY in this work.
- Control block: The switching activity is controlled by the Control block. Apart from passing the decoded higher 4-bit address to choose an 8-bit word from 16:1 multiplexers, it generates SUPn1, SUPn2 and WL (Word Line) signals from the decoded lower 4-bit address. Once a PUF row is chosen by the lower 4-bit address, the SUPn1 signal is discharged to ‘0’ to switch on the power supply. After Data are settled down, the SUPn2 will be discharged to ‘0’, and WL will be asserted to ‘1’ in sequence for a reading process. Then, in the Reset stage, both SUPn1 and SUPn2 signals are asserted to ‘1’. There will be no power supply to the PUF cells, and the data will be discharged to ‘0’. The protocol of the two-phase power gating method is shown in Figure 3.
- Data Processing block: The Data Processing block is there to evaluate the raw read-out bits and marking out different stability levels of each PUF cell. Using TMV under nominal or various voltage and temperature conditions is to sift the unstable or flipped bits to achieve a lower Bit Error Rate (BER).
2.1. 8-Transistor PUF Design
2.2. Two-Phase Power Gating Method and Design
2.3. Multiple TMV and Dark-Bit Masking
3. Evaluations and Results Analyses
3.1. Power Gating Parameter Evaluation
3.2. Power-Gated PUF Behaviour
3.3. Reset Period and Effect
4. 8-Transistor PUF Performance Measurements
4.1. Uniformity
4.2. Robustness: Intra-Distance and BER
4.3. Uniqueness: Inter-Distance
4.4. Randomness
5. Conclusions and Future Work
Author Contributions
Funding
Institutional Review Board Statement
Informed Consent Statement
Data Availability Statement
Conflicts of Interest
Abbreviations
| 8T | 8-Transistor |
| PUF | Physically Unclonable Function |
| 6T | 6-Transistor |
| SRAM | Static Random-Access Memory |
| TMV | Temporal Majority Voting |
| PVT | Process, Voltage and Temperature |
| BER | Bit Error Rate |
| ASIC | Application Specific Integrated Circuit |
| IoT | Internet of Things |
| IC | Integrated Circuit |
| MCU | Microcontroller |
| vddv | virtual power supply |
| DPA | Differential Power Analysis |
| FPGA | Field-Programmable Gate Array |
| CRP | Challenge–Response Pair |
| DRV | Data Retention Voltage |
| WL | Word Line |
| TT | Typical–Typical |
| SS | Slow–Slow |
| FF | Fast–Fast |
| CMOS | Complementary Metal Oxide Semiconductor |
| ACF | Applied Autocorrelation Function |
References
- Verbauwhede, I. Security Adds an Extra Dimension to IC Design: Future IC Design Must Focus on Security in Addition to Low Power and Energy. IEEE Solid-State Circuits Mag. 2017, 9, 41–45. [Google Scholar] [CrossRef]
- Gassend, B.; Clarke, D.; Van Dijk, M.; Devadas, S. Silicon physical random functions. In Proceedings of the 9th ACM Conference on Computer and Communications Security, Washington, DC, USA, 18–22 November 2002; pp. 148–160. [Google Scholar]
- Gassend, B.; Clarke, D.; Van Dijk, M.; Devadas, S. Controlled physical random functions. In Proceedings of the 18th Annual Computer Security Applications Conference, Las Vegas, NV, USA, 9–13 December 2002; pp. 149–160. [Google Scholar]
- Guajardo, J.; Kumar, S.S.; Schrijen, G.J.; Tuyls, P. FPGA intrinsic PUFs and their use for IP protection. In Cryptographic Hardware and Embedded Systems-CHES 2007: 9th International Workshop, Vienna, Austria, September 10–13; Proceedings 9; Springer: Berlin/Heidelberg, Germany, 2007; pp. 63–80. [Google Scholar]
- Holcomb, D.E.; Burleson, W.P.; Fu, K. Initial SRAM state as a fingerprint and source of true random numbers for RFID tags. In Proceedings of the Conference on RFID Security, Malaga, Spain, 10–13 April 2007; Volume 7, No. 2. p. 1. [Google Scholar]
- Bhargava, M.; Cakir, C.; Mai, K. Reliability enhancement of bi-stable PUFs in 65nm bulk CMOS. In Proceedings of the 2012 IEEE International Symposium on Hardware-Oriented Security and Trust (HOST), San Francisco, CA, USA, 3–4 June 2012; pp. 25–30. [Google Scholar]
- Armknecht, F.; Maes, R.; Sadeghi, A.R.; Sunar, B.; Tuyls, P. Memory leakage-resilient encryption based on physically unclonable functions. In Towards Hardware-Intrinsic Security: Foundations and Practice; Springer: Berlin/Heidelberg, Germany, 2010; pp. 135–164. [Google Scholar]
- Mathew, S.K.; Satpathy, S.K.; Anders, M.A.; Kaul, H.; Hsu, S.K.; Agarwal, A.; Chen, G.K.; Parker, R.J.; Krishnamurthy, R.K.; De, V. 16.2 A 0.19 pJ/b PVT-variation-tolerant hybrid physically unclonable function circuit for 100% stable secure key generation in 22 nm CMOS. In Proceedings of the 2014 IEEE International Solid-State Circuits Conference Digest of Technical Papers (ISSCC), San Francisco, CA, USA, 9–13 February 2014; pp. 278–279. [Google Scholar]
- Satpathy, S.K.; Mathew, S.K.; Suresh, V.; Anders, M.A.; Kaul, H.; Agarwal, A.; Hsu, S.K.; Chen, G.K.; Krishnamurthy, R.K.; De, V.K. A 4-fJ/b delay-hardened physically unclonable function circuit with selective bit destabilization in 14-nm trigate CMOS. IEEE J. Solid-State Circuits 2017, 52, 940–949. [Google Scholar] [CrossRef]
- Satpathy, S.K.; Mathew, S.K.; Li, J.; Koeberl, P.; Anders, M.A.; Kaul, H.; Chen, G.K.; Agarwal, A.; Hsu, S.K.; Krishnamurthy, R.K. 13fJ/bit probing-resilient 250K PUF array with soft darkbit masking for 1.94% bit-error in 22nm tri-gate CMOS. In Proceedings of the ESSCIRC 2014-40th European Solid State Circuits Conference (ESSCIRC), Venice, Italy, 22–26 September 2014; pp. 239–242. [Google Scholar]
- Bose, R.C.; Ray-Chaudhuri, D.K. On a class of error correcting binary group codes. Inf. Control 1960, 3, 68–79. [Google Scholar] [CrossRef]
- Hamming, R.W. Error detecting and error correcting codes. Bell Syst. Tech. J. 1950, 29, 147–160. [Google Scholar] [CrossRef]
- Bösch, C.; Guajardo, J.; Sadeghi, A.R.; Shokrollahi, J.; Tuyls, P. Efficient helper data key extractor on FPGAs. In Cryptographic Hardware and Embedded Systems–CHES 2008: Proceedings of the 10th International Workshop, Washington, DC, USA, 10–13 August 2008; Proceedings 10; Springer: Berlin/Heidelberg, Germany, 2008; pp. 181–197. [Google Scholar]
- Kocher, P.; Jaffe, J.; Jun, B. Differential power analysis. In Advances in Cryptology—CRYPTO’99: Proceedings of the 19th Annual International Cryptology Conference, Santa Barbara, CA, USA, 15–19 August 1999; Proceedings 19; Springer: Berlin/Heidelberg, Germany, 1999; pp. 388–397. [Google Scholar]
- Rührmair, U.; Xu, X.; Sölter, J.; Mahmoud, A.; Koushanfar, F.; Burleson, W. Power and timing side channels for PUFs and their efficient exploitation. Cryptol. Eprint Arch. 2013, 476–492. [Google Scholar]
- Rührmair, U.; Sölter, J.; Sehnke, F.; Xu, X.; Mahmoud, A.; Stoyanova, V.; Dror, G.; Schmidhuber, J.; Burleson, W.; Devadas, S. PUF modeling attacks on simulated and silicon data. IEEE Trans. Inf. Forensics Secur. 2013, 8, 1876–1891. [Google Scholar] [CrossRef]
- Halderman, J.A.; Schoen, S.D.; Heninger, N.; Clarkson, W.; Paul, W.; Calandrino, J.A.; Feldman, A.J.; Appelbaum, J.; Felten, E.W. Lest we remember: Cold-boot attacks on encryption keys. Commun. ACM 2009, 52, 91–98. [Google Scholar] [CrossRef]
- Anagnostopoulos, N.A.; Arul, T.; Rosenstihl, M.; Schaller, A.; Gabmeyer, S.; Katzenbeisser, S. Attacking SRAM PUFs using very-low-temperature data remanence. Microprocess. Microsyst. 2019, 71, 102864. [Google Scholar] [CrossRef]
- Wang, Y.; Liang, H.; Wang, Y.; Yao, L.; Yi, M.; Huang, Z.; Lu, Y. A reconfigurable PUF structure with dual working modes based on entropy separation model. Microelectron. J. 2022, 124, 105445. [Google Scholar] [CrossRef]
- Della Sala, R.; Scotti, G. Exploiting the DD-Cell as an Ultra-Compact Entropy Source for an FPGA-based Re-Configurable PUF-TRNG Architecture. IEEE Access 2023, 11, 86178–86195. [Google Scholar] [CrossRef]
- Maiti, A.; Nagesh, R.; Reddy, A.; Schaumont, P. Physical unclonable function and true random number generator: A compact and scalable implementation. In Proceedings of the 19th ACM Great Lakes symposium on VLSI, Boston Area, MA, USA, 10–12 May 2009; pp. 425–428. [Google Scholar]
- Baturone, I.; Román, R.; Corbacho, Á. A Unified Multibit PUF and TRNG based on Ring Oscillators for Secure IoT Devices. IEEE Internet Things J. 2022, 10, 6182–6192. [Google Scholar] [CrossRef]
- Halak, B. Physically Unclonable Functions; Springer International Publishing: Cham, Switzerland, 2018; pp. 60–61. [Google Scholar]
- Halak, B.; Zwolinski, M.; Mispan, M.S. Overview of PUF-based hardware security solutions for the Internet of Things. In Proceedings of the 2016 IEEE 59th International Midwest Symposium on Circuits and Systems (MWSCAS), Abu Dhabi, United Arab Emirates, 16–19 October 2016; pp. 1–4. [Google Scholar]
- Jeon, D.; Baek, J.H.; Kim, Y.D.; Lee, J.; Kim, D.K.; Choi, B.D. A Physical Unclonable Function with Bit Error Rate < 2.3 × 10−8 Based on Contact Formation Probability without Error Correction Code. IEEE J. Solid-State Circuits 2019, 55, 805–816. [Google Scholar]
- Jeon, D.; Lee, D.; Kim, D.K.; Choi, B.D. A 325F2 Physical Unclonable Function Based on Contact Failure Probability with Bit Error Rate < 0.43 ppm After Preselection with 0.0177% Discard Ratio. IEEE J. Solid-State Circuits 2022, 58, 1185–1196. [Google Scholar]
- Lee, J.W.; Lim, D.; Gassend, B.; Suh, G.E.; Van Dijk, M.; Devadas, S. A technique to build a secret key in integrated circuits for identification and authentication applications. In Proceedings of the 2004 Symposium on VLSI Circuits. Digest of Technical Papers (IEEE Cat. No. 04CH37525), Honolulu, HI, USA, 17–19 June 2004; pp. 176–179. [Google Scholar]
- Sahoo, D.P.; Mukhopadhyay, D.; Chakraborty, R.S.; Nguyen, P.H. A multiplexer-based arbiter PUF composition with enhanced reliability and security. IEEE Trans. Comput. 2017, 67, 403–417. [Google Scholar] [CrossRef]
- Zhou, C.; Parhi, K.K.; Kim, C.H. Secure and reliable XOR arbiter PUF design: An experimental study based on 1 trillion challenge response pair measurements. In Proceedings of the 54th Annual Design Automation Conference, Austin, TX, USA, 18–22 June 2017; pp. 1–6. [Google Scholar]
- Majzoobi, M.; Koushanfar, F.; Devadas, S. FPGA PUF using programmable delay lines. In Proceedings of the 2010 IEEE International Workshop on Information Forensics and Security, Seattle, WA, USA, 12–15 December 2010; pp. 1–6. [Google Scholar]
- Zhao, X.; Gan, P.; Zhao, Q.; Liang, D.; Cao, Y.; Pan, X.; Bermak, A. A 124 fJ/bit cascode current mirror array based PUF with 1.50% native unstable bit ratio. IEEE Trans. Circuits Syst. Regul. Pap. 2019, 66, 3494–3503. [Google Scholar] [CrossRef]
- Yang, K.; Dong, Q.; Blaauw, D.; Sylvester, D. 8.3 A 553F 2 2-transistor amplifier-based Physically Unclonable Function (PUF) with 1.67% native instability. In Proceedings of the 2017 IEEE International Solid-State Circuits Conference (ISSCC), San Francisco, CA, USA, 5–9 February 2017; pp. 146–147. [Google Scholar]
- Taneja, S.; Alvarez, A.B.; Alioto, M. Fully synthesizable PUF featuring hysteresis and temperature compensation for 3.2% native BER and 1.02 fJ/b in 40 nm. IEEE J. Solid-State Circuits 2018, 53, 2828–2839. [Google Scholar] [CrossRef]
- Alvarez, A.B.; Zhao, W.; Alioto, M. Static physically unclonable functions for secure chip identification with 1.9–5.8% native bit instability at 0.6–1 V and 15 fJ/bit in 65 nm. IEEE J. Solid-State Circuits 2016, 51, 763–775. [Google Scholar]
- Liu, J.; Zhao, Y.; Zhu, Y.; Chan, C.H.; Martins, R.P. A Weak PUF-Assisted Strong PUF with Inherent Immunity to Modeling Attacks and Ultra-Low BER. IEEE Trans. Circuits Syst. Regul. Pap. 2022, 69, 4898–4907. [Google Scholar] [CrossRef]
- Yamamoto, D.; Sakiyama, K.; Iwamoto, M.; Ohta, K.; Takenaka, M.; Itoh, K. Variety enhancement of PUF responses using the locations of random outputting RS latches. J. Cryptogr. Eng. 2013, 3, 197–211. [Google Scholar] [CrossRef]
- Serrano, R.; Duran, C.; Sarmiento, M.; Dang, T.K.; Hoang, T.T.; Pham, C.K. A Unified PUF and Crypto Core Exploiting the Metastability in Latches. Future Internet 2022, 14, 298. [Google Scholar] [CrossRef]
- Habib, B.; Kaps, J.P.; Gaj, K. Efficient sr-latch PUF. In Applied Reconfigurable Computing: Proceedings of the 11th International Symposium, ARC 2015, Bochum, Germany, 13–17 April 2015; Proceedings 11; Springer International Publishing: Cham, Switzerland, 2015; pp. 205–216. [Google Scholar]
- Yamamoto, D.; Sakiyama, K.; Iwamoto, M.; Ohta, K.; Ochiai, T.; Takenaka, M.; Itoh, K. Uniqueness enhancement of PUF responses based on the locations of random outputting RS latches. In Cryptographic Hardware and Embedded Systems–CHES 2011: Proceedings of the 13th International Workshop, Nara, Japan, 28 September–1 October 2011; Proceedings 13; Springer: Berlin/Heidelberg, Germany, 2011; pp. 390–406. [Google Scholar]
- Della Sala, R.; Scotti, G. A Novel FPGA Implementation of the NAND-PUF with Minimal Resource Usage and High Reliability. Cryptography 2023, 7, 18. [Google Scholar] [CrossRef]
- Bossuet, L.; Ngo, X.T.; Cherif, Z.; Fischer, V. A PUF based on a transient effect ring oscillator and insensitive to locking phenomenon. IEEE Trans. Emerg. Top. Comput. 2013, 2, 30–36. [Google Scholar] [CrossRef]
- Maes, R.; Rozic, V.; Verbauwhede, I.; Koeberl, P.; Van der Sluis, E.; Van der Leest, V. Experimental evaluation of physically unclonable functions in 65 nm CMOS. In Proceedings of the European Solid-State Circuits Conference (ESSCIRC), Bordeaux, France, 17–21 September 2012; pp. 486–489. [Google Scholar]
- Xu, X.; Holcomb, D.E. Reliable PUF design using failure patterns from time-controlled power gating. In Proceedings of the 2016 IEEE International Symposium on Defect and Fault Tolerance in VLSI and Nanotechnology Systems (DFT), Storrs, CT, USA, 19–20 September 2016; pp. 135–140. [Google Scholar]
- Liu, K.; Min, Y.; Yang, X.; Sun, H.; Shinohara, H. A 373-F2 0.21%-Native-BER EE SRAM Physically Unclonable Function with 2-D Power-Gated Bit Cells and Vss Bias-Based Dark-Bit Detection. IEEE J. Solid-State Circuits 2020, 55, 1719–1732. [Google Scholar] [CrossRef]
- Li, G.; Wang, P.; Ma, X.; Shi, Y.; Chen, B.; Zhang, Y. A multimode configurable physically unclonable function with bit-instability-screening and power-gating strategies. IEEE Trans. Very Large Scale Integr. (VLSI) Syst. 2020, 29, 100–111. [Google Scholar] [CrossRef]
- Holcomb, D.E.; Rahmati, A.; Salajegheh, M.; Burleson, W.P.; Fu, K. DRV-fingerprinting: Using data retention voltage of SRAM cells for chip identification. In Radio Frequency Identification. Security and Privacy Issues: Proceedings of the 8th International Workshop, RFIDSec 2012, Nijmegen, The Netherlands, 2–3 July 2012; Revised Selected Papers 8; Springer: Berlin/Heidelberg, Germany, 2013; pp. 165–179. [Google Scholar]
- Keating, M.; Flynn, D.; Aitken, R.; Gibbons, A.; Shi, K. Sleep Transistor Design. In Low Power Methodology Manual: For System-on-Chip Design; Springer Science & Business Media: Berlin/Heidelberg, Germany, 2007; pp. 249–265. [Google Scholar]
- Keating, M.; Flynn, D.; Aitken, R.; Gibbons, A.; Shi, K. Design of the Power Switching Network. In Low Power Methodology Manual: For System-on-Chip Design; Springer Science & Business Media: Berlin/Heidelberg, Germany, 2007; pp. 225–247. [Google Scholar]
- Chang, L.; Montoye, R.K.; Nakamura, Y.; Batson, K.A.; Eickemeyer, R.J.; Dennard, R.H.; Haensch, W.; Jamsek, D. An 8T-SRAM for variability tolerance and low-voltage operation in high-performance caches. IEEE J. Solid-State Circuits 2008, 43, 956–963. [Google Scholar] [CrossRef]
- Morita, Y.; Fujiwara, H.; Noguchi, H.; Iguchi, Y.; Nii, K.; Kawaguchi, H.; Yoshimoto, M. An area-conscious low-voltage-oriented 8T-SRAM design under DVS environment. In Proceedings of the 2007 IEEE Symposium on VLSI Circuits, Kyoto, Japan, 14–16 June 2007; pp. 256–257. [Google Scholar]
- List, F.J. The static noise margin of SRAM cells. In Proceedings of the ESSCIRC’86: Twelfth European Solid-State Circuits Conference, Finlandia Hall, Helsinki, 16–18 September 1986; pp. 16–18. [Google Scholar]
- Kleeman, L.; Cantoni, A. Metastable behavior in digital systems. IEEE Des. Test Comput. 1987, 4, 4–19. [Google Scholar] [CrossRef]
- Skorobogatov, S. Low Temperature Data Remanence in Static RAM; No. UCAM-CL-TR-536; University of Cambridge, Computer Laboratory: Cambridge, MA, USA, 2002. [Google Scholar]
- Cakir, C.; Bhargava, M.; Mai, K. 6T SRAM and 3T DRAM data retention and remanence characterization in 65nm bulk CMOS. In Proceedings of the IEEE 2012 Custom Integrated Circuits Conference, San Jose, CA, USA, 9–12 September 2012; pp. 1–4. [Google Scholar]
- Cortez, M.; Dargar, A.; Hamdioui, S.; Schrijen, G.J. Modeling SRAM start-up behavior for physical unclonable functions. In Proceedings of the 2012 IEEE International Symposium on Defect and Fault Tolerance in VLSI and Nanotechnology Systems (DFT), Austin, TX, USA, 2–4 October 2012; pp. 1–6. [Google Scholar]
- Zheng, Y.; Bystrov, A.; Yakovlev, A. A Rapid Reset 8-Transistor Physically Unclonable Function Utilising Power Gating. In Proceedings of the 2023 Design, Automation & Test in Europe Conference & Exhibition (DATE), Antwerp, Belgium, 17–19 April 2023; pp. 1–2. [Google Scholar]
- Takahashi, Y.; Koyasu, H.; Kumar, S.D.; Thapliyal, H. Quasi-Adiabatic SRAM Based Silicon Physical Unclonable Function. SN Comput. Sci. 2020, 1, 237. [Google Scholar] [CrossRef]
- Alvarez, A.; Zhao, W.; Alioto, M. 14.3 15fJ/b static physically unclonable functions for secure chip identification with< 2% native bit instability and 140× Inter/Intra PUF hamming distance separation in 65 nm. In Proceedings of the 2015 IEEE International Solid-State Circuits Conference-(ISSCC) Digest of Technical Papers, San Francisco, CA, USA, 22–26 February 2015; pp. 1–3. [Google Scholar]
- Karpinskyy, B.; Lee, Y.; Choi, Y.; Kim, Y.; Noh, M.; Lee, S. 8.7 Physically unclonable function for secure key generation with a key error rate of 2E-38 in 45nm smart-card chips. In Proceedings of the 2016 IEEE International Solid-State Circuits Conference (ISSCC), San Francisco, CA, USA, 5–9 February 2016; pp. 158–160. [Google Scholar]
- Vatalaro, M.; De Rose, R.; Lanuzza, M.; Crupi, F. Static CMOS physically unclonable function based on 4T voltage divider with 0.6%–1.5% bit instability at 0.4–1.8 V operation in 180 nm. IEEE J. Solid-State Circuits 2022, 57, 2509–2520. [Google Scholar] [CrossRef]
- Della Sala, R.; Bellizia, D.; Centurelli, F.; Scotti, G. A Monostable Physically Unclonable Function Based on Improved RCCMs with 0–1.56% Native Bit Instability at 0.6–1.2 V and 0–75 °C. Electronics 2023, 12, 755. [Google Scholar] [CrossRef]
- De Rose, R.; Crupi, F.; Lanuzza, M.; Albano, D. A physical unclonable function based on a 2-transistor subthreshold voltage divider. Int. J. Circuit Theory Appl. 2017, 45, 260–273. [Google Scholar] [CrossRef]
- Rukhin, A.; Soto, J.; Nechvatal, J.; Smid, M.; Barker, E. A Statistical Test Suite for Random and Pseudorandom Number Generators for Cryptographic Applications; Booz-Allen and Hamilton Inc.: McLean, VA, USA, 2001. [Google Scholar]









| HOST | DFT | ESSCIRC | DFT | DATE | This | This | |
|---|---|---|---|---|---|---|---|
| 2012 [6] | 2012 [55] | 2014 [10] | 2016 [20] | 2023 [56] | Work | Work | |
| Design | 6T-SRAM | 6T-SRAM | Hybrid | DFF | 6T-SRAM | 6T-SRAM | 8T PUF |
| Technology | 65 nm | 45 nm | 22 nm | 45 nm | 90 nm | 65 nm | 65 nm |
| Reset Time | 1 ms | 1 s | 1 s | 50 s | 5 s | 120 s | 1 ns |
| Measurement | CMOS | Chip-Based | Simulation-Based | ||||||
|---|---|---|---|---|---|---|---|---|---|
| ISSCC | ISSCC | ISSCC | JSSC | JSSC | JSSC | Electronics | IJCTA | This | |
| 2014 [8] | 2015 [58] | 2016 [59] | 2017 [9] | 2020 [44] | 2022 [60] | 2023 [61] | 2017 [62] | Work | |
| Technology | 22 nm | 65 nm | 45 nm | 14 nm | 130 nm | 180 nm | 130 nm | 65 nm | 65 nm |
| Bitcell Area (m) | 4.66 | 25.35 | 5.3 | 1.84 | 6.3 | 223 | 72.03 | - | 4.19 |
| Bitcell Area (F) | 9632 | 6000 | 2613 | 9388 | 373 | 7222 | 4262.13 | - | 992 |
| Unstable Bits | 30% | 1.73% | - | 26.37% | 2.14% | 0.61% | 0.586% | 0.32% Δ | 7.71% |
| Native BER | - | - | 0.1% | 5.76% | 0.21% | 0.13% | 0.49% | - | 1.17% |
| Worst BER | 6% | 4.56% * | 2.84% | 6.78% | 0.34% | 1.1% | 3.125% | - | 12.21% |
| Stabilised BER | 0.97% | 1.73% | 0.21% | 1.46% | 0% | 0.13% | - | - | 0% |
| Intra-distance | 2.58% | 0.92% | - | 3.4% | 0.3% | 0.16% | 0.491% | 2.25% Δ | 1.45% |
| Inter-distance | 49% | 50.14% | 49.8% | 48.6% | 49.23% | 49.3% | 50.12% | - | 50.67% |
| Mask Ratio | 11% | - | 18.5% | 20% | 31.2–75% | 0.61% | 0% | - | 21.78% |
| ACF @95% c.l | 0.01 | 0.0363 | 0.017 | - | 0.0228 | 0.0472 | 0.025 | - | 0.0315 |
| Energy/bit (fJ) | 13 | 15 | - | 4 | 128 | - | 5.36 | - | 6.15 |
| String Length | p-Value | Proportion | |
|---|---|---|---|
| Frequency | 2048 | 0.73856 | 64/64 |
| Block Frequency | 2048 | 0.91013 | 64/64 |
| Cumulative Sums | 2048 | 0.87698 | 64/64 |
| Runs | 2048 | 0.0204 | 11/64 |
| Longest Run | 2048 | 0.005 | 14/64 |
| Rank | 2048 | 0.44962 | 64/64 |
| FFT | 2048 | 0.18139 | 52/64 |
| Approx. Entropy | 2048 | 0.009 | 28/64 |
| Serial | 2048 | 0.18290 | 40/64 |
| Linear Complexity | 2048 | 0.63316 | 61/64 |
Disclaimer/Publisher’s Note: The statements, opinions and data contained in all publications are solely those of the individual author(s) and contributor(s) and not of MDPI and/or the editor(s). MDPI and/or the editor(s) disclaim responsibility for any injury to people or property resulting from any ideas, methods, instructions or products referred to in the content. |
© 2023 by the authors. Licensee MDPI, Basel, Switzerland. This article is an open access article distributed under the terms and conditions of the Creative Commons Attribution (CC BY) license (https://creativecommons.org/licenses/by/4.0/).
Share and Cite
Zheng, Y.; Yakovlev, A.; Bystrov, A. A Power-Gated 8-Transistor Physically Unclonable Function Accelerates Evaluation Speeds. J. Low Power Electron. Appl. 2023, 13, 53. https://doi.org/10.3390/jlpea13040053
Zheng Y, Yakovlev A, Bystrov A. A Power-Gated 8-Transistor Physically Unclonable Function Accelerates Evaluation Speeds. Journal of Low Power Electronics and Applications. 2023; 13(4):53. https://doi.org/10.3390/jlpea13040053
Chicago/Turabian StyleZheng, Yujin, Alex Yakovlev, and Alex Bystrov. 2023. "A Power-Gated 8-Transistor Physically Unclonable Function Accelerates Evaluation Speeds" Journal of Low Power Electronics and Applications 13, no. 4: 53. https://doi.org/10.3390/jlpea13040053
APA StyleZheng, Y., Yakovlev, A., & Bystrov, A. (2023). A Power-Gated 8-Transistor Physically Unclonable Function Accelerates Evaluation Speeds. Journal of Low Power Electronics and Applications, 13(4), 53. https://doi.org/10.3390/jlpea13040053

