Abstract
The effects of shot-peen forming on the fatigue properties of aluminum alloy samples were measured with a mechanical testing & simulation (MTS) tester in atmospheric and salt-spray environments. After shot-peen forming, the fatigue performance of the aluminum alloy sheet was significantly improved in both the atmospheric and the salt spray environment. Compared with the detail fatigue rating (DFR) value in the atmospheric environment, in the salt-spray environment, the DFR value of the original samples decreased to 110.82 MPa, decreasing by 4.47%. The DFR value of the shot-peen-forming samples decreased to 151.03 MPa, decreasing by 11.40%. Fatigue fracture characteristics demonstrate that the number of crack sources decreased after shot peening. However, the corrosion rate test in a neutral saline environment showed that the corrosion resistance of the aluminum alloy sheet decreased after shot peening. In the salt-spray environment, surface residual-stress analysis showed that there was about 30 MPa tensile stress on the original sample, and 100 MPa compressive stress on the shot-peened sample. Therefore, the improvement in the fatigue resistance of the aluminum alloy sheet after shot peening was largely due to the residual compressive stress introduced on the surface of the aluminum alloy.
1. Introduction
The 2024 aluminum alloy is an Al–Cu–Mg aluminum alloy characterized by high tensile strength, high specific strength, good corrosion resistance, and low cost [1,2,3]. It is widely used in the aerospace, rail-transit, military-equipment, automobile, and construction industries [4,5]. The 2024 aluminum alloy is the main material used for key components such as aircraft wall-panel parts (such as skin) [6,7,8]. The shape of aircraft wing panels is complex, so the integral ribbed structure is often used [9,10]. Due to the simple equipment used in the shot-peen-forming process, parts with a complex profile can be formed without a special die and press. This is the preferred method for forming the integral wall panels of aircraft wings and fuselages [11,12,13]. For example, the aircraft wall panels of Boeing 747 and Airbus A380 aircraft were manufactured with shot-peen forming [14]. With the continuous development and design of new aircraft, it is necessary to manufacture wall panels with more complex structures (such as double curvature wall panels).
When an aircraft is in service in coastal areas, it is affected by the corrosion of the seawater vapor environment and the long-term load. The main failure form is corrosion fatigue, which is a fracture process of aluminum alloys under the combined action of an alternating load and a corrosive medium [15]. Corrosion fatigue is an important cause of aircraft aging [16]. The fatigue life of aluminum alloy parts is significantly reduced by corrosive environments. Medved et al. reported that the fatigue life of AA7475-T761 samples in a 5 wt % acidic NaCl solution was reduced by 40–50% due to localized corrosion [17]. Genel et al. found that the fatigue strength of AA7075-T6 was reduced by about 60% in 3.5 wt % acidic NaCl [18]. The damage from a corrosive environment to fatigue performance is caused by accelerated fatigue damage, such as corrosion pits. NaCl solutions lead to the formation of corrosion pits and anodic dissolution at the crack tip [19,20,21]. Corrosion fatigue cracks usually initiate at the bottom of corrosion pits where stress concentrations are large and presumably electrochemically active in the NaCl solution [22]. In short, the degradation of corrosion fatigue properties was attributed to the crack initiation and propagation on account of localized corrosion [23].
The manufacturing process of wall panel parts is: shot-peen forming, shot-peen strengthening, and anodizing. Anodic oxidation treatment is to form a dense oxide layer on the surface to prevent salt-spray corrosion. Shot-peen strengthening is a common industrial surface modification method to improve fatigue performance by introducing residual stress and work hardening on the surface of the target [24,25]. Mansour Mhaede [26] reported that the AA7075-T73 aluminum alloy subjected to shot-peen strengthening had a noticeably enhanced fatigue life in both atmospheric and 3.5 wt % NaCl solution environments. The difference between shot-peen forming and shot-peen strengthening is that the former uses a larger shot medium with faster speed. Therefore, the plastic deformation caused by shot impact during shot-peen forming is more severe. The plastic deformation process also brings about adverse factors, such as surface roughness, contamination, and dislocation defects. Therefore, the influence of plastic deformation on the corrosion properties of materials is complex [27]. Our results show that, after shot-peen forming, the corrosion resistance of the aluminum alloy decreased, but fatigue performance improved.
In this paper, the fatigue behavior of the 2024 aluminum alloy sheet prepared with shot-peen forming was investigated in atmospheric and salt-spray environments. The influence of the salt-spray environment on crack initiation and early propagation is analyzed. The corrosion fatigue behavior characteristics of samples with and without shot-peen forming were also compared to explain why shot-peen forming can improve fatigue performance.
2. Experimental Materials and Methods
2.1. Materials and Chemicals
The sample was a 2024 aluminum alloy, which is a high-strength hard aluminum alloy widely used in aircraft wall panels. Its heat treatment process was natural aging after solid solution treatment. As shown in Table 1, the chemical composition of the 2024 aluminum alloy was measured with an Axios03030504 X-ray fluorescence spectrometer.
Table 1.
Chemical composition of 2024 aluminum alloy (wt %).
Samples in two surface states, original state (OA) and shot-peen forming (FPA), were prepared for this study. For the OA samples, the preparation process was: raw material and anodic oxidation. For the FPA samples, the preparation process was: raw material, shot-peen forming and strengthening, and anodic oxidation. Cast steel shot pellets were used. The process parameters of shot-peen forming and strengthening are shown in Table 2. The electrolyte used for anodic oxidation treatment was a sulfuric acid–boric acid mixture. The anodizing process parameters are shown in Table 3. A microhardness tester (HV-1000B, Laizhou Huayin Test Instrument Co., Ltd., Yantai, China) was used to measure the hardness of the FPA-treated sample with the direction of depth. The load was 200 g, and the retention time was 15 s. The dimensions of the samples used for the microhardness test were 15 × 15 × 6 mm.
Table 2.
Process parameters of shot-peen forming and shot-peen strengthening.
Table 3.
Preparation process parameters of anodic oxide film.
2.2. Experimental Methods
2.2.1. Fatigue Test
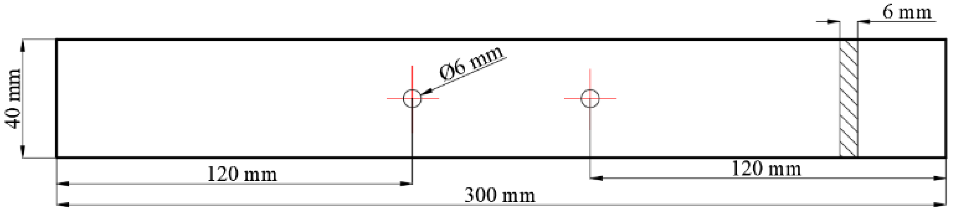
The property test of the fatigue detail strength cut-off value was carried out with an MTS testing machine. The test sample is shown in Figure 1. Figure 2 is the diagram of the FPA-treated sample wall panel and its surface crater. The test environments were an atmospheric and a salt-spray environment. The salt-spray environment was a 5 wt % NaCl solution (the salt spray sedimentation rate was (1–2) mL/(80 cm2⋅h)), a neutral saline environment (pH value was 6.5–7.2), and the test temperature was 35 ± 2 ℃. The fatigue test took the tensile–tensile load as the axial control, the loading waveform was sine wave, the stress ratio R was 0.06, and the test frequency was 20 Hz. After the test, the fracture morphology and microstructure were observed and analyzed with a scanning electron microscope and a metallurgical microscope.
Figure 1.
Sample dimensions of DFR base.
Figure 2.
Diagram of FPA sample wall panel and its surface crater: (a) Corrosion fatigue specimens; (b) craters left after shot peening; (c) scanning morphology of craters.
2.2.2. Corrosion Test
Before the salt spray corrosion test, the samples were ultrasonically cleaned and dried with cold air. Then, their mass was weighed with an analytical balance (ME204E, Shanghai Mettler Toledo instrument Co., Ltd., Shanghai, China).
Salt-spray corrosion tests were conducted with a salt-spray tester (SK-60C, Wuxi Shangkai Test Equipment Co., Ltd., Wuxi, China) according to the ASTM-B117 standard (China). The temperature of the box was 35 ± 2 °C, and the salt-spray sedimentation rate was 1–2 mL/(80 cm2⋅h). The corrosion medium was a 5 wt % NaCl solution prepared from analytically pure NaCl and deionized water with a pH value of 6.5–7.2. Samples were placed in the box, and the working surface was 20° from the vertical direction. Before the salt-spray test, the box and sample were kept warm at 35 ± 2 °C for 2 h.
The dimensions of the samples used for the salt-spray corrosion test were 15 × 15 × 6 mm. The salt spray corrosion time was 5 and 30 min, and 1 h. After the salt-spray corrosion test, the corrosion surface of the samples was dried with cold air.
After the corrosion test, deionized water was used to dissolve the soluble salt on the surface. According to national standard GB/T 16545-2015 (China), concentrated nitric acid with a density of 1.42 g/mL was used to remove the corrosion products on the surface. Then, the samples were cleaned and dried in the same way. The mass was also weighed with the same analytical balance.
The corrosion rate of the samples could be calculated according to Equation (1) [28]:
where Vt is the corrosion rate, mg/(cm2⋅h); M1 is the mass of the sample before the test, mg; M2 is the mass of the sample after the test, mg; S is the test surface area of the one side of the specimen, cm2; t is corrosion time, h.
2.2.3. Calculation of DFR Value
According to national standard HB 7110-1994 (China), the DFR value was addressed with a single point method, and the calculation was performed as shown in Formula (2):
where σm0 and s are material property parameters. For the aluminum alloy, the σm0 value was 310 MPa, and the s value was 2; σmax is the maximal stress value of the load; N was N95/95, that is, the service life when the reliability and confidence are both 95%. The calculation of N95/95 is shown as Formula (3):
where ST is the sample coefficient. In order to facilitate a comparison, ST is 1 in this paper; SR is the reliability coefficient, and the value of the aluminum alloy material SR was 2.1; confidence coefficient was SC (n = 6, SC = 1.15; n = 7, SC = 1.13; n = 8, SC = 1.125); β is the characteristic life, and the calculation is shown as Formula (4):
where n is the number of effective data points (fatigue life: 1.0 × 105–4.5 × 105 times); Ni is the test life of each sample; α is the material property parameter, and this value of the aluminum alloy was 4. Table 4 and Table 5 show the fatigue life of the two samples in the atmospheric and salt-spray environments, respectively.
Table 4.
Fatigue life of specimens in atmospheric environment.
Table 5.
Corrosion fatigue life of specimens in salt-spray environment.
2.2.4. Residual Stress Test
An Empyrean 03030502 X-ray diffractometer was used to test the residual stress. The specific parameters were as follows: the same tilt method was used to test, the diffraction peak at 137° was selected, and the crystal plane (213) was used as the scanning center. The scanning center was 137°, the scanning range was 7° (133.5°–140.5°), and seven different tilt angles (0°, 9.074°, 12.9210°, 15.8942°, 18.4349°, 20.7048°, 22.7865°) were measured in each direction. The tube voltage was 45 kV, and the tube current was 40 mA. In order to measure the change in residual stress field along the depth direction, the corrosion method was used for stripping, and the ratio of the corrosive agent was HF: HNO3: H2O = 1: 2: 47.
3. Results and Discussion
3.1. Effect of Shot-Peen Forming on the Sample’s Corrosion Rate and DFR Value
Figure 3 is the corrosion rate curve of the original (OA) and shot-peen-forming (FPA) samples in the salt-spray environment. The corrosion rate decreased rapidly upon extending the salt spraying time. For the original sample, when the salt-spray corrosion time was 5 min, the corrosion weight loss rate was 7.8936 mg/(cm2⋅h). For the FPA-treated sample, when the salt-spray corrosion time was 5 min, the corrosion weight loss rate was 14.7198 mg/(cm2⋅h). For the original sample, when the corrosion time was 1 h, the corrosion weight loss rate decreased to 0.4178 mg/(cm2⋅h). For the FPA-treated sample, when the corrosion time was 1 h, the corrosion weight loss rate decreased to 1.058 mg/(cm2⋅h). The salt-spray corrosion test showed that shot-peen forming increased the corrosion sensitivity and reduced the corrosion resistance of the aluminum alloy.
Figure 3.
Comparison curve of corrosion rate of the original and shot-peen-formed samples.
Figure 4 is the histogram of the effect of shot-peen forming on the DFR value of the samples. In the atmospheric environment, the DFR value of the OA samples was 116 MPa, and that of FPA samples increased to 170.47 MPa, increasing by 46.96%. Compared with that in the atmospheric environment, the DFR value in the salt-spray environment was reduced. The DFR value of the original samples decreased to 110.82 MPa, decreasing by 4.47%. The DFR value of the shot-peen-forming samples decreased to 151.03 MPa, decreasing by 11.40%. The fatigue life of the aluminum alloy decreased in the salt-spray environment because the salt-spray environment promoted the initiation and propagation of cracks [29]. The DFR value of the samples subjected to shot-peen forming increased in both the atmospheric and salt-spray environments. Genel et al. found that the fatigue strength of AA7075-T6 was reduced by about 60% in 3.5 wt % acidic NaCl [18]. The corrosion fatigue performance in this paper had a small reduction that may have been due to the fact that the anodizing treatment reduced the corrosion rate of the aluminum alloy, thereby reducing the crack growth rate of the aluminum alloy during corrosion fatigue.
Figure 4.
Effect of shot-peen forming on DFR value of the original and shot-peen-formed samples.
3.2. Effect of Shot-Peen Forming on Fatigue Fracture Characteristics in Atmospheric Environment
Figure 5 shows the fatigue fracture morphology of the samples in an atmospheric environment. Figure 5a is the low-magnification fracture morphology. A fracture is composed of three typical regions: fatigue source zone (as shown in the green wire frame), crack propagation zone (as shown in the red wire frame), and fatigue final rupture zone. The fatigue source zone was located at the center of the prefabricated hole of the samples. The high-magnification diagram of the fatigue source zone shows that there were three crack initiation sites, as shown in the green wire box in Figure 5b. Fatigue striations existed in the crack propagation zone, as shown in Figure 5c. In the fatigue final rupture zone, there were dimples in the fracture characterized by ductile fracture, and second phase particles in the dimples, as shown in Figure 5d.
Figure 5.
Fatigue fracture morphology of the (a–d) original and (a′–d′) shot-peen-formed samples in an atmospheric environment.
Figure 5a′ shows the low-magnification fracture morphology of the FPA-treated samples. The fracture morphology also included a fatigue source zone, crack propagation zone, and fatigue final rupture zone. Compared with the original samples, the characteristics of the fatigue crack initiation of FPA samples were changed. The fatigue source zone was located at the corner of the prefabricated hole of the samples subjected to shot-peen forming, and there was only one crack initiation site. In addition, the crack source region was relatively smooth and flat, as shown in Figure 5b′. Generally, the smoother the crack source zone was, the slower the crack propagation rate was. This indicates that the crack propagation rate decreased after shot-peen forming. Fatigue striations also existed in the crack propagation zone, as shown in Figure 5c′. In the fatigue final rupture zone, dimples also existed in the fracture characterized by ductile fracture, as shown in Figure 5d′.
3.3. Effect of Shot-Peen Forming on Fatigue Fracture Characteristics in Salt Spray Environment
Figure 6 shows the fatigue fracture morphology of the samples in a salt-spray environment. Figure 6a shows the low-magnification fracture morphology of the original samples. There were two fatigue source zones. Compared with the atmospheric environment, the surface of the crack source zone of the samples tested in the salt-spray environment became rough, as shown in Figure 6b. In the crack propagation zone, there were fatigue striations and small particles on the surface of fatigue striations, as shown in Figure 6c. In the fatigue final rupture zone, there were dimples at the fracture showing the characteristics of a ductile fracture. Compared with the atmospheric environment, the dimples were shallower, as shown in Figure 6d.
Figure 6.
Fatigue fracture morphology of the (a–d) original and (a′–d′) shot-peen-formed samples in a salt-spray environment.
Figure 6a′ shows the low-magnification fracture morphology of the samples subjected to shot-peen forming. Compared with the original sample, the fatigue source zone was located at the center of the prefabricated hole of the sample, and there was only one crack initiation location. In addition, there were cleavage planes and river patterns in the fatigue source zone, and the surface was relatively smooth and flat, as shown in Figure 6b′. Compared with the original sample, the crack source surface of the shot-peen-formed sample was relatively smooth. From the high-power morphology of the fatigue source zone, there was a smooth platform area, which suggested that the propagation time of the fatigue source was prolonged, as shown in Figure 6c′. It was further proved that the corrosion fatigue property of the samples subjected to shot-peen forming was improved.
For the original samples, when the environment changed from atmospheric into salt spray, the fatigue source zones increased from one to two, and the surface of the crack source zone became rough, which was detrimental to the corrosion fatigue performance. For the shot-peen-formed samples, when the environment changed from atmospheric into salt-spray, the fatigue source zone changed from corner to center, and the surface of the crack source zone became rough.
3.4. Surface Integrity Analysis
Figure 7 is the hardness curve along the depth in the deformed layer of the shot-peen-formed sample. The hardness of the sample first decreased and then stabilized with the increasing depth. The maximal hardness of the sample was 158.3 HV. Along with the increase in depth, the hardness of the sample decreased to the minimum (126.7 HV), which indicated that plastic deformation occurred on the surface of the samples subjected to shot-peen forming. Therefore, the hardness on the sample surface increased.
Figure 7.
Hardness curve of shot-peen-forming sample varying with depth.
Figure 8 shows the distribution of the residual stress of these two samples subjected to fatigue in atmospheric and salt-spray environments. For the original sample, residual stress on the surface layer was tensile. The depth of the residual tensile stress exceeded 500 μm, and the value was about 70–100 MPa. The formation of the residual tensile stress resulted from the anodic oxidation treatment. For the shot-peen-formed sample, residual stress on the surface layer was compressive. The depth of the residual compressive stress of the samples fractured in an atmospheric environment was more than 500 μm, and the value was about 200 MPa. When the fatigue test environment was salt-spray, the depth of the residual compressive stress of fractured samples was reduced to about 300 μm. Additionally, the residual compressive stress in the salt-spray environment was lower than that in the atmospheric environment. The value of the residual compressive stress on the surface was 94 MPa. Residual compressive stress could hinder the nucleation and propagation of cracks because it reduces the driving stress, disperses the stress concentration [30,31], and increases the threshold level of tangential force [32,33,34]. When the tangential force is lower than a certain threshold level, there is no crack nucleation at the sample edge, so the crack nucleation rate is reduced through shot-peen forming [34]. The residual stress in the surface layer of the shot-peened sample was compressive, so its fatigue performance was better than that of the original sample. In the salt-spray fatigue environment, the residual stress was accelerated to release, so the fatigue performance was worsened.
Figure 8.
Residual stress distribution of the original and shot-peen-formed samples.
Figure 9 shows the microstructure of the samples before and after shot-peen forming. There were a large number of second-phase particles for the original sample with a dimension of about 10.4–41.6 μm, as shown in Figure 9a. EDS analysis of the second-phase particles showed that the particles were a mixture of Al2Cu and Al2CuMg, as shown in Figure 9b. After shot-peen forming, the second-phase particles were fragmented, and the dimension decreased to about 5.2–26.0 μm, as shown in Figure 9d. Additionally, plastic deformation occurred on the surface of the shot-peen-formed sample. Then, the rheological layer was formed as shown in Figure 9c.
Figure 9.
Microstructure of samples: (a,b) original; (c,d) shot-peen-formed.
According to the above analysis, through shot-peen forming, the corrosion resistance of the sample decreased, while the corrosion fatigue performance was improved. The reasons were as follows: on the one hand, residual tensile stress was formed on the surface of the samples due to the anodic oxidation treatment, which worsened the fatigue performance of the samples. The residual compressive stress was formed on the surface of the shot-peen-formed sample, which inhibited crack propagation and improved the fatigue property of the sample. On the other hand, after shot-peen forming, a work hardening layer was formed on the surface, and the strength of the microarea was improved. Meanwhile, the second-phase particles were broken, and the rheological layer was formed, which improved the surface hardness and fatigue performance of the shot-peen-formed sample.
4. Conclusions
In this paper, the fatigue properties of aluminum samples subjected to shot-peen forming were studied. The effects of shot-peen forming on the DFR value of these two samples and fracture morphology in atmospheric and salt-spray environments were analyzed.
The salt-spray corrosion resistance of aluminum samples after shot-peen forming was reduced, especially at the initial stage. When the salt-spray corrosion time was 5 min, the corrosion rates of the shot-peen-formed and original samples were 14.7198 and 7.8936 mg/(cm2⋅h), respectively.
After shot-peen forming, the fatigue performance of the aluminum alloy sheet was significantly improved in both the atmospheric and the salt-spray environments. The DFR value of the OA samples was 116 MPa, and that of FPA samples increased to 170.47 MPa in the atmospheric environment. In the salt-spray environment, the DFR value of the original samples decreased by 4.47%. The DFR value of the shot-peen-forming samples decreased by 11.40%.
Shot-peen forming affected the fatigue failure behavior. In the atmospheric environment, the fatigue source zone of the original sample was at the central surface of the prefabricated hole, and there were three crack initiation locations. The fatigue source zone of the shot-peen-formed sample was at the corner of the prefabricated hole, and there was only one crack initiation location. Moreover, the surface of the crack source zone was smooth. Compared with the atmospheric environment, the fatigue source zone of the original sample in the salt-spray environment increased to two, and the fracture surface became rough. Compared with the atmospheric environment, the position of the fatigue source zone of the shot-peen-formed sample in the salt-spray environment was transferred to the center of the prefabricated hole. The surface of the crack source zone became rough.
The fatigue properties of the shot-peened samples were significantly improved in both the atmospheric and the salt-spray environments. This is favorable information for aircraft strength and safety design.
Author Contributions
Conceptualization, J.Q. and X.F.; methodology, J.Q.; software, J.Q.; validation, P.G., G.C. and W.Z.; formal analysis, J.Q.; investigation, W.Z.; resources, P.G.; data curation, J.Q.; writing—original draft preparation, J.Q.; writing—review and editing, X.F.; visualization, G.C.; supervision, W.Z.; project administration, P.G.; funding acquisition, P.G. All authors have read and agreed to the published version of the manuscript.
Funding
This work was supported by the Aeronautical Science Foundation of China (No. 201936025001), and also supported by the Fundamental Research Funds for the Central Universities [Grant Number DUT20GF115].
Institutional Review Board Statement
Not applicable.
Informed Consent Statement
Not applicable.
Data Availability Statement
Not applicable.
Conflicts of Interest
The authors declare no conflict of interest.
References
- Schem, M.; Schmidt, T.; Gerwann, J.; Wittmar, M.; Veith, M.; Thompson, G.E.; Molchan, I.S.; Hashimoto, T.; Skeldon, P.; Phani, A.R.; et al. CeO2-filled sol-gel coatings for corrosion protection of AA2024-T3 aluminium alloy. Corros. Sci. 2009, 51, 2304–2315. [Google Scholar] [CrossRef]
- Li, S.; Dong, H.G.; Li, P.; Chen, S. Effect of repetitious non-isothermal heat treatment on corrosion behavior of Al-Zn-Mg alloy. Corros. Sci. 2018, 131, 278–289. [Google Scholar] [CrossRef]
- Starke, E.A., Jr.; Staley, J.T. Application of modern aluminum alloys to aircraft. Prog. Aeronaut. Sci. 1996, 32, 131–172. [Google Scholar] [CrossRef]
- Pandey, V.; Singh, J.K.; Chattopadhyay, K.; Srinivas, N.C.S.; Singh, V. Influence of ultrasonic shot peening on corrosion behavior of 7075 aluminum alloy. J. Alloys Compd. 2017, 723, 826–840. [Google Scholar] [CrossRef]
- Finke, A.; Escobar, J.; Munoz, J.; Petit, M. Prediction of salt spray test results of micro arc oxidation coatings on AA2024 alloys by combination of accelerated electrochemical test and artificial neural network. Surf. Coat. Technol. 2021, 421, 127370. [Google Scholar] [CrossRef]
- Deng, H.Y.; Chen, D.X.; Wang, Y.N.; Zhou, Y.W.; Gao, P. Effects of silicon on microstructure and corrosion resistance of diamond-like-carbon film prepared on 2024 aluminum alloy by plasma-enhanced chemical vapor deposition. Diam. Relat. Mater. 2020, 110, 108144. [Google Scholar] [CrossRef]
- Ezuber, H.; El-Houd, A.; El-Shawesh, F. A study on the corrosion behavior of aluminum alloys in seawater. Mater. Des. 2008, 29, 801–805. [Google Scholar] [CrossRef]
- Chen, D.X.; Zhang, T.; Wang, Y.N.; Zhou, Y.W. Wear resistance and microstructure of the nitriding layer formed on 2024 aluminum alloy by plasma-enhanced nitriding at different nitriding times. Mater. Res. Express 2019, 6, 066405. [Google Scholar] [CrossRef]
- Song, H.P.; Liu, C.C.; Zhang, H.; Du, J.; Yang, X.D.; Leen, S.B. In-situ SEM study of fatigue micro-crack initiation and propagation behavior in pre-corroded AA7075-T7651. Int. J. Fatigue 2020, 137, 105655. [Google Scholar] [CrossRef]
- Altenberger, I.; Nalla, R.K.; Sano, Y.J.; Wagner, L.; Ritchie, R.O. On the effect of deep-rolling and laser-peening on the stress-controlled low- and high-cycle fatigue behavior of Ti-6Al-4V at elevated temperatures up to 550 °C. Int. J. Fatigue 2012, 44, 292–302. [Google Scholar] [CrossRef]
- Wang, M.T.; Huang, X.; Zeng, Y.S. Research on surface quality of 2024-T351 aluminum alloy by peen forming with large ball. Aeronaut. Manuf. Technol. 2012, 5, 92–94. [Google Scholar]
- Kulkarni, K.M.; Schey, J.A.; Badger, D.V. Investigation of shot peening as a forming process for aircraft wing skins. J. Appl. Metalwork. 1981, 4, 34–44. [Google Scholar] [CrossRef]
- Voorwald, H.J.C.; Silva, M.P.; Costa, M.Y.P.; Cioffi, M.O.H. Improvement in the fatigue strength of chromium electroplated AISI 4340 steel by shot peening. Fatigue Fract. Eng. Mater. Struct. 2009, 2, 97–104. [Google Scholar] [CrossRef]
- Shang, J.Q.; Zeng, Y.S. Shot forming technology and its development trend and thinking. Aeronaut. Manuf. Technol. 2010, 16, 26–29. [Google Scholar]
- Shen, H.J. Corrosion Fatigue Mechanism of High Strength Aluminun Alloy and Full-Life Engineering Model for Corrosion Fatigue. Ph.D. Thesis, Northwestern Polytechnical University, Xi’An, China, 2000. [Google Scholar]
- Dursun, T.; Soutis, C. Recent developments in advanced aircraft aluminium alloys. Mater. Des. 2014, 56, 862–871. [Google Scholar] [CrossRef]
- Medved, J.J.; Breton, M.; Irving, P.E. Corrosion pit size distributions and fatigue lives—A study of the EIFS technique for fatigue design in the presence of corrosion. Int. J. Fatigue 2004, 26, 71–80. [Google Scholar] [CrossRef]
- Genel, K. The effect of pitting on the bending fatigue performance of high-strength aluminum alloy. Scr. Mater. 2007, 57, 297–300. [Google Scholar] [CrossRef]
- Chlistovsky, R.M.; Heffernan, P.J.; DuQuesnay, D.L. Corrosion-fatigue behaviour of 7075-T651 aluminum alloy subjected to periodic overloads. Int. J. Fatigue 2007, 29, 1941–1949. [Google Scholar] [CrossRef]
- Ebara, R. Corrosion fatigue crack initiation in 12% chromium stainless steel. Mater. Sci. Eng. A 2007, 468–470, 109–113. [Google Scholar] [CrossRef]
- Lin, C.K.; Yang, S.T. Corrosion fatigue behavior of 7050 aluminum alloys in different tempers. Eng. Fract. Mech. 1998, 59, 779–795. [Google Scholar] [CrossRef]
- Wang, Q.Y.; Kawagoishi, N.; Chen, Q. Effect of pitting corrosion on very high cycle fatigue behavior. Scr. Mater. 2003, 49, 711–716. [Google Scholar] [CrossRef]
- Song, H.P.; Liu, C.C.; Zhang, H.; Yang, X.D.; Chen, Y.J.; Leen, S.B. Experimental investigation on damage evolution in pre-corroded aluminum alloy 7075-T7651 under fatigue loading. Mater. Sci. Eng. A 2021, 799, 140206. [Google Scholar] [CrossRef]
- Tekeli, S. Enhancement of fatigue strength of SAE 9245 steel by shot peening. Mater. Lett. 2002, 57, 604–608. [Google Scholar] [CrossRef]
- Deng, H.H.; Xia, Q.X.; Cheng, X.Q.; Ren, Y.P. Effects on anti-corrosion fatigue property of aluminum alloy after shot peening. Surf. Technol. 2016, 45, 118–123. [Google Scholar]
- Mhaede, M. Influence of surface treatments on surface layer properties, fatigue and corrosion fatigue performance of AA7075 T73. Mater. Des. 2012, 41, 61–66. [Google Scholar] [CrossRef]
- Safyari, M.; Moshtaghi, M. Role of ultrasonic shot peening in environmental hydrogen embrittlement behavior of 7075-T6 alloy. Hydrogen 2021, 2, 377–385. [Google Scholar] [CrossRef]
- Effird, K.D. Surface characterization of artificial corrosion layers on copper alloy reference materials. Corrosion 1977, 33, 347–358. [Google Scholar]
- Menan, F.; Henaff, G. Influence of frequency and waveform on corrosion fatigue crack propagation in the 2024-T351 aluminium alloy in the S-L orientation. Mater. Sci. Eng. A 2009, 519, 70–76. [Google Scholar] [CrossRef]
- Guo, Y.B.; Warren, A.W.; Hashimoto, F. The basic relationships between residual stress, white layer, and fatigue life of hard turned and ground surfaces in rolling contact. CIRP J. Manuf. Sci. Technol. 2010, 2, 129–134. [Google Scholar] [CrossRef]
- Liu, Y.S.; Shao, X.J.; Liu, J.; Yue, Z.F. Finite element method and experimental investigation on the residual stress fields and fatigue performance of cold expansion hole. Mater. Des. 2010, 31, 1208–1215. [Google Scholar]
- Majzoobi, G.H.; Abbasi, F. On the effect of shot-peening on fretting fatigue of Al7075-T6 under cyclic normal contact loading. Surf. Coat. Technol. 2017, 328, 292–303. [Google Scholar] [CrossRef]
- Fridrici, V.; Fouvry, S.; Kapsa, P.; Perruchaut, P. Prediction of cracking in Ti-6Al-4V alloy under fretting-wear: Use of the SWT criterion. Wear 2005, 259, 300–308. [Google Scholar] [CrossRef]
- Shi, P.; Mahadevan, S. Damage tolerance approach for probabilistic pitting corrosion fatigue life prediction. Eng. Fract. Mech. 2001, 68, 1493–1507. [Google Scholar] [CrossRef]
Publisher’s Note: MDPI stays neutral with regard to jurisdictional claims in published maps and institutional affiliations. |
© 2022 by the authors. Licensee MDPI, Basel, Switzerland. This article is an open access article distributed under the terms and conditions of the Creative Commons Attribution (CC BY) license (https://creativecommons.org/licenses/by/4.0/).








