Abstract
For the frequent occurrence of pulse power load operation and load switching disturbances in AC/DC shipboard microgrids, a large-signal stability analysis method based on hybrid potential theory is proposed. The proposed method utilizes a mixed potential function to analyze the impact of interconnected converters on system stability. First, the entire system is equivalently modeled as a DC system in a d-q rotating reference frame. Then, a mixed potential function model of the AC/DC system is established for stability analysis, leading to the development of a large-signal stability criterion for the system. Using this criterion, the boundary values of bidirectional power transfer for the interconnected converters are derived. Finally, a simulation model of the AC/DC hybrid microgrid system was built in Simulink for verification, and further validation was carried out on the RT-lab hardware-in-the-loop (HIL) simulation platform. Simulation and experimental results show that the proposed criterion can effectively ensure the stability of the AC/DC hybrid microgrid system under large disturbances.
1. Introduction
With the continuous rise of environmental awareness worldwide, the green transition of small and medium-sized coastal vessels has become an irreversible trend. These vessels, including coastal freighters, passenger vessels, ferries, patrol boats, rescue vessels, and multi-role vessels, primarily operate in coastal or nearshore waters. Due to their relatively short range, high adaptability to changing sea conditions, and excellent operational flexibility, these vessels frequently enter and exit ports, meeting diverse mission requirements. To align with the trend towards green development, advanced technologies such as electric ships, hydrogen fuel cells, low-sulfur fuels, and wind- and solar-assisted propulsion systems are being gradually incorporated into the design and operation of small and medium-sized coastal vessels, aiming to significantly reduce pollution and emissions during their operation [1,2].
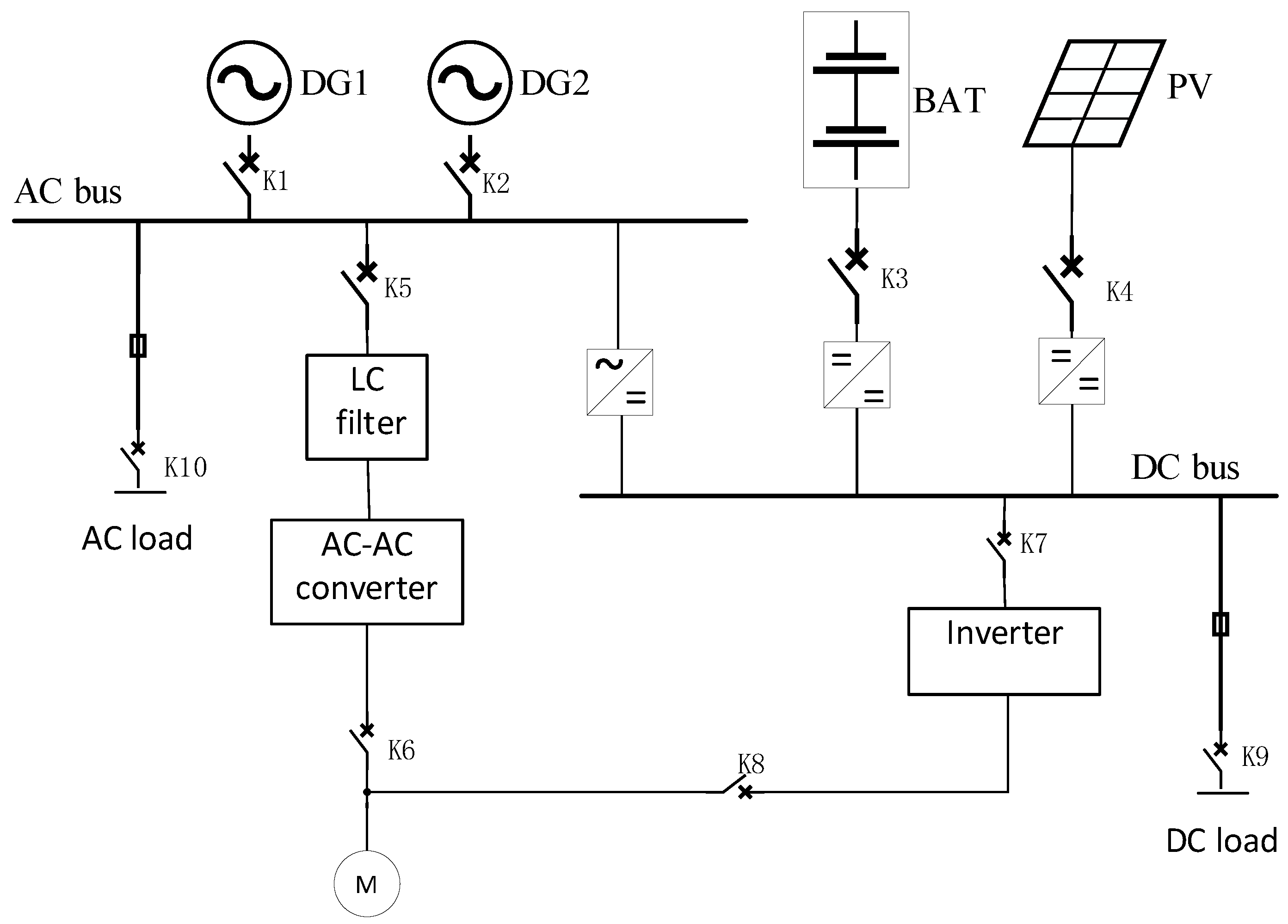
The marine microgrid architecture discussed in this paper is shown in Figure 1. This architecture is specifically tailored for small and medium-sized coastal vessels. Compared to ocean-going vessels, its design places greater emphasis on flexibility, maneuverability, and adaptability to complex sea conditions, while strictly adhering to the principles of green development. The architecture innovatively integrates generators, photovoltaic power generation systems, and lithium battery energy storage systems to form an efficient new-energy power generation unit. This provides vessels with a clean and reliable energy supply, driving the advancement of new-energy ships [3]. From a structural perspective, this architecture has a more complete emergency protection system to ensure continuous power supply during navigation and transport, effectively preventing failures caused by power loss, thereby ensuring the safe and stable operation of the vessel [4]. This marine power distribution system adopts a hybrid alternating current/direct current (AC/DC) design, skillfully combining the advantages of both DC and AC grids. This not only significantly improves the system’s operational efficiency, but also reduces energy conversion losses [5]. By coordinating the operation of the DC and AC buses, the reliance on redundant power conversion equipment is reduced, thereby lowering the overall cost and complexity of the system [6]. This design not only enhances the system’s flexibility and stability, allowing it to handle load changes and grid fluctuations with ease, but also significantly improves energy utilization [7,8].
Figure 1.
Marine microgrid architecture.
However, when an AC constant power load encounters large disturbances such as step-load variations, it may cause significant voltage fluctuations in the system, potentially leading to system collapse and severely affecting its normal operation [9]. Therefore, in-depth research into the large-signal stability of AC/DC hybrid microgrids with constant power loads, and the derivation of large-signal stability criteria (LSSC) for the system, is of critical importance for ensuring the reliable operation of the system [10,11].
The large-signal stability analysis methods for microgrids include nonlinear model methods, the mixed potential function method, Lyapunov methods, state-space methods, the equal area criterion, optimization methods, virtual synchronous control methods, and frequency domain analysis methods, all aimed at ensuring system stability under large disturbances [12,13,14]. Reference [15] proposed a new large-signal stability analysis method and evaluation metrics for a cascaded DC-DC converter system, comparing it with traditional methods. The proposed method is more accurate than the traditional T-S fuzzy model and LMI optimization methods, revealing the critical impact of the voltage loop proportional coefficient on system stability. Reference [16] introduced an autonomous non-smooth coordinated control strategy based on a battery energy storage system (BESS) for a DC microgrid, addressing the global system-level large-signal stability problem and revealing stability under disturbances such as load changes, PnP, and SOC imbalance. In reference [17], MPF was used to analyze the large-signal stability of a hybrid DC microgrid with PI control, but the study did not examine the severe nonlinearity in systems with CPLs. Reference [18] proposed a large-signal model for a DC microgrid based on the MPF method, analyzing stability under traditional PI control and virtual direct machine (VDM) control. It was revealed that VDM control expands the stability region and improves the system’s resistance to disturbances. The significant advantages of VDM control under load fluctuations were then validated. Reference [19] proposed a large-signal stability method for an islanded DC microgrid composed of a hybrid energy storage system (HESS), constant power loads (CPLs), and DGs. A nonlinear model of the DC microgrid was established, and large-signal stability criteria were derived using the mixed potential function and stability theorem. Reference [20] proposed a large-signal stability analysis method for small-scale AC microgrids, revealing the impact of structural changes caused by components on system stability. The method enhanced large-signal stability through virtual synchronous damping control.
However, the aforementioned literature mainly focuses on the stability analysis of DC microgrids, while research on the stability of AC/DC hybrid microgrids, especially using the mixed potential function (MPF) method, is relatively scarce. MPF can derive the stability criterion in an analytical form, making it more suitable for large-signal stability analysis of nonlinear systems, especially for instability issues caused by constant power loads. In the complex environment of AC/DC hybrid power grids, interlinking converters, as key components linking DC and AC systems, play a critical role in ensuring the safety and efficient operation of the entire grid. Their performance and stability are paramount to the overall reliability and effectiveness of the system. Therefore, in-depth research and analysis of the interlinking converters in AC/DC hybrid grids are not only essential for revealing the dynamic behavior of the grid, but also provide a theoretical foundation for formulating effective control strategies and optimization designs. This research direction holds significant academic value and, more importantly, has profound practical implications for advancing the green and intelligent development of shipboard power grids and the broader microgrid field.
This paper applies the mixed potential function method to conduct an in-depth study of the stability of an AC/DC hybrid microgrid system with an AC constant power load and derives the large-signal stability criteria for the system. To effectively analyze the different dynamic characteristics of the AC and DC sides of the microgrid, the system is first modeled as a nonlinear model in the d-q rotating reference frame through a coordinate transformation. Then, using mixed potential function theory, a large-signal stability model of the system is established, and based on the stability theorem, the large-signal stability criteria of the system are derived. Finally, experimental validation is conducted to verify the effectiveness and accuracy of the proposed large-signal stability criteria. The verification results show that the criteria can provide a reliable basis for the stability analysis of AC/DC hybrid microgrid systems.
2. System Equivalent Model
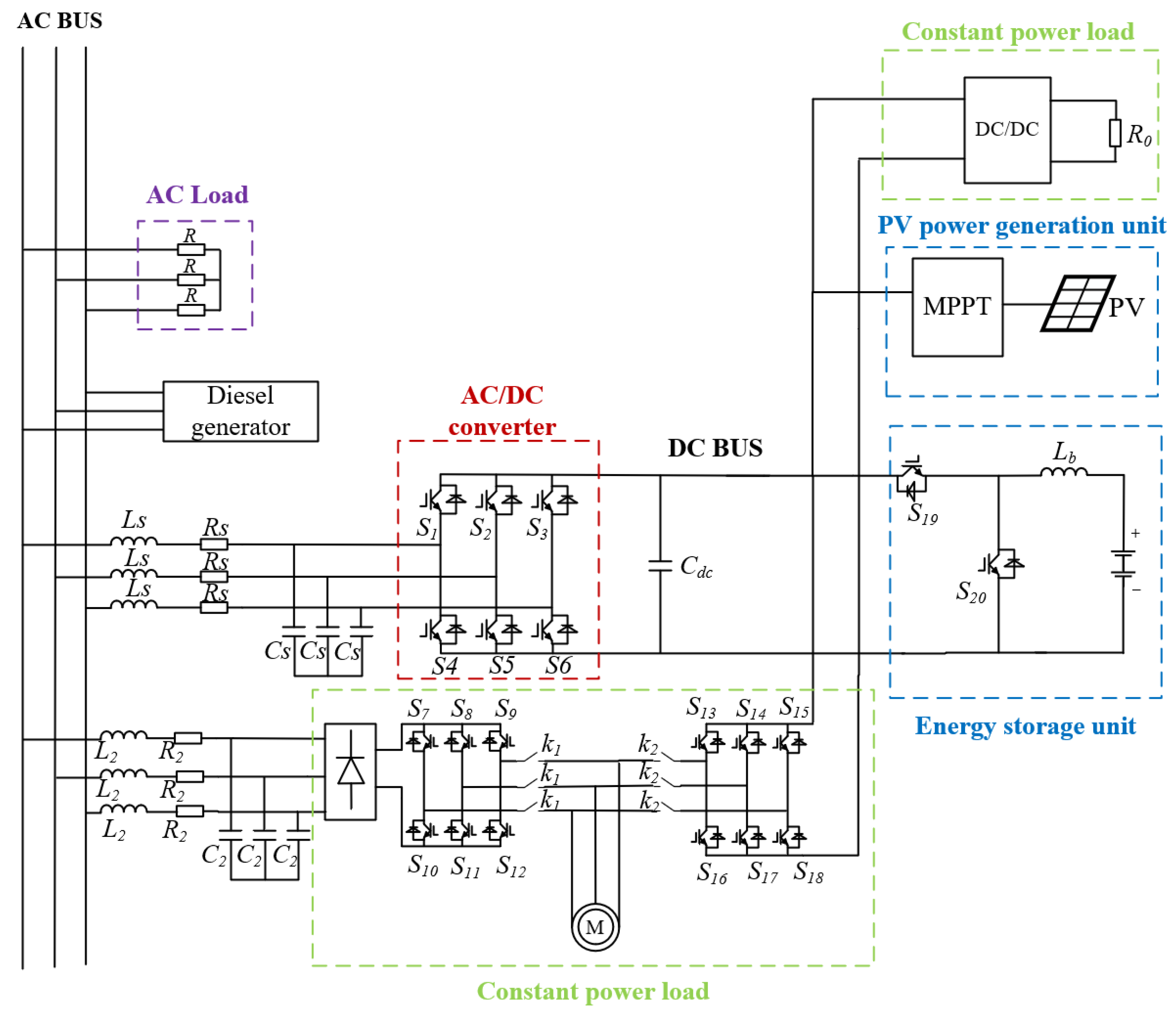
The AC/DC hybrid microgrid system, as shown in Figure 2, primarily consists of key components such as a BESS, photovoltaic distributed generation units, diesel generators, and AC and DC loads [21,22]. In this system, the BESSs and photovoltaic distributed generation units are connected to the grid bus through power electronic converters, ensuring efficient energy transmission and scheduling. At the same time, the interlinking converter serves as a crucial bridge between the DC bus and the AC bus, playing a role in regulation and conversion. This ensures power balance within the system and coordinated operation of all components, thereby achieving the stability and efficient operation of the entire microgrid system.
Figure 2.
AC/DC hybrid microgrid system.
The BESS consists of a battery bank and a bidirectional DC/DC converter, where the bidirectional DC/DC converter adopts a voltage-current dual-loop control strategy to ensure efficient charge and discharge management of the energy storage system [23]. In the system, the propulsion load is connected to the AC bus through an LC filter and an inverter, or directly connected to the DC bus via an inverter. All converters employ rotor flux-oriented vector control strategies, which are equivalent to constant power loads, thereby improving the accuracy and stability of load response [24].
The interlinking converter adopts a dual-loop control strategy, consisting of an outer power loop control, a DC bus voltage loop control, and an AC-side filter inductance current loop control. Through the implementation of advanced closed-loop control strategies, the grid-interfacing power electronic converter achieves precise regulation of the DC bus voltage within a tightly bounded tolerance (±2% of nominal rating), thereby ensuring robust voltage stabilization for the marine DC microgrid’s energy storage system and constant power propulsion loads under dynamic load fluctuations and transient disturbances typical of maritime operational environments. Additionally, the interlinking converter plays a crucial role in the system by connecting the DC bus and AC bus, facilitating bidirectional energy flow, and ensuring the power balance and stable operation of the system [25,26,27].
The converter in the photovoltaic generation unit adopts the maximum power point tracking (MPPT) algorithm, which can dynamically adjust the output power of the photovoltaic unit to ensure it operates at maximum efficiency when connected to the grid. This improves the overall energy utilization efficiency and operational stability of the microgrid system [28,29].
The interlinking DC/AC converter employs a dual-loop control strategy consisting of an outer power loop and an AC-side filter inductor current control loop. The current inner loop control equation is:
The outer power loop control equation is:
In the equation, ud and uq represent the actual values of the d-axis and q-axis voltage components obtained after the Park transform of the three-phase AC voltage; id and iq represent the actual values of the d-axis and q-axis current components of the AC-side filter inductance after Park transform; kip and kii are the proportional and integral coefficients of the current inner loop proportional-integral (PI) control. The desired transmission power Pref of the interlinking converter, divided by ud, gives the active current reference value idref. Based on the system power factor, the reactive current reference values idref and iqref are set and compared with id and iq, respectively. After PI compensation, the voltage reference signals are obtained. The resulting quantities are then combined with the d-axis and q-axis voltage components ud and uq, and the inductance coupling components ωLid and ωLiq, to generate the modulation signals Vd and Vq on the d and q axes.
3. Large Signal Stability Analysis of AC/DC Systems
3.1. Introduction to the Theory of Mixed Potential Functions
The mixed potential function theory offers a unified modeling approach for transient stability analysis of nonlinear circuits, and is a special form of the Lyapunov function that can effectively provide stability criterion of the system under large perturbations. The method of applying this theory includes constructing a mixed potential function based on the characteristics and structure of the circuit, reconstructing the function to meet the requirements of the stability discriminant theorem, and using the discriminant theorem to derive a stability criterion [30].
The mixed potential function is closely related to the circuit structure, and can be uniformly represented by the characteristics of inductance, capacitance, and non-energy-storage components, which makes it highly applicable when dealing with nonlinear circuits containing components with negative impedance characteristics.
The unified representation takes the form [31]:
where A(i) is the current potential function of the non-storage element in the nonlinear circuit; B(u) is the voltage potential function of the non-storage element in the circuit; and (i,γu − α) is the voltage–current product of the capacitor and the other non-storage elements, which varies according to the topology of the system.
The accuracy of the established standard form of the mixed potential function can be verified using Equation (5):
where L is the inductance in the line, C is the capacitance in the line, and iρ and vσ are the current vector and voltage vector of the inductance and capacitance, respectively.
In this paper, the large disturbance stability of the system will be analyzed using the stability theory of Article 3, defined:
If it is satisfied that:
define the minimum eigenvalues of the current potential function and the voltage potential function, respectively, and when |i| + |u|→∞:
Then there exists a region of attraction (ROA) such that the system motion trajectory asymptotically converges to the steady-state equilibrium operating point.
3.2. Nonlinear Model of AC/DC Hybrid Microgrid System in d-q Rotating Reference Frame
The AC/DC hybrid microgrid system is transformed to a DC system in the rotating coordinate system by d-q synchronous rotating reference frame transformation, and the nonlinear model of the AC/DC hybrid microgrid system in the d-q rotating reference frame for grid-connected mode is established as shown in Figure 3, where p is the dynamic load; VG is the active power source; the battery and the connected DC-DC converter are equivalent to the BESS, and the bidirectional power flow of the BESS is Pb; R1 and Rs are the equivalent line resistance; L1 is the equivalent line inductance; Cs is the filter capacitance; the d-axis grid-side equivalent voltage source, V1 is the state variable; R is the AC-side resistive load; i1 is the d-axis equivalent inductance current, id is the d-axis filter inductance current; and the bidirectional DC/AC interlinking converter in the dq-synchronous rotating coordinate system is regarded as a two-port network model [32].
Figure 3.
Nonlinear model of AC/DC hybrid microgrid system.
3.3. System Hybrid Mixed Potential Functions
Based on the simplified model of the AC/DC hybrid microgrid system shown in Figure 3, the d-axis line-equivalent inductor current i1, the d-axis filter inductor current id, the DC bus voltage Vdc, and the d-axis grid-side equivalent voltage source V1 are selected as state variables. The current potential function established based on the controlled current source, controlled voltage source, resistor, CPL and other non-energy storage elements can be obtained as:
The voltage–current product of each capacitive branch of the system is:
The mixed potential function is:
This can be obtained from the unity table equation for P(i,v):
The accuracy of the standard form of the established mixed potential function can be verified using Equation (5):
Equation (15) shows that the mixed potential function model obtained from Equation (12) is correct for the AC/DC hybrid microgrid system shown in Figure 3.
3.4. Criteria for Large Signal Stability of the System
According to Equations (13) and (14), the second partial derivatives Aii(i) and Bvv(v) of the current potential function and the voltage potential function can be further derived:
This follows from the stability theorem:
The control equations of the DC/AC interlinking converter, as shown in Equations (1)–(3), can be derived as follows:
Taking the derivative of both sides of the equation with respect to id:
Due to the power balance at the input and output ports of the interlinking converter, the voltage variable Vdc and current variable idc satisfy:
Taking the derivative of both sides of the equation with respect to the voltage variable Vdc, we obtain:
Based on Equations (21) and (23), simplifying Equations (18) and (19), we obtain:
According to the stability theorem of Equation (8), the large-signal stability criterion for the AC/DC hybrid microgrid system is:
The large-signal stability criterion for the AC/DC hybrid microgrid system operating in grid-connected mode, as shown in Equation (26), provides the maximum power transfer range for the AC/DC converter. This range is related to the following factors: the AC constant power load PL, the battery power Pb, the resistance of the AC resistive load R, the DC-side capacitor parameter Cdc, the filtering inductance Ls, and the capacitor parameter Cs. The parameters of Table 1 can be used in Equation (26) to obtain the maximum value of constant power load on the DC side, PCPLmax = 137 kW.
Table 1.
AC/DC hybrid microgrid system parameters.
3.5. Lyapunov Eigenvalue Method Estimation
According to Figure 3, the system state equation can be written:
where and are the voltage loop bandwidths of the constant power loads PL and PCPL; and kd is the scaling factor of the PI controller of the interconnect converter.
The Lyapunov eigenvalue estimation method is used to judge the stability of the system at the equilibrium point by the eigenvalues of the system Jacobi matrix after linearizing the original system state equation. The system is stable at the equilibrium point when the eigenvalues all have negative real parts. If the system state variables x = (i1, i2, id, Vdc, V1, Vd, iCPL)T are defined, the real equilibrium point x0 = (4.4732, 31.2523, 24.3241, 649.5463, 326.5634, 411.7643, 63.3428)T of this system is obtained by making the left side of Equation (27) equal to zero.
The Jacobi matrix of the system is:
Solving the above Lyapunov eigenvalues based on the circuit parameters in Table 1 and obtaining the eigenvalue trajectory plot as shown in Figure 4 shows that keeping the power of the AC side load constant at 100 kW and increasing the power of the constant power load PCPL from 100 kW to 150 kW, the system is unstable in all the plots of variation of its eigenroots. The power bounding value of this system was not obtained in the range of 100 kW ≤ PCPL ≤ 150 kW.
Figure 4.
Characteristic root trajectory diagram.
3.6. Comparative Verification
The above two methods of power boundaries are compared with the boundary values obtained from the system simulation circuit. From the simulation result graph in Figure 5, it can be seen that when the load jumps from 100 kW to 132 kW, the dc bus voltage drop value is large and unable to return to the standard value, and the system is unstable. The maximum value of the constant power load on the DC side obtained from the system simulation is closer to the boundary derived from the mixed potential function with a difference of only 3.6%, whereas the stable value of the system cannot be obtained by the Lyapunov eigenvalue estimation method in this range (100–150 kW), and the results show that the mixed potential function method is able to find the boundary value of the system more conveniently and accurately.
Figure 5.
DC load jumps from 100 kW to 150 kW DC bus voltage waveforms.
4. Simulation Verification
4.1. Simulink Simulation Verification Based on Power Transmission of Interconnected Converters
A simplified model of the AC/DC hybrid microgrid, as shown in Figure 2, was constructed in Simulink. Through the simulation model, the large-signal stability criterion given by Equation (26) was verified through simulation. The simulation system parameters are shown in Table 1. In this simulation, a step change in the constant power load is used to simulate large-signal disturbances in the marine microgrid system.
By substituting the parameters shown in Table 1 into Equation (26), the maximum transmission power that the system can withstand when the interlinking converter transmits power from AC to DC (denoted as negative) can be obtained:
From Equation (27), it can be seen that when the interlinking converter transmits power from AC to DC, the maximum transmission power that the system can withstand is 40 kW. If the power exceeds 40 kW, the system will become unstable. The simulation parameters for large disturbances when the interlinking converter transmits power from AC to DC are shown in Table 2. Group A and B satisfy the criterion (27), while group C does not satisfy the criterion (27).
Table 2.
DC side constant power load step change table.
As shown in Figure 6, at the 1 s mark, the constant power load in all three experimental groups experienced a power step change, meaning the load power suddenly increased. Subsequently, at the 2 s mark, the constant power load’s power returned to its original state from before the 1 s disturbance.

Figure 6.
Bus voltage simulation waveforms after disturbances for all three groups.
For both Group A and Group B, the transmitted power of the interconnected converters remained within the theoretically defined stability thresholds throughout the entire process. During the sudden load increase (at 1 s) and the sudden load decrease (at 2 s), although there were minor fluctuations in the DC bus voltage, it consistently stabilized around 650 V. Notably, after the load power resumed at 2 s, the DC bus voltage quickly and smoothly returned to the state before 1 s. In both conditions, there was no significant impact on the AC bus voltage. According to the China Classification Society (CCS) Rules for Steel Inland Ships regarding ship power quality, the steady-state voltage is allowed to deviate from the rated value by +6% to −10%, and the transient AC voltage is permitted to deviate by ±20%. The voltage fluctuations in Group A and Group B both fall within this permissible deviation range, indicating that both systems are in a stable state.
However, the situation is different for Group C. After experiencing the large disturbances of step-load transients (step-up/step-down), the transmitted power of the interconnected converters in Group C exceeded their stability range. This resulted in significant oscillations in the DC bus voltage, with deviations from the rated value reaching 30%. Since the transmitted power of the interconnected converters was 40 kW, and the load power exceeded the maximum power of the DC side source, it ultimately led to minor fluctuations in the AC bus voltage. The DC bus voltage clearly exceeded the permissible deviation range specified in the CCS standards. Therefore, it can be concluded that the Group C system no longer maintains stable operation under such disturbances. Nevertheless, after the load power resumed at 2 s, the bus voltage in Group C gradually returned to a stable state, but this does not overshadow its instability during the disturbance period.
By substituting the parameters shown in Table 1 into Equation (26), the maximum transmission power that the system can withstand when the interlinking converter transmits power from DC to AC (denoted as positive) can be obtained:
From Equation (28), it can be seen that when the interlinking converter transmits power from DC to AC, the maximum transmission power that the system can withstand is 10 kW. If the power exceeds 10 kW, the system will become unstable. The simulation parameters for large disturbances when the interlinking converter transmits power from AC to DC are shown in Table 3. Group A and Group B satisfy criterion (28), while Group C does not satisfy the criterion.
Table 3.
AC side constant power load step change table.
As seen in Figure 7, a step change in power occurs at 6 s for both systems, with a sudden load decrease at 8 s. During the process of step-load transients (step-up/step-down), the transmitted power of the interconnected converters in Group A consistently remained within the boundary values, and the AC bus voltage maintained a stable sinusoidal waveform, indicating stable system operation without significant anomalies. However, after experiencing large disturbances, Group B’s transmitted power of the interconnected converters exceeded the stability range, leading to a noticeable drop and distortion in the AC bus voltage. The voltage deviation from the rated value reached 40%, exceeding the allowable deviation range specified in the “Construction Rules for Steel Inland Ships”, resulting in the system’s inability to maintain stable operation. This also caused some impact on the DC bus voltage, but due to the maximum power limit of the interconnected converters, the DC voltage fluctuations remained within a stable range. Although the AC constant power load gradually recovered to 50 kW at 8 s and the bus voltage began to stabilize, the overall process indicates that Group B’s stability under large disturbances is poor, failing to promptly return to a stable working state.
Figure 7.
Bus voltage simulation waveforms after disturbances for two groups.
4.2. RT-Lab Hardware-in-the-Loop (HIL) Simulation
To verify the above stability analysis, a real-time hardware-in-the-loop (HIL) experimental system for the electro-hybrid AC/DC microgrid was established, as shown in the Figure 8. The power circuit in Figure 2 was constructed using RT-LAB software (https://www.opal-rt.com/zh-hans/company-profile/, accessed on 24 February 2025) and implemented on the OP4510 real-time simulator (Opal-RT Technologies of Canada, purchased from Shanghai Keliang Information Engineering Co., LTD, Shanghai, China). The system parameters for each unit are listed in Table 1. Additionally, the YXSPACE-SP6000 controller was used as a fast control prototype to implement the control algorithms.
Figure 8.
Real-time HIL experimental system.
Based on the data in Table 1, in the real-time hardware-in-the-loop (HIL) experimental system of the composite AC/DC hybrid microgrid on the semi-hardware simulation platform, and given the disturbance specified in Table 2, the results shown in Figure 9 are as follows: Under the applied disturbance, for Groups A and B, the converter’s transmitted power remains within the system’s stable range, with only minor fluctuations in the DC bus voltage, ensuring system stability. In contrast, for Group C, the converter’s transmitted power exceeds the system’s stable range, causing significant oscillations in the DC bus voltage, leading to system instability. After the disturbance is removed, the transmitted power of the converters in all three groups returns within the stable range, and the system stabilizes, with the DC bus voltage returning to its pre-disturbance stable state.

Figure 9.
DC bus voltage experimental waveforms after disturbances for three groups.
Given the disturbance in Table 3, the results shown in Figure 10 indicate the following: Under the specified disturbance, for Group A, the converter’s transmitted power remains within the system’s stable range, with the AC bus voltage maintaining a stable sinusoidal waveform, ensuring system stability. In contrast, for Group B, the converter’s transmitted power exceeds the system’s stable range, causing significant distortion in the AC bus voltage, which negatively impacts the power quality of the grid, leading to instability. After the disturbance is removed, the converter’s transmitted power for both groups returns within the stable range, and the system regains stability, with the AC bus voltage returning to the pre-disturbance stable state.

Figure 10.
AC bus voltage experimental waveforms after disturbances for two groups.
By comparing the simulation and experimental results, it can be concluded that the theoretical results are consistent with both the simulation and experimental results. This validates the accuracy of the theoretical analysis, thus proving the effectiveness of the large-signal stability criterion shown in Equation (28).
5. Conclusions
This paper proposes a method for large-signal stability analysis of hybrid AC/DC microgrids based on the mixed potential function theory. By establishing the mixed potential function model for the AC/DC system, the impact of interconnected converters on system stability under large disturbances is successfully analyzed, and large-signal stability criteria for the system are derived. Simulation and experimental results validate the effectiveness of these criteria in ensuring system stability. The specific achievements are as follows:
- A nonlinear model of the system based on the proposed AC/DC system structure was established, and a system hybrid mixed potential function was developed for the interconnected converters to derive the stability boundaries of the transmitted power.
- Large disturbance conditions in the marine microgrid were simulated through experiments involving step-load transients (step-up/step-down) with constant power loads. The accuracy of the proposed bidirectional transmission power boundaries of the interconnected converters was verified, the system’s stability was observed, and finally, the reliability of the large signal stability boundaries was confirmed through the consistency of results from Simulink and hardware-in-the-loop simulations.
This method provides new ideas and tools for the stability analysis and design of shipboard microgrid systems, with significant practical application value.
Author Contributions
Writing—original draft, B.W.; Writing—review & editing, W.Y., W.L., Y.F., C.Z. and R.Y. All authors have read and agreed to the published version of the manuscript.
Funding
This research was funded by Fujian Provincial Natural Science Foundation project, grant number 2022J01333, National Natural Science Foundation, grant number 52171308 and Fujian Provincial Department of Education Young and Middle-aged Teacher Education Research Project, grant number JZ240032.
Institutional Review Board Statement
Not applicable.
Informed Consent Statement
Not applicable.
Data Availability Statement
Data are contained within the article.
Conflicts of Interest
The authors declare no conflicts of interest.
References
- Zhang, M.; Zeng, X.; Tan, Z. Joint decision of green technology adoption and sailing pattern for a coastal ship under ECAs. Transp. Policy 2024, 146, 102–113. [Google Scholar] [CrossRef]
- Zhong, H.; Guo, C.; Yip, T.L.; Gu, Y. Bi-perspective sulfur abatement options to mitigate coastal shipping ships emissions: A Case Study of Chinese coastal zone. Ocean. Coast. Manag. 2021, 209, 105658. [Google Scholar] [CrossRef]
- Yin, H.; Lan, H.; Hong, Y.-Y.; Wang, Z.; Cheng, P.; Li, D.; Guo, D. A comprehensive review of shipboard power systems with new energy sources. Energies 2023, 16, 2307. [Google Scholar] [CrossRef]
- Zhu, C.; Lei, J.; Wang, Z.; Zheng, D.; Yu, C.; Chen, M.; He, W. Risk Analysis and Visualization of Merchant and Fishing Vessel Collisions in Coastal Waters: A Case Study of Fujian Coastal Area. J. Mar. Sci. Eng. 2024, 12, 681. [Google Scholar] [CrossRef]
- Sahoo, S.K.; Sinha, A.K.; Kishore, N.K. Control Techniques in AC, DC, and Hybrid AC-DC Microgrid: A Review. IEEE J. Emerg. Sel. Top. Power Electron. 2018, 6, 738–759. [Google Scholar] [CrossRef]
- Husev, O.; Vinnikov, D.; Kouro, S.; Blaabjerg, F.; Roncero-Clemente, C. Dual-Purpose Converters for DC or AC Grid as Energy Transition Solution: Perspectives and Challenges. IEEE Ind. Electron. Mag. 2024, 18, 46–57. [Google Scholar] [CrossRef]
- Ahmed, A.; Pompodakis, E.; Massier, T. Optimal Operation of Islanded AC/DC Hybrid Microgrids. In Proceedings of the 2021 IEEE Power & Energy Society General Meeting (PESGM), Washington, DC, USA, 26–29 July 2021; IEEE: Piscataway, NJ, USA, 2021. [Google Scholar]
- Zebra, E.I.; van der Windt, H.J.; Nhumaio, G.; Faaij, A.P. A review of hybrid renewable energy systems in mini-grids for off-grid electrification in developing countries. Renew. Sustain. Energy Rev. 2021, 144, 111036. [Google Scholar] [CrossRef]
- Nejabatkhah, F.; Li, Y.W.; Tian, H. Power Quality Control of Smart Hybrid AC/DC Microgrids: An Overview. IEEE Access 2019, 7, 52295–52318. [Google Scholar] [CrossRef]
- Andrés-Martínez, O.; Flores-Tlacuahuac, A.; Ruiz-Martinez, O.F.; Mayo-Maldonado, J.C. Nonlinear Model Predictive Stabilization of DC–DC Boost Converters With Constant Power Loads. IEEE J. Emerg. Sel. Top. Power Electron. 2021, 9, 822–830. [Google Scholar] [CrossRef]
- Ahmed, M.; Meegahapola, L.; Vahidnia, A.; Datta, M. Stability and Control Aspects of Microgrid Architectures—A Comprehensive Review. IEEE Access 2020, 8, 144730–144766. [Google Scholar] [CrossRef]
- Ahmed, M.; Meegahapola, L.; Vahidnia, A.; Datta, M. Influence of Feeder Characteristics on Hybrid AC/DC Microgrids Stability. In Proceedings of the 2019 9th International Conference on Power and Energy Systems (ICPES), Perth, Australia, 10–12 December 2019; IEEE: Piscataway, NJ, USA, 2019. [Google Scholar]
- Roy, T.K.; Mahmud, M.A. Dynamic Stability Analysis of Hybrid Islanded DC Microgrids Using a Nonlinear Backstepping Approach. IEEE Syst. J. 2018, 12, 3120–3130. [Google Scholar] [CrossRef]
- Li, X.; Li, Z.; Guo, L.; Zhu, J.; Wang, Y.; Wang, C. Enhanced Dynamic Stability Control for Low-Inertia Hybrid AC/DC Microgrid With Distributed Energy Storage Systems. IEEE Access 2019, 7, 91234–91242. [Google Scholar] [CrossRef]
- Song, Q.; Chen, J.; Loo, K.H.; Chen, J.; Chen, P. Large-Signal Stability Analysis of Two-Stage Cascaded DC/DC Converter Systems Using Sum-of-Squares Programming. IEEE Trans. Power Electron. 2024, 39, 2076–2085. [Google Scholar] [CrossRef]
- Lang, J.; Zhang, C.; Xia, F.; Wang, G.; Wang, X. Self-Disciplined Nonsmooth Coordination Control for Battery Energy Storage System in Autonomous DC Microgrids Toward Large-Signal Stability. IEEE Trans. Smart Grid 2023, 14, 928–938. [Google Scholar] [CrossRef]
- Teng, C.; Wang, Y.; Zhou, B.; Wang, F.; Zhang, F. Large-signal Stability Analysis of DC Microgrids with Constant Power Loads. Trans. China Electrotech. Soc. 2019, 34, 973–982. [Google Scholar]
- Wang, P.; Zhao, J.; Liu, K.; Jin, C.; Chen, W. Mixed-potential-function-based large-signal stability analysis of DC microgrid with constant power loads. Front. Energy Res. 2023, 10, 1052789. [Google Scholar] [CrossRef]
- Liu, X.; Suo, Y.; Song, X.; Zhou, J.; Qu, Y. Large-Signal Stabilization Method for Islanded DC Microgrids Considering Battery and Supercapacitor Hybrid Energy Storage Systems. Electronics 2022, 11, 2823. [Google Scholar] [CrossRef]
- Xia, Y.; Lv, Z.; Wei, W.; He, H. Large-Signal Stability Analysis and Control for Small-Scale AC Microgrids with Single Storage. IEEE J. Emerg. Sel. Top. Power Electron. 2022, 10, 4809–4820. [Google Scholar] [CrossRef]
- Simic, Z.; Topic, D.; Rogalo, A. Modeling and Simulation of AC, DC, and Hybrid AC-DC Microgrid with Battery Energy Storage. In Proceedings of the Central European Conference on Information and Intelligent Systems, CECIIS 2022, Dubrovnik, Croatia, 21–23 September 2022; Vrcek, N., Guardia, L., Grd, P., Eds.; Faculty of Organization and Informatics, University of Zagreb: Varazdin, Croatia, 2022; pp. 317–324. [Google Scholar]
- Unamuno, E.; Barrena, J.A. Hybrid ac/dc microgrids-Part I: Review and classification of topologies. Renew. Sustain. Energy Rev. 2015, 52, 1251–1259. [Google Scholar] [CrossRef]
- Chub, A.; Vinnikov, D.; Kosenko, R.; Liivik, E.; Galkin, I. Bidirectional DC–DC converter for modular residential battery energy storage systems. IEEE Trans. Ind. Electron. 2019, 67, 1944–1955. [Google Scholar] [CrossRef]
- Aryani, D.R.; Song, H. Coordination Control Strategy for AC/DC Hybrid Microgrids in Stand-Alone Mode. Energies 2016, 9, 469. [Google Scholar] [CrossRef]
- Mohammadi, F. Integration of AC/DC Microgrids into Power Grids. Sustainability 2020, 12, 3313. [Google Scholar] [CrossRef]
- Ding, G.; Gao, F.; Zhang, S.; Loh, P.C.; Blaabjerg, F. Control of hybrid AC/DC microgrid under islanding operational conditions. J. Mod. Power Syst. Clean Energy 2014, 2, 223–232. [Google Scholar] [CrossRef]
- Khan, M.Y.; Liu, H.; Zhang, Y.; Wang, J. Hybrid AC/DC Microgrid: Systematic Evaluation of Interlinking Converters, Control Strategies, and Protection Schemes: A Review. IEEE Access 2024, 12, 160097–160132. [Google Scholar] [CrossRef]
- Shen, K.; Liu, D.; Weng, E. An Adaptive Control Strategy of Islanded Hybrid Microgrid Considering the Cooperative Operation of PV-Energy Storage-Diesel Generator. In Proceedings of the 2024 the 7th International Conference on Energy, Electrical and Power Engineering, CEEPE 2024, Yangzhou, China, 26–28 April 2024; IEEE: Piscataway, NJ, USA, 2024; pp. 1169–1174. [Google Scholar]
- Shan, Y.; Hu, J.; Chan, K.W.; Fu, Q.; Guerrero, J.M. Model Predictive Control of Bidirectional DC-DC Converters and AC/DC Interlinking Converters-A New Control Method for PV-Wind-Battery Microgrids. IEEE Trans. Sustain. Energy 2019, 10, 1823–1833. [Google Scholar] [CrossRef]
- Kim, H.J.; Kang, S.W.; Seo, G.S.; Jang, P.; Cho, B.H. Large-Signal Stability Analysis of DC Power System with Shunt Active Damper. IEEE Trans. Ind. Electron. 2016, 63, 6270–6280. [Google Scholar] [CrossRef]
- Brayton, R.K.; Moser, J.K. A theory of nonlinear networks. II. Q. Appl. Math. 1964, 22, 81–104. [Google Scholar] [CrossRef]
- Liu, X.; Zhu, Z.; Shi, J.; Song, X.; Zhou, J. Large Signal Stability Criteria Combined with a 3D Region of Asymptotic Stability Method for Islanded AC/DC Hybrid Microgrids. Electronics 2022, 11, 4042. [Google Scholar] [CrossRef]
Disclaimer/Publisher’s Note: The statements, opinions and data contained in all publications are solely those of the individual author(s) and contributor(s) and not of MDPI and/or the editor(s). MDPI and/or the editor(s) disclaim responsibility for any injury to people or property resulting from any ideas, methods, instructions or products referred to in the content. |
© 2025 by the authors. Licensee MDPI, Basel, Switzerland. This article is an open access article distributed under the terms and conditions of the Creative Commons Attribution (CC BY) license (https://creativecommons.org/licenses/by/4.0/).












