Abstract
Breeding in large-scale marine aquafarms faces many challenges in terms of precise feeding, including real-time decisions as to the precise feeding amount, along with disturbances caused by the feeding speed and the moving speed of feeding equipment. Involving many spatiotemporal distributed parameters and variables, an effective predictive model for environment and growth stage perception is yet to obtained, further preventing the development of precise feeding strategies and feeding equipment. Therefore, in this paper, a hierarchical type-2 fuzzy system based on a quasi-Gaussian membership function for fast, precise, on-site feeding decisions is proposed and validated. The designed system consists of two layers of decision subsystems, taking in different sources of data and expert experience in feeding but avoiding the rule explosion issue. Meanwhile, the water quality evaluation is considered as the secondary membership function for type-2 fuzzy sets and used to adjust the parameters of the quasi-Gaussian membership function, decreasing the calculation load in type reduction. The proposed system is validated, and the results indicate that the shape of the primary fuzzy sets is altered with the secondary membership, which influences the defuzzification results accordingly. Meanwhile, the hardware of feeding bins for UAVs with variable-speed coupling control systems with disturbance compensation is improved and validated. The results indicate that the feeding speed can follow the disturbance in the level flying speed.
1. Introduction
The output of aquatic products in the world’s major fishing countries mainly comes from fishing, but there is often an overfishing problem, which is not conducive to sustainable development [1]. According to the data released in the “2024 China Fisheries Statistics Yearbook” [2], the total yield of aquatic products in China in 2023 was 71.16 million tons, with aquaculture production accounting for 35.85 million tons, or 81.6% of the total yield. At present, China is acknowledged as the first major fishing country with a larger amount in aquaculture production than in fishing, exhibiting another development possibility for the fisheries industry. However, it is important to note that the fisheries industry remains labor-intensive. Investigation results released by Huang et al. [3] showed that the feeding process of aquaculture in developing countries is not only the most cost-intensive but also the most labor-dependent stage in the aquaculture production life-cycle. The traditional feeding methods, which are still widely adopted, rely on manual operations. Specifically, the decision and control of the feeding amount are still highly reliant on the experience of farmers. Despite satisfactory results in terms of yield, the consequences include the use of worse-than-average automatic equipment, overdependence on manual operations, and significant feed wastage, which subsequently increases water contamination. Consequently, with the increase in the scale and intensiveness of aquaculture, the aforementioned traditional, empirical-experience-based feeding strategies are yet to be adequate to balance the efficiency of aquaculture and the precise control of feeding amounts. Thus, a pressing need emerges to investigate precise feeding control strategies to facilitate the use of unmanned feeding equipment.
Precise feeding strategies are among the advanced strategies proposed in recent years, categorized alongside intelligent feeding and uniform feeding (also known as even feeding) [4]. The core of “precision” lies in the inputs and the methods used to reach the final decision. Depending on different criteria, this can be divided into several categories, including ingestion-behavior-based strategies, environmental-perception-based strategies, growth-state-perception strategies, and combinations of the above [5]. Studies on ingestion-behavior-based precise feeding strategies have mainly been carried out in the field of fish and shrimp cultivation. Sui [6] and Shen [7] investigated the feeding intensity of fish using acoustic and water quality parameters. Wang [8] studied the feeding behaviors of shrimp using sonar. Huang [9], Wang [10], and Balaban et al. [11] monitored the biological growth of fish by means of underwater machine vision methods, achieving satisfactory results under favorable underwater conditions. Zhao et al. [12] introduced a fuzzy PID control technology optimized by ant colony algorithms for the precise feeding of grass carp. A deformable attention transformer was used by Yu et al. [13] to evaluate the degree of hunger of fish as an input for precise feeding decisions. In conclusion, the species with fast swimming ability enable the use of monocular and binocular cameras to capture their complete view, allowing their ingestion behaviors to be observed and analyzed. However, it is necessary to use non-ingestion-based strategies for some species with a strong sense of territory or with a limited ability to swim, such as scallops and mussels cultivated in marine cages, as well as some crabs intensively cultivated in ponds. The non-ingestion-based strategies consist of residual feed analysis, environment perception, and growth state analysis, which are yet to be developed.
1.1. Challenges
Current research on precise feeding decision and control technologies based on non-ingestion behaviors faces the following challenges:
- (1)
- Lack of precise multi-source water quality evaluation models: In natural aquaculture conditions, the complexity of environmental parameters complicates water quality control, providing less support for the development of accurate water quality prediction models based on feeding, ingestion, and water quality control [14].
- (2)
- Lack of precise growth monitoring evaluation models: Biological habits vary greatly between species, challenging the acquisition and evaluation of precise growth state models, which further obstructs precise feeding decisions [15].
- (3)
- The existing unmanned feeding equipment has poor universality: From the perspective of unmanned feeding equipment, fixed feeders, surface unmanned boats, underwater devices, and unmanned aerial vehicles (UAVs) are the current mainstream feeding methods. The authors of [16] provided a detailed comparison of these approaches. Fixed feeders offer limited flexibility, and their application range is gradually decreasing. Surface unmanned boats have become a popular choice due to their large payload capacity and good stability; however, they are challenging to transport and require adaptation to feeding areas. UAVs, with better flexibility and feeding efficiency, have gradually attracted the attention of farmers. UAVs are widely applied in the field of plant protection, and they are mainly used in agricultural monitoring, pest control, seed sowing [17], etc., often flying at high altitudes and offering high-speed spraying or broadcasting. Nevertheless, UAVs are still a new entrant in the field of feed distribution. Different aquaculture objects require different types of feed, and current UAVs are not well equipped for the precise distribution of different types of pellet feed or irregular wet feed such as frozen fish. This makes it essential to develop specialized structures for UAV feeding bins tailored to different feed types, adding complexity to UAV applications. As a result, current research on UAVs for aquaculture still focuses on the image-based acquisition and analysis of feeding behaviors [18,19], population distribution monitoring [20], and water quality monitoring [21], for instance.
According to the above analysis, the application of unmanned feeding equipment is severely restricted by the difficulty in obtaining accurate non-feeding evaluation models. Since Prof. Zadeh [22] first introduced fuzzy sets and fuzzy theory in 1965, after years of development, they have evolved into various forms of theory, including type-2 fuzzy sets, interval type-2 fuzzy sets [23], and intuitionistic fuzzy sets [24], based on traditional fuzzy sets, along with studies on corresponding extensions. This has led to the development of diverse fuzzy systems tailored to different needs. On account of the effectiveness of integrating expert experience, the lack of dependence on precise mechanistic models, and the excellent interpretation of outputs, fuzzy theory is widely used in complex factor evaluation, decision-making [25], gray-box and black-box system approximation [26], and industrial fuzzy control applications.
1.2. Objectives and Contributions
Based on the above analysis, in this study, a novel precise feeding strategy driven by the fusion of experience and environmental perception is proposed, and the breeding and feeding processes of crabs in a natural feeding environment, which face difficulties in ingestive behavior due to their unique biological habits, are considered as a case study to construct a quasi-Gaussian fuzzy model. Specifically, the proposed model uses the experience of experts in order to achieve a model-free precise feeding strategy. The theoretical and practical contributions of this study are as follows:
- This study introduces an innovative, simplified type-reduction algorithm for type-2 fuzzy systems and constructs a hierarchical fuzzy decision system. By utilizing the dual-parameter characteristics of the quasi-Gaussian fuzzy membership function, the submodules within the hierarchical fuzzy decision system can directly adjust the parameters of the membership function, thereby modifying the fuzzification results. This approach streamlines the type-reduction process of type-2 fuzzy systems during inference, reduces computational complexity, enhances timeliness, and facilitates real-time decision-making by the system.
- The proposed innovative model is applied to precise on-site decisions regarding regional feeding amounts. Growth stages, breeding density, breeding area, the water quality of the aquaculture objects, and other variables are integrated into the model in a hierarchical manner. Based on this, a variable-speed coupling precise feeding model based on disturbance compensation is presented, where the feeding speed of the feeding bins of unmanned aerial vehicles (UAVs) is used to track changes in UAV flight speed through the duty cycle of feeding motors, in order to compensate for the problem of deviations in local feeding amounts caused by variations in UAV flight speed.
1.3. Overall Design Methodology
The overall research approach of this study focuses on the construction of a fuzzy model for determining precise feeding amounts, and of a variable-speed coupling precise feeding model for UAVs, followed by the validation of the design results through simulations. The objectives are as follows:
- To identify the inputs for the fuzzy decision model for precise feeding amounts, layer and grade these inputs, and ultimately construct a precise feeding amount decision model based on a quasi-Gaussian membership function;
- To analyze the relationship between UAV flight speed along a predetermined route, feeding bin dispensing speed, and the output of the precise feeding amount decision model, as well as to design a control system for the feeding bin’s dispensing speed that can compensate for changes in flight speed;
- To simulate and validate both the precise feeding amount decision model and the control system for the feeding bin’s dispensing speed under varying conditions.
2. Materials and Methods
2.1. Materials
(1) BOM list for hardware:
The hardware components adopted for improving the feeding structure are listed in Table 1.
Table 1.
List of materials.
(2) Feed and properties for testing:
Expanded compound feed for crabs, manufactured by Tongwei Co., Ltd. (Chengdu, China); the adopted feed’s specifications are listed in Table 2.
Table 2.
Specifications of pellet feed.
2.2. Fuzzy Decision System
2.2.1. Hybrid HFS
For conventional fuzzy inference systems, with the increase in the number of input variables, the number of rules will grow exponentially to maintain the integrity of the inference domain—a well-known “rule explosion” problem. This problem significantly increases the computational load of the system, reduces the operating speed, and limits the online application of fuzzy systems. Consequently, finding ways to achieve control performance with fewer rules has been a central focus in fuzzy control research. To address this “rule explosion” problem, Raju and Zhou [27,28] devised the hierarchical fuzzy system (HFS), consisting of several low-dimensional fuzzy systems arranged hierarchically to form a high-dimensional fuzzy system. The output of one layer serves as the input for the next, and the number of rules grows linearly (rather than exponentially) with the number of dimensions input. HFSs are particularly suitable for systems with a natural hierarchical structure, where intermediate variables correspond to physical variables of the system. If physical variables are not specified, they can be interpreted as “internal state variables” of the HFS, akin to the states in a state space model. The states represent key features of the system without necessarily corresponding to any physical variable. Additionally, cascade HFSs, parallel HFSs, and hybrid HFSs can be constructed based on the relationships between input variables and intermediate variables. The structure of a hybrid HFS is shown in Figure 1. Given the significant sequential relationships among the variables in this study, a hybrid HFS structure was utilized to design a fuzzy decision system for precise feeding amounts.
Figure 1.
General structure of a hybrid HFS.
Consider a hybrid HFS with the following characteristics:
(1) The system has a total of subsystems.
(2) The system has a total of input variables, denoted by ; is the final output variable of this system, while are the outputs of a series of subsystems.
(3) All subsystems that constitute this HFS may have multiple inputs or a single input, but all must have a single output (i.e., a SISO or MISO structure), and there is no coupling behavior between the inputs and outputs of any subsystem.
With these specifications, the construction process of a hybrid HFS is as follows:
Layer 1:
The input variables for the fuzzy subsystem are . The output variable is , with rules in the following form:
For , if is , …, and is , then is .
Layer ():
The input variables for the fuzzy subsystem are and . The output variable is , with rules in the following form:
For , if is , …, and is , and if is ,..., and is , then is .
As all of the subsystems are independent, after the hybrid HFS’s construction, the exponential increase in fuzzy rules now becomes a linear increase, significantly reducing the computational load.
2.2.2. Quasi-Gaussian Fuzzy System
(1) Quasi-Gaussian membership function:
When designing fuzzy control systems, accuracy and speed are the critical parameters to evaluate the system’s performance. In particular, the number of fuzzy subsets, fuzzy rules, and the shape of membership functions are closely related to the speed of the system. Meanwhile, the number of rules is also related to the stability of the system.
From the perspective of membership functions, the results of [28] revealed that the triangular membership functions exhibit a large change rate in slope; the triangular fuzzy systems are therefore sensitive to object inputs/outputs/parameters, allowing the fuzzy system to rapidly track changes. One of the significant disadvantages of triangular fuzzy systems is that the representation form of membership degree does not align well with human linguistic logic and returns poor interpretability. Fuzzy systems created with Gaussian functions are more aligned with the linguistic habits of humans and have better interpretability. Meanwhile, a significant disadvantage of Gaussian fuzzy systems is that some curves, especially those close to the x-axis slopes approaching zero, result in less sensitivity to changes in data. Therefore, the precision of inference results via Gaussian fuzzy systems is often lower than that via triangular fuzzy systems.
On the other hand, with the increase in the number of fuzzy rules, the accuracy and even the stability of the system will be enhanced, although the computational speed decreases. Therefore, a quasi-Gaussian membership function is proposed in this section and defined as shown in Equation (1):
where and co-determine the sharpness of the peak and the convergence of the base of the quasi-Gaussian fuzzy set. By adjusting the ratio of and , we can consider Gaussian membership functions and triangular membership functions as two special cases of quasi-Gaussian membership function, allowing us to simultaneously achieve good interpretability and sensitivity to changes in objects.
(2) Type increase:
A general type-2 fuzzy set is defined in Equation (2), and the relationship between its primary and secondary membership degrees is defined as shown in Equation (3).
Definition: Consider a type-2 fuzzy set in a certain domain:
where is the primary variable and is the secondary variable, with all , and . is the natural domain of the primary variable. The primary membership degree of each primary variable is denoted by and defined as shown in Equation (3):
In the event of continuous values, can be expressed as shown in Equation (4):
Thus, the fuzzy inference output obtained from the HFS subsystem through inference can be mapped to the secondary membership degree , as shown in Equation (5):
In this case, the impact of the secondary variable on the primary variable is encapsulated in the form of secondary membership degree in the fuzzy inference process of the primary variable.
(3) Type reduction:
As mentioned earlier, common type-2 fuzzy systems are transformed from type-1 systems, meaning that the membership function of the fuzzy number is derived from another membership function, rather than from a given definite numerical value. Consequently, the inference result of a fuzzy decision system is a type-2 fuzzy number, which requires type reduction to obtain a traditional fuzzy set, followed by defuzzification to determine the final “crisp” value. Therefore, type reduction increases the computational load again. In this study, the inference result from the HFS subsystem (a type-1 fuzzy number) is simply transformed and used as the secondary membership function to adjust the parameters of the quasi-Gaussian membership function in the primary variable, as illustrated in Equation (6):
where represents the fuzzy output membership degree obtained from the HFS subsystem through inference, i.e., the secondary membership degree. By selecting an appropriate functional relationship, we can directly obtain the traditional fuzzy decision result after type reduction.
Now, suppose that is a specific type-2 fuzzy subset and its domain is set as . According to this definition, the type-2 fuzzy set influenced by the secondary membership function is plotted, and the upper membership function of when , the lower membership function of , and the footprint of uncertainty (FOU) are labeled, as illustrated in Figure 2.
Figure 2.
Type−2 fuzzy subset .
(4) Defuzzification:
Common defuzzification methods include the maximum membership degree method, centroid method, and weighted-average method. Since the maximum membership degree method does not consider the shape of the output membership function but, rather, focuses on the output value at the maximum membership degree, it will inevitably lose a lot of information. This method is characterized by its simplicity of implementation and the ability to be used in scenarios with less stringent requirements. However, for more accurate decision results, the fuzzy system must effectively express the inference calculation results of the output membership function. The centroid method takes the center of the area formed by the membership function curve and the horizontal coordinate as the final output value of fuzzy inference. In discrete cases, this method is represented as shown in Equation (7):
where indicates the number of effective inference results and indicates the i-th effective inference result. To represent the results of the fuzzy decision system more accurately, the centroid method is utilized for defuzzification.
2.3. Precise Feeding Amount Decision Model
2.3.1. Primary Decision-Making System
The proposed quasi-Gaussian fuzzy system is then employed to judge the precise feeding amount in a region, and the overall methodology is shown in Figure 3. For the primary decision-making system, the purpose is to return the baseline feeding amount, and the inputs are the growth stage, total feeding amount, and baseline feeding amount within the region. The total feeding amount and baseline feeding amount in the region are described in three ways: linguistic fuzzy variables, actual domain and subset division, and the scale factor used for mapping between the actual domain and fuzzy domain.
Figure 3.
Precise feeding decision−making methodology.
- Input 1: Growth stage
- Linguistic variable: , where indicates the growth stage number of the aquaculture objects.
- Input 2: Region division
- Suppose that the total breeding area is (), and the entire region is divided and then numbered accordingly.
- Linguistic variable: , where is the aquaculture region number, in .
- Input 3: Total feeding amount of the cultivation area per day
- Linguistic variable: , where is the average (median) total feeding amount of the pond, and represents the number of linguistic variables for the feeding amount. The actual feeding amount over the entire period for the whole pond is ().
The fuzzy domain of the total feeding amount is determined as shown in Equation (8):
The central points of every fuzzy linguistic set are identified by experts, and the quasi-Gaussian membership function is applied for single-point fuzzification, as described in Equation (9):
The fuzzification of the total feeding amount per day based on the farmer’s linguistic variables is hereby completed.
- Output:
The fuzzy linguistic variable for the baseline feeding amount in region is represented by ,where represents the center value of feeding in the region, and represents the number of linguistic variables for the feeding amount.
The central points of every fuzzy linguistic set are identified by experts, and the quasi-Gaussian membership function, as given in Equation (9), is used for single-point fuzzification. Consequently, the mapping relationship between the fuzzy domain of the regional feeding amount and the actual domain is established by Equation (10):
Inference rules and establishment of rule table:
(1) Taking crab aquaculture as an example, where , the relationship between growth stage and feeding amount was roughly established based on a survey of farmers’ experiences, as detailed in Table 3 (with average feeding amounts for each stage).
Table 3.
Average feeding amounts for each stage (based on a survey of farmers).
(2) Suppose that the whole breeding area is divided into 5 regions—that is, m = 5.
(3) The linguistic variables representing the size of each region:
(4) The fuzzy inference rule table for , , and is established as indicated in Table 4 (taking stage S5 as an example).
Table 4.
Fuzzy inference rule table for the primary decision-making system.
The basic generation logic for this rule table is as follows: With the aquaculture stage and baseline feeding amount being fixed, the smaller the divided region (NB), the smaller (NB). Conversely, the larger region , the greater (PB). This rule setting aligns perfectly with the feeding practices commonly followed by farmers.
2.3.2. Secondary Decision-Making System
The secondary decision-making system captures water quality evaluation results and breeding density within the region in real time. This process needs to be completed online, requiring high real-time performance and, consequently, a certain level of computational speed.
Type-2 fuzzy system Input 1: Corrected baseline feeding amount within region .
Primary variable: Baseline feeding amount within region (output from the primary decision-making system).
Secondary variable: Water quality evaluation results within the region.
Input 2: Breeding density within region .
Linguistic variable: , where represents the average breeding density within region , and indicates the number of linguistic variables for the feeding amount. indicates that the breeding density within the region aligns with the average (median) of the entire pond and can be calculated using Equation (11):
where represents the total number of aquatic seedlings introduced into the whole pond at the start of aquaculture.
The total breeding quantity measured in each region is converted to fuzzy numbers using the quasi-Gaussian fuzzy membership function (Equation (12)) and then utilized for subsequent decision-making:
Note: The initial breeding quantity is calculated by dividing the total number of seedlings introduced by the average breeding area, while the actual breeding quantity is determined by the growth state monitoring device in the pond (see Figure 3). Based on this, the error in breeding quantity within the designated regions can be assessed.
- Output:
The final feeding amount in region m after correction: using the water quality evaluation results for data fusion, the final feeding amount within region m undergoes secondary fuzzification and is transformed to the type-2 fuzzy set , as described by Equation (13):
where is the type-2 fuzzy set for the feeding amount decision within region m.
The parameter is the water quality fuzzy set for region m and also the secondary variable input by the type-2 fuzzy inference system. All , and . The primary membership degree of the total feeding amount in each region is denoted by and defined as shown in Equation (14):
The secondary membership degree is derived from the fuzzified water quality evaluation results within this region.
- Inference rules:
(1) Develop the fuzzy inference rule table for ,, and (taking stage S5 as an example), as detailed in Table 5.
Table 5.
Fuzzy inference rule table for the secondary decision-making system.
The basic generation logic for this rule table is as follows: With the aquaculture stage and baseline feeding amount being fixed, the smaller the baseline feeding amount (NB) and the smaller the breeding quantity (NB), the larger the feeding correction (PB). Conversely, the larger the baseline feeding amount (PB) and the larger the breeding quantity (PB), the larger the feeding correction (PB). Here, the output of the primary HFS subsystem serves as the input to the secondary HFS module, effectively reducing the exponential growth in the number of rules.
(2) Type increase:
Since the water quality evaluation results primarily influence the inference value of correction, and the magnitude of the inference result is mainly affected by the centroid position during defuzzification, this study innovatively incorporates the water quality evaluation as a secondary variable into the fuzzy parameters of primary variables, which ultimately influences the centroid value of the defuzzified inference results by affecting the shape and position of the fuzzy set, without changing the fuzzy subsets to which the inference results belong. The impact of the secondary variables on the primary variables can be determined by Equation (15):
2.4. Design of Variable-Speed Coupling Feeding Control System Based on Compensation
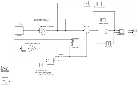
When dispersing feed on the water surface, UAVs are often disrupted by moving objects, such as frightened waterfowl that suddenly move randomly. Therefore, the dynamic avoidance of obstacles must be ensured, as well as accounting for the errors in feeding quantity in some areas. Thus, the variable−speed coupling feeding control system was designed based on disturbance compensation as shown in Figure 4.
Figure 4.
Block diagram of the variable−speed coupling control system based on compensation.
When the UAV follows a preset route, the feeding bin control system will obtain real-time data for region and the total feeding amount required for that region. Let the preset UAV flight speed be and the preset feeding rate be . Therefore, for a given total feeding amount in region , the feeding mass speed satisfies Equation (16):
where
indicates the total flight path length of the UAV in region ;
indicates the total flight duration of the feeding UAV in region .
By simplifying Equation (16), the relationship between the feeding mass speed and the UAV speed can be obtained, as depicted in Equation (17):
Furthermore, the relationship between the real-time feeding mass speed and the real-time movement speed of the UAV can be derived as shown in Equation (18):
where
indicates the sampling sequence;
indicates the real-time feeding mass speed at time k;
indicates the real-time movement speed of the UAV at time k;
indicates the remaining feeding amount in region m before the current sampling;
indicates the remaining length of the feeding route in region m before the current sampling.
For this reason, the remaining feeding amount and remaining feeding route within region m can be calculated by Equation (19):
Thus, the current flying speed of UAV along the set feeding route is first obtained, and then the total feeding amount required for the region in which the UAV is currently located is consequently obtained; then, the real-time feeding speed of the feeding bin control system can be calculated and adjusted via the duty ratio. Finally, the precise feeding strategy is achieved according to the area and breeding density.
3. Results and Discussion
3.1. Experimental Methods for Precise Feeding Decision Model and Analysis
3.1.1. Experimental Methods
The following information was collected: Region A2 was used for feeding, with a breeding area of 13,340 m2, and the growth stage of crabs in this area was S5. The relevant initial data for feeding were recorded, as shown in Table 6. The average feeding amount was the output, and the inputs of the primary decision-making system were derived from interviews with farmers and statistics.
Table 6.
Initial testing data.
(1) Fuzzification:
- Input 1: Breeding quantity
indicates the actual breeding quantity, while indicates the average breeding quantity. The relationship between , , and the breeding quantity error can be expressed by Equation (20):
Given the average breeding quantity, the baseline breeding quantity in region A2 can be determined; that is, . The range of breeding quantity errors obtained by statistics is , and the scaling factor can be obtained by Equation (21):
- Input 2: Feeding amount
Given the primary variable of type-2 fuzzy sets, the corrected feeding amount has an error range , and the scaling factor can be calculated by Equation (22):
- Type increase: Water quality evaluation
It is known that is the water quality parameter evaluation result, with a value range of . Thus, the secondary membership degree for adjusting the parameters of the primary variable membership function can be calculated by Equation (23):
- Output
indicates the corrected final feeding amount. Thus, the relationship between , , and the corrected feeding amount error is expressed by Equation (24):
Meanwhile, the scaling factor of can be obtained from Equation (25):
3.1.2. Results and Analysis
Figure 5a–c illustrate the fuzzification results for Input 1 (feed amount decision), Input 2 (breeding quantity), and the output variation domain mapped to the fuzzy domain, all using a quasi-Gaussian fuzzy membership function for fuzzification. For simplicity, the initial parameters of the membership functions for the three variables at the time of fuzzification are set to and . After the type-2 transformation, the parameters of the quasi-Gaussian membership function for the adjusted feeding amount become , and , as shown in Table 7.
Figure 5.
Fuzzification results: (a) breeding quantity; (b) feeding correction; (c) final feeding amount .
Table 7.
Outputs of the decision-making system.
The differences in the fuzzification results for the feeding amount before and after type-2 transformation are demonstrated in Figure 6. Specifically, after type-2 transformation, the vertices of the fuzzy set used for inferring the feeding amount shift from [−0.43, 0.9855] and [2.14, 0.9766] in Figure 6a to [−0.43, 0.7727] and [2.14, 0.764] in Figure 6b, reflecting an overall downward compression trend in the fuzzy subset. This also suggests that, under the influence of water quality evaluation, the inference results for a single fuzzy set cannot achieve a 100% value. The peak of the quasi-Gaussian fuzzy set is sensitive to changes in data, so this adjustment makes the fuzzy inference system more sensitive to the original data, with a membership degree around 0.8.
Figure 6.
Feeding amount fuzzy sets before and after type increase: (a) before type increase; (b) after type increase.
Additionally, at the intersection point between each fuzzy subset, the vertices shift from [−1.28, 0.279], [0.83, 0.1776], and [1.71, 0.4516] in Figure 6a to [−1.28, 0.2879], [0.87, 0.2186], and [1.73, 0.4108] in Figure 6b. This indicates that incorporating the water quality evaluation parameter as a secondary variable in the membership function parameters results in an overall upward trend in the fuzzy subsets. Due to acceptable water quality, the area of the bottom region, which is less sensitive to data changes, increases, thereby elevating the centroid to a certain extent during the defuzzification of the inference results. The inference results are shown in Figure 7. The final adjusted feed amount was obtained through discrete defuzzification with Equation (7) and further calculations with Equations (24) and (25), as shown in Figure 7.
Figure 7.
Inference results of : (a) fuzzy inference output; (b) fuzzy inference result.
Thus, this model quantitatively reflects aquaculture farmers’ verbal descriptions regarding feed amounts: “This area is relatively large with fewer stocks; today, water quality seems good, so let’s reduce the feed amount slightly”.
3.2. Experimental Methods for the Control System and Analysis
3.2.1. Experimental Methods
The feeding bins of the UAVs were improved using the hardware modules listed in Table 1. The pellet feed with the specifications described in Table 2 was used for mass speed calibration. Finally, a mass speed of 0.3 kg/s was applied to test the designed control system.
The initial data of region , with a feeding amount of 30 kg and a total feeding route path length of 200 m, were adopted for testing. Other initial data included the UAV’s level flight speed at 2 m/s and the feeding speed at 0.3 kg/s, as shown in Table 8. A random disturbance of 10% (dynamic obstacle avoidance) and a periodic disturbance of 10% (flying speeds of the UAV in different regions) were applied to the flying speed. A variable-speed coupling precise feeding control system based on disturbance compensation was developed in Matlab’s Simulink, as shown in Figure 8. The simulation results with different time intervals (Tk) are presented in Figure 9, Figure 10, Figure 11 and Figure 12.
Table 8.
Set parameters.
Figure 8.
Simulation of the variable-speed coupling feeding control system based on compensation.
Figure 9.
Disturbance signals and variable-speed compensation feeding control of the UAV: (a) periodic disturbance; (b) random disturbance.
Figure 10.
Feeding speed under disturbance: (a) periodic disturbance; (b) random disturbance (with sampling interval of 5 s).
Figure 11.
Tracking of residual feeding amount: (a) periodic disturbance; (b) random disturbance.
Figure 12.
Tracking of residual feed amount (Tk = 1 s): (a) periodic disturbance; (b) random disturbance.
3.2.2. Results and Analysis
The variations in the UAV’s level flying speed, duty ratio tracking control performance, and feeding mass speed control performance under ±10% random and periodical disturbances are recorded in Figure 9a,b, respectively. The real-time adjustments in feeding mass speed under the two disturbances are recorded in Figure 10a,b, respectively. According to Figure 10, regardless of the disturbance, the feeding mass speed goes after the flying speed via the control of the duty ratio. Meanwhile, the 10% disturbance in flying speed (as shown in Figure 9) brought a 50% change in the feeding mass speed (as shown in Figure 10), which indicates that a change in the flying speed will lead to an excessive or insufficient feeding amount in some areas if the feeding mass speed is not set for compensation. Therefore, effective compensation is provided by the proposed variable-speed coupling precise feeding system. The feeding mass speed always varies according to the UAV’s level flying speed.
Figure 11 and Figure 12 present the dispensing speed compensation with a sampling interval of 5 s and 1 s, respectively. The black solid line represents the reduction in the remaining feed amount when feed is distributed at a constant speed without accounting for the disturbances in the UAV’s flight speed, while the blue dashed line shows the reduction in the remaining feed amount after compensating for disturbances in the UAV’s flight speed. According to Figure 11, the initial feed amount before the start of feeding was set as 30 kg, while after 50 s the feeding amount was approximately 15 kg. In Figure 11a, the real-time feeding speed and feed amount exhibit noticeable periodic fluctuations during 15–25 s and 40–50 s. Similarly, in Figure 10b, the real-time feed amount shows a significant decrease, while the feeding speed slows considerably during 5–25 s and 40–45 s. The phases of fluctuation in the feed amount were recorded, and the actual feed amounts are detailed in Table 9.
Table 9.
Variable-speed feed amount records (Tk = 5 s).
The following conclusions can be derived from Table 9:
(1) When the flight speed was periodically disturbed, the variable-speed feed amount also showed periodic fluctuations, and the trend was opposite to that of the UAV’s level flight speed (as shown in the data in columns 2–5 of Table 9). The feed amount was compensated for, and the design purpose was initially achieved. However, during 15–20 s, with constant-speed distribution, the system assumed that the UAV had flown 10 m and, thus, dispensed 1.5 kg of feed. Meanwhile, with variable-speed distribution, the UAV actually flew ~9 m and dispensed only 0.24 kg, resulting in a significant error.
(2) When the UAV’s level flight speed was randomly disturbed, the variable-speed distribution compensated for the feed amount in the opposite direction (as shown in the data in columns 6–9 of Table 9). Compensation was initially achieved. During 10–15 s, with constant-speed distribution, the system assumed that the UAV had flown 10 m and dispensed 1.5 kg of feed, whereas with variable-speed distribution, the UAV actually flew ~9 m and dispensed only 0.31 kg, resulting in a significant error.
One of the possible explanations for this discrepancy is the large sampling interval. Therefore, the sampling interval was updated to Tk = 1 s. The simulations were carried out again, and the results are presented in Figure 12 and Table 10.
Table 10.
Coupled-speed feed amount records (Tk = 1 s).
The following conclusions can be derived from Table 10:
(1) When the flight speed was periodically disturbed, the variable-speed distribution also exhibited obvious periodic fluctuations, similar to the trend in Table 9. With a reduced sampling period of 1 s, the feeding speed tracked the disturbances in the UAV’s level flight speed better.
(2) As shown in column 2 of Table 10, when the flight speed was periodically disturbed, with constant-speed distribution, the system assumed that the UAV had flown 2 m in 1 s and dispensed 0.3 kg of feed; with variable-speed distribution, the UAV actually flew ~2.2 m and dispensed 0.4 kg, essentially aligning with the expectation. As shown in column 2 of Table 10, the system assumed that the UAV had flown 6 m in 3 s and dispensed 0.9 kg of feed; with variable-speed distribution, the UAV’s flight speed decreased, and the actual distance covered by the UAV also declined, resulting in a reduced feeding amount, slightly below the expected value.
(3) As shown in columns 4–6 of Table 10, when the UAV’s flight speed was randomly disturbed, the feeding speed also significantly negatively compensated for the flight speed. Specifically, during 15–18 s and 22–25 s, due to the decrease in the UAV’s flight speed, the feeding amount decreased by 0.17 kg. Meanwhile, during 30–35 s, the feeding amount grew slightly because of the increase in flight speed.
4. Discussion
4.1. Feeding Amount Decision Solution
Feeding amount decision strategies using reasoning methods are widely accepted. A triangle FLC for feeding decision strategy was proposed [29], with several groups of experiments using water quality parameters as the inputs of the feeding amount decision model while the output was the weight of tilapia. However, on one hand, the water quality parameters in this paper were controlled separately without an overall evaluation; on the other hand, the tilapia were fed in several groups of tanks rather than in a wild environment such as sea farming, and the result would provide significant guidelines for recirculating aquaculture systems rather than marine or pond environments. A case-based combined with a rule-based reasoning method was adopted for fish feeding decision support systems [30]. As the feeding case suggestion was given after rule-based adjustment, the reasoning system would be established with sparse sets with a likelihood of reasoning failure.
Another precise feeding strategy was proposed in [31] taking the biomass of crabs in a natural pond as the input of the decision system, and the biomass was determined by the underwater machine vision method. However, the focus of the proposed method was the accuracy of crab identification for accurate biomass while the specific feeding amount decision method was not mentioned.
Compared to the two methods mentioned above, the results of the feeding amount decision solution quantified the farmers’ successful feeding experience rapidly and accurately, and the output data were understandable and acceptable to the farmers, facilitating the solution’s practical application. Additionally, with the use of quasi-Guassian fuzzy membership functions, the issue of reasoning failure would be compensated. Meanwhile, although this study simulated the farmers’ feeding amount decision rules based on historical records, the variables involved in the model did not include climate, water quality control behaviors, or feeding intervals which can be easily extended by adding input layers.
4.2. Coupling Feeding Speed Control Solution
Several research results were found related to the proposed research [32,33]. The research accomplished by Ye et al. [32] proposed an adaptive control of unmanned feeding vehicles through the adaptive opening degree control of feeding machines in cooperation with the moving speed of the vehicles. The design of a mechanical outlet structure of the feeding bin for uniform feeding was addressed, and the error of the opening degree control system proved to be less than 2.5%. However, on one hand, the moving speed of the vehicle was set for each group of experiments, while the disturbance on moving speed was not taken into account; on the other hand, further validation was required for the real-time relationship between opening degree and feeding amount. As observed, sometimes the unloading of pellet feed or another shape of feed was not as uniform as considered. For the proposed method in this research, the real-time feeding amount was calculated by mass velocity and validated by the remaining pellet feed in the feeding bin; the discussion of the turbulence of moving speed was also accomplished and addressed. In [33], however, the research focus was the fuzzy-PID control system parameter tuning, control system performance analysis, and the accuracy analysis of positioning systems, which would spark further interest in this research.
Under the current hardware design and from the experimental data, it is estimated that 150 kg of feed can be distributed in approximately 10 min, which is perceived to have great potential in aquaculture applications. On the whole, the designed control system effectively tracked and compensated for disturbances in the UAV’s flight speed. A smaller input from this control system (i.e., the change in level flight speed), represented by the sampling interval Tk, resulted in more accurate tracking and compensation. However, if Tk were to become too small, it could lead to the frequent operation of the feeding motor of the feeding bin, potentially shortening its lifespan.
5. Conclusions
Process control in ecological aquaculture is always considered as a complex decision-making system with numerous input parameters and modeling challenges. However, replacing manual labor with unmanned equipment and applying automation control technology in the aquaculture process, particularly in the feeding process, has been shown to significantly reduce the bait coefficient, decrease environmental pollution, conserve bait, etc. This study introduces an innovative type-2 quasi-Gaussian fuzzy decision system with a hierarchical structure for regional precise feeding decisions. By utilizing fuzzy outputs from water quality evaluation as a secondary variable to affect the shape of the fuzzy subset of variables, the type-1 fuzzy system is transformed into a type-2 fuzzy system. This approach reduces the computational load of fuzzy inference and enables rapid online decision-making. The simulation results demonstrate that this system can determine the feeding amount quickly and accurately. Additionally, a hardware and control scheme capable of variable-speed coupling precise feeding based on error compensation was designed and simulated using Matlab. This study utilized data from Chinese mitten crabs as a case study, due to their behaviors of burrowing, nocturnal activity, and awareness of territorial disputes, preventing intelligent technologies from monitoring them above or under water. Meanwhile, the strong scalability and transferability of the designed HFS enable its application to multiple aquaculture species in near-shore environments where monitoring feeding behavior is challenging. This application of the proposed approach is expected to reduce the wastage of bait, decrease pollution levels, and enhance sustainability in marine aquaculture.
Although this study conducted extensive research on precise feeding amount decision models and feeding speed control in compensation, further research could consider the following aspects:
(1) Water quality evaluation:
In this study, water quality evaluation was directly employed as an output of another HFS module for the type increase in the designed HFS. The water quality evaluation was derived from many indicators, such as dissolved oxygen, pH values, ammonia nitrogen levels, temperature, and water depth. These indicators are all spatiotemporally distributed, with certain coupling natures. Furthermore, these parameters are also known to be influenced by climate data. Thus, further research should be conducted in related areas to obtain accurate water quality assessment results and investigate the correlation between fluctuations in multiple water quality indicators and feeding behaviors, with a view to developing a more precise water quality assessment model.
(2) Feeding effect evaluation:
In this study, in the actual application of feeding decision results in aquaculture ponds, the feedback on feeding amounts still relied on feeding platforms, which introduced significant delays. Given the numerous factors affecting feed distribution, the precise control of variables is challenging in practical operations. Therefore, the comparison of feeding amounts within a short timespan is insufficient to prove the feeding effect. Future research should involve analyzing data across an entire growth cycle and comparing them with historical data to evaluate the effectiveness of feed distribution. Further studies could also investigate the relationship between feeding behaviors and the growth states of aquatic objects for more precise assessments of feeding efficacy.
Author Contributions
Conceptualization, Y.W.; Methodology, Y.W., S.G., C.M. and M.X.; Software, Y.Z. and F.M.; Validation, F.M. and X.T.; Formal analysis, Y.Z. and X.T.; Data curation, Y.Z.; Writing – original draft, Y.W. and S.G.; Writing – review & editing, X.T., C.M. and M.X.; Supervision, M.X. All authors have read and agreed to the published version of the manuscript.
Funding
This work was supported by the Agricultural Independent Innovation Funding of Jiangsu Province (Grant No. CX(22)3107) and the Research Funding of Jinling Institute of Technology (No. jit-b-202029).
Institutional Review Board Statement
Not applicable.
Informed Consent Statement
Not applicable.
Data Availability Statement
Data is contained in this article.
Conflicts of Interest
The authors declare no conflict of interest.
References
- Ye, Y.; Link, J.M. A composite fishing index to support the monitoring and sustainable management of world fisheries. Sci. Rep. 2023, 13, 10571. [Google Scholar] [CrossRef] [PubMed]
- Ministry of Agriculture and Rural Affairs of the People’s Republic of China. 2023 National Fisheries Economic Statistical Bulletin. Available online: http://www.yyj.moa.gov.cn/gzdt/202407/t20240705_6458486.htm (accessed on 4 August 2024).
- Huang, S.; Cao, Y.; Liu, J.; Zhang, M.; Ma, F.; Wang, Y. Survey Report on the Current Application of Drone Technology in the Cultivation of Chinese Mitten Crabs in Jiangsu Province. J. Smart Agric. 2024, 4, 29–32. [Google Scholar]
- Skøien, R.K.; Alver, O.M.; Zolich, P.A.; Alfredsen, J.A. Feed spreaders in sea cage aquaculture—Motion characterization and measurement of spatial pellet distribution using an unmanned aerial vehicle. Comput. Electron. Agric. 2016, 129, 27–36. [Google Scholar] [CrossRef]
- Zhao, S.; Ding, W. Research Progress on Key Technology of Precision Feeding in Aquaculture. J. Intell. Agric. Mech. 2023, 4, 42–53. [Google Scholar]
- Sui, J.; Tian, Y.; Li, Z.; Zhu, Z. Research Progress on Intelligent Feeding Technology Based on Fish Feeding Behavior. J. Tianjin Agric. Coll. 2022, 29, 63–68. [Google Scholar]
- Shen, W.; Cui, H.; Xu, Y. Research Progress on Intelligent Feeding System Based on Environmental Information and Fish Behaviors. New Technol. New Prod. China 2021, 22, 33–35. [Google Scholar] [CrossRef]
- Wang, X. Study on the Variation Patterns and Characteristics of the Feeding Acoustic Signals of Whiteleg Shrimps (Litopenaeus Vannamei); Shanghai Ocean University: Shanghai, China, 2023. [Google Scholar]
- Huang, K. Research and Implementation of Measurement Methods for Underwater Dynamic Fish Body Sizes Based on Machine Vision; Zhejiang University: Hangzhou, China, 2021. [Google Scholar]
- Wang, W.; Xu, J.; Lv, Z.; Xin, N. Quality Estimation of Underwater Flatfish Using Machine Vision. Trans. Chin. Soc. Agric. Eng. 2012, 28, 153–157. [Google Scholar]
- Balaban, M.O.; Chombeau, M.; Cirban, D.; Gümüş, B. Prediction of the weight of Alaskan Pollock using image analysis. J. Food Sci. 2010, 75, E552–E556. [Google Scholar] [CrossRef]
- Zhao, S.; Zhao, S.; Guo, Z.; Gu, J.; Ding, C.; Liu, Q.; Ding, W. Development of the Precise Feeding System for Pond Culture. Trans. Chin. Soc. Agric. Eng. 2023, 39, 27–34. [Google Scholar]
- Wu, Y.; Xu, H.; Wu, X.; Wang, H.; Zhai, Z. Identification of Fish Hunger Degree with Deformable Attention Transformer. J. Mar. Sci. Eng. 2024, 12, 726. [Google Scholar] [CrossRef]
- Chen, L.; Du, Z.; Hu, Q.; Huang, C.; Li, J. Design and Experiment on Crab Ecological Culture System Using Internal Circulation and Self-Purification in a Pond. Trans. Chin. Soc. Agric. Eng. 2021, 37, 227–234. [Google Scholar]
- Yang, S.; Zhu, S.; Zhang, D.; Pan, Z.; Li, J.; Wu, X.; Zheng, S. Effects of Two Feeding Modes on the Culture Performance and Physiological Metabolism of Juvenile Chinese Mitten Crabs (Eriocheir sinensis) Reared in Rice Fields. Prog. Fish. Sci. 2023, 44, 188–200. [Google Scholar]
- Wu, Y.; Duan, Y.; Wei, Y.; An, D.; Liu, J. Application of intelligent and unmanned equipment in aquaculture: A review. Comput. Electron. Agric. 2022, 199, 107201. [Google Scholar] [CrossRef]
- Liu, H.; Chen, J.; Xiang, Y.; Geng, H.; Yang, X.; Yang, N.; Du, R.; Wang, Y.; Zhang, Z.; Shi, L.; et al. Improving UAV hyperspectral monitoring accuracy of summer maize soil moisture content with an ensemble learning model fusing crop physiological spectral responses. Eur. J. Agron. 2024, 160, 127299. [Google Scholar] [CrossRef]
- Feng, J.; Sun, Y.; Zhang, K.; Zhao, Y.; Ren, Y.; Chen, Y.; Zhuang, H.; Chen, S. Autonomous Detection of Spodoptera frugiperda by Feeding Symptoms Directly from UAV RGB Imagery. Appl. Sci. 2022, 12, 2592. [Google Scholar] [CrossRef]
- Chiaki, Y.; Kotaro, I.; Nobuaki, A.; Tanaka, K.; Nishiyama, T.; Kittiwattanawong, K. Deep neural networks based automated extraction of dugong feeding trails from UAV images in the intertidal seagrass beds. PLoS ONE 2021, 16, e0255586. [Google Scholar]
- Nurdin, N.; Alevizos, E.; Syamsuddin, R.; Asis, H.; Zainuddin, E.N.; Aris, A.; Oiry, S.; Brunier, G.; Komatsu, T.; Barillé, L. Precision Aquaculture Drone Mapping of the Spatial Distribution of Kappaphycus alvareziiBiomass and Carrageenan. Remote Sens. 2023, 15, 3674. [Google Scholar] [CrossRef]
- Zadeh, L.A. Fuzzy Sets. Inf. Control. 1965, 8, 338–353. [Google Scholar] [CrossRef]
- Mendel, M.J. Type-2 Fuzzy Sets and Systems: An Overview. IEEE Comput. Intell. Mag. 2007, 2, 20–29. [Google Scholar] [CrossRef]
- Atanassov, T.K. Two theorems for intuitionistic fuzzy sets. Fuzzy Sets Syst. 2000, 110, 267–269. [Google Scholar] [CrossRef]
- Chen, S. The Application of Big Data and Fuzzy Decision Support Systems in the Innovation of Personalized Music Teaching in Universities. Int. J. Comput. Intell. Syst. 2024, 17, 215. [Google Scholar] [CrossRef]
- Wang, Y.; Yang, Z. Modelling and Control of Dynamic Spatially Distributed Systems, 1st ed.; Elsevier Inc.: Maryland Heights, MO, USA, 2024; pp. 114–136. [Google Scholar]
- Raju, G.; Zhou, J.; Kisner, R.A. Hierarchical fuzzy control. Int. J. Control 1991, 54, 1201–1216. [Google Scholar] [CrossRef]
- Raju, G.; Zhou, J. Adaptive hierarchical fuzzy controller. IEEE Trans. Syst. Man Cybemetics 1993, 23, 973–980. [Google Scholar] [CrossRef]
- Qiu, Z.; Li, L. Fuzzy set based on D. C. membership functions and its applications (II) Universal approximation of D.C. membership function fuzzy sets. Fuzzy Syst. Math. 2006, 20, 50–60. [Google Scholar]
- Genaro, M.; Enrique, R.; Rosalia, O.; Guevara-González, R.G.; Herrera-Ruiz, G. Fuzzy-logic-based feeder system for intensive tilapia production (Oreochromis niloticus). Aquac. Int. 2010, 18, 379–391. [Google Scholar]
- Zhang, M.; Xue, H.; Wang, L.; Li, D. A Decision Support System for Fish Feeding Based on Hybrid Reasoning. In Proceedings of the 6th Computer and Computing Technologies in Agriculture (CCTA), Zhangjiajie, China, 19–21 October 2012; pp. 19–26. [Google Scholar]
- Cao, S.; Zhao, D.; Sun, Y.; Liu, X.; Ruan, C. Automatic coarse-to-fine joint detection and segmentation of underwater non-structural live crabs for precise feeding. Comput. Electron. Agric. 2021, 180, 105905. [Google Scholar] [CrossRef]
- Ye, J.; Zhang, L.; Wu, D.; Liu, S.; Lu, X.; Wang, P. Design and implementation of self-adaptive speed feeding system on boat in shrimp pond feeding. Fish. Mod. 2021, 48, 9–16. [Google Scholar]
- Ruan, C.; Zhao, D.; Sun, Y.; Hong, J.; Ding, S.; Luo, J. Design and testing of a control system associated with the automatic feeding boat for farming Chinese river crabs. Comput. Electron. Agric. 2018, 150, 14–25. [Google Scholar] [CrossRef]
Disclaimer/Publisher’s Note: The statements, opinions and data contained in all publications are solely those of the individual author(s) and contributor(s) and not of MDPI and/or the editor(s). MDPI and/or the editor(s) disclaim responsibility for any injury to people or property resulting from any ideas, methods, instructions or products referred to in the content. |
© 2024 by the authors. Licensee MDPI, Basel, Switzerland. This article is an open access article distributed under the terms and conditions of the Creative Commons Attribution (CC BY) license (https://creativecommons.org/licenses/by/4.0/).











