Modeling a Zero-Emissions Hydrogen-Powered Catamaran Ferry Using AVL Cruise-M Software
Abstract
1. Introduction
2. Case Study
3. Simulation Model
3.1. Hull and Propeller Subsystem
3.2. Electric Motor Subsystem
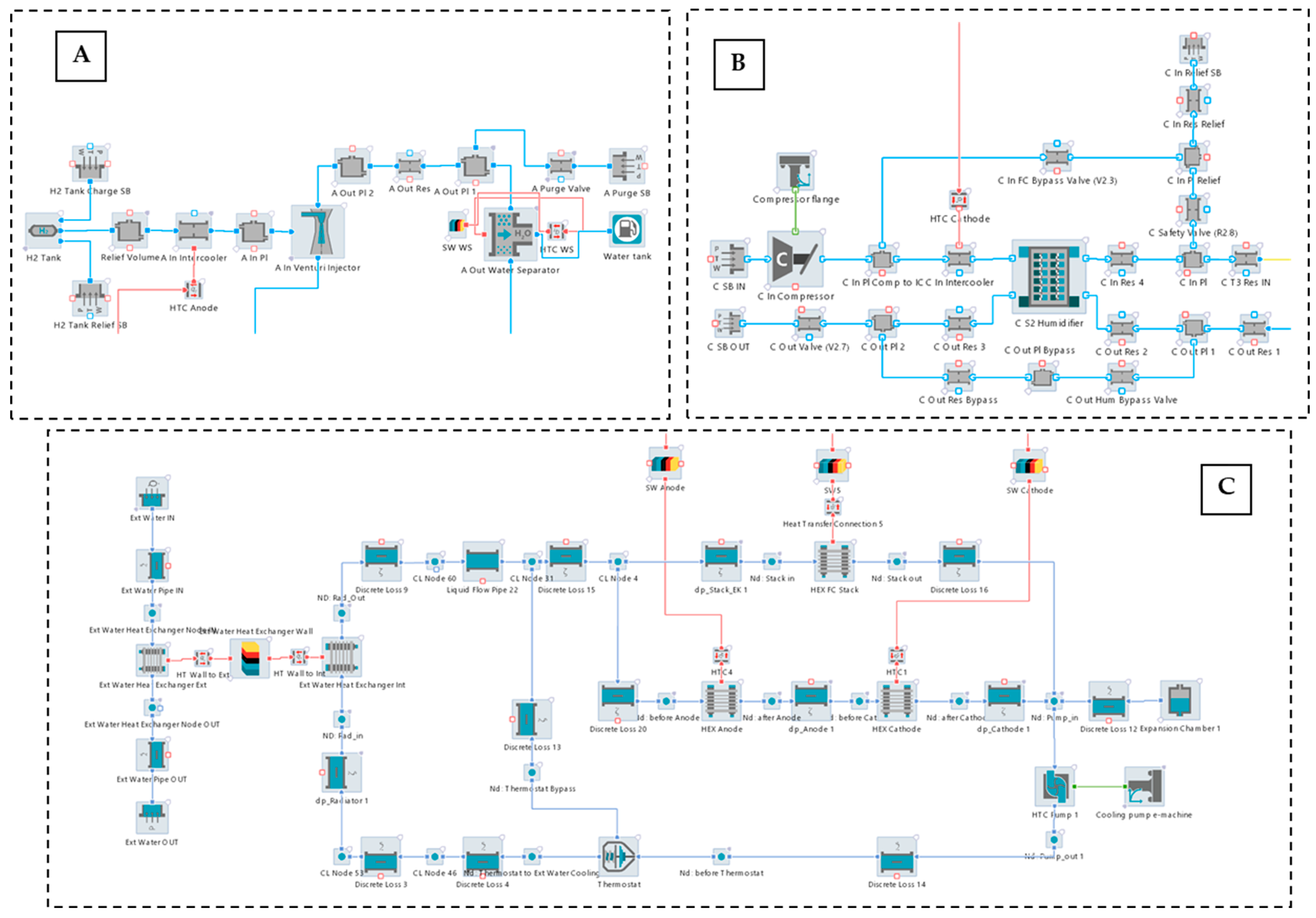
3.3. Fuel Cell Subsystem
3.4. Battery Subsystem
3.5. Operating Routing Profile and Experimental Validation
4. Results
5. Conclusions
Author Contributions
Funding
Institutional Review Board Statement
Informed Consent Statement
Data Availability Statement
Conflicts of Interest
References
- McCarthy, J.E. Air Pollution and Greenhouse Gas Emissions from Ships. Available online: https://www.researchgate.net/publication/292369655_Air_pollution_and_greenhouse_gas_emissions_from_ships (accessed on 18 March 2024).
- Huang, D.; Wang, Y.; Yin, C. Selection of CO2 Emission Reduction Measures Affecting the Maximum Annual Income of a Container Ship. J. Mar. Sci. Eng. 2023, 11, 534. [Google Scholar] [CrossRef]
- Tarhan, C.; Çil, M.A. A Study on Hydrogen, the Clean Energy of the Future: Hydrogen Storage Methods. J. Energy Storage 2021, 40, 102676–102686. [Google Scholar] [CrossRef]
- DNV Ammonia as a Marine Fuel. Available online: https://www.dnv.com/publications/ammonia-as-a-marine-fuel-191385/ (accessed on 18 March 2024).
- American Bureau of Shipping (ABS). Sustainability-Methanol-as-Marine-Fuel; ABS: Spring, TX, USA, 2021; pp. 1–24. [Google Scholar]
- Ahbabi Saray, J.; Gharehghani, A.; Hosseinzadeh, D. Towards Sustainable Energy Carriers: A Solar and Wind-Based Systems for Green Liquid Hydrogen and Ammonia Production. Energy Convers. Manag. 2024, 304, 118215. [Google Scholar] [CrossRef]
- Inal, O.B.; Zincir, B.; Deniz, C. Investigation on the Decarbonization of Shipping: An Approach to Hydrogen and Ammonia. Int. J. Hydrogen Energy 2022, 47, 19888–19900. [Google Scholar] [CrossRef]
- Kumar Singla, M.; Nijhawan, P.; Singh Oberoi, A. Hydrogen Fuel and Fuel Cell Technology for Cleaner Future: A Review. Environ. Sci. Pollut. Res. Int. 2021, 28, 15607–15626. [Google Scholar] [CrossRef]
- van Biert, L.; Godjevac, M.; Visser, K.; Aravind, P.V. A Review of Fuel Cell Systems for Maritime Applications. J. Power Sources 2016, 327, 345–364. [Google Scholar] [CrossRef]
- Bosu, S.; Rajamohan, N. Recent Advancements in Hydrogen Storage–Comparative Review on Methods, Operating Conditions and Challenges. Int. J. Hydrogen Energy 2023, 52, 352–370. [Google Scholar] [CrossRef]
- Lai, Q.; Paskevicius, M.; Sheppard, D.A.; Buckley, C.E.; Thornton, A.W.; Hill, M.R.; Gu, Q.; Mao, J.; Huang, Z.; Hua, L.; et al. Hydrogen Storage Materials for Mobile and Stationary Applications:Current State of the Art. ChemSusChem 2015, 8, 2789–2825. [Google Scholar] [CrossRef]
- Shin, H.K.; Ha, S.K. A Review on the Cost Analysis of Hydrogen Gas Storage Tanks for Fuel Cell Vehicles. Energies 2023, 16, 5233. [Google Scholar] [CrossRef]
- International Maritime Organization (IMO) IGF Code. Available online: https://www.imo.org/en/ourwork/safety/pages/igf-code.aspx (accessed on 13 March 2024).
- Dolci, F.; Jordan, T.; Keller, J.; e Moretto, P. Research Priority Workshop on Hydrogen Safety. Publications Office of the European Union: Luxembourg, 2018. [Google Scholar] [CrossRef]
- Ma, S.; Lin, M.; Lin, T.E.; Lan, T.; Liao, X.; Maréchal, F.; Van herle, J.; Yang, Y.; Dong, C.; Wang, L. Fuel Cell-Battery Hybrid Systems for Mobility and off-Grid Applications: A Review. Renew. Sustain. Energy Rev. 2021, 135, 110119. [Google Scholar] [CrossRef]
- Samsun, R.C.; Krupp, C.; Baltzer, S.; Gnörich, B.; Peters, R.; Stolten, D. A Battery-Fuel Cell Hybrid Auxiliary Power Unit for Trucks: Analysis of Direct and Indirect Hybrid Configurations. Energy Convers. Manag. 2016, 127, 312–323. [Google Scholar] [CrossRef]
- Ferrari, M.L.; Traverso, A.; Massardo, A.F. Smart Polygeneration Grids: Experimental Performance Curves of Different Prime Movers. Appl. Energy 2016, 162, 622–630. [Google Scholar] [CrossRef]
- Xing, H.; Stuart, C.; Spence, S.; Chen, H. Fuel Cell Power Systems for Maritime Applications: Progress and Perspectives. Sustainability 2021, 13, 1213. [Google Scholar] [CrossRef]
- McConnell, V.P. Now, Voyager? The Increasing Marine Use of Fuel Cells. Fuel Cells Bulletin 2010, 2010, 12–17. [Google Scholar] [CrossRef]
- Sattler, G. Fuel Cells Going On-Board. J. Power Sources 2000, 86, 61–67. [Google Scholar] [CrossRef]
- Tronstad, T.; Åstrand, H.H.; Haugom, G.P.; Langfeldt, L. Study on the Use of Fuel Cells in Shipping; EMSA European Maritime Safety Agency: Oslo, Norway, 2017.
- Ahn, J.; Noh, Y.; Joung, T.; Lim, Y.; Kim, J.; Seo, Y.; Chang, D. Safety Integrity Level (SIL) Determination for a Maritime Fuel Cell System as Electric Propulsion in Accordance with IEC 61511. Int. J. Hydrogen Energy 2019, 44, 3185–3194. [Google Scholar] [CrossRef]
- Ahn, J.; Noh, Y.; Park, S.H.; Choi, B.I.; Chang, D. Fuzzy-Based Failure Mode and Effect Analysis (FMEA) of a Hybrid Molten Carbonate Fuel Cell (MCFC) and Gas Turbine System for Marine Propulsion. J. Power Sources 2017, 364, 226–233. [Google Scholar] [CrossRef]
- Jeon, H.; Park, K.; Kim, J. Comparison and Verification of Reliability Assessment Techniques for Fuel Cell-Based Hybrid Power System for Ships. J. Mar. Sci. Eng. 2020, 8, 74. [Google Scholar] [CrossRef]
- Choi, C.H.; Yu, S.; Han, I.S.; Kho, B.K.; Kang, D.G.; Lee, H.Y.; Seo, M.S.; Kong, J.W.; Kim, G.; Ahn, J.W.; et al. Development and Demonstration of PEM Fuel-Cell-Battery Hybrid System for Propulsion of Tourist Boat. Int. J. Hydrogen Energy 2016, 41, 3591–3599. [Google Scholar] [CrossRef]
- Leo, T.J.; Durango, J.A.; Navarro, E. Exergy Analysis of PEM Fuel Cells for Marine Applications. Energy 2010, 35, 1164–1171. [Google Scholar] [CrossRef]
- Sasank, B.V.; Rajalakshmi, N.; Dhathathreyan, K.S. Performance Analysis of Polymer Electrolyte Membrane (PEM) Fuel Cell Stack Operated under Marine Environmental Conditions. J. Mar. Sci. Technol. 2016, 21, 471–478. [Google Scholar] [CrossRef]
- Wang, Z.; Dong, B.; Yin, J.; Li, M.; Ji, Y.; Han, F. Towards a marine green power system architecture: Integrating hydrogen and ammonia as zero-carbon fuels for sustainable shipping. Int. J. Hydrogen Energy 2024, 50, 1069–1087. [Google Scholar] [CrossRef]
- Jeong, J.; Seo, S.; You, H.; Chang, D. Comparative Analysis of a Hybrid Propulsion Using LNG-LH2 Complying with Regulations on Emissions. Int. J. Hydrogen Energy 2018, 43, 3809–3821. [Google Scholar] [CrossRef]
- MSC.1/Circ. 1455; Guidelines for the Approval of Alternatives and Equivalents as Provided for in Various Imo Instruments. IMO: London, UK, 2013.
- MSC.1/Circ. 1647; Annex Interim Guidelines for the Safety of Ships Using Fuel Cell Power Installations. IMO: London, UK, 2022.
- Coppola, T.; De Luca, F.; Gambardella, S.; Mancini, S.; Micoli, L.; Pensa, C.; Sorrentino, V. Feasibility Study of a Zero-Emission Passenger Catamaran Ferry Operating in Italian Coastal Island. In Proceedings of the Progress in Marine Science and Technology, Naples, Italy, 23–25 October 2023; Volume 7, pp. 172–180. [Google Scholar]
- Ballard Ballard. Available online: https://www.ballard.com/ (accessed on 29 January 2024).
- Yuan, X.Z.; Wang, H. PEM Fuel Cell Electrocatalysts and Catalyst Layers; Zhang, J.J., Ed.; Springer: London, UK, 2008. [Google Scholar]
- Truong, H.V.A.; Dao, H.V.; Do, T.C.; Ho, C.M.; To, X.D.; Dang, T.D.; Ahn, K.K. Mapping Fuzzy Energy Management Strategy for PEM Fuel Cell–Battery–Supercapacitor Hybrid Excavator. Energies 2020, 13, 3387. [Google Scholar] [CrossRef]
- Zhang, R.; Xia, B.; Li, B.; Cao, L.; Lai, Y.; Zheng, W.; Wang, H.; Wang, W.; Wang, M. A Study on the Open Circuit Voltage and State of Charge Characterization of High Capacity Lithium-Ion Battery Under Different Temperature. Energies 2018, 11, 2408. [Google Scholar] [CrossRef]
- AVL. Available online: https://www.avl.com/en (accessed on 29 January 2024).
- Fang, S.; Liu, Z.; Wang, X.; Cao, Y.; Yang, Z. Dynamic Analysis of Emergency Evacuation in a Rolling Passenger Ship Using a Two-Layer Social Force Model. Expert Syst. Appl. 2024, 247, 123310. [Google Scholar] [CrossRef]
- Miranda, S. Architettura Navale. Available online: http://www.liguori.it/schedanew.asp?isbn=5255 (accessed on 30 March 2024).
- Holtrop, J.; Mennen, G.G.J. An Approximate Power Prediction Method; International Shipbuilding Progress: Amsterdam, The Netherlands, 1982; pp. 166–170. [Google Scholar]
- Sorrentino, V.; Altosole, M.; De Luca, F.; Micoli, L.; Mocerino, L.; Russo, R. Preliminary Modeling of a Ferry Methanol Fuel Cell Power Plant by Using AVL Cruise M Software. In Proceedings of the Developments in Maritime Technology and Engineering−Proceedings of the 7th International Conference on Maritime Technology and Engineering, MARTECH 2024; Soares, C.G., Santos, T.A., Eds.; CRC Press/Balkema: Lisbon, Portugal, 2024. [Google Scholar]
- Salek, F.; Abouelkhair, E.; Babaie, M.; Cunliffe, F.; Nock, W. Multi-Objective Optimization of the Fuel Cell Hybrid Electric Powertrain for a Class 8 Heavy-Duty Truck; SAE International: Warrendale, PA, USA, 2023. [Google Scholar] [CrossRef]
- Liu, M.; Li, Y.; Xu, L.; Wang, Y.; Zhao, J. General Modeling and Energy Management Optimization for the Fuel Cell Electric Tractor with Mechanical Shunt Type. Comput. Electron. Agric. 2023, 213, 108178. [Google Scholar] [CrossRef]
- Wancura, H.; Kühberger, G.; Schutting, E. Concept Evaluation of a P2 MHEV SUV: Application for Possible EU7 Boundaries. Automot. Engine Technol. 2023, 8, 1–16. [Google Scholar] [CrossRef]








| Specification | Unit | Value |
|---|---|---|
| LOA | m | 30 |
| BOA | m | 10 |
| LWL | m | 29.60 |
| B | m | 10 |
| T | m | 1.41 |
| D | m | 3.90 |
| LCG | m | 12.63 |
| VCG | m | 3.94 |
| Displacement | t | 125 |
| Cruise speed | kn | 20 |
| Propulsion load | kW | 1550 |
| Hotel load | kW | 30 |
| Specification | Unit | Value |
|---|---|---|
| Hull | A 57 NDSS | |
| LWL | m | 24.79 |
| BWL | m | 4.52 |
| T | m | 141 |
| Displacement | t | 57 |
| Specification | Unit | Value |
|---|---|---|
| Speed | kn | 20 |
| Total resistance | kN | 74 |
| Effective power | kW | 761 |
| 1 − t | - | 0.985 |
| 1 − w | - | 0.965 |
| ηH | - | 1.021 |
| η0 | - | 0.68 |
| ηR | - | 1.00 |
| Delivered power per axle | kW | 545 |
| Specification | Unit | Value |
|---|---|---|
| Rated power | kW | 200 |
| Min. power | kW | 55 |
| Peak efficiency | % | 60 |
| Operating temperature | °C | 80 |
| Operating voltage | V | 350–720 DC |
| Weight | kg | 1000 |
| Dimensions | mm | 1209 × 747 × 2195 |
Disclaimer/Publisher’s Note: The statements, opinions and data contained in all publications are solely those of the individual author(s) and contributor(s) and not of MDPI and/or the editor(s). MDPI and/or the editor(s) disclaim responsibility for any injury to people or property resulting from any ideas, methods, instructions or products referred to in the content. |
© 2024 by the authors. Licensee MDPI, Basel, Switzerland. This article is an open access article distributed under the terms and conditions of the Creative Commons Attribution (CC BY) license (https://creativecommons.org/licenses/by/4.0/).
Share and Cite
Micoli, L.; Coppola, T.; Russo, R.; Sorrentino, V. Modeling a Zero-Emissions Hydrogen-Powered Catamaran Ferry Using AVL Cruise-M Software. J. Mar. Sci. Eng. 2024, 12, 770. https://doi.org/10.3390/jmse12050770
Micoli L, Coppola T, Russo R, Sorrentino V. Modeling a Zero-Emissions Hydrogen-Powered Catamaran Ferry Using AVL Cruise-M Software. Journal of Marine Science and Engineering. 2024; 12(5):770. https://doi.org/10.3390/jmse12050770
Chicago/Turabian StyleMicoli, Luca, Tommaso Coppola, Roberta Russo, and Vincenzo Sorrentino. 2024. "Modeling a Zero-Emissions Hydrogen-Powered Catamaran Ferry Using AVL Cruise-M Software" Journal of Marine Science and Engineering 12, no. 5: 770. https://doi.org/10.3390/jmse12050770
APA StyleMicoli, L., Coppola, T., Russo, R., & Sorrentino, V. (2024). Modeling a Zero-Emissions Hydrogen-Powered Catamaran Ferry Using AVL Cruise-M Software. Journal of Marine Science and Engineering, 12(5), 770. https://doi.org/10.3390/jmse12050770

