Packet Switching Strategy and Node Architecture of Extended Spectral-Amplitude-Coding Labels in GMPLS Networks
Abstract
:1. Introduction
2. Processes of Constructing Extended SAC Labels
3. Packet Switching Strategy and Label Distribution Scenario of Extended SAC Labels
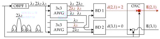
4. Node Architecture of Extended SAC Label Generation and Recognition
5. Performance Analysis and Discussion
6. Conclusions
Funding
Conflicts of Interest
References
- Kanj, M.; Rouzic, E.L.; Meuric, J.; Cousin, B.; Amar, D. Optical power control in GMPLS control plane. IEEE/OSA J. Opt. Commun. Netw. 2016, 8, 553–568. [Google Scholar] [CrossRef]
- Farghal, A.E.; Shalaby, H.M.H.; Kawasaki, Z. Multirate multiservice all-optical code switched GMPLS core network utilizing multicode variable-weight optical code-division multiplexing. IEEE/OSA J. Opt. Commun. Netw. 2014, 6, 670–683. [Google Scholar] [CrossRef]
- Huang, S.; Baba, K.; Murata, M.; Kitayama, K. Architecture design and performance evaluation of multi-granularity optical networks based on optical code division multiplexing. IEEE/OSA J. Opt. Commun. Netw. 2016, 5, 1028–1042. [Google Scholar] [CrossRef]
- Segawa, T.; Ibrahim, S.; Nakahara, T.; Muranaka, Y.; Takahashi, R. Low-power optical packet switching for 100-Gb/s burst optical packets with a label processor and 8 × 8 optical switch. IEEE/OSA J. Lightwave Technol. 2016, 34, 1844–1850. [Google Scholar] [CrossRef]
- Zhao, Z.; Wu, B.; Li, B.; Xiao, J.; Fu, S.; Liu, D. Multihop routing enabled packet switching with QoS guarantee in optical clos for data centers. IEEE/OSA J. Opt. Commun. Netw. 2018, 10, 624–632. [Google Scholar] [CrossRef]
- Lopez, V.; Hernandez, J.A.; De Dios, O.G.; Palacios, J.F.; Aracil, J. Multilayer traffic engineering for IP over WDM networks based on Bayesian decision theory. IEEE/OSA J. Opt. Commun. Netw. 2010, 2, 515–529. [Google Scholar] [CrossRef]
- Beyranvand, H.; Salehi, J.A. All-optical multiservice path switching in optical code switched GMPLS core networks. IEEE/OSA J. Lightwave Technol. 2009, 27, 2001–2012. [Google Scholar] [CrossRef]
- M’Sallem, Y.B.; Seddighian, P.; Rusch, L.A.; LaRochelle, S. Optical packet switching via FWM processing of time-stacked weight-2 codes. IEEE Photonics Technol. Lett. 2008, 20, 1712–1714. [Google Scholar] [CrossRef]
- Farnoud, F.; Ibrahimi, M.; Salehi, J.A. A packet-based photonic label switching router for a multirate all-optical CDMA-based GMPLS switch. IEEE J. Sel. Top. Quantum Electron. 2007, 13, 1522–1530. [Google Scholar] [CrossRef]
- Rosas-Ferna’ndez, J.B.; Ayotte, S.; Rusch, L.A.; LaRochelle, S. Ultrafast forwarding architecture using a single optical processor for multiple SAC-label recognition based on FWM. IEEE J. Sel. Top. Quantum Electron. 2008, 14, 868–878. [Google Scholar] [CrossRef]
- Chen, K.S. Label stacking scenarios in hybrid wavelength and code-switched GMPLS networks. Electronics 2018, 7, 251. [Google Scholar] [CrossRef]
- Seddighian, P.; Ayotte, S.; Rosas-Fernandez, J.B.; Penon, J.; Rusch, L.A.; LaRochelle, S. Label stacking in photonic packet-switched networks with spectral amplitude code labels. IEEE/OSA J. Lightwave Technol. 2007, 25, 463–471. [Google Scholar] [CrossRef]
- Chen, K.S. Advancing high-speed transmissions over OCDMA networks by employing an intelligently structured receiver for noise mitigation. Appl. Sci. 2018, 8, 2408. [Google Scholar] [CrossRef]
- Shalaby, H.M.H. Performance analysis of SAC-OCDMA systems adopting overlapping PPM schemes. IEEE/OSA J. Lightwave Technol. 2013, 31, 1856–1866. [Google Scholar] [CrossRef]
- Yang, C.C. Optical CDMA passive optical network using prime code with interference elimination. IEEE Photonics Technol. Lett. 2007, 19, 516–518. [Google Scholar] [CrossRef]
- Chen, K.S.; Yang, C.C.; Huang, J.F. Using stuffed quadratic congruence codes for SAC labels in optical packet switching network. IEEE Commun. Lett. 2015, 19, 1093–1096. [Google Scholar] [CrossRef]
- Yang, C.C. Hybrid wavelength-division-multiplexing/spectral-amplitude-coding optical CDMA system. IEEE Photonics Technol. Lett. 2005, 17, 1343–1345. [Google Scholar] [CrossRef]
- Cheng, H.C.; Wu, C.H.; Yang, C.C.; Chang, Y.T. Wavelength division multiplexing/spectral amplitude coding applications in fiber vibration sensor systems. IEEE Sens. J. 2011, 11, 2518–2526. [Google Scholar] [CrossRef]
- Khattab, T.; Alnuweiri, H. Optical CDMA for all-optical sub-wavelength switching in core GMPLS networks. IEEE J. Sel. Areas Commun. 2007, 5, 905–921. [Google Scholar] [CrossRef]
- Yang, C.C.; Huang, J.F.; Tseng, S.P. Optical CDMA network codecs structured with M-sequence codes over waveguide-grating routers. IEEE Photonics Technol. Lett. 2004, 16, 641–643. [Google Scholar] [CrossRef]
- Horn, R.A.; Johnson, C.R. Matrix Analysis, 2nd ed.; Cambridge University Press: Cambridge, UK, 2012. [Google Scholar]
- Wei, Z.; Shalaby, H.M.H.; Ghafouri-Shiraz, H. Modified quadratic congruence codes for fiber bragg-grating-based spectral-amplitude-coding optical CDMA systems. IEEE/OSA J. Lightwave Technol. 2001, 19, 1274–1281. [Google Scholar]












| j | i | E(i, j) | ||
|---|---|---|---|---|
| 1 | 1 | 110 | 000 | 000 |
| 2 | 101 | 000 | 000 | |
| 3 | 011 | 000 | 000 | |
| 2 | 1 | 000 | 110 | 000 |
| 2 | 000 | 101 | 000 | |
| 3 | 000 | 011 | 000 | |
| 3 | 1 | 000 | 000 | 110 |
| 2 | 000 | 000 | 101 | |
| 3 | 000 | 000 | 011 | |
| Code Length | Number of Available Label Lengths | |
|---|---|---|
| MLS Code | Extended SAC Label | |
| <10 | 2 | 4 |
| <20 | 3 | 9 |
| <30 | 3 | 14 |
| <40 | 4 | 21 |
| <50 | 4 | 27 |
| <60 | 4 | 31 |
| <70 | 5 | 38 |
© 2019 by the author. Licensee MDPI, Basel, Switzerland. This article is an open access article distributed under the terms and conditions of the Creative Commons Attribution (CC BY) license (http://creativecommons.org/licenses/by/4.0/).
Share and Cite
Chen, K.-S. Packet Switching Strategy and Node Architecture of Extended Spectral-Amplitude-Coding Labels in GMPLS Networks. Appl. Sci. 2019, 9, 1513. https://doi.org/10.3390/app9071513
Chen K-S. Packet Switching Strategy and Node Architecture of Extended Spectral-Amplitude-Coding Labels in GMPLS Networks. Applied Sciences. 2019; 9(7):1513. https://doi.org/10.3390/app9071513
Chicago/Turabian StyleChen, Kai-Sheng. 2019. "Packet Switching Strategy and Node Architecture of Extended Spectral-Amplitude-Coding Labels in GMPLS Networks" Applied Sciences 9, no. 7: 1513. https://doi.org/10.3390/app9071513
APA StyleChen, K.-S. (2019). Packet Switching Strategy and Node Architecture of Extended Spectral-Amplitude-Coding Labels in GMPLS Networks. Applied Sciences, 9(7), 1513. https://doi.org/10.3390/app9071513

