Minimum Frequency and Voltage Stability Constrained Unit Commitment for AC/DC Transmission Systems
Abstract
:1. Introduction
- (i)
- Low frequency risk. HVDC blocked accident is one of the most serious faults in the operation. It can always be triggered by continuous commutation failures or DC lines failures. With such wind power as random source penetrating into the power grid, the HVDC blocked risk will increase [14]. After HVDC transmissions are fed into the power grid, the system operator should prepare much more spinning reserve for dealing with its blocked fault because of HVDC’s larger capacity than thermal plants. Meanwhile, renewable power transferred by the HVDC is preferred to traditional fossil fuel, resulting in less online thermal plants, which are currently the main reserve power providers. On account of increasing reserve demand and decreasing reserve suppliers, low frequency fault might happen after the HVDC is blocked. For example, Jinsu’s HVDC bipolar block on 19 September 2015 lead to grid frequency in eastern China, reducing to 49.557 Hz, violating the minimum frequency requirement.
- (ii)
- Voltage stability problem [15]. For the purpose of consuming power easier in the receiving-end grid, HVDC systems are always fed into the metropolitan area with heavy load and fewer power plants. Such feature lead to lower voltage and weak voltage support ability. In addition, based on switching the devices’ characteristic, LCC-HVDC need lots of reactive power while transmitting active power massively. Although AC filters are usually configured in converter stations, a great quantity reactive power is absorbed by LCC-HVDC during commutation failure fault. These further deteriorate voltage stability of the AC grid.
2. HVDC Transmission System Model
2.1. LCC-HVDC Model
- (1)
- Constant current (CC).Id = const
- (2)
- Constant voltage (CV).VdI = const
- (3)
- Constant power (CP).PdR = VdRId = const
- (4)
- Constant firing angle (CFA).α = const
- (5)
- Constant extinction angle (CEA).γ = const
2.2. Minimum Frequency Limit Constraints
2.3. Voltage Stability Constraints
3. SCUC with HVDC Constraints
3.1. Objective Function
3.2. UC Constraints
3.2.1. Generating Unit Constraints
3.2.2. Security Constraints of AC Power System
4. Model Decomposition and Solution
4.1. UC Master Model
4.2. Security Constraints Sub-Model
- Step1:
- Set up the maximum permissible error ε and the maximum iteration number ITmax. Set iter = 1, then, initialize bus real and reactive power injection and buses voltage;
- Step2:
- Calculate coefficient matrix and right-end unbalance value in Formulas (31)–(33) and the upper and lower limits of the variables in Formulas (34)–(39);
- Step3:
- Solve the above models with the linear programming method and obtain ΔP, ΔQ, Δθ, ΔV, ΔPdc, ΔQdc, ΔXac, ΔXdc, and all relaxation variables;
- Step4:
- Update all variables; if min (ΔP, ΔQ, Δθ, ΔV, ΔPdc, ΔQdc) ≤ε or iter ≥ ITmax, the calculation is over; or iter = iter + 1, return to step 2.
4.3. The Voltage Stability Sub-Model
4.4. The Secondary Frequency Regulation Sub-Model
5. Results and Discussion
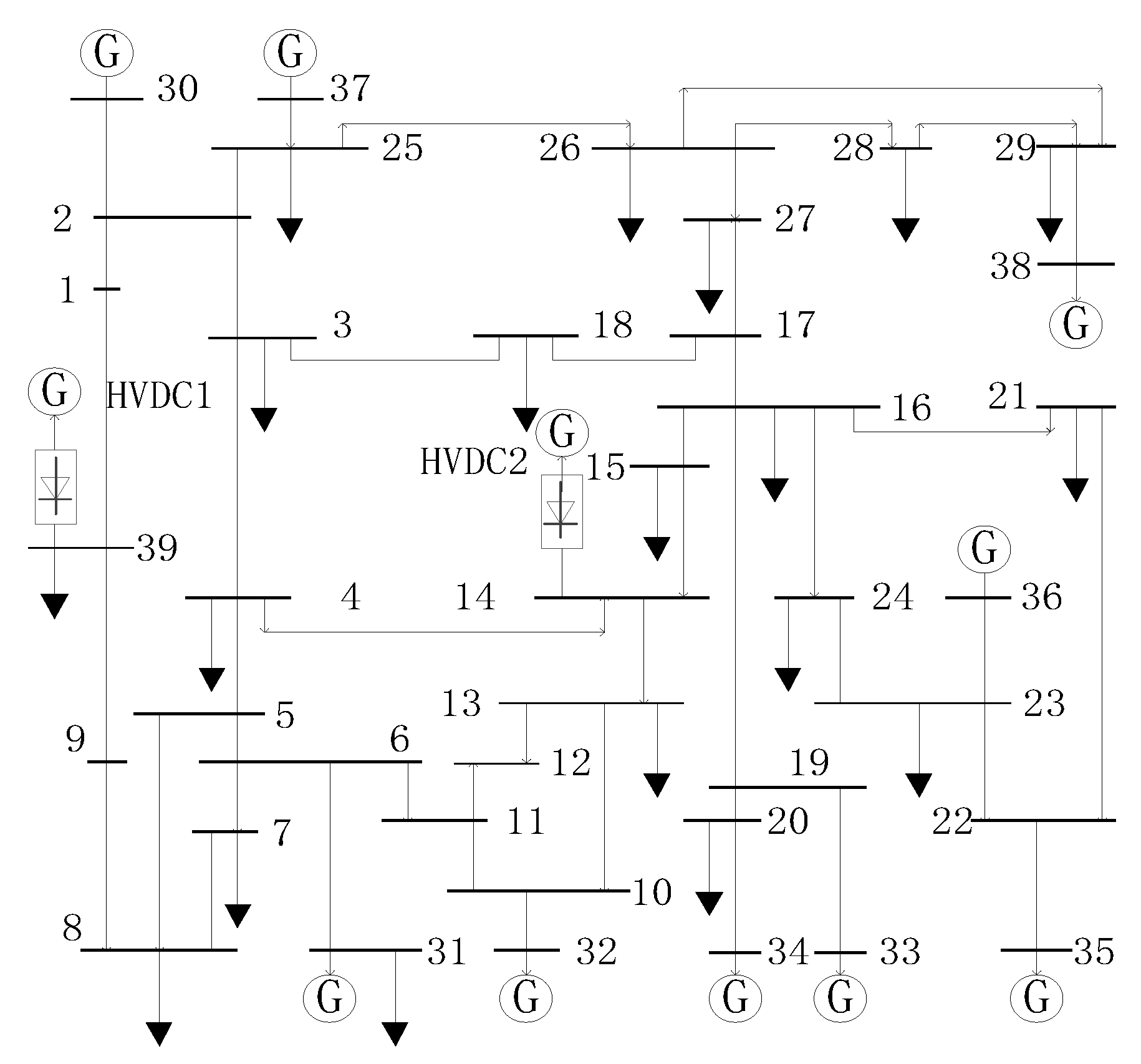
5.1. IEEE-39 Bus System
- Case 0: UC solution with AC transmission constraints.
- Case 1: SCUC solution with minimum frequency limits constraints.
- Case 2: SCUC solution with minimum frequency limits constraints and security constraints after secondary frequency regulation.
5.1.1. Comparison of Economy and HVDC Consumption
5.1.2. Analysis of Frequency Stability
5.1.3. Analysis of Power Flow after HVDC Blocked
5.2. Jiangsu Power Grid
- Case 0:
- SCUC solution with minimum frequency limits constraints and security constraints after secondary frequency regulation.
- Case 1:
- SCUC solution with minimum frequency limits constraints, security constraints after secondary frequency regulation and voltage stability constraints.
5.2.1. Analysis of Voltage Stability of the Sunan Grid
5.2.2. Analysis of Economy and HVDC Consumption
5.2.3. Analysis of Transmissions Power after HVDC Blocked
6. Conclusions
Supplementary Materials
Author Contributions
Funding
Acknowledgments
Conflicts of Interest
Nomenclature
| VdR, VdI | DC voltage of rectifier/inverter |
| kR, kI | Transformer tap ratio of rectifier/inverter |
| γ | Extinguishing angle |
| Xc,R, Xc,I | Leakage reactance of rectifier/inverter |
| Rd | Resistance of HVDC line |
| QdR, QdI | Exchange reactive power between rectifier/inverter substation and AC grid |
| , | Real and reactive power of HVDC l at time t |
| l | Index of HVDC |
| m, n | Index of AC bus |
| NB | Number of buses |
| Csum | The total operation cost |
| On/off state of generating unit i at time t | |
| , | Real and reactive load of bus m at time t |
| Reserve capacity of unit i at time t | |
| , | Upper and lower output limit considering ramp capacity of unit i |
| / | Upper/lower reactive power limit of unit i |
| , | Hot and cold start-up cost of unit i |
| , | Continuous on/off time of unit i at time t |
| , | Ramp up and down capacity of unit i |
| Maximal allowed frequency deviation | |
| KL | First frequency regulation coefficient of load |
| Voltage stability margin of power grid | |
| Initial real load of power grid | |
| Xmn | Line reactance between bus m and n |
| Maximum HVDC transmission power at time t | |
| Real power loss of power grid at time t | |
| , | Voltage of AC bus m/n at time t after second frequency regulation |
| Transmission power between bus m and n | |
| MP1, MP2, MQ1, MQ2, MPL1, MPL2, MPD1, MPD2 | Mismatch vectors |
| ΔV, Δθ | Vector of units’ amplitude and phase increments |
| dP, dQ | Mismatch vector of real and reactive power of AC buses |
| dPdc, dQdc | Mismatch vector of real and reactive power of HVDC |
| ΔPL | Vector of AC transmission power |
| H, N, J, L, W, S, O, D, E, F | Jacobian matrices |
| ΔQmin, ΔQmax | Vector of units’ reactive power limits with increments |
| ΔVmin, ΔVmax | Vector of voltage limits with increments |
| ΔXdc,min, ΔXdc,max | Vector of dc variables limits with increments |
| ITmax | Maximum number of iteration |
| Id | DC current |
| α | Trigger delay angle |
| , | Voltage of AC bus m/n (at time t) |
| , | Bridge number of rectifier/inverter |
| PdR, PdI | Real power of rectifier/inverter |
| QCR, QCI | Reactive power compensation of rectifier/inverter substation |
| i | Index of units |
| t | Index of hours |
| T | Number of scheduling periods |
| NL | Number of HVDC |
| Ci | Cost function of unit i, Ci = ai()2 + bi + ci |
| ai,bi,ci | Coefficients of cost function |
| , | Real/reactive generation of unit i |
| , | Real and reactive power of DC l at time t |
| , | Upper and lower real power limit of unit i |
| Transmission power between bus m and n | |
| Start up cost of unit i at time t | |
| , | Minimum continuous on/off time of unit i |
| Cold start up time of unit i | |
| , | Transmission power limits between bus m and n |
| First frequency regulation coefficient of unit i | |
| Minimum requirement of voltage stability margin | |
| Ultimate real load of power grid | |
| Gmn, Bmn | Admittance between bus m and n |
| Phase difference between bus m and n at time t | |
| Total load of power grid at time t | |
| , | Real/reactive power increment of unit i after second frequency regulation |
| Voltage phase difference between bus m and n at time t after second frequency regulation | |
| wt | Objective of sub-model |
| () * | Optimization result of the last iteration |
| ΔPG, ΔQG | Vector of units’ real and reactive power increments |
| ΔPdc, ΔQdc | Vector of units’ real and reactive power increments |
| ΔXac, ΔXdc | Vector of AC/DC variables |
| dPL | Mismatch vector of transmission power |
| Simplex multipliers | |
| ΔPLmin, ΔPLmax | Vector of transmissions power limits with increments |
| ΔXac,min, ΔXac,max | Vector of AC variables limits with increments |
Appendix A
References
- Bin, W.; Ye, X.; Qing, X. Wind power integrated dynamic optimal power flow for AC/DC interconnected system. Autom. Electr. Power Syst. 2016, 40, 34–41. [Google Scholar]
- Hongwei, H.; Mengfu, T.; Huiling, Z. Day-ahead generation scheduling method considering adjustable HVDC plan and its analysis. Autom. Electr. Power Syst. 2015, 39, 138–142. [Google Scholar]
- Lotfjou, A.; Shahidehpour, M.; Fu, Y. Hourly scheduling of DC transmission lines in SCUC with voltage source converters. IEEE Trans. Power Syst. 2011, 26, 650–660. [Google Scholar] [CrossRef]
- Wydra, M. Performance and Accuracy Investigation of the Two-Step Algorithm for Power System State and Line Temperature Estimation. Energies 2018, 11, 1005. [Google Scholar] [CrossRef]
- Wydra, M.; Kubaczynski, P.; Mazur, K.; Ksiezopolski, B. Time-Aware Monitoring of Overhead Transmission Line Sag and Temperature with LoRa Communication. Energies 2019, 12, 505. [Google Scholar] [CrossRef]
- Mazur, K.; Wydra, M.; Ksiezopolski, B. Secure and Time-Aware Communication of Wireless Sensors Monitoring Overhead Transmission Lines. Sensors 2017, 17, 1610. [Google Scholar] [CrossRef] [PubMed]
- Sampath, L.; Hotz, M.; Gooi, H.B.; Utschick, W. Unit commitment with AC power flow constraints for a hybrid transmission grid. In Proceedings of the 20th Power Systems Computation Conference, Dublin, Ireland, 11–15 June 2018. [Google Scholar]
- Mesanovic, A.; Munz, U.; Ebenbauer, C. Robust optimal power flow for mixed AC/DC transmission systems with volatile renewables. IEEE Trans. Power Syst. 2018, 33, 5171–5182. [Google Scholar] [CrossRef]
- Bin, W.; Ye, X.; Qing, X. Security-Constrained economic dispatch with AC/DC interconnection system based on Benders decomposition method. Proc. CSEE 2016, 36, 1588–1595. [Google Scholar]
- Lotfjou, A.; Shahidehpour, M.; Fu, Y.; Li, Z. Security-constrained unit commitment with AC/DC transmission systems. IEEE Trans. Power Syst. 2010, 25, 531–542. [Google Scholar] [CrossRef]
- Wang, B.; Xia, Y.; Zhong, H. Coordinated optimization of unit commitment and DC transmission power scheduling using Benders decomposition. DRPT 2015, 648–653. [Google Scholar] [CrossRef]
- Zhou, M.; Zhai, J.; Li, G.; Ren, J. Distributed dispatch approach for bulk AC/DC hybrid systems with high wind power penetration. IEEE Trans. Power Syst. 2018, 33, 3325–3336. [Google Scholar] [CrossRef]
- Xie, K.; Dong, J.; Tai, He. Optimal planning of HVDC-based bundled wind-thermal generation and transmission system. Energy Convers. Manag. 2016, 115, 71–79. [Google Scholar] [CrossRef]
- Hajeforosh, S.F.; Pooranian, Z.; Shabani, A.; Conti, M. Evaluating the High Frequency Behavior of the Modified Grounding Scheme in Wind Farms. Appl. Sci. 2017, 7, 1323. [Google Scholar] [CrossRef]
- Donglei, S.; Xueshan, H.; Jinhong, Y. Power system unit commitment considering voltage regulation effect. Trans. China Electrotech. Soc. 2016, 31, 107–117. [Google Scholar]
- Miguel, C.; Jose, M.A. A computationally efficient mixed-integer linear formulation for the thermal unit commitment problem. IEEE Trans. Power Syst. 2006, 21, 1371–1378. [Google Scholar]
- Yong, F.; Mohammad, S.; Zuyi, L. Security-constrained unit commitment with AC constraints. IEEE Trans. Power Syst. 2005, 20, 1538–1550. [Google Scholar]




| Cost/$ | HVDC 1′s Average Power/MW | HVDC 2′s Average Power/MW | Iteration Times | Computing Time/s | |
|---|---|---|---|---|---|
| Case 0 | 1,157,677 | 1000.0 | 1000.0 | 1 | 15.0 |
| Case 1 | 1,229,612 | 989.2 | 989.2 | 7 | 31.6 |
| Case 2 | 1,279,549 | 967.0 | 974.9 | 12 | 48.0 |
| Case 1 | Case 2 | |||
|---|---|---|---|---|
| HVDC 1′s Power | Lines’ Over Limits | HVDC 1′s Power | Lines’ Over Limits | |
| Hour 10 | 1000 | Power between bus-9 and bus-39 is 393.9 MW | 956.0 | -- |
| Hour 11 | 1000 | Power between bus-9 and bus-39 is 390.7 MW | 1000 | -- |
| Hour 12 | 1000 | Power between bus-9 and bus-39 is 404.2 MW | 873.7 | -- |
| Hour 13 | 1000 | Power between bus-9 and bus-39 is 398.7 MW | 981.4 | -- |
| Case 1 | Case 2 | |||
|---|---|---|---|---|
| HVDC 2′s Power | Line Power’s Overload | HVDC 2′s Power | Line Power’s Overload | |
| Hour 7 | 1000 | Power between bus-16 and bus-15 is 505.9 MW | 1000 | -- |
| Hour 8 | 989.5 | Power between bus-16 and bus-15 is 535.0 MW | 1000 | -- |
| Hour 15 | 985.6 | Power between bus-16 and bus-15 is 540.7 MW | 1000 | -- |
| Hour 19 | 980.4 | Power between bus-16 and bus-15 is 520.6 MW | 989.5 | -- |
| Hour 21 | 1000 | Power between bus-16 and bus-15 is 505.3 MW | 989.5 | -- |
| Case 1 | Case 2 | |||
|---|---|---|---|---|
| Active Load/MW | Static Voltage Stability Margin | Active Load/MW | Static Voltage Stability Margin | |
| Hour 12 | 32,000 | 7.6% | 32,000 | 9.1% |
| Hour 13 | 31,700 | 7.8% | 31,700 | 9.4% |
| Cost/$ | Longzheng HVDC’s Average Power/MW | Jinsu HVDC’s Average Power/MW | Iteration Times | Computing Time/s | |
|---|---|---|---|---|---|
| Case 0 | 9,695,351 | 3000 | 6539.4 | 11 | 70.7 |
| Case1 | 10,691,683 | 3000 | 5382.5 | 30 | 189.6 |
| Case 1 | Case 2 | |||
|---|---|---|---|---|
| Jinsu HVDC’s Power | Line Power’s Overload | Jinsu HVDC’s Power | Line Power’s Overload | |
| Hour 6 | 6628 | Power between Meili and Mudu is 2040 MW | 2633 | -- |
| Hour 7 | 6664 | Power between Meili and Mudu is 2040 MW | 2671 | -- |
| Hour 8 | 6691 | Power between Meili and Mudu is 2166 MW | 2785 | -- |
| Hour 9 | 6700 | Power between Meili and Mudu is 2144 MW | 2956 | -- |
| Hour 15 | 6678 | Power between Meili and Mudu is 2177 MW | 3098 | -- |
| Hour 16 | 6610 | Power between Meili and Mudu is 2067 MW | 2649 | -- |
© 2019 by the authors. Licensee MDPI, Basel, Switzerland. This article is an open access article distributed under the terms and conditions of the Creative Commons Attribution (CC BY) license (http://creativecommons.org/licenses/by/4.0/).
Share and Cite
Zhang, N.; Zhou, Q.; Hu, H. Minimum Frequency and Voltage Stability Constrained Unit Commitment for AC/DC Transmission Systems. Appl. Sci. 2019, 9, 3412. https://doi.org/10.3390/app9163412
Zhang N, Zhou Q, Hu H. Minimum Frequency and Voltage Stability Constrained Unit Commitment for AC/DC Transmission Systems. Applied Sciences. 2019; 9(16):3412. https://doi.org/10.3390/app9163412
Chicago/Turabian StyleZhang, Ningyu, Qian Zhou, and Haoming Hu. 2019. "Minimum Frequency and Voltage Stability Constrained Unit Commitment for AC/DC Transmission Systems" Applied Sciences 9, no. 16: 3412. https://doi.org/10.3390/app9163412
APA StyleZhang, N., Zhou, Q., & Hu, H. (2019). Minimum Frequency and Voltage Stability Constrained Unit Commitment for AC/DC Transmission Systems. Applied Sciences, 9(16), 3412. https://doi.org/10.3390/app9163412
