Time Resolution Improvement Using Dual Delay Lines for Field-Programmable-Gate-Array-Based Time-to-Digital Converters with Real-Time Calibration
Abstract
1. Introduction
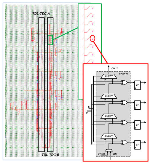
2. Design of the Proposed DDL-TDC
2.1. Method of TDL-TDC
2.2. Calibration of TDL-TDC
2.3. Architecture of DDL-TDC
- Init: As the TDL enters calibration mode, the FSM transitions to the Init state. In this state, calibration memory will be reset to zero for all addresses, and the system begins to run code density counts. The calibration memories, Cal_Mem A and Cal_Mem B, include 512 8-bit words; thus, 9-bit addresses must be reset.
- Cal_Run: Code density counts are run in this state to calibrate the time distribution corresponding to the delay line that will be calibrated. For this, counts are run for the Cal_Run state to obtain the time distribution based on the code density test scheme [33].
- Cal_Num: After Cal_Run, the Cal_Num sums the hit counts for each delay cell. Then, the time distribution can be converted to time delay. These items of time information are stored within the calibration memory ((Cal_Mem A or (Cal_Mem B) appropriate for the relevant cell delay. Thus, the TDC output code can be calibrated from this calibration mapping memory.
2.4. Calibration Flow of DDL-TDC
3. Experiment Results and Discussion
3.1. Experiment Setup
3.2. Results and Discussion
4. Conclusions
Funding
Acknowledgments
Conflicts of Interest
References
- Moses, W.W.; Buckley, S.; Vu, C.; Peng, Q.; Pavlov, N.; Choong, W.; Wu, J.; Jackson, C. OpenPET: A Flexible Electronics System for Radiotracer Imaging. IEEE Trans. Nucl. Sci. 2010, 57, 2532–2537. [Google Scholar] [CrossRef]
- Sportelli, G.; Belcari, N.; Guerra, P.; Spinella, F.; Franchi, G.; Attanasi, F.; Moehrs, S.; Rosso, V.; Santos, A.; Del Guerra, A. Reprogrammable Acquisition Architecture for Dedicated Positron Emission Tomography. IEEE Trans. Nucl. Sci. 2011, 58, 695–702. [Google Scholar] [CrossRef]
- Aguilar, A.; Garcia-Olcina, R.; Leiva, I.; Martinez, P.A.; Martos, J.; Soret, J.; Suarez, A.; Torres, J.; Benlloch, J.M.; Gonzalez, A. Optimization of a Time-to-Digital Converter and a coincidence map algorithm for TOF-PET applications. J. Syst. Arch. 2015, 61, 40–48. [Google Scholar] [CrossRef]
- Junnarkar, S.S.; O’Connor, P.; Vaska, P.; Fontaine, R. FPGA-Based Self-Calibrating Time-to-Digital Converter for Time-of-Flight Experiments. IEEE Trans. Nucl. Sci. 2009, 56, 2374–2379. [Google Scholar] [CrossRef]
- Yousif, A.S.; Haslett, J.W. A Fine Resolution TDC Architecture for Next Generation PET Imaging. IEEE Trans. Nucl. Sci. 2007, 54, 1574–1582. [Google Scholar] [CrossRef]
- Marino, N.; Baronti, F.; Fanucci, L.; Saponara, S.; Roncella, R.; Bisogni, M.G.; Guerra, A.D. A Multichannel and Compact Time to Digital Converter for Time of Flight Positron Emission Tomography. IEEE Trans. Nucl. Sci. 2015, 62, 814–823. [Google Scholar] [CrossRef]
- Ronchini Ximenes, A.; Padmanabhan, P.; Charbon, E. Mutually Coupled Time-to-Digital Converters (TDCs) for Direct Time-of-Flight (dTOF) Image Sensors. Sensors 2018, 18, 3413. [Google Scholar] [CrossRef]
- Li, X.; Yang, B.; Xie, X.; Li, D.; Xu, L. Influence of Waveform Characteristics on LiDAR Ranging Accuracy and Precision. Sensors 2018, 18, 1156. [Google Scholar] [CrossRef]
- Zhang, C.; Lindner, S.; Antolovic, I.M.; Wolf, M.; Charbon, E. A CMOS SPAD Imager with Collision Detection and 128 Dynamically Reallocating TDCs for Single-Photon Counting and 3D Time-of-Flight Imaging. Sensors 2018, 18, 4016. [Google Scholar] [CrossRef]
- Adamo, G.; Busacca, A. Time Of Flight measurements via two LiDAR systems with SiPM and APD. In Proceedings of the 2016 AEIT International Annual Conference (AEIT), Capri, Italy, 5–7 October 2016; pp. 1–5. [Google Scholar]
- Wang, H.; Zhang, M.; Liu, Y. High-Resolution Digital-to-Time Converter Implemented in an FPGA Chip. Appl. Sci. 2017, 7, 52. [Google Scholar] [CrossRef]
- Wu, J. Several Key Issues on Implementing Delay Line Based TDCs Using FPGAs. IEEE Trans. Nucl. Sci. 2010, 57, 1543–1548. [Google Scholar] [CrossRef]
- Kalisz, J.; Szplet, R.; Pasierbinski, J.; Poniecki, A. Field-programmable-gate-array-based time-to-digital converter with 200-ps resolution. IEEE Trans. Instrum. Meas. 1997, 46, 51–55. [Google Scholar] [CrossRef]
- Kalisz, J.; Szplet, R.; Pelka, R.; Poniecki, A. Single-chip interpolating time counter with 200-ps resolution and 43-s range. IEEE Trans. Instrum. Meas. 1997, 46, 851–856. [Google Scholar] [CrossRef]
- Song, J.; An, Q.; Liu, S. A high-resolution time-to-digital converter implemented in field-programmable- gate-arrays. IEEE Trans. Nucl. Sci. 2006, 53, 236–241. [Google Scholar] [CrossRef]
- Favi, C.; Charbon, E. A 17ps time-to-digital converter implemented in 65nm FPGA technology. In Proceedings of the ACM/SIGDA International Symposium on Field Programmable Gate Arrays, Monterey, CA, USA, 22–24 February 2009; pp. 113–120. [Google Scholar]
- Aloisio, A.; Branchini, P.; Cicalese, R.; Giordano, R.; Izzo, V.; Loffredo, S.; Lomoro, R. High-Resolution Time-to-Digital Converter in Field Programmable Gate Array. In Proceedings of the Topical Workshop on Electronics for Particle Physics, Naxos, Greece, 15–19 September 2008; pp. 383–387. [Google Scholar]
- Wu, J.; Shi, Z. The 10-ps wave union TDC: Improving FPGA TDC resolution beyond its cell delay. In Proceedings of the IEEE International Symposium Circuits and Systems, Como, Italy, 5–9 October 2008; pp. 3440–3446. [Google Scholar]
- Bayer, E.; Traxler, M. A High-Resolution (<10 ps RMS) 48-Channel Time-to-Digital Converter (TDC) Implemented in a Field Programmable Gate Array (FPGA). IEEE Trans. Nucl. Sci. 2011, 58, 1547–1552. [Google Scholar]
- Zhang, M.; Wang, H.; Liu, Y. A 7.4 Ps FPGA-Based TDC with a 1024-Unit Measurement Matrix. Sensors 2017, 17, 865. [Google Scholar] [CrossRef]
- Wang, J.; Liu, S.; Zhao, L.; Hu, X.; An, Q. The 10-ps Multitime Measurements Averaging TDC Implemented in an FPGA. IEEE Trans. Nucl. Sci. 2011, 58, 2011–2018. [Google Scholar] [CrossRef]
- Tontini, A.; Gasparini, L.; Pancheri, L.; Passerone, R. Design and Characterization of a Low-Cost FPGA-Based TDC. IEEE Trans. Nucl. Sci. 2018, 65, 680–690. [Google Scholar] [CrossRef]
- Wang, Y.; Liu, C. A 4.2 ps Time-Interval RMS Resolution Time-to-Digital Converter Using a Bin Decimation Method in an UltraScale FPGA. IEEE Trans. Nucl. Sci. 2016, 63, 2632–2638. [Google Scholar] [CrossRef]
- Wang, Y.; Liu, C. A 3.9 ps Time-Interval RMS Precision Time-to-Digital Converter Using a Dual-Sampling Method in an UltraScale FPGA. IEEE Trans. Nucl. Sci. 2016, 63, 2617–2621. [Google Scholar] [CrossRef]
- Chaberski, D. Time-to-digital-converter based on multiple-tapped-delay-line. Measurement 2016, 89, 87–96. [Google Scholar] [CrossRef]
- Chaberski, D.; Zielinski, M.; Grzelak, S. The new method of calculation sum and difference histogram for quantized data. Measurement 2009, 42, 1388–1394. [Google Scholar] [CrossRef]
- Chen, Y.H.; Lu, C.W.; Chang, T.Y.; Hsia, C. A High Resolution FPGA-Based TDC with Nonlinearity Calibration. In Proceedings of the IEEE International Symposium on Instrumentation & Measurement, Sensor Network and Automation, Sanya, China, 25–28 August 2012; pp. 44–47. [Google Scholar]
- Chen, Y.H. A High Resolution FPGA-based Merged Delay Line TDC with Nonlinearity Calibration. In Proceedings of the IEEE International Symposium on Circuits System, Beijing, China, 19–23 May 2013; pp. 2432–2435. [Google Scholar]
- Chen, Y.H. A counting-weighted calibration method for a field-programmable-gate-array-based time-to-digital converter. Nucl. Instrum. Methods Phys. Res. Sect. A 2017, 854, 61–63. [Google Scholar] [CrossRef]
- Chen, Y.H. Run-time calibration scheme for the implementation of a robust field-programmable gate array-based time-to-digital converter. Int. J. Circuit Theory Appl. 2018. [Google Scholar] [CrossRef]
- Won, J.Y.; Kwon, S.I.; Yoon, H.S.; Ko, G.B.; Son, J.W.; Lee, J.S. Dual-Phase Tapped-Delay-Line Time-to-Digital Converter With On-the-Fly Calibration Implemented in 40 nm FPGA. IEEE Trans. Biomed. Circuits Syst. 2016, 10, 231–242. [Google Scholar] [CrossRef] [PubMed]
- Xilinx. Virtex-5 FPGA User Guide, version 5.4; UG 190; Xilinx Inc.: San Jose, CA, USA, 2012. [Google Scholar]
- Seo, Y.H.; Kim, J.S.; Park, H.J.; Sim, J.Y. A 1.25 ps Resolution 8b Cyclic TDC in 0.13 μm CMOS. IEEE J. Solid-State Circuits 2012, 47, 736–743. [Google Scholar] [CrossRef]











| Method | Structure | FPGA | Dynamic Range | RMS (ps) | LSB (ps) | DNL (LSB) | INL (LSB) | Calibration Method |
|---|---|---|---|---|---|---|---|---|
| [13,14] | VDL | pASIC ( m) | 43 s | 129 | 200 | Off-line | ||
| [16] | TDL | Virtex-5 (65 nm) | 50 ns | 17 | Off-line | |||
| [23] | TDL | UltraScal (20 nm) | 2 ns | Off-line | ||||
| [25] | TDL | Virtex-5 (65 nm) | 42 s | 20 | Off-line | |||
| [28] | TDL | Virtex-5 (65 nm) | 6 ns | 50 | Off-line | |||
| [29] | TDL | Virtex-5 (65 nm) | 6 ns | – | 60 | Off-line | ||
| [30] | TDL | Virtex-5 (65 nm) | 6 ns | – | Real-time * | |||
| [31] | TDL | Virtex-6 (40 nm) | ns | 10 | Real-time | |||
| This Work | TDL | Virtex-5 (65 nm) | 6 ns | 32 | Real-time |
| Resources | Available | TDL-TDC | DDL-TDC | ||
|---|---|---|---|---|---|
| (No Calibration) | (Real-Time Calibration) | ||||
| Used | Utilization | Used | Utilization | ||
| Slice Registers | 69,120 | 1023 | 1% | 2147 | 3% |
| Slice LUTs | 69,120 | 1567 | 2% | 4107 | 5% |
| Occupied Slices | 17,280 | 473 | 2% | 1342 | 7% |
| PLL_ADVs | 6 | 0 | 0% | 2 | 33% |
| Block RAM/FIFO | 148 | 0 | 0% | 2 | 1% |
| Total Power | 1.507 W (100%) | 1.606 W (107%) | |||
| LSB | DNL Improvements | INL Improvements |
|---|---|---|
| ps | ||
| ps | ||
| ps |
© 2018 by the author. Licensee MDPI, Basel, Switzerland. This article is an open access article distributed under the terms and conditions of the Creative Commons Attribution (CC BY) license (http://creativecommons.org/licenses/by/4.0/).
Share and Cite
Chen, Y.-H. Time Resolution Improvement Using Dual Delay Lines for Field-Programmable-Gate-Array-Based Time-to-Digital Converters with Real-Time Calibration. Appl. Sci. 2019, 9, 20. https://doi.org/10.3390/app9010020
Chen Y-H. Time Resolution Improvement Using Dual Delay Lines for Field-Programmable-Gate-Array-Based Time-to-Digital Converters with Real-Time Calibration. Applied Sciences. 2019; 9(1):20. https://doi.org/10.3390/app9010020
Chicago/Turabian StyleChen, Yuan-Ho. 2019. "Time Resolution Improvement Using Dual Delay Lines for Field-Programmable-Gate-Array-Based Time-to-Digital Converters with Real-Time Calibration" Applied Sciences 9, no. 1: 20. https://doi.org/10.3390/app9010020
APA StyleChen, Y.-H. (2019). Time Resolution Improvement Using Dual Delay Lines for Field-Programmable-Gate-Array-Based Time-to-Digital Converters with Real-Time Calibration. Applied Sciences, 9(1), 20. https://doi.org/10.3390/app9010020
