Real-Time Recognition Method for 0.8 cm Darning Needles and KR22 Bearings Based on Convolution Neural Networks and Data Increase
Abstract
1. Introduction
- We implemented a mechanism for the real-time recognition of mechanical parts based on an industrial detection platform.
- We proposed an image increase algorithm based on direction reversal (IIA-DR) to expand the data set and verify the feasibility of the IIA-DR.
- We designed an improved neural network structure and feature extraction algorithms based on YOLO V3 for industrial detection platforms, and report refined recognition accuracy.
- We compared this study with the YOLO V3 model. This Study outperforms YOLO V3 in terms of it’s predictive estimation.
2. Improved YOLO V3 Network Model and Model Training
2.1. Candidate Box Extraction and Object Detection Based on YOLO V3
2.1.1. Candidate Box Extraction
2.1.2. Object Detection for Candidate Frames
2.2. Accurate Discriminant Method for Precision Parts Based on Non-Maximum Suppression
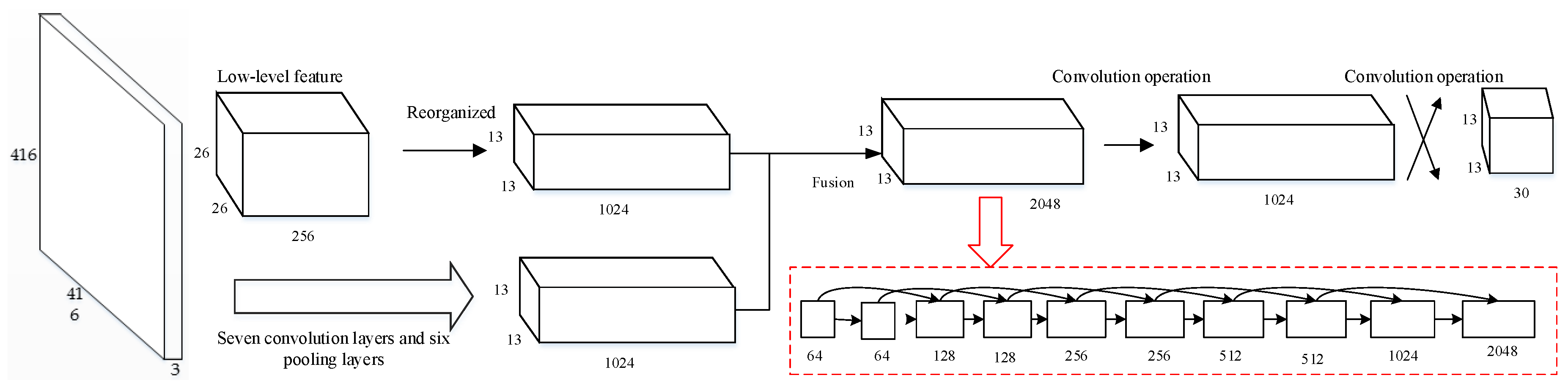
2.3. Improved YOLO Network Structure
2.4. Model Training of YOLO Network Algorithm
3. Image Increase Algorithm Based on Direction Reversal
| Algorithm 1: Image increase algorithm based on direction reversal (IIA-DR) |
| Input: Manually selected different poses, real image Ti of different backgrounds |
| Output: Increased datasets L, and the set P of the corresponding detection object position label |
| 1) Set the number of increase images Di, and input the real image Ti of different locations and backgrounds selected manually; |
| 2) Read the real image Ti, and take the input image as the template image; |
| 3) Manually label the image in Step 2. Obtain the position label of the precision parts and the four vertex coordinates of the rectangular box, that is, , , , and ; 4) Flip template image Ti horizontally. Image datasets L = {l1, l2, l3, …, ln} are generated by rotation transformation from angles; 5) Transform the position label on the template image and obtain the corresponding four vertices, that is, , , , and ; 6) Use Formulas (8–11) to correct the coordinates of the four points. Obtain the new label of the generated single image as , , , and ; |
| 7) If m = true, execute Steps 4–6; 8) Output increased dataset L = {l1, l2, l3, …, ln} and the corresponding set of detection object location tags P = {P1, P2, P3, …, Pn}. |
4. Industrial Real-Time Object Detection Experimental Platform
5. Experimental Data
5.1. Experimental Data Collection
5.2. Target Object Border Marking for Samples
5.3. Dataset Preparation
6. Experimental Results and Analysis
6.1. Evaluation Index
6.2. Data Increase Experimental Results
6.3. Model Training Strategy and Model Validation Parameter Analysis
6.4. Experimental Results of YOLO V3 and the Algorithm on the Dataset
6.4.1. Analysis of Subjective Test Results
6.4.2. Analysis of Objective Test Results
6.4.3. Analysis of Multi-Category Test Results
7. Summary
Author Contributions
Acknowledgments
Conflicts of Interest
References
- Kamalakumari, J.; Vanitha, D.M. IMAGE SEQUENCES BASED FACIAL EXPRESSION RECOGNITION USING SUPPORT VECTOR MACHINE. Int. J. Eng. Technol. 2017, 9, 3605–3609. [Google Scholar]
- Liu, B.; Chen, Y.; Qi, X. Research on the Application of Mechanical Parts Using Neural Network in Image Recognition. In Proceedings of the 2015 Fifth International Conference on Instrumentation and Measurement, Computer, Communication and Control (IMCCC), Qinhuangdao, China, 18–20 September 2015; pp. 659–662. [Google Scholar]
- Jiang, J.; Chen, Z.; He, K. A feature-based method of rapidly detecting global exact symmetries in CAD models. Comput. Aided Des. 2013, 45, 1081–1094. [Google Scholar] [CrossRef]
- Inui, M.; Umezu, N. Fast Detection of Head Colliding Shapes on Automobile Parts. J. Adv. Mech. Des. Syst. Manuf. 2013, 7, 818–826. [Google Scholar] [CrossRef]
- He, T.; Yu, K.; Chen, L.; Lai, K.; Yang, L.; Wang, X.; Zhai, Z. Image classification and recognition method to mechanical parts based on fractal dimension. In Proceedings of the 2017 International Conference on Mechanical, System and Control Engineering (ICMSC), St. Petersburg, Russia Mechanical, 19–21 May 2017; pp. 63–66. [Google Scholar]
- Wan, W.H.; Xu, J.; Chen, P.L.; Liu, M.H. Classification Modeling of Parts for Complex Machinery Product Based on Design Structure Matrix. Appl. Mech. Mater. 2014, 680, 539–542. [Google Scholar] [CrossRef]
- Yang, J.; Yang, G. Modified Convolutional Neural Network Based on Dropout and the Stochastic Gradient Descent Optimizer. Algorithms 2018, 11, 28–43. [Google Scholar] [CrossRef]
- Yang, G.; Yang, J.; Sheng, W.; Fernandes Junior, F.E.; Li, S. Convolutional Neural Network-Based Embarrassing Situation Detection under Camera for Social Robot in Smart Homes. Sensors 2018, 18, 1530. [Google Scholar] [CrossRef] [PubMed]
- Kumar, A.; Kim, J.; Lyndon, D.; Fulham, M.; Feng, D. An Ensemble of Fine-Tuned Convolutional Neural Networks for Medical Image Classification. IEEE J. Biomed. Health Inf. 2016, 21, 31–40. [Google Scholar] [CrossRef] [PubMed]
- Salamon, J.; Bello, J.P. Deep Convolutional Neural Networks and Data Augmentation for Environmental Sound Classification. IEEE Signal Process. Lett. 2017, 24, 279–283. [Google Scholar] [CrossRef]
- Yang, Y.; Luo, H.; Xu, H.; Wu, F. Towards Real-Time Traffic Sign Detection and Classification. IEEE Trans. Intell. Transp. Syst. 2016, 17, 2022–2031. [Google Scholar] [CrossRef]
- Akcay, S.; Kundegorski, M.E.; Willcocks, C.G.; Breckon, T.P. Using Deep Convolutional Neural Network Architectures for Object Classification and Detection Within X-Ray Baggage Security Imagery. IEEE Trans. Inf. Forensics Secur. 2018, 13, 2203–2215. [Google Scholar] [CrossRef]
- Kheradpisheh, S.R.; Ganjtabesh, M.; Thorpe, S.J.; Masquelier, T. STDP-based spiking deep convolutional neural networks for object recognition. Neural Networks 2018, 99, 56–67. [Google Scholar] [CrossRef] [PubMed]
- Li, J.; Liang, X.; Shen, S.; Xu, T.; Feng, J.; Yan, S. Scale-aware fast R-CNN for pedestrian detection. IEEE Trans. Multimedia 2018, 20, 985–996. [Google Scholar] [CrossRef]
- Sang, J.; Guo, P.; Xiang, Z.; Luo, H.; Chen, X. Vehicle detection based on faster-RCNN. J. Chongqing Univ. 2017, 40, 32–36. [Google Scholar]
- Chen, Y.; Kang, X.; Wang, Z.J.; Zhan, Q. Densely Connected Convolutional Neural Network for Multi-purpose Image Forensics under Anti-forensic Attacks. In Proceedings of the 6th ACM Workshop on Information Hiding and Multimedia Security, Innsbruck, Austria, 20–22 June 2018; pp. 91–96. [Google Scholar]
- Jia, F.; Lei, Y.; Lu, N.; Xing, S. Deep normalized convolutional neural network for imbalanced fault classification of machinery and its understanding via visualization. Mech. Syst. Sig. Process. 2018, 110, 349–367. [Google Scholar] [CrossRef]
- Guo, L.; Li, N.; Jia, F.; Lei, Y.; Lin, J. A recurrent neural network based health indicator for remaining useful life prediction of bearings. Neurocomputing 2017, 240, 98–109. [Google Scholar] [CrossRef]
- Tadeusiewicz, R. Neural networks in mining sciences–general overview and some representative examples. Arch. Min. Sci. 2015, 60, 971–984. [Google Scholar] [CrossRef]
- Ganovska, B.; Molitoris, M.; Hosovsky, A.; Pitel, J.; Krolczyk, J.B.; Ruggierio, A.; Krolczyk, G.M.; Hloch, S. Design of the model for the on-line control of the AWJ technology based on neural networks. IJEMS 2016, 23, 279–286. [Google Scholar]
- Zhang, L.; Tao, J. Research on Degeneration Model of Neural Network for Deep Groove Ball Bearing Based on Feature Fusion. Algorithms 2018, 11, 21–40. [Google Scholar] [CrossRef]
- Redmon, J. YOLO: Real-Time Object Detection. Available online: https://pjreddie.com/darknet/yolo/ (accessed on 20 October 2017 ).
- Stern, U.; He, R.; Yang, C.-H. Analyzing animal behavior via classifying each video frame using convolutional neural networks. Sci. Rep. 2015, 5, 1–13. [Google Scholar] [CrossRef] [PubMed]
- Fazan, F.S.; Brognara, F.; Fazan Junior, R.; Murta Junior, L.O.; Virgilio Silva, L.E. Changes in the Complexity of Heart Rate Variability with Exercise Training Measured by Multiscale Entropy-Based Measurements. Entropy 2018, 20, 47–57. [Google Scholar] [CrossRef]
- Song, W.; Han, J.; Hua, T. A method for medical image retrieval using multi-level feature fusion. J. Inf. Comput. Sci. 2009, 6, 967–974. [Google Scholar]
- Junior, J.R.B.; Do Carmo Nicoletti, M. Enhancing Constructive Neural Network Performance Using Functionally Expanded Input Data. J. Artif. Intell. Soft Comput. Res. 2016, 6, 119–131. [Google Scholar] [CrossRef]
- Zhong, Z.; Zheng, L.; Kang, G.; Li, S.; Yang, Y. Random erasing data augmentation. Available online: https://arxiv.org/abs/1708.04896 (accessed on 16 November 2017).
- Ding, W.; Taylor, G. Automatic moth detection from trap images for pest management. Comput. Electron. Agric. 2016, 123, 17–28. [Google Scholar] [CrossRef]
- Xue, Y.; Huang, N.; Tu, S.; Mao, L.; Yang, A.; Zhu, X.; Yang, X.; Chen, P. Immature mango detection based on improved YOLOv2. Trans. Chin. Soc. Agric. Eng. 2018, 34, 173–179. [Google Scholar]
- Redmon, J.; Divvala, S.; Girshick, R.; Farhadi, A. You only look once: Unified, real-time object detection. In Proceedings of the IEEE conference on computer vision and pattern recognition (CVPR), Las Vegas, NV, USA, 27–30 June 2016; pp. 779–788. [Google Scholar]











| Number of Layers | Operation Type | Kernel Size | Stride | Input | Output |
|---|---|---|---|---|---|
| 1 | Convolution layer | 1 | |||
| 2 | Pooling layer | 2 | |||
| 3 | Convolution layer | 1 | |||
| 4 | Pooling layer | 2 | |||
| 5 | Convolution layer | 1 | |||
| 6 | Pooling layer | 2 | |||
| 7 | Convolution layer | 1 | |||
| 8 | Pooling layer | 2 | |||
| 9 | Convolution layer | 1 | |||
| 10 | Pooling layer | 2 | |||
| 11 | Convolution layer | 1 | |||
| 12 | Pooling layer | 1 | |||
| 13 | Convolution layer | 1 | |||
| 14 | Recombination layer | - | - | 9 output layers + 13 output layers | |
| 15 | Convolution layer | 1 | |||
| 16 | Convolution layer | 1 |
| Datasets | Processing Methods | Number of Images | Number of B-Box Labeling |
|---|---|---|---|
| A | Manually label the border | 3000 | 6963 |
| B | The program automatically labels | 3000 | 6000 |
| Number of Training Steps | Learning Rate |
|---|---|
| 0.0001 | |
| 0.001 | |
| 0.0001 | |
| 0.00001 |
| Threshold | Number of Images | Number of Correctly Predicted Precision Parts | Total Precision Parts | Average IOU | Recall Rate | Number of Prediction Frames | Accuracy Rate |
|---|---|---|---|---|---|---|---|
| 0.00 | 500 | 500 | 500 | 89.25% | 100.00% | 99,885 | 0.87% |
| 0.10 | 500 | 500 | 500 | 90.65% | 100.00% | 920 | 97.38% |
| 0.20 | 500 | 500 | 500 | 90.85% | 100.00% | 910 | 98.88% |
| 0.30 | 500 | 500 | 500 | 91.15% | 100.00% | 900 | 98.96% |
| 0.40 | 500 | 500 | 500 | 91.20% | 100.00% | 880 | 99.18% |
| 0.50 | 500 | 500 | 500 | 91.20% | 100.00% | 880 | 99.18% |
| 0.55 | 500 | 500 | 500 | 91.25% | 100.00% | 830 | 99.36% |
| 0.60 | 500 | 500 | 500 | 93.25% | 100.00% | 800 | 100.00% |
| 0.65 | 500 | 500 | 500 | 92.65% | 100.00% | 800 | 100.00% |
| 0.70 | 500 | 500 | 500 | 92.35% | 100.00% | 800 | 100.00% |
| 0.75 | 500 | 500 | 500 | 92.26% | 99.87% | 798 | 100.00% |
| 0.80 | 500 | 500 | 500 | 92.24% | 99.37% | 763 | 100.00% |
| 0.85 | 500 | 500 | 500 | 91.24% | 98.87% | 736 | 100.00% |
| 0.90 | 500 | 500 | 500 | 90.25% | 97.87% | 690 | 100.00% |
| 0.00 | 500 | 500 | 500 | 89.25% | 100.00% | 99,885 | 87.00% |
| YOLO V3 | Proposed Algorithm | ||||||
|---|---|---|---|---|---|---|---|
| Predicted Probability Estimate | Accurate Value | Predicted Probability Estimate | Accurate Value | ||||
| Mean | Variance | Mean | Variance | ||||
| A | 0.8 cm darning needle | 0.927 | 0.011 | 0.923 | 0.961 | 0.012 | 0.944 |
| KR22 bearing | 0.948 | 0.008 | 0.934 | 0.974 | 0.008 | 0.956 | |
| B | 0.8 cm darning needle | 0.937 | 0.009 | 0.935 | 0.942 | 0.010 | 0.965 |
| KR22 bearing | 0.955 | 0.012 | 0.954 | 0.964 | 0.008 | 0.985 | |
© 2018 by the authors. Licensee MDPI, Basel, Switzerland. This article is an open access article distributed under the terms and conditions of the Creative Commons Attribution (CC BY) license (http://creativecommons.org/licenses/by/4.0/).
Share and Cite
Yang, J.; Li, S.; Gao, Z.; Wang, Z.; Liu, W. Real-Time Recognition Method for 0.8 cm Darning Needles and KR22 Bearings Based on Convolution Neural Networks and Data Increase. Appl. Sci. 2018, 8, 1857. https://doi.org/10.3390/app8101857
Yang J, Li S, Gao Z, Wang Z, Liu W. Real-Time Recognition Method for 0.8 cm Darning Needles and KR22 Bearings Based on Convolution Neural Networks and Data Increase. Applied Sciences. 2018; 8(10):1857. https://doi.org/10.3390/app8101857
Chicago/Turabian StyleYang, Jing, Shaobo Li, Zong Gao, Zheng Wang, and Wei Liu. 2018. "Real-Time Recognition Method for 0.8 cm Darning Needles and KR22 Bearings Based on Convolution Neural Networks and Data Increase" Applied Sciences 8, no. 10: 1857. https://doi.org/10.3390/app8101857
APA StyleYang, J., Li, S., Gao, Z., Wang, Z., & Liu, W. (2018). Real-Time Recognition Method for 0.8 cm Darning Needles and KR22 Bearings Based on Convolution Neural Networks and Data Increase. Applied Sciences, 8(10), 1857. https://doi.org/10.3390/app8101857

