Simulation Investigation on Combustion Characteristics in a Four-Point Lean Direct Injection Combustor with Hydrogen/Air
Abstract
:1. Introduction
2. Problem Formulation
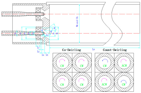
2.1. Parametric Geometry Definition of Four-Point LDI
2.2. Computational Approach and Modeling
2.3. Mesh Generation and Boundary Condition
3. Results and Discussion
4. Conclusions
Acknowledgments
Author Contributions
Conflicts of Interest
References
- Hamada, K.I.; Rahman, M.M.; Aziz, A.R.A. Time-averaged heat transfer correlation for direct injection hydrogen fueled engine. Int. J. Hydrog. Energy 2012, 37, 19146–19157. [Google Scholar] [CrossRef]
- Das, L.M. Hydrogen engine: Research and development (R&D) programmes in Indian Institute of Technology (IIT), Delhi. Int. J. Hydrog. Energy 2002, 27, 953–965. [Google Scholar]
- Kamil, M.; Rahman, M.M.; Bakar, R.A. Performance evaluation of external mixture formulation strategy in hydrogen fuelled engine. J. Mech. Eng. Sci. 2011, 1, 87–98. [Google Scholar] [CrossRef]
- Kamil, M.; Rahman, M.M.; Bakar, R.A. Modeling of SI engine forduel fuels of hydrogen, gasoline and methane with port injection feeding system. Technology 2012, 29, 1399–1416. [Google Scholar]
- Marek, C.; Smith, T.; Kundu, K. Low emission hydrogen combustors for gas turbines using lean direct injection. In Proceedings of the 41st AIAA/ASME/SAE/ASEE Joint Propulsion Conference & Exhibit, Tuscon, AZ, USA, 10–13 July 2005. [Google Scholar]
- Ugur, K. Aircraft emissions at Turkish airports. Energy 2006, 31, 372–384. [Google Scholar]
- Schefer, R.W.; Wicksall, D.M.; Agrawal, A.K. Combustion of hydrogen-enriched methane in a lean premixed swirl-stabilized burner. Proc. Combust. Inst. 2002, 29, 843–851. [Google Scholar] [CrossRef]
- Bauer, C.G.; Forest, T.W. Effect of hydrogen addition on the performance of methane-fueled vehicles. Part I: Effect on S.I. engine performance. Int. J. Hydrog. Energy 2001, 26, 55–70. [Google Scholar] [CrossRef]
- Ángel, M.; Mendoza, G.; Alzatepiedrahíta, M.V. La infancia contemporánea. Int. J. Chem. React. Eng. 2014, 12, 77–89. [Google Scholar]
- Sarli, V.D.; Benedetto, A.D. Laminar burning velocity of hydrogen—Methane/air premixed flames. Int. J. Hydrog. Energy 2007, 32, 637–646. [Google Scholar] [CrossRef]
- Sarli, V.D.; Benedetto, A.D.; Long, E.J.; Hargrave, G.K. Time-Resolved Particle Image Velocimetry of dynamic interactions between hydrogen-enriched methane/air premixed flames and toroidal vortex structures. Int. J. Hydrog. Energy 2012, 37, 16201–16213. [Google Scholar] [CrossRef]
- Sarli, V.D.; Benedetto, A.D. Effects of non-equidiffusion on unsteady propagation of hydrogen-enriched methane/air premixed flames. Int. J. Hydrog. Energy 2013, 38, 7510–7518. [Google Scholar] [CrossRef]
- Daniel, C.; Robert, I. Investigation of low emission combustors using hydrogen lean direct injection. Incas Bull. 2011, 3, 45–52. [Google Scholar] [CrossRef]
- Schumann, U. Effects of aircraft emissions on ozone, cirrus clouds, and environmental climate. Air Space Eur. 2000, 2, 29–33. [Google Scholar] [CrossRef]
- Berntsen, T.; Gauss, M.; Grewe, V.; Hauglustaine, D.; Isaksen, I.S.A. Sources of NOx at cruise altitudes: Implications for predictions of ozone and methane perturbations due to NOx from aircraft. In Proceedings of the International Conference on European Conference on Aviation, Atmosphere and Climate (AAC), Friedrichshafen, Germany, 30 June–3 July 2003; pp. 190–196. [Google Scholar]
- Cabot, G.; Vauchelles, D.; Taupin, B.; Boukhalfa, A. Experimental study of lean premixed turbulent combustion in a scale gas turbine chamber. Exp. Therm. Fluid Sci. 2004, 28, 683–690. [Google Scholar] [CrossRef]
- Ying, H.; Vigor, Y. Dynamics and stability of lean-premixed swirl-stabilized combustion. Prog. Energy Combust. Sci. 2009, 35, 293–364. [Google Scholar]
- Nanduri, J.R.; Parsons, D.R.; Yilmaz, S.L.; Celik, I.B.; Strakey, P.A. Assessment of RANS-based turbulent combustion models for prediction of emissions from lean premixed combustion of methane. Combust. Sci. Technol. 2010, 182, 794–821. [Google Scholar] [CrossRef]
- Shehata, M. Emissions and wall temperatures for lean prevaporized premixed gas turbine combustor. Fuel 2009, 88, 446–455. [Google Scholar] [CrossRef]
- Allouis, C.; Beretta, F.; Amoresano, A. Experimental study of lean premixed prevaporized combustion fluctuations in a gas turbine burner. Combust. Sci. Technol. 2008, 180, 900–909. [Google Scholar] [CrossRef]
- Bernier, D.; Lacas, F.; Candel, S. Instability mechanisms in a premixed prevaporized combustor. J. Propuls. Power 2004, 20, 648–656. [Google Scholar] [CrossRef]
- Randal, M.; Domingo, S.; William, S.; Albert, C. The Pratt & Whitney Talon X low emissions combustor: revolutionary results with evolutionary technology. In Proceedings of the AIAA Aerospace Sciences Meeting and Exhibit, Reno, NV, USA, 8–11 January 2007. [Google Scholar]
- Sebastian, G.; Marc, F.; Gilles, B.; Bernhard, B.; Katharina, G.; Oliver, K.; Sebastian, S.; Steffen, T.; Christian, O.P. Influence of steam dilution on the combustion of natural gas and hydrogen in premixed and rich-quench-lean combustors. Fuel Process. Technol. 2013, 107, 14–22. [Google Scholar]
- Burger, V.; Yates, A.; Mosbach, T.; Gunasekaran, B. Fuel influence on targeted gas turbine combustion properties part II: Detailed results. In Proceedings of the ASME Turbo Expo 2014 Turbine Technical Conference and Exposition, Düsseldorf, Germany, 16–20 June 2014. [Google Scholar]
- Makida, M.; Yamada, H.; Shimodaira, K. Detailed research on rich-lean type single sector combustor for small aircraft engine tested under practical conditions up to 3 MPa. In Proceedings of the ASME Turbo Expo 2012 Turbine Technical Conference and Exposition, Copenhagen, Denmark, 11–15 June 2012. [Google Scholar]
- Makida, M.; Kurosawa, Y.; Yamada, H. Influence of injection ratio of dual-injection type air-blast fuel nozzle on emission characteristics applied to rectangular single-sector combustor under atmospheric condition. In Proceedings of the ASME Turbo Expo 2014 Turbine Technical Conference and Exposition, Düsseldorf, Germany, 16–20 June 2014. [Google Scholar]
- Lee, C.-M.; Kathleen, M.T.; Changlie, W. ISABA. In Proceedings of the High Pressure Low NOx Emission Research: Recent Progress at NASA Glenn Research Center, Beijing, China, 2–7 September 2007. [Google Scholar]
- Yoon, C.; Huang, C.; Gejji, R.; Anderson, W. Computational investigation of combustion instabilities in a laboratory-scale LDI gas turbine engine. In Proceedings of the AIAA/ASME/SAE/ASEE Joint Propulsion Conference, San Jose, CA, USA, 14–17 July 2013. [Google Scholar]
- Robert, R.T.; Changlie, W.; Kyung, J.C. Flame tube NOx emissions using a lean-direct-wall-injection combustor concept. In Proceedings of the AIAA 37th Joint Propulsion Conference and Exhibit, Sali Lake City, UT, USA, 8–11 July 2001. [Google Scholar]
- Lee, C.-M.; Tacina, K.M.; Wey, C. High pressure low NOx emissions research: Recent progress at NASA glenn research center. In Proceedings of the International Society for Air Breathing Engines (ISABE), Beijing, China, 2–7 September 2007. [Google Scholar]
- Tacina, K.M.; Wey, C. NASA Glenn High Pressure Low NOx Emissions Research; NASA: Cleveland, OH, USA, 2008. [Google Scholar]
- Kumud, A.; Hukam, C.M.; Phil, L. Evaluation of CFD Best practices for combustor design: Part I—Non-reacting flows. In Proceedings of the 51st AIAA Aerospace Meeting Including the New Horizons Forum and Exposition, Grapevine, TX, USA, 2–7 January 2013. [Google Scholar]
- Kumud, A.; Hukam, C.M.; Phil, L. CFD Computations of Emissions for LDI-2 Combustors with Simplex and Airblast Injectors. In Proceedings of the 50th AIAA/ASME/SAE/ASEE Joint Propulsion Conference, Cleveland, OH, USA, 28–30 July 2014. [Google Scholar]
- Christopher, M.H. Characterization of Swirl-Venturi Lean Direct Injection Designs for Aviation Gas Turbine Combustion. J. Propuls. Power 2014, 30, 1334–1356. [Google Scholar]
- He, Z.J.; Kathleen, M.T.; Lee, C.-M.; Robert, R.T.; Phil, L. Effects of Spent Cooling and Swirler Angle on a 9-Point Swirl-Venturi Injector; NASA: Park City, UT, USA, 2014. [Google Scholar]
- Fu, Y.; Jeng, S.-M. Experimental Investigation of Swirling Air Flows in a Multipoint LDI Combustor. In Proceedings of the 43rd AIAA/ASME/SAE/ASEE Joint Propulsion Conference & Exhibit, Cincinnati, OH, USA, 8–11 July 2007. [Google Scholar]
- Dolan, B.; Villalva, R.; Munday, D.; Zink, G.; Pack, S.; Gutmark, E. Flame Dynamics in a Multi-Nozzle Staged Combustor during High Power Operation. In Proceedings of the ASME Turbo Expo 2014 Turbine Technical Conference and Exposition, Düsseldorf, Germany, 16–20 June 2014. [Google Scholar]
- Tacina, R.; Wey, C.; Laing, P.; Mansour, A. Sector tests of a Low-NOx, lean-direct-injection, multipoint integrated module combustor concept. In Proceedings of the ASME Turbo Expo 2002 Power for Land, Sea, and Air, Amsterdam, The Netherlands, 3–6 June 2002. [Google Scholar]
- Dewanji, D.; Rao, A.G.; Pourquie, M.; van Buijtenen, J. Simulation of Reacting Spray in a Multi-Point Lean Direct Injection Combustor. In Proceedings of the 48th AIAA/ASME/SAE/ASEE Joint Propulsion Conference & Exhibit, Atlanta, Georgia, 30 July–1 August 2012. [Google Scholar]
- Li, J.; Yuan, L.; Hukam, C.M. Simulation of combustion characteristics in a hydrogen fuelled lean single-element direct injection combustor. Int. J. Hydrog. Energy 2017, 42, 3536–3548. [Google Scholar] [CrossRef]
- Jiang, Z.; Chang, L.; Zhang, F. Dynamic characteristics of spherically converging detonation waves. Shock Waves 2007, 16, 257–267. [Google Scholar] [CrossRef]
- Kim, S.E.; Choudhury, D.; Patel, B. Computations of complex turbulent flows using the commercial code fluent. In Modeling Complex Turbulent Flows; Springer: Berlin, Germany, 1999; pp. 259–276. [Google Scholar]
- Magnussen, B.F. Modeling of pollutant formation in gas turbine combustors based on the eddy dissipation concept. In Proceedings of the 18th International Congress on Combustion Engines, International Council on Combustion Engines, Tianjin, China; 1989. [Google Scholar]
- Baum, M.; Poinsot, T.J.; Haworth, D.C.; Darabiha, N. Direct numerical simulation of H2/O2/N2 flames with complex chemistry in two-dimensional turbulent flows. J. Fluid Mech. 1994, 281, 1–32. [Google Scholar] [CrossRef]
- Zeldovich, Y. The oxidation of nitrogen in combustion and explosions. Acta Physicochim. USSR 1947, 21, 577–628. [Google Scholar]
- Connelly, B.C.; Long, M.B.; Smooke, M.D.; Hall, R.J.; Colket, M.B. Computational and experimental investigation of the interaction of soot and NO in coflow diffusion flames. Proc. Combust. Inst. 2009, 32, 777–784. [Google Scholar] [CrossRef]
- Sheen, H.J.; Chen, W.J.; Jeng, S.Y.; Huang, T.L. Correlation of swirl number for a radial-type swirl generator. Exp. Therm. Fluid Sci. 1996, 12, 444–445. [Google Scholar] [CrossRef]













| Parameter | Number of Mesh (M) | Min (g/s) | ∆P (%) | Acd (mm2) | ρair (kg/m3) | Acd (Expt) (mm2) | Error (%) | |
|---|---|---|---|---|---|---|---|---|
| Models | ||||||||
| Single-LDI-CW | 2.25 | 8.495 | 3.0 | 97.644 | 1.245 | 97.5 | −0.15 | |
| 4.0 | 8.636 | 99.25 | −1.8 | |||||
| Single-LDI-ACW | 2.197 | 8.232 | 94.621 | 96.5 | 1.95 | |||
| 4.0 | 8.572 | 98.529 | −2.1 | |||||
| Four-point LDI-Co | 6.266 | 33.22 | 381.84 | 395.6 | 3.48 | |||
| Four-point LDI-Count | 6.265 | 33.42 | 384.14 | 398.4 | 3.58 | |||
| Parameter | Value |
|---|---|
| min-1 (kg/s) | 0.00857 |
| min-2 (kg/s) | 0.03428 |
| Tt3 (K) | 295.4 |
| P3 (Pa) | 101,325 |
© 2017 by the authors. Licensee MDPI, Basel, Switzerland. This article is an open access article distributed under the terms and conditions of the Creative Commons Attribution (CC BY) license (http://creativecommons.org/licenses/by/4.0/).
Share and Cite
Li, J.; Yuan, L.; Mongia, H.C. Simulation Investigation on Combustion Characteristics in a Four-Point Lean Direct Injection Combustor with Hydrogen/Air. Appl. Sci. 2017, 7, 619. https://doi.org/10.3390/app7060619
Li J, Yuan L, Mongia HC. Simulation Investigation on Combustion Characteristics in a Four-Point Lean Direct Injection Combustor with Hydrogen/Air. Applied Sciences. 2017; 7(6):619. https://doi.org/10.3390/app7060619
Chicago/Turabian StyleLi, Jianzhong, Li Yuan, and Hukam C. Mongia. 2017. "Simulation Investigation on Combustion Characteristics in a Four-Point Lean Direct Injection Combustor with Hydrogen/Air" Applied Sciences 7, no. 6: 619. https://doi.org/10.3390/app7060619
APA StyleLi, J., Yuan, L., & Mongia, H. C. (2017). Simulation Investigation on Combustion Characteristics in a Four-Point Lean Direct Injection Combustor with Hydrogen/Air. Applied Sciences, 7(6), 619. https://doi.org/10.3390/app7060619
