Next Article in Journal
An Operation State Detection Method of DC Grounding Electrodes Based on Surface Potential Distribution
Previous Article in Journal
Geochemical Background Values for the Characterization of Sediment Contamination with Trace Elements in Romania: A Case Study in the Lower Danube Basin
 
 
Font Type:
Arial Georgia Verdana
Font Size:
Aa Aa Aa
Line Spacing:
Column Width:
Background:
Article

Analysis of Shielding Effectiveness of a Cavity with Internal Dielectric Plate and Apertures

1
College of Electrical and Information Engineering, Anhui University of Science and Technology, Huainan 232001, China
2
State Key Laboratory of Coal Mine Safety Technology, China Coal Technology & Engineering Group Shenyang Research Institute, Shenfu Demonstration Zone 113122, China
*
Author to whom correspondence should be addressed.
Appl. Sci. 2025, 15(5), 2460; https://doi.org/10.3390/app15052460
Submission received: 24 December 2024 / Revised: 20 February 2025 / Accepted: 21 February 2025 / Published: 25 February 2025

Abstract

Focusing on the shielding effectiveness of a single-layer shielded cavity, especially the impact of aperture shape, aperture quantity, internal dielectric plate, and other factors on shielding effectiveness, an equivalent circuit model and BLT equation of shielding effectiveness for a single-layer shielded cavity under plane-wave irradiation were constructed by applying transmission line theory, Robinson’s algorithm, and electromagnetic topology theory. The shielding effectiveness of the cavity with an internal dielectric plate subjected to 0 to 1 GHz electromagnetic waves was calculated. The influence of circular and rectangular aperture arrays, the thickness of the dielectric plate, and the position change of the dielectric plate on the electric field shielding effectiveness of the cavity were analyzed. HFSS was used for simulation experiments. The research indicates that increasing the number of apertures can effectively enhance the shielding effectiveness while keeping the total area of the apertures constant. In addition, the insertion of a dielectric plate inside the cavity, especially near the resonant frequency, significantly enhanced the shielding effectiveness due to the absorption of incident electromagnetic waves by the dielectric plate. As the thickness of the dielectric plate was increased, the resonant frequency of the cavity gradually decreased; the shielding effectiveness was improved near the resonant frequency. Placing the dielectric plate at the lower end of the cavity is preferred, as it significantly improves the shielding effectiveness.

1. Introduction

Electromagnetic interference suppression techniques include shielding, filtering, grounding, and bonding. Shielding is the most concise and effective method for electromagnetically compatible structural design [1]. Shielding cavities are often added to electronic devices to avoid mutual electromagnetic radiation interference between electronic devices that can interrupt the circuit system and affect the power output accuracy [2]. A shielding cavity protects the interior from external electric or magnetic fields [3]. Shielding effectiveness (SE) is an important parameter for evaluating shielding performance [4]. SE is an indicator that quantifies the ability of a shielding body to block or reduce the transmission of electromagnetic energy, representing the ratio of the electromagnetic field intensity before and after shielding.
The design and implementation of cavity shielding involve engineering issues, including material selection, structural design, size optimization, and installation methods. In terms of material selection, conductive metals with excellent performance such as aluminum, copper, and steel are commonly used to provide good shielding. The structural design considers the enclosure, sealing, and stability of the cavity to effectively block the propagation of electromagnetic waves. In addition, the size and shape of the cavity shielding must be optimized for the best shielding performance. Cavity shielding is widely used as an EMI control technique.
Scholars have conducted extensive research on the electromagnetic shielding of perforated shielding cavities. Commonly used methods for determining the shielding effectiveness of perforated metal cavities include the equivalent circuit method (Robinson) [5], method of moments (MOM) [6], transmission line matrix method (TLM) [7], finite element method (FEM) [8], and finite-difference time-domain method (FDTD) [9]. The equivalent circuit method proposed in [5] effectively simplifies the calculation of field problems and significantly reduces the resources and time required to calculate the shielding effectiveness of a perforated single-layer shielding cavity. However, this method does not consider the energy coupled outward through the aperture after an electromagnetic wave is reflected inside the cavity, resulting in significant errors when calculating the shielding effectiveness of the cavity. The authors of [10] explored the shielding effectiveness of empty cavities; however, in practical applications, most shielding bodies aim to protect internal circuit boards and other electrical and electronic components from electromagnetic interference. Scholars have proposed different analytical methods to address cavity shielding effectiveness [11,12,13,14,15,16,17,18,19,20]. Studying the shielding effectiveness of metal cavities with internal circuit boards and other components is of practical value.
This study determines the shielding effectiveness of perforated cavities by considering different spatial and aperture configurations of the shielding body. We apply transmission line theory, Robinson’s algorithm, and electromagnetic topology theory to construct the BLT equation to calculate the shielding effectiveness of a single-layer shielding cavity irradiated by a plane wave. By placing a dielectric plate inside the shielding cavity, the effect of apertures on the internal dielectric plate of a single-layer perforated shielding cavity is investigated, including the relationship between the aperture size, location, and quantity, as well as the shielding effectiveness of the cavity and the impact of different aperture configurations on the internal dielectric plate. The accuracy and effectiveness of the model were verified by comparing the results obtained from transmission line theory, BLT equation calculations, and HFSS software simulations (2022 R1). The approach enables efficient electromagnetic shielding and protects electronic equipment and personnel from electromagnetic interference.

2. Theoretical Analysis of Cavity Shielding Effectiveness

2.1. Model of Shielding Effectiveness for Single-Hole Cavity

A metal cavity with a rectangular opening was considered. Figure 1 shows a rectangular cavity with an opening under external plane-wave irradiation. The internal dimensions of the cavity are a × b × d , and the wall thickness of the cavity is t. The rectangular opening hole is located at the center of the panel with a size of l × w . Observation point P is located inside the cavity at a distance of d z X from the opening position; the incident plane wave is perpendicular to the panel.
Figure 2 shows the equivalent circuit of the shielded cavity. In this circuit, the incident plane wave is equivalent to a voltage source with voltage V 0 and impedance Z 0 377 Ω. The shielding cavity is equivalent to a rectangular waveguide with a terminal short circuit, with a characteristic impedance of Z g 0 and a propagation constant of K g 0 .
According to the equivalent circuit method [5], the aperture impedance Z a p is expressed as
Z a p = 1 2 l a j Z 0 s tan k 0 l 2
In the equation, k 0 = 2 π / λ . For the equipment we used, Z 0 s was approximated as
Z 0 s = 120 π 2 ln 2 1 + 1 w e / b 2 4 1 1 w e / b 2 4 1
In (2), w e = w 5 t 4 π 1 + ln 4 π ω t . The size of the circular opening can be expressed as l = w = π r using Turner’s theory and calculated using (2). In the equivalent circuit shown in Figure 2, the equivalent voltage and impedance can be calculated according to Thevenin’s theorem.
V 1 = V 0 Z a p Z a p + Z 0
Z 1 = Z 0 Z a p Z a p + Z 0
According to the T E 10 propagation mode, the characteristic impedance and propagation constant are expressed as
Z g 0 = Z 0 1 λ 2 a 2
K g 0 = k 0 1 λ 2 a 2
The equivalent voltage and impedance at point d z X can be calculated as
V 2 = V 1 cos K g 0 d Z X + j Z 1 Z g 0 sin K g 0 d Z X
Z 2 = Z g 0 Z 1 + j Z g 0 tan K g 0 d Z X Z g 0 + j Z 1 tan K g 0 d Z X
Z 3 = j Z g 0 tan K g 0 d Z X
According to Davinan, the voltage V P and current I P at point P are expressed as
V P = V 2 Z 3 Z 2 + Z 3
I P = V 2 Z 2 + Z 3
According to the above formula, the shielding efficiency of the electric and magnetic fields at point P can be derived as
S E E = 20 log 10 | V P V P | = 20 log 10 | 2 V P V 0 |
S E M = 20 log 10 | I P I P | = 20 log 10 | 2 I P Z 0 V 0 |

2.2. Models of Shielding Cavities with Different Aperture Arrays

The previous section considered the electromagnetic characteristics of shielded cavities with a single aperture. To better understand the influence of rectangular and circular aperture arrays on the electromagnetic shielding ability of shielded cavities, we produced schematics of the aperture array plane distributions, as shown in Figure 3 and Figure 4, to analyze and compare the shielding effects with different shapes and numbers of apertures more intuitively.
The aperture array consists of two apertures of the same shape and size, as shown in Figure 5. According to Robinson’s theoretical research, for aperture arrays with the same shape, small spacing, and axial symmetry, the impedance of the aperture array is equal to the sum of the impedances of each aperture in the array. Thus, the impedance of a Robinson aperture array Z a p 2 is expressed as
Z a p 2 = q ln 2 × 1 + 1 w e b 2 4 1 1 w e b 2 4 1 j 120 π 2 l tan k 0 l 2 2 a
where q represents the number of openings. The Z a p 2 calculation can be incorporated into (14) to obtain the single-cavity shielding effectiveness of the hole array.
The aperture exhibits different impedances Z a p at different positions. In the low-frequency range, the electromagnetic field distributions inside the aperture and cavity are similar, which allows the mode indices p and q of the aperture to be approximately equivalent to the mode indices m and n of the cavity. However, as the frequency increases, there is a significant difference in the electromagnetic field distribution between the aperture and the interior of the cavity, resulting in mode indices p and q of the aperture that cannot be approximated by the mode indices m and n of the cavity. To describe the characteristics of the hole gap at high frequencies more accurately, the eccentricity coefficient Cm is introduced to calculate the impedance Z a p of the eccentric hole gap.
C m = x 0 x 0 + l y 0 y 0 + w α β d x d y / X Y
Z a p = 1 2 C m j Z c tan k 0 l 2
In (15), α is represented as cos n π y cos n π y y 0 / b w , β is represented as sin m π x sin m π x x 0 / a l , X and Y represent the coordinates of the center point of a single hole, x 0 and y 0 represents the starting coordinate of the bottom left corner of the hole. Using (16) for specific pore positions, we calculated the pore impedance Z a p [21] at all positions. To obtain the shielding effectiveness of the cavity corresponding to the pores at any position, we substituted specific coordinate values into the corresponding impedance calculation equation. Thus, we can calculate the impedance value of the pores and the shielding effectiveness when the pores deviate from the center, based on their specific locations and characteristics.

2.3. Model of a Perforated Single Cavity with Built-In Dielectric Plate

Next, we considered a single-cavity metal shielding model with a built-in dielectric plate. Figure 6 shows rectangular and circular cavities with holes in the mining dielectric plate located at the center of the plane. The internal structure of the cavity is a × b × d , and there is a rectangular hole with a size of l × w . Observation point P is located inside the rectangular cavity. A built-in mining dielectric plate was placed on the right side of the cavity.
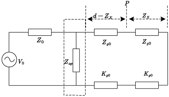
An equivalent circuit diagram of a single cavity with a built-in mining dielectric plate is shown in Figure 7. The incident electromagnetic wave is equivalent to a voltage source V 0 with a wave impedance of Z 0 377   Ω , an equivalent impedance of Z a p with an opening, a characteristic impedance of Z g 0 , an equivalent impedance of Z P C B , and a dielectric plate propagation constant of K g 0 .
The electromagnetic topological structure [22] of the single-layer shielded cavity model with a built-in dielectric plate is shown in Figure 8. Node J represents the observation point of the shielded cavity; node J 1 represents the external observation point of the cavity; J 2 represents the aperture; J 3 represents the internal observation point of the cavity; J 4 and J 5 represent the left and right ends of the dielectric plate; J 6 represents the rear end of the cavity; T represents the electromagnetic wave propagation channel in free space; T 1 represents the free space transmission channel; T 3 represents the dielectric plate transmission channel; T 2 , T 4 , and T 5 represent the internal transmission channel of the cavity; W s represents the voltage source in the equivalent circuit of the box; the voltage is represented by V 0 , V 0 = 1 V . The corresponding BLT equation is established according to Figure 8:
V = ρ + E Γ ρ 1 S
where E represents the identity matrix; S represents the node voltage S = V 0 0 0 0 0 0 0 0 0 0 T ; Γ is the composition of the electromagnetic transmission coefficients in the transmission channel, Γ = diag T 1 T 2 T 3 T 4 T 5 ; ρ is the node scattering matrix ρ = diag ρ 1 ρ 2 ρ 3 ρ 4 ρ 5 ρ 6 ; and ρ i represents the node J i scattering coefficient, where ρ 1 = 0 and ρ 6 = 1 . The scattering matrix of node J i i = 1 , 2 , , 6 is
ρ 1 = 0 ρ 2 = Y 0 Y g 0 Y a p Y 0 + Y g 0 + Y a p 2 Y g 0 Y 0 + Y g 0 + Y a p 2 Y 0 Y 0 + Y g 0 + Y a p Y g 0 Y 0 Y a p Y 0 + Y g 0 + Y a p ρ 3 = 0 1 1 0 ρ 4 = Y g 0 Y P C B Y g 0 + Y P C B 2 Y g 0 Y g 0 + Y P C B 2 Y P C B Y g 0 + Y P C B Y P C B Y g 0 Y g 0 + Y P C B ρ 5 = Y P C B Y g 0 Y g 0 + Y P C B 2 Y g 0 Y g 0 + Y P C B 2 Y P C B Y g 0 + Y P C B Y g 0 Y P C B Y g 0 + Y P C B ρ 6 = 1
where Y 0 = 1 / Z 0 is the equivalent admittance of the electromagnetic waves in free space; Y g 0 = 1 / Z g 0 is the equivalent admittance of the electromagnetic waves in the cavity; Y a p = 1 / Z a p is the equivalent admittance of the perforated cavity wall; Y P C B = 1 / Z P C B is the equivalent admittance of the dielectric plate, and Z 0 377   Ω is the wave impedance. Using Turner’s theory, the size of the circular opening is expressed as l = w = π r , where Z g 0 , Z P C B , and Z a p are represented as
Γ 1 = 0 e i k 0 d 3 e i k 0 d 3 0 Γ 2 = 0 e i k g 0 d 2 e i k g 0 d 2 0 Γ 3 = 0 e i k g 0 d d 1 d 2 d X e i k g 0 d d 1 d 2 d X 0 Γ 4 = 0 e i k P C B d X e i k P C B d X 0 Γ 5 = 0 e i k g 0 d 1 e i k g 0 d 1 0
k 0 = 2 π / λ
k g 0 = k 0 1 m λ 2 a 2 n λ 2 b 2
k P C B = k 1 1 m λ 1 2 a 2 n λ 1 2 b 2
According to the BLT equation, the voltage V p = V 22 + V 31 at the corresponding point P can be obtained. The shielding effectiveness of point P can be calculated as
S E E = 20 log 10 | 2 V P V 0 |

3. Verification of Shielding Effectiveness

3.1. Verification of Shielding Effectiveness for Single-Hole Cavity

To verify the feasibility of the theoretical analysis, we simulated the shielded cavity using HFSS software. The cavity model is shown in Figure 9. The cavity size is 300 mm × 120 mm × 300 mm; the material is iron, and the thickness is 1 mm. There is a 100 mm × 20 mm rectangular opening on the surface of the cavity, with observation point P located at (0,0,0).
In the HFSS simulation setup, we performed a frequency sweep analysis to simulate the propagation characteristics of electromagnetic waves within a specific frequency range. We set the frequency range of the plane-wave interference source to start at 0.1 GHz and end at 1 GHz. To ensure the accuracy and continuity of the results, we set a step size of 0.02 GHz. HFSS conducted multiple simulation calculations within this frequency range at intervals of 0.02 GHz. We used a discrete sweep-frequency type; HFSS simulated specified frequency points.
To simulate a free and open radiation space, we set up an air box at the periphery to represent an infinite space, allowing electromagnetic waves to propagate freely within it. The boundary conditions for the air box were chosen as radiation boundary conditions, allowing electromagnetic waves to propagate through the boundary to external space, simulating the actual radiation environment. The simulation results are presented in Figure 10.
The solid line in Figure 10 depicts the electric field shielding effect shown by the observation points inside the cavity with the opening located at the center of the front plate. We found that, although there were some deviations between the calculation results obtained from theoretical analysis and the actual measured values, they were generally consistent, fully verifying the effectiveness of the method. The simulation results show that the frequency corresponding to the minimum point of the curve is the resonant frequency; the resonant frequency of the cavity was approximately 0.7 GHz. The TE mode resonant frequency of the cavity was also approximately 0.7 GHz. The shielding effectiveness of the cavity exhibited a negative value at the resonant frequency owing to the resonance of electromagnetic waves inside the cavity.
Figure 11 shows a comparison of the circular and rectangular openings. Different hole shapes can cause electromagnetic waves to scatter and diffract to different degrees at the hole edges. At 0.5 GHz, the SE value of the circular opening was 14 dB higher than that of the rectangular opening. This is attributed to the sharp edges and corners (such as the right angle of a rectangular hole), which are more prone to strong scattering and diffraction, making it easier for the electromagnetic waves to bypass the shielding body, reducing the shielding effectiveness. In contrast, the edges of the circular holes were smoother, reducing scattering and diffraction, making it more difficult for electromagnetic waves to penetrate the shielding material. The shape of the hole also affected the current distribution on the surface of the shielding body. The long side of the rectangular hole could cross the current path in the shielding body, disrupting the uniformity of the current distribution. This weakens the shielding effect of the eddy current and antimagnetic field of the shielding body, further reducing the shielding effectiveness. Circular holes interfere less with the current distribution; thus, their shielding effectiveness is usually better.

3.2. Verification of Shielding Effectiveness for Different Aperture Arrays

We conducted experimental tests on several different hole arrays, with a cavity size of 300 mm × 120 mm × 300 mm, material set to iron, thickness set to 1 mm, and observation point P located at (0,0,0). Several types of rectangular and circular hole arrays had an area of 2000 mm2, ignoring the coupling effect between the openings. Porosity can be considered as a superposition of single-hole impedances and can be compared to single holes. The sizes and parameter settings for the different hole arrays are presented in Table 1.
Through simulation calculations, we obtained shielding effectiveness data for these models. The results indicate that reducing the size of a single hole and increasing the number of hole arrays can significantly improve the shielding effectiveness while maintaining the same opening area. This is because the edge of a single hole is prone to strong scattering and diffraction, making it easier for electromagnetic waves to bypass the shielding material and reducing the shielding effectiveness. The hole array dispersed a single hole into multiple small holes, weakening the scattering and diffraction effects of electromagnetic waves, reducing the possibility of electromagnetic waves bypassing the shielding body. When electromagnetic waves encounter a hole array, their energy is dispersed and absorbed by multiple small holes instead of being concentrated at a single point as with a single hole. The dispersed absorption helps reduce electromagnetic wave leakage and improves shielding effectiveness.
Thus, in actual design, a hole array is often used. However, as the number of hole arrays increases, the amplitude gradually decreases, although the shielding effectiveness of the box continues to improve. This means that when the number of hole arrays increases to a certain limit, their shielding effectiveness tends to stabilize, with no significant changes. From Figure 12, it is observed that with the same area of 2000 mm2, the shielding efficiency of the circular hole array was better than that of the rectangular hole array.

3.3. Verification of Shielding Effectiveness of a Single Cavity with Apertures and a Built-In Dielectric Board

To verify the accuracy of the model established in Section 2.3, we constructed a cavity model, as shown in Figure 13. The dimensions of the cavity were 300 mm × 120 mm × 300 mm, and its thickness was 1 mm. (a) There was a rectangular aperture with a size of 100 mm × 20 mm at the center of one side of the cavity. (b) There was a circular aperture with a radius of 25.24 mm at the center of one side of the cavity. Both the rectangular and circular apertures had an area of 2000 mm2. The cavity material was iron. A mining-specific dielectric board was placed inside the cavity. The thickness of the dielectric board was set to 10 mm; its permittivity was ε r = 3 , with a conductivity of 0.22 S/m. The observation point P was located at (0,0,0).
The shielding efficiency curves for the circular built-in dielectric plate cavity and the cavity are shown in Figure 14. The graph shows that at 0 to 1 GHz, the curves for the circular dielectric-free plate and the circular dielectric plate nearly overlap, indicating that their shielding effectiveness is similar at 0 to 1 GHz.
In Figure 15, we compare the shielding effectiveness curves for the rectangular built-in dielectric plate cavity and the cavity. For an empty cavity, especially around a specific frequency point (0.7 GHz), the shielding efficiency decreased significantly owing to the generation of cavity resonance. The built-in dielectric plate cavity also experienced a slight displacement of the resonance point, with a relatively small impact compared to that of the cavity. It improved the shielding efficiency near the resonance point to some extent. However, the effect of the frequency domain far from the resonance point was relatively limited.
After electromagnetic waves are coupled into the cavity, when they encounter a dielectric plate, some energy is absorbed owing to dielectric loss, which weakens the electric field strength inside the cavity and significantly improves the shielding efficiency. For electromagnetic waves incident near the resonant point, owing to their greater energy coupled into the cavity, the absorption effect of the dielectric plate is particularly prominent, resulting in greater suppression on the resonant point and significantly enhancing the shielding efficiency near the resonant point. Compared with electromagnetic waves incident far from the resonant point, the energy coupled into the cavity was lower, and the absorption effect of the dielectric plate was not significant. Thus, its shielding effectiveness was almost the same as that without a dielectric plate.
In Table 2, we set the thickness of the circular and rectangular perforated dielectric plates to 10 mm, 20 mm, and 30 mm while keeping the structure, material, size, and other parameters of the cavity consistent. Figure 16 shows that as the thickness of the dielectric plate increases, the resonant frequency of the cavity gradually decreases compared to the resonant frequency of 0.7 GHz at a thickness of 1 mm. This is because an increase in the thickness of the dielectric plate prolongs the oscillation period of the electromagnetic waves inside the cavity. In Figure 17, as the thickness of the dielectric plate increases, the shielding efficiency near the resonant frequency point of the cavity improves to a certain extent.
Figure 18 and Figure 19 show the shielding effectiveness curves for dielectric plates fixed at three different positions inside the cavity, at the rear, lower, and side ends, with rectangular and circular openings. With consistency in cavity structure, material, size, and other parameters, it is observed from Figure 18 and Figure 19 that for the same observation point, when the dielectric plate is placed at the lower end of the cavity, the shielding effectiveness at the resonance point is slightly better than that at the rear and side ends. The shielding effectiveness of the three positions at a distance from the resonance point was approximately equivalent. Thus, to effectively improve the shielding efficiency, a dielectric plate can be placed at the lower end of the cavity.

4. Conclusions

This study focuses on the characteristics of single-layer shielded cavities, combining transmission line theory, the Robinson algorithm, and electromagnetic topology theory, and derives the BLT equation to calculate the shielding effectiveness of single-layer cavities under plane-wave irradiation, with verification through HFSS simulation. This study considers the effects of hole size, shape, quantity, dielectric plate thickness, and position on shielding effectiveness. The results indicate that reducing the size of a single hole and increasing the number of hole arrays can significantly improve the shielding effectiveness when the aperture area is fixed. The presence of a dielectric plate effectively suppresses the resonance of the cavity, significantly improving the shielding efficiency near some resonance frequency points, which significantly improves the shielding efficiency. In addition, the influences of different thicknesses and positions of the dielectric plates on the shielding effectiveness were explored. The simulation results showed that as the thickness of the dielectric plate was increased, the resonant frequency of the cavity gradually decreased, which improved the shielding efficiency near the resonant frequency point of the cavity. Adjusting the position of the dielectric plate had a significant impact on the suppression effect of the resonance point. The shielding efficiency of the cavity can be effectively improved by adjusting the position of the dielectric plate.
This study provides theoretical guidance and technical support for safe coal mine production in an electromagnetic interference environment and has reference value for electromagnetic compatibility design in other fields. Through in-depth analysis of the shielding effectiveness of perforated cavities, a scientific basis for electromagnetic compatibility design is provided to more effectively protect electronic devices from electromagnetic interference, ensuring the stable operation of equipment and personnel safety.

Author Contributions

Conceptualization, X.S.; Methodology, L.G.; Software, X.L.; Validation, C.G.; Resources, L.M.; Writing—original draft, X.S.; Writing—review & editing, X.S. All authors have read and agreed to the published version of the manuscript.

Funding

This work was supported by the 14th Five Year National Key R&D Program Project (Project Number: 2023YFB3211001).

Data Availability Statement

The original contributions presented in this study are included in the article. Further inquiries can be directed to the corresponding author.

Conflicts of Interest

The authors declare no conflict of interest.

References

  1. Wu, X.; Du, P.A.; Nie, B.L. Numerical Simulation Study on Electromagnetic Shielding Characteristics of Cavity with Gaps. J. Eng. Des. 2011, 18, 197–203. [Google Scholar]
  2. Zhang, Z.; Feng, C.D. Simulation Analysis of Shielding Effectiveness of Power Supply Cases Based on HFSS. Mechanical 2020, 47, 35–41. [Google Scholar]
  3. Radivojević, V.M.; Rupčić, S.; Alilović, V.; Nešić, N. The Shielding Effectiveness Measurements of a Rectangular Enclosure Perforated with Slot Aperture. In Proceedings of the 2017 International Conference on Smart Systems and Technologies (SST), Osijek, Croatia, 18–20 October 2017; pp. 121–126. [Google Scholar]
  4. Kan, Y.; Yan, L.P.; Zhao, X. A Fast Algorithm for Multi Cavity Shielding Effectiveness Based on Electromagnetic Topology. Acta Phys. Sin. 2016, 65, 88–99. [Google Scholar]
  5. Robinson, M.P.; Benson, T.M. Analytical Formulation for the Shielding Effectiveness of Enclosures with Apertures. IEEE Trans. Electromagn. Compat. 1998, 40, 240–248. [Google Scholar] [CrossRef]
  6. Harrington, R.F. Field Computation by Moment Methods; Macmillan: New York, NY, USA, 1968. [Google Scholar]
  7. Christopoulos, C. The Transmission-line Model (TLM) Method in Electromagnetics; Morgan & Claypool: San Rafael, CA, USA, 2006. [Google Scholar]
  8. Nie, B.L.; Du, P.A. Comparative Study of the Shielding Properties of Slotted Enclosure with Inner and Outer Excitations Using FEM. Open J. Appl. Sci. 2013, 3, 47–50. [Google Scholar] [CrossRef]
  9. Kubik, Z.; Skala, J. Shielding Effectiveness Measurement and Simulation of Small Perforated Shielding Enclosure Using FEM. In Proceedings of the 2015 IEEE 15th International Conference on Environment and Electrical Engineering (EEEIC), Rome, Italy, 10–13 June 2015. [Google Scholar]
  10. Luo, J.W.; Du, P.A.; Ren, D. A Shielding Effectiveness Calculation Method for Perforated Box Based on BLT Equation. J. Phys. 2015, 64, 0107011–0107018. [Google Scholar]
  11. Hu, X.; Li, C.; Zhang, H. The Research on the Modeling and Simulation of 100 BASE-TX Physical Layer Based on CST. In Proceedings of the 2021 IEEE International Conference on Emergency Science and Information Technology (ICESIT), Chongqing, China, 22–24 November 2021; pp. 622–625. [Google Scholar]
  12. Rabat, A.; Bonnet, P.; Drissi, K.E.K.; Girard, S. Analytical Models for Electromagnetic Coupling of an Open Metallic Shield Containing a Loaded Wire. IEEE Trans. Electromagn. Compat. 2017, 59, 1634–1637. [Google Scholar] [CrossRef]
  13. Su, D.L.; Liu, H.Y.; Yang, S.C.; Zhao, Z.H.; Sui, D.H. An Analytical Method for Calculating the Shielding Effectiveness of an Enclosure with an Oblique Rectangular Aperture. Chin. J. Electron. 2019, 28, 850–855. [Google Scholar] [CrossRef]
  14. Campione, S.; Reines, C.I.; Warne, K.L. Perturbation Theory to Model Shielding Effectiveness of Cavities Loaded with Electromagnetic Dampeners. Electron. Lett. 2019, 55, 644–646. [Google Scholar] [CrossRef]
  15. Sun, H.A. Hybrid Method for Shielding Effectiveness Estimation of a Perforated Enclosure Against Planewave Excitation. Electromagnetics 2019, 39, 1–17. [Google Scholar]
  16. Nie, B.L.; Du, P.A.; Pei, X. An Improved Circuital Method for the Prediction of Shielding Effectiveness of an Enclosure With Apertures Excited by a Plane Wave. IEEE Trans. Electromagn. Compat. 2018, 60, 1376–1383. [Google Scholar] [CrossRef]
  17. Shourvarzi, A.; Joodaki, M. Using Aperture Impedance for Shielding Effectiveness Estimation of a Metallic Enclosure With Multiple Apertures on Different Walls Considering Higher Order Modes. IEEE Trans. Electromagn. Compat. 2018, 60, 629–637. [Google Scholar] [CrossRef]
  18. Ivanov, A.A.; Komnatnov, M.E.; Gazizov, T.R. Analytical Model for Evaluating Shielding Effectiveness of an Enclosure Populated with Conducting Plates. IEEE Trans. Electromagn. Compat. 2020, 62, 2307–2310. [Google Scholar]
  19. Gong, Y.F.; Li, Y.; Jiang, L. Efficient Analytical Method for the Shielding Effectiveness of an Enclosure Based on the BLT Equation. IET Sci. Meas. Technol. 2020, 14, 897–904. [Google Scholar] [CrossRef]
  20. Gong, Y.; Chen, X. An analytical Model for Predicting the Shielding Effectiveness and Resonances of a Lossy Enclosure with Apertures. J. Electromagn. Waves Appl. 2022, 36, 488–504. [Google Scholar] [CrossRef]
  21. Shi, D.; Shen, Y.; Ruan, F. Shielding analysis of enclosure with aperture irradiated by plane wave with arbitrary incident angle and polarization direction. In Proceedings of the 2008 IEEE International Symposium on Electromagnetic Compatibility, Detroit, MI, USA, 18–22 August 2008; pp. 1–5. [Google Scholar]
  22. Tesche, F.M.; Butler, C.M. On the Addition of EM Field Propagation and Coupling Effects in the BLT Equation. Revision. Interact. Notes 2004. [Google Scholar]
Figure 1. Single-cavity model with rectangular openings.
Figure 1. Single-cavity model with rectangular openings.
Applsci 15 02460 g001
Figure 2. Equivalent circuit model of a single cavity with an open hole.
Figure 2. Equivalent circuit model of a single cavity with an open hole.
Applsci 15 02460 g002
Figure 3. Rectangular: (A) double-hole; (B) four-hole; (C) six-hole.
Figure 3. Rectangular: (A) double-hole; (B) four-hole; (C) six-hole.
Applsci 15 02460 g003
Figure 4. Circular: (A) double-hole; (B) four-hole; (C) six-hole.
Figure 4. Circular: (A) double-hole; (B) four-hole; (C) six-hole.
Applsci 15 02460 g004
Figure 5. Hole-array cavity models with different shapes.
Figure 5. Hole-array cavity models with different shapes.
Applsci 15 02460 g005
Figure 6. Single-hole cavity model with built-in dielectric plate. (A) Rectangular opening (B) Circular opening.
Figure 6. Single-hole cavity model with built-in dielectric plate. (A) Rectangular opening (B) Circular opening.
Applsci 15 02460 g006
Figure 7. Equivalent circuit model of single-hole cavity with built-in dielectric plate.
Figure 7. Equivalent circuit model of single-hole cavity with built-in dielectric plate.
Applsci 15 02460 g007
Figure 8. Signal flow diagram of single-hole cavity with built-in dielectric plate.
Figure 8. Signal flow diagram of single-hole cavity with built-in dielectric plate.
Applsci 15 02460 g008
Figure 9. Simulation model of single cavity with openings.
Figure 9. Simulation model of single cavity with openings.
Applsci 15 02460 g009
Figure 10. Shielding efficiency curve for rectangular openings.
Figure 10. Shielding efficiency curve for rectangular openings.
Applsci 15 02460 g010
Figure 11. Shielding efficiency curves for circular and rectangular openings.
Figure 11. Shielding efficiency curves for circular and rectangular openings.
Applsci 15 02460 g011
Figure 12. Shielding efficiency curve for different hole arrays.
Figure 12. Shielding efficiency curve for different hole arrays.
Applsci 15 02460 g012
Figure 13. Simulation model of single-hole cavity with built-in dielectric plate. (A) Rectangular opening (B) Circular opening.
Figure 13. Simulation model of single-hole cavity with built-in dielectric plate. (A) Rectangular opening (B) Circular opening.
Applsci 15 02460 g013
Figure 14. Comparison of shielding effectiveness of circular plates with and without dielectric plates.
Figure 14. Comparison of shielding effectiveness of circular plates with and without dielectric plates.
Applsci 15 02460 g014
Figure 15. Comparison of shielding effectiveness of rectangular plates with and without dielectric plates.
Figure 15. Comparison of shielding effectiveness of rectangular plates with and without dielectric plates.
Applsci 15 02460 g015
Figure 16. Shielding efficiency curve for rectangular perforated dielectric plates with different thicknesses.
Figure 16. Shielding efficiency curve for rectangular perforated dielectric plates with different thicknesses.
Applsci 15 02460 g016
Figure 17. Shielding efficiency curve for dielectric plates with different circular opening thicknesses.
Figure 17. Shielding efficiency curve for dielectric plates with different circular opening thicknesses.
Applsci 15 02460 g017
Figure 18. Shielding efficiency curve for rectangular dielectric plate position change.
Figure 18. Shielding efficiency curve for rectangular dielectric plate position change.
Applsci 15 02460 g018
Figure 19. Shielding efficiency curve for circular dielectric plate position change.
Figure 19. Shielding efficiency curve for circular dielectric plate position change.
Applsci 15 02460 g019
Table 1. Parameter settings for different hole array sizes.
Table 1. Parameter settings for different hole array sizes.
Test NumberHole ShapeNumber of HolesHole Size (mm)
1rectangle2100·10
2rectangle450·10
3rectangle650·6.67
4circular217.85
5circular412.62
6circular610.31
Table 2. Simulation parameter settings.
Table 2. Simulation parameter settings.
Test NumberPerforated ShapeDielectric Plate Thickness (mm)Cavity Material
1circular10Iron
2circular20Iron
3circular30Iron
Disclaimer/Publisher’s Note: The statements, opinions and data contained in all publications are solely those of the individual author(s) and contributor(s) and not of MDPI and/or the editor(s). MDPI and/or the editor(s) disclaim responsibility for any injury to people or property resulting from any ideas, methods, instructions or products referred to in the content.

Share and Cite

MDPI and ACS Style

Guo, L.; Shi, X.; Li, X.; Ma, L.; Guo, C. Analysis of Shielding Effectiveness of a Cavity with Internal Dielectric Plate and Apertures. Appl. Sci. 2025, 15, 2460. https://doi.org/10.3390/app15052460

AMA Style

Guo L, Shi X, Li X, Ma L, Guo C. Analysis of Shielding Effectiveness of a Cavity with Internal Dielectric Plate and Apertures. Applied Sciences. 2025; 15(5):2460. https://doi.org/10.3390/app15052460

Chicago/Turabian Style

Guo, Laigong, Xinkang Shi, Xiaolong Li, Long Ma, and Changna Guo. 2025. "Analysis of Shielding Effectiveness of a Cavity with Internal Dielectric Plate and Apertures" Applied Sciences 15, no. 5: 2460. https://doi.org/10.3390/app15052460

APA Style

Guo, L., Shi, X., Li, X., Ma, L., & Guo, C. (2025). Analysis of Shielding Effectiveness of a Cavity with Internal Dielectric Plate and Apertures. Applied Sciences, 15(5), 2460. https://doi.org/10.3390/app15052460

Note that from the first issue of 2016, this journal uses article numbers instead of page numbers. See further details here.

Article Metrics

Back to TopTop