Research on the Attitude Control Strategy of TBM Digging with V-Shaped Propulsion System
Abstract
1. Introduction
2. V-TBM Propulsion System Analysis
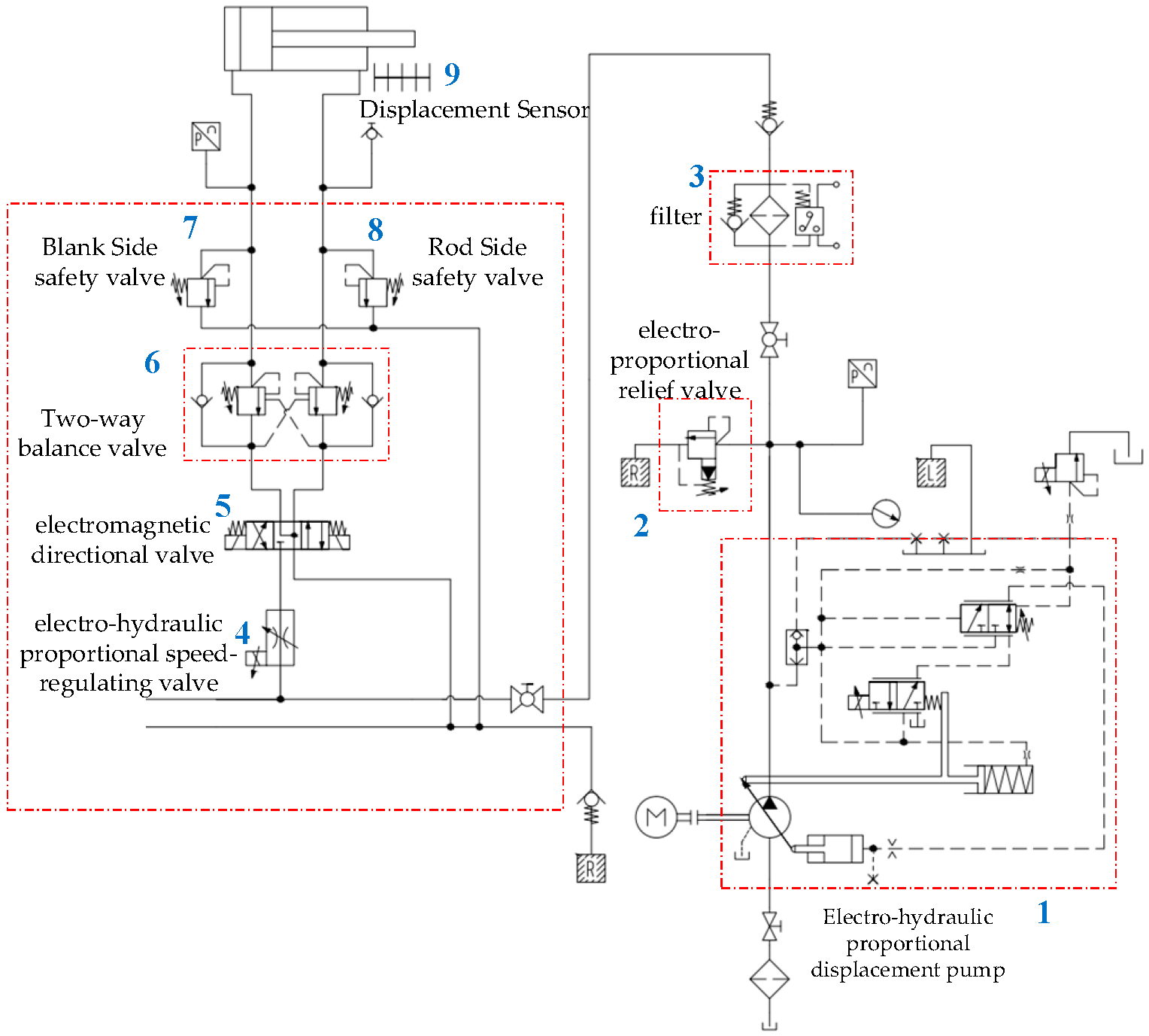
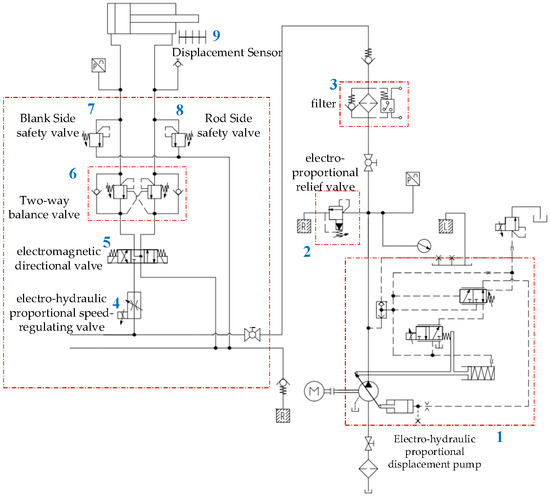
2.1. V-TBM Propulsion Hydraulic System
2.2. Mathematical Model of V-TBM Propulsion System
2.2.1. Valve-Controlled Cylinder Model Construction
2.2.2. V-TBM Propulsion System Position Modeling
3. TBM Digging Attitude Control Strategy
3.1. Nonlinear Controller Construction
3.2. Digging Attitude Control Strategy Design
4. Joint Simulation and Result Analysis
4.1. Joint Simulation Platform Construction
4.2. Simulation Results Analysis
5. Experimental Verification
6. Conclusions
Author Contributions
Funding
Institutional Review Board Statement
Informed Consent Statement
Data Availability Statement
Conflicts of Interest
References
- Li, L.; Liu, Z.; Shen, J.; Wang, F.; Qi, W.; Jeon, S. A LightGBM-based strategy to predict tunnel rockmass class from TBM construction data for building control. Adv. Eng. Inform. 2023, 58, 102130. [Google Scholar] [CrossRef]
- Zhang, Y.; Feng, X.T.; Yao, Z.; Zhang, W.; Hu, L.; Wang, J.; Quan, Y. Failure characteristics and development mechanism of fault rockburst in a deep TBM tunnel: A case study. Acta Geotech. 2023, 18, 5575–5596. [Google Scholar] [CrossRef]
- Pan, Y.; Wang, Z.; Sun, L.; Chen, J.J. Dynamic prediction and multi-objective optimization on driving position of tunnel boring machine (TBM): An automated deep learning approach. Acta Geotech. 2024, 19, 5611–5636. [Google Scholar] [CrossRef]
- Lijie, D.; Xiaoyong, W.; Liying, D.; Yongwei, Q.; Xiangbo, Z. Comparative analysis of adaptability of open TBM small curve turning radius. Inst. Mech. Eng. 2024, 238, 6813–6830. [Google Scholar] [CrossRef]
- Hou, T.; Xie, Z.; Zhang, L.; Cui, G.; Ding, Z.; Qiu, H.; Li, Y. TBM Rapid Tunneling Roadway Support Parameters Design and Process Research. Processes 2023, 11, 2708. [Google Scholar] [CrossRef]
- Xu, Y.; Liu, X.; Xu, J. Research on the structural rigidity characteristics of a reconfigurable TBM thrust mechanism. Chin. J. Mech. Eng. 2019, 32, 107. [Google Scholar] [CrossRef]
- Lin, P.; Ji, A.; Zhou, Y.; Zhang, L.; Tiong, R.L. Automated position control of tunnel boring machine during excavation using deep reinforcement learning. Appl. Soft Comput. 2024, 167, 112234. [Google Scholar] [CrossRef]
- Cardu, M.; Catanzaro, E.; Farinetti, A.; Martinelli, D.; Todaro, C. Performance analysis of tunnel boring machines for rock excavation. Appl. Sci. 2021, 11, 112234. [Google Scholar] [CrossRef]
- Gong, G.; Hong, K.; Zhou, T.; Hou, D.; Wang, L. Research on shield tunneling attitude control based on fuzzy PID method. Tunn. Constr. 2014, 34, 608–613. [Google Scholar]
- Jan, P.; Yang, C.; You, Y.; Jin, L.; Zang, J.; Xu, S. Research and application of shield tunneling attitude automatic control technology. Tunn. Constr. (Chin. Engl.) 2023, 43, 1795–1800. [Google Scholar]
- Jia, G.; Huo, J.; Yang, B.; Wu, Z. The Real-Time Optimal Attitude Control of Tunnel Boring Machine Based on Reinforcement Learning. Appl. Sci. 2023, 13, 10026. [Google Scholar] [CrossRef]
- Fu, X.; Ponnarasu, S.; Zhang, L.; Tiong, R.L.K. Online multi-objective optimization for real-time TBM attitude control with spatio-temporal deep learning model. Autom. Constr. 2024, 158, 105220. [Google Scholar] [CrossRef]
- Yun, H.; Long, Q.; Jia, H.H. Research on the performance of electro-hydraulic proportional flow valve controlled by active pilot pump. Proc. Inst. Mech. Eng. Part E J. Process Mech. Eng. 2017, 231, 720–731. [Google Scholar]
- Xie, Y.; Zhang, H.; She, L.; Xiao, G.; Zhai, C.; Pan, T.C. Design and implementation of an efficient tracking differentiator. IEEE Access 2019, 7, 101941–101949. [Google Scholar] [CrossRef]
- Xie, M.; Wang, H.; Li, S.; Tian, B.; Liu, Y.; Zhang, H. Research on tunneling parameters of TBM under ultra-small turning conditions based on field data. Mod. Tunneling Technol. 2023, 60, 58–66. [Google Scholar]












| Component | Motor | Pump | Balancing Valve | Hydraulic Cylinder | Matrix | |||||
|---|---|---|---|---|---|---|---|---|---|---|
| physical quantity | speed/ (rev/min) | displacement/ (cc/rev) | check valve rupture pressure /bar | flow pressure gradient/ (L/min/bar) | bore/mm | shaft diameter/ mm | course/mm | coefficient of viscous friction/ (N.s.m−1) | equivalent mass/ kg | maximum load/ N |
| parameters | 1000 | 85 | 5 | 80 | 240 | 200 | 1000 | 1000 | 1073.9 | 106 |
Disclaimer/Publisher’s Note: The statements, opinions and data contained in all publications are solely those of the individual author(s) and contributor(s) and not of MDPI and/or the editor(s). MDPI and/or the editor(s) disclaim responsibility for any injury to people or property resulting from any ideas, methods, instructions or products referred to in the content. |
© 2025 by the authors. Licensee MDPI, Basel, Switzerland. This article is an open access article distributed under the terms and conditions of the Creative Commons Attribution (CC BY) license (https://creativecommons.org/licenses/by/4.0/).
Share and Cite
Wang, H.; Xu, L.; Zhou, X.; Guo, B.; Cai, L. Research on the Attitude Control Strategy of TBM Digging with V-Shaped Propulsion System. Appl. Sci. 2025, 15, 2244. https://doi.org/10.3390/app15042244
Wang H, Xu L, Zhou X, Guo B, Cai L. Research on the Attitude Control Strategy of TBM Digging with V-Shaped Propulsion System. Applied Sciences. 2025; 15(4):2244. https://doi.org/10.3390/app15042244
Chicago/Turabian StyleWang, Huabei, Liping Xu, Xiaolei Zhou, Bingjing Guo, and Liujin Cai. 2025. "Research on the Attitude Control Strategy of TBM Digging with V-Shaped Propulsion System" Applied Sciences 15, no. 4: 2244. https://doi.org/10.3390/app15042244
APA StyleWang, H., Xu, L., Zhou, X., Guo, B., & Cai, L. (2025). Research on the Attitude Control Strategy of TBM Digging with V-Shaped Propulsion System. Applied Sciences, 15(4), 2244. https://doi.org/10.3390/app15042244

