Structural Design and Vibration Suppression Characteristics Analysis of Semi-Active Eddy Current Damping Seat
Abstract
1. Introduction
2. Structural Design of Semi-Active Vibration Damping Seat Based on Eddy Currents
2.1. Eddy Current Damping Seat Model
2.2. The Principle and Basic Equation of Eddy Current Damping Vibration Suppression
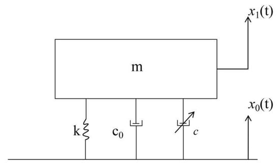
3. Establishment of a Single-Degree-of-Freedom Eddy Current Damping Vibration Suppression Model
3.1. Establishment of Eddy Current Damping Vibration Suppression Model
- S is the projected area of the electromagnet on the conductor plate.
- T is the thickness of the conductor plate.
- B is the magnetic flux density.
- σ is the electrical resistivity (Ω·m).
3.2. Analysis of Vibration Characteristics of Eddy Current Damping Vibration Suppression Model
4. Maxwell’s Finite Element Simulation Analysis
4.1. Simplified Model Building and Parameter Setting for Electromagnetic Simulation
4.2. Analysis of Simulation Results
4.2.1. Frequency Domain Amplitude Response
4.2.2. Time Domain Amplitude Response
4.2.3. Eddy Current Resistance Force Response
4.2.4. Vibration Suppression Evaluation and Control Strategy
5. Comparison of Theoretical Calculation and Simulation Analysis
6. Conclusions and Prospect
- (1)
- Compared to light load conditions, heavy load conditions result in resonance peaks occurring at lower frequencies, with wider isolation bandwidths, making them more controllable.
- (2)
- Increasing the magnetic potential value effectively suppresses resonance peaks, but it shifts the resonance peak to the right and narrows the isolation frequency band.
- (3)
- In the near-resonance band, insufficient or negligible damping can lead to strong beating phenomena in the response due to excitation. After leaving the resonance band, the response may exhibit a combination of excitation vibration and inherent vibration, resulting in frequent fluctuations that are challenging to stabilize. However, by using an eddy current damper to increase damping, effective suppression can be achieved.
- (4)
- Based on the differences in response across different frequency bands, a control strategy is proposed that balances effective damping and energy conservation.
- (5)
- The results of the theoretical model and the finite element simulation model are compared and the reasons for the errors are analyzed.
Author Contributions
Funding
Institutional Review Board Statement
Informed Consent Statement
Data Availability Statement
Conflicts of Interest
References
- Huang, B. Research Review on Dynamic Comfort of Automotive Seat Systems. Automob. Sci. Technol. 2001, 6, 13–16. [Google Scholar]
- Mehta, C.R.; Tewari, V.K. Seating discomfort for tractor operators a critical review. Int. J. Ind. Ergon. 2000, 25, 661–674. [Google Scholar] [CrossRef]
- Li, M. Research on Vehicle Seat Sitting Comfort based on Passengers’ Pressure Distribution and Physiologic Information; Jilin University: Changchun, China, 2020; pp. 22–81. [Google Scholar]
- Du, X. Research on Seat Design of New Energy Vehicle Based on Ergonomics; Changchun University of Technology: Changchun, China, 2020; pp. 20–24+43–56. [Google Scholar]
- Prabhahar, M.; Lakshminarayanan, N.; Muhammed, K.A.; Vishnu, M.K.; Varghese, V. Design of automobile car seat vibration analysis due to road excitation using CATIA. Mater. Today Proc. 2021, 45, 6287–6291. [Google Scholar] [CrossRef]
- Yao, W. Study on Structural Safety of Automobile Seat and the Vibration Absorption Performance of Air Suspension Seat; Jilin University: Changchun, China, 2005; pp. 112–134. [Google Scholar]
- Wos, P.; Dziopa, Z. Study of the Vibration Isolation Properties of a Pneumatic Suspension System for the Seat of a Working Machine with Adjustable Stiffness. Appl. Sci. 2024, 14, 6318. [Google Scholar] [CrossRef]
- Maciejewski, I.; Pecolt, S.; Błażejewski, A.; Krzyzynski, T.; Glowinski, S. Controller of Pneumatic Muscles Implemented in Active Seat Suspension. Appl. Sci. 2024, 14, 6385. [Google Scholar] [CrossRef]
- Sun, S.; Yang, J.; Wang, P.; Nakano, M.; Shen, L.; Zhang, S.; Li, W. Experimental Study of a Variable Stiffness Seat Suspension Installed With a Compact Rotary MR Damper. Front. Mater. 2021, 8, 594843. [Google Scholar] [CrossRef]
- Zhang, P.; Tang, L.; Yue, E.; Luo, S. Research advance in durability and its effect factors of magnetorheological fluid. J. Magn. Mater. Devices 2021, 48, 58–72. [Google Scholar]
- Yang, F.; Sedaghati, R.; Esmailzadeh, E. Vibration suppression of structures using tuned mass damper technology: A state-of-the-art review. J. Vib. Control 2022, 28, 812–836. [Google Scholar] [CrossRef]
- Xu, H.; Lu, K.; Wang, X. Review of Magnetic Fluids and Their Applications to Vibration Reduction. J. Eng. Res. Rep. 2022, 23, 1–12. [Google Scholar]
- Yue, T.; Wang, T.; Zhou, X.; Lei, H.; Hu, K.; Fang, H.; Zou, J. A review of Vehicle-Mounted Magnetorheological Damper. Movable Power Stn. Veh. 2024, 55, 63–67. [Google Scholar]
- Peng, J.; Li, Y.; Xu, W.; Wu, Q.; Lin, G. Research and Development Status of Magneto-rheological Shock Absorbers. Automob. Appl. Technol. 2023, 48, 198–203. [Google Scholar]
- Xiao, D.; Pan, Q.; He, T. Design and Analysis of a Novel Eddy Current Damper. Noise Vib. Control 2014, 34, 197–201. [Google Scholar]
- Chen, Z.; Huang, Z.; Wang, J.; Niu, H. Basic Requirements of Tuned Mass Damper for Bridges and the Eddy Current TMD. J. Hunan Univ. 2013, 40, 6–10. [Google Scholar]
- Amjadian, M.; Agrawal, A.K. Modeling design and testing of a proof-of-concept prototype damper with friction and eddy current damping effects. J. Sound Vib. 2018, 413, 225–249. [Google Scholar] [CrossRef]
- Chen, Z.; Tian, J.; Huang, Z.; Wang, J. Calculation and Test Correction Method of Plane Type Eddy Current Damping Coefficient. China J. Highw. Transp. 2016, 29, 46–53. [Google Scholar]
- Lu, L.; Li, J.; Yang, D. Finite Element Simulation and Parameter Optimization of Plate Eddy Current TMD. Struct. Eng. 2022, 38, 76–84. [Google Scholar]
- Yang, Y.; Xu, D. Vibration suppression of NC machining based on eddy current dampers. J. Vib. Shock 2016, 35, 177–181+187. [Google Scholar]
- Luo, S. Theoretical Study of The Eddy Current Brake Based On Maxwell 3D; Huazhong University of Science and Technology: Wuhan, China, 2012. [Google Scholar]
- Chen, Z.; Hua, X.; Niu, H.; Huang, Z.; Zhang, H.; Chen, J. Technological Innovations in Eddy Current Damping and Its Application in Civil Engineering. China J. Highw. Transp. 2020, 33, 83–100. [Google Scholar]
- Huang, T.; Gao, Q.; Liu, Z.; Liu, D. Numerical simulation for characteristics of planar eddy current damper under high impact load. J. Vib. Shock 2022, 41, 305–310. [Google Scholar]
- Shen, F.; Zhao, C.; Xia, L. Study of Braking Torque of Double Stators-Single Rotor Electromagnetic Brake with Different Magnetic Circuits Based on Maxwell 3D. Electr. Mach. Control Appl. 2018, 45, 14–19. [Google Scholar]
- Meng, X.; Yu, H.; Rui, X.; Zhang, F.; Wei, M. MRD Modeling and Its Application in Seat Cushioning. Noise Vib. Control 2017, 37, 58–62+81. [Google Scholar]
- Shen, Z. Study on Parameters and Vibration Reduction Principle of Eddy Current Damper; Kunming University of Science and Technology: Kunming, China, 2021; p. 24. [Google Scholar]
- Pu, H.; Yuan, S.; Peng, Y.; Meng, K.; Zhao, J.; Xie, R.; Huang, Y.; Sun, Y.; Yang, Y.; Xie, S.; et al. Multi-layer electromagnetic spring with tunable negative stiffness for semi-active vibration isolation. Mech. Syst. Signal Process. 2019, 121, 942–960. [Google Scholar] [CrossRef]
- Ma, Z.; Zhou, R.; Yang, Q. Recent Advances in Quasi-Zero Stiffness Vibration Isolation Systems: An Overview and Future Possibilities. Machines 2022, 10, 813. [Google Scholar] [CrossRef]
- Cui, R. Research on Permanent Magnet Eddy Current Damping for Large Precision Vibration Isolation; Harbin Institute of Technology: Harbin, China, 2022; p. 30. [Google Scholar]
- Huang, Z. Theoretical Study of Eddy Current Damper and Its Application in Vertical Vortex-induced Vibration Control of Bridges; Hunan University: Changsha, China, 2016; pp. 48–124. [Google Scholar]
- Chai, K.; Hu, J.; Wei, Y.; Liu, S. Design and Test of Electromagnetic Quasi-Zero Stiffness Isolator. Ship Eng. 2023, 45, 62–68. [Google Scholar]
- Zhao, J.; Wang, Z.; Lv, Y.; Na, J.; Liu, C.; Zhao, Z. Data-Driven Learning for H∞ Control of Adaptive Cruise Control Systems. IEEE Trans. Veh. Technol. 2024, 73, 18348–18362. [Google Scholar] [CrossRef]































| Load/kg | Frequency/Hz |
|---|---|
| 60 | 4.59 |
| 70 | 4.25 |
| 80 | 3.98 |
| 90 | 3.75 |
| 100 | 3.56 |
| Frequency/Hz | Magnetic Potential/AT | Load/kg |
|---|---|---|
| 4~10 | 0, 2000, 4000, 8000, 10,000 | 60, 70, 80, 90, 100 |
Disclaimer/Publisher’s Note: The statements, opinions and data contained in all publications are solely those of the individual author(s) and contributor(s) and not of MDPI and/or the editor(s). MDPI and/or the editor(s) disclaim responsibility for any injury to people or property resulting from any ideas, methods, instructions or products referred to in the content. |
© 2025 by the authors. Licensee MDPI, Basel, Switzerland. This article is an open access article distributed under the terms and conditions of the Creative Commons Attribution (CC BY) license (https://creativecommons.org/licenses/by/4.0/).
Share and Cite
Wu, S.; Zhou, X.; Xu, H.; Mu, P. Structural Design and Vibration Suppression Characteristics Analysis of Semi-Active Eddy Current Damping Seat. Appl. Sci. 2025, 15, 1811. https://doi.org/10.3390/app15041811
Wu S, Zhou X, Xu H, Mu P. Structural Design and Vibration Suppression Characteristics Analysis of Semi-Active Eddy Current Damping Seat. Applied Sciences. 2025; 15(4):1811. https://doi.org/10.3390/app15041811
Chicago/Turabian StyleWu, Shaofeng, Xiaoming Zhou, Hongrui Xu, and Puwei Mu. 2025. "Structural Design and Vibration Suppression Characteristics Analysis of Semi-Active Eddy Current Damping Seat" Applied Sciences 15, no. 4: 1811. https://doi.org/10.3390/app15041811
APA StyleWu, S., Zhou, X., Xu, H., & Mu, P. (2025). Structural Design and Vibration Suppression Characteristics Analysis of Semi-Active Eddy Current Damping Seat. Applied Sciences, 15(4), 1811. https://doi.org/10.3390/app15041811

