You are currently viewing a new version of our website. To view the old version click .
Applied Sciences
  • Article
  • Open Access

13 September 2025

Study on an Accurate Magnetic Network Model of Eccentric Magnet-Shaped Permanent Magnet Synchronous Motor

,
,
,
,
,
and
State Key Laboratory of High Density Electrical Energy Conversion, Huazhong University of Science and Technology (HUST), Wuhan 430074, China
*
Author to whom correspondence should be addressed.
This article belongs to the Section Electrical, Electronics and Communications Engineering

Abstract

Permanent magnet synchronous motors (PMSMs) find extensive application across diverse domains thanks to their merits of high torque density and efficiency. An eccentric magnet-shaped design for a permanent magnet (PM) can effectively reduce the harmonic components in the air-gap magnetic field and suppress the torque ripple of the motor. The electromagnetic performance of the PMSMs is mostly analyzed by the finite element method (FEM), which requires a lot of time and computational resources. Therefore, a rapid optimization method for eccentric magnet-shaped PMSMs is proposed based on an accurate magnetic network model (MNM). The magnetic field characteristics of a six-phase eccentric magnet-shaped PMSM are analyzed based on the proposed model. Firstly, through an analysis of the motor’s magnetic circuit, an accurate MNM is established. Then, the established model is employed to achieve rapid and accurate calculation of the air-gap flux density (AGFD). Finally, the PM’s structure parameters are optimized. After the optimization by MNM, cogging torque (peak-to-peak) reduced from 2.2 N·m to 0.74 N·m; torque ripple (rated condition) from 0.14% to 0.05%; MNM time 20–30 s vs. FEM time 820 s. Compared with the experimental results, the MNM exhibits an error of 5.04% in EMF, 1.16% in output torque, and 0.67% in torque ripple. The effectiveness and accuracy of the MNM have been verified. The MNM can significantly shorten the design period while ensuring the calculation accuracy.

1. Introduction

Motors are the most widely used equipment in industrial production, which serve as the core components for electromechanical energy conversion. The performance of motors directly affects the efficiency of the entire industrial production process. Traditional induction motors have simple structures and low manufacturing costs, but they have shortcomings in efficiency and power factor. The emergence of PMSMs has brought new opportunities for the improvement of motor performance. With advantages including small size, light weight, high efficiency, high power factor, high torque density, and outstanding speed regulation performance, PMSMs have been widely applied in fields such as industrial automation equipment, wind power generation, and electric vehicles. PMSMs have become an important direction in the development of modern motor technology [1,2].
Currently, three-phase motors are the primary type of PMSMs, but their winding characteristics make it difficult to eliminate low-order harmonics, such as the fifth and seventh, which could lead to serious torque ripple. Therefore, three-phase motors cannot meet the strict requirements for vibration and noise in certain industry fields. In contrast, multi-phase motors exhibit reduced torque ripple, greater torque density, and better fault-tolerant performance [3,4,5,6,7]. The torque ripple, vibration, noise, and electromagnetic properties of PMSMs are closely linked to the AGFD. Specifically, the more the AGFD waveform approximates a sine wave, the smaller the motor’s cogging torque and torque ripple will be [8,9,10]. Therefore, identifying a method that can quickly calculate the AGFD and optimize the flux density waveform is of great significance to the multi-phase PMSMs.
As one of the key components of PMSMs, PMs directly affect the performance parameters of the motor. In the design of PMSMs, the optimization of the shape of PMs is generally regarded as the most effective method to suppress vibration and noise [11]. By using magnet-shaped technology, the sinusoidal characteristics of the AGFD can be notably improved [12]. The main methods of magnet-shaped technology include sine optimization, inverse cosine optimization, and eccentric optimization. The sine optimization method involves approximating the outer surface of the PM as a sinusoidal arc [13,14,15]. The inverse cosine optimization method optimizes the air-gap length according to the arccosine function of the rotor position angle θ, thereby obtaining an AGFD close to a sinusoidal waveform [16]. These two methods are primarily designed for radially magnetized PMs. For parallel magnetized PMs, the eccentric magnet-shaped method is often used, which could change the concentric arcs of the outer and inner parts of the PM to eccentric arcs, thereby improving the waveform of the AGFD [17].
The power electronic devices for PMSMs include silicon carbide (SiC) MOSFETs and insulated gate bipolar transistors (IGBTs). Among them, SiC-based inverters feature a smaller volume and higher peak efficiency, while IGBTs hold an advantage in cost-effectiveness for medium- and low-voltage applications. The motor in this paper is controlled by IGBTs. In terms of control algorithms, PMSMs can adopt various methods such as model predictive control (MPC), sliding mode control, adaptive control, and direct torque control (DTC). In [18], a feedback linearization (FL)-based DTC for an asymmetrical six-phase PMSM is proposed; this method achieves less torque and flux ripple in the primary subspace and less harmonic currents in the secondary subspace. A robust MPC with Luenberger observer to compensate the localization error of the reference vector for a six-phase PMSM drive is proposed in [19], the two-step synthesis technique is employed to increase the tracking capability in the primary subspace, the cost function is defined in the form of the voltage vector error directly, thus greatly simplifying the control structure, and experimentations are conducted to verify the validity of the method.
The main methods for calculating the AGFD of PMSMs include analytical methods, hybrid subdomain methods, magnetic mesh methods, and FEMs. The analytical method is employed in [20] to obtain the mathematical expression of the AGFD by analyzing the parameters of the PMs, making it possible to calculate the motor structure design parameters based on the desired sinusoidal degree of the AGFD. In [21], a modified magnetomotive force and permeability model is established based on the flux modulation theory. With this model, the flux density of the vernier permanent magnet motor can be calculated accurately and efficiently, and on this basis, the no-load back-EMF is calculated. Employing angle-preserving transformations and the principle of flux continuity, spoke-type PMSMs with eccentric pole arc shapes based on a simple magnetic circuit model are developed in [22]. Hybrid subdomain methods are adopted in [23], where the stator, rotor, PMs, and slots are divided into different subdomains, enabling more accurate calculation of the AGFD in the eccentric-pole motors. A method for calculating flux density that combines Maxwell’s equations with a magnetic equivalent circuit (MEC) framework for induction motors is proposed in [24]. The distribution of the main flux and leakage flux inside the motor can be accurately computed. J. Liu proposed a prediction method for the electromagnetic performance of magnetic gear permanent magnet (MGPM) motors in [25]. Based on a hybrid subdomain model, this method fully accounts for the magnetic saturation in the stator and rotor iron cores and successfully predicts the motor’s electromagnetic performance. D. Cao et al. proposed a novel parameterized equivalent magnetic network (EMN) modeling method for the multi-objective optimization of surface-mounted permanent magnet (SMPM) motors. In this method, the structure of the network grid varies with the parameters of the modeling region, thereby achieving the optimization of the motor’s torque performance [26,27]. An analytical method is given in [28], which can calculate the AGFD based on precise subdomain models and discrete ideas. A finite element analysis of segmented Halbach eccentric-pole motors is conducted in [29], and the results show that segmented eccentric poles exhibit significant potential in achieving low torque ripple and high output torque. Rani S et al. proposed a FEM-based motor structure optimization method for switched reluctance motors (SRMs), aiming to reduce the motor torque ripple without significantly changing the average torque [30].
Currently, the analysis and optimization methods for multi-phase eccentric magnet-shaped PMSMs have some shortcomings. Present analysis methods for magnet-shaped PMSMs mainly adopt the FEM or the hybrid subdomain method. The magnetic networks in these methods are mostly designed for PMs with radial magnetization. These magnetic network models are relatively simple and have single applicability, making them unable to be applied to other structures. Furthermore, few studies consider the influence of saturation nonlinearity. In terms of optimization methods, the FEM is currently the most widely used and effective method. However, for multi-phase magnet-shaped PMSMs, the application of the FEM involves a huge amount of computation. During the initial design stage, it is necessary to perform multi-parameter scanning on many parameters, which consumes a lot of time. As a result, the computational efficiency is difficult to meet the requirements of actual production. In contrast, other optimization methods often suffer from insufficient accuracy. Therefore, it is necessary to propose a motor design and optimization method that balances calculation speed and accuracy.
This paper presents an accurate magnetic network model for eccentric magnet-shaped PMSMs, aiming to accurately calculate the electromagnetic performance of the motor. The model is established by analyzing the motor’s magnetic circuit structure, which includes stator, rotor, air-gap, and PMs. By using the MNM, the AGFD is calculated. The accuracy of MNM is verified by the comparison of the results of the MNM and the FEM. Finally, the experiment is conducted on a six-phase 50 kW rated power motor to verify the effectiveness of MNM.
The innovations of this paper are as follows: The parameterized MNM for multi-phase motors has high accuracy and takes the influence of saturation nonlinearity into account. This model can refine local regions according to the specific characteristics of the motor. The MNM enables fast calculation of the motor’s AGFD and can improve computational efficiency while ensuring accuracy, thereby saving time and costs. Meanwhile, this model exhibits universality; it can be applied to other surface-mounted PMSMs by modifying the parameters of the permanent magnet. Furthermore, the MNM is applied to optimize the cogging torque and output torque of the PMSM, which significantly reduces the motor’s torque ripple.

2. Materials and Methods

The MNM and the FEM are the main tools in this paper. With the MNM, the magnetic circuit calculation method for the motor is derived, equivalent simplification is performed on different types of magnetic resistances and magnetic sources, an MNM of the motor is established, and finally, the analytical solution of the motor’s AGFD is rapidly calculated. The FEM is a numerical calculation method for solving complex engineering problems. It conducts modeling and analysis by discretizing a continuous system into a finite number of interconnected elements. In this paper, specifically, it refers to the method of calculating the motor in finite element simulation software to obtain results.

2.1. Magnetic Circuit Model of the Motor

2.1.1. Eccentric Magnet-Shaped PMSM Model

Owing to the symmetry of the magnetic circuit in PMSMs, it is only necessary to model one pole portion of the motor, which is sufficient to determine the entire magnetic circuit distribution. The eccentric magnet-shaped motor model of one pole portion is illustrated in Figure 1. Considering processing and edge demagnetization, the edges of the PMs are cut, as indicated by the dashed lines in the figure. The motor model uses an x-y coordinate system, where the y axis represents the magnetization direction, rs is the inner diameter of the stator, O1 is the center of the rotor, O2 is the center of the outer arc of the PM’s surface, r0 is the radius of the outer arc of the PM’s surface, r1 is the radius of the rotor, r2 is the distance between the center point of the PM’s outer surface and the rotor center, θ is the motor position angle, θ1 is the angle at which the boundary of PM is located, h is the distance between the center of the outer and inner arc circles of the PM, g(θ) is the air-gap width at an angle of θ, T(θ) is the thickness of the PM at an angle of θ, and p is the number of pole pairs in the motor.
Figure 1. Model of one pole part for eccentric magnet-shaped PMSM.
The expressions for r2 and θ1 are as follows:
r 2 = r 0 + h θ 1 = π 2 π 2 p ,
T(θ) is the length of the PMs in the direction of magnetization. Since the PMs adopt the magnet-shaped method, T(θ) is a value that changes with the position angle. In the polar coordinate system, L(θ) is the radial distance between the outer surface arc of PM and the rotor center at an angle of θ.
The mathematical equation of L(θ) and its length are shown in (2).
            x 2 + y h 2 = r 0 2 x = ρ 1 cos θ             y = ρ 1 sin θ L θ = ρ 1 = h sin θ + r 0 2 + h 2 sin 2 θ h 2 ,
where x is the abscissa and y is the ordinate in the x-y coordinate system, and ρ1 is the polar radius in the polar coordinate system.
ρ2 is the radial distance between the inner surface arc of PM and the rotor center; its length is the same as r1, as shown in (3).
ρ 2 = r 1 ,
Tr(θ) is the radial thickness of PM.
T r θ = ρ 1 ρ 2 = h sin θ + r 0 2 + h 2 sin 2 θ h 2 ,
T(θ) is shown as follows:
T θ = T r θ sin θ r 1 2 T r θ cos 2 θ θ θ 1 , π θ 1 ,
The distribution of air-gap length g(θ) is expressed as follows:
g θ = r s r 1 T θ ,

2.1.2. Stator Magnetic Circuit Model

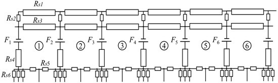
This paper focuses on the research of 6-phase magnet-shaped PMSMs. A schematic diagram of a single slot of the stator is shown in Figure 2. The magnetic network of the stator part under one pole is illustrated in Figure 3. Considering the impact of the PM structure on the motor, the magnetic circuit of the stator is simplified. The stator yoke is divided into two layers of tangential magnetic reluctance, Rs1 and Rs3, and one layer of radial magnetic reluctance, Rs2. Since the stator flux flows mainly through the teeth, the influence of the leakage flux in the teeth is ignored. The teeth are mainly divided into internal radial reluctance Rs4 and external radial reluctance Rs6. The excitation of the windings in the slot is treated as a uniform magnetic source placed in adjacent teeth, with the slot being equivalent to two layers: the inner layer, which consists of upper and lower equally wide rectangular slots, and the outer layer, designed as a trapezoid and equivalent to a single layer of tangential magnetic reluctance Rs5. hs is the slot depth, bs is the slot width, hs0 is the slot shoulder height, bs0 is the slot width, Wt is the stator tooth width, and Fξ (ξ = 1, 2, 3…) is the magnetomotive force (MMF) in the ξth tooth.
Figure 2. The magnetic resistance division of a single stator slot.
Figure 3. The magnetic resistance division of the single-pole stator. Where the numbers 1–6 marked in the circles represent the six stator slots corresponding to the six phases.
According to the structure parameters of the motor, the calculation formulas of magnetic resistance are as follows:
R s 1 = R s 3 = π p r d + r s + h s + h s 0 2 3 μ 0 μ r L r d r s h s h s 0 ,
R s 2 = 6 r d r s h s h s 0 μ 0 μ r L π p r d + r s + h s + h s 0 2 ,
R s 4 = h s μ 0 μ r L × W t ,
R s 5 = ( b s 0 + b s ) h s 0 4 μ 0 L × h s 0 ,
R s 6 = ( 2 W t + b s 0 b s ) × h s 0 4 μ 0 μ r L ( W t + b s 0 b s ) 2 × 3 ,
where μ0 is the vacuum permeability, μr is the relative permeability of the stator silicon steel sheet of the motor, L is the motor’s axial length, and rd is the outer diameter of the stator.
For a 6-phase motor, the phase currents of one pole are defined as iA1iA6, respectively. The slot currents of the motor are shown in Table 1.
Table 1. Stator current per slot of one pole for 6-phase motor.
The currents iA1iA6 can be expressed as follows:
i A 1 = 2 I N cos ω t i A 2 = 2 I N cos ω t π 6 i B 1 = 2 I N cos ω t 2 π 3 i B 2 = 2 I N cos ω t 5 π 6 i C 1 = 2 I N cos ω t 4 π 3 i C 2 = 2 I N cos ω t 3 π 2 ,
The MMF calculation formulas of loop 1 to loop 6 can be shown as follows:
F 1 F 2 = 2 N C i A 1 F 2 F 3 = 2 N C i A 2 F 3 F 4 = 2 N C i C 1 F 4 F 5 = 2 N C i C 2 F 5 F 6 = 2 N C i B 1 F 6 + F 1 = 2 N C i B 2 ,
After simplifying the formula, the values of F1F6 can be obtained, as shown in (14):
F 1 = 2 N C i C 1 i C 2 F 2 = 2 N C i B 1 i C 2 F 3 = 2 N C i B 1 + i B 2 F 4 = 2 N C i A 1 + i B 2 F 5 = 2 N C i A 1 i A 2 F 6 = 2 N C i C 1 i A 2 ,

2.1.3. Air-Gap and Permanent Magnet Magnetic Circuit Model

The PM employs an eccentric magnet-shaped method, which generates an approximate sinusoidal magnetic field in the air-gap, thereby reducing MMF harmonics. Since parallel magnetization is adopted in the PMs, the magnetic circuits of the air-gap and PMs are divided in a direction parallel to the PMs. The air-gap part is divided into two layers of perpendicular magnetic resistance and two layers of tangential magnetic resistance. Because the relative permeability of PM is approximately 1, the magnetic resistance of PM is considered equal to that of air. The air-gap magnetic resistance is divided into 24 branches according to the branch, corresponding with the stator magnetic circuit division from the previous section. The magnetic circuits of the air-gap and PM are illustrated in Figure 4.
Figure 4. The magnetic resistance division of the air-gap and permanent magnet. Where Fpmn (n = 1, 2, 3…) is the equivalent MMF, and the numbers 1, 2, 3, …, k with circles represent the 1st to kth branches in the MNM.
The air-gap magnetic reluctance can be expressed as follows:
R g 1 = R g 2 = R g 3 = r s r 1 μ 0 L r s + r 1 2 × 2 sin π 2 p × 24 3 = 8 r s r 1 μ 0 L r s + r 1 sin π 2 p ,
R t = r s + r 1 2 × 2 sin π 2 p μ 0 L r s r 1 × 2 24 = r s + r 1 sin π 2 p 12 μ 0 L r s r 1 ,
where Rg1, Rg2, and Rg3 are the radial equivalent magnetoresistance of the first, second, and third layers of the air-gap, Rt is the tangential equivalent magnetoresistance of the air-gap.
The length of the grid center line is used instead of the length of the whole grid when calculating the length of the PM in each grid. The outer and inner boundaries of the PM are represented in the x-y coordinate system as follows:
x 2 + y 1 h 2 = r 0 2 x 2 + y 2 2 = r 1 2 ,
where (x, y1) and (x, y2) are the outer and inner boundary coordinates of the PM.
The variation in thickness of the PM perpendicular to the magnetization direction is expressed as follows:
T x = y 1 y 2 = h + r 0 2 x 2 r 1 2 x 2 ,
The MMF generated by the PM in each region is given as follows:
F p m k = B r μ 0 μ m T x k ,
where k represents the number of different regions, Br is the residual magnetism of the PM, μm is the relative permeability of the PM, and xk is the abscissa of the center point of each region. The lateral length of each region of the magnetic circuit l1 is expressed as follows:
l 1 = l 0 i = 2 r s + r 1 2 sin π 2 p i ,
where l0 is the total lateral length and i is the number of regions divided in the transverse direction of the magnetic circuit, which is 24 here.
The abscissa of the center point of each region, xk, is represented as follows:
x k = l 1 l 0 2 + i = 1 n l 1 n = 1 , 2 , 3 24 ,
The MMF of each region is calculated according to (18)–(21).
The rotor is divided into 24 branches along the radial direction of the core, with two layers of radial magnetic resistance and three layers of tangential magnetic resistance, as shown in Figure 5.
Figure 5. The magnetic resistance division of the rotor.
The calculation formulas of rotor tangential magnetic resistance Rr1 and radial magnetic resistance Rr2 are as follows:
R r 1 = r 1 + r i 2 × 2 sin π 2 p μ 0 μ r L r 1 r i × 3 24 = r 1 + r i sin π 2 p 8 μ 0 μ r L r 1 r i ,
R r 2 = r 1 r i μ 0 μ r L π p r 1 + r i 2 × 24 2 = 12 p r 1 r i μ 0 μ r π L r 1 + r i ,
where ri is the rotor inner diameter and L is the motor’s axial length.

2.2. Magnetic Circuit Equation of the Motor

The magnetic circuit satisfies Kirchhoff’s law like the electrical circuit. After the time and position are determined, the magnetic flux of each branch can be obtained based on the magnetic circuit division in the previous chapters.
There are 144 nodes in a magnetic pole. Based on these nodes, 288 equations can be listed under a pair of poles. The node magnetic permeability matrix of the magnetic circuit is obtained, as shown in (24):
Φ = G F ,
where Φ is the column vector representing the inflow of magnetic flux into the node, and it is specified that the magnetic flux flowing towards the node is positive. [G] is the node magnetic permeability matrix, [F] is the node MMF column vector, as shown in (25)–(27).
G = G 1 , 1 G 1 , 2 G 1 , 287 G 1 , 288 G 2 , 1 G 2 , 2 G 2 , 287 G 2 , 288 G 287 , 1 G 287 , 2 G 287 , 287 G 287 , 288 G 288 , 1 G 288 , 2 G 288 , 287 G 288 , 288 ,
Φ = Φ 1 , Φ 2 , Φ 288 T ,
F = F 1 , F 2 , F 288 T ,
By substituting the magnetic resistance and MMF obtained in Section 2.1 into (23), the magnetic flux at each position of the magnetic circuit can be obtained.
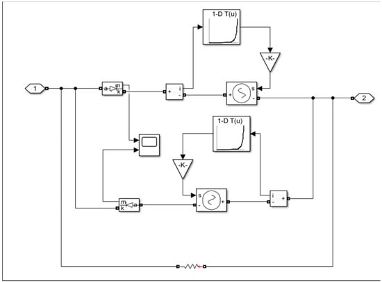
Due to the excessive number of magnetic circuit equations, the magnetic circuit model is constructed in MATLAB 2020b Simulink, as shown in Figure 6.
Figure 6. The Simulink model of one pole of the motor.
Due to the nonlinear relationship between magnetic permeability and magnetic flux in silicon steel sheets, it is necessary to use a Simulink module to import the B-H curve of the silicon steel sheets into the equivalent magnetic circuit, as shown in Figure 7. The magnetic resistances of the air-gap and PM can be directly obtained through the calculation of motor parameters. In Figure 7, K is a proportional coefficient calculated by substituting the formula for magnetic resistance into the model. Taking the calculation of rotor magnetic resistance as an example, K is the result of other numerical calculations in (22) and (23) except for magnetic permeability. The B-H curve of silicon steel sheets is obtained by inputting the silicon steel sheet parameters into the interpolation module, and the product of K and B-H modules gives the final value of nonlinear magnetic resistance.
Figure 7. The nonlinear reluctance module.
By using the accurate magnetic network model established in MATLAB 2020b Simulink, given the known motor parameters, the magnetic flux at various positions of the motor, the AGFD, and the tooth flux density can be calculated. Consequently, parameters such as the no-load back-electromotive force (EMF) and output torque can be obtained, which can help with motor optimization.

3. Simulation Results and Analysis

3.1. Motor Initial Parameters and Model

A six-phase 96-slot 16-pole eccentric magnet-shaped PMSM is used to verify the accuracy of the MNM. The material of the motor silicon steel sheets is DW310_50, and the material of the PM is N42SH. The design parameters are listed in Table 2. In order to minimize torque ripple, the length of the air-gap is designed as 4.7 mm, and the eccentric distance of the PMs is given as 100 mm. This motor design can reduce the demagnetizing effect of the stator current on the magnetic field, ensuring that the AGFD is close to a sine waveform. Based on these parameters, the finite element simulation model is established, as shown in Figure 8.
Table 2. Initial design parameters.
Figure 8. The motor’s finite element simulation model.

3.2. Verification of Air-Gap and Tooth Magnetic Density Under No-Load Condition

As shown in Figure 5, each pole is divided into 24 branches. One electrical cycle corresponds to the AGFD values of a pair of poles. Therefore, the AGFD values at 48 nodes can be calculated within one electrical cycle.
The winding current of the motor is set to 0 under no-load conditions, and the stator no longer generates MMF in this case. The only excited source in the magnetic circuit is the PM.
The comparison of air-gap and tooth flux density of the motor under no-load conditions obtained by MNM and FEM is shown in Figure 9.
Figure 9. The comparison of air-gap and tooth flux density under no-load condition obtained by MNM and FEM: (a) AGFD; (b) tooth magnetic density.
Both the no-load AGFD results obtained by MNM and FEM exhibit approximately sinusoidal waveforms with almost consistent amplitudes. As for the tooth flux density, the results calculated by MNM and FEM are approximately consistent, with an average error of 9.5%. Furthermore, the computation time of MNM and FEM is compared, as shown in Table 3. It is obvious that the time consumed by MNM is less than FEM. The simulations were run on a PC with an AMD CPU at 3.70 GHz.
Table 3. Comparison of computation time for MNM and FEM.

3.3. Optimization of Permanent Magnet

In this paper, the MNM is adopted to optimize the eccentric distance, pole arc coefficient, and the PM’s maximum thickness of the eccentric magnet-shaped PMSM. The optimization process is shown in Figure 10.
Figure 10. Optimization process of PMSM based on MNM.
Firstly, the target parameters are determined, including output power, size constraints, output torque, voltage level, etc. Appropriate component materials and windings are selected based on experience to ensure they meet these basic performance parameters. Secondly, optimization is performed using the MNM to obtain the optimal values for parameters such as eccentricity, pole arc coefficient, and maximum thickness of the PMs. Subsequently, the reliability parameters, such as torque ripple and cogging torque, are verified to check if they meet the requirements. If the requirements are not met, different ranges and interval values of the parameters can be selected, and MNM optimization is re-conducted until the requirements are satisfied.
The optimized objective function Fop is the sum of the numerical values of THD and torque ripple, as shown in (28), where Tripple is the value of the torque ripple. The optimal solution is determined by minimizing the objective function.
F o p = min T H D + T r i p p l e ,
The expression of THD is shown in (29), and the torque ripple refers to the peak-to-peak value of output torque divided by the average over 12 cycles.
T H D = k = 2 B k 2 B j × 100 %
where Bj is the amplitude of the fundamental wave and Bk is the amplitude of the harmonic wave.

3.3.1. Optimization of Eccentric Distance of the PM

The eccentric distance affects the outer arc curvature of the permanent magnet, thereby influencing the value of MMF of the PM in MNM. In this paper, while keeping other motor parameters unchanged, the eccentric distance of the PM is set at intervals of 10 mm within the range of 100–160 mm. These values are input into the MNM for calculation, and the no-load AGFD waveforms and FFT analysis results are obtained, as shown in Figure 11.
Figure 11. No-load AGFD waveforms and FFT analysis results under different eccentric distances: (a) no-load AGFD; (b) FFT analysis results.
It can be observed that the harmonic content of the AGFD first increases and then decreases with the increase in the eccentric distance. When the eccentric distance is 140 mm, the waveform of the no-load AGFD is closest to a sine wave. When the eccentric distance is 130 mm, the fundamental amplitude of the AGFD reaches its maximum value. When the eccentric distance is 150 mm, the amplitudes of the third and fifth harmonics are minimized. The THD of the AGFD is calculated when the eccentric distance ranges from 130 mm to 150 mm, as shown in Table 4.
Table 4. AGFD THD under different eccentric distances.
When the eccentric distance is 140 mm, the THD of the AGFD is minimized. Therefore, the eccentric distance of 140 mm is selected as the optimal solution.

3.3.2. Optimization of Pole Arc Coefficient of the PM

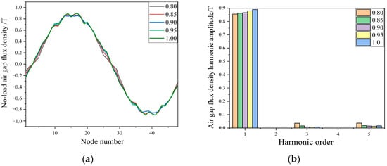
The pole arc coefficient of the PM is closely related to the motor’s vibration and noise. With the eccentric distance maintained at 140 mm and other parameters unchanged, the pole arc coefficient of the PM is set at intervals of 0.05 within the range of 0.8–1. The no-load AGFD waveforms and FFT analysis results are obtained by the MNM, as shown in Figure 12.
Figure 12. No-load AGFD waveforms and FFT analysis results under different pole arc coefficients: (a) no-load AGFD; (b) FFT analysis results.
The pole arc coefficient has no significant effect on the AGFD waveform. When the pole arc coefficient reaches 0.9, the harmonic amplitude of the AGFD decreases significantly. However, when the pole arc coefficient exceeds 0.9, further increase in the pole arc coefficient does not lead to a significant reduction in the harmonic amplitude of the AGFD. Considering that an increase in the pole arc coefficient will result in an increase in the consumption of PMs, the pole arc coefficient of 0.9 is selected as the optimal solution.

3.3.3. Optimization of PM’s Maximum Thickness

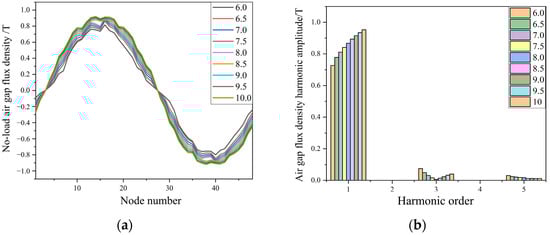
The maximum thickness of the PM affects the output power and efficiency of the motor. With the eccentric distance maintained at 140 mm, the pole arc coefficient at 0.9, and other parameters unchanged, the maximum thickness of the PM is set at intervals of 0.5 mm within the range of 6–9 mm. The no-load AGFD waveforms and FFT analysis results are obtained through MNM, as shown in Figure 13.
Figure 13. No-load AGFD waveforms and FFT analysis results under different PM’s maximum thickness: (a) no-load AGFD; (b) FFT analysis results.
As the maximum thickness of the PM increases, the fundamental amplitude of the AGFD also increases. When the thickness of the PM increases to 8 mm, the AGFD changes significantly. When the thickness of the PM is less than 8 mm, the PM is no longer a parallel pole-cut model but takes on a shape with sharp corners on both sides. At this point, the thin thickness on both sides of the PM makes it prone to demagnetization, and the harmonics of the AGFD also increase, so the thickness of 8 mm is not considered. The 9 mm thickness of PM is selected as the optimal solution.

3.4. Comparison of Motor Performance Before and After Optimization Using MNM

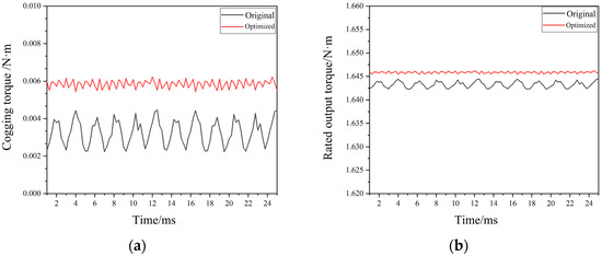
The AGFD waveforms before and after the optimization under no-load conditions are shown in Figure 14. Meanwhile, Figure 15 displays the cogging torque and rated output torque waveforms in both pre-optimization and post-optimization states.
Figure 14. Comparison of no-load AGFD of the motor and FFT analysis before and after the optimization: (a) no-load AGFD; (b) FFT analysis results.
Figure 15. Cogging torque and rated output torque: (a) cogging torque; (b) rated output torque.
Compared with the original scheme, the sinusoidal characteristics of the AGFD waveform are significantly improved after optimization. The fundamental wave amplitude of AGFD is increased, and the content of the third, fifth, and seventh harmonics is reduced. The peak-to-peak value of cogging torque is reduced from 2.2 N·m to 0.74 N·m after optimization, and the torque ripple of output torque under the rated load condition is reduced from 0.14% to 0.05% after optimization.

4. Experimental Results

4.1. Motor and Test Platform

The structural parameters of the motor, including eccentric distance, pole arc coefficient, and PM’s maximum thickness, were optimized based on the MNM. After the structural parameters were determined, verification was conducted by the FEM to ensure that performance parameters could meet the requirements. A 50 kW rated power PMSM was manufactured. The main components of the prototype motor included the rotor, stator, and PM, as shown in Figure 16a–c. The motor testing platform is illustrated in Figure 16d. The test platform was composed of components that included a prime mover, a test motor, a gearbox, a frequency converter, a step-down probe, an oscilloscope, and other related elements. The prime mover and the test motor were coaxially connected via the gearbox, in which a torque sensor was installed to measure torque. Meanwhile, the step-down probe and oscilloscope were used to collect voltage and current waveforms. In the operation, a frequency-conversion variable-speed motor equipped with a commercial variable-frequency drive (MM430 from SIEMENS) was mechanically connected to the prototype motor to provide load.
Figure 16. Motor components and testing platform: (a) rotor; (b) stator; (c) PM; (d) testing platform.

4.2. Experimental Verification of No-Load-Induced EMF and Output Torque

The motor was connected to a prime motor through a gearbox for the experiment. The prime motor was used to drag the prototype motor to operate at a rated speed of 300 r/min, and the no-load-induced EMF was measured. A voltage probe with a magnification factor of 100 was used to measure the voltages at the six output terminals. The average value of voltage was taken to obtain the no-load-induced EMF waveform. The no-load test of the motor is shown in Figure 17.
Figure 17. Motor no-load test: (a) wiring diagram of no-load-induced EMF measurement; (b) no-load test waveform.
The measured no-load-induced EMF was compared with the results of the FEM and the MNM, as shown in Figure 18. The fundamental wave amplitudes measured by FEM and MNM were 486.8 V and 492.6 V, respectively, differing by 1.2%. It was shown that the results calculated by FEM and MNM were very close. The amplitude of the no-load-induced EMF measured in the experiment was 518.73 V. The result obtained by the finite element method showed a deviation of 6.16%, and the result from the MNM showed a deviation of 5.04%. The errors in the no-load-induced EMF between calculations and experiments were mainly caused by the machining errors of PMs, possible inconsistency in magnetization, and external interference.
Figure 18. Comparison of results given by MNM, FEM, and experiment (Exp.): (a) induced EMF; (b) harmonic amplitude.
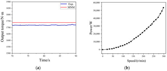
The output torque under rated conditions was measured, as shown in Figure 19a. The average value of the measured output torque was 1.719 kN·m. The torque ripple measured in the experiment was 0.72%. In comparison to the measured data, the calculation results of the MNM showed an output torque error of 1.16% and a torque ripple error of 0.67%.
Figure 19. Result of output torque and output power: (a) rated output torque results of MNM and experiment; (b) variation curve of measured output power with speed under rated conditions.
The rotational speed of the prime mover was increased from 0 r/min to 300 r/min, and the output power was measured. The variation in output power with rotational speed is shown in Figure 19b. The experimental results show that the output power at 300 r/min is 53.2 kW, which can meet the design requirements.

5. Conclusions

This paper proposes an accurate MNM for six-phase PMSMs with eccentric magnet-shaped, which is used for rapid calculation of AGFD. A magnetic network circuit including stator, rotor, air-gap, and PMs is established, and the model is conducted in MATLAB 2020b Simulink. According to the MNM, the eccentric distance, pole arc coefficient, and PM’s maximum thickness are optimized to increase the fundamental amplitude of the AGFD and reduce the content of third, fifth, and seventh harmonics, further significantly reducing the torque ripple. A 16-pole six-phase eccentric magnet-shaped surface-mounted PMSM with a rated power of 50 kW is manufactured, and the experimental results verify the effectiveness of the MNM. The MNM proposed herein holds considerable significance for the rapid preliminary design and optimization of PMSMs.

Author Contributions

Software, T.L. (Tianle Li) and Z.C.; resources, T.L. (Tianle Li) and Z.C.; validation, T.L. (Tianle Li); writing—original draft preparation, F.X., T.L. (Tianle Li) and H.H.; writing—review and editing, F.X. and T.L. (Tianle Li); Visualization, H.H. and T.L. (Tianxiang Liu); Supervision, K.Y., F.X. and C.L.; Project administration, K.Y., F.X. and C.L.; Funding acquisition, K.Y., F.X. and C.L. All authors have read and agreed to the published version of the manuscript.

Funding

This research was funded by the National Key Research and Development Program of China (2023YFB4301503).

Institutional Review Board Statement

No applicable.

Data Availability Statement

The data presented in this study are available in the article.

Acknowledgments

Thanks for the technical advice and market application support from Fei Xiong, Kai Yang and Cheng Luo.

Conflicts of Interest

The authors declare no conflicts of interest.

References

  1. Zhang, Y.; Cao, W.P.; Morrow, J. Design of built-in permanent magnet motor (PMSM) for electric vehicles. Trans. China Electrotech. Soc. 2015, 30, 108–115. [Google Scholar] [CrossRef]
  2. Tang, R.Y. Modern Permanent Magnet Motors, 2nd ed.; China Machine Press: Beijing, China, 2016; pp. 2–3. [Google Scholar]
  3. Levi, E.; Bojoi, R.; Profumo, F. Multiphase induction motor drives—A technology status review. IET Electr. Power Appl. 2007, 1, 489–516. [Google Scholar] [CrossRef]
  4. Xue, S. Research on Multiphase Permanent Magnet Synchronous Motor Drive Technology. Ph.D. Thesis, University of Chinese Academy of Sciences, Beijing, China, 2006. [Google Scholar]
  5. Qiao, L.; Wang, X.; Chen, X.; Wang, Y. 3-Dimensional finite element analysis of vehicle permanent magnet motor’s rotor. In Proceedings of the International Conference on Mechatronic Science, Electric Engineering and Computer (MEC), Jilin, China, 19–22 August 2011; pp. 1407–1410. [Google Scholar] [CrossRef]
  6. Liu, Z.; Li, Y.; Zheng, Z. Review of multiphase motor control and drive technology. Trans. China Electrotech. Soc. 2017, 32, 17–29. [Google Scholar] [CrossRef]
  7. Sun, Y.; Zhao, W.; Ji, J.; Zeng, Y.; Ling, Z. Review of high-torque performance multiphase permanent magnet motors and their key technologies. Trans. China Electrotech. Soc. 2023, 38, 1403–1420. [Google Scholar] [CrossRef]
  8. Islam, M.S.; Mir, S.; Sebastian, T.; Underwood, S. Design considerations of sinusoidally excited permanent-magnet machines for low-torque-ripple applications. IEEE Trans. Ind. Appl. 2005, 41, 955–962. [Google Scholar] [CrossRef]
  9. Iles-Klumpner, D.; Risticevic, M.; Boldea, I. Advanced optimization design techniques for automotive interior permanent magnet synchronous machines. In Proceedings of the IEEE International Conference on Electric Machines and Drives, San Antonio, TX, USA, 15 May 2005. [Google Scholar] [CrossRef]
  10. Li, Y.; Zhang, L.; Zhang, X.; Zheng, Z. Magnetic pole optimization of sinusoidal pole-shaping surface-mounted multi-phase permanent magnet synchronous motors. In Proceedings of the IEEE 6th International Electrical and Energy Conference (CIEEC), Hefei, China, 12–14 May 2023. [Google Scholar] [CrossRef]
  11. Lateb, R.; Takorabet, N.; Meibody-Tabar, F. Effect of magnet segmentation on the cogging torque in surface-mounted permanent-magnet motors. IEEE Trans. Magn. 2006, 42, 442–445. [Google Scholar] [CrossRef]
  12. Hu, P.; Wang, D.; Jin, S.; Wei, Y. Optimization study of harmonic pole-cutting technology for arc-shaped magnetic pole permanent magnet motors. Proc. CSEE 2020, 40, 5987–5997. [Google Scholar] [CrossRef]
  13. Zhao, H.; Wang, D.; Hu, P.; Wei, Y.; Yi, X. Sinusoidal pole-cutting correction model for arc-shaped magnetic pole permanent magnet motors. Trans. China Electrotech. Soc. 2023, 38, 3667–3677. [Google Scholar] [CrossRef]
  14. Wang, K.; Zhu, Z.Q.; Ombach, G. Torque enhancement of surface-mounted permanent magnet machine using third-order harmonic. IEEE Trans. Magn. 2014, 50, 104–113. [Google Scholar] [CrossRef]
  15. Chai, F.; Liang, P.; Pei, Y.; Cheng, S. Magnet shape optimization of surface-mounted permanent-magnet motors to reduce harmonic iron losses. IEEE Trans. Magn. 2016, 52, 6301304. [Google Scholar] [CrossRef]
  16. Evans, S.A. Salient pole shoe shapes of interior permanent magnet synchronous machines. In Proceedings of the 19th International Conference on Electrical Machines (ICEM), Rome, Italy, 6–8 September 2010. [Google Scholar] [CrossRef]
  17. Laskaris, K.I.; Kladas, A.G. Permanent-magnet shape optimization effects on synchronous motor performance. IEEE Trans. Ind. Electron. 2011, 58, 3776–3783. [Google Scholar] [CrossRef]
  18. Luo, Y.; Yang, K.; Zheng, Y. Feedback Linearization-Based Direct Torque Control for Asymmetrical Six-Phase PMSM Motor with Back EMF Harmonics Compensation. IEEE J. Emerg. Sel. Top. Power Electron. 2023, 11, 5145–5155. [Google Scholar] [CrossRef]
  19. Luo, Y.; Yang, K.; Zheng, Y. Luenberger Observer-Based Model Predictive Control for Six-Phase PMSM Motor with Localization Error Compensation. IEEE Trans. Ind. Electron. 2023, 70, 10800–10810. [Google Scholar] [CrossRef]
  20. Liu, C.; Xu, Y.; Zou, J.; Yu, G.; Zhuo, L. Permanent magnet shape optimization method for PMSM air gap flux density harmonics reduction. CES Trans. Electr. Mach. Syst. 2021, 5, 284–290. [Google Scholar] [CrossRef]
  21. Liu, Y.; Huang, H.; Zou, T.; Pei, T.; Li, D.; Qu, R. Analytical Calculation of the Airgap Flux in PM Vernier Machine Considering Pole Transition Over Slots Effect. In Proceedings of the 2024 International Conference on Electrical Machines (ICEM), Torino, Italy, 1–4 September 2024. [Google Scholar]
  22. Zhou, Y.; Li, H.; Ren, N.; Xue, Z.; Wei, Y. Analytical calculation and optimization of magnetic field in spoke-type permanent-magnet machines accounting for eccentric pole-arc shape. IEEE Trans. Magn. 2017, 53, 8107807. [Google Scholar] [CrossRef]
  23. Zhou, Y.; Li, H.; Meng, G.; Zhou, S.; Cao, Q. Analytical calculation of magnetic field and cogging torque in surface-mounted permanent-magnet machines accounting for any eccentric rotor shape. IEEE Trans. Ind. Electron. 2015, 62, 3438–3447. [Google Scholar] [CrossRef]
  24. Taqavi, O.; Song, P.; Li, Z.; Kar, N.C. Development of a Combined Maxwell’s Equations and Magnetic Equivalent Circuit Solution for Induction Machines in Electric Vehicle Applications. In Proceedings of the 2024 IEEE International Magnetic Conference—Short Papers (INTERMAG Short Papers), Rio de Janeiro, Brazil, 5–10 May 2024. [Google Scholar]
  25. Wu, B.; Qiao, M.; Xia, Y.; Wang, K. Analytical Magnetic Field Calculation of Outer Rotor Flux-Concentrating PMVM Based on Equivalent Magnetic Circuit Model. In Proceedings of the 2024 3rd Asia Power and Electrical Technology Conference (APET), Fuzhou, China, 15–17 November 2024. [Google Scholar]
  26. Cao, D.; Zhao, W.; Ji, J.; Wang, Y. Parametric Equivalent Magnetic Network Modeling Approach for Multiobjective Optimization of PM Machine. IEEE Trans. Ind. Electron. 2021, 68, 6619–6629. [Google Scholar] [CrossRef]
  27. Li, B.; Zhang, Z.; Gao, P.; Li, G. Design Optimization of Permanent Magnet Motors Considering Multiple Operating Conditions. In Proceedings of the 2023 26th International Conference on Electrical Machines and Systems (ICEMS), Zhuhai, China, 5–8 November 2023. [Google Scholar]
  28. Chen, Z.; Xia, C.; Geng, Q.; Yan, Y. Modeling and analyzing of surface-mounted permanent-magnet synchronous machines with optimized magnetic pole shape. IEEE Trans. Magn. 2014, 50, 8102804. [Google Scholar] [CrossRef]
  29. Jing, L.; Luo, Z.; Qu, R. Investigation of a surface PM machine with segmented-eccentric magnet poles. IEEE Trans. Appl. Supercond. 2018, 28, 5204305. [Google Scholar] [CrossRef]
  30. Rani, S.; Jayapragash, R. FEA-based Geometrical Modification of Switched Reluctance Motor for Radial Force Reduction. Chin. J. Electr. Eng. 2024, 10, 124–135. [Google Scholar] [CrossRef]
Disclaimer/Publisher’s Note: The statements, opinions and data contained in all publications are solely those of the individual author(s) and contributor(s) and not of MDPI and/or the editor(s). MDPI and/or the editor(s) disclaim responsibility for any injury to people or property resulting from any ideas, methods, instructions or products referred to in the content.

Article Metrics

Citations

Article Access Statistics

Multiple requests from the same IP address are counted as one view.