Topology and Control Strategies for Offshore Wind Farms with DC Collection Systems Based on Parallel–Series Connected and Distributed Diodes
Abstract
1. Introduction
2. System Structure and Coupling Mechanisms
2.1. The Parallel–Series DC Wind Farm
- (1)
- The wind turbines can track the maximum power point at the steady state without overcurrent and overvoltage.
- (2)
- The different strings should not be disturbed from each other during a fault or power fluctuations.
- (3)
- The system can achieve fault ride-through of onshore and offshore faults.
- (4)
- Galvanic separation should be provided for wind generators and DC/DC converters.
- (5)
- The system can be started up.
- (1)
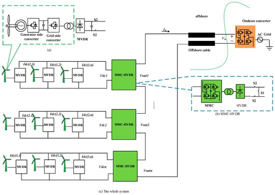
- The wind turbines in offshore wind farms are normally composed of a permanent magnet synchronous generator (PMSG), as shown in Figure 1a. The transformer in a wind turbine achieves galvanic separation between the generators and MVDC.
- (2)
- MVDR is installed in the wind turbine as a distributed system. Several MVDRs are connected in parallel. The output current is Idc(i,j), and the output voltage is Vdci. The start-up problem caused by the DR can be solved by installing a small energy storage system in the wind turbines. S2 is a bypass breaker and will be open if one unit of MVDR is broken, and the other units will not be disturbed.
- (3)
- The MMC-HVDR is composed of the MMC converter, HVDR converter, and transformer, as shown in Figure 1b. It collects the power from the parallel-connected MVDR and boosts the MVDC voltage Vdcj to a higher DC voltage Voutj. Then, HVDR is connected in series to match the transmission voltage of Vdc. The transformer achieves galvanic separation and makes it easier to gain a high transmission ratio. A bypass breaker, S1 and S2, can be used for the unit outage. S1 is closed and S2 is open if one of the MMC-HVDR units is broken, while another unit can keep operating without being disturbed.
- (4)
- The offshore cable transmits the power from HVDR to the onshore converter. The current in the HVDC link is Idc.
- (5)
- MMC with zero DC side voltage operation capability, such as the full bridge submodule (FB SM) or hybrid topology, is used as the onshore converter station to achieve DC fault ride-through.
2.2. Coupling Mechanism
3. Coordinate Control Strategy of Distributed Parallel–Series DR Wind Farm
3.1. Mathematical Model of DR
3.2. Control Strategy of Wind Turbines
3.3. Control Strategy of MMC-HVDR
3.4. Control Strategy of Onshore Converter
3.5. Active Voltage Injection Control for Onshore AC Fault
4. Simulation
4.1. Start-Up
4.2. Power Fluctuation
4.3. DC Fault of Strings
4.4. Onshore AC Fault
5. Conclusions
- (1)
- The coordinate control strategy is proposed to solve the energy curtailment, where the voltage control strategy for the parallel part and a current control strategy are for the series part according to the coupling mechanism of constant DC voltage and constant DC current.
- (2)
- A triple target control strategy based on the MMC-HVDR is proposed with an intermediate variable according to the characteristics of the DR, which maintains the capacitor voltage, input DC voltage, and output voltage simultaneously.
- (3)
- Energy accumulating during onshore faults is analyzed, and an active voltage injection control strategy is proposed for the ride-through of onshore faults without communication.
Author Contributions
Funding
Institutional Review Board Statement
Informed Consent Statement
Data Availability Statement
Acknowledgments
Conflicts of Interest
References
- Xu, L.; Liu, C.; Zhang, J.; Tian, Z.; Feng, P.; Huang, M. Characteristics Evaluation and Coordinated Control Strategy of Power-Electronics-Based MMC-HVDC Systems Connected with Wind Farms. Appl. Sci. 2025, 15, 2582. [Google Scholar] [CrossRef]
- El Myasse, I.; Mansouri, A.; El Magri, A.; Watil, A.; Kissaoui, M.; Lajouad, R. Robust Nonlinear Control Design of MMC-HVDC Systems for Wind Power Plants Integration. In Proceedings of the 2023 3rd International Conference on Innovative Research in Applied Science, Engineering and Technology (IRASET), Mohammedia, Morocco, 18–19 May 2023; pp. 1–5. [Google Scholar]
- El Myasse, I.; El Magri, A.; Watil, A.; Mansouri, A.; Kissaoui, M.; Ouabi, H.; Blouh, F.E. Enhancing Wind Power Plant Integration Using a T-NPC Converter with DR-HVDC Transmission Systems. IFAC-PapersOnLine 2024, 58, 472–477. [Google Scholar] [CrossRef]
- Blasco-Gimenez, R.; Ano-Villalba, S.; Rodríguez-D’Derlée, J.; Morant, F.; Bernal-Perez, S. Distributed voltage and frequency control of offshore wind farms connected with a diode-based HVDC link. IEEE Trans. Power Electron. 2010, 25, 3095–3105. [Google Scholar] [CrossRef]
- Bernal-Perez, S.; Ano-Villalba, S.; Blasco-Gimenez, R.; Rodriguez-D’Derlee, J. Efficiency and fault ride-through performance of a diode-rectifier-and VSC-inverter-based HVDC link for offshore wind farms. IEEE Trans. Ind. Electron. 2012, 60, 2401–2409. [Google Scholar] [CrossRef]
- Prignitz, C.; Eckel, H.G.; Achenbach, S.; Augsburger, F.; Schön, A. FixReF: A control strategy for offshore wind farms with different wind turbine types and diode rectifier HVDC transmission. In Proceedings of the 2016 IEEE 7th International Symposium on Power Electronics for Distributed Generation Systems (PEDG), Vancouver, BC, Canada, 27–30 June 2016. [Google Scholar]
- Herrera, D.; Galván, E.; Carrasco, J.M. Method for controlling voltage and frequency of the local offshore grid responsible for connecting large offshore commercial wind turbines with the rectifier diode-based HVDC-link applied to an external controller. IET Electr. Power Appl. 2017, 11, 1509–1516. [Google Scholar] [CrossRef]
- Yu, L.; Li, R.; Xu, L. Distributed PLL-based control of offshore wind turbines connected with diode-rectifier-based HVDC systems. IEEE Trans. Power Deliv. 2018, 33, 1328–1336. [Google Scholar] [CrossRef]
- Cardiel-Álvarez, M.Á.; Arnaltes, S.; Rodriguez-Amenedo, J.L.; Nami, A. Decentralized Control of Offshore Wind Farms Connected to Diode-Based HVdc Links. IEEE Trans. Energy Convers. 2018, 33, 1233–1241. [Google Scholar] [CrossRef]
- Yang, M.; Cai, X.; Wusiman, A.; Zhang, J.; Lyu, J. Distributed-Diode-Rectifiers-Based Offshore Wind Power MVDC Direct-Transmission System. IEEE Trans. Energy Convers. 2022, 37, 643–653. [Google Scholar] [CrossRef]
- Teng, B.; Ma, J.; Zhu, M. Diode-Rectifier-Based Offshore Platform for Wind Power Collection and HVDC Transmission System: Implementation and Hierarchical Control. IEEE Trans. Sustain. Energy 2025, 16, 812–825. [Google Scholar] [CrossRef]
- Zhu, Y.; Li, Y.; Li, B.; Li, T.; Xu, L.; Liu, N. Internal Energy Distribution Control Based Fault Ride-Through and Postfault Recovery Strategy for Offshore Wind Farms Connected to DR-MMC HVDC Under Onshore AC Grid Faults. IEEE Trans. Sustain. Energy 2025, 16, 1191–1205. [Google Scholar] [CrossRef]
- Xie, L.; Cheng, F.; Wu, J. Control Strategy for Offshore Wind Farms with DC Collection System Based on Series-Connected Diode Rectifier. Sustainability 2022, 14, 7860. [Google Scholar] [CrossRef]
- Li, L.; Li, B.; Wang, Z.; Yang, M.; Xu, D. Monopolar Symmetrical DC-DC Converter for All DC Offshore Wind Farms. IEEE Trans. Power Electron. 2022, 37, 4275–4287. [Google Scholar] [CrossRef]
- Robinson, J.; Jovcic, D.; Joos, G. Analysis and Design of an Offshore Wind Farm Using an MV DC Grid. IEEE Trans. Power Deliv. 2010, 25, 2164–2173. [Google Scholar] [CrossRef]
- Juan-David, P.; David, F.; Jose, M. Overview of DC-DC Converters Dedicated to HVDC Grids. IEEE Trans. Power Deliv. 2019, 34, 119–128. [Google Scholar]
- Alhurayyis, I.; Elkhateb, A.; Morrow, D.J. Isolated and Non-Isolated DC-to-DC Converters for Medium Voltage DC Networks: A Review. Inst. Electr. Electron. Eng. 2021, 9, 7486–7500. [Google Scholar]
- Liu, H.; Dahidah, M.S.A.; Yu, J.; Naayagi, R.T.; Armstrong, M. Design and Control of Unidirectional DC-DC Modular Multilevel Converter for Offshore DC Collection Point Theoretical Analysis and Experimental Validation. IEEE Trans. Power Electron. 2019, 34, 5191–5208. [Google Scholar] [CrossRef]
- Ansari, M.S.; Shukla, A.; Bahirat, H.J. Analysis and Design of MMC-Based High-Power DC-DC Converter with Trapezoidal Modulation. IEEE Trans. Power Electron. 2023, 38, 7256–7270. [Google Scholar] [CrossRef]
- Ye, Y.; Zhang, X.; Gao, C.; Wang, X.; Wang, Y.; Yang, X. Analysis and Comparison of Isolated High-Gain High-Voltage DC/DC Converters for Offshore Wind Farm Collection and Integration. IEEE Trans. Power Electron. 2024, 39, 8757–8769. [Google Scholar] [CrossRef]
- Zhao, P.; Meng, Y.; Ge, M.; Duan, Z.; Wang, X.; Wang, J. Series-Parallel Multiple Integrated Modular Multilevel DC-DC Converter for All-DC Offshore Wind Power System. IEEE Trans. Power Deliv. 2024, 39, 2482–2494. [Google Scholar] [CrossRef]
- Li, B.; Liu, J.; Wang, Z.; Zhang, S.; Xu, D. Modular High-Power DC-DC Converter for MVDC Renewable Energy Collection Systems. IEEE Trans. Ind. Electron. 2021, 68, 5875–5886. [Google Scholar] [CrossRef]
- Yang, W.; Song, Q.; Liu, W. Decoupled Control of Modular Multilevel Converter Based on Intermediate Controllable Voltages. IEEE Trans. Ind. Electron. 2016, 63, 4695–4706. [Google Scholar] [CrossRef]

















| Onshore MMC | Rated power | 1000 MW |
| DC voltage | ±320 kV | |
| DC current | 1.6 kA | |
| Onshore grid voltage | 400 kV | |
| Offshore wind turbines | Rated power of PMSG | 25 MW |
| The output voltage of the AC/DC rectifier | 6 kV | |
| The output voltage of the MVDR | ±80 kV | |
| Isolation transformer | 250 Hz, Y/∆, 3.3/66, leakage inductance, 1% | |
| MMC and HVDR | Rated power | 250 MW |
| The output voltage of HVDR converter | 160 kV | |
| Isolation transformer | 250 Hz, Y/∆, 70/120, leakage inductance, 1% | |
| Onshore grid | AC voltage | 330 kV |
Disclaimer/Publisher’s Note: The statements, opinions and data contained in all publications are solely those of the individual author(s) and contributor(s) and not of MDPI and/or the editor(s). MDPI and/or the editor(s) disclaim responsibility for any injury to people or property resulting from any ideas, methods, instructions or products referred to in the content. |
© 2025 by the authors. Licensee MDPI, Basel, Switzerland. This article is an open access article distributed under the terms and conditions of the Creative Commons Attribution (CC BY) license (https://creativecommons.org/licenses/by/4.0/).
Share and Cite
Xie, L.; Lu, Z.; Hao, R.; Liu, B.; Wang, Y. Topology and Control Strategies for Offshore Wind Farms with DC Collection Systems Based on Parallel–Series Connected and Distributed Diodes. Appl. Sci. 2025, 15, 6166. https://doi.org/10.3390/app15116166
Xie L, Lu Z, Hao R, Liu B, Wang Y. Topology and Control Strategies for Offshore Wind Farms with DC Collection Systems Based on Parallel–Series Connected and Distributed Diodes. Applied Sciences. 2025; 15(11):6166. https://doi.org/10.3390/app15116166
Chicago/Turabian StyleXie, Lijun, Zhengang Lu, Ruixiang Hao, Bao Liu, and Yingpei Wang. 2025. "Topology and Control Strategies for Offshore Wind Farms with DC Collection Systems Based on Parallel–Series Connected and Distributed Diodes" Applied Sciences 15, no. 11: 6166. https://doi.org/10.3390/app15116166
APA StyleXie, L., Lu, Z., Hao, R., Liu, B., & Wang, Y. (2025). Topology and Control Strategies for Offshore Wind Farms with DC Collection Systems Based on Parallel–Series Connected and Distributed Diodes. Applied Sciences, 15(11), 6166. https://doi.org/10.3390/app15116166

