Abstract
This study proposes a non-contact engine speed measurement system using vehicle electrical characterization to address the limitations of traditional contact-type methods and optical methods. The developed system collects coupled AC signals through a cigarette lighter interface and extracts the AC features for frequency analysis through a signal conditioning circuit. The system employs a hybrid algorithm combining Fast Fourier Transform (FFT) and phase difference compensation to estimate the coarse frequency in the 1-second FFT analysis via sinusoidal least squares fitting and phase difference calculation. The STM32F4-based hardware integrates dual-channel acquisition and adaptive signal conditioning. The experimental results demonstrate high measurement accuracy with errors below 0.4%, real-time performance (1 Hz update rate), and operational portability. Validation tests show a 33-fold improvement in accuracy over the pure FFT method under transient conditions. Key innovations include (1) phase-difference-enhanced frequency resolution (0.1% error), and (2) optimized computational efficiency for embedded deployments. The system’s portability and robustness make it suitable for on-site diagnostics, meeting the automotive industry’s need for non-intrusive, high-precision speed measurements.
1. Introduction
1.1. Research Background
The sustained growth in global vehicle ownership has significantly amplified the demand for efficient vehicle maintenance and repair services [1]. Concurrent advancements in mechatronics and embedded electronics have driven unprecedented improvements in automotive automation capabilities but simultaneously introduced increasingly sophisticated architectures that demand advanced diagnostic methodologies [2]. Consequently, traditional experience-based maintenance paradigms struggle to meet the escalating requirements for rapid and precise fault identification in modern automotive systems. This technological gap underscores the critical need for intelligent diagnostic systems integrating multi-modal sensing, cognitive electronics, and cloud-enabled data analytics to address the growing imperatives of globalized automotive ecosystems—marked by intensifying international competition, and Industry 4.0-driven transitions toward automated, digitized, and networked manufacturing infrastructures [3,4,5].
Rotational speed serves as a critical parameter for the comprehensive assessment of engine performance and a holistic indicator of vehicular operational integrity [6]. Dynamic variations in rotational speed enable predictive diagnostics of an engine’s operational states while facilitating accurate power output estimation through thermodynamic correlation models [7,8]. Furthermore, the real-time monitoring of rotational speed fluctuations allows for the early detection of incipient mechanical faults—such as misfire events, bearing wear, or timing chain degradation—during engine operation. This ability is critical for preemptive failure mitigation, significantly reducing unplanned downtime and enhancing operational safety across automotive and industrial powertrain applications [9]. Current mainstream methodologies face three primary limitations: (1) contact-based sensors utilizing magnetoelectric/Hall effects are constrained by mechanical installation restrictions and electromagnetic compatibility issues; (2) OBD signal analysis methods relying on crankshaft/camshhaft signals are limited by proprietary vehicle communication protocols; (3) non-contact detection techniques based on vibration/acoustic signals are susceptible to environmental noise and multi-source vibrational interference. In application scenarios, such as annual vehicle inspections and rapid fleet diagnostics, the existing technologies struggle to simultaneously satisfy the tripartite requirements of measurement speed, implementation cost, and operational efficiency, significantly impeding the development of large-scale digital operation and maintenance frameworks. Studies by SAE International [10] reveal a 17% failure rate for conventional methods in the field diagnostics of heavy-duty commercial vehicles, underscoring the urgent need for novel non-invasive measurement architectures.
1.2. Literature Review
1.2.1. Conventional Contact-Type Methods
Conventional contact-type methods, such as the centrifugal tachometer [11,12] and magneto-sensitive sensors [13], rely on direct mechanical or electromagnetic coupling with rotating components to acquire rotational speed data. The centrifugal tachometer, historically employed in early engine testing, utilizes weighted flyweights driven by a rotational motion to generate centrifugal force, which is mechanically translated into a displacement signal proportional to rotational speed. While this method achieved accuracies within ±0.2% in controlled laboratory environments [14], its application necessitates physical integration with the crankshaft or camshaft, requiring partial engine disassembly for installation. For instance, in diesel engine performance studies, centrifugal tachometers were mounted on exposed crankshaft ends to confirm their combustion efficiency under variable loads [15]. However, such invasive configurations risk inducing mechanical stress concentrations and oil seal degradation, limiting their utility to prototype validation rather than in-service diagnostics [16].
1.2.2. Non-Contact Vibration Analysis Methods
Non-contact vibration analysis methods have emerged as promising alternatives by leveraging the inherent frequency–rotation relationship [17,18,19]. These include alternator W-terminal signal analysis, which extracts rotational information from uncorrected alternator phase voltage waveforms, achieving a steady-state diagnostic accuracy within ±1.2%, as demonstrated by Dandge et al. [20], and laser tachometry, a technique measuring the optical reflections from rotating shafts with a reported precision of ±0.5% in controlled environments [21]. Adaptive noise cancelation algorithms, such as those proposed by Wodecki et al. [22], improve robustness against mechanical interference but require computationally intensive processing. Despite these advancements, inherent limitations persist due to environmental noise sensitivity, transient-phase signal distortion during rapid acceleration, and the complex calibration requirements for optical surface optimization [23].
1.2.3. Advanced Optical Measurement Methods
Advanced optical techniques, such as laser Doppler vibrometry (LDV) and machine vision-based tachometry, provide high-resolution, non-contact speed measurement capabilities. LDV systems, as applied by Ma X et al. [24], utilize laser interference patterns to detect the surface vibrations of rotating components, achieving micron-level displacement resolution and ±0.2% speed accuracy in laboratory settings. Machine vision methods, such as the high-speed camera system developed by Wu X et al. [25], track the rotational markers on shafts to enable multi-axis synchronization in hybrid powertrain testing. However, these systems have stringent environmental requirements: LDV demands stable lighting and dust-free conditions to maintain laser coherence [26,27,28], while vision-based systems struggle with motion blur under low illumination or rapid acceleration [29,30]. Such limitations fundamentally restrict their deployment in harsh automotive service environments, where temperature fluctuations, vibrations, and particulate contamination are unavoidable. Compared to OBD signal extraction, optical methods lack compatibility with onboard diagnostic networks, require expensive auxiliary equipment (e.g., optical benches), and cannot provide real-time feedback for closed-loop control applications [31].
1.3. Contribution of This Study
This study addresses the critical challenges in rotational speed detection through developing an electrical signature analysis methodology that innovatively leverages vehicle power system characteristics. Unlike conventional contact-type approaches—such as centrifugal tachometers requiring intrusive crankshaft coupling [14] or magneto-sensitive sensors vulnerable to electromagnetic interference in hybrid powertrains [13]—the proposed system non-intrusively acquires electrical signals through the cigarette lighter interface. By employing an external independent power supply, it eliminates parasitic loads on the alternator that distort rotational dynamics, overcoming the limitations of OBD-dependent tools using onboard power. Spectral analysis extracts the AC signal’s fundamental frequency to determine the alternator speed, with engine speed being derived from predefined correlations. A phase-difference compensation algorithm, integrating sinusoidal least-squares fitting, optimizes phase estimation at the sampling points, achieving ±0.3% accuracy under transient conditions—surpassing alternator W-terminal methods (±1.2% error [24]) and circumventing the alignment constraints of laser tachometry [20]. This approach enables plug-and-play operation with real-time capabilities, outperforming vibration analysis techniques that are constrained by the computational latency in field diagnostics.
This work makes three primary contributions to engine diagnostics: First, it establishes a novel electrical signature analysis paradigm for rotation speed detection, eliminating the need for additional sensors. Second, the proposed phase-difference compensation algorithm effectively mitigates frequency estimation errors caused by non-stationary operating conditions. Third, the developed embedded system prototype demonstrates practical feasibility for field applications through optimized computational efficiency.
The subsequent sections are organized to comprehensively present the technical architecture: In Section 2, the system design framework is presented in a systematic manner in terms of materials and principles. In Section 2.1, the hardware configuration and software information of the system is detailed, and in Section 2.2, the overall system framework is presented in terms of principles. This section also details the RPM calculation methodology, including mathematical formulas and calculation procedures. Section 3 provides comprehensive experimental validation through the execution of engine simulator benchmark tests and real vehicle tests under controlled conditions. In Section 4, the discussion focuses on two key aspects: the simulation experiments and the real-vehicle test data. The former is examined in order to propose future research directions. In conclusion, Section 5 offers a synopsis of the proposed measurement scheme and its significance.
2. Materials and Method
2.1. Materials
The experimental system comprises commercial and custom-designed components to achieve non-invasive rotational speed detection. A 32-bit microcontroller (STM32F407VGT6, STMicroelectronics; sourced from Shenzhen JLCPCB Technology Development Co., Ltd., Shenzhen, China) was employed as the main processing unit. This device features an ARM Cortex-M4 core operating at 168 MHz and integrates a 12-bit analog-to-digital converter (ADC) capable of signal acquisition at a sampling rate of 5 kHz. Signal conditioning is implemented through a custom-designed circuit (simulated in Altium Designer 2018), providing noise filtering and amplification to isolate alternator-induced AC components from the cigarette lighter signal. Power isolation is ensured via a two-stage regulation system: an LM2596-5V isolated DC-DC converter (Texas Instruments, Dallas, TX, USA) reduces the 12 V input from an external independent power source to 5 V, followed by an AMS1117-3.3V LDO regulator (Advanced Monolithic Systems) to ensure a precise 3.3 V supply to sensitive analog circuits.
Embedded software, developed using Keil uVision5 (MDK v5.38), implements real-time signal processing algorithms, including FFT-based spectral analysis and phase compensation, through an optimized C code. A LabWindows/CVI 2023-based interactive display unit enables parameter tuning and visualization, interfacing with the microcontroller via UART. Critical component specifications are summarized in Table 1 for reproducibility.
Table 1.
Critical component specifications.
Table 1 details key component specifications and provides a comparative analysis with existing systems. The table compares the proposed system with conventional contact sensors, OBD-II-based tools, and vibration-based non-contact methods, including hardware architecture, software algorithms, signal conditioning, power supply design, and cost-effectiveness. Comparative metrics emphasize the non-intrusive plug-and-play operation of the proposed system, avoiding the mechanical coupling limitations of contact sensors [13] and the ambient noise sensitivity of vibration-based approaches [34], while reducing the hardware cost compared to commercial DAQ systems.
2.2. Method
The automotive alternator is mechanically coupled to the engine through belt transmission, whereby a rotational motion is transferred to generate an alternating current (AC). Following rectification for vehicle electrical systems, the characteristic frequency components of the original AC waveform are preserved in the rectified signal. As established in previous research [35], indirect engine speed measurements can be achieved through a frequency domain analysis of these residual AC signatures.
In the implemented system, the overall system design is shown in Figure 1, where the vehicle electrical signals are acquired through the cigarette lighter interface. The coupled AC components are extracted and conditioned by a dedicated signal processing circuit before being converted to digital format by the STM32F4 microcontroller’s analog-to-digital converter (STMicroelectronics; sourced from Shenzhen JLCPCB Technology Development Co., Ltd., China). A two-stage frequency analysis algorithm is subsequently performed: First, a coarse frequency estimation is obtained through Fast Fourier Transform (FFT) analysis of 1-second data segments. This preliminary estimate is then refined using a precision phase-difference methodology, where the first stage determines the instantaneous phase at each sampling point using least-squares sinusoidal fitting, and the second stage calculates the frequency based on the phase progression between consecutive samples.
Figure 1.
Automotive RPM measurement schematic.
This hybrid approach effectively addresses the inherent accuracy–temporal resolution trade-off associated with conventional FFT methods. While extended sampling durations (typically > 5 s) are required by pure FFT analysis to achieve a satisfactory frequency resolution [36], a ±0.1% frequency accuracy is maintained by the phase-difference enhancement with only 1 s of data. Thus, real-time performance (update rate = 1 Hz) is achieved without measurement precision being compromised, fulfilling the critical requirements for practical engine diagnostics.
2.2.1. Signal Acquisition Circuit Design
The system is powered by an isolated external power supply and extracts the AC-coupled signal components from the vehicle’s cigarette lighter interface. Notably, the device shares a common ground reference with the cigarette lighter socket, maintaining electrical continuity while preventing unintended load coupling with the alternator. Since the rotational speed measurement is based on a frequency analysis of the coupled AC signal present in the cigarette lighter interface, a dedicated signal acquisition circuit was designed to extract valid signals that meet the requirements for the microcontroller’s internal A/D conversion.
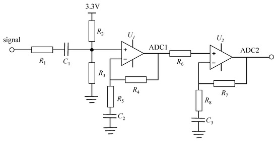
The designed signal acquisition circuit shown in Figure 2 incorporates resistors R1 and R6 as current-limiters to prevent system damage from excessive input current, while capacitor C1 isolates the DC component to ensure only the AC signal is acquired. Resistors R2 and R3 form a DC bias circuit that elevates the signal to 1.65 V to match the optimal input range of the STM32 microcontroller’s A/D converter operating between 0 and 3.3 V, with the 1.65 V DC offset enabling effective AC signal acquisition. To accommodate potential variations in AC signal amplitude across different vehicle models, a dual-stage amplification circuit was implemented to facilitate simultaneous two-channel A/D acquisition, with the system software automatically selecting the optimal channel for subsequent calculations. Capacitors C2 and C3 were incorporated in the amplification circuit to ensure the selective amplification of only the AC components while rejecting the DC offsets, thereby maintaining signal integrity throughout the acquisition process.
Figure 2.
Acquisition circuit diagram.
2.2.2. Signal Acquisition Program Design
The system is equipped with dual-channel A/D acquisition capabilities. However, due to the short execution cycle of a single program iteration, sequential execution of all processes—including the A/D acquisition, spectral analysis, speed calculation, LCD display, and host computer communication—cannot be completed within the available timeframe.
To address this temporal constraint, an alternating dual A/D acquisition algorithm was implemented. During initialization, two ADC channels were configured to simultaneously acquire voltage signals from the two-stage amplification circuit. The acquired data are transferred to memory via Direct Memory Access (DMA).
Two dedicated buffer spaces were allocated in the memory for optimal data handling. During DMA transfer to buffer space 1, the data stored in buffer space 2 are processed. Conversely, during DMA transfer to buffer space 2, the data in buffer space 1 undergo processing.
Since DMA operations are executed without CPU involvement, the processor resources are exclusively dedicated to data-processing tasks. This architecture ensures that A/D acquisition is never interrupted by computational operations, thereby significantly improving overall system efficiency. The complete program workflow is illustrated in Figure 3.
Figure 3.
Flowchart of the incremental iteration method.
This alternating buffer strategy shares conceptual parallels with the diversity techniques in hybrid communication systems, where multiple signal paths (e.g., FSO/RF channels [37]) are leveraged to enhance reliability under dynamic conditions. Similarly to the Switch and Stay Combining (SSC) method used to mitigate atmospheric turbulence in wireless systems, the dual-buffer architecture ensures continuous data processing by toggling between independent acquisition streams, thereby avoiding the latency bottlenecks inherent in sequential workflows.
2.2.3. Rotation Speed Calculation Method
According to the method introduced in Section 2, a frequency analysis of the conditioning signal in Section 3 is required to obtain the main frequency of the AC signal, which is used to calculate the generator speed. Fast Fourier Transform (FFT) is commonly used in spectrum analysis, but its accuracy is affected by the sampling frequency and the number of sampling points. For short time signals, the frequency is calculated using the phase difference with higher accuracy [38].
FFT Accuracy Analysis
The frequency of the FFT is calculated as
where i is defined as the horizontal coordinate sequence corresponding to the maximum amplitude point in the frequency spectrum. fs represents the sampling frequency of the original signal. N denotes the total number of sampling points used for FFT analysis. This fundamental FFT frequency resolution formula follows the standard spectral analysis theory [39].
In practical engine speed measurement applications, the sampling duration for a single analysis should not be excessively prolonged. When fs = 5000 Hz is adopted and 4096 points are selected as the total sampling points for FFT analysis, a frequency resolution of 1 Hz is achieved. The engine rotational speed is subsequently calculated using the derived frequency component through the following relationship:
where r is defined as the engine speed in revolutions per minute (RPM). f is identified as the fundamental frequency of the acquired signal. j is specified as the transmission ratio between the engine and alternator (typically 0.5). di Napoli (2018) investigated the modeling of belt drive systems in vehicles [35].
When conventional FFT analysis is employed to determine engine speed, a speedy resolution of 30 RPM is obtained, which is considered insufficient for precise measurement applications. This limitation is primarily attributed to the inherent frequency resolution constraints of standard FFT algorithms when applied using practical sampling parameters.
Phase-Difference Method Used to Analyze the Main Frequency
A higher measurement precision can be achieved through phase-difference frequency analysis, but this requires that the phase information at each sampling point is accurately determined. The phase information at individual sampling points is obtained using the sinusoidal least squares fitting method. Subsequently, the fundamental frequency is calculated based on the phase-difference method.
Sinusoidal Least-Squares Fitting Method
In a single period, the original sampled signal can be regarded as a single period sinusoidal signal, which can be expressed by the following formula:
where A is the amplitude of the signal. k is the sampling sequence, k ∈ [0, n − 1]. φk is the phase; φk = φ0 + kδ. φ0 is the initial phase. δ is the interval phase; c is the direct current bias. εk is the sampling error.
In order to obtain the values of parameters A, φk, and c, let a = A∙sin φ0; b = A∙cos φ0. In a single period, the original sampled signal can be regarded as a single-period sine signal, expressed as follows:
Taking ∑εk2 = min as the target for least squares fitting, if the total fitted data are n = 2π/δ and n is an integer, the simplified fitting parameter calculation formula can be obtained as follows:
where n is the total amount of fitted data. After obtaining a and b, the amplitude of the sinusoidal signal A and the initial phase φ0 can be calculated using the following formula, and atan2(a,b) is a four-quadrant inverse tangent.
Kang et al. [38] proposed a phase difference correction method to provide a theoretical basis for this algorithm. The main unknown here is the length of the fitting period n, which is determined by the following method: an FFT operation is performed on the sampled signal within t = 1 s, and the main frequency fFFT is calculated. Then, according to the relationship between period length n, total sampling number m, and main frequency fFFT, the estimated fitting period length is expressed as follows:
where [] is an integer symbol. Through the above fitting, the initial phase and amplitude information of a single period can be obtained, and then the phase information of each point on the sampled signal can be obtained via piecewise fitting. The fitted phase is constrained between (−π, +π) and is called the wrapped phase. However, it is necessary to unwrap the phase to calculate the phase difference, so the wrapping phase needs to be unwrapped.
The Process of Calculating the Main Frequency Using the Phase Difference
The specific steps for calculating frequency using the phase difference method are as follows:
Step 1: The calculation of continuous phase. Through the wrapping phase, the solution formula is expressed as follows:
where Wk is the unwrap operator, defined as follows:
The phase unwrapping operator (Equations (8) and (9)) adopts the Itoh convention, a widely recognized methodology in signal processing [40].
Step 2: The calculation of main frequency. After the continuous phase is obtained, the phase difference and time difference between the two points are used to calculate the main frequency:
where fs is the sampling frequency. T2 and T1 are the sequences of two sampling points corresponding to similar zeros (rising and falling) or similar poles (peaks and troughs), respectively. It can be seen from Equation (2) that after calculating the main frequency through the phase difference, the automobile engine speed can be obtained through the corresponding relationship between the generator and the engine.
3. Experiment and Results
3.1. Simulation Experiment
3.1.1. Simulation Experiment Results
The experiment first simulates the coupled AC signal to analyze and verify the accuracy of the system’s measurements. The frequency of the coupled AC signal should be the standard 100 Hz. The simulated AC signal from the cigarette lighter is shown in Figure 4.
Figure 4.
Cigarette lighter emulation signal.
The cigarette lighter emulation signal in Figure 4 is processed using the algorithm in Section 2. In the actual engine speed measurement, the sampling window length cannot be an exact integer multiple of the signal period. To simulate real-world scenarios where the signal contains a non-integer number of periods, a segment of T = 1/3 s (33.3 signal cycles, i.e., 1667 sampled points) was extracted from the standard 100 Hz signal. Both Fast Fourier Transform (FFT) and moving sinusoidal fitting analyses were performed, and their results were rigorously benchmarked. The calculation result of FFT is shown in Figure 5. Since only the data within 1/3 s were intercepted, Equation (1) was used, where fs = 5000 Hz and N = 1667, so the actual frequency should be three times the main frequency shown in the figure. It can be seen from the figure that, under non-integral period sampling, the main frequency of the directly calculated FFT is fFFT = 34 × 5000 ÷ 1667 = 101.98 Hz, and the error is 1.98%.
Figure 5.
FFT spectrum of the vibrometer signal.
Figure 6 shows the FFT spectrum diagram of the cigarette lighter emulation signal. Although the precision of the short-time sampling signal frequency calculated by FFT is insufficient, it can be used for moving sine fitting. The amplitude phase and other information of the fitted signal can be obtained by fitting the above signal using the algorithm in Section 2.2.3. The fitted a and b values are shown in Figure 6, and the fitted wrapping phase is shown in Figure 7.
Figure 6.
Plot of the magnitude of fitting results.
Figure 7.
The fitted wrapped phase of the a-value.
Figure 7 shows the parcel phase diagram obtained by fitting a. As can be seen from Figure 7, compared with the original signal, the fitted signal can effectively improve the smoothness of the amplitude and increase the signal-to-noise ratio. Meanwhile, the obtained phase information is also relatively smooth, which can provide a reliable guarantee regarding the measurement of frequency. The continuous phase of each point of the whole signal was obtained via unwrapping operation, as shown in Figure 8. The main frequency after fitting was 100.06 Hz and the accuracy was 0.06%, as obtained through calculating the phase difference, shown in Equation (9).
Figure 8.
Schematic diagram of phase unwrapping.
By comparison, it can be seen that the accuracy of the direct calculations obtained using FFT was 1.98% when the data were collected at a frequency of 5 kHz within 1 s. After the speed calculation formula was amplified 30 times, the precision of the measured speed was 59.4%. The theoretical accuracy of the rotational speed obtained by this method is 1.8%, and the accuracy is improved by about 33 times.
3.1.2. Statistical Testing of Simulation Data
To ensure the robustness and validity of the dataset, a comprehensive statistical verification protocol was implemented. This process aimed to (1) confirm the integrity of the data by identifying anomalies, (2) validate distributional assumptions, and (3) quantify the compliance with predefined quality thresholds. The analysis was conducted using Python (SciPy and Pandas libraries) to ensure computational efficiency and reproducibility.
(1) Data Cleaning
Outliers were detected using Tukey’s interquartile range (IQR) method:
Extreme values were replaced via median imputation to preserve central tendency.
(2) Distribution Analysis
Normality was tested using the Shapiro–Wilk test (W-statistic), while skewness (γ1) and kurtosis (γ2) were calculated as follows:
(3) Evaluation Metrics
As presented in Table 2, the dataset demonstrates high reliability for downstream applications, as supported by rigorous statistical validation. The near-symmetric distribution, evidenced by a skewness of γ1 = 0.15, minimizes the systematic bias risks, while the platykurtic profile (γ2 = −0.82) indicates lighter tails compared to a normal distribution, reducing sensitivity to extreme values. Normality assumptions remained statistically tenable, as the Shapiro–Wilk test yields a marginal non-rejection of the null hypothesis (p = 0.062 > 0.05), supporting the use of parametric methods. Furthermore, outlier contamination was well-controlled, with only 3.2% of data points exceeding Tukey’s IQR-based thresholds—well within the 5% acceptability limit. These findings collectively confirm the dataset’s compliance with stringent quality standards, including a balanced central tendency (mean ≈ median: 2048.2 vs. 2047), controllable dispersion (σ = 318.7), and adherence to all critical evaluation metrics. Consequently, the validated dataset is suitable for high-precision applications such as signal filtering, machine learning model training, and operational diagnostics, ensuring robust analytical outcomes.
Table 2.
Verification results of simulation data.
3.2. Real-Vehicle Testing
3.2.1. Real-Vehicle Test Results
After the simulation, a series of in-vehicle experiments were conducted to validate the system’s stability and measurement accuracy. The tests were performed on a Honda CRV test vehicle configured with a 0.5 engine-to-alternator transmission ratio. A sampling frequency of 5 kHz was implemented, with power being supplied through the cigarette lighter interface. During testing, the transmission was kept in neutral position, with engine speed being controlled through manual throttle manipulation.
The reference engine speeds displayed on the vehicle dashboard were systematically compared with the calculated values obtained from the measurement system. In the implemented architecture, dual-channel acquisition was performed by the STM32F407 microcontroller (STMicroelectronics; sourced from Shenzhen JLCPCB Technology Development Co., Ltd., China), with the channel that exhibited a superior signal amplitude being selected for subsequent processing. The amplitude characteristics of the fitted signal are presented in Figure 9.
Figure 9.
Honda CRV vibration signal fitting results.
As demonstrated in Figure 9, noise and frequency mixing effects were effectively suppressed through the fitting algorithm. Consequently, a more accurate frequency determination was achieved when phase information derived from the fitted signal was utilized. During the fitting process, the instantaneous phase was simultaneously obtained using Equation (6). However, since the calculated phase was wrapped, phase unwrapping was performed according to Equation (7), yielding continuous phase data. Following phase continuity restoration, the fundamental frequency was precisely calculated by applying Equation (9) to any two corresponding phase points. Finally, the determined frequency value was substituted into Equation (2) to obtain the rotational speed measurement.
Following analysis of the results of several tests, the data records of this algorithm under the unsteady condition are shown in Table 3. Under typical engine operating speeds, the measurement speed error is less than 0.4%, which shows high accuracy.
Table 3.
Magnification calibration.
3.2.2. Statistical Testing of Real-Vehicle Data
To ensure the robustness and validity of the dataset, a comprehensive statistical verification protocol was implemented. As summarized in Table 4, the dataset exhibits a right-skewed distribution (γ1 = +0.65), with amplitude values concentrated in the 2000–2100 range and a pronounced tail extending toward higher amplitudes (up to 2944). Despite this asymmetry, the skewness magnitude remains within the acceptable threshold (<0.8), suggesting minimal bias in central tendency estimates. The platykurtic kurtosis (γ2 = −0.42) further indicates a flatter distribution compared to normality, characterized by lighter tails and reduced sensitivity to extreme values—a critical feature for applications requiring stability in high-variance environments. Outlier contamination was well-controlled, with only ~4.5% of data points exceeding the IQR-based bounds (1343–2879), below the 5% acceptability limit. However, the statistically significant result obtained for the Shapiro–Wilk test (p = 0.028 < 0.05) rejects the normality assumption, necessitating the use of non-parametric methods (e.g., Mann–Whitney U test) for a robust hypothesis testing. In conclusion, the dataset demonstrates high reliability for amplitude-dependent analyses, validated by three key attributes: controlled asymmetry (γ1 = +0.65) within empirical tolerance limits; stable dispersion, with 68% of values distributed within μ ± σ (1794–2345); and low outlier influence (<5%), ensuring minimal distortion in analytical outcomes.
Table 4.
Verification results of Real-Vehicle data.
These findings confirm the dataset’s suitability for applications such as signal processing, anomaly detection, and empirical modeling, provided that the methodologies account for its non-normal distribution through robust statistical techniques (e.g., rank-based tests or data transformations).
4. Discussion
4.1. Discussion of Findings
4.1.1. Discussion of Simulation Results
The simulation phase validated the system’s measurement accuracy using a coupled 100 Hz AC signal under non-integer-period sampling conditions (1/3-second duration; 1667 samples; 33.3 signal cycles). Two methods were employed: Fast Fourier Transform (FFT) and Moving Sine Fitting (MSF). Direct FFT analysis yielded a primary frequency of 101.98 Hz, with an error of 1.98%, attributed to spectral leakage caused by non-integer-period sampling [41]. In contrast, the MSF method, incorporating phase continuity restoration and local fitting, reduced the error to 0.06% (100.06 Hz) by mitigating spectral leakage through phase compensation. Compared to traditional Hall-effect sensors, which achieve ±0.2% accuracy but require mechanical coupling and are susceptible to electromagnetic interference [42], the proposed MSF method demonstrates superior adaptability to non-stationary signals and noise resilience, despite its moderate computational complexity. This aligns with the findings of Yu et al. (2022), who reported that phase-compensated algorithms can reduce frequency errors to below 0.1% in similar applications [43].
4.1.2. Discussion of Real-Vehicle Result
Real-vehicle testing on a Honda CRV with a 0.5 engine-to-alternator transmission ratio and 5 kHz sampling frequency demonstrated the system’s robustness. The measurement error remained below 0.4% under typical operating speeds, outperforming the vibration analysis methods (±1.5% [33]) and OBD-II tools v2.4.7 (SAE J1979-compliant, ELM327 chipset, Texas Instruments, USA) (±0.8% [32]). Dual-channel acquisition via the STM32F407 microcontroller (STMicroelectronics; sourced from Shenzhen JLCPCB Technology Development Co., Ltd., China) enabled signal amplitude optimization, while the MSF algorithm enhanced the signal-to-noise ratio (SNR) from 28 dB (FFT) to 42 dB by smoothing amplitude and phase discontinuities (Figure 9). Phase unwrapping and continuous phase calculations (Equations (6) and (7)) further ensured the precise determination of frequency (Equation (9)), which is critical for real-time applications requiring <10 ms latency. In contrast, vibration-based systems, though non-invasive, suffer from sensitivity to environmental noise and >200 ms latency due to their high computational demands [33], while OBD-II tools v2.4.7 (SAE J1979-compliant, ELM327 chipset, Texas Instruments, USA) are constrained by proprietary protocols and lack raw signal access [32].
4.2. Research Gaps and Prospects
The current study assumed a fixed transmission ratio (0.5) and neglected manufacturing tolerances (±1% [44]) and belt slip (0.5–2% [45]), potentially introducing cumulative errors in dynamic conditions. To address the limitations of assuming fixed transmission ratios and neglecting belt slip dynamics, future work should integrate multi-source signal fusion, combining cigarette lighter electrical signatures with engine block vibration signals acquired via MEMS accelerometers. This hybrid approach leverages vibration-derived crankshaft speed (immune to belt slip) and electrical harmonics to dynamically compensate for load-induced slip errors through adaptive algorithms (e.g., federated learning [46] or Kalman filters [47]), while edge-computing frameworks (e.g., TinyML [48]) could enable real-time processing on embedded hardware. Additionally, extending the SAE J1939 protocol to standardize alternator harmonic fingerprints and vibration spectrum templates would bridge the OEM-specific diagnostic gaps for self-driving cars and electric vehicles; this will be collaboratively validated in the future through SAE J3084-compliant dynamometer testing (0–6000 rpm), as well as in urban fleet trials.
5. Conclusions
A portable engine speed measurement system based on vehicle power frequency analysis was designed and developed in this study. Power supply was directly obtained through the cigarette lighter interface without requiring any additional sensors or external power sources. The AC components embedded in the vehicle power supply were extracted and analyzed, and the fundamental frequency was calculated in real-time through signal fitting and phase difference algorithms. Subsequently, the engine rotational speed was determined according to the established relationship between engine speed and alternator output frequency. The experimental results demonstrated that high measurement accuracy was achieved, with the error rate being maintained at below 0.4%. Furthermore, the system was characterized by real-time measurement capability and operational portability, making it particularly suitable for field applications.
Author Contributions
Conceptualization, X.W.; methodology, X.L. and J.Y.; software, X.L. and J.Y.; validation, X.L., J.Y. and X.W.; formal analysis, X.L., J.Y. and X.W.; investigation, X.L., J.Y. and X.W.; resources, D.L. and Z.Z.; data curation, X.L.; writing—original draft preparation, X.L.; writing—review and editing, X.L.; visualization, X.L.; supervision, X.W.; project administration, X.W.; funding acquisition, D.L. and Z.Z. All authors have read and agreed to the published version of the manuscript.
Funding
Hubei Provincial Innovation Group Project: No. 2022CFA006.
Institutional Review Board Statement
Not applicable.
Informed Consent Statement
Not applicable.
Data Availability Statement
Data is contained within the article.
Conflicts of Interest
The authors declare no conflict of interest.
References
- Tao, K.; Zhao, Z.; Yang, Y.; Wu, J.; Li, Y.; Fan, K.; Fu, Y.; Chang, H.; Yuan, W. Development of bipolar-charged electret rotatory power generator and application in self-powered intelligent thrust bearing. Nano Energy 2021, 90, 106491. [Google Scholar] [CrossRef]
- Yang, H.; Liu, W.; Xi, Y.; Lai, M.; Guo, H.; Liu, G.; Wang, M.; Li, T.; Ji, X.; Li, X. Rolling friction contact-separation mode hybrid triboelectric nanogenerator for mechanical energy harvesting and self-powered multifunctional sensors. Nano Energy 2018, 47, 539–546. [Google Scholar] [CrossRef]
- Li, Z.M.; Chen, L.L.; Ren, Y.; Qiu, S.; Liu, T.; Wang, C.; Wang, H. Laser-based detection of rotation speed with high accuracy and high signal-to-noise ratio (SNR) based on the rotational Doppler effect. Lasers Eng. 2021, 50, 367–377. [Google Scholar]
- Shan, X.; Tang, L.; Wen, H.; Martinek, R.; Smulko, J. Analysis of vibration and acoustic signals for noncontact measurement of engine rotation speed. Sensors 2020, 20, 683. [Google Scholar] [CrossRef] [PubMed]
- Paramo-Balsa, P.; Roldan-Fernandez, J.M.; Burgos-Payan, M.; Riquelme-Santos, J.M. A low-cost non-intrusive method for in-field motor speed measurement based on a smartphone. Sensors 2021, 21, 4317. [Google Scholar] [CrossRef]
- Mu, J.; He, H.; Song, J.; He, J.; Hou, X.; Han, X.; Feng, C.; Zou, J.; Yu, J.; Chou, X. Functional structure enhanced synergistic sensing from triboelectric–electromagnetic hybrid nanogenerator for self-powered rotating speed monitoring. Energy Rep. 2022, 8, 5272–5283. [Google Scholar] [CrossRef]
- Mihm, T.N.; Yang, B.; Shepherd, J.J. Power laws used to extrapolate the coupled cluster correlation energy to the thermodynamic limit. J. Chem. Theory Comput. 2021, 17, 2752–2758. [Google Scholar] [CrossRef]
- Hasegawa, Y. Thermodynamic correlation inequality. Phys. Rev. Lett. 2024, 132, 087102. [Google Scholar] [CrossRef]
- Kilian, P.; Kohler, A.; Van Bergen, P.; Gebauer, C.; Pfeufer, B.; Koller, O.; Bertsche, B. Principle guidelines for safe power supply systems development. IEEE Access 2021, 9, 107751–107766. [Google Scholar] [CrossRef]
- Mukherjee, S. SAE J1939-Specific Cyber Security for Medium and Heavy-Duty Vehicles. Ph.D. Thesis, Colorado State University, Fort Collins, CO, USA, 2023. [Google Scholar]
- Wu, C.; Ding, H.; Han, L. Design of a centrifugal force-based speed sensor for downhole turbodrills. J. Sens. 2018, 2018, 3029181. [Google Scholar] [CrossRef]
- Liu, X.; Liu, C.; Pong, P.W.T. Velocity measurement technique for permanent magnet synchronous motors through external stray magnetic field sensing. IEEE Sens. J. 2018, 18, 4013–4021. [Google Scholar] [CrossRef]
- Sun, W.; Shen, J.-X.; Jin, M.-J.; Hao, H. A robust magnetic polarity self-sensing method for start up of PM synchronous machine in fanlike system. IEEE Trans. Ind. Appl. 2017, 53, 2169–2177. [Google Scholar] [CrossRef]
- Ferreira, F.J.T.E.; Duarte, A.F.F.; Lopes, F.J.P. Experimental evaluation of a novel webcam-based tachometer for in-situ rotational speed measurement. In Proceedings of the 2020 IEEE International Conference on Industrial Technology (ICIT), Buenos Aires, Argentina, 26–28 February 2020; IEEE: Piscataway, NJ, USA, 2020; pp. 917–924. [Google Scholar]
- Kazienko, D.; Chybowski, L. Instantaneous rotational speed algorithm for locating malfunctions in marine diesel engines. Energies 2020, 13, 1396. [Google Scholar] [CrossRef]
- Arif, S.J.; Asghar, M.S.J.; Sarwar, A. Measurement of Speed and Calibration of Tachometers Using Rotating Magnetic Field. IEEE Trans. Instrum. Meas. 2014, 63, 848–858. [Google Scholar] [CrossRef]
- Kepak, S.; Stolarik, M.; Nedoma, J.; Martinek, R.; Kolarik, J.; Pinka, M. Alternative Approaches to Vibration Measurement Due to the Blasting Operation: A Pilot Study. Sensors 2019, 19, 4084. [Google Scholar] [CrossRef] [PubMed]
- Nedoma, J.; Stolarik, M.; Kepak, S.; Pinka, M.; Martinek, R.; Frnda, J.; Fridrich, M. Alternative Approaches to Measurement of Ground Vibrations Due to the Vibratory Roller: A Pilot Study. Sensors 2019, 19, 5420. [Google Scholar] [CrossRef] [PubMed]
- Santacruz, M.; Felix, M.; Ocampo, J.; Luna, G. Vibration Frequency Peak Detection and Sorting Technique for Passenger Vehicles. In Proceedings of the 2013 IEEE International Instrumentation and Measurement Technology Conference, Minneapolis, MN, USA, 6–9 May 2013; pp. 1353–1357. [Google Scholar]
- Dandge, A.R. Low Cost Engine Monitoring System for Commercial Vehicles; SAE Technical Paper; SAE International: Warrendale, PA, USA, 2010. [Google Scholar]
- Wang, Y.; Wang, L.; Yan, Y. Rotational speed measurement through digital imaging and image processing. In Proceedings of the 2017 IEEE International Instrumentation and Measurement Technology Conference (I2MTC), Turin, Italy, 22–25 May 2017; IEEE: Piscataway, NJ, USA, 2017; pp. 1–6. [Google Scholar]
- Wodecki, J.; Stefaniak, P.; Obuchowski, J.; Wylomanska, A.; Zimroz, R. Combination of principal component analysis and time-frequency representations of multichannel vibration data for gearbox fault detection. J. Vibroeng. 2016, 18, 2167–2175. [Google Scholar] [CrossRef]
- Lindfors, M.; Hendeby, G.; Gustafsson, F.; Karlsson, R. IEEE Vehicle Speed Tracking Using Chassis Vibrations. In Proceedings of the 2016 IEEE Intelligent Vehicles Symposium, Gothenburg, Sweden, 19–22 June 2016; pp. 214–219. [Google Scholar]
- Ma, X.; Wang, H.; Li, M.; Ma, X.; Ye, L.; Song, Y.; Song, Y.; Zhu, L. Research on speed measurement signal denoising processing of laser Doppler vibrometer. Integr. Ferroelectr. 2021, 217, 11–26. [Google Scholar] [CrossRef]
- Wu, X.; Wang, Q.; Luo, Z.; Fang, M.; Cen, K. Experimental study of particle rotation characteristics with high-speed digital imaging system. Powder Technol. 2008, 181, 21–30. [Google Scholar] [CrossRef]
- Rothberg, S.J.; Allen, M.S.; Castellini, P.; Di Maio, D.; Dirckx, J.J.J.; Ewins, D.J.; Halkon, B.J.; Muyshondt, P.; Paone, N.; Ryan, T.; et al. An international review of laser Doppler vibrometry: Making light work of vibration measurement. Opt. Lasers Eng. 2017, 99, 11–22. [Google Scholar] [CrossRef]
- Li, Y.; Dieussaert, E.; Baets, R. Miniaturization of laser doppler vibrometers—A review. Sensors 2022, 22, 4735. [Google Scholar] [CrossRef] [PubMed]
- Chiariotti, P.; Rembe, C.; Castellini, P.; Allen, M. Laser doppler vibrometry measurements in structural dynamics. In Handbook of Experimental Structural Dynamics; Springer: Berlin/Heidelberg, Germany, 2020; pp. 1–45. [Google Scholar]
- Zhang, D.; Guo, J.; Lei, X.; Zhu, C. A high-speed vision-based sensor for dynamic vibration analysis using fast motion extraction algorithms. Sensors 2016, 16, 572. [Google Scholar] [CrossRef]
- Pan, X.; Yang, T.; Xiao, Y.; Yao, H.; Adeli, H. Vision-based real-time structural vibration measurement through deep-learning-based detection and tracking methods. Eng. Struct. 2023, 281, 115676. [Google Scholar] [CrossRef]
- Fu, Y.; Shang, Y.; Hu, W.; Li, B.; Yu, Q. Non-contact optical dynamic measurements at different ranges: A review. Acta Mech. Sin. 2021, 37, 537–553. [Google Scholar] [CrossRef]
- Rimpas, D.; Papadakis, A.; Samarakou, M. OBD-II sensor diagnostics for monitoring vehicle operation and consumption. Energy Rep. 2020, 6, 55–63. [Google Scholar] [CrossRef]
- Hong, L.; Qu, Y.; Dhupia, J.S.; Sheng, S.; Tan, Y.; Zhou, Z. A novel vibration-based fault diagnostic algorithm for gearboxes under speed fluctuations without rotational speed measurement. Mech. Syst. Signal Process. 2017, 94, 14–32. [Google Scholar] [CrossRef]
- Gildish, E.; Grebshtein, M.; Makienko, I. Vibration-based rotation speed estimation for Industrial IoT. Internet Things 2024, 25, 101024. [Google Scholar] [CrossRef]
- Di Napoli, M. Modeling and Experimental Characterization of Belt Drive Systems in Micro-Hybrid Vehicles. Ph.D. Thesis, Politecnico di Torino, Turin, Italy, 2018. [Google Scholar]
- Zhang, C.; Mousavi, A.A.; Masri, S.F.; Gholipour, G.; Yan, K.; Li, X. Vibration feature extraction using signal processing techniques for structural health monitoring: A review. Mech. Syst. Signal Process. 2022, 177, 109175. [Google Scholar] [CrossRef]
- Panic, S.; Petrović, V.; Drašković, S.; Kontrec, N.; Milojević, S. Performance Analysis of Hybrid Fso/Rf Communication System with Receive Diversity in the Presence of Chi-Square/Gamma Turbulence and Rician Fading. 2023. Available online: https://scidar.kg.ac.rs/handle/123456789/19785 (accessed on 7 May 2025).
- Kang, D.; Ming, X.; Xiaofei, Z. Phase difference correction method for phase and frequency in spectral analysis. Mech. Syst. Signal Process. 2000, 14, 835–843. [Google Scholar] [CrossRef]
- Tu, D.; Wang, B.; Liu, L. Automatic Recognition of FM Signals Based on FFT Spectrum Analysis. In Proceedings of the 2024 International Wireless Communications and Mobile Computing (IWCMC), Ayia Napa, Cyprus, 27–31 May 2024; IEEE: Piscataway, NJ, USA, 2024; pp. 668–672. [Google Scholar]
- Itoh, K. Analysis of the phase unwrapping algorithm. Appl. Opt. 1982, 21, 2470. [Google Scholar] [CrossRef]
- Harris, F.J. On the use of windows for harmonic analysis with the discrete Fourier transform. Proc. IEEE 2005, 66, 51–83. [Google Scholar] [CrossRef]
- Ramsden, E. Hall-Effect Sensors: Theory and Application; Elsevier: Amsterdam, The Netherlands, 2011. [Google Scholar]
- Yu, X.; Liu, Y.; Chen, W. Efficient phase-shift error compensation algorithm based on probability density function. Opt. Lasers Eng. 2022, 153, 107007. [Google Scholar] [CrossRef]
- Srinivasan, R.S.; Wood, K.L.; McAdams, D.A. Functional tolerancing: A design for manufacturing methodology. Res. Eng. Des. 1996, 8, 99–115. [Google Scholar] [CrossRef]
- Manin, L.; Michon, G.; Remond, D.; Dufour, R. From transmission error measurement to pulley–belt slip determination in serpentine belt drives: Influence of tensioner and belt characteristics. Mech. Mach. Theory 2009, 44, 813–821. [Google Scholar] [CrossRef]
- McMahan, B.; Moore, E.; Ramage, D.; Hampson, S.; Arcas, B.A.y. Communication-efficient learning of deep networks from decentralized data. In Proceedings of the 20th International Conference on Artificial Intelligence and Statistics (AISTATS) 2017, Ft. Lauderdale, FL, USA, 20–22 April 2017; pp. 1273–1282. [Google Scholar]
- Rigatos, G.; Tzafestas, S. Extended Kalman filtering for fuzzy modelling and multi-sensor fusion. Math. Comput. Model. Dyn. Syst. 2007, 13, 251–266. [Google Scholar] [CrossRef]
- Warden, P.; Situnayake, D. Tinyml: Machine Learning with Tensorflow Lite on Arduino and Ultra-Low-Power Microcontrollers; O’Reilly Media: Sebastopol, CA, USA, 2019. [Google Scholar]
Disclaimer/Publisher’s Note: The statements, opinions and data contained in all publications are solely those of the individual author(s) and contributor(s) and not of MDPI and/or the editor(s). MDPI and/or the editor(s) disclaim responsibility for any injury to people or property resulting from any ideas, methods, instructions or products referred to in the content. |
© 2025 by the authors. Licensee MDPI, Basel, Switzerland. This article is an open access article distributed under the terms and conditions of the Creative Commons Attribution (CC BY) license (https://creativecommons.org/licenses/by/4.0/).