Analysis of Coil Systems with Non-Symmetrical Fe Backings for Electrical Vehicle Wireless Charging Applications
Abstract
1. Introduction
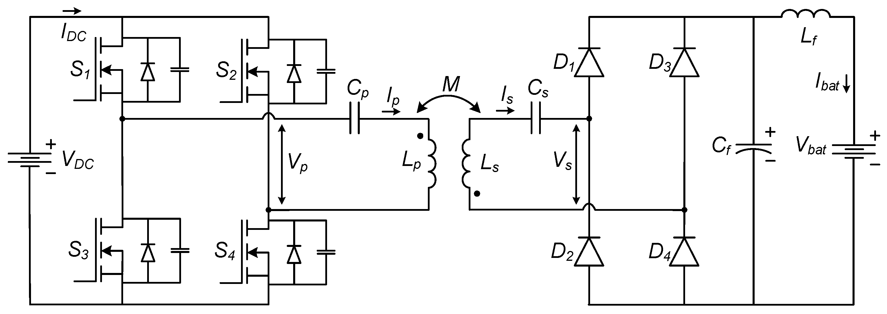
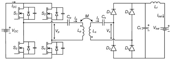
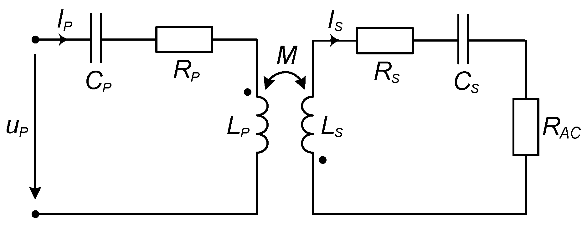
2. Coupling Coefficient and Efficiency of a WPT System
3. Materials and Methods
4. Model Verification
5. Results
5.1. Impact of Air-Gap Length on Coupling Coefficient
5.2. Impact of Longitudinal Displacement on Coupling Coefficient for Different Structures of the Cores
5.3. Impact of Number of Turns on Coupling Coefficient for Different Structures of the Cores
5.4. Impact of Width of the Ferrite Bars on Coupling Coefficient of Coil Systems with Bar–Plate Core Structure
6. Discussion
7. Conclusions
Author Contributions
Funding
Institutional Review Board Statement
Informed Consent Statement
Data Availability Statement
Acknowledgments
Conflicts of Interest
References
- SNS Insider. Available online: https://www.snsinsider.com/reports/wireless-charging-market-1361 (accessed on 15 November 2023).
- Detka, K.; Górecki, K. Wireless Power Transfer—A Review. Energies 2022, 15, 7236. [Google Scholar] [CrossRef]
- Cheong, Y.; Cao, S.; Naayagi, R.T.; Lee, S. Triple Phase Shift Control of Wireless Charging DAB LCC Resonant Converter for Unity Power Factor Operation with Optimized Rectifier AC Load Resistance. Appl. Sci. 2022, 12, 11871. [Google Scholar] [CrossRef]
- Arnaudov, D.D.; Madzharov, N.D.; Hinov, N.L. Rotary Wireless Inductive Transmitter Powered by ZVS Resonant Convertor. Elektron. Elektrotechn. 2019, 25, 17. [Google Scholar] [CrossRef]
- Feng, H.; Tavakoli, R.; Onar, O.C.; Pantic, Z. Advances in High-Power Wireless Charging Systems: Overview and Design. Consid. IEEE Trans. Transp. Electrif. 2020, 6, 886. [Google Scholar] [CrossRef]
- Skorvaga, J.; Frivaldsky, M.; Pavelek, M. Design of a Wireless Charging System for e-Scooter. Elektron. Elektrotechn. 2021, 27, 40. [Google Scholar] [CrossRef]
- Fenton, D.; Kailas, A. Redefining Goods Movement: Building an Ecosystem for the Introduction of Heavy-Duty Battery-Electric Vehicles. World Electr. Veh. J. 2021, 12, 147. [Google Scholar] [CrossRef]
- Mohamed, N.; Aymen, F.; Alqarni, M.; Turky, R.A.; Alamri, B.; Ali, Z.M.; Aleem, S.H.A. A new wireless charging system for electric vehicles using two receiver coils. Ain Shams Eng. J. 2022, 13, 101569. [Google Scholar] [CrossRef]
- Kakkar, R.; Gupta, R.; Agrawal, S.; Tanwar, S.; Sharma, R.; Alkhayyat, A.; Neagu, B.-C.; Raboaca, M.S. A Review on Standardizing Electric Vehicles Community Charging Service Operator Infrastructure. Appl. Sci. 2022, 12, 12096. [Google Scholar] [CrossRef]
- Taghizad-Tavana, K.; Alizadeh, A.; Ghanbari-Ghalehjoughi, M.; Nojavan, S. A Comprehensive Review of Electric Vehicles in Energy Systems: Integration with Renewable Energy Sources, Charging Levels, Different Types, and Standards. Energies 2023, 16, 630. [Google Scholar] [CrossRef]
- Nordström, H.; Söder, L.; Flynn, D.; Matevosyan, J.; Kiviluoma, J.; Holttinen, H.; Vrana, T.K.; van der Welle, A.; Morales-España, G.; Pudjianto, D.; et al. Strategies for Continuous Balancing in Future Power Systems with High Wind and Solar Shares. Energies 2023, 16, 5249. [Google Scholar] [CrossRef]
- Bellocchi, S.; Klöckner, K.; Manno, M.; Noussan, M.; Vellini, M. On the role of electric vehicles towards low-carbon energy systems: Italy and Germany in comparison. Appl. Energy 2019, 255, 113848. [Google Scholar] [CrossRef]
- Lim, K.L.; Speidel, S.; Bräunl, T. A comparative study of AC and DC public electric vehicle charging station usage in Western Australia. Renew. Sustain. Energy Transit. 2022, 2, 100021. [Google Scholar] [CrossRef]
- Li, G.; Jo, C.-H.; Shin, C.-S.; Jo, S.; Kim, D.-H. A Load-Independent Current/Voltage IPT Charger with Secondary Side-Controlled Hybrid-Compensated Topology for Electric Vehicles. Appl. Sci. 2022, 12, 10899. [Google Scholar] [CrossRef]
- Jo, S.; Shin, C.-S.; Kim, D.-H. Novel Design Method in Wireless Charger for SS Topology with Current/Voltage Self-Limitation Function. Appl. Sci. 2023, 13, 1488. [Google Scholar] [CrossRef]
- Ghazizadeh, S.; Ahmed, K.; Seyedmahmoudian, M.; Mekhilef, S.; Chandran, J.; Stojcevski, A. Critical Analysis of Simulation of Misalignment in Wireless Charging of Electric Vehicles Batteries. Batteries 2023, 9, 106. [Google Scholar] [CrossRef]
- Van Mulders, J.; Delabie, D.; Lecluyse, C.; Buyle, C.; Callebaut, G.; Van der Perre, L.; De Strycker, L. Wireless Power Transfer: Systems, Circuits, Standards, and Use Cases. Sensors 2022, 22, 5573. [Google Scholar] [CrossRef]
- Yakala, R.K.; Pramanick, S.; Nayak, D.P. Optimization of Circular Coil Design for Wireless Power Transfer System in Electric Vehicle Battery Charging Applications. Trans. Indian Natl. Acad. Eng. 2021, 6, 765–774. [Google Scholar] [CrossRef]
- Nakutis, Ž.; Lukočius, R.; Girdenis, V.; Kroičs, K. A Measurement Method of Power Transferred to an Electric Vehicle Using Wireless Charging. Sensors 2023, 23, 9636. [Google Scholar] [CrossRef] [PubMed]
- Corti, F.; Grasso, F.; Paolucci, L.; Pugi, L.; Luchetti, L. Circular Coil for EV Wireless Charging Design and Optimization Considering Ferrite Saturation. In Proceedings of the 2019 IEEE 5th International forum on Research and Technology for Society and Industry (RTSI), Florence, Italy, 9–12 September 2019; pp. 279–284. [Google Scholar] [CrossRef]
- Ongayo, D.; Hanif, M. Comparison of circular and rectangular coil transformer parameters for wireless Power Transfer based on Finite Element Analysis. In Proceedings of the 2015 IEEE 13th Brazilian Power Electronics Conference and 1st Southern Power Electronics Conference (COBEP/SPEC), Fortaleza, Brazil, 29 November–2 December 2015; pp. 1–6. [Google Scholar] [CrossRef]
- Moghaddami, M.; Anzalchi, A.; Sarwat, A.I. Finite element based design optimization of magnetic structures for roadway inductive power transfer systems. In Proceedings of the 2016 IEEE Transportation Electrification Conference and Expo (ITEC), Dearborn, MI, USA, 27–29 June 2016; pp. 1–6. [Google Scholar] [CrossRef]
- Yang, Y.; Cui, J.; Cui, X. Design and Analysis of Magnetic Coils for Optimizing the Coupling Coefficient in an Electric Vehicle Wireless Power Transfer System. Energies 2020, 13, 4143. [Google Scholar] [CrossRef]
- Li, S.; Yang, F.; Huang, Y.; Zhao, H. Comprehensive investigation on misalignment tolerance of inductive power transfer systems. Energy Rep. 2023, 9, 1578. [Google Scholar] [CrossRef]
- Leng, Y.; Luo, D.; Li, Z.; Yu, F. Coupling coefficient calculation and optimization of positive rectangular series coils in wireless power transfer systems. Heliyon 2023, 9, e21121. [Google Scholar] [CrossRef] [PubMed]
- Capua, G.; Femia, N. Optimal Coils and Control Matching in Wireless Power Transfer Dynamic Battery Chargers for Electric Vehicles. IEEE Access 2021, 9, 166542. [Google Scholar] [CrossRef]
- Huang, Z.; Wong, S.-C.; Tse, C.K. Design of a Single-Stage Inductive-Power-Transfer Converter for Efficient EV Battery Charging. IEEE Trans. Veh. Technol. 2017, 66, 5808–5821. [Google Scholar] [CrossRef]
- Zhang, Z.; Pang, H.; Georgiadis, A.; Cecati, C. Wireless Power Transfer—An Overview. IEEE Trans. Ind. Electron. 2019, 66, 1044–1058. [Google Scholar] [CrossRef]
- Laha, A.; Kalathy, A.; Pahlevani, M.; Jain, P. A Comprehensive Review on Wireless Power Transfer Systems for Charging Portable Electronics. Eng 2023, 4, 1023–1057. [Google Scholar] [CrossRef]
- Ghadeer, S.; Rezaei-Hosseinabadi, N.; Tabesh, A.; Khajehoddin, S.A. Improving Wireless Power Transfer Efficiency Considering Rectifier Input Impedance and Load Quality Factor. IEEE Access 2023, 11, 61738. [Google Scholar] [CrossRef]
- Li, S.; Mi, C.C. Wireless Power Transfer for Electric Vehicle Applications. IEEE J. Emerg. Sel. Top. Power Electron. 2015, 3, 4. [Google Scholar] [CrossRef]
- Onar, O.C.; Chinthavali, M.; Campbell, S.L.; Seiber, L.E.; White, C.P.; Galigekere, V.P. Modeling, Simulation, and Experimental Verification of a 20-kW Series-Series Wireless Power Transfer System for a Toyota RAV4 Electric Vehicle. In Proceedings of the IEEE Transportation Electrification Conference and Expo (ITEC), Long Beach, CA, USA, 13–15 June 2018; p. 874. [Google Scholar] [CrossRef]
- Chatterjee, S.; Iyer, A.; Bharatiraja, C.; Vaghasia, I.; Rajesh, V. Design Optimisation for an Efficient Wireless Power Transfer System for Electric Vehicles. Energy Procedia 2017, 117, 1015. [Google Scholar] [CrossRef]
- The AC/DC Module User’s Guide—COMSOL Documentation. Available online: https://doc.comsol.com/5.4/doc/com.comsol.help.acdc/ACDCModuleUsersGuide.pdf (accessed on 15 November 2023).
- SAE International|Standards|J2954_202010. Available online: https://www.sae.org/standards/content/j2954_202010/ (accessed on 27 December 2023).
- Campi, T.; Cruciani, S.; Maradei, F.; Feliziani, M. Magnetic Field during Wireless Charging in an Electric Vehicle According to Standard SAE J2954. Energies 2019, 12, 1795. [Google Scholar] [CrossRef]
- Liu, S.; Su, J.; Lai, J.; Zhang, J.; Xu, H. Precise Modeling of Mutual Inductance for Planar Spiral Coils in Wireless Power Transfer and Its Application. IEEE Trans. Power Electron. 2021, 36, 9876. [Google Scholar] [CrossRef]
- Mohan, S.S.; Hershenson, M.D.; Boyd, S.P.; Lee, T. Simple accurate expressions for planar spiral inductances. IEEE J. Solid. State Circuits 1999, 34, 1419. Available online: https://api.semanticscholar.org/CorpusID:14604387 (accessed on 27 December 2023). [CrossRef]
- Würth Elektronik|Transfer Transmitter Coil. ORDER CODE. 760308101311 Documentation. Available online: https://www.we-online.com/components/products/datasheet/760308101311.pdf (accessed on 15 November 2023).



















| Parameters, Units | Meaning | Value |
|---|---|---|
| Outer radius of the coils | 25 | |
| Inner radius of the coils | 11, * | |
| Radius of the conductor’s cross-sectional area | 2.7 | |
| Number of turns | 15, * | |
| Air-gap length between the coils | 17, * | |
| Driving frequency | 85 | |
| Thickness of the ferromagnetic plates or bars | 8 | |
| Width of the ferromagnetic bars | 2, * | |
| Longitudinal displacement of the coils | 0, * |
| Air-Gap (cm) | M (µH) FEM Results | M (µH) Experimental Results | Error |
|---|---|---|---|
| 2 | 1.70 | 1.72 | 1.54 (%) |
| 3 | 0.903 | 0.925 | 2.31 (%) |
| 4 | 0.509 | 0.532 | 4.34 (%) |
| 5 | 0.308 | 0.324 | 4.97 (%) |
Disclaimer/Publisher’s Note: The statements, opinions and data contained in all publications are solely those of the individual author(s) and contributor(s) and not of MDPI and/or the editor(s). MDPI and/or the editor(s) disclaim responsibility for any injury to people or property resulting from any ideas, methods, instructions or products referred to in the content. |
© 2024 by the authors. Licensee MDPI, Basel, Switzerland. This article is an open access article distributed under the terms and conditions of the Creative Commons Attribution (CC BY) license (https://creativecommons.org/licenses/by/4.0/).
Share and Cite
Lukočius, R.; Nakutis, Ž.; Vilkauskas, A.; Deltuva, R.; Romikaitis, L. Analysis of Coil Systems with Non-Symmetrical Fe Backings for Electrical Vehicle Wireless Charging Applications. Appl. Sci. 2024, 14, 1380. https://doi.org/10.3390/app14041380
Lukočius R, Nakutis Ž, Vilkauskas A, Deltuva R, Romikaitis L. Analysis of Coil Systems with Non-Symmetrical Fe Backings for Electrical Vehicle Wireless Charging Applications. Applied Sciences. 2024; 14(4):1380. https://doi.org/10.3390/app14041380
Chicago/Turabian StyleLukočius, Robertas, Žilvinas Nakutis, Andrius Vilkauskas, Ramūnas Deltuva, and Lukas Romikaitis. 2024. "Analysis of Coil Systems with Non-Symmetrical Fe Backings for Electrical Vehicle Wireless Charging Applications" Applied Sciences 14, no. 4: 1380. https://doi.org/10.3390/app14041380
APA StyleLukočius, R., Nakutis, Ž., Vilkauskas, A., Deltuva, R., & Romikaitis, L. (2024). Analysis of Coil Systems with Non-Symmetrical Fe Backings for Electrical Vehicle Wireless Charging Applications. Applied Sciences, 14(4), 1380. https://doi.org/10.3390/app14041380

