Next Article in Journal
An Overview of Recent Developments and Understandings of Unconventionals in the Vaca Muerta Formation, Argentina
Previous Article in Journal
Multi-View Jujube Tree Trunks Stereo Reconstruction Based on UAV Remote Sensing Imaging Acquisition System
 
 
Font Type:
Arial Georgia Verdana
Font Size:
Aa Aa Aa
Line Spacing:
Column Width:
Background:
Article

Three-Phase 75 kW Brushless Direct Current Motor for Electric Vehicles: Different Power Stage Design, Calculation of Losses, Cooling Techniques, and Comparison

1
Department of Electronics and Communication Engineering, Faculty of Electrical and Electronics Engineering, Istanbul Technical University, Istanbul 34467, Türkiye
2
Department of Electrical and Electronics Engineering, Faculty of Engineering and Natural Sciences, Konya Technical University, Konya 42130, Türkiye
3
Department of Mathematics Education, Faculty of Education, Yıldız Technical University, Istanbul 34220, Türkiye
*
Author to whom correspondence should be addressed.
Appl. Sci. 2024, 14(4), 1365; https://doi.org/10.3390/app14041365
Submission received: 17 November 2023 / Revised: 15 January 2024 / Accepted: 19 January 2024 / Published: 7 February 2024
(This article belongs to the Topic Vehicle Dynamics and Control)

Abstract

This study focuses on determining the technical specifications and parameters of an all-electric passenger vehicle, modeling it according to these parameters, selecting the appropriate electric motor as a result of the modeling, and then designing and making a new 75 kW three-phase DC-AC converter (inverter) as per to automotive standards for the brushless DC motor used for vehicle propulsion. Three different power stage designs are conducted and compared. The system losses were calculated, and three variants of cooling systems were used for cooling the power stage to reduce losses. Performances of such cooling systems were compared. Air cooling, fan-assisted air cooling, and liquid cooling structures are designed for power stage cooling, and the performances of these three systems were compared.

1. Introduction

Climate changes threatens the world’s future. Gas emissions such as CO2 and SO2 into the atmosphere should be controlled. The necessary measures are tried to be coordinated with international agreements and negotiations such as the Kyoto Protocol and Copenhagen Criteria. The most effective measure that can be taken today is to reduce the need for power plants that use fossil fuels on a big scale. In other words, by increasing efficiency in energy consumption, comfort and technology can be maintained with less energy. The increase in oil prices globally and the environmental pollution caused by fossil fuels have forced automotive manufacturers to work on and produce hybrid and electric vehicles [1,2,3].
The brushless direct current (BLDC) motor is widely used in electric vehicles. BLDC motor has attracted the attention of the automotive industry and scientific community for the next generation of electric vehicles due to its high power and torque density, high efficiency, and reliability [1]. The operational reliability and longevity of the BLDC motor are limited by high internal heat generation and inefficient heat dissipation. The proper measurement of heat generation in the electric motor and embedded motor cooling techniques are significant. The BLDC motor often suffers from high internal heat generation due to electromagnetic power losses, which in turn causes the premature demagnetization of the permanent magnets and ultimately reduces power density, longevity, and reliability [2,3]. Therefore, improved thermal management becomes a mandatory prerequisite for further improvement of the power and torque density of the motor.
Reducing the losses of electric motors and drives, where energy efficiency is vital, is one of the most critical issues. The calculation of these losses and the necessary designs to reduce losses are emphasized in this study. Three different cooling systems were designed to lower losses, and performances were compared [4,5,6].
After calculating a power requirement of 75 kW for the vehicle’s drive system, a brushless direct current motor (BLDC) of this power was preferred. After selecting the motor type, the bus voltage and current were determined. The nominal DC-Bus voltage was chosen as 375 V. The ‘nominal’ current to be drawn at this voltage was calculated to be 200 A. Within the scope of the electric vehicle project, another study in which PID and fuzzy control were performed with dSpace for rapid prototyping of this motor was published as an article [7]. This study, a different part of the electric vehicle project, focused on different power stage designs and their developments with various cooling systems, loss calculations, and comparison of all these structures.
IGBT was selected as the optimum switching element according to the selection criteria in this study. Different power stage designs were made using IGBTs in various sheaths. Protection, filter, and isolation circuits were designed and practically developed to protect the switching elements and the system. With the implemented design approach, a fully-controlled original 75 kW three-phase DC-AC converter was considered for a BLDC motor in compliance with automotive standards operating at a high efficiency of 97.5% at idle and 94.5% at load.
Most of the works regarding the thermal management in electric vehicles are focused on either improving the battery cooling [8,9,10] or the e-motor cooling [11,12], without taking into account the cooling system energy consumption. Conventional control strategies are based on a feedback control on the radiator inlet temperature, with a thermostat valve. An interesting control approach to reduce the motor cooling system energy consumption is proposed in [13], but the considered vehicle is a hybrid electric. There are different studies in the literature, such as those testing the control strategy that reduces the energy consumption of the cooling system, that is, the pump and fan, with numerical simulation in different driving cycles [14]. However, there is no study in the literature comparing three different power stages and cooling system designs, and loss calculations. This study focuses on this issue.

2. Vehicle and Drive System Model

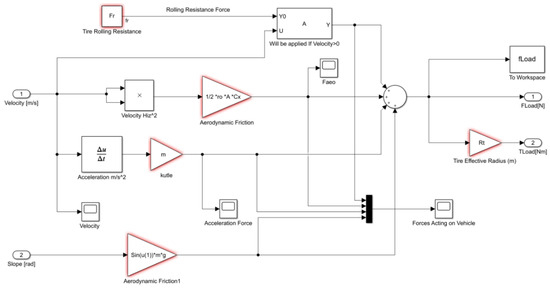
The overall model of the electric vehicle is configured in MATLAB/Simulink based on parameters such as aerodynamic drag force, rolling friction resistance force, acceleration force, and pitch resistance force. Figure 1 shows the force components acting on the vehicle. Table 1 shows the parameters of the vehicle.
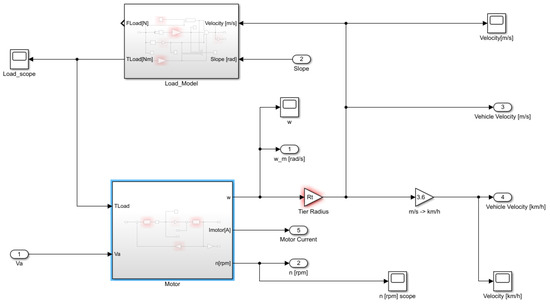
The overall vehicle Simulink model configured is shown in Figure 2. The gain value should be chosen so that the motor average voltage is equal to the bus voltage when the control signal is at its maximum value. Figure 3 shows the internal structure of the overall vehicle model.
The mathematical expression of the brushless direct current motor used for the motor drive is shown in Equation (1).
d d t [ i 1 ( t ) i 2 ( t ) i 3 ( t ) ] = [ R L 0 0 0 R L 0 0 0 R L ] [ i 1 ( t ) i 2 ( t ) i 3 ( t ) ] + [ 1 L 0 0 0 1 L 0 0 0 1 L ] { [ V 1 V 2 V 3 ] [ e 1 ( t ) e 2 ( t ) e 3 ( t ) ] }
The detailed block diagram for the BLDC motor is shown in Figure 4. A current limiting block of 1.5 times the nominal motor current is placed at the output of the motor impedance block to be more realistic. The maximum current that the DC source can deliver or the current limit of the driver circuit can be modeled with this limiting block.
In Figure 5, all forces acting on the vehicle and the load moment acting on the engine shaft are modeled. Here, tire rolling resistance is represented by a constant block as it is a ‘constant’ force. Fcn is a function block that produces output when the vehicle speed is above zero. Here, all parameters, such as the aerodynamic friction, vehicle mass, slope of the road, tire rolling resistance, wheel diameter, and desired reference speed information, are included in the calculations of the load model.
As a result of vehicle modeling, the requirement for a 75 kW drive power was calculated. The BLDC motor that can provide this power was identified and its parameters were determined. The current voltage values of the appropriate switching elements that can be used in the power stage to drive this electric motor were determined, and for this purpose, the nominal supply voltage of the switching element with a nominal current of 200 A was preferred as 375 V. The parameters of the motor and power system are given in Table 2 below.

3. Power-Stage Design

As seen in Table 3, the DC-bus voltage values vary between 250 and 400 V in the designed power system. The voltage, current, and system’s ambient temperature values are among the critical selection criteria of IGBTs. These values are given in Table 4 and Table 5, respectively.
Considering the motor voltage and current values in Table 4, IGBT modules with Vces = 1200 V, TJ = 175 °C were selected to prevent damage to the IGBTs in the design due to voltage and current exceedances of 2 or 3 times the nominal value that may occur on the IGBT. Three different sheathed modules were used in the designs. The preferred IGBT modules are shown in Figure 6. Here, switching loss values, high switching frequency, and cost are the reasons for the preference.
In Table 6, the IGBT modules of the Semikron company that are suitable for the determined values are given collectively. These modules were selected by considering Semikron’s recommendations for choosing the module values according to the DC-Bus voltage and nominal current.
In addition, designs were made along with SKM300GB126D and SKiM459GD12E4V2, composed of six combined modules, to compare performance using different cases.
IGBT modules also have temperature resistance up to 175 °C and operating temperatures up to 150 °C. The switching losses vary between 19 and 25 mJ depending on temperature. This value is low compared to the module values of many companies, which provides the system with a reduced energy loss and a high efficiency [15]. An IGBT driver was designed. DC-bus and snubber capacities were calculated and specified.

4. Calculation of Losses

The total losses of power semiconductor systems are obtained by calculating and adding the switching and conduction losses separately. Switching losses are the losses that turn into heat at the moments of conduction and cut-off of IGBT modules.
According to the datasheet details obtained from the IGBT company, the conduction switching loss of the IGBT at a 150 °C junction temperature, 600 V nominal voltage, and 600 A nominal current is 35 mJ. Under the same criteria, the cut-off switching loss is 110.4 mJ. In this study, since the nominal current value of the system is 200 A and the voltage value is 375 V, the approximate switching power loss of the system can be calculated by proportioning as follows.
For IGBT;
Pd(IGBT) = (System Switching Frequency (Hz)) · Eon + Eoff (joule)) = PowerLoss-1 (Watt)
In Equation (2), the system switching frequency is 8 kHz, the Eon conduction switching loss is 35 mJ, and the cut-off switching loss is 110.4 mJ;
P d ( I G B T ) = 8000 · 35 + 110.4 · 10 3 = 1163.2   W
IGBT switching power dissipation is calculated in Equation (3).
For the diode;
Pd(Diode) = (System Switching Frequency (Hz)) · (Eon (joule)) = PowerLoss-2 (Watt)
In Equation (4), the system switching frequency is 8 kHz, Eon conduction switching loss is 44 mJ;
P d ( D i o d e ) = 8000 · 44 · 10 3 = 352   W
The diode switching power dissipation is calculated in Equation (5). The total switching power dissipation is calculated in Equation (6).
P d ( T O T A L ) = P d ( I G B T ) + P d ( D i o d e ) = 1163.2 + 352 = 1515.2   W
The value calculated in Equation (7) was performed at nominal voltage and current values of 600 V, 600 A. Since the nominal current value of the system is 200 A and the nominal voltage value is 375 V, the approximate switching power loss is expressed as shown in Equation (7) and obtained as shown in Equation (8).
P d ( T O T A L n o m ) = P d ( T O T A L ) · I n o m · V n o m / ( I m a x · V m a x )
P d ( T O T A L n o m ) = 1515.2 · 200 · 375 / ( 600 · 600 )
P d ( T O T A L n o m ) = 315.66   W
The switching power dissipation for a single IGBT diode pair is 315.66 W. Considering that there are 6 IGBT diode groups in the system, the total switching power dissipation is expressed as shown in Equation (9) and obtained as shown in Equation (10).
P d ( 6 · T O T A L n o m ) = P d ( T O T A L n o m ) · 6
P d ( 6 · T O T A L n o m ) = 315.66 · 6
P d ( 6 · T O T A L n o m ) = 1894   W
This calculated value shows the maximum power loss. This amount of loss does not occur continuously while the system is operating.
Transmission losses are directly proportional to the square of the nominal current value passing through the IGBT modules and the IGBT module internal resistance values. According to the data obtained from the IGBT data file, conduction loss calculations were performed by selecting the values of the switch internal resistance values of the IGBT module to be used at the maximum temperature. Equation (11) was used for IGBT in these calculations. It is calculated as shown in Equation (12).
P i I G B T = V C E O · I n o m + r C E · ( I n o m ) 2
P i I G B T = 0.8 · 200 + 2.7 · 10 3 · 200 2
P i I G B T = 268   W
Equation (13) was used for the diode in these calculations. It is calculated as shown in Equation (14).
P i D i o d e = V F O · I n o m + r F · ( I n o m ) 2
P i D i o d e = 1.1 · 200 + 2.1 · 10 3 · 200 2
P i D i o d e = 304   W
The values calculated above are for one IGBT and diode connected in reverse parallel. The sum of the IGBT and diode conduction losses is computed, as seen in Equation (15).
P i ( T O T A L ) = P i ( I G B T ) + P i ( D i y o t ) = 268 + 304 = 572   W
As there are 6 of these pairs in the system, the total transmission loss is found in Equation (16).
P i 6 · T O T A L = P i T O T A L · 6 = 572 · 6 = 3432   W
When we apply these values calculated for 600 A to the system, the total transmission loss is expressed as shown in Equation (17) and the transmission loss is calculated as shown in Equation (18).
P i ( 6 · T O T A L n o m ) = P i ( T O T A L ) · I n o m · V n o m / ( I m a x · V m a x )
P i ( 6 · T O T A L n o m ) = 3432 · 200 · 200 / ( 600 · 600 )
P i ( 6 · T O T A L n o m ) = 381.33   W
This calculated value is again based on the maximum values of the system. The power stage total loss of the power electronics and control circuit are formulated in Equation (19), hence Equation (20). The result of the calculation can be seen in Equation (21).
P T O T A L = S w i t c h i n g   L o s s + T r a n s m i s s i o n   L o s s
P T O T A L = P d ( 6 · T O T A L n o m ) + P i ( T O T A L n o m )
P T O T A L = 1894 + 381.33
P T O T A L = 2275.33   W 2.3 KW
The calculated value shows a loss of roughly 2.3 kW. Based on this loss value, the efficiency of the circuit can be approximately calculated, as shown in Equation (22).
The efficiency value can be calculated as follows:
Efficiency = ɲ = 75 2.3   k W 75   k W 0.97

5. Cooling Calculations and Cooling System Design

In power stage design, some criteria are considered to select the heatsink. Figure 7 shows the thermal resistances of the system with the heatsink. Such thermal resistances and the parameters are described in Table 7.
The total thermal resistance is calculated with Equation (23) using the catalog values of ΘJC (RJC) and ΘCS (RCS) in the heatsink catalog to determine the heat emitted by the IGBT modules used.
Θ JC + Θ CS + Θ SA = T j   -   T A P
The total junction thermal resistance can be expressed by Equation (24), as computed in Equations (25) and (26).
QjaTotal = Diode(K/W) + IGBT(K/W) + Module (K/W)
QjaTotal = (0.086 · 6) + (0.049 · 6) + (0.03 · 3)
QjaTotal = 0.9 K/W
Equation (27) can be used to calculate the lost power. The parameter values are substituted in Equation (28), and the result can be seen in Equation (29).
Pdissipation = (Tj − Ta)/QjaTotal
Pdissipation = [(150 − 80) °C]/0.9 = (423 − 353) K/0.9
Pdissipation = 77.8 W
Effect of mounting distances of IGBTs on heat dissipation; when the IGBT modules are positioned as shown in Figure 8, the thermal resistance between the IGBT case and the heatsink decreases, thus ensuring that the amount of heat dissipated to the heatsink is equal and the temperature value is lower than the value when they are positioned side by side [16].
It is also recommended for liquid-cooled systems to implement a similar spacing between IGBTs as in air-cooled systems. The liquid cooling system should be designed by maintaining the distance between the IGBTs [16]. When the SKM300GB126D module case was used in this thesis, such points were considered in thermal design.
The analysis was performed in the Fluent program using the following parameters: ambient and heatsink parameter (Ta): 40 °C, number of elements installed per heat-sink: 6, number of parallel devices on the same heat-sink: 1, additional power supply: 0 W on this heat-sink, cooling methods forced air cooling, correction factor: 1, flow rate: 80 m3/h or L/min, and Rth (s − a): 0.11 K/W. If the number of switches on the heatsink and the number of components connected in parallel are more than one, the total power is calculated by Equation (30).
P T O T A L = n s   · n p   ( P d ( 6 · T O T A L n o m ) + P i ( T O T A L n o m ) )
ns = number of switches on the heatsink;
np = number of components connected in parallel in the switch.
In the thermal analysis example shown in Figure 9, it was determined that the IGBTs had a temperature of 90 °C with a distance of 20 mm between them. As illustrated in Figure 10, the temperature rises to 96 °C when there is no space between the IGBTs [16].
Since the combined layout will cause higher temperatures in case of high current flow through the IGBTs, the design in Figure 9 is adopted as the optimum design. A greater distance between IGBTs is better for maintaining low temperatures. However, when the distance is more than 30 mm, the value of the stray inductance of the system would increase, which will damage the system and cause unwanted voltages. Therefore, the distance is set at such a level. Thus, the temperature rise at higher current values will be less, and the stray inductance will remain at optimum levels [16].

5.1. Liquid Cooling Module

After taking the aspect lengths of the IGBT modules to be used and setting the optimum distance to be left between them, the dimensions of the water cooler module were calculated. The drawing in Figure 11 shows the module dimensions in millimeters. The module has a structure consisting of copper tubes embedded in an aluminum substrate through which water or coolant passes. In the design, drawings were made depending on the substrate thickness value, copper tube wall thickness, and the distance to be buried from the surface to the inside. The liquid cooler module is designed to remove the heat generated by the switching and conduction losses caused by the IGBT modules in the power stage of the power electronics and control circuit and to operate the power electronics circuit at the optimum temperature. The switching and conduction losses are calculated using the information obtained from the data sheets of the IGBTs used and the current, voltage, switching frequency, and physical dimensions of the system.
An air-cooled system and Semikron’s WP16 liquid cooling system were used in the first prototype studies. In later designs, these structures were revised and the liquid cooling system was designed as shown in Figure 12 and Figure 13. This liquid cooling system was made with machining CNC processes.
As seen from the calculation in Equation (21), the module compensates for a loss of 2300 W and keeps the outlet water temperature at 20.5 °C when the inlet water temperature is 16 °C. It removes a temperature value of 4.5 °C from the system. In this case, the surface temperature of the cooler, that is, the surface temperature to which the IGBTs are connected, remains constant at 34.5 °C.

5.2. Cooling Profiles

The heatsink material must show optimum thermal conductivity and heat dissipation (high coefficient of thermal conductivity λ) at reasonable material and processing costs. Aluminum is therefore usually preferred (λ = 247 W/K·m for pure Al). But copper can also be used to meet specifically high requirements (λ = 398 W/K·m). The dependence of the heat dissipation on the manufacturing process and the alloy used is striking; in practice, the λ-values of coolers range from 150 W/K·m (Al-die cast alloy) to 220 W/K·m (AlMgSi extruded material). The heat dissipation in the material has a significant influence on the thermal efficiency of the heatsink [17].
Therefore, optimized sizing for root thickness, number of fins, fin height, and fin thickness is critical: The fins of an air cooler are used to dissipate most of the heat to the environment by convection. The root of a cooler is the finless part of the mounting surface for power modules where heat is dissipated [17]. To determine the optimum conditions for forced air-cooled chiller profiles, heat conduction and convection can also be integrated through the fin height pattern and calculated by the following formula:
R t h s a = 1 n · · U · λ · A · 1 1 + e 2 k 1 1 + e 2 k
where k = h · α · U λ · A
  • (α: heat-transfer coefficient, U: fin circumference, λ: coefficient of thermal conductivity of the heatsink material, A: cross-section of fins, h: fin height).
Fans generate the air flow required for air cooling. Different fan types are used depending on the kind of cooler and application (Figure 14):
Axial flow fans run with the axis of rotation of the axial rotor parallel to the air flow. The air is moved along the axial rotor, which moves similar to an air screw. The advantages of axial flow fans are their relatively small size relative to the high air flow rate processed. Their disadvantage is the increase in pressure compared to radial flow fans. Radial flow fans (Figure 14) [17], in contrast to axial flow fans, are used where a higher pressure rise is critical for the same amount of air. Air is sucked in parallel or axial to the drive axis of the radial flow fan and blown out in a radial direction, deflected 90° by the rotation of the radial rotor. In order to minimize pressure losses due to the high outlet velocity of the air exiting the radial flow fan, care must be taken to maintain air channeling, for instance, by using a diffuser. Cross-flow or tangential fans have an inlet and blowing slot along their entire length. Air is sucked from the inlet slot into the interior of the rotor, where it is swirled, deflected, and blown out extremely homogeneously. Cross-flow fans provide a high air flow rate even at low speeds and can therefore be configured to generate relatively low noise. The rotor length and outlet slot are matched to the heatsink width [17]. The energy consumption of the cooling system is associated with two components: the pump and the fan. In conventional cooling systems, the pump and the fan are controlled with a thermostat. In new studies, the thermal loads of all components of the vehicle are calculated and, simulated, and control strategies are developed [14].

6. DC-Bus Design

The DC-Bus can be designed in different ways. In general, a “sandwich busbar” design is used in applications, because the sandwich busbar design reduces the stray inductance value, which means reducing the additional voltage that will be reflected on the DC-Bus voltage and thus on the IGBTs, as mentioned before. The design’s three-dimensional model is illustrated in Figure 15 [16].
As shown in Figure 15, the + and − plates of the busbar are parallel to each other and separated by an insulator. DC-bus capacitors will be used as mounted on these busbar coppers. The cooler and its placement on the IGBTs are shown in Figure 16. As shown in Figure 16, DC-Bus capacitors are placed on the DC busbar located on the appropriate IGBT that provides input parallel to the cooler by forming a parallel group. The desired capacitance value is created in this way [16].
The current resistance is increased by connecting the capacitors in parallel instead of current flowing through the DC bus, interfering with a single capacitor. The surface area and thickness of the DC-bus are designed according to the current to pass. It is manufactured for a current passage of 300 A. If the capacitor’s voltage-current values are not at values appropriate to all be connected in parallel, the sandwich busbar can be designed both in series and parallel.

7. Design and Assembly of Other Power Stage Circuits

Whether the cooling system is air, fan assisted air, or a liquid cooled system, IGBT modules are mounted on these coolers after manufacturing. A busbar or sandwich busbar is mounted on these IGBT modules. After this, DA-Bus capacitors and the snubber are assembled. Depending on the sheath structure of the IGBT, the IGBT driver (Skyper 32) is connected to the system either directly or through an intermediate mounting tube. In Figure 16, due to the sheath of the IGBT module, an intermediate auxiliary circuit (board) manufactured for easy connections is used.
The placement of the auxiliary board circuit on the IGBT modules together with the Skyper 32 Pro is shown in Figure 17 [16].
In this study, the original design of both air and liquid-cooled three-phase power plants with a nominal power of 75 kW and a maximum power of 100 kW is presented. The DC-AC converter (inverter) was designed, manufactured, and operated.
In the air-cooled system, the DA-Bus capacitors are installed by connecting eight 4500 µF 450 V capacitors in parallel. Figure 18 shows the original 75 kW fan-assisted natural-air cooled three-phase inverter circuit. With the emergence of film capacitors with the development of technology instead of electrolytic capacitors, film capacitors were used in the second design, the liquid-cooled system.
In the liquid cooled inverter circuit in Figure 19, two film capacitors are used. The physical structure of the system is much smaller.
As shown in the above figures, the space occupied by both designs is large. A new sandwich busbar design with a film capacitor was required to reduce the physical footprint. After such a design is completed; It turned out that it was appropriate to design the system using a “module containing six IGBTs in a single case”. The SKiM459GD12E4 model, produced by Semikron for three-phase systems, with six IGBTs in a single housing and with a suitable thermal structure, was selected.
The design of two 220 µF 1200 V film concentrators and the ‘sandwich-bara’ design that will allow us to connect them to the IGBT module is shown in Figure 20. In addition, the placement of the SKiM459GD12E4 IGBT module on the liquid cooling unit, the adapter circuit (Adaptor Board 93 GD) required for the connection of the IGBT module and the IGBT driver circuit, the placement of the IGBT driver circuit SKYPER® 42 LJ R, the connection of current sensors, and the input and output connectors are shown in three dimensions in the design in Figure 20. It can be seen that the new design is a very compact and space-saving one.
In Figure 21, three-dimensional drawings of the cooler module were made and the mounting locations of the IGBT module were determined so as not to coincide with the liquid channels of this cooler. The SKiM459GD12E4 six-IGBT module in Figure 22 was selected based on technical requirements such as system current voltage values, etc.
First of all, this IGBT module was mounted on this heatsink block. The “Adaptor Board 93 GD”, which is an adapter circuit suitable for the IGBT module, was selected from Semikron. The adapter circuit is mounted on the IGBT module as in the design structure in Figure 22 [18].
As shown in Figure 23, a different sandwich busbar was designed and connected for the assembly of the SKiM459GD12E4 IGBT module and film capacitors. The sandwich bar was manufactured. In Figure 23, the original three-phase 75 kW fully controlled liquid- cooled DC-AC converter circuit was designed and manufactured. Three 600 A current sensors from the LEM company were connected to the converter outputs to measure the current. In this study, the power stage was designed in three different structures.
The dSpace DS1401 Digital Signal Processing unit was used for rapid control prototyping of the BLDC motor. The DS1401 DSP, which is compatible with MATLAB/Simulink blocks, embeds the Simulink blocks as hex code into the processor and generates the control signals. A real-time control system was created by transferring the PID control system and the fuzzy control system to the dSpace board via MATLAB/Simulink blocks for testing the HIL system and the power stage. By changing the control parameters in the HIL system, the optimum control parameters were determined and the system was operated in real-time. The tested power stage and control software were transferred to a dSP-based embedded structure.
The BLDC motor, PID, and fuzzy control were designed using MATLAB R2018b Fuzzy Logic Toolbox. This HIL system provides a very good solution for rapid prototyping. The block diagram of this system is shown in Figure 24 [7].
The developed control algorithms were tested with this rapid prototyping. This experimental platform is shown in Figure 25. Cooling platforms in the electric vehicle HIL system were also tested as a practical application. For this purpose, the DC motor, DC generator, DS1401 dSpace Micro—AutoBox in the HIL structure, CAN-BUS Communication, PC connections, DC power supply, DC motor driver, and liquid cooling system were used.
A simulation model for the vehicle was obtained in this study by determining the basic parameters of a passenger electric vehicle. A brushless DC motor was selected according to the simulation result, a unique 75 kW DC-AC converter of three different types in compliance with automotive standards was designed to drive this motor, and practical test results demonstrated the success. The BLDC motor phase currents and voltages were monitored with an oscilloscope. This is shown in Figure 26. The simulation and the application results have shown compatibility, and the system performance has been successfully tested.
The performance of the control algorithms, software, and the three types of power stages designed were tested. The BLDC motor phase currents (If1 Maroon; If2 Gray; If3 Orange) and, BLDC motor interphase voltages (V23 Blue; V12 Green; V13 Red) were monitored with an oscilloscope as shown in Figure 26.

8. Experimental Results

Three different cooling systems, namely air-cooled, fan-assisted air-cooled, and liquid-cooled, were used in the three different power stages that were considered to drive the brushless direct current motor. In Table 8, when the surface temperatures of IGBTs used as switching elements in the power stage are measured, the performances of the cooling systems are shown, from best to worst; It is seen that the system with the best performance is liquid cooled, followed by fan assisted air cooling, and then air cooled. In Table 9, experimental application results of cooling system efficiency decline rate in percentage comparisons according to the mounting method of IGBTs.

9. Conclusions

In the three different power stages studied to drive the brushless direct current motor, it was measured that the performances of the cooling systems were ranked, from better to poor, as liquid cooling, fan-assisted air-cooled and, air-cooled systems. As per the configuration of the semiconductors, it is seen that the liquid-cooled system with at least 20 mm between them, using a single module, gives the best performance. The performance of fan-assisted air-cooled and fanless air-cooled systems decreases further. In power-semiconductor systems, if no cooling system is employed, the nominal operating temperatures are exceeded, especially during load operations. Therefore, using a cooling system is essential. According to the results of this study, the installation of power semiconductors and the choice of cooling system should be optimized according to the requirements of future studies.

Author Contributions

A.B.: conceptualization, experimentation, data interpretation, and writing; O.A.: experimentation and data interpretation; E.B.: conceptualization, data interpretation, and writing. All authors have read and agreed to the published version of the manuscript.

Funding

This research received no external funding.

Institutional Review Board Statement

Not applicable.

Informed Consent Statement

Not applicable.

Data Availability Statement

The raw data supporting the conclusions of this article will be made available by the authors on request.

Conflicts of Interest

The authors declare no conflicts of interest.

References

  1. Tutelea, L.; Boldea, I. Optimal Design of Residential Brushless D.C. Permanent Magnet Motors with FEM Validation. In Proceedings of the Aegean Conference on Electric Machines, Power Electronics and Electromotion (ACEMP ‘07), Bodrum, Turkey, 10–12 September 2007; pp. 435–439. [Google Scholar]
  2. Zarko, D.; Ban, D.; Lipo, T.A. Analytical Solution for Cogging Torque in Surface Permanent-Magnet Motors Using Conformal Mapping. IEEE Trans. Magn. 2007, 44, 52–64. [Google Scholar] [CrossRef]
  3. Ustun, O.; Yilmaz, M.; Gokce, C.; Karakaya, U.; Tuncay, R.N. Energy Management Method for Solar Race Car Design and Application. In Proceedings of the IEEE International Electric Machines and Drives Conference, Miami, FL, USA, 3–6 May 2009; pp. 804–811. [Google Scholar]
  4. Markovic, M.; Hodder, A.; Perriard, Y. An Analytical Determination of The Torque–Speed and Efficiency–Speed Characteristics of a BLDC Motor. In Proceedings of the Energy Conversion Congress and Exposition (ECCE 2009), San Jose, CA, USA, 20–24 September 2009; pp. 168–172. [Google Scholar]
  5. Zhao, L.; Ham, C.; Zheng, L.; Wu, T.; Sundaram, K.; Kapat, J.; Chow, L. A Highly Efficient 200,000 Rpm Permanent Magnet Motor System. IEEE Trans. Magn. 2007, 43, 2528–2530. [Google Scholar] [CrossRef]
  6. Tuncay, R.N.; Üstün, O.; Yılmaz, M.; Gokce, C.; Karakaya, U. Design and Implementation of An Electric Drive System for In-Wheel Motor Electric Vehicle Applications. In Proceedings of the 7th IEEE Vehicle Power and Propulsion Conference (VPPC’11), Chicago, IL, USA, 6–9 September 2011; pp. 1–6. [Google Scholar]
  7. Bahadir, A.; Aydogdu, O. Modeling of a brushless dc motor driven electric vehicle and its pid-fuzzy control with dSPACE. Sigma J. Eng. Nat. Sci. 2023, 41, 156–177. [Google Scholar] [CrossRef]
  8. Wu, W.; Wang, S.; Wu, W.; Chen, K.; Hong, S.; Lai, Y. A critical review of battery thermal performance and liquid based battery thermal management. Energy Convers. Manag. 2019, 182, 262–281. [Google Scholar] [CrossRef]
  9. Arasu, M.; Ahmed, Q.; Rizzoni, G. Optimizing battery cooling system for a range extended electric truck. SAE Tech. Pap. 2019, 2019, 158. [Google Scholar]
  10. Kong, D.; Peng, R.; Ping, P.; Du, J.; Chen, G.; Wen, J. A novel battery thermal management system coupling with PCM and optimized controllable liquid cooling for different ambient temperatures. Energy Convers. Manag. 2020, 204, 112280. [Google Scholar] [CrossRef]
  11. Davin, T.; Pellé, J.; Harmand, S.; Yu, R. Experimental study of oil cooling systems for electric motors. Appl. Therm. Eng. 2015, 75, 1–13. [Google Scholar] [CrossRef]
  12. Fang, G.; Yuan, W.; Yan, Z.; Sun, Y.; Tang, Y. Thermal management integrated with three-dimensional heat pipes for air-cooled permanent magnet synchronous motor. Appl. Therm. Eng. 2019, 152, 594–604. [Google Scholar] [CrossRef]
  13. Huang, J.; Naini, S.S.; Miller, R.; Rizzo, D.; Sebeck, K.; Shurin, S.; Wagner, J. A Hybrid Electric Vehicle Motor Cooling System—Design, Model, and Control. IEEE Trans. Veh. Technol. 2019, 68, 4467–4478. [Google Scholar] [CrossRef]
  14. Lombardi, S.; Villani, M.; Chiappini, D.; Tribioli, L. Cooling System Energy Consumption Reduction through a Novel All-Electric Powertrain Traction Module and Control Optimization. Energies 2021, 14, 33. [Google Scholar] [CrossRef]
  15. Bhosale, P.; Hermwille, M. Connection of Gate Drivers to IGBT and Controller. Semikron Application Note AN-7002. 5 September 2006. Available online: www.Semikron.com/Application/DriverConnection (accessed on 18 January 2024).
  16. Daucher, C.; Wintrich, A.; Pluschke, N. SEMIKRON Application Manual—Power Modules; 4 April 2006 Rev1; SEMIKRON: Nuremberg, Germany, 2006. [Google Scholar]
  17. Wintrich, A.; Nicolai, U.; Tursky, W.; Reimann, T. SEMIKRON Application Manual—Power Semiconductors, 2nd ed.; ISLE Verlag, SEMIKRON International: Nuremberg, Germany, 2015; pp. 299–302. ISBN 978-3-938843-83-3. [Google Scholar]
  18. Pluschke, N. Application Manual Power Modules; SEMIKRON: Nuremberg, Germany, 2006. [Google Scholar]
Figure 1. Force components acting on the vehicle.
Figure 1. Force components acting on the vehicle.
Applsci 14 01365 g001
Figure 2. Vehicle general model.
Figure 2. Vehicle general model.
Applsci 14 01365 g002
Figure 3. Internal structure block of the general vehicle model.
Figure 3. Internal structure block of the general vehicle model.
Applsci 14 01365 g003
Figure 4. BLDC motor Simulink model.
Figure 4. BLDC motor Simulink model.
Applsci 14 01365 g004
Figure 5. Load model.
Figure 5. Load model.
Applsci 14 01365 g005
Figure 6. IGBT modules selected for BLDC motor driver.
Figure 6. IGBT modules selected for BLDC motor driver.
Applsci 14 01365 g006
Figure 7. Thermal resistance of the system with cooler.
Figure 7. Thermal resistance of the system with cooler.
Applsci 14 01365 g007
Figure 8. Placement of IGBT modules in the heatsink.
Figure 8. Placement of IGBT modules in the heatsink.
Applsci 14 01365 g008
Figure 9. Sample IGBT (20 mm) thermal distribution.
Figure 9. Sample IGBT (20 mm) thermal distribution.
Applsci 14 01365 g009
Figure 10. Sample IGBT (0 mm) thermal analysis.
Figure 10. Sample IGBT (0 mm) thermal analysis.
Applsci 14 01365 g010
Figure 11. Liquid cooler module top and profile view.
Figure 11. Liquid cooler module top and profile view.
Applsci 14 01365 g011
Figure 12. Liquid cooling module top view.
Figure 12. Liquid cooling module top view.
Applsci 14 01365 g012
Figure 13. Liquid cooling module with IGBTs in place.
Figure 13. Liquid cooling module with IGBTs in place.
Applsci 14 01365 g013
Figure 14. (a) Axial-flow fan; (b) Radial-flow fan; (c) Cross-flow fan.
Figure 14. (a) Axial-flow fan; (b) Radial-flow fan; (c) Cross-flow fan.
Applsci 14 01365 g014
Figure 15. Sandwich busbar design.
Figure 15. Sandwich busbar design.
Applsci 14 01365 g015
Figure 16. DC-Bus IGBT heatsink and capacitance.
Figure 16. DC-Bus IGBT heatsink and capacitance.
Applsci 14 01365 g016
Figure 17. IGBT module design on a fluid cooling system.
Figure 17. IGBT module design on a fluid cooling system.
Applsci 14 01365 g017
Figure 18. Original 75 kW fan assisted natural-air cooled three-phase inverter circuit.
Figure 18. Original 75 kW fan assisted natural-air cooled three-phase inverter circuit.
Applsci 14 01365 g018
Figure 19. Original 75 kW liquid cooled three phase inverter circuit.
Figure 19. Original 75 kW liquid cooled three phase inverter circuit.
Applsci 14 01365 g019
Figure 20. Original three-phase 75 kW liquid cooled inverter circuit with six IGBT modules.
Figure 20. Original three-phase 75 kW liquid cooled inverter circuit with six IGBT modules.
Applsci 14 01365 g020
Figure 21. Three-dimensional design visuals of the cooling module from the front, top and side.
Figure 21. Three-dimensional design visuals of the cooling module from the front, top and side.
Applsci 14 01365 g021
Figure 22. SKiM459GD12E4 IGBT module, adapter circuit, and IGBT driver assembly.
Figure 22. SKiM459GD12E4 IGBT module, adapter circuit, and IGBT driver assembly.
Applsci 14 01365 g022
Figure 23. (a) Original three-phase 75 kW liquid cooled inverter circuit with six IGBT modules. (b) Figure in (a) viewed from different angle.
Figure 23. (a) Original three-phase 75 kW liquid cooled inverter circuit with six IGBT modules. (b) Figure in (a) viewed from different angle.
Applsci 14 01365 g023
Figure 24. The BLDC motor’s rapid control prototyping block diagram with dSpace Micro—Auto Box.
Figure 24. The BLDC motor’s rapid control prototyping block diagram with dSpace Micro—Auto Box.
Applsci 14 01365 g024
Figure 25. System engine-generator test platform with DS1401 dSpace Micro—Auto Box.
Figure 25. System engine-generator test platform with DS1401 dSpace Micro—Auto Box.
Applsci 14 01365 g025
Figure 26. BLDC motor phase currents (If1 Maroon; If2 Grey; If3 Orange), and BLDC motor interphase voltages (V23 Blue; V12 Green; V13 Red).
Figure 26. BLDC motor phase currents (If1 Maroon; If2 Grey; If3 Orange), and BLDC motor interphase voltages (V23 Blue; V12 Green; V13 Red).
Applsci 14 01365 g026
Table 1. Vehicle parameters.
Table 1. Vehicle parameters.
ParameterNameValueDescription
m1600kgVehicle mass
w4-Number of wheels
Jt1.140kg·m2Moment of inertia of a wheel
Bt0.010Nm·s/radA tire’s viscous friction
Crr0.010-Tire rolling resistance
Ro1.293kg/m3Air density
Cx0.120-Aerodynamic coefficient
A1m2Vehicle cross-section
Rt0.265mTire effective radius
α0.000radSlope
g9.810m/s2Gravitational acceleration
u1-Gear rotation ratio
Va--Velocity
mg--The force of gravity
Fad--Wind resistance
Fhc--The reverse force due to the slope
Table 2. Parameters of the BLDC motor and power system.
Table 2. Parameters of the BLDC motor and power system.
ParameterValueUnitDefinition
V_Buss375.0VoltBusbar voltage
Lq0.6mH2-phase inductances
Rq0.1634Ohm2-phase resistance
Kp1.55Nm/AMoment constant
Ki1.55Volt·s/radBack EMF constant
Jm0.341kg·m2Motor moment of inertia
In200ANominal current
Pn75kWMotor power
Table 3. Busbar voltage values.
Table 3. Busbar voltage values.
Minimum DC-Bus VoltageNominal DC-Bus VoltageMaximum DC-Bus Voltage
250 V375 V400 V
Table 4. Nominal and maximum values of electric motor.
Table 4. Nominal and maximum values of electric motor.
Pnom-motorPmaxVnommotorVmaxInom-motorImax
75 kW100 kW375 V400 V200 A300 A
Table 5. Operating temperature values.
Table 5. Operating temperature values.
Operating Temperature—Lower Limit Operating Temperature—Upper Limit
−30 °C80 °C
Table 6. Selected switching modules.
Table 6. Selected switching modules.
Module CodeVoltage (V)Current (A)
SEMIX604GB12E4S1200600
SEMIX904GD126HDs1200600
SKM200GB12E41200200
SKM300GB126D1200300
SKiM459GD12E4V21200450
SKiM306GD12E41200300
Table 7. Parameters and their meanings.
Table 7. Parameters and their meanings.
ParameterNameUnit
Θ J C Thermal resistance between the junction and IGBT case°C/W
Θ C S Case to heatsink thermal resistance°C/W
Θ S A Thermal resistance between the heatsink and medium°C/W
T j Junction temperature°C
T A Ambient Temperature°C
P Lost power°C
Table 8. Experimental application results of cooling system temperature comparisons according to the mounting method of IGBTs.
Table 8. Experimental application results of cooling system temperature comparisons according to the mounting method of IGBTs.
Surface Temperatures According to Mounting Type No Cooling Air-Cooled Fan-Assisted
Air-Cooled
Liquid-Cooled
Surface when IGBTs are combined 96 °C78 °C75 °C38 °C
IGBT 6 Module (°C)94 °C75 °C71 °C34 °C
IGBT 20 mm apart (°C) 90 °C72 °C69 °C30 °C
Table 9. Experimental application results of cooling system efficiency decline rate in percentage comparisons according to the mounting method of IGBTs.
Table 9. Experimental application results of cooling system efficiency decline rate in percentage comparisons according to the mounting method of IGBTs.
Surface Temperatures According to
Mounting Type
Efficiency Decline Rate in Percentage
No CoolingAir-Cooled Fan-Assisted
Air-Cooled
Liquid-Cooled
Surface when IGBTs are combined 3628258
IGBT 6 Module 3425214
IGBT 20 mm apart 3022192
Disclaimer/Publisher’s Note: The statements, opinions and data contained in all publications are solely those of the individual author(s) and contributor(s) and not of MDPI and/or the editor(s). MDPI and/or the editor(s) disclaim responsibility for any injury to people or property resulting from any ideas, methods, instructions or products referred to in the content.

Share and Cite

MDPI and ACS Style

Bahadir, A.; Aydogdu, O.; Bahadir, E. Three-Phase 75 kW Brushless Direct Current Motor for Electric Vehicles: Different Power Stage Design, Calculation of Losses, Cooling Techniques, and Comparison. Appl. Sci. 2024, 14, 1365. https://doi.org/10.3390/app14041365

AMA Style

Bahadir A, Aydogdu O, Bahadir E. Three-Phase 75 kW Brushless Direct Current Motor for Electric Vehicles: Different Power Stage Design, Calculation of Losses, Cooling Techniques, and Comparison. Applied Sciences. 2024; 14(4):1365. https://doi.org/10.3390/app14041365

Chicago/Turabian Style

Bahadir, Ali, Omer Aydogdu, and Elif Bahadir. 2024. "Three-Phase 75 kW Brushless Direct Current Motor for Electric Vehicles: Different Power Stage Design, Calculation of Losses, Cooling Techniques, and Comparison" Applied Sciences 14, no. 4: 1365. https://doi.org/10.3390/app14041365

APA Style

Bahadir, A., Aydogdu, O., & Bahadir, E. (2024). Three-Phase 75 kW Brushless Direct Current Motor for Electric Vehicles: Different Power Stage Design, Calculation of Losses, Cooling Techniques, and Comparison. Applied Sciences, 14(4), 1365. https://doi.org/10.3390/app14041365

Note that from the first issue of 2016, this journal uses article numbers instead of page numbers. See further details here.

Article Metrics

Back to TopTop