Modeling and Control Simulation of Power Converters in Automotive Applications
Abstract
1. Introduction
1.1. Motivations
1.2. Related Works
1.3. Authors’ Contributions
2. Electrothermal Modeling and Control Algorithm
2.1. AC/DC Converter Model and Control
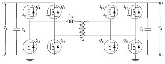
2.2. DC/DC Converter Model and Control
- 1
- Primary side (DC-AC conversion): The first inverter converts the direct voltage into a high-frequency alternating voltage. The duty cycle regulates the primary voltage . This voltage is applied to the transformer.
- 2
- Power transfer: The high-frequency alternating voltage flows through the transformer, generating an alternating current on the secondary side and transferring the power through the inductance.
- 3
- Secondary side (AC-DC conversion): The second inverter converts the high-frequency alternating current into direct voltage. The duty cycle regulates the secondary voltage .
- 4
- Regulation and control: Duty cycles and phase shifts are adjusted to control power flow and output voltage. Control occurs through modulation, which determines the duration and synchronization of the work cycles.
- -
- Phase and work cycles: The phase represents the time shift between the voltages and . The phase shift approach often requires that , simplifying the control to just one parameter, .
- -
- Power equation: The power equation (see Equation (3)) relates the phase shift to the power transfer between the primary and secondary sides. Maximum power transfer occurs when .
- -
- Advantages and limitations: Phase shift modulation is simple and requires only one control parameter. However, it has limitations such as a narrow working range and higher currents in the transformer.
2.3. Switching Device Thermal Modeling and Power Losses
3. Technical Specifications and Components: Sizing and Selection
4. Software-in-the-Loop Simulation Analysis
4.1. AC/DC Converter Simulation Analysis
4.2. Dual Active Bridge Simulation Analysis
4.3. Switching Devices Thermal Simulation Analysis
4.4. Battery Charging Scenario
- Constant current protocol (CCP): In this case, the nominal voltage of the battery is taken as reference and the current value is imposed to obtain the desired output power.
- Adaptive current protocol (ACP): In this case, the current is calculated based on the instantaneous battery voltage to keep the power flow between the OBC and the battery constant.
- Pulse current protocol (PCP): In this case, a current greater than that necessary to obtain a constant desired power flow is used, providing the battery with current pulses followed by zero-current phases.
5. Final Discussion and Conclusions
Author Contributions
Funding
Data Availability Statement
Conflicts of Interest
References
- Mo, T.; Li, Y.; Lau, K.t.; Poon, C.K.; Wu, Y.; Luo, Y. Trends and emerging technologies for the development of electric vehicles. Energies 2022, 15, 6271. [Google Scholar] [CrossRef]
- Li, J.; Wang, F.; He, Y. Electric vehicle routing problem with battery swapping considering energy consumption and carbon emissions. Sustainability 2020, 12, 10537. [Google Scholar] [CrossRef]
- Neshat, M.; Sergiienko, N.Y.; Mirjalili, S.; Majidi Nezhad, M.; Piras, G.; Astiaso Garcia, D. Multi-mode wave energy converter design optimisation using an improved moth flame optimisation algorithm. Energies 2021, 14, 3737. [Google Scholar] [CrossRef]
- Tran, D.D.; Chakraborty, S.; Lan, Y.; Baghdadi, M.E.; Hegazy, O. NSGA-II-based codesign optimization for power conversion and controller stages of interleaved boost converters in electric vehicle drivetrains. Energies 2020, 13, 5167. [Google Scholar] [CrossRef]
- Sikorski, W.; Wielewski, A. Low-Cost Online Partial Discharge Monitoring System for Power Transformers. Sensors 2023, 23, 3405. [Google Scholar] [CrossRef]
- Zhou, L.; Eull, M.; Preindl, M. Optimization-Based Estimation and Model Predictive Control for High Performance, Low Cost Software-Defined Power Electronics. IEEE Trans. Power Electron. 2023, 38, 1022–1035. [Google Scholar] [CrossRef]
- Safayatullah, M.; Elrais, M.T.; Ghosh, S.; Rezaii, R.; Batarseh, I. A Comprehensive Review of Power Converter Topologies and Control Methods for Electric Vehicle Fast Charging Applications. IEEE Access 2022, 10, 40753–40793. [Google Scholar] [CrossRef]
- Ramezanzadeh, S.; Ozbulut, M.; Yildiz, M. A numerical investigation of the energy efficiency enhancement of oscillating water column wave energy converter systems. Energies 2022, 15, 8276. [Google Scholar] [CrossRef]
- Ghimire, P.; Park, D.; Zadeh, M.K.; Thorstensen, J.; Pedersen, E. Shipboard Electric Power Conversion: System Architecture, Applications, Control, and Challenges [Technology Leaders]. IEEE Electrif. Mag. 2019, 7, 6–20. [Google Scholar] [CrossRef]
- Liu, S.; Shen, Y.; Huang, J.; Li, Y.; Zhao, Y.; Tuo, H. Design Method of Output Intrinsic Safety Boost Converter Based on Minimum Frequency and Considering Temperature Effects. IEEE J. Emerg. Sel. Top. Power Electron. 2023, 11, 4233–4244. [Google Scholar] [CrossRef]
- Kotb, R.; Chakraborty, S.; Tran, D.D.; Abramushkina, E.; El Baghdadi, M.; Hegazy, O. Power Electronics Converters for Electric Vehicle Auxiliaries: State of the Art and Future Trends. Energies 2023, 16, 1753. [Google Scholar] [CrossRef]
- Liu, M.; Cao, X.; Cao, C.; Wang, P.; Wang, C.; Pei, J.; Lei, H.; Jiang, X.; Li, R.; Li, J. A Review of Power Conversion Systems and Design Schemes of High-Capacity Battery Energy Storage Systems. IEEE Access 2022, 10, 52030–52042. [Google Scholar] [CrossRef]
- Savio Abraham, D.; Verma, R.; Kanagaraj, L.; Giri Thulasi Raman, S.R.; Rajamanickam, N.; Chokkalingam, B.; Marimuthu Sekar, K.; Mihet-Popa, L. Electric vehicles charging stations’ architectures, criteria, power converters, and control strategies in microgrids. Electronics 2021, 10, 1895. [Google Scholar] [CrossRef]
- Ozdemir, S.; Altin, N.; Nasiri, A.; Cuzner, R. Review of Standards on Insulation Coordination for Medium Voltage Power Converters. IEEE Open J. Power Electron. 2021, 2, 236–249. [Google Scholar] [CrossRef]
- Cosimi, F.; Dini, P.; Giannetti, S.; Petrelli, M.; Saponara, S. Analysis and design of a non-linear MPC algorithm for vehicle trajectory tracking and obstacle avoidance. In Applications in Electronics Pervading Industry, Environment and Society: APPLEPIES 2020 8; Springer: Cham, Switzerland, 2021; pp. 229–234. [Google Scholar]
- Wang, D.; Shen, Z.J.; Yin, X.; Tang, S.; Liu, X.; Zhang, C.; Wang, J.; Rodriguez, J.; Norambuena, M. Model Predictive Control Using Artificial Neural Network for Power Converters. IEEE Trans. Ind. Electron. 2022, 69, 3689–3699. [Google Scholar] [CrossRef]
- Dini, P.; Begni, A.; Ciavarella, S.; De Paoli, E.; Fiorelli, G.; Silvestro, C.; Saponara, S. Design and Testing Novel One-Class Classifier Based on Polynomial Interpolation With Application to Networking Security. IEEE Access 2022, 10, 67910–67924. [Google Scholar] [CrossRef]
- Xiao, Z.; Jiang, Y.; Sun, T.; Wu, Y.; Tang, Y. Refining Power Converter Loss Evaluation: A Transfer Learning Approach. IEEE Trans. Power Electron. 2024, 1–12. [Google Scholar] [CrossRef]
- Bernardeschi, C.; Dini, P.; Domenici, A.; Saponara, S. Co-simulation and Verification of a Non-linear Control System for Cogging Torque Reduction in Brushless Motors. In Proceedings of the Software Engineering and Formal Methods: SEFM 2019 Collocated Workshops: CoSim-CPS, ASYDE, CIFMA, and FOCLASA, Oslo, Norway, 16–20 September 2019; Revised Selected Papers 17. Springer: Cham, Switzerland, 2020; pp. 3–19. [Google Scholar]
- Dini, P.; Saponara, S. Review on model based design of advanced control algorithms for cogging torque reduction in power drive systems. Energies 2022, 15, 8990. [Google Scholar] [CrossRef]
- Dini, P.; Saponara, S.; Colicelli, A. Overview on Battery Charging Systems for Electric Vehicles. Electronics 2023, 12, 4295. [Google Scholar] [CrossRef]
- Dini, P.; Ariaudo, G.; Botto, G.; Greca, F.L.; Saponara, S. Real-time electro-thermal modelling & predictive control design of resonant power converter in full electric vehicle applications. IET Power Electron. 2023, 16, 2045–2064. [Google Scholar]
- Pacini, F.; Matteo, S.D.; Dini, P.; Fanucci, L.; Bucchi, F. Innovative Plug-and-Play System for Electrification of Wheel-Chairs. IEEE Access 2023, 11, 89038–89051. [Google Scholar] [CrossRef]
- Bernardeschi, C.; Dini, P.; Domenici, A.; Mouhagir, A.; Palmieri, M.; Saponara, S.; Sassolas, T.; Zaourar, L. Co-simulation of a model predictive control system for automotive applications. In Proceedings of the International Conference on Software Engineering and Formal Methods, Virtual Event, 6–10 December 2021; Springer: Cham, Switzerland, 2021; pp. 204–220. [Google Scholar]
- Benedetti, D.; Agnelli, J.; Gagliardi, A.; Dini, P.; Saponara, S. Design of a Digital Dashboard on Low-Cost Embedded Platform in a Fully Electric Vehicle. In Proceedings of the 2020 IEEE International Conference on Environment and Electrical Engineering and 2020 IEEE Industrial and Commercial Power Systems Europe (EEEIC / ICPS Europe), Madrid, Spain, 9–12 June 2020; pp. 1–5. [Google Scholar] [CrossRef]
- Dini, P.; Saponara, S. Processor-in-the-Loop Validation of a Gradient Descent-Based Model Predictive Control for Assisted Driving and Obstacles Avoidance Applications. IEEE Access 2022, 10, 67958–67975. [Google Scholar] [CrossRef]
- Dini, P.; Saponara, S.; Chakraborty, S.; Hosseinabadi, F.; Hegazy, O. Experimental Characterization and Electro-Thermal Modeling of Double Side Cooled SiC MOSFETs for Accurate and Rapid Power Converter Simulations. IEEE Access 2023, 11, 79120–79143. [Google Scholar] [CrossRef]
- Zghaibeh, M.; Belgacem, I.B.; Baloch, M.H.; Chauhdary, S.T.; Kumar, L.; Arıcı, M. Optimization of green hydrogen production in hydroelectric-photovoltaic grid connected power station. Int. J. Hydrogen Energy 2024, 52, 440–453. [Google Scholar] [CrossRef]
- Gaspar, J.F.; Pinheiro, R.F.; Mendes, M.J.; Kamarlouei, M.; Soares, C.G. Review on hardware-in-the-loop simulation of wave energy converters and power take-offs. Renew. Sustain. Energy Rev. 2024, 191, 114144. [Google Scholar] [CrossRef]
- Zheng, J.; Zeng, Y.; Zhao, Z.; Liu, W.; Xu, H.; Wang, H.; Mou, D. MPSoC-Based Dynamic Adjustable Time-Stepping Scheme with Switch Event Oversampling Technique for Real-time HIL Simulation of Power Converters. IEEE Trans. Transp. Electrif. 2023. [Google Scholar] [CrossRef]
- Hassan, M.A.; Li, E.p.; Li, X.; Li, T.; Duan, C.; Chi, S. Adaptive Passivity-Based Control of dc–dc Buck Power Converter With Constant Power Load in DC Microgrid Systems. IEEE J. Emerg. Sel. Top. Power Electron. 2019, 7, 2029–2040. [Google Scholar] [CrossRef]
- Mahdizadeh, S.; Gholizadeh, H.; Gorji, S.A. A Power Converter Based on the Combination of Cuk and Positive Output Super Lift Lou Converters: Circuit Analysis, Simulation and Experimental Validation. IEEE Access 2022, 10, 52899–52911. [Google Scholar] [CrossRef]
- Shaker, D.H.; Shneen, S.W.; Abdullah, F.N.; Aziz, G.A. Simulation Model of Single-Phase AC-AC Converter by Using MATLAB. J. Robot. Control (JRC) 2022, 3, 656–665. [Google Scholar] [CrossRef]
- Razzhivin, I.; Askarov, A.; Rudnik, V.; Suvorov, A. A hybrid simulation of converter-interfaced generation as the part of a large-scale power system model. Int. J. Eng. Technol. Innov. 2021, 11, 278. [Google Scholar] [CrossRef]
- Fusheng, Z.; Naayagi, R. Power Converters for DC Microgrids—Modelling and Simulation. In Proceedings of the 2018 IEEE Innovative Smart Grid Technologies—Asia (ISGT Asia), Singapore, 22–25 May 2018; pp. 994–999. [Google Scholar] [CrossRef]
- Şuşcă, M.; Mihaly, V.; Stănese, M.; Morar, D.; Dobra, P. Unified cacsd toolbox for hybrid simulation and robust controller synthesis with applications in dc-to-dc power converter control. Mathematics 2021, 9, 731. [Google Scholar] [CrossRef]
- Bai, H.; Liu, C.; Breaz, E.; Al-Haddad, K.; Gao, F. A Review on the Device-Level Real-Time Simulation of Power Electronic Converters: Motivations for Improving Performance. IEEE Ind. Electron. Mag. 2021, 15, 12–27. [Google Scholar] [CrossRef]
- Milton, M.; O, C.D.L.; Ginn, H.L.; Benigni, A. Controller-Embeddable Probabilistic Real-Time Digital Twins for Power Electronic Converter Diagnostics. IEEE Trans. Power Electron. 2020, 35, 9850–9864. [Google Scholar] [CrossRef]
- Imaoka, J.; Okamoto, K.; Shoyama, M.; Ishikura, Y.; Noah, M.; Yamamoto, M. Modeling, Magnetic Design, Simulation Methods, and Experimental Evaluation of Various Powder Cores Used in Power Converters Considering Their DC Superimposition Characteristics. IEEE Trans. Power Electron. 2019, 34, 9033–9051. [Google Scholar] [CrossRef]
- Estrada, L.; Vázquez, N.; Vaquero, J.; de Castro, Á.; Arau, J. Real-time hardware in the loop simulation methodology for power converters using labview FPGA. Energies 2020, 13, 373. [Google Scholar] [CrossRef]
- Pico, H.N.V.; Johnson, B.B. Transient Stability Assessment of Multi-Machine Multi-Converter Power Systems. IEEE Trans. Power Syst. 2019, 34, 3504–3514. [Google Scholar] [CrossRef]
- Bai, H.; Luo, H.; Liu, C.; Paire, D.; Gao, F. A Device-Level Transient Modeling Approach for the FPGA-Based Real-Time Simulation of Power Converters. IEEE Trans. Power Electron. 2020, 35, 1282–1292. [Google Scholar] [CrossRef]
- Rosso, R.; Andresen, M.; Engelken, S.; Liserre, M. Analysis of the Interaction Among Power Converters Through Their Synchronization Mechanism. IEEE Trans. Power Electron. 2019, 34, 12321–12332. [Google Scholar] [CrossRef]
- Xu, R.; Fang, W.; Liu, X.d.; Liu, Y.; Hu, Y.; Liu, Y.f. Design and experimental verification of on-board charger for electric vehicle. In Proceedings of the 2014 International Power Electronics and Application Conference and Exposition, Shanghai, China, 5–8 November 2014; IEEE: Piscataway, NJ, USA, 2014; pp. 1422–1427. [Google Scholar]
- Cao, L.; Li, H.; Zhang, H. Model-free power control of front-end PFC AC/DC converter for on-board charger. In Proceedings of the 2016 IEEE 8th International Power Electronics and Motion Control Conference (IPEMC-ECCE Asia), Hefei, China, 22–26 May 2016; IEEE: Piscataway, NJ, USA, 2016; pp. 2719–2723. [Google Scholar]
- Noh, J.H.; Song, S.i.; Hur, D.J. Numerical Analysis of the Cooling Performance in a 7.2 kW Integrated Bidirectional OBC/LDC Module. Appl. Sci. 2020, 10, 270. [Google Scholar] [CrossRef]
- Ramesh, P.; Patra, A.; Kastha, D. Design and Simulation of an On-Board Integrated Charger using Cell Bypass Balancing Circuit for Electric Vehicles. In Proceedings of the IECON 2018-44th Annual Conference of the IEEE Industrial Electronics Society, Washington, DC, USA, 21–23 October 2018; IEEE: Piscataway, NJ, USA, 2018; pp. 2032–2037. [Google Scholar]
- Zhu, X.; Kong, L.; Yang, X.; Xu, Y. Design of Vehicle Charger for Pure Electric Vehicle Based on MATLAB Simulation. J. Phys. Conf. Ser. 2020, 1635, 012020. [Google Scholar] [CrossRef]
- Nguyen, H.V.; Lee, D.C. Advanced single-phase onboard chargers with small DC-link capacitors. In Proceedings of the 2018 IEEE International Power Electronics and Application Conference and Exposition (PEAC), Shenzhen, China, 4–7 November 2018; IEEE: Piscataway, NJ, USA, 2018; pp. 1–6. [Google Scholar]
- Tao, H.; Zhang, G.; Zheng, Z. Onboard charging DC/DC converter of electric vehicle based on synchronous rectification and characteristic analysis. J. Adv. Transp. 2019, 2019, 2613893. [Google Scholar] [CrossRef]
- Kim, I.; Lee, S.; Park, J.W. Design and Control of OBC-LDC Integrated Circuit with Variable Turns Ratio for Electric Vehicles. In Proceedings of the 2020 IEEE Energy Conversion Congress and Exposition (ECCE), Detroit, MI, USA, 11–15 October 2020; IEEE: Piscataway, NJ, USA, 2020; pp. 885–890. [Google Scholar]
- Gaurav, A.; Gaur, A. Modelling of Hybrid Electric Vehicle Charger and Study the Simulation Results. In Proceedings of the 2020 International Conference on Emerging Frontiers in Electrical and Electronic Technologies (ICEFEET), Patna, India, 10–11 July 2020; IEEE: Piscataway, NJ, USA, 2020; pp. 1–6. [Google Scholar]
- Yuan, J.; Poorfakhraei, A.; Emadi, A. A Novel Phase Shift Control for Single-Stage Bidirectional Isolated Totem-Pole AC/DC Onboard Electric Vehicle Chargers. In Proceedings of the 2023 IEEE Transportation Electrification Conference & Expo (ITEC), Detroit, MI, USA, 21–23 June 2023; pp. 1–6. [Google Scholar] [CrossRef]
- Ma, H.; Pan, Y.; Lu, Y.; Chen, X.; Huang, Y. Research on Single-Phase Three-Level Pseudo Totem-Pole Rectifiers With a Unified Pulsewidth Modulation. IEEE J. Emerg. Sel. Top. Power Electron. 2023, 11, 5052–5061. [Google Scholar] [CrossRef]
- Kumar, V.; Yi, K. Single-Phase, Bidirectional, 7.7 kW Totem Pole On-Board Charging/Discharging Infrastructure. Appl. Sci. 2022, 12, 2236. [Google Scholar] [CrossRef]
- Zhao, T.; Burgos, R.; Wen, B.; McLean, A.; Mattos, R.F. Design of Three-Level Flying Capacitor Totem Pole PFC in USB Type-C Power Delivery for Aircraft Applications. In Proceedings of the 2022 IEEE 9th Workshop on Wide Bandgap Power Devices & Applications (WiPDA), Redondo Beach, CA, USA, 7–9 November 2022; pp. 254–258. [Google Scholar] [CrossRef]
- Le, T.T.; Hakim, R.M.; Park, J.; Choi, S. A Single-stage Four-Phase Totem-Pole AC-DC Converter with Wide Voltage Range and Compact Integrated Magnetic Component. In Proceedings of the 2021 IEEE Energy Conversion Congress and Exposition (ECCE), Vancouver, BC, Canada, 10–14 October 2021; pp. 2208–2212. [Google Scholar] [CrossRef]
- Wei, Y.; Luo, Q.; Alonso, J.M.; Mantooth, A. A Magnetically Controlled Single-Stage AC–DC Converter. IEEE Trans. Power Electron. 2020, 35, 8872–8877. [Google Scholar] [CrossRef]
- Itoh, K.; Ishigaki, M.; Kikuchi, N.; Harada, T.; Sugiyama, T. A Single-Stage Rectifier with Interleaved Totem-pole PFC and Dual Active Bridge (DAB) Converter for PHEV/BEV On-board Charger. In Proceedings of the 2020 IEEE Applied Power Electronics Conference and Exposition (APEC), New Orleans, LA, USA, 15–19 March 2020; pp. 1936–1941. [Google Scholar] [CrossRef]
- Belkamel, H.; Kim, H.; Choi, S. Interleaved Totem-Pole ZVS Converter Operating in CCM for Single-Stage Bidirectional AC–DC Conversion with High-Frequency Isolation. IEEE Trans. Power Electron. 2021, 36, 3486–3495. [Google Scholar] [CrossRef]
- Yu, Z.; Xia, Y.; Ayyanar, R. A Simple ZVT Auxiliary Circuit for Totem-Pole Bridgeless PFC Rectifier. IEEE Trans. Ind. Appl. 2019, 55, 2868–2878. [Google Scholar] [CrossRef]
- Gong, X.; Wang, G.; Bhardwaj, M. 6.6 kW Three-Phase Interleaved Totem Pole PFC Design with 98.9Efficiency for HEV/EV Onboard Charger. In Proceedings of the 2019 IEEE Applied Power Electronics Conference and Exposition (APEC), Anaheim, CA, USA, 17–21 March 2019; pp. 2029–2034. [Google Scholar] [CrossRef]
- He, Q.; Luo, Q.; Ma, K.; Sun, P.; Zhou, L. Analysis and Design of a Single-Stage Bridgeless High-Frequency Resonant AC/AC Converter. IEEE Trans. Power Electron. 2019, 34, 700–711. [Google Scholar] [CrossRef]
- Alemanno, A.; Morici, R.; Pretelli, M.; Florian, C. Design of a 7.5 kW Dual Active Bridge Converter in 650 V GaN Technology for Charging Applications. Electronics 2023, 12, 1280. [Google Scholar] [CrossRef]
- Fernandez-Hernandez, A.; Gonzalez-Hernando, F.; Garcia-Bediaga, A.; Villar, I.; Abad, G. Design Space Analysis of the Dual-Active-Bridge Converter for More Electric Aircraft. Energies 2022, 15, 9503. [Google Scholar] [CrossRef]
- Xu, F.; Liu, J.; Dong, Z. Minimum Backflow Power and ZVS Design for Dual-Active-Bridge DC–DC Converters. IEEE Trans. Ind. Electron. 2023, 70, 474–484. [Google Scholar] [CrossRef]
- Koszel, M.; Grzejszczak, P.; Nowatkiewicz, B.; Wolski, K.; Szymczak, M.; Czaplicki, A. Design of dual active bridge for DC microgrid application. In Proceedings of the 2022 Progress in Applied Electrical Engineering (PAEE), Koscielisko, Poland, 27 June–1 July 2022; pp. 1–6. [Google Scholar] [CrossRef]
- Saha, J.; Gorla, N.B.Y.; Subramaniam, A.; Panda, S.K. Analysis of Modulation and Optimal Design Methodology for Half-Bridge Matrix-Based Dual-Active-Bridge (MB-DAB) AC–DC Converter. IEEE J. Emerg. Sel. Top. Power Electron. 2022, 10, 881–894. [Google Scholar] [CrossRef]
- Henao-Bravo, E.E.; Ramos-Paja, C.A.; Saavedra-Montes, A.J.; González-Montoya, D.; Sierra-Perez, J. Design method of dual active bridge converters for photovoltaic systems with high voltage gain. Energies 2020, 13, 1711. [Google Scholar] [CrossRef]
- Das, D.; Mishra, S.; Singh, B. Design Architecture for Continuous-Time Control of Dual Active Bridge Converter. IEEE J. Emerg. Sel. Top. Power Electron. 2021, 9, 3287–3295. [Google Scholar] [CrossRef]
- Jeung, Y.C.; Lee, D.C. Voltage and Current Regulations of Bidirectional Isolated Dual-Active-Bridge DC–DC Converters Based on a Double-Integral Sliding Mode Control. IEEE Trans. Power Electron. 2019, 34, 6937–6946. [Google Scholar] [CrossRef]
- Das, D.; Basu, K. Optimal Design of a Dual-Active-Bridge DC–DC Converter. IEEE Trans. Ind. Electron. 2021, 68, 12034–12045. [Google Scholar] [CrossRef]
- Liu, T.; Yang, X.; Chen, W.; Li, Y.; Xuan, Y.; Huang, L.; Hao, X. Design and Implementation of High Efficiency Control Scheme of Dual Active Bridge Based 10 kV/1 MW Solid State Transformer for PV Application. IEEE Trans. Power Electron. 2019, 34, 4223–4238. [Google Scholar] [CrossRef]
- Zhang, W.; Xu, Y.; Ren, J.; Su, J.; Zou, J. Synchronous random switching frequency modulation technique based on the carrier phase shift to reduce the PWM noise. IET Power Electron. 2020, 13, 892–897. [Google Scholar] [CrossRef]
- Li, Y.; Tian, H.; Li, Y.W. Generalized Phase-Shift PWM for Active-Neutral-Point-Clamped Multilevel Converter. IEEE Trans. Ind. Electron. 2020, 67, 9048–9058. [Google Scholar] [CrossRef]
- Rahman, S.; Meraj, M.; Iqbal, A.; Reddy, B.P.; Khan, I. A Combinational Level-Shifted and Phase-Shifted PWM Technique for Symmetrical Power Distribution in CHB Inverters. IEEE J. Emerg. Sel. Top. Power Electron. 2023, 11, 932–941. [Google Scholar] [CrossRef]
- Moradisizkoohi, H.; Elsayad, N.; Shojaie, M.; Mohammed, O.A. PWM Plus Phase-Shift-Modulated Three-Port Three-Level Soft-Switching Converter Using GaN Switches for Photovoltaic Applications. IEEE J. Emerg. Sel. Top. Power Electron. 2019, 7, 636–652. [Google Scholar] [CrossRef]
- Arazm, S.; Vahedi, H.; Al-Haddad, K. Generalized Phase-Shift Pulse Width Modulation for Multi-Level Converters. In Proceedings of the 2018 IEEE Electrical Power and Energy Conference (EPEC), Toronto, ON, Canada, 10–11 October 2018; pp. 1–6. [Google Scholar] [CrossRef]
- Li, S.; Liang, S.; Li, Z.; Zheng, S. A Phase-Shift-Modulated Resonant Two-Switch Boosting Switched-Capacitor Converter and Its Modulation Map. IEEE Trans. Ind. Electron. 2023, 70, 7783–7795. [Google Scholar] [CrossRef]
- Ghosh, S.; Singh, B. Effect of Phase Shift Definition on Power Characterization of Isolated DC-DC Converter Under PWM Plus Phase Shift Modulation. IEEE Trans. Circuits Syst. II Express Briefs 2023, 70, 4454–4458. [Google Scholar] [CrossRef]
- Calderon, C.; Barrado, A.; Rodriguez, A.; Alou, P.; Lazaro, A.; Fernandez, C.; Zumel, P. General analysis of switching modes in a dual active bridge with triple phase shift modulation. Energies 2018, 11, 2419. [Google Scholar] [CrossRef]
- Instruments, T. 7.4-kW EV/HEV Bidirectional On-Board Charger Reference Design with GaN—Application Note. 2022. Available online: https://www.ti.com/lit/ug/tiduf18/tiduf18.pdf?ts=1695714670313&ref_url=https%253A%252F%252Fwww.google.it%252F (accessed on 15 November 2023).
- Fortuna, L.; Buscarino, A. Nonlinear Technologies in Advanced Power Systems: Analysis and Control. Energies 2022, 15, 5167. [Google Scholar] [CrossRef]































| Parameters | Specifications |
|---|---|
| Single Phase | |
| Voltage: | |
| Input | AC frequency: Hz |
| Current: @240 V | |
| Power Factor: ≥0.99 | |
| PFC output: (typical) | |
| Output | Max output power: 7.4 kW@400 |
| peak efficiency: | |
| PFC stage for HV Lion Battery OBC | |
| switching frequency: kHz | |
| Performance | isolation: reinforced |
| input AC sensing | |
| PFC output voltage sensing | |
| over-temperature protection | |
| short-circuit-protection | |
| Protection | over-current protection |
| under-voltage protection | |
| over-voltage protection |
| Parameters | Specifications |
|---|---|
| Prim. voltage | |
| Sec. voltage | |
| Power rating forward | kW |
| Output current | 20 A |
| Efficiency | |
| Switching frequency | kHz |
| resonance at kHz |
| Characteristic | Value |
|---|---|
| Maximum capacity | 150 [Ah] |
| Cut-off voltage | 187.5 [V] |
| Fully charged voltage | 291 [V] |
| Nominal discharge current | 65.2 [A] |
| Internal resistance | 16.67 [m] |
| Capacity at nominal voltage | 135.65 [Ah] |
| Exp. zone voltage | 270 [V] |
| Exp. zone capacity | 7.37 [Ah] |
Disclaimer/Publisher’s Note: The statements, opinions and data contained in all publications are solely those of the individual author(s) and contributor(s) and not of MDPI and/or the editor(s). MDPI and/or the editor(s) disclaim responsibility for any injury to people or property resulting from any ideas, methods, instructions or products referred to in the content. |
© 2024 by the authors. Licensee MDPI, Basel, Switzerland. This article is an open access article distributed under the terms and conditions of the Creative Commons Attribution (CC BY) license (https://creativecommons.org/licenses/by/4.0/).
Share and Cite
Dini, P.; Saponara, S. Modeling and Control Simulation of Power Converters in Automotive Applications. Appl. Sci. 2024, 14, 1227. https://doi.org/10.3390/app14031227
Dini P, Saponara S. Modeling and Control Simulation of Power Converters in Automotive Applications. Applied Sciences. 2024; 14(3):1227. https://doi.org/10.3390/app14031227
Chicago/Turabian StyleDini, Pierpaolo, and Sergio Saponara. 2024. "Modeling and Control Simulation of Power Converters in Automotive Applications" Applied Sciences 14, no. 3: 1227. https://doi.org/10.3390/app14031227
APA StyleDini, P., & Saponara, S. (2024). Modeling and Control Simulation of Power Converters in Automotive Applications. Applied Sciences, 14(3), 1227. https://doi.org/10.3390/app14031227

