Next Article in Journal
ZigBeeNet: Decrypted Zigbee IoT Network Traffic Dataset in Smart Home Environment
Previous Article in Journal
Intelligent Perception and Seam Tracking System for Thick Plate Weldments Based on Constant-Focus Optical Path
Previous Article in Special Issue
Overview and Perspective of Integrated Photovoltaics with a Focus on the European Union
 
 
Font Type:
Arial Georgia Verdana
Font Size:
Aa Aa Aa
Line Spacing:
Column Width:
Background:
Article

Research Progress of Zero-Busbar Technology Based on Heterojunction Photovoltaic Modules

1
State Key Laboratory of PV Science and Technology, Trina Solar, Changzhou 210031, China
2
College of Materials Science and Technology, Nanjing University of Aeronautics and Astronautics, Nanjing 211106, China
*
Authors to whom correspondence should be addressed.
Appl. Sci. 2024, 14(23), 10845; https://doi.org/10.3390/app142310845
Submission received: 27 September 2024 / Revised: 15 November 2024 / Accepted: 21 November 2024 / Published: 23 November 2024
(This article belongs to the Special Issue Solar Cells: Recent Advances, Perspectives and Applications)

Abstract

In order to reduce manufacturing costs, the design of silicon-based solar modules is changing from a super-multi-busbar design to a zero-busbar (0BB) design. In this study, two different 0BB technologies based on heterojunction with intrinsic thin-layer solar cells—conventional soldering, and Integrated Film Covering (IFC)—were investigated. IFC-based 0BB technology was found to have a lower contact resistance, which well matches the theoretical calculations and module power testing results. To further measure module reliability, a series of tests on solders and silver pastes were carried out. The results show that Sn43Pb43Bi14 solder is more suitable for soldering-based 0BB technology, whereas Sn32Pb42Bi26 solder is more suitable for IFC-based technology. Additionally, silver paste, which is used for solder ribbon contact areas (SRCAs), is suitable for soldering-based 0BB technology. When Ag@Cu paste is used in SRCAs with IFC-based 0BB technology, a reliable connection can also be achieved. After optimization, modules using both techniques were subjected to and passed lifetime tests, including the thermal cycling, humidity freeze, and hot-spot tests required in IEC standards, as well as more rigorous tests such as thermal–dynamic and thermal–static mechanical loading. The results show that the two technologies have great potential for future mass production.
Keywords:
HJT; 0BB; IFC; soldering; Ag@Cu

1. Introduction

The development of photovoltaic (PV) modules has been directed toward achieving higher efficiency [1,2], lower consumption [3,4], and lower costs [5,6,7]. Compared with p-type crystalline silicon (c-Si) substrates [8,9], n-type c-Si substrates have some advantages, such as a higher minority carrier lifetime [10] and lower light-induced degradation (LID) [11], resulting in a higher power conversion efficiency [12,13,14,15]. Among n-type solar cells, HJT solar cells use hydrogenated amorphous silicon (a-Si:H) as passivation layers to achieve open-circuit voltages of up to 750 mV [16,17]. Additionally, the high bifaciality, favorable temperature coefficient, and low LID loss all make HJT solar cells strong performers [18,19]. Silver, currently the primary material used in solar cell metal pastes, accounts for 30–40% of cell production costs. To meet the climate targets set by the COP-21 Paris Agreement, a drastic increase is required in the production capacity of the PV industry to the terawatt (TW) level [3]. However, this is a challenge due to the current high level of silver consumption. To address this, two strategies are employed for the fabrication of HJT modules: (1) eliminating busbar lines while retaining fingers, shifting from super-multi-busbar (SMBB) to zero-busbar (0BB) designs, and (2) using a non-noble metal and silver mixture paste such as Ag@Cu for fingers. However, although these approaches reduce silver consumption, they pose a greater challenge for HJT-0BB interconnections. Thus, new interconnection techniques for HJT-0BB PV modules have emerged, and they can be divided into four types: Smart Wire Connection Technology (SWCT) [20], Integrated Film Covering (IFC), adhesive dispensing, and soldering with adhesive dispensing.
The 0BB technology was first proposed by the Day4 Energy company (later acquired by the Meyer Burger company) in 2006, and it is also known as SWCT [21]. This technology uses a pre-fabricated compound foil and up to 38 Cu wires, forming ohmic contact with cells during lamination [22]. However, due to Meyer Burger’s patent protection on 0BB technology, there are relatively few research papers on the topic. Rendler and co-workers simulated the output power of modules with 0BB cells interconnected using wave-shaped wires, and it exceeded that of 5BB by 1.0% rel. and that of 12BB by 0.7% rel. [23]. Walter’s team investigated different soldering methods using three types of 0BB cells and found that infrared soldering could form reproducible and stable solder joints [24]. They further found that a lower series resistance could be achieved for 0BB-cell interconnections, and that 20-cell modules passed the TC-200 test without considerable degradation. Oh’s group designed 0BB cells for shingled PV modules, which exhibited almost the same efficiency as conventional ones but with a 60% decrease in Ag usage [25]. Even now, few companies have managed to overcome Meyer Burger’s patent restrictions to produce other photovoltaic modules based on 0BB technology. In 2022, the PV equipment manufacturer Ningxia XN Automation Equipment Co., Ltd. (Yinchuan, China) proposed an IFC-based 0BB technology in which a carrier film (a type of pre-curing film) is used to pressure solder ribbons onto cell surfaces for pre-interconnections, and ohmic contact is formed with cells during lamination, like in SWCT. This technology provides an all-new fabrication process for the interconnection of HJT-0BB PV modules. “Adhesive Dispensing” technology uses insulating or conductive adhesives to create contact between solder ribbons and cells. Ohmic contact between solder ribbons and fingers on cells is also formed during lamination. “Soldering with Adhesive Dispensing” technology retains the original interconnection method of soldering between solder ribbons and solder ribbon contact areas (SRCAs), and it adds additional adhesive glue to bond solder ribbons and solar cells together, with a view to increasing the interconnection strength via pre-fixing or additional fixing.
This study mainly focuses on IFC-based 0BB technology for HJT-0BB modules, and soldering-based 0BB technology was chosen as a baseline for comparison. By comparing the electrical performance and reliability of modules manufactured using IFC and traditional soldering, the differences between the two technologies are compared, providing some references for the development of HJT-0BB modules.

2. Materials and Methods

2.1. Processes

The production processes of soldering-based 0BB technology and IFC-based 0BB technology are shown in Figure 1 and Figure 2, respectively. The soldering-based 0BB process involves first laying the welding ribbon on the string welding platform and then placing the cells, followed by positioning the solder ribbon on the surface of the cells. According to this structure, cell strings are obtained through the welding process, as shown in Figure 1. The soldering-based 0BB interconnection is achieved by using a high-temperature (about 230 °C) heat source for a short time (<2 s). The IFC-based 0BB process starts with placing the carrier film, simultaneously positioning the ribbon on the carrier film, and then placing the cells, followed by arranging the ribbon on the cell surface while adding another layer of carrier film. Through heating at around 100 °C, the carrier slightly melts to create adhesion, fixing the ribbon to the cell and forming an interconnected cell string. A further lamination process at a low temperature (140–150 °C) for 20–30 min enables alloying between the ribbons and pastes, thereby forming effective electric contact.

2.2. Materials

Solar cells: Soldering-based 0BB cells and IFC-based 0BB cells, as shown in Figure 3 and Figure 4, respectively, differ in terms of pattern design. The printing pattern of a soldering-based 0BB cell is denoted as pattern 1, and the printing pattern of an IFC-based 0BB cell is denoted as pattern 2. The abovementioned HJT solar cells (Trina Solar, Changzhou, China) both have dimensions of 210 mm × 105 mm and solder ribbon contact areas (SRCAs) for 24 ribbons. As busbar lines are eliminated due to the 0BB cell design and fingers are printed with a 50% Ag@Cu mixture paste for both patterns, silver consumption is reduced. Compared with a soldering-based SMBB cell design (with busbars and fingers both made of silver paste), the soldering-based 0BB design shows a 39.3% decrease in silver consumption per watt, while the IFC-based 0BB design shows a 59.8% decrease in silver consumption per watt.
Solder ribbons: The solder ribbons used in PV modules consist of copper wire and a tin alloy solder coating. The low-temperature solders used in this study were as follows: Sn43Pb43Bi14 (melting range: 136–167 °C), denoted as Bi14; Sn37Pb42Bi21 (melting range: 136–158 °C), denoted as Bi21; and Sn32Pb42Bi26 (melting range: 136–143 °C), denoted as Bi26. The abovementioned ribbons have a diameter of 0.25 mm. The ribbons all come from Yourbest New-Type Materials Co., Ltd., Suzhou, China.
Encapsulation system: From the front surface to the rear surface, the soldering-based 0BB/SMBB modules consist of the following: glass, an ethylene-vinyl acetate (EVA) film with a light conversion additive, solar cell strings, an EVA film, and glass. From the front surface to the rear surface, the IFC-based 0BB modules consist of the following: glass, an EVA film with a light conversion additive, a carrier film, solar cell strings, carrier films, an EVA film, and glass. All of the modules are sealed with butyl rubber.
The abovementioned glass is double-coated with an anti-reflection (AR) coating, and the carrier films are pre-curing EVA films. The front EVA film has a down-conversion function with high transmittance and high adhesion, and the rear EVA film is a normal film with high transmittance and high adhesion. EVA films, carrier films and butyl rubber all come from First Applied Material Co., Ltd., Hangzhou, China. Glasses come from Xinyi Solar, Co., Ltd., Wuhu, China.

2.3. Test Methods

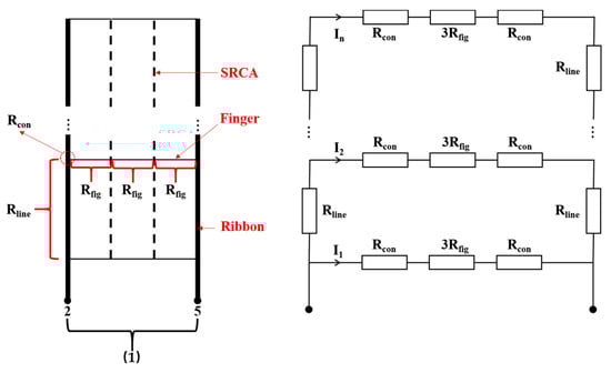
Contact resistance test: As shown in Figure 5, probes need to be fixed onto two SRCAs; thus, by taking the 2nd SRCA as the fixed probe and connecting the other probe to the 5th, 8th, 11th, 14th, and 17th SRCAs, five resistance values were obtained. The five resistance values were plotted against the corresponding SRCA numbers between the probes, linear fitting was performed, and the finger resistance Rfig was obtained from the slope of the fitting line. After soldering or IFC, the resistance was obtained by clamping probes onto the solder ribbons. A probe was fixed at the 2nd solder ribbon, whereas the other probe was connected to the 5th, 8th, 11th, 14th, and 17th solder ribbons, and the resistance of area (1) was obtained as R1, the resistance of area (2) was obtained as R2, etc. Taking the tested area (1) as an example, the equivalent circuit for R1 is shown in Figure 6, and it is obtained using Equation (1).
R 1 = 1 1 n 1 n 1 R l i n e 2 + R c o n 2 + R f i g 3
where Rcon is the contact resistance between the solder ribbon and finger; Rline is the solder ribbon resistance, which is obtained using Equation (2); and n is the number of fingers. R1, Rline, and Rfig are obtained using our test method, and Rcon is obtained using Equation (1).
R = ρ L S
where ρ is the electric resistivity of the solder ribbon, L is the distance between two adjacent fingers, and S is the cross-section of the solder ribbon.
Solder ribbon peeling test (180°): The tested solar cell was fixed onto a metal plate perpendicular to the ground, and the solder ribbon was clamped onto a moving apparatus’s front tip, with the apparatus being parallel to the solar cell. The apparatus stripped the solder strip from the solar cell at 180° degrees and a moving rate of 10 mm/min, and a force–displacement curve was plotted.
Paste solderability test: According to GB/T 17473.7-2022 [26], a silver electrode was printed onto a silicon wafer and, after applying flux to the surface of the silver electrode, the wafer was immersed in liquid tin for 10 s and then removed. A microscope was used to measure the change in the silver electrode area before and after tin immersion.
Metallography microscopy analysis: Samples of the soldering point (the spot where the solder strip and solar cell make contact) were cut out using a laser, solidified in a mold using the cold mounting method, and polished with 120–2500-grit sandpapers and diamond suspensions. After the polished samples were inspected and determined to have no apparent scratch marks, they were washed with anhydrous ethanol. The samples were characterized and photographed with a Zeta-3D microscope.
EL analysis: By applying forward bias to small samples or PV modules, the hidden cracks, non-wetting solder points, and broken solder points were characterized. Additionally, the quality and performance of the PV modules were analyzed.
Hot-spot test: According to IEC 61215-2:2021 [27], 3 solar cells (1 on the edge of the module) with the highest leak current and 1 solar cell with the lowest leak current were chosen from the module. Using an irradiance of 1250 ± 100 W/m2, the worst occlusion area was determined, the PV module was shorted, and the module was subjected to a 1 h hot-spot stress test. The hottest spot of the modules was detected with a thermocouple, and an IR image was taken after the temperature of the modules was stabilized. According to IEC 61215-2:2021, the maximum power output drop should be less than 5%, referencing the module’s initial output power Pmax.
Thermal cycling (TC) test: The PV modules were tested in a temperature cycle with a range of (−40 ± 2) °C and (85 ± 2) °C and a temperature change rate below 100 °C/h. The upper and lower ends of the temperature range were held for at least 10 min, and each cycle did not exceed 6 h. Shorthand was used to express the completion of multiple TC test cycles. For example, the completion of 100 TC test cycles is denoted as TC100. According to IEC 61215-2:2021, the maximum power output drop should be less than 5%, referencing the module’s initial output power Pmax.
Damp heat (DH) test: The PV modules were tested at a temperature of 85 ± 2 °C and a relative humidity of (85 ± 5)%. Shorthand was used to express the completion of the test. For example, the completion of 1000 h of the DH test is denoted as DH1000. According to IEC 61215-2:2021, the maximum power output drop should be less than 5%, referencing the module’s initial output power Pmax.
Humidity freeze (HF) test: The PV modules were tested in a temperature cycle with a range of (−40 ± 2) °C and (85 ± 2) °C. At (85 ± 2) °C, the relative humidity was (85 ± 5)%, and the state was held for at least 20 h; at (40 ± 2) °C, the state was held for, at most, 4 h. The temperature cycle had a temperature change rate below 100 °C/h, and one cycle lasted for 24 h. Shorthand was used to express the completion of multiple HF test cycles. For example, the completion of 10 HF test cycles is denoted as HF10. According to IEC 61215-2:2021, the maximum power output drop should be less than 5%, referencing the module’s initial output power Pmax.
Thermal–dynamic mechanical load (T-DML) test: The T-DML test was conducted at 85 °C. The module was mounted onto the test apparatus with fixed rails. A 1000 Pa positive pressure was applied, and then it was changed to a negative pressure of 1000 Pa. The aforementioned cycle was performed at a rate of 3 cycles per minute, and 10,000 cycles were performed.
Thermal–static mechanical load (T-SML) test: The T-SML test was performed at 85 °C. Mounting and pressurization were performed in the same way as in the DML test. The module was positively pressurized at 5400 Pa for 1 h and negatively pressurized at 2400 Pa for 1 h. The cycle was performed 3 times.

3. Results and Analysis

3.1. Electrical Performance Analysis

A soldering-based 0BB interconnection is achieved using a high-temperature (230 °C) heat source for a short time (<2 s), while an IFC-based 0BB interconnection is achieved using a lower temperature (140–150 °C) for a longer period of time (20–30 min). Different heating conditions affect the bonding of solder ribbons to the 0BB solar cell surface, thereby altering the contact resistance of the interconnected area, which affects the electrical parameters of the PV modules, such as the maximum output power (Pmax) and fill factor (FF). Thus, this section presents a systemic test and analysis of the differences in the electrical performance of these two fabrication methods.

3.1.1. Contact Resistance

For this test, cells with pattern 1 and φ0.25 mm solder ribbons with Bi14 were applied in the soldering-based samples, while cells with pattern 2 and φ0.25 mm solder ribbons with Bi26 were applied in the IFC-based samples. Both the soldering-based 0BB sample and IFC-based 0BB sample were tested for their contact resistances using the method above, and the fitting lines are shown in Figure 7a. The two lines have similar slopes, indicating similar finger resistance Rfig values. Furthermore, the contact resistances of the laminated/soldered sample were tested. The Rcon value in test area (1) was calculated by inserting the values of Rfig, R1, and Rline into Equation (1), and the Rcon values in test areas (2), (3), (4), and (5) were similarly obtained. The IFC-based samples showed a lower Rcon than the soldering-based samples. The resistance differences between the soldering-based samples and IFC-based samples are displayed in Figure 7b, which shows that the average Rcon values of the soldering-based samples were 161 mΩ (front surface) and 444 mΩ (rear surface) higher than those of the IFC-based samples. Cross-sectional images of the TCO–solder-ribbon contact (Figure 7c–f) reveal both complete and incomplete contacts in the IFC and soldering-based samples. Statistical analysis (Figure 7g) indicates a higher probability of incomplete contact between solder and TCO in soldering-based samples, explaining the higher contact resistance. This may be because alloying occurs during the lamination process under 1 bar of pressure for IFC-based modules, resulting in improved wetting and contact between the solder and the TCO surface. In contrast, ribbons in soldering-based modules rely only on fixture pressure, likely resulting in incomplete contact with the TCO. The higher contact resistance of soldering-based samples will further lead to the higher Rs of modules.
The IFC-based 0BB fabrication method creates an interconnection with a lower contact resistance; this reduces the power loss of the photovoltaic modules due to resistance, leading to a higher Pmax and FF. Therefore, a theoretical calculation was performed to assess the effect of contact resistance on PV modules containing 132 solar cells with a size of 210 mm × 105 mm.
For 0BB cells, the contact resistances between the solder ribbons and fingers are in parallel, and the current is collected by nearby fingers and converges into perpendicular solder ribbons. The current through each soldering point is denoted as I1, I2, I3, I4, … Ix, as shown in Figure 8.
Assuming that the current through each finger is the same, the current through each soldering point Ix is calculated as follows:
I 1 = I 2 = I 3 = I x = I p m N 1 N 2
where N1 is the number of SRCAs, and N2 is the number of fingers in contact with a given solder ribbon. Here, N1 is 24, and N2 is 52 (front)/106 (rear).
Assuming that every soldering point has the same contact resistance, the power loss caused by contact resistance Ploss is calculated as follows:
P l o s s = I 2 R c o n = I p m N 1 N 2 2 R c o n N 1 N 2 N 3 N 4
where N3 is the number of solar cells in one string, N4 is the number of strings in a module, and Ipm is the maximum working current of the module. Here, N3 is 11, and N4 is 12.
According to Equation (1), the difference in Rcon between the soldering-based samples and the IFC-based samples is 161 mΩ on the front surface and 444 mΩ on the rear surface. By inserting the results into Equation (4), the power loss difference between the two modules ΔPloss was calculated as 2.89 W. For ΔFF, the difference between the FFs of the samples was calculated as 0.33% using Equation (5):
F F = P l o s s I s c V o c
where Isc is the short-circuit current of the module, and Voc is the open-circuit voltage of the module.

3.1.2. PV Module Power

By using the same designs as in Section 3.1.1, the electrical parameters were verified at the module level. Three IFC-based 0BB modules and three soldering-based 0BB modules were used for power measurement, and the average results are listed in Table 1. The Pmax of the IFC-based modules was 3.55 W higher than that of the soldering-based ones. The two groups of modules had the same Voc. However, the Isc of the IFC-based 0BB modules was 0.03 A higher than that of the soldering-based 0BB modules, due to the differences in optical utilization. The IFC-based design has less metallized pattern shadow than the soldering-based design, and this contributes to the 1.23 W power gap. The FF of the IFC-based modules was 0.27% (abs) higher than that of the soldering-based modules, leading to a power increase of 2.32 W.
The theoretical calculation results of ΔPloss and ΔFF well match the module test results. Therefore, it is clear that IFC-based technology can achieve lower contact resistances, leading to a lower power loss, a higher fill factor and, thus, a higher power output.

3.2. Reliability Analysis

Unlike other electrical products, the lifetime of PV modules is much longer, with a general lifespan of 25–30 years. However, the complex outdoor environment poses a threat to their long-term stability. Therefore, it is necessary to conduct strict indoor reliability tests on PV modules [28].

3.2.1. Solder Selection

As the cell connectors, the solder ribbons affect the power output and other parameters of the module. The position of the interconnected points can often put PV modules at a high risk of degradation, which has a serious impact on the long-term working of these modules. Therefore, we need to identify the appropriate solder for achieving high reliability in practical applications.
As for soldering-based 0BB technology, at present, low-temperature solders (with a lower melting point than Sn60Pb40 solder) are used, because HJT solar cells are not resistant to high temperatures [29]. Bi14 and Bi26 solders were chosen for comparison. A ribbon peeling test was conducted to compare the bonding strength with cells of the Bi14 and Bi26 solders, and the results are shown in Figure 9a. The peeling force of the Bi26 solder was only 0.52 N, and that of the Bi14 solder joint was 0.74 N, which is 0.2 N higher. As shown in the microscopy images (Figure 9b), both solder materials spread across large areas on the silver paste surface, indicating good wetting in both cases, which could be related to the reduced surface tension enabled by Pb and Bi in the solder materials [30,31,32]. After the solder ribbons were peeled off, the Bi14 sample showed peel-off of the silver paste, whereas the Bi26 sample showed visible solder residue, indicating solder fracture. Previous works have investigated the effect of Bi content on the mechanical performance of alloy solders, showing that an increase in Bi content leads to a lower tensile strength of the soldering material, and that an overly high Bi content lowers the solder’s impact absorption energy (often used to assess the toughness of materials) [33,34]. Therefore, the usage of a low-Bi-content solder aids in the formation of soldering joints with a higher peeling strength and a lower risk of solder fracture. As differences in the thermal expansion coefficient of the various materials in modules can affect device performance during the TC process, small modules with different solders were used for comparison. The Bi14 and Bi26 samples did not show obvious de-soldering (Figure 9d,f). The IMC thickness of the Bi14 and Bi26 solder joints after welding and TC200 is shown in Figure 9g,h. After TC200, the average IMC growth thickness at the Bi26 joint reached 4.77 μm, while the IMC thickness at the Bi14 joint was only 2.43 μm. After solder joint formation, IMC growth at the joint depends on the atomic interdiffusion rate, where the diffusion coefficient D affects the growth rate of the IMC. The diffusion coefficient D can be described as follows:
D = D 0 · e x p E a R T
For high-melting-point solders like Bi14 (melting range 136–167 °C), atoms have stronger binding energy, which means higher diffusion activation energy Ea, resulting in a lower diffusion coefficient D and lower mobility. In contrast, low-melting-point solders like Bi26 (136–143 °C) have lower atomic binding energy, facilitating easier atomic movement. Consequently, during the thermal process of TC testing, atoms in Bi26 solders can diffuse faster to form a thicker IMC layer than Bi14 solder. Due to the brittleness of IMC, the IMC layer with a larger thickness has a lower tensile strength, putting it at greater risk of brittle fracture. During TC testing, cracks in the IMC layer can easily propagate to the adjacent solder/IMC interface and solder layer, leading to long-term fatigue failure. To ensure the reliability of the solder joints, researchers suggest maintaining an IMC thickness within the range of 1–3 μm [35,36]. The IMC thickness at the Bi26 joint exceeded this range, indicating a risk of detachment. In contrast, the IMC thickness at the Bi14 joint fell within the recommended range, presenting a significantly lower risk than Bi26. Therefore, it can be concluded that Bi14 solder is more suitable for a soldering-based 0BB design.
For the IFC-based 0BB design, Bi21 and Bi26 solders with a similar melting range were chosen for comparison. The Bi14 solder was excluded because its upper melting point is 167 °C, which is close to the temperature limit of the lamination machine (165 °C). Cross-section images of the soldering joint with Bi21 show that a large amount of the solder material remains on the solder ribbons (Figure 10a), which is due to the partial mismatch between the lamination temperature and Bi21 solder’s melting range. Conversely, the Bi26 solder can melt at the lamination temperature and flow onto the cell surface under the stress of the carrier film (Figure 10b), and the tin in the solder ribbons can form metallurgical bonds [37,38] with silver to develop an intermetallic compound (IMC) layer. As displayed in Figure 10c,d, the ribbon with Bi21 detaches from the TCO, while the ribbon with Bi26 is in good contact with the TCO. Therefore, the statistical probability of contact between the ribbons and TCO is achieved, which comes from the observation of a random cross-section. The probability shown in Figure 10e indicates that the Bi21 solder is unable to form good contact with the cell. As hot spots can result in a high temperature, solders with a low melting point would be at high risk of de-soldering between the solar cells and soldering ribbons. Therefore, a baking test was conducted to simulate the process wherein hot spots appear, for a quick assessment of the high-temperature stability of the interconnection. According to the EL images obtained after baking at 180 °C for 2 h (Figure 10g,i), the small module with Bi21 shows severe de-soldering and some finger breakages, while the Bi26 sample shows slight de-soldering and finger breakages. This may be attributed to the stronger bonding between the Bi26 solder and silver paste. In addition, the Bi26 solder is concentrated on the cell surface, the tin in the solder can easily enter the interstices in the silver paste to form a mixture, and the further movement of the re-melted Bi26 solder is limited to some degree at the hot-spot temperature. However, when re-melting at the hot-spot temperature, the Bi21 solder can move on the cell surface, as well as along the solder ribbon, creating de-soldering points due to insufficient solder material.
Furthermore, both samples show partial finger breakages, which may be due to thermal shock causing the different materials to crack. The TC200 results also show more de-soldering in the Bi21 sample (Figure 11b). This may be due to the lower bonding strength, which causes the cells and solder ribbons to more easily disconnect during the TC process. Therefore, for different solders to create interconnections during the lamination process, the lamination temperature plays a pivotal role. For a lamination temperature of 140–150 °C, the Bi26 solder is more suitable.

3.2.2. Metal Paste Selection

In order to form a reliable connection between the solder ribbons and the paste on the cell, it is also necessary to inspect different types of paste. Ag@Cu paste can reduce the silver consumption of solar cells without significantly reducing their electrical performance [39], and it can also greatly reduce their costs, thus making it one of the mainstream conductive pastes. Thus, two types of pastes were compared in SRCAs, namely, pure silver paste and Ag@Cu paste.
Firstly, soldering-based 0BB technology was investigated. Cells were fabricated using pattern 1, and the suitable Bi14 solder was selected as described in Section 3.2.1. The changes in the modules’ electrical parameters and the EL images after TC200 are shown in Table 2 and Figure 12, respectively. The module using the Ag@Cu paste shows a larger area of subpar soldering in the initial EL image (Figure 12a), with de-soldering and finger breakages on almost all cells, and more de-soldering is shown after TC200. As the silver content in the Ag@Cu paste is reduced to 50%, it may cause the weak bonding strength. This shows that the Bi14 solder and Ag@Cu paste are not suitable for soldering. As the de-soldering area increases, the FF of the module obviously decreases, leading to a significant power loss. The module with the silver paste shows stable parameters, such as Pmax and FF, after the TC200 test. Additionally, the EL images of the module with the silver paste show no defects before (Figure 12c) or after TC200 (Figure 12d). This shows that silver paste in SRCAs can better bond with the solder and ensure the module’s reliability after TC tests. According to the solderability test results (Figure 12e), there is a significant difference in the solderability between the silver and silver-coated copper pastes. After the solderability test, the retention rate of the silver paste reached 80%, while the Ag@Cu paste showed almost no retention after the test. This is primarily because Cu accelerates the dissolution rate of Ag into molten Sn. When Cu reacts with Sn to form IMC, the chemical potential of Cu and Ag in Sn would be lowered, facilitating Ag’s diffusion into molten Sn. The lattice structure of Sn is also altered by the dissolution of Cu, leading to more Ag diffusion pathways. Additionally, the presence of Cu induces the formation of a Cu-Sn-Ag composite IMC rather than just a Ag-Sn IMC, which enhances Ag’s dissolution and diffusion. This indicates that, during soldering, the thickness of the metallurgical bond formed between the silver paste and the solder is small, allowing for the majority of the paste to remain on the surface of the solar cell. In contrast, the Ag@Cu paste reacts with the solder at a much greater thickness, with nearly all of the paste participating in the metallurgical bond. Moreover, the bonding system of the paste is compromised, leading to a significant detachment of the paste from the surface of the solar cell. This explains the extensive breakage observed in the silver-coated copper fingers after soldering.
Furthermore, the modules using the two pastes were tested after the HF20 test, and the results are shown in Table 3 and Figure 13. The module using the Ag@Cu paste shows a problem similar to that above of initial EL defects (Figure 13a), and similar behaviors of de-soldering and the breakage of fingers in the SRCAs are shown in Figure 13b, with a decrease in FF and a 4.79% drop in module power after the HF20 test. The module using the silver paste still shows high stability after the HF20 test, with no visible defects in the EL images (Figure 13c,d) and a negligible amount of power loss.
For the IFC-based 0BB modules, the same silver and Ag@Cu pastes were chosen, using the optimized Bi26 solder. TC200 tests were performed on two types of modules, and the results are shown in Table 4 and Figure 14. Compared with the initial EL (Figure 14a), the module with sliver paste fingers has minor detaching (which is similar to the red area in Figure 14b); thus, the fill factor shows a minor decrease. The module with Ag@Cu fingers shows no significant defects in the EL image after the TC200 test (Figure 14c,d), and the module’s Voc, Isc, FF, and Pmax values barely change.
Furthermore, the IFC-based 0BB modules using both finger pastes were subjected to the DH1000 test, and the results are shown in Table 5 and Figure 15. The module with silver paste fingers shows no significant difference in the EL images (Figure 15a,b), and only slight darkening at the bottom-right corner of the EL image (Figure 15b) is observed due to the moisture ingress. Its power decreases by 2.11%. The module with Ag@Cu paste fingers shows no significant difference in the EL images (Figure 15c,d), and its power decreases by 2.22%.
Considering the acceptable TC200 and DH1000 test results, as well as the lower silver consumption, the Ag@Cu paste is a better choice for the IFC-based 0BB design.

3.2.3. Results and Analysis of Reliability Tests

According to the results in Section 3.2.2, the soldering-based 0BB technology was optimized for use with the Bi14 solder and silver paste for the SRCAs, and the IFC-based technology with the Bi26 solder and Ag@Cu paste was chosen. As both designs underwent tests from the IEC standards, such as TC200 and DH1000, the reliability of both 0BB modules was explored, including hot-spot, T-DML, and T-SML tests, with a soldering-based SMBB module used as a benchmark for comparison.
Hot-Spot Test
Hot spots on PV modules refer to local areas shadowed by grime, leaves, dust, or obstacles, which can result in high temperatures and severely hinder the power output of the module. Therefore, a hot-spot test was performed on IFC-based 0BB modules, soldering-based 0BB modules, and soldering-based SMBB modules. As shown in Figure 16a, the hot-spot temperature of the three types of modules was within the range of 140–180 °C. The EL images show no discernable change after the test (Figure 16b–d). There were no changes in the appearance of any of the samples after the tests. As shown in Table 6, none of the three modules showed any obvious reduction in electrical performance, and they all met the IEC standards.
T-DML test
With the removal of busbars from the SMBB design, the connection of any 0BB design depends on the contact between the solder ribbons and fingers in the SRCAs. In 0BB designs, the connection areas with paste are highly reduced. Thus, it is reasonable to assume that the 0BB design presents risks of de-soldering and finger breakages. Stability was further investigated by conducting T-DML tests at 85 °C, and T-DML1000×10 was conducted, where T-DML1000 is a cycling basis as detailed in the IEC standard. The defects shown in Figure 17 were primarily caused by finger breakage or ribbon de-soldering. Finger breakage always results in a longer current path and decreased efficiency of current collection, while ribbon de-soldering can additionally cause an increased contact resistance. Both defects contribute to a higher series resistance, thus lowering the output power. Over time, these issues can worsen under continuous testing, ultimately leading to module failure. As shown in Table 7, the continuously decreasing Isc and FF further confirm this. The IFC-based 0BB module showed slight de-soldering after 6 cycles of T-DML1000 (Figure 17c), and it showed a power loss of 1.47% after 10 cycles. The soldering-based 0BB module had some subpar soldering, as shown in the initial EL image (Figure 17e). After the T-DML1000 test, slight finger breakages were observed in the module (Figure 17f); after 10 cycles, the finger breakages became severe (Figure 17h), and a power loss of 1.69% was observed (Figure 17i). The difference in power loss could be attributed to the degradation of electrical interconnections at the soldering joints. Soldering-based modules are subjected to a higher upper temperature during the manufacturing process, resulting in a thicker initial IMC, which also accounts for the difference in EL defects [40]. Additionally, the difference in the silver content has an effect on metallurgical bonding, leading to differences in the EL defects. T-DML tests contribute to the growth of IMC layers, and thicker IMC layers could create cracks under stress, which may grow gradually and cause the soldering joints to break [41,42]. Therefore, the soldering-based design shows worse finger breakages during the T-DML test process, leading to a sharp increase in series resistance. As the IFC-based 0BB design has thinner or even absent IMC layers, the bonding strength between the solder and the silver paste is weaker, and de-soldering could occur in parts with bad connections under stress. De-soldering was observed to mainly occur at the fixed sites of the T-DML test, where the stress concentrates. The thin layers of IMC can benefit the bonding strength between materials, but the overgrowth of IMC layers can affect the mechanical strength of the soldering joints, leading to lower reliability. In conclusion, the soldering joints in soldering-based modules are more likely to break and cause larger series resistance, thus resulting in larger power degradation.
T-SML test
As both IFC-based 0BB and soldering-based 0BB modules displayed minor de-soldering and finger breakage after the T-DML1000×10 tests, these two modules were further subjected to the T-SML test, and the results are shown in Table 8 and Figure 18. After T-DML1000×10, position (1) of the de-soldering in the IFC-based 0BB module was partially recovered after T-SML (Figure 18a,b), which may have been due to the re-attachment between the solder ribbons and solar cells under continuous heat and load. However, the finger-breakage sites (2), (3), (4), and (5) in the soldering-based 0BB module further worsened after T-DML (Figure 18c,d), which can be attributed to the growth of IMC layers at a high temperature and the excessive local strain under the continuous load. After three cycles of T-SML, the power of the IFC-based 0BB module and soldering-based 0BB module decreased further by 0.10% and 0.26%, respectively, based on the power after T-DML. Through both the T-DML and T-SML tests, the IFC-based 0BB module and soldering-based 0BB module were confirmed to have a strong load-resistant ability.

4. Conclusions

In this study, two HJT-0BB technologies (soldering- and IFC-based 0BB technologies) were systematically examined. Firstly, the contact resistance of the two 0BB technologies was tested, revealing that the IFC-based 0BB technology has a lower contact resistance. Both theoretical calculations and module power testing results indicate that the IFC-based 0BB technology offers a higher FF and Pmax. Next, material selection was performed. For solder selection, based on the solder peeling force, solder spreading areas on silver paste, and the stability of small samples after TC200, Bi14 was identified as being suitable for the soldering-0BB based technology. For the IFC-based 0BB technology, Bi26 solder was selected based on baking experiments of small modules and their stability after TC200. Additionally, paste selection was conducted. Results from the TC200 and HF20 tests show that, for the soldering-based 0BB technology, using silver paste in SRCAs ensures the reliability of the module by preventing significant de-soldering. For the IFC-based 0BB technology, using Ag@Cu paste for the fingers in SRCAs can also provide a reliable connection, as proven by the results of the TC200 and DH1000 tests. Finally, modules of both 0BB technologies with favorable materials passed the hot-spot tests, as well as more rigorous T-DML and T-SML tests, indicating that both 0BB technologies have promising application potential. This work provides several strategies for research on HJT 0BB technologies and ideas for the design and manufacture of photovoltaic modules at a low cost and with a high power output and reliability. In the future, more advanced characterization methods will be used to verify if other factors affect contact resistance, or to understand the specific impact of incomplete contact. Moreover, a micro-characterization of the solder joints will be conducted to explore the underlying mechanism of T-DML degradation.

Author Contributions

Conceptualization, S.Z., Y.C. and J.G.; methodology, S.Z., X.C. and H.C.; formal analysis, S.Z., X.C., H.C. and X.G.; investigation, X.G., Y.X., X.F., R.L. and J.Z.; resources, S.Z., Y.C. and J.G.; data curation, X.G., Y.X., X.F. and R.L.; writing—original draft preparation, X.G., R.L., J.Z., J.Y. and J.T.; writing—review and editing, S.Z., X.C., H.C. and J.T.; supervision, S.Z., X.C., H.C., Y.C. and J.G.; project administration, S.Z., X.C. and H.C.; funding acquisition, Y.C. and J.G. All authors have read and agreed to the published version of the manuscript.

Funding

This research was funded by the Special Fund for Science and Technology Innovation of Jiangsu Province (Grant No. BE2022022-5).

Institutional Review Board Statement

Not applicable.

Informed Consent Statement

Not applicable.

Data Availability Statement

The data presented in this work are available upon request from the corresponding author. The data are not publicly available due to privacy.

Conflicts of Interest

Authors Shu Zhang, Xue Chen, Haiyuan Chu, Xian Guo, Yan Xie, Xiyan Fan, Runtao Li, Jian Zhu, Jiabin Tan, Jiyuan Yang, Yifeng Chen and Jifan Gao were employed by the company Trina Solar. The remaining authors declare that the research was conducted in the absence of any commercial or financial relationships that could be construed as a potential conflict of interest.

References

  1. Yoshikawa, K.; Kawasaki, H. Silicon heterojunction solar cell with interdigitated back contacts for a photoconversion efficiency over 26%. Nat. Energy 2017, 2, 1–8. [Google Scholar] [CrossRef]
  2. Wang, X.; Barnett, A. The evolving value of photovoltaic module efficiency. Appl. Sci. 2019, 9, 1227. [Google Scholar] [CrossRef]
  3. Zhang, Y.; Kim, M. Design considerations for multi-terawatt scale manufacturing of existing and future photovoltaic technologies: Challenges and opportunities related to silver, indium and bismuth consumption. Energy Environ. Sci. 2021, 14, 5587–5610. [Google Scholar] [CrossRef]
  4. Jeffries, A.M.; Mamidanna, A. Low-temperature drop-on-demand reactive silver inks for solar cell front-grid metalliztion. IEEE J. Photovolt. 2016, 7, 37–43. [Google Scholar] [CrossRef]
  5. Benda, V.; Cerna, L. A note on limits and trends in PV cells and modules. Appl. Sci. 2022, 12, 3363. [Google Scholar] [CrossRef]
  6. Wang, X.; Kurdgelashvili, L. The value of module efficiency in lowering the levelized cost of energy of photovoltaic systems. Renew. Sustain. Energy Rev. 2011, 15, 4248–4254. [Google Scholar] [CrossRef]
  7. Benda, V.; Černá, L. PV cells and modules–State of the art, limits and trends. Heliyon 2020, 6, e05666. [Google Scholar] [CrossRef]
  8. Hermle, M.; Feldmann, F. Passivating contacts and tandem concepts: Approaches for the highest silicon-based solar cell efficiencies. Appl. Phys. Rev. 2020, 7, 021305. [Google Scholar] [CrossRef]
  9. Zhao, J.; Wang, A. 19.8% efficient “honeycomb” textured multicrystalline and 24.4% monocrystalline silicon solar cells. Appl. Phys. Lett. 1998, 73, 1991–1993. [Google Scholar] [CrossRef]
  10. Cotter, J.E.; Guo, J.H. P-type versus n-type silicon wafers: Prospects for high-efficiency commercial silicon solar cells. IEEE Trans. Electron Devices 2006, 53, 1893–1901. [Google Scholar] [CrossRef]
  11. Singha, B.; Solanki, C.S. N-type solar cells: Advantages, issues, and current scenarios. Mater. Res. Express 2017, 4, 072001. [Google Scholar] [CrossRef]
  12. Long, W.; Yin, S. On the limiting efficiency for silicon heterojunction solar cells. Sol. Energy Mater. Sol. Cells 2021, 231, 111291. [Google Scholar] [CrossRef]
  13. Lin, H.; Yang, M. Silicon heterojunction solar cells with up to 26.81% efficiency achieved by electrically optimized nanocrystalline-silicon hole contact layers. Nat. Energy 2023, 8, 789–799. [Google Scholar] [CrossRef]
  14. Sun, Z.; Chen, X. Toward efficiency limits of crystalline silicon solar cells: Recent progress in high-efficiency silicon heterojunction solar cells. Adv. Energy Mater. 2022, 12, 2200015. [Google Scholar] [CrossRef]
  15. Liu, Y.; Li, Y. High-efficiency silicon heterojunction solar cells: Materials, devices and applications. Mater. Sci. Eng. R: Rep. 2020, 142, 100579. [Google Scholar] [CrossRef]
  16. Ru, X.; Qu, M. 25.11% efficiency silicon heterojunction solar cell with low deposition rate intrinsic amorphous silicon buffer layers. Sol. Energy Mater. Sol. Cells 2020, 215, 110643. [Google Scholar] [CrossRef]
  17. Herasimenka, S.Y.; Dauksher, W.J. >750 mV open circuit voltage measured on 50 μm thick silicon heterojunction solar cell. Appl. Phys. Lett. 2013, 103, 053511. [Google Scholar] [CrossRef]
  18. Liang, T.S.; Pravettoni, M. A review of crystalline silicon bifacial photovoltaic performance characterisation and simulation. Energy Environ. Sci. 2019, 12, 116–148. [Google Scholar] [CrossRef]
  19. Haschke, J.; Seif, J.P. The impact of silicon solar cell architecture and cell interconnection on energy yield in hot & sunny climates. Energy Environ. Sci. 2017, 10, 1196–1206. [Google Scholar]
  20. Ballif, C.; Hessler-Wyser, A. SmartWire Solar Cell Interconnection Technology. In Proceedings of the 28th European Photovoltaic Solar Energy Conference, Paris, France, 30 September–4 October 2013; pp. 495–499. [Google Scholar]
  21. Schneider, A.; Rubin, L.; Rubin, G. Solar cell efficiency improvement by new metallization techniques—The day 4 electrode concept. In Proceedings of the 2006 IEEE 4th WCPEC, Waikoloa, HI, USA, 7–12 May 2006; pp. 1095–1098. [Google Scholar]
  22. Söderström, T.; Papet, P. Smart wire connection technology. In Proceedings of the the 28th European Photovoltaic Solar Energy Conference, Paris, France, 30 September–4 October 2013. [Google Scholar]
  23. Rendler, L.C.; Pfreundt, A. Wave-shaped wires for the interconnection of silicon solar cells without pads or busbars. AIP Conf. Proc. 2022, 2709, 020007. [Google Scholar]
  24. Waler, J.; Tranitz, M. Multi-wire Interconnection of Busbar-free Solar Cells. Energy Procedia 2014, 55, 380–388. [Google Scholar] [CrossRef]
  25. Oh, W.; Lee, H. Busbar-free electrode patterns of crystalline silicon solar cells for high density shingled photovoltaic module. Sol. Energy Mater. Sol. Cells 2022, 243, 111802. [Google Scholar] [CrossRef]
  26. GB/T 17473.7-2022; Test Methods of Precious Metals Pastes Used for Microelectronics—Part 7: Determination of Solderability and Solder Leaching Resistance. Standardization Administration of China: Beijing, China, 2022.
  27. IEC 61215-2:2021; Terrestrial Photovoltaic (PV) Modules—Design Qualification and Type Approval—Part 2: Test Procedures. International Electrotechnical Commission: Geneva, Switzerland, 2021.
  28. Alimi, O.A.; Meyer, E.L. Solar photovoltaic modules’ performance reliability and degradation analysis—A review. Energies 2022, 15, 5964. [Google Scholar] [CrossRef]
  29. Huang, G.; Zhao, G. Influence of deposition parameters of ITO films on the performance of HJT solar cells. Int. J. Photoenergy 2023, 2023, 1065503. [Google Scholar] [CrossRef]
  30. Prasad, L.C.; Mikula, A. Role of surface properties on the wettability of Sn–Pb–Bi solder alloys. J. Alloys Compd. 1999, 282, 279–285. [Google Scholar] [CrossRef]
  31. Kim, H.K.; Liou, H.K. Morphology of instability of the wetting tips of eutectic snbi, eutectic snpb, and pure sn on cu. J. Mater. Res. 1995, 10, 497–504. [Google Scholar] [CrossRef]
  32. Somait, F.A.; Kidnay, A.J. Liquid-vapor equilibriums at 270.00 K for systems containing nitrogen, methane, and carbon dioxide. J. Chem. Eng. Data 1978, 23, 301–305. [Google Scholar] [CrossRef]
  33. Ning, J. Study on brittleness mechanism and toughening mechanism of lead-free solder for low melting point Tin-bismuth alloy. Solder. Technol. 2019, 5, 80–84. [Google Scholar]
  34. Lei, X. Study on the Non-Eutectic Sn-Bi Solders with Low Melting Point. Ph.D. Thesis, Hunan University, Changsha, China, 2007; pp. 26–59. [Google Scholar]
  35. Wang, C.; Qin, F. Effects of IMC thickness on fracturing of solder joints. In Proceedings of the 11th International Conference on Electronic Packaging Technology & High Density Packaging, Xi’an, China, 16–19 August 2010; pp. 511–514. [Google Scholar]
  36. Belhadi, M.E.A.; Wei, X. Reliability and IMC layer evolution of homogenous lead-free solder joints during thermal cycling. In Proceedings of the IPC APEX EXPO Technical Conference (IPC APEX EXPO), San Diego, CA, USA, 27–30 January 2022; pp. 1–14. [Google Scholar]
  37. Shao, H.K.; Wu, A.P. Mechanism of Ag3Sn grain growth in Ag/Sn transient liquid phase soldering. Trans. Nonferrous Met. Soc. China 2017, 27, 722–732. [Google Scholar] [CrossRef]
  38. Geipel, T.; Moeller, M. Intermetallic compounds in solar cell interconnections: Microstructure and growth kinetics. Sol. Energy Mater. Sol. Cells 2017, 159, 370–388. [Google Scholar] [CrossRef]
  39. Schube, J.; Fellmeth, T. Advanced metallization with low silver consumption for silicon heterojunction solar cells. AIP Conf. Proc. 2019, 2156, 1–8. [Google Scholar]
  40. Yang, T.L.; Huang, K.Y. Growth kinetics of Ag3Sn in silicon solar cells with a sintered Ag metallization layer. Sol. Energy Mater. Sol. Cells 2014, 123, 139–143. [Google Scholar] [CrossRef]
  41. Itoh, U.; Yoshida, M. Solder joint failure modes in the conventional crystalline Si module. Energy Procedia 2014, 55, 464–468. [Google Scholar] [CrossRef]
  42. An, T. Investigation on the Relationship Between the Microstructure Evolution of the Intermetallic Compounds in Solder Joints and the Micro-and Micro-Mechanical Behavior. Ph.D. Thesis, Beijing University of Technology, Beijing, China, 2014; pp. 23–110. [Google Scholar]
Figure 1. The production process of soldering-based 0BB technology.
Figure 1. The production process of soldering-based 0BB technology.
Applsci 14 10845 g001
Figure 2. The production process of IFC-based 0BB technology.
Figure 2. The production process of IFC-based 0BB technology.
Applsci 14 10845 g002
Figure 3. Soldering-based 0BB solar cell printing pattern (partial).
Figure 3. Soldering-based 0BB solar cell printing pattern (partial).
Applsci 14 10845 g003
Figure 4. IFC-based 0BB solar cell printing pattern (partial).
Figure 4. IFC-based 0BB solar cell printing pattern (partial).
Applsci 14 10845 g004
Figure 5. Schematic of contact resistance test.
Figure 5. Schematic of contact resistance test.
Applsci 14 10845 g005
Figure 6. Equivalent circuit diagrams after soldering/IFC.
Figure 6. Equivalent circuit diagrams after soldering/IFC.
Applsci 14 10845 g006
Figure 7. (a) Finger resistances of HJT-0BB solar cells. (b) Resistance differences between soldering-based samples and IFC-based samples. Cross-section of TCO–solder-ribbon contact in IFC-based modules with (c) complete contact (1 refers to the cell, 2 refers to the Cu ribbon, 3 refers to the solder) and (d) incomplete contact. Cross-section of TCO–solder-ribbon contact in soldering-based modules with (e) complete contact and (f) incomplete contact. (g) The ratio of contact between TCO and solder ribbons for soldering- and IFC-based modules.
Figure 7. (a) Finger resistances of HJT-0BB solar cells. (b) Resistance differences between soldering-based samples and IFC-based samples. Cross-section of TCO–solder-ribbon contact in IFC-based modules with (c) complete contact (1 refers to the cell, 2 refers to the Cu ribbon, 3 refers to the solder) and (d) incomplete contact. Cross-section of TCO–solder-ribbon contact in soldering-based modules with (e) complete contact and (f) incomplete contact. (g) The ratio of contact between TCO and solder ribbons for soldering- and IFC-based modules.
Applsci 14 10845 g007
Figure 8. Schematic of contact resistance between solder ribbon and solar cell.
Figure 8. Schematic of contact resistance between solder ribbon and solar cell.
Applsci 14 10845 g008
Figure 9. (a) Peeling force of Bi14 and Bi26 soldering points. (b) Microscopy of Bi14 and Bi26 soldering points. Bi14 sample EL images: (c) initially and (d) after TC200. Bi26 sample EL images: (e) initially and (f) after TC200. (g) The thickness of IMC. (h) The micrographs of IMC growth.
Figure 9. (a) Peeling force of Bi14 and Bi26 soldering points. (b) Microscopy of Bi14 and Bi26 soldering points. Bi14 sample EL images: (c) initially and (d) after TC200. Bi26 sample EL images: (e) initially and (f) after TC200. (g) The thickness of IMC. (h) The micrographs of IMC growth.
Applsci 14 10845 g009
Figure 10. Cross-section of finger–solder-ribbon contact in IFC-based process: (a) Bi21 and (b) Bi26. Cross-section of TCO–solder-ribbon contact in IFC-based process: (c) Bi21 and (d) Bi26. (e) The ratio of contact between TCO and Bi21/Bi26 solder ribbons. EL images of the Bi21 sample: (f) initially and (g) after baking. EL images of the Bi26 sample: (h) initially and (i) after baking.
Figure 10. Cross-section of finger–solder-ribbon contact in IFC-based process: (a) Bi21 and (b) Bi26. Cross-section of TCO–solder-ribbon contact in IFC-based process: (c) Bi21 and (d) Bi26. (e) The ratio of contact between TCO and Bi21/Bi26 solder ribbons. EL images of the Bi21 sample: (f) initially and (g) after baking. EL images of the Bi26 sample: (h) initially and (i) after baking.
Applsci 14 10845 g010
Figure 11. EL images of the Bi21 sample: (a) initially and (b) after TC200. EL images of the Bi26 sample: (c) initially and (d) after TC200.
Figure 11. EL images of the Bi21 sample: (a) initially and (b) after TC200. EL images of the Bi26 sample: (c) initially and (d) after TC200.
Applsci 14 10845 g011
Figure 12. EL images of soldering-based 0BB modules: (a) initially with Ag@Cu paste, (b) after TC200 with Ag@Cu paste, (c) initially with silver paste, and (d) after TC200 with silver paste. (e) The retention rates of the silver and Ag@Cu pastes after the solderability test.
Figure 12. EL images of soldering-based 0BB modules: (a) initially with Ag@Cu paste, (b) after TC200 with Ag@Cu paste, (c) initially with silver paste, and (d) after TC200 with silver paste. (e) The retention rates of the silver and Ag@Cu pastes after the solderability test.
Applsci 14 10845 g012
Figure 13. EL images of soldering-based 0BB modules: (a) initially with Ag@Cu paste, (b) after HF20 with Ag@Cu paste, (c) initially with silver paste, and (d) after HF20 with silver paste.
Figure 13. EL images of soldering-based 0BB modules: (a) initially with Ag@Cu paste, (b) after HF20 with Ag@Cu paste, (c) initially with silver paste, and (d) after HF20 with silver paste.
Applsci 14 10845 g013
Figure 14. EL images of IFC-based 0BB modules: (a) initially with silver paste, (b) after TC200 with silver paste, (c) initially with Ag@Cu paste, and (d) after TC200 with Ag@Cu paste.
Figure 14. EL images of IFC-based 0BB modules: (a) initially with silver paste, (b) after TC200 with silver paste, (c) initially with Ag@Cu paste, and (d) after TC200 with Ag@Cu paste.
Applsci 14 10845 g014
Figure 15. EL images of IFC-based 0BB modules: (a) initially with silver paste, (b) after DH1000 with silver paste, (c) initially with Ag@Cu paste, and (d) after DH1000 with Ag@Cu paste.
Figure 15. EL images of IFC-based 0BB modules: (a) initially with silver paste, (b) after DH1000 with silver paste, (c) initially with Ag@Cu paste, and (d) after DH1000 with Ag@Cu paste.
Applsci 14 10845 g015
Figure 16. (a) Hot-spot temperature distribution in three types of modules. EL images after hot-spot test: (b) IFC-based 0BB modules, (c) soldering-based 0BB modules, and (d) soldering-based SMBB modules.
Figure 16. (a) Hot-spot temperature distribution in three types of modules. EL images after hot-spot test: (b) IFC-based 0BB modules, (c) soldering-based 0BB modules, and (d) soldering-based SMBB modules.
Applsci 14 10845 g016
Figure 17. IFC-based 0BB module EL images: (a) initially, (b) T-DML1000, (c) T-DML1000×6, and (d) T-DML1000×10. Soldering-based 0BB module EL images: (e) initially, (f) T-DML1000, (g) T-DML1000×6, and (h) T-DML1000×10. (i) The change in power in T-DML1000×10.
Figure 17. IFC-based 0BB module EL images: (a) initially, (b) T-DML1000, (c) T-DML1000×6, and (d) T-DML1000×10. Soldering-based 0BB module EL images: (e) initially, (f) T-DML1000, (g) T-DML1000×6, and (h) T-DML1000×10. (i) The change in power in T-DML1000×10.
Applsci 14 10845 g017
Figure 18. IFC-based 0BB module EL images: (a) initially and (b) after T-SML×3. Soldering-based 0BB module EL images: (c) initially and (d) after T-SML×3.
Figure 18. IFC-based 0BB module EL images: (a) initially and (b) after T-SML×3. Soldering-based 0BB module EL images: (c) initially and (d) after T-SML×3.
Applsci 14 10845 g018
Table 1. Electrical parameters of soldering- and IFC-based 0BB modules.
Table 1. Electrical parameters of soldering- and IFC-based 0BB modules.
TypeVoc/V Isc/A FF/% Pmax/W
IFC49.517.4182.69712.62
Soldering49.517.3882.42709.07
Table 2. Changes in electrical parameters for different soldering-based modules after TC200.
Table 2. Changes in electrical parameters for different soldering-based modules after TC200.
TypeΔVoc/%ΔIsc/%ΔFF/%ΔPmax/%
Ag@Cu0.060.24−7.27−6.97
Silver0.63−0.490.260.41
Table 3. Electrical parameters of different soldering-based modules after HF20.
Table 3. Electrical parameters of different soldering-based modules after HF20.
TypeΔVoc/%ΔIsc/%ΔFF/%ΔPmax/%
Ag@Cu−0.06−0.41−4.31−4.79
Silver−0.29−0.07−0.35−0.72
Table 4. Electrical parameters of IFC-based modules after TC200.
Table 4. Electrical parameters of IFC-based modules after TC200.
TypeΔVoc/%ΔIsc/%ΔFF/%ΔPmax/%
Silver 0.300.02−0.98−0.63
Ag@Cu0.16−0.130.14−0.09
Table 5. Electrical parameters of lamination-based modules after DH1000.
Table 5. Electrical parameters of lamination-based modules after DH1000.
TypeΔVoc/%ΔIsc/%ΔFF/%ΔPmax/%
Silver −0.08−0.31−1.72−2.11
Ag@Cu0.06−1.10−1.23−2.22
Table 6. Electrical parameter changes in PV modules after hot-spot test.
Table 6. Electrical parameter changes in PV modules after hot-spot test.
TypeΔVoc/%ΔIsc/%ΔFF/%ΔPmax/%
IFC0.31−0.420.430.30
Soldering-0BB−0.12−0.250.400.03
Soldering-SMBB−0.10−0.150.300.05
Table 7. Electrical parameter changes of IFC- and soldering-based 0BB modules after T-DML.
Table 7. Electrical parameter changes of IFC- and soldering-based 0BB modules after T-DML.
TestTypeΔVoc/%ΔIsc/%ΔFF/%ΔPmax/%
T-DML1000IFC modules−0.10−0.400.02−0.47
Soldering modules−0.08−0.69−0.20−0.96
T-DML1000×6IFC modules−0.06−0.55−0.18−0.78
Soldering modules−0.12−0.03−1.01−1.16
T-DML1000×10IFC modules0.04−1.09−0.42−1.47
Soldering modules0.12−0.72−1.09−1.69
Table 8. Electrical parameters change of IFC- and soldering-based 0BB modules after T-SML×3.
Table 8. Electrical parameters change of IFC- and soldering-based 0BB modules after T-SML×3.
TypeΔVoc/%ΔIsc/%ΔFF/%ΔPmax/%
IFC modules0.04−0.230.11−0.10
Soldering modules0.04−0.05−0.27−0.26
Disclaimer/Publisher’s Note: The statements, opinions and data contained in all publications are solely those of the individual author(s) and contributor(s) and not of MDPI and/or the editor(s). MDPI and/or the editor(s) disclaim responsibility for any injury to people or property resulting from any ideas, methods, instructions or products referred to in the content.

Share and Cite

MDPI and ACS Style

Zhang, S.; Chen, X.; Chu, H.; Guo, X.; Xie, Y.; Fan, X.; Li, R.; Zhu, J.; Tan, J.; Yang, J.; et al. Research Progress of Zero-Busbar Technology Based on Heterojunction Photovoltaic Modules. Appl. Sci. 2024, 14, 10845. https://doi.org/10.3390/app142310845

AMA Style

Zhang S, Chen X, Chu H, Guo X, Xie Y, Fan X, Li R, Zhu J, Tan J, Yang J, et al. Research Progress of Zero-Busbar Technology Based on Heterojunction Photovoltaic Modules. Applied Sciences. 2024; 14(23):10845. https://doi.org/10.3390/app142310845

Chicago/Turabian Style

Zhang, Shu, Xue Chen, Haiyuan Chu, Xian Guo, Yan Xie, Xiyan Fan, Runtao Li, Jian Zhu, Jiabin Tan, Jiyuan Yang, and et al. 2024. "Research Progress of Zero-Busbar Technology Based on Heterojunction Photovoltaic Modules" Applied Sciences 14, no. 23: 10845. https://doi.org/10.3390/app142310845

APA Style

Zhang, S., Chen, X., Chu, H., Guo, X., Xie, Y., Fan, X., Li, R., Zhu, J., Tan, J., Yang, J., Chen, Y., & Gao, J. (2024). Research Progress of Zero-Busbar Technology Based on Heterojunction Photovoltaic Modules. Applied Sciences, 14(23), 10845. https://doi.org/10.3390/app142310845

Note that from the first issue of 2016, this journal uses article numbers instead of page numbers. See further details here.

Article Metrics

Back to TopTop