The Multi-Frame Imaging Detection of Ultrasonic Guided Waves in Welded Structural Plates Based on Arc Sparse Array with Left Rank
Abstract
1. Introduction
2. Ultrasonic Guided Wave Arc Sparse Array in a Plate and Receiving Aperture
3. The Left Rank of the Arc Sparse Array under the Condition of Weld Scattering
3.1. The Rank of the Receiving Matrix of the Arc Sparse Array under the Condition of Weld Scattering
3.2. Left-Rank Arc Sparse Array and Left-Rank Receiving Aperture
4. Ultrasonic Guided Wave Multi-Frame Imaging in the Welding Structural Plate Based on the Left-Rank Arc Sparse Array
5. Experiment of Imaging Detection
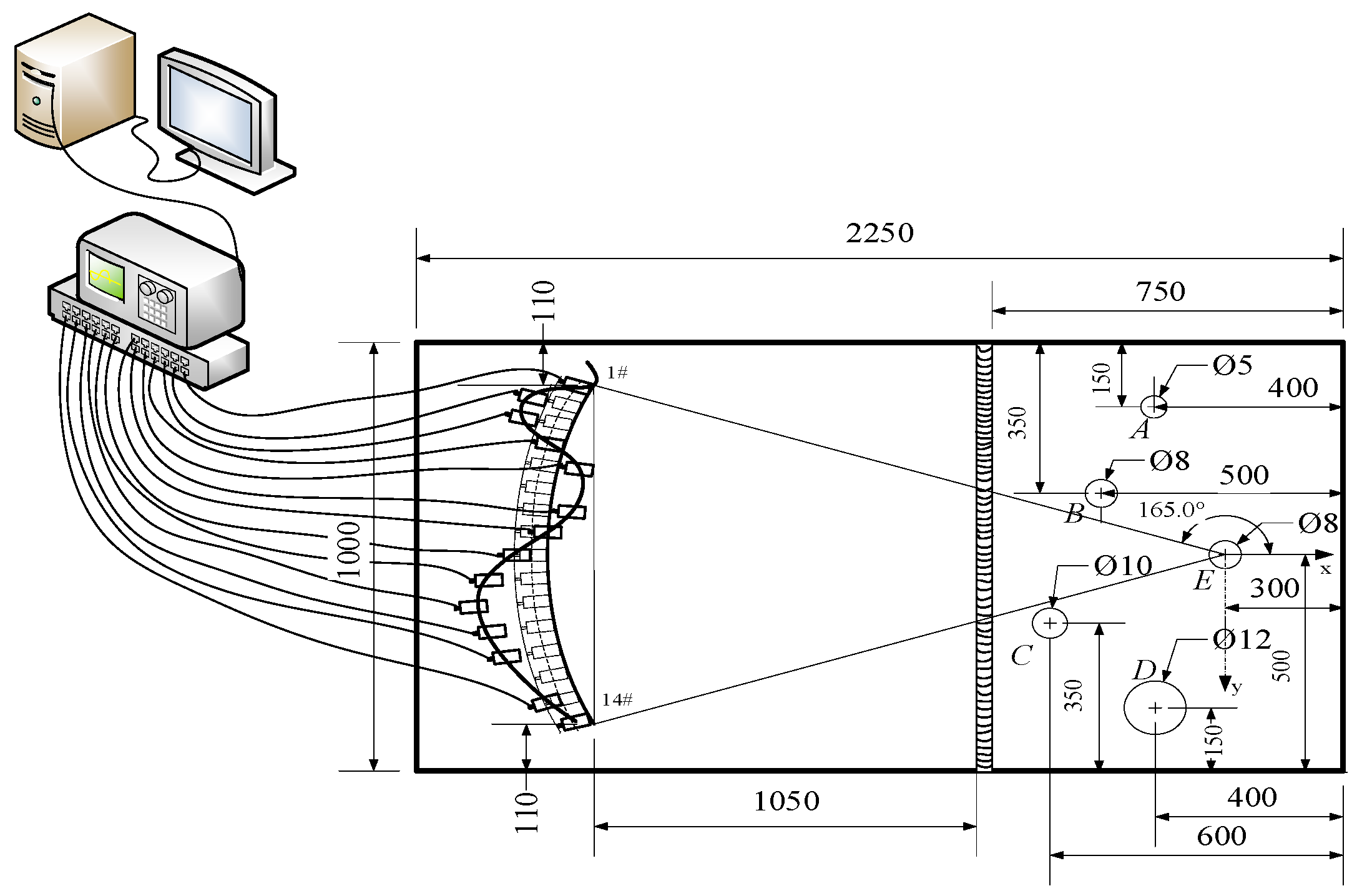
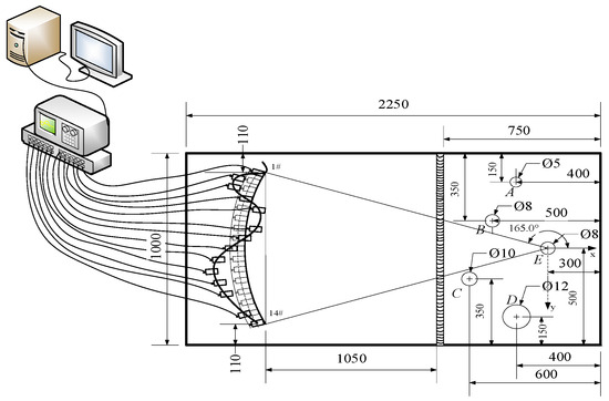
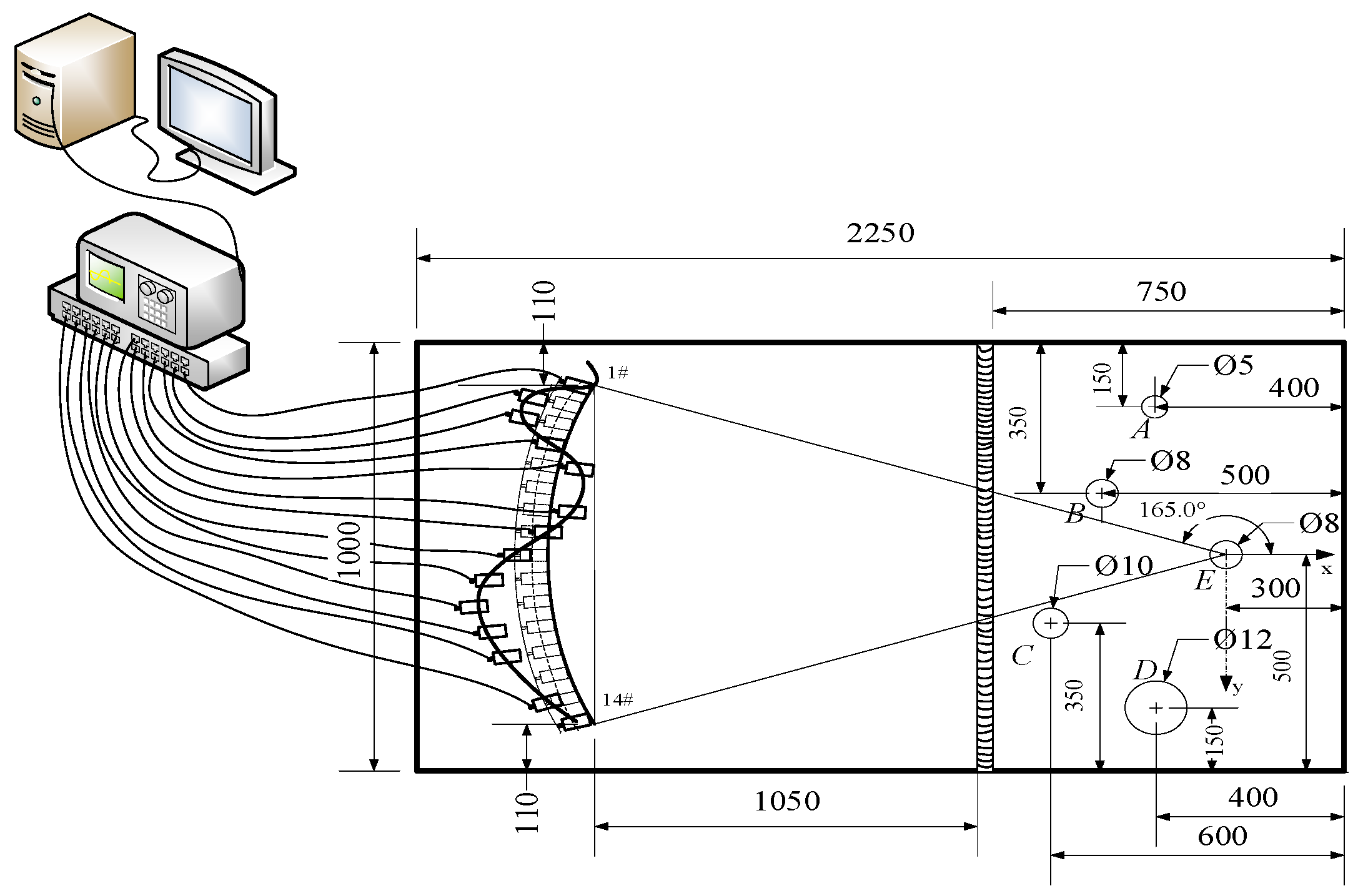
5.1. The Composition of the Multi-Frame Imaging Detection Test System for the Left-Rank Arc Sparse Array of Ultrasonic Guided Waves in the Welded Structure Plate
5.2. Analysis of the Results of the Test for Imaging Detection
6. Conclusions
Author Contributions
Funding
Institutional Review Board Statement
Informed Consent Statement
Data Availability Statement
Acknowledgments
Conflicts of Interest
References
- Viehrig, H.W.; Houska, M. Fracture Mechanics Characterisation of Reactor Pressure Vessel Multi-layer Weld Metal. Int. J. Press. Vessel. Pip. 2015, 135–136, 36–51. [Google Scholar] [CrossRef]
- Wenchun, J.; Yun, L. Residual Stresses Evolution During Strip Clad Welding, Post Welding Heat Treatment and Repair Welding for a Large Pressure Vessel. Int. J. Press. Vessel. Pip. 2021, 189, 104259. [Google Scholar] [CrossRef]
- Hurtado-Aviles, E.A.; Torres, J.A.; Trejo-Valdez, M.; Torres-SanMiguel, C.R.; Villalpando, I.; Torres-Torres, C. Ultrasonic Influence on Plasmonic Effects Exhibited by Photoactive Bimetallic Au-Pt Nanoparticles Suspended in Ethanol. Materials 2019, 12, 1791. [Google Scholar] [CrossRef]
- Darmon, M.; Toullelan, G.; Dorval, V. An Experimental and Theoretical Comparison of 3D Models for Ultrasonic Non-Destructive Testing of Cracks: Part I, Embedded Cracks. Appl. Sci. 2022, 12, 5078. [Google Scholar] [CrossRef]
- Zheng, K.; Hu, H.; Wang, Z.; Zheng, Y.; Zhao, L.; Shang, X. Effect of Local Fluid Disturbance Induced by Weld Reinforcement Height on the Corrosion of a Low Alloy Steel Weld. Metals 2023, 13, 103. [Google Scholar] [CrossRef]
- Dziedziech, K.; Pieczonka, L.; Kijanka, P. Enhanced Nonlinear Crack-wave Interactions for Structural Damage Detection Based on Guided Ultrasonic Waves. Struct. Control Health Monit. 2016, 23, 1108–1120. [Google Scholar] [CrossRef]
- Zang, X.; Xu, Z.D.; Lu, H.; Zhu, C.; Zhang, Z. Ultrasonic Guided Wave Techniques and Applications in Pipeline Defect Detection: A review. Int. J. Press. Vessel. Pip. 2023, 206, 105033. [Google Scholar] [CrossRef]
- Zhang, W.; Akber, M.A.; Hou, S.; Bian, J.; Zhang, D.; Le, Q. Detection of Dynamic Modulus and Crack Properties of Asphalt Pavement Using a Non-Destructive Ultrasonic Wave Method. Appl. Sci. 2019, 9, 2946. [Google Scholar] [CrossRef]
- Yang, Y.; Zhong, J.; Qin, A.; Mao, H.; Mao, H.; Huang, Z.; Li, X.; Lin, Y. Feature Extraction of Ultrasonic Guided Wave Weld Detection Based on Group Sparse Wavelet Transform with Tunable Q-factor. Measurement 2023, 206, 112314. [Google Scholar] [CrossRef]
- Velichko, A.; Wilcox, P.; Thompson, D.; Donald, O. Post-processing of the Full Matrix of Ultrasonic Transmit-receive Array Data for Guided wave Pipe Inspection. In AIP Conference Proceeding; AIP Publishing: Melville, NY, USA, 2009; pp. 137–144. [Google Scholar] [CrossRef]
- Zhang, Z.; Pan, H.; Wang, X.; Lin, Z. Deep Learning Empowered Structural Health Monitoring and Damage Diagnostics for Structures with Weldment via Decoding Ultrasonic Guided Wave. Sensors 2022, 22, 5390. [Google Scholar] [CrossRef]
- Cui, R.; Azuara, G.; Lanza di Scalea, F.; Barrera, E. Damage Imaging in Skin-stringer Composite Aircraft Convolutional Neural Network. Str. Health Monit. 2022, 21, 1123–1138. [Google Scholar] [CrossRef]
- Darmon, M. Special Issue on Ultrasonic Modeling for Non-Destructive Testing. Appl. Sci. 2024, 14, 2008. [Google Scholar] [CrossRef]
- Zhang, J.; Drinkwater, B.W.; Wilcox, P.D.; Hunter, A.J. Defect Detection Using Ultrasonic Arrays: The Multi-mode Total Focusing Method. NDT E Int. 2010, 43, 123–133. [Google Scholar] [CrossRef]
- Yu, L.; Bottai-Santoni, G.; Giurgiutiu, V. Shear Lag Solution for Tuning Ultrasonic Piezoelectric Wafer Active Sensors with Applications to Lamb Wave Array Imaging. Int. J. Eng. Sci. 2010, 48, 848–861. [Google Scholar] [CrossRef]
- Kim, D.; Eom, H. Ultrasonic NDE Discrimination with the Gradient Descent Algorithm and SAFT Image Processing. NDT E Int. 2009, 42, 250–259. [Google Scholar] [CrossRef]
- Zhu, X.; Huang, P.; Xu, W.; Tan, W.; Qi, Y. A Modified Keystone-Based Forward-Looking Arc Array Synthetic Aperture Radar 3D Imaging Method. Sensors 2023, 23, 2674. [Google Scholar] [CrossRef]
- Velichko, A.; Wilcox, P.D. Guided Wave Arrays for High Resolution Inspection. J. Acoust. Soc. Am. 2008, 123, 186–196. [Google Scholar] [CrossRef] [PubMed]
- Rajagopalan, J.; Balasubramaniam, K.; Krishnamurthy, C.V. A Phase Reconstruction Algorithm for Lamb Wave Based Structural Health Monitoring of Anisotropic Multilayered Composite plates. J. Acoust. Soc. Am. 2006, 119, 872–878. [Google Scholar] [CrossRef]
- Kwon, H.-S.; Kim, J.-Y. An Analytical Filter Design Method for Guided Wave Phased Arrays. Mech. Syst. Signal Process. 2016, 81, 433–446. [Google Scholar] [CrossRef]
- Li, W.; Cho, Y. Quantification and Imaging of Corrosion Wall Thinning Using Shear Horizontal Guided Waves Generated by Magnetostrictive Sensors. Sens. Actuators A. Phys. 2015, 232, 251–258. [Google Scholar] [CrossRef]
- Xu, Q.; Wang, H. Sound Field Modeling Method and Key Imaging Technology of an Ultrasonic Phased Array: A Review. Appl. Sci. 2022, 12, 7962. [Google Scholar] [CrossRef]
- Tan, H.; Zhang, X.; Zhang, L.; Tao, T.; Xu, G. Ultrasonic Guided Wave Phased Array Focusing Technology and Its Application to Defrosting Performance Improvement of Air-Source Heat Pumps. Energies 2019, 12, 3117. [Google Scholar] [CrossRef]
- McKee, J.G.; Bevan, R.L.; Wilcox, P.D.; Malkin, R.E. Volumetric Imaging Through a Doubly-curved Surface Using a 2D Phased Array. NDT E Int. 2020, 113, 102260. [Google Scholar] [CrossRef]
- Dai, Y.X.; Yan, S.G.; Zhang, B.X. An Ultrasonic Multi-wave Focusing and Imaging Method for Linear Phased Arrays. Chin. Phys. B. 2021, 30, 074301. [Google Scholar] [CrossRef]
- Chang, J.; Song, T.K. A New Synthetic Aperture Focusing Method to Suppress the Diffraction of Ultrasound. IEEE Trans. Ultrason. Ferroelectr. Freq. Control. 2011, 58, 327–337. [Google Scholar] [CrossRef] [PubMed]
- Lin, S.; Shams, S.; Choi, H.; Azari, H. Ultrasonic Imaging of Multi-layer Concrete Structures. NDT E Int. 2018, 98, 101–109. [Google Scholar] [CrossRef]
- Saini, A.; Felice, M.V.; Fan, Z.; Lane, C.J. Optimisation of the Half-Skip Total Focusing Method (HSTFM) Parameters for Sizing Surface-breaking Cracks. NDT E Int. 2016, 116, 102365. [Google Scholar] [CrossRef]
- Xinjie, Z.; Mingxi, D.; Shujuan, C.; Liang, J.; Ruipeng, W. Multi-frames Imaging Detection of Full Rank for Arc Synthetic Aperture Array of Ultrasonic Guided Waves in Plates. J. Mech. Eng. 2020, 56, 24–30. (In Chinese) [Google Scholar]








| Artificial Defective Holes in Welded Structural Panels | Coordinate [X, Y] | Index | 
|---|---|---|
| Hole A | [127, 34] | 60.71 | 
| Hole B | [71, 128] | 141.7 | 
| Hole C | [18, 273] | 187.2 | 
| Hole D | [118, 367] | 115.4 | 
| Hole E | [168, 201] | 255 | 
| Image Gray Level (f) | |||||
|---|---|---|---|---|---|
| Transducer Frame Rate (No.) | Hole A | Hole B | Hole C | Hole D | Hole E | 
| 1 | 53.75 | 85.00 | 97.50 | 81.25 | 162.5 | 
| 2 | 27.50 | 80.00 | 92.50 | 63.75 | 125.0 | 
| 3 | 35.24 | 85.00 | 91.22 | 80.85 | 124.4 | 
| 4 | 30.60 | 79.90 | 59.90 | 45.90 | 110.5 | 
| 5 | 25.99 | 55.22 | 84.46 | 50.35 | 63.34 | 
| 6 | 27.55 | 54.39 | 67.11 | 39.56 | 98.19 | 
| 7 | 31.26 | 55.63 | 59.38 | 50.63 | 78.13 | 
| 8 | 24.59 | 59.01 | 69.55 | 36.53 | 59.01 | 
| 9 | 28.33 | 52.73 | 83.43 | 30.69 | 81.85 | 
| 10 | 26.60 | 44.59 | 65.71 | 39.89 | 111.1 | 
| 11 | 23.33 | 41.67 | 57.50 | 45.00 | 113.3 | 
| 12 | 41.44 | 58.44 | 85.00 | 62.69 | 100.9 | 
| 13 | 70.83 | 85.00 | 99.17 | 75.56 | 132.2 | 
| 14 | 32.08 | 65.57 | 87.43 | 78.69 | 109.3 | 
| Transducer Frame Rate (No.) | Image Background Gray Level (f) | 
|---|---|
| 1 | 21.25 | 
| 2 | 13.71 | 
| 3 | 12.59 | 
| 4 | 11.28 | 
| 5 | 9.13 | 
| 6 | 7.43 | 
| 7 | 6.69 | 
| 8 | 6.12 | 
| 9 | 6.49 | 
| 10 | 6.03 | 
| 11 | 6.89 | 
| 12 | 7.13 | 
| 13 | 6.80 | 
| 14 | 6.62 | 
| Image Gray Level (f) | |||||
|---|---|---|---|---|---|
| Transducer Frame Rate (No.) | Hole A | Hole B | Hole C | Hole D | Hole E | 
| 1 | 53.75 | 85.00 | 97.00 | 81.25 | 162.5 | 
| 2 | 37.70 | 83.63 | 97.34 | 72.66 | 150.8 | 
| 3 | 36.66 | 86.46 | 99.05 | 76.61 | 150.5 | 
| 4 | 33.40 | 87.56 | 92.52 | 70.41 | 148.5 | 
| 5 | 30.65 | 81.52 | 96.85 | 67.17 | 128.8 | 
| 6 | 29.03 | 74.08 | 89.18 | 58.99 | 122.2 | 
| 7 | 28.12 | 68.08 | 80.26 | 55.56 | 109.8 | 
| 8 | 27.34 | 67.49 | 79.73 | 52.54 | 102.1 | 
| 9 | 27.98 | 67.79 | 83.69 | 50.87 | 103.4 | 
| 10 | 28.08 | 67.06 | 84.69 | 50.93 | 109.4 | 
| 11 | 27.30 | 64.61 | 82.43 | 50.54 | 111.6 | 
| 12 | 28.80 | 65.80 | 85.20 | 52.84 | 114.4 | 
| 13 | 30.31 | 67.22 | 86.85 | 54.11 | 116.9 | 
| 14 | 32.08 | 68.69 | 89.23 | 56.77 | 119.9 | 
| Image Signal-to-Noise Ratio (SNR) | |||||
|---|---|---|---|---|---|
| Transducer Frame Rate (No.) | Hole A | Hole B | Hole C | Hole D | Hole E | 
| 1 | 8.06 | 12.04 | 13.23 | 11.65 | 17.67 | 
| 2 | 8.79 | 15.71 | 17.03 | 14.49 | 20.83 | 
| 3 | 9.28 | 16.74 | 17.92 | 15.69 | 21.55 | 
| 4 | 9.43 | 17.80 | 18.28 | 15.91 | 22.39 | 
| 5 | 10.52 | 19.02 | 20.51 | 17.33 | 22.99 | 
| 6 | 11.83 | 19.97 | 21.58 | 17.99 | 24.32 | 
| 7 | 12.47 | 20.15 | 22.58 | 18.39 | 24.31 | 
| 8 | 13.00 | 20.85 | 22.29 | 18.67 | 24.44 | 
| 9 | 12.70 | 20.38 | 22.21 | 17.89 | 24.05 | 
| 10 | 13.36 | 20.92 | 22.95 | 18.53 | 25.17 | 
| 11 | 11.97 | 19.46 | 21.57 | 17.32 | 24.20 | 
| 12 | 12.13 | 19.31 | 21.55 | 17.40 | 24.11 | 
| 13 | 12.98 | 19.90 | 22.13 | 18.02 | 24.71 | 
| 14 | 13.70 | 20.32 | 22.59 | 18.66 | 25.16 | 
| Disclaimer/Publisher’s Note: The statements, opinions and data contained in all publications are solely those of the individual author(s) and contributor(s) and not of MDPI and/or the editor(s). MDPI and/or the editor(s) disclaim responsibility for any injury to people or property resulting from any ideas, methods, instructions or products referred to in the content. | 
© 2024 by the authors. Licensee MDPI, Basel, Switzerland. This article is an open access article distributed under the terms and conditions of the Creative Commons Attribution (CC BY) license (https://creativecommons.org/licenses/by/4.0/).
Share and Cite
Zhu, X.; Yao, S.; Deng, M.; Zhang, J.; Gao, Y. The Multi-Frame Imaging Detection of Ultrasonic Guided Waves in Welded Structural Plates Based on Arc Sparse Array with Left Rank. Appl. Sci. 2024, 14, 8981. https://doi.org/10.3390/app14198981
Zhu X, Yao S, Deng M, Zhang J, Gao Y. The Multi-Frame Imaging Detection of Ultrasonic Guided Waves in Welded Structural Plates Based on Arc Sparse Array with Left Rank. Applied Sciences. 2024; 14(19):8981. https://doi.org/10.3390/app14198981
Chicago/Turabian StyleZhu, Xinjie, Sen Yao, Mingxi Deng, Jie Zhang, and Yan Gao. 2024. "The Multi-Frame Imaging Detection of Ultrasonic Guided Waves in Welded Structural Plates Based on Arc Sparse Array with Left Rank" Applied Sciences 14, no. 19: 8981. https://doi.org/10.3390/app14198981
APA StyleZhu, X., Yao, S., Deng, M., Zhang, J., & Gao, Y. (2024). The Multi-Frame Imaging Detection of Ultrasonic Guided Waves in Welded Structural Plates Based on Arc Sparse Array with Left Rank. Applied Sciences, 14(19), 8981. https://doi.org/10.3390/app14198981
 
        


 
       