Abstract
The exhibition “The Ladies of Art”, held at the Palazzo Reale in Milan in 2021, focused on the history of women artists during the 16th and 17th centuries. As part of the exhibition, a series of diagnostic analyses have been carried out on two paintings, thanks to the collaboration of several research institutions. The considered artworks consist of two paintings on parchments, realized by Giovanna Garzoni at the Savoy Court in the 17th century. Diagnostic analyses were performed using different, complementary, and non-invasive techniques: high-resolution multiband imaging, hyperspectral imaging, optical microscopy, X-ray fluorescence, and FORS spectrometry, combined with advanced post-processing techniques, in order to map and distinguish the pigments and the underdrawing of both the paintings. This research is the first conducted on these paintings and one of the few on the entire works of this important miniaturist. The results showed an incredibly meticulous painting technique, with a detailed metal point underdrawing and painstaking brushstrokes to describe the details with a high degree of realism. Precious materials, such as gold and lapislazuli, were identified and mapped. The findings of this work represent a new contribution of knowledge, which helps to lessen the lack of information for systematic studies on the artistic production of G. Garzoni.
1. Introduction
In the Duchy of Savoy, a country existed from 1416 to 1847 in what is now Piedmont in Italy, the portraiture of the royal house family represented a major interest in figurative production for both the symbolic value and the unique opportunity to share images remotely. It was heavily influenced by the Versailles Court and Turin, the capital of the Duchy, continuously interested in measuring up with the other European major cities. Between the end of the 16th century and the beginning of 17th century, the Savoy Court preferred to choose Flemish artists, who distinguished themselves for their mastery in representing details and reality; some of these painters were able to realize incredible miniatures inserted in rare jewels. A new lease of artistic production was brought by Christine of France, spouse of Victor Amadeus I, future Duke of Savoy, who attracted several innovative international portraitists, such as Ferdinand Elle and Filiberto Torret. In this particular period, Giovanna Garzoni arrived in Turin, strongly requested by Christine [1,2,3], who impatiently anticipated her travel expenses from Rome to Turin. Starting from 1633, Giovanna Garzoni officially became a salaried artist at the Court of Savoy with a specific task: working at the exclusive service of Catherine [4]. Considering the five years spent in the Savoy capital, the information about her artistic production are still incomplete, with too little traces about the paintings she realized. This gave rise to the diagnostic campaign here proposed and was conducted on two paintings on the parchment of Giovanna Garzoni: one depicting the portrait of Emanuele Filiberto Duke of Savoy between 1553 and 1580 and the other of his son, Carlo Emanuele I Dukes of Savoy, in the succeeding fifty years until 1630. These paintings were part of the 130 paintings put on display during the exhibition “Le Signore dell’Arte” (The Ladies of Art) at the Palazzo Reale in Milan, where the history of women artists during the sixteenth and seventeenth centuries was told, a period in which women’s presence in the arts was becoming increasingly significant [5].
A series of diagnostic analyses was carried out prior the exhibition, in collaboration with the Galleria Sabauda owner of the artworks by a partnership of the University of Milan, the Centro Conservazione e Restauro La Venaria Reale, Fondazione Bracco, and the innovative spin-off of Scuola Universitaria Superiore (IUSS) from Pavia—DeepTrace Technologies.
The principal aim of this research was the non-invasive characterization of the painting materials of G. Garzoni to support art-historian experts with technical information of the painting technique of G. Garzoni, but also conservators for guiding their future intervention in the painting. This is in fact the first research conducted on the two considered paintings and one the few on the entire works of this important miniaturist.
The material for painting on, the parchment, denotes a precise choice in response to the aesthetic request of a support able to permit a detailed and minute painting, allowing the highest degree of realism, with the aim of representing subject matter truthfully, but there is still a lack of systematic studies of the painting technique on parchment, particularly for G. Garzoni. A rich scientific examination was thus performed to map painting materials using the following non-invasive diagnostic techniques: high-resolution multiband imaging in UV, visible, and infrared spectra, hyperspectral imaging in the visible spectra, optical microscopy in the visible spectra, X-ray fluorescence (XRF), and fiber optics reflectance spectrometry (FORS), combined with advanced post-processing techniques. The multi-technique approach is, indeed, considered the state-of-the-art for the scientific investigation of cultural heritage. It allows for exploiting the complementarity of the results of different analyses, so that an extended knowledge of the artwork can be inferred [6,7,8,9]. Considering the great material variability of an artwork and the importance of data complementarity, it is mandatory to carry out point analyses with different techniques on the same points and collect multiband images and/or hyperspectral cubes to combine different information [10,11,12].
The results of this research also had the added value of being part of the same exhibition, allowing visitors to know the hidden characteristics of the portraits and their materials through adequate communication, in full respect of the work and the scientific study conducted.
2. Materials and Methods
2.1. The Paintings
The practice of drawing and painting on parchment was the most important and enduring choice before the advent of paper. Even after, various artists, mostly Lombard and Venetian, made use of parchment up to the first half of the fifteenth century, such as G. de’ Grassi, M. da Besozzo, B. Bembo, J. Bellini, and Pisanello [13]. During the Renaissance, this material was progressively abandoned, in favor of other materials, returning to interest between the end of the sixteenth century and the beginning of the seventeenth century for the production of miniatures with small portraits, animal studies, botanical plates, and other illustrations with a high scientific accuracy [14]. In the 17th century, paintings on parchments became something completely different than those used before (such as illustrations or decorations in books), thus acquiring a totally different identity and experimenting with new techniques never used before, in the search of particular effects. Considering the painting of G. Garzoni [15], it is possible to note the level of artistic skill, as a result of a complex experimentation, since her paintings are well-preserved, although the animal skin is not the best support for receiving painting layers. These were usually applied with a peculiar technique, based on fine and precise brushstrokes, using either a hatching or dotting method that is well-represented by the microscopic images in Section 3.3.
The two analyzed portraits (Figure 1) belong to the collection of the Galleria Sabauda and represent the portrait of Emanuele Filiberto (tempera on parchment, 43 × 33 cm, inv. 1966, 5206) and Carlo Emanuele I (tempera on parchment, 43 cm × 33 cm, inv. 1966, 5246), as realized by G. Garzoni, and signed in the bottom left by the artist (Giovanna Garzoni f.), some years after the death of the portrayed subjects. The painter had different models available to look up to her portraits: for Emanuele Filiberto, she could either be inspired by the Argenta portraits or the crayons production and miniature part of the Duchy collections [3]. For Carlo Emanuele I, she was surely inspired by the images by the Flemish painter Giovanni Caracca.
Figure 1.
Portraits of Carlo Emanuele I on the left, and Emanuele Filiberto, on the right.
2.2. The Scientific Analyses
The paintings shown in Figure 1 were analyzed non-invasively and in situ at the Galleria Sabauda (Turin) just before the loan for the exhibition. Since this work was aimed to give scholars as much information as possible on the painting technique and painting materials used by the artist, a protocol including different physical and analytical techniques was performed as a consolidated methodology applied in other paintings of the same period [16,17,18]. Starting with multiband high-resolution imaging techniques (UV, Vis, NIR, SWIR), hyperspectral imaging (Vis-IR) and optical microscopy (Vis) moving on to study pictorial materials with ED-XRF (energy dispersive X-ray fluorescence) and FORS (fiber optics reflectance spectroscopy). Furthermore, hyperspectral images were processed using supervised classification algorithms such as Spectra Angle Mapper (SAM) by means of end-members selected using reference reflectance spectral data as detailed in Section 2.2.4.
2.2.1. High-Resolution Multiband Imaging
The photographic system used was the Phase One XF with a modified IQ3 digital back (Trichromatic, 100 MP), with an extended spectral sensitivity ranging from 350 to 1000 nm and a Schneider Kreuznach 120 mm LS f/4.0 macro lens. The selection of the different spectral bands was made using different filters and light sources to choose the appropriate wavelength range for the investigations. In each of the considered bands, four images were acquired for each painting at a distance of 45 cm and merged to achieve a final image with spatial resolution of 50 px/mm. A scheme of the considered bands is shown in Figure 2, and it is detailed as follows.
Figure 2.
Portrait of Carlo Emanuele I, sequence of multiband imaging in the visible (Vis), reflected ultraviolet (UVR), ultraviolet false color (UVFC), UV-induced visible fluorescence (UVIF), false color infrared (IRFC), infrared between 850 and 1000 nm (NIR), and infrared between 1000 and 1700 nm (SWIR).
- Visible-reflected (Vis) Image: Two halogen lamps were used for the lighting (Dedolight DLHM4-300, dimmable 150 W with light condenser to reduce surface heating), and a UV-IR cut filter was used mounted on the lens of the camera.
- Ultraviolet-reflected (UVR) Image: Two 3 W 365 nm LED lights were used in a completely darkened room, combined with a 380 nm short-pass filter mounted on the camera lens to acquire the UV reflected by the painting surface.
- Ultraviolet false color (UVFC) Image: Vis and UVR image were combined using the blue and green channel of the Vis image, shifted, respectively, to the green and red channels of the UVFC image, and the UVR image was substituted in the blue channel.
- Ultraviolet-induced fluorescence (UVIF): Two 3 W 365 nm LED lights were used in a completely darkened room combined with a 418 nm long-pass filter mounted on the camera lens to acquire the Vis fluorescence emitted by the painting surface.
- Infrared false color (IRFC) Image: Vis and NIR image were combined using the green and red channel of the Vis image, shifted, respectively, to the blue and green channel of the IRFC image, and the NIR image was substituted in the red channel.
- Near infrared (NIR) reflectography: Two halogen lamps were used for the lighting (Dedolight DLHM4-300, with light condenser to reduce surface heating), combined with a 850 nm long pass filter mounted on the lens of the camera.
- ShortWave infrared (SWIR) reflectography: A spherical scanning system [19,20] was used as in previous scientific campaign [16,17,18], it is based on an InGaAs camera (Xenics Xeva 1.7-640, 640 × 512 elements, spectral sensitivity: 1000–1700 nm) mounted on a spherical motorized head, with a linear stage for the refocusing. A total of 360 images for each painting were acquired and merged to obtain a final image with a spatial resolution of 50 px/mm. Two halogen lamps were used for the lighting (Dedolight DLHM4-300, with light condenser to reduce surface heating).
- Visible microscopic imaging: A digital optical microscope AM4013MZ with polarizing filter (5 MP, 50× and 220× magnification) was used to obtain microscopy images in the visible range. This section may be divided by subheadings. It should provide a concise and precise description of the experimental results, their interpretation, and the experimental conclusions that can be drawn.
2.2.2. Hyperspectral Imaging
Hyperspectral imaging was performed using a Specim IQ spectral camera in the 400–1000 nm range. It employs the push broom method [21,22] measurements of a scene made by scanning line-by-line across a spectral range of 400–1000 nm, thereby capturing the spectral information for each line of the scene across that spectral range. Across that spectral range, there are 204 binnable bands, partially overlapping, at 7 nm resolution. It can produce a square image of 512 × 512 px, each 17.58 μm × 17.58 μm in size. Two halogen lamps were used for the lighting (dimmable 150 W, with a light condenser to reduce surface heating).
2.2.3. Spectroscopic Techniques
- Micro X-ray fluorescence spectroscopy (XRF): Considered the specific object to investigate, with fine brush strokes, a micro-EDXRF Bruker ARTAX 200 spectrometer was used, combined with a “fine focus” Mo target X-ray tube, ADC with 4096 channels, able to analyze an area with a variable radius ranging between 0.65 and 1.5 mm; the tube voltage and the anode current of the tube were fixed, respectively, to 30 kV and 1300 mA, and the acquisition time was 60 s, while the acquisition window was 0–25 keV.
- Fiber optic reflectance spectrophotometry (FORS): A portable Vis-NIR spectrophotometer (HR2000 + ES, Ocean Optics Dunedin, FL, USA) was used for FORS analysis, 360–1100 nm, 2.5 nm spectral resolution with a 2 × 45°/0° geometry of measurement using a reflectance probe holder (RPH-2, Ocean Optics). The spectrophotometer was connected to a tungsten halogen light source (D65, HL2000-FHSA, Ocean Optics): light is transmitted through a quartz fiber optics bundle 1.5-m-long (Ocean Opticts, 400 μm core). The spectrometer was connected to a laptop and calibrated using white reflectance standard (Spectralon® 99% and a dark-trap reference). Visible-NIR reflectance spectrum from 350 nm to 1000 nm was recorded for each sample.
2.2.4. Image Post-Processing
Data analysis method applied to the hyperspectral imaging data H(x, y, λ) allowed us to take into account the similarity of each hyper spectrum with the other ones by means of supervised classification procedures, namely the spectral angle mapper (SAM) [11,23]. The end-members of spectra were chosen by referring to spectroscopic data; the result was a stack of images, I(x, y, α), where the value of each pixel represents the angle, α, between the spectrum identified by (x, y) and the end member.
Additionally, to extract the underdrawing, an image post-processing filter was applied. Local contrast enhancement, mask binarization, and morphological selection of the drawing features allowed for the extraction of most of the underdrawings’ traits [24], thanks to the grey levels of the SWIR images.
3. Results and Discussion
As a result of the particular state of preservation consisting of the time of the analyses in an unmounted parchment, to be handled with particular attention, the portrait of Carlo Emanuele I was analyzed with both imaging and spectroscopic techniques, while the portrait of Emanuele Filiberto was analyzed with only imaging techniques because of the limited time of the XRF and FORS investigations. FORS and XRF analyses were performed on selected specific points, chosen according to the preliminary results of the imaging techniques. The investigated areas were located on the region of the face and the gorget of the duke, as well as on the region of the medallion of the Santissima Annunziata worn by the duke. The analysis allowed us to identify the use of specific pigments and pigment mixtures for the painting realization and also to map their distribution on the parchment.
3.1. Parchment Preparation
Calcium was detected in all the considered areas, even in the darkest backgrounds, indicating a specific method of parchment preparation (Table 1). This method consisted of rubbing over the skin using chalk powder, rather than clay, pumice powder or powdered bone, to fill the pores to remove grease and allow for the following underdrawing and brushstrokes to be adsorbed and adhere to the skin [13].
Table 1.
Overview of the pigments recognized in the considered painting (see Figure 3 for the collocation of measure points).
Table 1.
Overview of the pigments recognized in the considered painting (see Figure 3 for the collocation of measure points).
| Spots | Color | Description | Pigments from the Synergy of Spectroscopic Techniques |
|---|---|---|---|
| Portrait of Carlo Emanuele I | |||
| 1 | Flesh | Face, Cheekbone | Calcium-based white pigment, cinnabar, red ochre |
| 2, 5 | Brown | Hair, Eyebrows, Beard | Calcium-based white pigment, umber earth, ochres |
| 3 | Light blue | Eyes | Lapis lazuli, calcium carbonate |
| 4 | Reddish | Vein and profile of the eye | Cinnabar |
| 6, 7 | Red | Lips | Calcium carbonate, cinnabar, red ochre |
| 8 | White/Light Grey | Ruff | Calcium carbonate |
| 9 | Blue | Armor decorations | Lapis lazuli and lead white on silver |
| 10 | Gold | Armor decorations | Gold |
| 19 | Grey/Black | Dark parchment background | Carbon-based black |
| 20 | White | Point of light and sclera eyes | Calcium carbonate |
| Spots on the Pendant with the Santissima Annunziata | |||
| 11 | Gold | Pendant frame | Gold |
| 12 | White | Dove | Lead white |
| 13 | Red | Robe | Red ochre, lead white |
| 14 | Purple | Robe | Red ochre, madder lake, lead white |
| 15, 16 | Blue, Light blue | Robes | Lapislazuli, lead white |
| 17, 18 | Green | Tent | Green earth, lead white |
Figure 3.
Portrait of Carlo Emanuele I (left) and the detail of the Pendant with the Santissima Annunziata (right), with the collocation of the measure points.
Figure 3.
Portrait of Carlo Emanuele I (left) and the detail of the Pendant with the Santissima Annunziata (right), with the collocation of the measure points.

3.2. Underdrawing
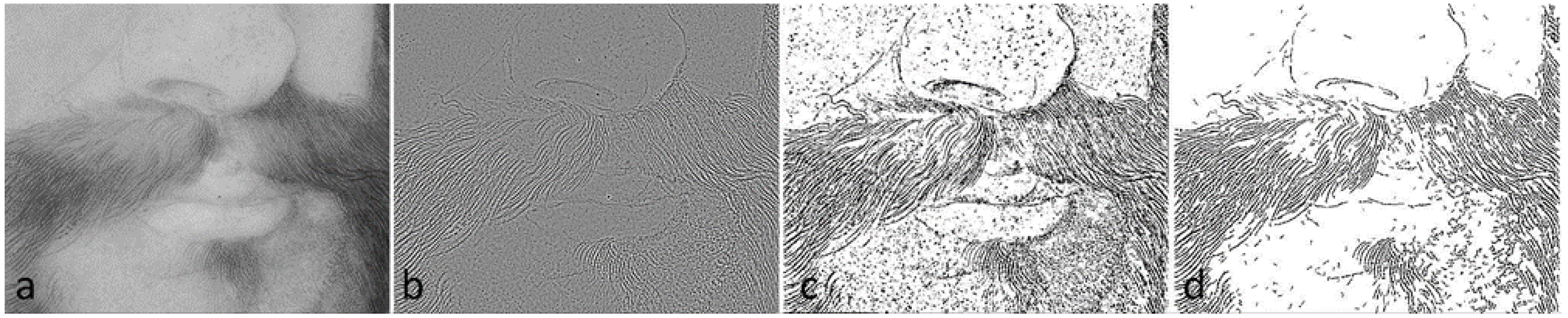
The infrared reflectography highlighted an extraordinary underdrawing made using a metal point. By analyzing the NIR and SWIR reflectography, it is, in fact, possible to note a continuous greyish line, without interruptions or irregularities and metal points that respond to this characteristic, added to by the fact that it is the most suitable material for working on a rigid support, such as parchment. Figure 4a shows a detail of the SWIR image, in correspondence to the lips and the nose of Carlo Emanuele I, where the underdrawing is particularly evident. In the portrait of Emanuele Filiberto, it is also possible to note the lines of the underdrawing that define the eyes, nose, mouth, and face profile that Garzoni realized with a freehand drawing. By comparing this with the underdrawing found in Carlo Emanuele I, it is interesting to note the use of similar material, a metal point, and technique, freehand. Analyzing, in detail, the part of the right ear (Figure 4b–d), we notice a more descriptive stroke in defining the anatomy of this part (Figure 4b), somehow more detailed and more than an outlining in the Portrait of Carlo Emanuele I (Figure 4c). In some parts, where the colored brushstrokes are sparser, the drawing is also observable in the visible, but only in macro and micro photographs (Figure 4d). The fine and faint detailed underdrawing is also particularly visible in the detail of the eye of Carlo Emanuele I (Figure S1).
Figure 4.
(a): SWIR image of the Portrait of Carlo Emanuele I where it is well-evident that the underdrawing was made with a metal point. Comparison of underdrawings, in correspondence of the right ear, of the portrait of (b) Emanuele Filiberto and (c) Carlo Emanuele I and (d) the enlarged detail of the highlighted rectangle in (c), with a microscopic image showing the visible trace of the metal point underdrawing emerging under the dotted brushstrokes.
To help in the visualization of the underdrawing, a post-processing algorithm was applied. The SWIR images were processed to enhance the contrast between underdrawing and background, and the underdrawing lines were extracted. The results are shown in Figure 5, with the sequence of the elaborations applied. This was made trying to distinguish the first preparatory stage where the metal point drawing was traced from the final stage where pigments were applied.
Figure 5.
Pipeline of the elaboration for the underdrawing extraction: (a) SWIR image, (b) local contrast enhancement, (c) binary mask with ad-hoc parameters, (d) binary images filtered on the basis of spatial features (dimension and circularity of pixels), where the underdrawing is highlighted.
Another interesting detail is placed in correspondence with the armor, near the neck of Emanuele Filiberto (Figure S2), where the underdrawing is visible under the golden decorations. This result also demonstrates the presence of a detailed underdrawing in areas different from the face. In the case of the armor, considering the geometrical pattern reproduced, the artist used a precise underdrawing as a reference to add and paint the golden and black decorations.
The IR image of the pendant with the image of the Santissima Annunziata deserves a separate discourse; it shows, in fact, a minute and detailed underdrawing, realized using a brush and carbon-based ink (Figure S3), thus different than the metal point used in the rest of the parchment. The different techniques reveal the need for an additional step of preciseness in the use of black ink to define contours, drapery, and face expressions, all made in the space of a few centimeters, typical of a miniaturist painter.
3.3. Paint Layers
Microscopic imaging of the painting is particularly able to represent the peculiar technique of paintings consisting of precise brushstrokes using either a hatching or dotting method. Figure 6 shows the composition of the detail of the right eye of Carlo Emanuele I, where the separate individual dots of colors are well-represented with different magnification: blue dots made of lapis lazuli for the iris, red ochre for the skin, and vermilion for the lacrimal caruncle. The IRFC images offer a first representation of the differently used pictorial materials, successively confirmed and detailed through spectroscopic and hyperspectral imaging. The blue of the iris is rendered with a red false color, which corresponds to the precious pigment lapislazuli, while the vermilion appears yellow in false color.
Figure 6.
Detail of the right eye of Carlo Emanuele I: microscopic images at different magnifications (50× and 220×).
Figure 7a shows the map of the analyzed points by means of FORS and XRF on the Carlo Emanuele I portraits, and Figure 7c shows the pigment distribution map obtained by applying the SAM algorithm to the hyperspectral image in Vis/NIR and for comparison with the results of the FORS analysis. For each point and region, the table reports the identification of pigments and pigment mixtures made by cross-referencing data from the different surveys [25,26]. The qualitative, but immediate, representation through the pseudo-colors mapping made by hyperspectral imaging was analytically improved with the combination of point spectroscopies, extending the local materials characterization to the entire painting surface.
Figure 7.
Portrait of Carlo Emanuele I: (a) map of analyzed point using FORS and XRF spectroscopy, (b) result of the SAM algorithm to map similar pigments and pigments mixtures represented in pseudo-colors, (c) SAM mapping of Emanuele Filiberto for materials comparison.
With the aim of studying the artist’s painting technique, including other artworks, it is interesting to compare the materials in the portrait of Carlo Emanuele I with those found in the portrait of Emanuele Filiberto. Thanks to the SAM mapping represented in Figure 7c, it is possible to confirm a similar execution technique and the comparable pigments used in the realization of the two paintings: calcium-based white pigment for the realization of the ruffs, ochre and vermilion for the reds and skin, and the use of lapis lazuli and gold for the armor. Only the mapping of the skin tones in the portrait of Emanuele Filiberto shows a greater use of vermilion, used in some regions of the face to define a greater chromatic richness of tones and shadows.
Dark areas in the background resulted in being made with carbon-based or other organic materials, since no significant element was found in XRF, and the low reflectance caused no detectable FORS information. The skin tones of Carlo Emanuele I indicate the presence of vermilion and ochre, in different concentrations, mixed with lead white in the highlights. The brown tones of the beard and hair are made with burnt earth, while the blue eyes are painted with small dots of brush with lapis lazuli. The pigments used for the armor and for the golden decorations reveal the use of precious materials, such as lapis lazuli, silver, and gold, the latter in the form of shell gold, resulting from microscope image (Figure S4). Considering the pendant of the Santissima Annunziata, the symbol of the highest honor of the House of Savoy, despite the small size, a rich palette emerges on this detail (Figure 8a): gold for the frame and the halos, lead white for the dove, ochres and red lake for the Virgin’s cloak, lapis lazuli and lead white for the angel’s dress, lapis lazuli for the Virgin’s mantle, and green earth for the curtain in the background, with the addition of lead white in some regions to desaturate the color. This result can be compared with the pendant in the Emanuele Filiberto portrait, as well, where the similar use of precious materials, such as gold and lapis lazuli, the latter in both cases, added to lead white to obtain the lighter blue of the angel’s dress (Figure 8b), and all reported in the top right figure. Another comparison was similarly performed for the detail of the Santissima Annunziata pendant by means of SAM analysis of the hyperspectral images: the use of precious materials, such as gold and lapis lazuli, was similar, the latter in both cases was added to lead white to obtain the lighter blue of the angel’s dress (Figure 8c).
Figure 8.
Pendant of the Santissima Annunziata for the Portrait of Carlo Emanuele I: (a) map of analyzed points using FORS and XRF spectroscopy, (b) result of the SAM algorithm to map similar pigments and pigments mixtures represented in pseudo-colors; (c) comparison of pigments distribution with the pendant in the portrait of Emanuele Filiberto.
3.4. Varnish and Upper Pigment Layers
Although the varnish composition was not investigated, UV radiation (365 nm) was used to help the visualization of the state of the preservation of the present varnish and in the confirmation of some pigments identified through XRF and FORS. UV was used to acquire both visible fluorescence (UVIF) and reflected UV (UVR) images. For both, the two considered paintings in UVIF highlighted an excellent state of preservation, with limited retouching interventions (Figure 9). These results cannot be taken for granted, since parchment, among the most fragile and perishable materials, is often particularly subject to thermo-hygrometric, radiative, and mechanical stress. Figure 9 shows the results of UVIF and UVIF for the detail in correspondence of the eye of Carlo Emanuele I. The additional use of the reflected UV allows us to extend the visualization of retouching in areas with low fluorescence.
Figure 9.
Comparison of images acquired using UV radiation. Induced fluorescence information, mainly retouching areas, are completed by those emerging by using reflected UV.
UVR is also able to show the presence of pigments containing hematite, due to the typical absorbance in the UV region that, at the same time, exhibits an enhanced transparency in the NIR–SWIR region. Other details are shown in Figure 10, at the top in the visible, and it is possible to see similar decorative lines, indicated with the green and red arrows. These lines are also similar in UVR, but in the NIR, it is possible to distinguish two different pigments: in correspondence of the green arrow, there is an ochre-based pigment that is dark in visible, but lighter in the NIR, while in correspondence of the red arrow, there is a carbon-based material that is dark in all the three bands. The same analysis applies for the letters on the collar: letters and shadows invert their response passing from Vis/IR to UVR (Figure 10 bottom).
Figure 10.
Comparison of pigments by means of UV-reflected and NIR-reflected. Hematite highlighted with red arrow and carbon-based pigments highlighted with green arrow were used for the decorations, letters, and the shadows on the collar: both absorb UV radiation while hematite is transparent in the NIR band.
The multiband high-resolution images of the pendant with the Santissima Annunziata (Figure 11), are able to preliminary map previous restorations and pigment materials by using UV and IR wavelengths combined to the visible band, as described in Section 2.2.1 and resulting in the UVFC and IRFC images. After verifying the limited presence of restoration interventions, we can differentiate pigments, such as the lapis lazuli in the Virgin’s mantle, which is red in IRFC and become greenish in UVFC. The red of the vest of the Virgin showed an orange-colored fluorescence in UVIF typical of the red lake, while the red architecture in the background appeared in IRFC, with a yellowish coloration for the vermilion. Green earth conserves a green coloration in the IRFC, while red ochre in the golden decorated contour of the medal is violet in UVFC.
Figure 11.
Multiband imaging sequence of the pendant with the image of the Santissima Annunziata.
4. Conclusions
The exhibition “The Ladies of Art” was a great opportunity to study two important and peculiar paintings made by G. Garzoni, one of the most famous miniaturists of the seventeenth-century, during her artistic production in the service of the Savoy Court in Turin. A comprehensive scientific campaign was performed strictly in contact with art historians, restorers, and curators, and the results have further enriched the relatively poor knowledge of the scientific information of this important artist. The different techniques were brought out, each with their own abilities, different characteristics of the painting technique. The parchment was chosen for its ability to support and enhance the amount of fine detail, achieving a high degree of realism, as requested by the commissioners. Imaging techniques allowed us to find the precise underdrawing made with a metal point, which is present together with an even more detailed and meticulous underdrawing made with brush and carbon black ink for the smallest details, such those in the pendant. The pigments were applied in separate brushstrokes, separating colors into individual and small dots and strokes of pigments, which were not visible, except at close range. Spectroscopic techniques allowed us to define the palette used in the portraits, finding, among others, precious materials, such as gold, silver, and lapislazuli. Pigments were finally mapped, thanks to successful combination of point spectroscopies with hyperspectral mapping and SAM post-processing, allowing us to extend the local materials characterization to the entire painting surface. An excerpt of the results was also included in the exhibition catalogue with popular intent, linking the scientific investigation to the painting to add particular interest to the exhibition for a wider audience.
Supplementary Materials
The following supporting information can be downloaded at: https://www.mdpi.com/article/10.3390/app13052790/s1, Figure S1: SWIR detail of the eye of Carlo Emanuele I where it is possible to view the metal point under-drawing presumably drawn freehand; Figure S2: Portrait of Emanuele Filiberto, detail in visible light (left) and infrared reflectography (SWIR) (right) of the golden decorations in the neck of the armour; Figure S3: NIR high resolution detail of Annunziata medallion in the portrait of Carlo Emanuele I where is possible to appreciate the thin brushstrokes, with carbon-based ink, used for the underdrawing of the contours, drapery and other details of the two figures, the Virgin on the left and the Archangel Gabriel on the right; Figure S4: Microscope image of the golden part in the Pendant of Figure 10 where is evident the use of shell gold.
Author Contributions
Conceptualization, M.G., T.C. and I.C.; methodology, M.G., T.C. and M.I.; software, M.G., M.I. and C.S.; validation, I.C., N.L. and C.S.; formal analysis, M.G., T.C. and M.I.; investigation, M.G., T.C. and M.I.; resources, N.L. and I.C.; data curation, M.G., T.C. and M.I.; writing—original draft preparation, M.G., M.I. and T.C.; writing—review and editing, M.G., M.I., T.C., I.C., C.S. and N.L.; visualization, M.G. and M.I.; supervision, I.C.; funding acquisition, I.C. All authors have read and agreed to the published version of the manuscript.
Funding
The project was funded by Bracco Foundation.
Institutional Review Board Statement
Not applicable.
Informed Consent Statement
Not applicable.
Data Availability Statement
Not applicable.
Acknowledgments
The authors wish to thank Anna Maria Bava of the Galleria Sabauda, Musei Reali of Turin, for her support, collaboration, and assistance in the diagnostic campaign.
Conflicts of Interest
The authors declare no conflict of interest.
References
- Baudi di Vesme, A. Schede Vesme. L’Arte in Piemonte dal XVI al XVIII Secolo; Piedmontese Society of Archeology and Fine Arts: Turin, Italy, 1963; p. 1968. [Google Scholar]
- Viale, V. Mostra del Barocco Piemontese: Pittura, Scultura Arazzi; Città di Torino: Torino, Italy, 1963; Volume 2. [Google Scholar]
- Astrua, P.; Kraeck, J.; Galleria, S. (Eds.) “Il Nostro Pittore Fiamengo”: Giovanni Caracca Alla Corte Dei Savoia (1568–1607); [Galleria Sabauda, Torino, 21 Settembre 2005–8 Gennaio 2006]; Allemandi: Torino, Italy, 2005; ISBN 978-88-422-1371-0. [Google Scholar]
- Bava, A.M.; Goria, C. Artists Working for the House of Savoy in the Seventeenth Century. In The Court Artist in Seventeenth-Century Italy; Fumagalli, E., Morselli, R., Eds.; Viella: Roma, Italy, 2014. [Google Scholar]
- Bava, A.; Mori, G.; Tapiè, A. The Ladies of Art: Stories of Women in the 16th and 17th Centuries; Thames & Hudson: London, UK, 2022; ISBN 978-88-572-4682-6. [Google Scholar]
- Saladino, M.L.; Ridolfi, S.; Carocci, I.; Martino, D.C.; Lombardo, R.; Spinella, A.; Traina, G.; Caponetti, E. A multi-analytical non-invasive and micro-invasive approach to canvas oil paintings. General considerations from a specific case. Microchem. J. 2017, 133, 607–613. [Google Scholar] [CrossRef]
- Cavaleri, T.; Legnaioli, S.; Lozar, F.; Comina, C.; Poole, F.; Pelosi, C.; Spoladore, A.; Castelli, D.; Palleschi, V. A Multi-Analytical Study of an Ancient Egyptian Limestone Stele for Knowledge and Conservation Purposes: Recovering Hieroglyphs and Figurative Details by Image Analysis. Heritage 2021, 4, 1193–1207. [Google Scholar] [CrossRef]
- Cavaleri, T.; Pelosi, C.; Giustetto, R.; Andreotti, A.; Bonaduce, I.; Calabrò, G.; Caliri, C.; Colantonio, C.; Manchinu, P.; Legnaioli, S.; et al. The northern-Italy Renaissance in a panel by Defendente Ferrari: A complete study with a multi-analytical investigation. J. Archaeol. Sci. Rep. 2022, 46, 103669. [Google Scholar] [CrossRef]
- Cavaleri, T.; Buscaglia, P.; Caliri, C.; Ferraris, E.; Nervo, M.; Romano, F.P. Below the surface of the coffin lid of Neskhonsuennekhy in the Museo Egizio collection. X-Ray Spectrom. 2021, 50, 279–292. [Google Scholar] [CrossRef]
- Gabrieli, F.; Delaney, J.K.; Erdmann, R.G.; Gonzalez, V.; van Loon, A.; Smulders, P.; Berkeveld, R.; van Langh, R.; Keune, K. Reflectance Imaging Spectroscopy (RIS) for Operation Night Watch: Challenges and Achievements of Imaging Rembrandt’s Masterpiece in the Glass Chamber at the Rijksmuseum. Sensors 2021, 21, 6855. [Google Scholar] [CrossRef] [PubMed]
- Cucci, C.; Delaney, J.K.; Picollo, M. Reflectance Hyperspectral Imaging for Investigation of Works of Art: Old Master Paintings and Illuminated Manuscripts. Acc. Chem. Res. 2016, 49, 2070–2079. [Google Scholar] [CrossRef] [PubMed]
- MacDonald, L.W.; Vitorino, T.; Picollo, M.; Pillay, R.; Obarzanowski, M.; Sobczyk, J.; Nascimento, S.; Linhares, J. Assessment of multispectral and hyperspectral imaging systems for digitisation of a Russian icon. Herit. Sci. 2017, 5, 41. [Google Scholar] [CrossRef]
- Montalbano, L.; Piccolo, M.; Vaccari, M.G. Painting on parchment besides miniatures: Scientific analyses and a study of the artistic techniques of Giovannino de’ Grassi’s model book. Stud. Conserv. 1998, 43, 55–58. [Google Scholar] [CrossRef]
- Baldinucci, F. Vocabolario Toscano dell’arte del Disegno; Per Santi Franchi: Firenze, Italy, 1681. [Google Scholar]
- Casale, G.; Garzoni, G. Giovanna Garzoni: “Insigne Miniatrice”, 1600–1670; Jandi Sapi: Milan, Italy, 1991; ISBN 978-88-7142-011-0. [Google Scholar]
- Gargano, M.; Galli, A.; Bonizzoni, L.; Alberti, R.; Aresi, N.; Caccia, M.; Castiglioni, I.; Interlenghi, M.; Salvatore, C.; Ludwig, N.; et al. The Giotto’s workshop in the XXI century: Looking inside the “God the Father with Angels” gable. J. Cult. Herit. 2019, 36, 255–263. [Google Scholar] [CrossRef]
- Gargano, M.; Bonizzoni, L.; Grifoni, E.; Melada, J.; Guglielmi, V.; Bruni, S.; Ludwig, N. Multi-analytical investigation of panel, pigments and varnish of The Martyirdom of St. Catherine by Gaudenzio Ferrari (16th century). J. Cult. Herit. 2020, 46, 289–297. [Google Scholar] [CrossRef]
- Galli, A.; Gargano, M.; Bonizzoni, L.; Bruni, S.; Interlenghi, M.; Longoni, M.; Passaretti, A.; Caccia, M.; Salvatore, C.; Castiglioni, I.; et al. Imaging and spectroscopic data combined to disclose the painting techniques and materials in the fifteenth century Leonardo atelier in Milan. Dye. Pigment. 2021, 187, 109112. [Google Scholar] [CrossRef]
- Gargano, M.; Ludwig, N.; Poldi, G. A new methodology for comparing IR reflectographic systems. Infrared Phys. Technol. 2007, 49, 249–253. [Google Scholar] [CrossRef]
- Gargano, M.; Cavaliere, F.; Viganò, D.; Galli, A.; Ludwig, N. A new spherical scanning system for infrared reflectography of paintings. Infrared Phys. Technol. 2017, 81, 128–136. [Google Scholar] [CrossRef]
- Gupta, R.; Hartley, R.I. Linear pushbroom cameras. IEEE Trans. Pattern Anal. Mach. Intell. 1997, 19, 963–975. [Google Scholar] [CrossRef]
- Striova, J.; Dal Fovo, A.; Fontana, R. Reflectance imaging spectroscopy in heritagescience. Riv. Nuovo Cim. 2020, 43, 515–566. [Google Scholar] [CrossRef]
- Pelagotti, A.; Mastio, A.; Rosa, A.; Piva, A. Multispectral imaging of paintings. IEEE Signal Process. Mag. 2008, 25, 27–36. [Google Scholar] [CrossRef]
- Abràmoff, M.D.; Magalhães, P.J.; Ram, S.J. Image processing with ImageJ. Biophotonics Int. 2004, 11, 36–42. [Google Scholar]
- Cavaleri, T.; Buscaglia, P.; Migliorini, S.; Nervo, M.; Piccablotto, G.; Piccirillo, A.; Pisani, M.; Puglisi, D.; Vaudan, D.; Zucco, M. Pictorial materials database: 1200 combinations of pigments, dyes, binders and varnishes designed as a tool for heritage science and conservation. Appl. Phys. A 2017, 123, 419. [Google Scholar] [CrossRef]
- Aldrovandi, A.; Casini, A.; Altamura, M.L.; Cianfanelli, M.T.; Riitano, P.; Cagnini, A.; Galeotti, M.; Picollo, M.; Radicati, B.; Agostini, A.; et al. (Eds.) Fiber Optics Reflectance Spectra (FORS) of Pictorial Materials in the 270–1700 nm Range, 2020th ed.; SABeC IFAC-CNR Spectral Database: Sesto Fiorentino, Italy. Available online: https://spectradb.ifac.cnr.it/fors (accessed on 10 November 2020).
Disclaimer/Publisher’s Note: The statements, opinions and data contained in all publications are solely those of the individual author(s) and contributor(s) and not of MDPI and/or the editor(s). MDPI and/or the editor(s) disclaim responsibility for any injury to people or property resulting from any ideas, methods, instructions or products referred to in the content. |
© 2023 by the authors. Licensee MDPI, Basel, Switzerland. This article is an open access article distributed under the terms and conditions of the Creative Commons Attribution (CC BY) license (https://creativecommons.org/licenses/by/4.0/).









