Bending Fatigue Behavior of 17-4 PH Gears Produced by Additive Manufacturing
Abstract
1. Introduction
2. Experimental Set Up
3. Toot Root Stress According to ISO Standard
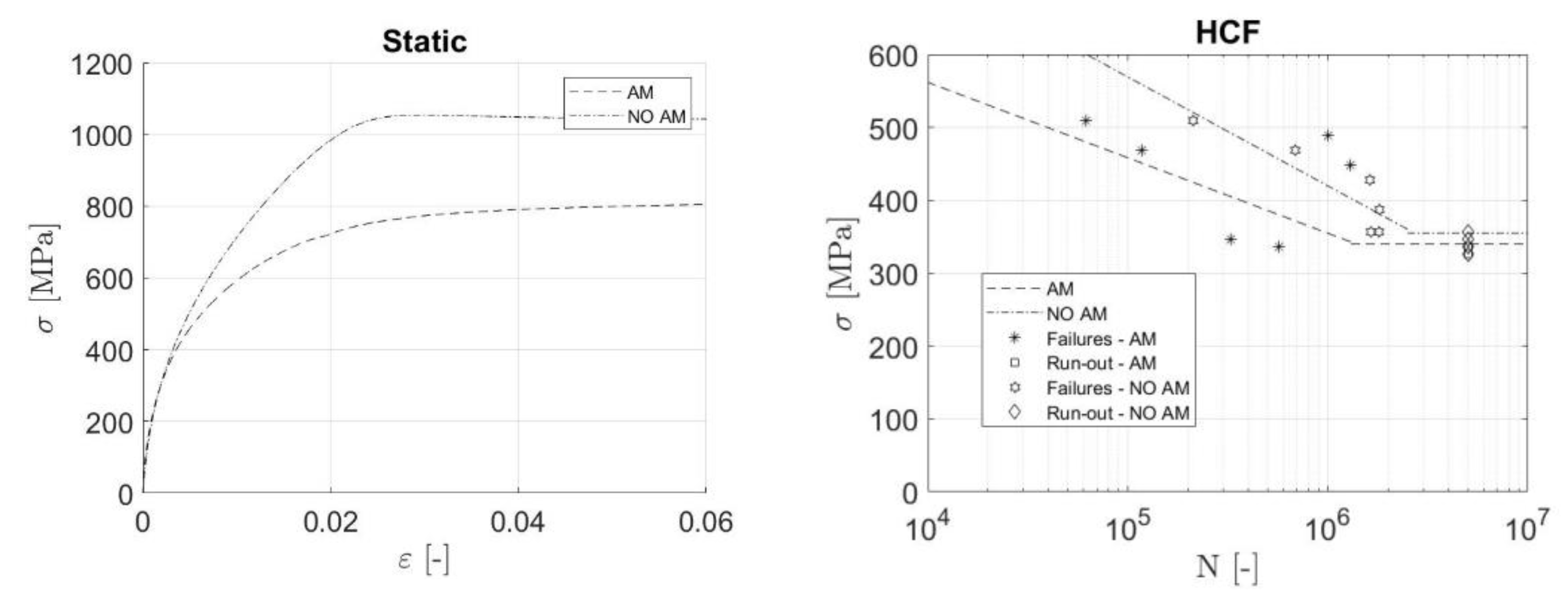
4. Determination of the Fatigue Limit
5. Additional Analyses
6. Results Discussion
7. Conclusions
Author Contributions
Funding
Data Availability Statement
Conflicts of Interest
Abbreviations
| AM | Additive Manufacturing |
| NVH | Noise Vibration Harshness (NVH) |
| PBF-LB/M | Laser Powder Bed Fusion |
| RO | Run-Out |
| SEM | Scanning Electron Microscopy |
| STBF | Single Tooth Bending Fatigue |
References
- Thompson, M.K.; Moroni, G.; Vaneker, T.; Fadel, G.; Campbell, R.I.; Gibson, I.; Bernard, A.; Schulz, J.; Graf, P.; Ahuja, B.; et al. Design for Additive Manufacturing: Trends, opportunities, considerations, and constraints. CIRP Ann. 2016, 65, 737–760. [Google Scholar] [CrossRef]
- Atzeni, E.; Salmi, A. Economics of additive manufacturing for end-usable metal parts. Int. J. Adv. Manuf. Technol. 2012, 62, 1147–1155. [Google Scholar] [CrossRef]
- Kamps, T.; Lutter-Guenther, M.; Seidel, C.; Gutowski, T.; Reinhart, G. Cost- and energy-efficient manufacture of gears by laser beam melting. CIRP J. Manuf. Sci. Technol. 2018, 21, 47–60. [Google Scholar] [CrossRef]
- Kluge, M.; Kotthoff, G.; Cavallini, C.; Driveline, G.K.N.; Höges, S.; Metallurgy, G.K.N.P. Design and Production of Innovative Transmission Components with Additive Manufacturing. In Proceedings of the 16th International CTI Symposium Automotive Transmissions, HEV and EV Drives, Berlin, Germany, 5–7 December 2017. [Google Scholar]
- ISO/ASTM. 52910:2018 Additive Manufacturing-Design-Requirements, Guidelines and Recommendations 1.
- Kozmel, T.; Kantner, C.; Nez, B.; Grabowski, J.; Sebastian, J.; Fetty, J.; Kantner, C.; Sebastian, J.; Nez, B.; Fetty, J. Additive Manufacturing of Ferrium® C64® for Aerospace Gear Applications. The Vertical Flight Society-Forum 75: The Future of Vertical Flight. In Proceedings of the 75th Annual Forum and Technology Display, AHS International, Philadelphia, PA, USA, 13–16 May 2019. [Google Scholar]
- Mura, A.; Curà, F.; Pasculli, L. Optimisation methodology for lightweight gears to be produced by additive manufacturing techniques. Proc. Inst. Mech. Eng. Part C J. Mech. Eng. Sci. 2017, 232, 3512–3523. [Google Scholar] [CrossRef]
- Muminovic, A.J.; Colic, M.; Mesic, E.; Saric, I. Innovative Design of Spur Gear Tooth with Infill Structure. Bull. Polish Acad. Sci. Tech. Sci. 2020, 68, 477–483. [Google Scholar]
- Kamps, T.; Proceedings, G.R. Increasing Transmission Efficiency by Implementation of a Conformal Cooling System Using Additive Manufacturing; Fraunhofer: Stuttgart, Germany, 2014. [Google Scholar]
- Bräunig, J.; Töppel, T.; Müller, B.; Burkhardt, M.; Hipke, T.; Drossel, W.-G. Advanced Material Studies for Additive Manufacturing in terms of Future Gear Application. Adv. Mech. Eng. 2014, 6, 741083. [Google Scholar] [CrossRef]
- Ramadani, R.; Belsak, A.; Kegl, M.; Predan, J.; Pehan, S. Topology Optimization Based Design of Lightweight and Low Vibration Gear Bodies. Int. J. Simul. Model. 2018, 17, 92–104. [Google Scholar] [CrossRef]
- Rogers, K. Additive Manufacturing Technologies for Gears. Am. Gears Manuf. Assoc. Publ. Barners Gr. Advis 2019. [Google Scholar]
- Concli, F.; Gilioli, A. Numerical and experimental assessment of the static behavior of 3D printed reticular Al structures produced by Selective Laser Melting: Progressive damage and failure. Procedia Struct. Integr. 2018, 12, 204–212. [Google Scholar] [CrossRef]
- Concli, F.; Gilioli, A. Numerical and experimental assessment of the mechanical properties of 3D printed 18-Ni300 steel trabecular structures produced by Selective Laser Melting—A lean design approach. Virtual Phys. Prototyp. 2019, 14, 267–276. [Google Scholar] [CrossRef]
- Concli, F.; Gilioli, A.; Nalli, F. Experimental-numerical assessment of ductile failure of Additive Manufacturing selective laser melting reticular structures made of Al A357. Proc. Inst. Mech. Eng. Part C J. Mech. Eng. Sci. 2019, 0954406219832333. [Google Scholar] [CrossRef]
- Beretta, S.; Romano, S. A comparison of fatigue strength sensitivity to defects for materials manufactured by AM or traditional processes. Int. J. Fatigue 2017, 94, 178–191. [Google Scholar] [CrossRef]
- Romano, S.; Brückner-Foit, A.; Brandão, A.; Gumpinger, J.; Ghidini, T.; Beretta, S. Fatigue properties of AlSi10Mg obtained by additive manufacturing: Defect-based modelling and prediction of fatigue strength. Eng. Fract. Mech. 2018, 187, 165–189. [Google Scholar] [CrossRef]
- Romano, S.; Nezhadfar, P.; Shamsaei, N.; Seifi, M.; Beretta, S. High cycle fatigue behavior and life prediction for additively manufactured 17-4 PH stainless steel: Effect of sub-surface porosity and surface roughness. Theor. Appl. Fract. Mech. 2020, 106, 102477. [Google Scholar] [CrossRef]
- Fatemi, A.; Molaei, R.; Phan, N. Multiaxial fatigue of additive manufactured metals: Performance, analysis, and applications. Int. J. Fatigue 2020, 134, 105479. [Google Scholar] [CrossRef]
- ANSI/AGMA. 2101-D04 (R2016)—Fundamental Rating Factors and Calculation Methods for Involute Spur and Helical Gear Teeth (Metric Edition).
- ISO. 6336-2: 2019 Calculation of Load Capacity of Spur and Helical Gears—Part 2: Calculation of Surface Durability (Pitting).
- ISO. 6336-3:2019 Calculation of Load Capacity of Spur and Helical Gears—Part 3: Calculation of Tooth Bending Strength.
- ISO. 6336-5:2016 Calculation of Load Capacity of Spur and Helical Gears—Part 5: Strength and Quality of Materials.
- Tezel, T.; Topal, E.S.; Kovan, V. Characterising the wear behaviour of DMLS-manufactured gears under certain operating conditions. Wear 2019, 440, 203106. [Google Scholar] [CrossRef]
- Tezel, T.; Topal, E.S.; Kovan, V. Failure analysis of 3D-printed steel gears. Eng. Fail. Anal. 2020, 110, 104411. [Google Scholar] [CrossRef]
- Niemann, G.; Winter, H. Elementi Di Macchine; Tecniche Nuove: Milano, Italy, 1983; Volume II. [Google Scholar]
- Bonaiti, L.; Bayoumi, A.B.M.; Concli, F.; Rosa, F.; Gorla, C. Gear root bending strength: A comparison between Single Tooth Bending Fatigue Tests and meshing gears. J. Mech. Des. 2021, 1–17. [Google Scholar] [CrossRef]
- Meneghetti, G.; Dengo, C.; Conte, F.L. Bending fatigue design of case-hardened gears based on test specimens. Proc. Inst. Mech. Eng. Part C J. Mech. Eng. Sci. 2017, 232, 1953–1969. [Google Scholar] [CrossRef]
- Benedetti, M.; Fontanari, V.; Höhn, B.R.; Oster, P.; Tobie, T. Influence of shot peening on bending tooth fatigue limit of case hardened gears. Int. J. Fatigue 2002, 24, 1127–1136. [Google Scholar] [CrossRef]
- Maccioni, L.; Fraccaroli, L.; Borgianni, Y.; Concli, F. High-Cycle-Fatigue Characterization of an Additive Manufacturing 17-4 PH Stainless Steel. Key Eng. Mater. 2021, 877, 49–54. [Google Scholar] [CrossRef]
- Maccioni, L.; Rampazzo, E.; Nalli, F.; Borgianni, Y.; Concli, F. Low-Cycle-Fatigue Characterization of an Additive Manufacturing 17-4 PH Stainless Steel. Key Eng. Mater. 2020, 887, 55–60. [Google Scholar]
- Ltd, M.G.C. Maag Gear Book: Calculation and Practice of Gears, Gear Drives Toothed Couplings and Synchronous Clutch Couplings; Maag Gear Company Limited: Oberglatt, Switzerland, 1990. [Google Scholar]
- Gasparini, G.; Mariani, U.; Gorla, C.; Filippini, M.; Rosa, F. Bending Fatigue Tests of Helicopter Case Carburized Gears: Influence of Material, Design and Manufacturing Parameters. Gear Tech. 2008, 68, 76. [Google Scholar]
- Gorla, C.; Rosa, F.; Concli, F.; Albertini, H. Bending Fatigue Strength of Innovative Gear Materials for Wind Turbines Gearboxes: Effect of Surface Coatings. In Volume 1: Advances in Aerospace Technology; ASME International: New York, NY, USA, 2012; pp. 3141–3147. [Google Scholar]
- Gorla, C.; Rosa, F.; Conrado, E.; Albertini, H. Bending and contact fatigue strength of innovative steels for large gears. Proceedings of the Institution of Mechanical Engineers, Part C. J. Mech. Eng. Sci. 2014, 228, 2469–2482. [Google Scholar] [CrossRef]
- Gorla, C.; Rosa, F.; Conrado, E.; Concli, F. Bending Fatigue Strength of Case Carburized and Nitrided Gear Steels for Aeronautical Applications. Int. J. Appl. Eng. Res. 2017, 12, 11306–11322. [Google Scholar]
- Gorla, C.; Conrado, E.; Rosa, F.; Concli, F. Contact and bending fatigue behaviour of austempered ductile iron gears. Proc. Inst. Mech. Eng. Part C J. Mech. Eng. Sci. 2017, 232, 998–1008. [Google Scholar] [CrossRef]
- Niemann, G.; Winter, H. Getriebe Allgemein, Zahnradgetriebe-Grundlagen, Stirnradgetriebe; Springer: Berlin/Heidelberg, Germany, 1989. [Google Scholar]
- Dudley, D.W.; Townsend, D.P. Manuale Degli Ingranaggi—Edizione Italiana—Tecniche Nuove; Milano: Milano, Italy, 1996. [Google Scholar]
- ISO. 1328—1: Cylindrical Gears—ISO System of Flank Tolerance Classification—Part 1: Definitions and Allowable of Value of Deviations Relevant to Flanks of Gear Teeth. 2013.
- ISO. 12107, 2012 Metallic Materials-Fatigue Testing-Statistical Planning and Analysis of Data. Int. Organ. Stand 2012. [Google Scholar]
- ASTM, E. 739-91: Standard Practice for Statistical Analysis of Linear or Linearized Stress-Life (S–N) and Strain-Life (e–N) Fatigue Data. Am. Soc. Test. Mater. Phila. 2006. [Google Scholar]
- Brownlee, K.A.; Hodges, J.L., Jr.; Rosenblatt, M. The Up-and-down Method with Small Samples. J. Am. Stat. Assoc. 1953, 48, 262–277. [Google Scholar] [CrossRef]
- Little, R.E. The Up-and-Down Method for Small Samples with Two Specimens “in Series”. J. Am. Stat. Assoc. 1975, 70, 846. [Google Scholar] [CrossRef]
- Dixon, W.J. The Up-and-down Method for Small Samples. J. Am. Stat. Assoc. 1965, 60, 967–978. [Google Scholar] [CrossRef]
- Bonaiti, L.; Concli, F.; Gorla, C.; Rosa, F. Bending fatigue behaviour of 17-4 PH gears produced via selective laser melting. Procedia Struct. Integr. 2019, 24, 764–774. [Google Scholar] [CrossRef]
- Yadollahi, A.; Shamsaei, N. Additive manufacturing of fatigue resistant materials: Challenges and opportunities. Int. J. Fatigue 2017, 98, 14–31. [Google Scholar] [CrossRef]
- Koutiri, I.; Pessard, E.; Peyre, P.; Amlou, O.; De Terris, T. Influence of SLM process parameters on the surface finish, porosity rate and fatigue behavior of as-built Inconel 625 parts. J. Mater. Process. Technol. 2018, 255, 536–546. [Google Scholar] [CrossRef]
- Carneiro, L.; Jalalahmadi, B.; Ashtekar, A.; Jiang, Y. Cyclic deformation and fatigue behavior of additively manufactured 17–4 PH stainless steel. Int. J. Fatigue 2019, 123, 22–30. [Google Scholar] [CrossRef]
- Nalli, F.; Cortese, L.; Concli, F. Ductile damage assessment of Ti6Al4V, 17-4PH and AlSi10Mg for additive manufacturing. Eng. Fract. Mech. 2021, 241, 107395. [Google Scholar] [CrossRef]
- Fraccaroli, L.; Concli, F. 17-4 PH SS Manufactured via Selective Laser Melting: High Cycle Fatigue Properties. World Symposium on Mechanical—Materials Engineering & Science. In Proceedings of the WMMES, Prague, Czech, 9–11 September 2020. [Google Scholar]
- Fraccaroli, L.; Concli, F. 17-4 PH SS Manufactured via Selective Laser Melting: Low-Cycle-Fatigue Properties. World Symposium on Mechanical—Materials Engineering & Science. In Proceedings of the WMMES, Prague, Czech, 9–11 September 2020. [Google Scholar]
- Nezhadfar, P.; Shrestha, R.; Phan, N.; Shamsaei, N. Fatigue behavior of additively manufactured 17-4 PH stainless steel: Synergistic effects of surface roughness and heat treatment. Int. J. Fatigue 2019, 124, 188–204. [Google Scholar] [CrossRef]
- Molaei, R.; Fatemi, A.; Phan, N. Multiaxial fatigue of LB-PBF additive manufactured 17–4 PH stainless steel including the effects of surface roughness and HIP treatment and comparisons with the wrought alloy. Int. J. Fatigue 2020, 137, 105646. [Google Scholar] [CrossRef]












| 5 mm | Normal module | |
| 20 | Normal Pressure angle | |
| 0 | Pressure angle at normal section | |
| 24 | Number of teeth | |
| 10 mm | Face width | |
| −0.2 | Profile shift coefficient | |
| 1.25 | Dedendum coefficient of the basic rack profile | |
| 0.380 | Root radius factor of the basic rack profile | |
| 1.00 | Addendum coefficient of the basic rack profile |
| Machine | EOS M280 |
|---|---|
| Laser source | fiber |
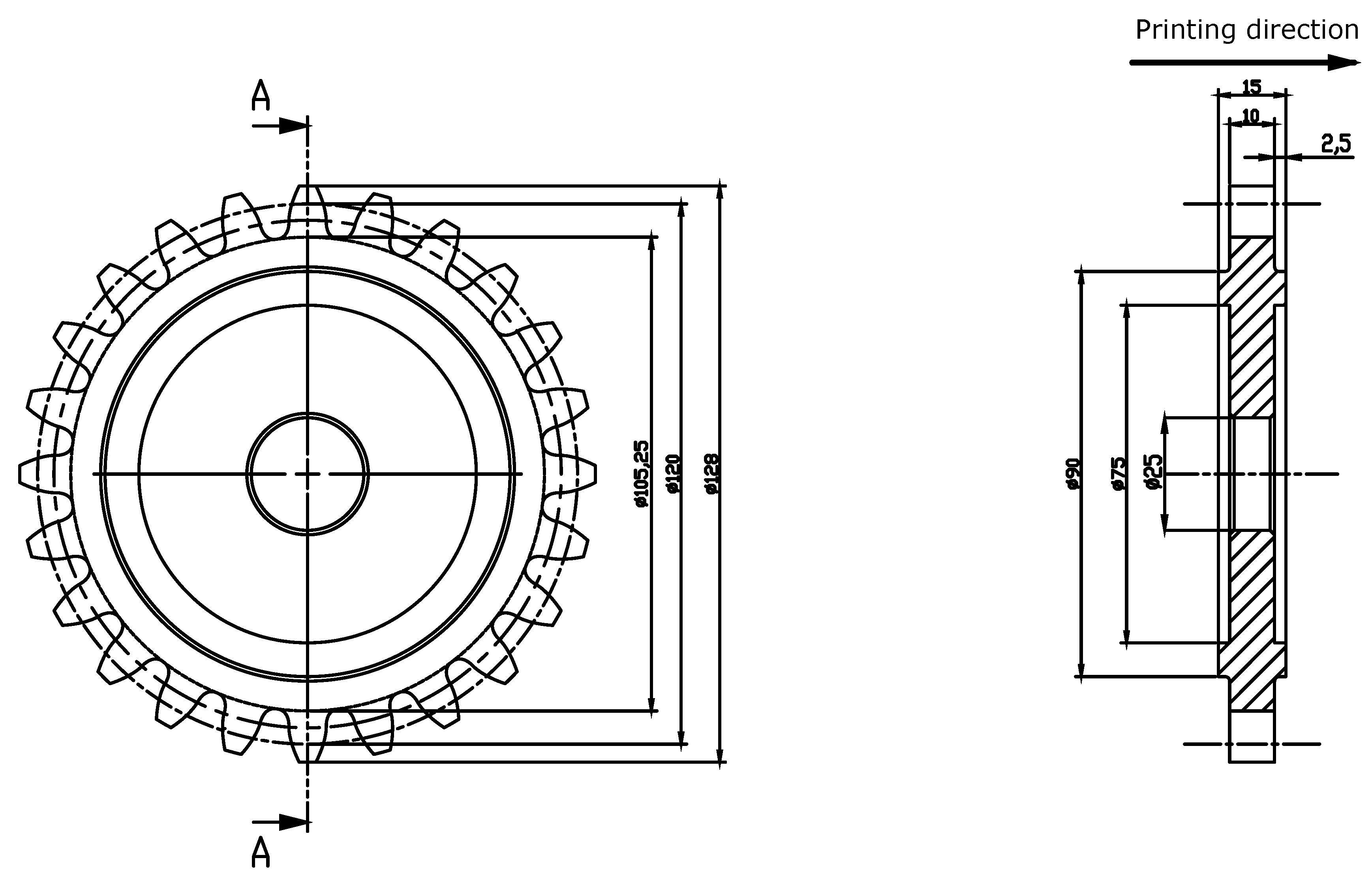
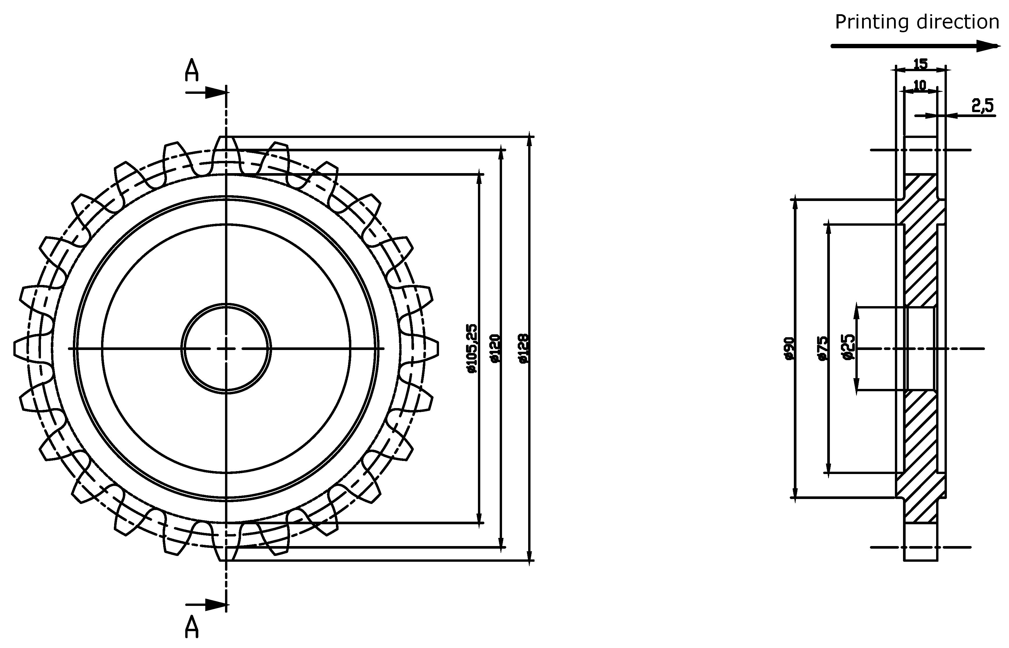
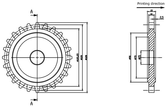
| Printing direction | according to gear axis (see Figure 4) |
| Gas | nitrogen |
| Power | 200W |
| Scanning speed | 600 mm/s |
| Spot diameter | 100 μm |
| Layer thickness | 40 μm |
| Average particle size | 42.61 μm |
| Test ID | Gear Tested | Teeth | Fmin [N] | Fmax [N] | Cycles | Broken Tooth |
|---|---|---|---|---|---|---|
| 1 | A | 1–3 | −15,000 | −1500 | 202,550 | 1 |
| 2 | A | 5–7 | −14,000 | −1400 | 229,575 | 7 |
| 3 | A | 9–11 | Interrupted test | |||
| 4 | A | 13–15 | −12,500 | −1250 | 481,897 | 13 |
| 5 | A | 17–19 | −12,250 | −1225 | 581,951 | 17 |
| 6 | A | 21–23 | −11,000 | −1100 | 631,460 | 21 |
| 7 | B | 1–3 | Interrupted test | |||
| 8 | B | 5–7 | −9000 | −900 | 277,690 | 7 |
| 9 | B | 9–11 | −9000 | −900 | Runout | - |
| 10 | B | 13–15 | −9500 | −950 | 481,897 | 15 |
| 11 | B | 17–19 | −9000 | −900 | 581,951 | 19 |
| 12 | B | 21–23 | −8500 | −850 | Runout | - |
| Al (%) | Si (%) | Cr (%) | Fe (%) | Ni (%) | Cu (%) | Nb (%) | |
|---|---|---|---|---|---|---|---|
| A | 0.31 | 0.51 | 17.23 | 74.64 | 3.79 | 3.27 | 0.25 |
| B | 0.28 | 0.47 | 17.1 | 73.15 | 3.76 | 3.30 | 0.24 |
| C | 0.32 | 0.48 | 17.4 | 74.48 | 3.76 | 3.31 | 0.25 |
Publisher’s Note: MDPI stays neutral with regard to jurisdictional claims in published maps and institutional affiliations. |
© 2021 by the authors. Licensee MDPI, Basel, Switzerland. This article is an open access article distributed under the terms and conditions of the Creative Commons Attribution (CC BY) license (http://creativecommons.org/licenses/by/4.0/).
Share and Cite
Concli, F.; Bonaiti, L.; Gerosa, R.; Cortese, L.; Nalli, F.; Rosa, F.; Gorla, C. Bending Fatigue Behavior of 17-4 PH Gears Produced by Additive Manufacturing. Appl. Sci. 2021, 11, 3019. https://doi.org/10.3390/app11073019
Concli F, Bonaiti L, Gerosa R, Cortese L, Nalli F, Rosa F, Gorla C. Bending Fatigue Behavior of 17-4 PH Gears Produced by Additive Manufacturing. Applied Sciences. 2021; 11(7):3019. https://doi.org/10.3390/app11073019
Chicago/Turabian StyleConcli, Franco, Luca Bonaiti, Riccardo Gerosa, Luca Cortese, Filippo Nalli, Francesco Rosa, and Carlo Gorla. 2021. "Bending Fatigue Behavior of 17-4 PH Gears Produced by Additive Manufacturing" Applied Sciences 11, no. 7: 3019. https://doi.org/10.3390/app11073019
APA StyleConcli, F., Bonaiti, L., Gerosa, R., Cortese, L., Nalli, F., Rosa, F., & Gorla, C. (2021). Bending Fatigue Behavior of 17-4 PH Gears Produced by Additive Manufacturing. Applied Sciences, 11(7), 3019. https://doi.org/10.3390/app11073019

