A Trial Acoustic Improvement in a Lecture Hall with MPP Sound Absorbers and FDTD Acoustic Simulations
Abstract
1. Introduction
2. Modeling the Sound Absorption of Micro-Perforated Panels (MPP)
3. MPP Samples
3.1. Samples Manifacturing
3.2. Measuring Equipment
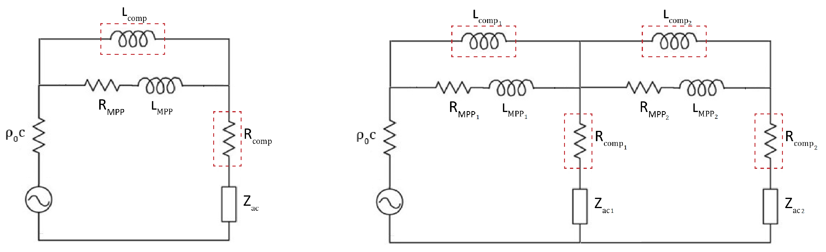
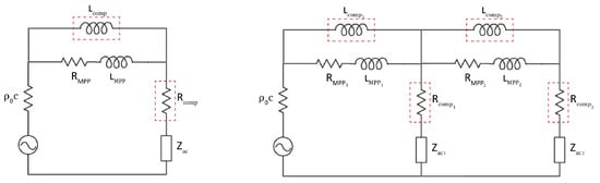
3.3. Models Compensation
- -
- A small frequency shift of the sound absorption peaks;
- -
- Absorption bandwidths larger than expected.
- -
- , a resistance in series with the MPP impedance, associated to the dissipative losses due to the irregular perforations;
- -
- , a new inductance in parallel with the MPP surface impedance, associated with the displacement of air along the boundary of the sample and the sample vibration [35].
3.4. Specimen Properties
4. Finite-Difference Time-Domain Simulations
5. Application in a Case Study: Use of MPPs as a Ceiling Acoustic Treatment
6. Conclusions and Outlook
Author Contributions
Funding
Acknowledgments
Conflicts of Interest
Sample Availability
References
- Pan, L.; Martellotta, F. A Parametric Study of the Acoustic Performance of Resonant Absorbers Made of Micro-perforated Membranes and Perforated Panels. Appl. Sci. 2020, 10, 1581. [Google Scholar] [CrossRef]
- Asdrubali, F.; Pispola, G. Properties of transparent sound-absorbing panels for use in noise barriers. J. Acoust. Soc. Am. 2007, 121, 214–221. [Google Scholar] [CrossRef]
- Sakagami, K.; Okuzono, T. Space sound absorbers with next-generation materials: Additional sound absorption for post-pandemic challenges in indoor acoustic environments. UCL Open Environ. Prepr. 2020. [Google Scholar] [CrossRef]
- Johnson, D.L.; Koplik, J.; Dashen, R. Theory of dynamic permeability and tortuosity in fluid-saturated porous media. J. Fluid. Mech. 1987, 176, 379–402. [Google Scholar] [CrossRef]
- Allard, J.F.; Champoux, Y. New empirical equations for sound propagation in rigid frame fibrous materials. J. Acoust. Soc. Am. 1992, 91, 3346–3353. [Google Scholar] [CrossRef]
- Cucharero, J.; Hänninen, T.; Lokki, T. Angle-Dependent Absorption of Sound on Porous Materials. Acoustics 2020, 2, 753–765. [Google Scholar] [CrossRef]
- Maa, D. Theory and design of microperforated panel sound-absorbing constructions. Sci. Sin. 1975, 18, 55–71. [Google Scholar]
- Maa, D. Microperforated-panel wideband absorbers. Noise Control Eng. J. 1987, 29, 77–84. [Google Scholar] [CrossRef]
- Maa, D. Potential of microperforated panel absorber. J. Acoust. Soc. Am. 1998, 104, 2861–2866. [Google Scholar] [CrossRef]
- Tayong, R.; Leclaire, P. Holes Interaction Effects under high and medium Sound Intensities for Micro-perforated panels design. In Proceedings of the 10th Congress Francais d’Acoustique, Lyon, France, 12–16 April 2010. [Google Scholar]
- Melling, T.H. The acoustic impendance of perforates at medium and high sound pressure levels. J. Sound Vib. 1973, 29, 1–65. [Google Scholar] [CrossRef]
- Atalla, N.; Sgard, F. Modeling of perforated plates and screens using rigid frame porous models. J. Sound Vib. 2007, 303, 195–208. [Google Scholar] [CrossRef]
- Cobo, P.; Simon, F. Multiple-Layer Microperforated Panels as Sound Absorbers in Buildings: A Review. Buildings 2019, 9, 53. [Google Scholar] [CrossRef]
- Lee, D.H.; Kwon, Y.P. Estimation of the absorption performance of multiple-layer perforated panel systems by transfer matrix method. J. Sound Vib. 2004, 278, 847–860. [Google Scholar] [CrossRef]
- Sakagami, K.; Morimoto, M.; Koike, W. A numerical study of double-leaf microperforated panel absorbers. Appl. Acoust. 2019, 2006, 67–609. [Google Scholar] [CrossRef]
- Hoshi, K.; Hanyu, T.; Okuzono, T.; Sakagami, K.; Yairi, M.; Harada, S.; Takahashi, S.; Ueda, Y. Implementation experiment of a honeycomb-backed MPP sound absorber in a meeting room. Appl. Acoust. 2020, 157, 107000. [Google Scholar] [CrossRef]
- Tsay, Y.S.; Yeh, C.Y. A Machine Learning Based Prediction Model for the Sound Absorption Coefficient of Micro-Expanded Metal Mesh (MEMM). Appl. Sci. 2020, 10, 7612. [Google Scholar] [CrossRef]
- Arvidsson, E.; Nilsson, E.; Hagberg, D.B.; Karlsson, O.J. The Effect on Room Acoustical Parameters Using a Combination of Absorbers and Diffusers—An Experimental Study in a Classroom. Acoustics 2020, 2, 505–523. [Google Scholar] [CrossRef]
- Choi, Y. Evaluation of acoustical conditions for speech communication in active university classrooms. Appl. Acoust. 2020, 159, 107089. [Google Scholar] [CrossRef]
- D’Orazio, D.; De Salvio, D.; Anderlucci, L.; Garai, M. Measuring the speech level and the student activity in lecture halls: Visual-vs blind-segmentation methods. Appl. Acoust. 2020, 169, 107–448. [Google Scholar] [CrossRef]
- Brill, L.C.; Smith, K.; Wang, L.M. Building a sound future for students: Considering the acoustics of occupied active classrooms. Acoust. Today 2018, 14, 14–22. [Google Scholar]
- Hodgson, M.; Rempel, R.; Kennedy, S. Measurement and prediction of typical speech and background-noise levels in university classrooms during lectures. J. Acoust. Soc. Am. 1999, 105, 226–233. [Google Scholar] [CrossRef]
- Puglisi, G.E.; Bolognesi, F.; Shtrepi, L.; Warzybok, A.; Kollmeier, B.; Astolfi, A. Optimal classroom acoustic design with sound absorption and diffusion for the enhancement of speech intelligibility. J. Acoust. Soc. Am. 2017, 141, 3456–3457. [Google Scholar] [CrossRef]
- Visentin, C.; Prodi, N.; Cappelletti, F.; Torresin, S.; Gasparella, A. Using listening effort assessment in the acoustical design of rooms for speech. Build Environ. 2018, 136, 38–53. [Google Scholar] [CrossRef]
- Chung, J.Y.; Blaser, D.A. Transfer function method of measuring induct acoustic properties. I. Theory. J. Acoust. Soc. Am. 1980, 68, 907–913. [Google Scholar] [CrossRef]
- EN ISO 10534–2:2001. Acoustics-Determination of Sound Absorption Coefficient and Impedance in Impedance Tubes-Part.2: Transfer-Function Method; International Organization for Standardization: Geneva, Switzerland, 2001. [Google Scholar]
- Fratoni, G.; D’Orazio, D.; De Salvio, D.; Garai, M. Predicting speech intelligibility in university classrooms using geometrical acoustic simulations. In Proceedings of the 16th IBPSA, Rome, Italy, 2–4 September 2019. [Google Scholar]
- Hamilton, B.; Webb, C.J. Room acoustics modelling using GPU-accelerated finite difference and finite volume methods on a face-centered cubic grid. In Proceedings of the Digital Audio Effects (DAFx), Maynooth, Ireland, 2–6 September 2013; pp. 336–343. [Google Scholar]
- Ning, J.F.; Ren, S.W.; Zhao, G.P. Acoustic properties of micro-perforated panel absorber having arbitrary cross-sectional perforations. Appl. Acoust. 2016, 111, 135–142. [Google Scholar] [CrossRef]
- MATLAB, Version 9.6.0.1072779 (R2019a); The MathWorks Inc.: Natick, MA, USA, 2019.
- ITA-Toolbox, Open source MATLAB toolbox for acoustics developed by the Institute of Technical Acoustics of the RWTH Aachen University, Neustrasse 50, 52056, Aachen, Germany. In Proceedings of the DAGA 2017, Kiel, Germany, 6–9 March 2017.
- Corredor-Bedoya, A.C.; Acuña, B.; Serpa, A.L.; Masiero, B. Effect of the excitation signal type on the absorption coefficient measurement using the impedance tube. Appl. Acoust. 2020, 171, 107659. [Google Scholar] [CrossRef]
- Sakagami, K.; Kusaka, M.; Okuzono, T.; Nakanishi, S. The Effect of deviation due to the manufacturing accuracy in the parameters of an MPP on its acoustic properties: Trial production of MPPs of different hole shapes using 3D printing. Acoustics 2020, 2, 605–606. [Google Scholar] [CrossRef]
- Randeberg, R.T. Perforated Panel Absorbers with Viscous Energy Dissipation Enhanced by Orifice Design. Ph.D. Dissertation, Department of Telecommunication, Norwegian University of Science and Technology, Trondheim, Norway, June 2000. [Google Scholar]
- Sakagami, K.; Morimoto, M.; Yairi, M. A note on the effect of vibration of a microperforated panel on its sound absorption characteristics. Acoust. Sci. Technol. 2005, 26, 204–207. [Google Scholar] [CrossRef]
- Courant, R.; Friedrichs, K.; Lewy, H. Über die partiellen Differenzengleichungen der mathematischen Physik. Math. Annal. 1928, 100, 32–74. [Google Scholar] [CrossRef]
- Botteldooren, D. Finite-difference time-domain simulation of low-frequency room acoustic problems. J. Acoust. Soc. Am. 1995, 98, 3302–3308. [Google Scholar] [CrossRef]
- Bilbao, S.D. Numerical Sound Synthesis; John Wiley & Sons: Hoboken, NJ, USA, 2009. [Google Scholar]
- Savioja, L. Real-time 3D finite-difference time-domain simulation of low-and mid-frequency room acoustics. In Proceedings of the 13th International Conference on Digital Audio Effects, Maynooth, Ireland, 6–10 September 2010. [Google Scholar]
- Kowalczyk, K.; Van Walstijn, M. Room acoustics simulation using 3-D compact explicit FDTD schemes. IEEE Trans. Audio Speech Lang. Process. 2011, 19, 34–46. [Google Scholar] [CrossRef]
- Hamilton, B. Finite Difference and Finite Volume Methods for Wave-Based Modelling of Room Acoustics. Ph.D. Dissertation, University of Edinburgh, Edinburgh, UK, 2016. [Google Scholar]
- Micikevicius, P. 3D finite difference computation on GPUs using CUDA. In Proceedings of the 2nd Workshop on General Purpose Processing on Graphics Processing Units, Washington, DC, USA, 8 March 2009; pp. 79–84. [Google Scholar]
- Arenas, J.P.; Sakagami, K. Sustainable Acoustic Materials; MDPI: Basel, Switzerland, 2020; p. 6540. [Google Scholar]
- Bistafa, S.R.; Bradley, J.S. Predicting speech metrics in a simulated classroom with varied sound absorption. J. Acoust. Soc. Am. 2001, 109, 1474–1482. [Google Scholar] [CrossRef] [PubMed]
- Reich, R.; Bradley, J. Optimizing classroom acoustics using computer model studies. Can. Acoust. 1998, 26, 15–21. [Google Scholar]
- Bistafa, S.R.; Bradley, J.S. Predicting reverberation times in a simulated classroom. J. Acoust. Soc. Am. 2000, 108, 1721–1731. [Google Scholar] [CrossRef]
- IEC 60268-16. Sound System Equipment–Part 16: Objective Rating of Speech Intelligibility by Speech Transmission Index; IEC: Geneva, Switzerland, 2020. [Google Scholar]
- Garai, M.; Pompoli, F. A simple empirical model of polyester fibre materials for acoustical applications. Appl. Acoust. 2005, 66, 1383–1398. [Google Scholar] [CrossRef]
- Martellotta, F. Optimizing stepwise rotation of dodecahedron sound source to improve the accuracy of room acoustic measures. J. Acoust. Soc. Am. 2013, 134, 2037–2048. [Google Scholar] [CrossRef]
- ISO 3382-2. Acoustics-Measurement of Room Acoustic Parameters-Part 2: Reverberation Time in Ordinary Rooms; International Organization for Standardization: Geneva, Switzerland, 2008. [Google Scholar]
- SketchUp, Trimble Inc., Version Make, 935 Stewart Drive, Sunnyvale CA (USA) 94085. 2017.
- Vorländer, M. Auralization; Springer: Aachen, Germany, 2008. [Google Scholar]
- Postma, B.N.; Katz, B.F. Perceptive and objective evaluation of calibrated room acoustic simulation auralizations. J. Acoust. Soc. Am. 2016, 140, 4326–4337. [Google Scholar] [CrossRef]
- Choi, Y.J. Effects of periodic type diffusers on classroom acoustics. Appl. Acoust. 2013, 74, 694–707. [Google Scholar] [CrossRef]
- Okuzono, T.; Shadi, M.; Sakagami, K. Potential of Room Acoustic Solver with Plane-Wave Enriched Finite Element Method. Appl. Sci. 2020, 10, 1969. [Google Scholar] [CrossRef]
- Mondet, B.; Brunskog, J.; Jeong, C.H.; Rindel, J.H. From absorption to impedance: Enhancing boundary conditions in room acoustic simulations. Appl. Acoust. 2020, 157, 106884. [Google Scholar] [CrossRef]
- Vercammen, M. On the Revision of ISO 354, Measurement of the Sound Absorption in the Reverberation Room; ISO/WD: Geneva, Switzerland, 2018. [Google Scholar]
- Jeong, C.H. Converting Sabine absorption coefficients to random incidence absorption coefficients. J. Acoust. Soc. Am. 2013, 133, 3951–3962. [Google Scholar] [CrossRef]
- Takumi, Y.; Okuzono, T.; Sakagami, K. Locally implicit time-domain finite element method for sound field analysis including permeable membrane sound absorbers. Acoust. Sci. Technol. 2020, 41, 689–692. [Google Scholar]
- Cheng, Y.; Cheng, L.; Pan, J. Absorption of oblique incidence sound by a finite micro-perforated panel absorber. J. Acoust. Soc. Am. 2013, 133, 201–209. [Google Scholar]
- Bilbao, S.; Hamilton, B.; Botts, J.; Savioja, L. Finite volume time domain room acoustics simulation under general impedance boundary conditions. In IEEE-ACM Transactions on Audio, Speech, and Language Processing; IEEE: Piscataway, NJ, USA, 2016; Volume 24, pp. 161–173. [Google Scholar]
- Hamilton, B.; Webb, C.J.; Fletcher, N.D.; Bilbao, S. Finite difference room acoustics simulation with general impedance boundaries and viscothermal losses in air: Parallel implementation on multiple GPUs. In Proceedings of the Int. Symp. Musical Room Acoust, La Plata, Argentina, 11–13 September 2016. [Google Scholar]
- D’Orazio, D.; Fratoni, G.; Rovigatti, A.; Hamilton, B. Numerical simulations of Italian opera houses using geometrical and wave-based acoustics methods. In Proceedings of the 23rd International Congress on Acoustics, Aachen, Germany, 9–13 September 2019. [Google Scholar]
- Vorländer, M. Computer simulations in room acoustics: Concepts and uncertainties. J. Acoust. Soc. Am. 2013, 133, 1203–1213. [Google Scholar] [CrossRef] [PubMed]
- Okuzono, T.; Sakagami, K. A frequency domain finite element solver for acoustic simulations of 3D rooms with microperforated panel absorbers. Appl. Acoust. 2018, 129, 1–12. [Google Scholar] [CrossRef]
- Okuzono, T.; Sakagami, K. A finite-element formulation for room acoustics simulation with microperforated panel sound absorbing structures: Verification with electro-acoustical equivalent circuit theory and wave theory. Appl. Acoust. 2015, 95, 20–26. [Google Scholar] [CrossRef][Green Version]
- Toyoda, M.; Eto, D. Prediction of microperforated panel absorbers using the finite-difference time-domain method. Wave Motion 2019, 86, 110–124. [Google Scholar] [CrossRef]
- Liu, J.; Herrin, D.W. Enhancing micro-perforated panel attenuation by partitioning the adjoining cavity. Appl. Acoust. 2010, 71, 120–127. [Google Scholar] [CrossRef]
- Naderyan, V.; Raspet, R.; Hickey, C.J.; Mohammadi, M. Acoustic end corrections for micro-perforated plates. J. Acoust. Soc. Am. 2019, 146, EL399–EL404. [Google Scholar] [CrossRef]


















| Parameter | Value |
|---|---|
| Stainless steel powder grade | 316L (LPBF) |
| Powder grains diameter | 30–40 μm |
| Powder layer height | 60 μm |
| Laser rated power | 360 W |
| Laser rated diameter | 50 μm (max 80 μm) |
| Energy density | 130 J/m3 |
| Material specific weight | 7.98 g/cm3 |
| Device | Model | Specifics |
|---|---|---|
| Microphone | PCB Piezoeletronics 130E20 | Free-Field, 20–10 k Hz |
| Loudspeaker | SICA Z000795 | 200–10 k Hz |
| Signal Conditioner | PCB Piezoeletronics 480B21 | Output Current 3 mA |
| Signal Amplifier | Tracopower TXL 100–125 | dBS/N |
| Soundcard | RME Fireface 800 | Sample Rate 44,100 Hz |
| Software | MATLAB R2019a | ITA-Toolbox scripts |
| Specimen | MPP01 | MPP02 | MPP03 | |||
|---|---|---|---|---|---|---|
| Exp. | Eff. | Exp. | Eff. | Exp. | Eff. | |
| Thickness (mm) | 1 | 0.94 ± 0.03 | 1 | 0.95 ± 0.01 | 1 | 0.92 ± 0.02 |
| Porosity (%) | 0.5 | 0.5 | 1 | 1 | 0.5 | 0.5 |
| Perforation diameter (mm) | 0.5 | 0.483 ± 0.04 | 0.5 | 0.482 ± 0.03 | 0.3 | 0.33 ± 0.05 |
| 1st Layer | 1st Cav. mm | 2nd Layer | 2nd Cav. mm | ζ | ||||||
|---|---|---|---|---|---|---|---|---|---|---|
| 125 Hz | 250 Hz | 500 Hz | 1 kHz | 2 kHz | 4 kHz | |||||
| A | MPP01 | 40 | MPP01 | 30 | ||||||
| B | MPP01 | 50 | MPP02 | 50 | ||||||
| C | MPP02 | 45 | MPP03 | 45 | ||||||
| D | MPP01 | 35 | MPP03 | 35 | ||||||
| Materials | 125 Hz | 250 Hz | 500 Hz | 1000 Hz | 2000 Hz | 4000 Hz |
|---|---|---|---|---|---|---|
| Plaster floor | 0.01 | 0.02 | 0.03 | 0.03 | 0.04 | 0.06 |
| Wood | 0.15 | 0.18 | 0.04 | 0.04 | 0.04 | 0.04 |
| Windows | 0.10 | 0.10 | 0.08 | 0.04 | 0.04 | 0.04 |
| Seats | 0.40 | 0.37 | 0.26 | 0.19 | 0.17 | 0.16 |
| 125 Hz | 250 Hz | 500 Hz | 1000 Hz | 2000 Hz | 4000 Hz | |
|---|---|---|---|---|---|---|
| Without MPP (Meas.) | 1.48 | 1.36 | 1.60 | 1.84 | 1.83 | 1.51 |
| Without MPP (FDTD) | 1.44 | 1.25 | 1.54 | 1.73 | 1.70 | 1.45 |
| Without MPP (GA) | 1.43 | 1.25 | 1.62 | 1.79 | 1.78 | 1.52 |
| With MPP (FDTD) | 1.32 | 0.92 | 0.88 | 1.22 | 1.52 | 1.44 |
| With MPP (GA) | 1.33 | 1.06 | 0.87 | 1.00 | 1.34 | 1.50 |
| Reference | Range (Hz) | Calculation Method | Boundary Condition | Output |
|---|---|---|---|---|
| Liu and Herrin, 2010 [68] | 100–5000 | BEM | Transfer Impedance | SPL, Insertion Loss |
| Okuzono and Sakagami, 2015 [66] | 30–6000 | FEM | Surface Impedance | – |
| Okuzono and Sakagami, 2018 [65] | 125–1000 | FEM | Surface Impedance | , SPL |
| Naderyan et al., 2019 [69] | 710–1400 | FEM | Surface Impedance | Power dissipation |
| Toyoda and Eto, 2019 [67] | 31.5–8000 | FDTD | Surface Impedance | SPL, Insertion Loss |
| Mondet et al., 2020 [56] | 100–4500 | FDTD | Surface Impedance * | Conversion method |
| Present work | 125–4000 | FDTD | Surface Impedance | , |
Publisher’s Note: MDPI stays neutral with regard to jurisdictional claims in published maps and institutional affiliations. |
© 2021 by the authors. Licensee MDPI, Basel, Switzerland. This article is an open access article distributed under the terms and conditions of the Creative Commons Attribution (CC BY) license (http://creativecommons.org/licenses/by/4.0/).
Share and Cite
Cingolani, M.; Fratoni, G.; Barbaresi, L.; D’Orazio, D.; Hamilton, B.; Garai, M. A Trial Acoustic Improvement in a Lecture Hall with MPP Sound Absorbers and FDTD Acoustic Simulations. Appl. Sci. 2021, 11, 2445. https://doi.org/10.3390/app11062445
Cingolani M, Fratoni G, Barbaresi L, D’Orazio D, Hamilton B, Garai M. A Trial Acoustic Improvement in a Lecture Hall with MPP Sound Absorbers and FDTD Acoustic Simulations. Applied Sciences. 2021; 11(6):2445. https://doi.org/10.3390/app11062445
Chicago/Turabian StyleCingolani, Matteo, Giulia Fratoni, Luca Barbaresi, Dario D’Orazio, Brian Hamilton, and Massimo Garai. 2021. "A Trial Acoustic Improvement in a Lecture Hall with MPP Sound Absorbers and FDTD Acoustic Simulations" Applied Sciences 11, no. 6: 2445. https://doi.org/10.3390/app11062445
APA StyleCingolani, M., Fratoni, G., Barbaresi, L., D’Orazio, D., Hamilton, B., & Garai, M. (2021). A Trial Acoustic Improvement in a Lecture Hall with MPP Sound Absorbers and FDTD Acoustic Simulations. Applied Sciences, 11(6), 2445. https://doi.org/10.3390/app11062445

