You are currently viewing a new version of our website. To view the old version click .
Applied Sciences
  • Article
  • Open Access

4 December 2021

An Experimental Study on Efficient Piezoelectric Coupled Beams and Corresponding Piezoelectric Bricks

,
,
and
1
School of Urban Construction, Yangtze University, Jingzhou 434023, China
2
Jiangsu Zhongyida Architecture Group Co., Ltd., Suzhou 215100, China
*
Author to whom correspondence should be addressed.
This article belongs to the Section Energy Science and Technology

Abstract

In view of the low output power density of the existing footstep harvesters, two pairs of distinctive L-shaped beams and the corresponding piezoelectric brick models are developed to improve the utilization efficiency of the piezoelectric patches bonded on the beams. A theory model of the aforesaid L-shaped beam is established to analyze its dynamic performance. Two pairs of L-shaped beams and corresponding piezoelectric brick specimens are customized. The influences of some factors on the output voltage and average power from piezoelectric patches of aforesaid piezoelectric bricks are tested and analyzed. Numerical computation based on the theory model of L-shaped beam is conducted to extend the study on the electric output performances of the proposed piezoelectric bricks. Experiment and simulation results indicate that the peak-to-peak voltage and average power can reach up to 376 V (0.15 V/mm3) and 94.72 mW (37.89 μW/mm3) for a piezoelectric patch with a dimension of 50 mm × 50 mm × 1 mm of brick specimens. This research provides novel piezoelectric bricks to harvest footstep energy and obtains some instructive conclusions for the practical design of the piezoelectric brick with ideal energy harvesting efficiency and cost-effectiveness.

1. Introduction

Everyday thousands of people walk through subways, airports, shopping malls, university athletic playgrounds, and so on. The kinetic energy from human walking, especially the mechanical energy produced by feet repeatedly stepping on the ground, has a great potential for recycling utilization. It is reported that each foot step can generate a work of 1–5 J and a power of 2–20 W [1]. In the past decade, many kinds of footstep harvesters were proposed to absorb the movement energy from walking feet [2,3,4,5,6]. These harvesters transform motion displacement or mechanical strain exerted on their transducer into electric energy usually through piezoelectric conversion, electromagnetic conversion or electrostatic conversion. Harvesters using piezoelectric conversion have been attracting much attention for their small volume, cost-effective, and higher energy conversion density of piezoelectric materials [7,8,9,10].
Piezoelectric ceramics, as the most widely used piezoelectric material in energy harvesters, are smart ones which can generate charges on their two polarization surfaces and can form electric current through circuits when compression/tension strain exerts on them. In order to make notable strain occur on piezoelectric ceramics in a small excitation, piezoelectric coupled cantilever-style harvesters are widely studied to harvest the vibration energy [11,12,13,14], including building structures [15,16,17], ocean waves [18,19,20,21], wind [22,23,24,25,26,27], vehicle [28,29], rain [30,31], human-based movement [32,33,34,35,36], and so on. However, these devices usually have a low energy harvesting efficiency (about 5%) because of the uneven surface strain of piezoelectric patches bonded on the cantilevers in the vibration process. To improve the utilization efficiency of the piezoelectric patch, a series tapered cantilever energy harvesting devices are proposed [37,38,39,40,41], in which the piezoelectric patches bonded on the tapered cantilever have a comparatively uniform surface strain in the working state. However, for the cantilever-style harvesters, it is difficult to have a notable energy harvesting efficiency from mechanical energy to electric energy because the substrate device of the harvester dissipates most of the strain energy. In order to make the harvester have a notable energy harvesting efficiency, many harvesters made of piezoelectric stacks or piezoelectric bars are developed by using the d33 mode of the piezoelectric ceramics [42,43,44,45,46,47,48,49,50,51]. These piezoelectric stacks or bars have uniform strain in the working state and usually absorb most of the strain energy of the harvester when huge compression/tension stress exerts on them for their huge Young’s modulus.
Based on the research experiences and discussion aforementioned, some footstep piezoelectric energy harvesters were proposed and studied in recent years. Kim et al. [52] presented a floor tile that can generate enough energy to wirelessly transmit the information to an electrical appliance when a person steps on it. The key parts of the floor tile are the cantilever, simply supported beam, and continuous beam bonded with novel piezoelectric patches, which have a maximum output density of 3.9 μW/mm3. Liu et al. [53] studied a footstep energy harvester, including monolithic multilayer piezoelectric stacks and a force amplification frame, and compared its output power through standard energy harvesting circuit, series-SSHI (synchronized switch harvesting on inductance) and parallel-SSHI. The experimental results show that its maximum output power density can reach up to 1.6 μW/mm3. Qian et al. [54,55] presented the design, optimization, modeling and testing of an embedded piezoelectric footwear harvester, which consists of a few piezoelectric stacks and sandwiched force amplification frames. The experiment and simulation results indicate that the harvester with four/six piezoelectric stacks could generate an average output power density of 3.4 μW/mm3 and 3.9 μW/mm3 at a speed of 5.6 km/h and 9.7 km/h, respectively. Kuang et al. [56] proposed a sandwiched piezoelectric transducer (SPT) with force amplification end-caps to harvest energy from large impacts. The experiments and simulation reveal that the prototype of SPT can output an average power of 4.68 mW at a 1-KN 2-Hz sinusoidal exaltation and 2.5 mW at a footstep excitation of a 4.8 km/h walking speed for a person of 70 kg. Cha and Seo [57] studied a slipper harvester to absorb human walking energy by using the bending of the slipper instead of the heel strike and foot pressure as an energy source.
Although the preceding footstep harvesters generate a notable output power in the practical utilization, they still have some weaknesses to limit the improvement of their energy harvesting efficiency. For beam-style footstep harvesters, they usually cannot make the piezoelectric ceramic patches bonded on their substrate surfaces have a uniform surface strain in the working process and the substrate consumes most of the strain energy, which leads to a low energy harvesting efficiency of the harvesters. For stack-style footstep harvesters, they usually cannot make the piezoelectric stacks have a distinct strain in the working process for the huge Young’s modulus of the piezoelectric ceramics and the weak treading excitation, which causes the piezoelectric stacks (d33 mode) of footstep harvesters to have a small output power density in the working process. In view of this, novel U-shaped/L-shaped beams were proposed, which have a high energy harvesting efficiency because their uniform and notable strain in flexible piezoelectric coupled segments (PCSs) even in a small excitation [58,59,60,61]. It is noted that the tested output power and power density from the L-shaped piezoelectric coupled beam (LPCB) in the author’s previous work [59] cannot reach up to an ideal values because of the small yield strength of the Acrylonitrile Butadiene Styrene (ABS) substrate in the experimental specimen. Actually, if the ABS substrate is replaced by those with bigger yield strength such as aluminum alloy substrate, the output power and power density of the L-shaped harvester should be improved greatly.
Therefore, in this research, two pairs of distinctive L-shaped piezoelectric coupled beams (LPCBs) and their matching piezoelectric bricks made of aluminum alloy are correspondingly designed and customized. Each specimen includes a pair of LPCBs, a force amplifier based on force amplification mechanism [62,63], and a case. The novel piezoelectric bricks are ingenious for two reasons: first, the force amplifier can amplify the force from footstep; second, the utilization rate of the piezoelectric patch is improved for the uniform and notable surface strain in PCSs of the LPCB. In order to verify the effectiveness of the harvester, experiments of two piezoelectric brick specimens were conducted, and the effects of treading excitation, force arm length of LPCBs, PCS number of an LPCB, and unimorph/bimorph PCS on the electric output parameters of the harvester were studied. Some valuable conclusions are obtained to instruct the practical design and utilization of the novel piezoelectric bricks.

2. Development of Novel Piezoelectric Bricks

A novel piezoelectric brick model made of a pair of LPCBs, a force amplifier, and a case, were designed and fabricated as displayed in Figure 1. The LPCB shown as Figure 1a includes a PCS with a length of lp, a fixed end, and a force arm segment (L) with a length of l and two adjustable length of a. The PCS of the LPCB is a substrate bonded with one/two square piezoelectric patches. The substrate has a thickness of t1 and a width of lp, the piezoelectric patch has a side length of lp and a thickness of tp. The fixed end and the force arm segment have a same thickness of t2 which is evidently bigger than t1 to make the strain of the LPCB focus on the PCS. Two LPCBs are connected by the force amplifier through the shaft which can be seen from Figure 1b. The piezoelectric brick can be formed by putting the structure shown in Figure 1b in the brick case and embedding two fixed ends tightly in the slots on the side wall, as displayed in Figure 1c. The force amplifier is connected to two covers by a shaft and the covers are hinged to the side wall of the case. The experimental specimen of this piezoelectric brick is revealed in Figure 1d.
Figure 1. 1# piezoelectric brick made of a pair of LPCBs with one PCS. (a) A section view of an LPCB; (b) An assembly diagram; (c) A section view of 1# piezoelectric brick; (d) An experiment specimen of a piezoelectric brick.
The force amplifier can amplify the vertical force of F(t) from footstep by a pair of boards inclining close to horizontal shown in Figure 2a in which the initial angle is satisfied to tanθ = 1/3. According to the moment balance principle: Fh(t)Lv(t) = Fv(t)Lh(t), when Lh(t) > 2 Lv(t), the excitation force (Fh(t)) exerted on the force arm of the L-shaped beam can be amplified, namely, Fh(t) > F(t). The force amplification factor μ (μ = Fh/F) corresponding to different excited force is computed and listed in Figure 2b. It indicates that the force amplification factor μ increases from 1.632 to 1.804 with the increase of the footstep excitation amplitude from 250 N to 500 N.
Figure 2. Physical simplified model of the force amplifier and the force amplification factor versus the footstep excitation amplitude. (a) Simplified model of force amplifier; (b) Force amplification factor (L = 33.5 mm).
Figure 3 depicts a piezoelectric brick similar to the one shown in Figure 1 except its LPCB includes two PCSs. As revealed in Figure 3a, the LPCB with two PCSs includes fixed end with a thickness of t2, PCSs with a substrate thickness of t1 and a PZT4 patch with a thickness of tp, a connecting segment with a thickness of t3, and a force arm segment with a thickness of t2. Similar to the preceding reason, the thicknesses of t2 and t3 are notably bigger than t1 to make the strain focus on the PCSs. Obviously, the PCS has a uniform bending moment which leads to the uniform surface strain of the PZT4 patches in the vibration process when the force exerts on the force arm of the LPCB. The PCS and the force arm segment shown in Figure 3a have a same size as those of the LPCB shown in Figure 1a. The corresponding experimental specimen of this piezoelectric brick is displayed in Figure 3b, which is similar to that shown in Figure 1d.
Figure 3. 2# piezoelectric brick made of a pair of LPCBs with two PCSs. (a) A section view of an LPCB with two PCSs; (b) An experiment specimen of 2# piezoelectric brick.

3. Experimental Study

In this section, two sets of piezoelectric brick specimens were customized shown as Figure 2a and Figure 3b. All the piezoelectric bricks were made of aluminum alloy, and the piezoelectric patches were made of PZT4 (lead zirconate titanate). In the test design, the piezoelectric patches with same dimensions were bonded to one/two sides of the substrate in PCS by epoxy resin. The upper surface of the piezoelectric patch as the positive electrode was extracted by a wire, and the lower surface as the negative electrode was extracted by a copper foil to ensure a tight stick between the surfaces of the piezoelectric patch and the substrate. The length of the force arm can be adjusted by passing the shafts through different shaft holes in the force arm segment of the LPCB and the force amplifier. The shaft of the force amplifier moves in the vertical direction along the vertical shaft slot on the side wall, and the shafts of the LPCB move in the horizontal direction along the horizontal shaft slot. The wires connected to the positive and negative electrodes of the PZT4 patches were led out through the wire holes on the side wall of the brick case. The highlight for the PCS in this design is its uniform bending moment everywhere in the working process, which lead to the uniform surface strain of the PZT4 patches bonded on the substrate. The dimensions of the bricks were measured using a Vernier caliper (GB/T21389-2008 0~200 mm, ± 0.01 mm), and the physical parameters of the piezoelectric patches were detected using a nondestructive detector of solid materials (ET-01, 0.5~1000 GPA, ±0.5%), as shown in Figure 4. All the parameters used in experiments are presented in Table 1. The experimental setup and electric circuit of 2# piezoelectric brick made of a pair of L-shaped PCBs with two PCSs are shown in the Figure 5. In Figure 5a, the piezoelectric collector (SC-HY-PZT-2.0, ±50 V, ±1%) collects and reports electric signal on the computer, the linear reciprocating motor (ZWF-400-50, 250~500 N, 0~2 Hz, ±2%) adjusts the force and the excitation frequency exerted on the bricks, the divider resistance enlarges the voltage measuring range of piezoelectric collector by bearing part of circuit voltage, and the resistance box (ZX1 M 0~1000 kΩ, plus or minus 0.1%) adjusts the load resistance to obtain the maximum output power. The load resistance of R (= 1/(1/Rb + 1/(Rc + Rd)) is the parallel value of the resistance box value (Rb) and the series resistance of the piezoelectric collector resistance (Rc) and the divider resistance (Rd). The effects of the force arm length and the PCS number of an LPCB, amplitude and frequency of the footstep excitation, and the unimorph/bimorph PCS on the electric output parameters of the bricks are studied comprehensively.
Figure 4. A non-destructive detector (ET-01).
Table 1. Dimensions and physical parameters of piezoelectric bricks.
Figure 5. The view of the experimental setup and the electric circuit of piezoelectric brick made of a pair of LPCBs. (a) Experimental setup; (b) Electric circuit.

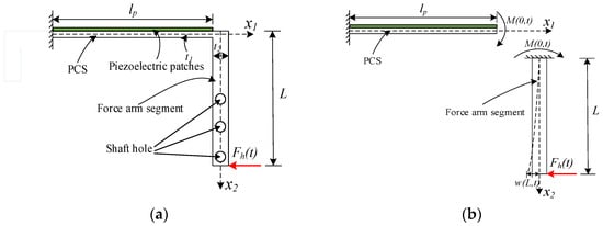
4. The Simplified Theoretical Model of the LPCB with One PCS

For the convenience to analyze the experimental results and simulate the influence of the design parameters of the LPCB on the electric output of the piezoelectric brick, the simplified theoretical model of the LPCB displayed in Figure 6a is proposed. Due to the trajectory of the shaft just along the shaft slot shown as Figure 1d and the axial stiffness of the PCS of the LPCB is tremendous, a hypothesis is assumed that the horizontal, vertical, and angular displacements (x1 = lp) of PCS are zero. In this case, the force arm segment can be considered as a cantilever shown as Figure 6b. According to the moment equilibrium principle, the bending moment (x2 = 0) of the cantilever should be equal to the bending moment (x1 = lp) of the PCS. Therefore, given the bending moment (x2 = 0) of the cantilever is solved, the charge and the voltage on the PCS can be obtained. Some necessary theoretical formulas are listed as below:
E I 4 w x 4 + m ¯ 2 w t 2 = F ( t )
w ( x 2 , t ) = n = 1 W n ( x 2 ) q n ( t )
where EI denotes the bending rigidity of the force arm segment; m ¯ is the mass of unit length of the force arm segment; qn(t) and Wn(x2) are the nth generalized coordinate and vibration shape function of the force arm segment.
W ( x 2 ) = C 1 cos s x 2 + C 2 sin s x 2 + C 3 cosh s x 2 + C 4 sinh s x 2
where C1C4 is the constant; s is frequency parameter; C1C4 and s can be solved through the boundary condition. For the cantilever, the boundaries are as bellow:
W ( 0 ) = 0 ; W ( 0 ) = 0 ; E I W ( L ) = 0 ; E I W ( L ) = 0
Figure 6. The physical model of LPCB of 1 # piezoelectric brick. (a) Model of LPCB; (b) Simplified model of LPCB.
According to the shape function and the natural frequencies of the cantilever (force arm segment), the generalized coordinate can be expressed as follows:
q n ( t ) = 1 m ¯ B ω n 0 t Q n ( τ ) sin ω n ( t τ ) d τ
In which:
ω n = ( s L ) n 2 E I m ¯ L 4 , B = 0 L W n 2 ( x ) d x , Q ( t ) = 0 L F ( t ) W n ( x ) δ ( x L ) d x = F ( t ) W n ( L )
Based on the shape function, the generalized coordinates and principle of force amplifier shown in Figure 2a, the horizontal displacement (w(L, t)) and the bending moment (M(0, t)) of the cantilever (force arm segment) can be expressed as follows:
w ( L , t ) = n = 1 W n ( L ) q n ( t )
M ( 0 , t ) = F h ( t ) L = F ( t ) L 2 tan θ ( t )
tan θ ( t ) = L c 2 ( L h ( t ) ) 2 L h ( t )
L h ( t ) = w ( L , t ) + L h 0
where w(L, t) is the horizontal displacement of the cantilever at x2 = L; M(0, t) is the bending moment of the cantilever (force arm segment) at x2 = 0; Fh(t) is the horizontal force exerted on the force arm segment at time t; L = l + na denotes the force arm length and n equal to 0, 1, or 2; F(t) is the vertical force from footstep at time t; θ(t) denoted the angle of the force amplifier at time t; Lc is the length of BC/BD; Lh and Lh0 are the length and the initial length of horizontal projection of BC/BD.
Due to the bending moment exerted on the PCS is equal to M (0, t), the stress σ(t) and the strain ε(t) of the piezoelectric patch in PCS can be obtained as follows:
σ ( t ) = M ( 0 , t ) ( t 1 + t p ) 2 I
I = l p t 1 3 12 + l p t 1 ( t p 2 ) 2 + E p E [ l p t p 3 12 + l p t 1 ( t p 2 ) 2 ]
ε ( t ) = σ ( t ) / E p
where I denotes the inertia moments of the PCS of LPCB; t1 and tp express the substrate thickness and the piezoelectric patch thickness; lp denotes the PCS length; E and Ep are the Young’s modulus of the substrate and the piezoelectric patch.
Q g ( t ) = d 31 ε ( t ) E p A p
V g ( t ) = Q g ( t ) C = d 31 ε ( t ) E p A p ε 0 ε r A p / t p = d 31 ε ( t ) E p t p ε 0 ε r
V r m s = 1 T 0 T V g ( t ) 2 d t = d 31 E p t p ε 0 ε r 1 T 0 T ε ( t ) 2 d t
V d = ( V g max V g min ) / A p t p
where Qg (t) and Vg (t) are the generated electric charge and voltage for an open-circuit at time t from one piezoelectric patch of the brick; d31 is the piezoelectric constant; Ap and C are the surface area and the capacitance of the piezoelectric patch; Vrms, Vgmax, Vgmin, and Vd are the root mean square of open-circuit voltage, the maximum of Vg (t), the minimum of Vg (t), and the peak-to-peak voltage density from one piezoelectric patch of the brick; ε0 is the permittivity of air and εr is the dielectric constant of the piezoelectric patch; T is a footstep period.
V r m s c = = R V r m s 1 + R 2 ω 2 C 2 + R c 2 ω 2 C 2
P ¯ = V r m s c 2 R = R V r m s 2 1 + R 2 ω 2 C 2 + R c 2 ω 2 C 2
P ¯ d = P ¯ / A P t P
P ¯ max = V r m s c 2 / R o p t
where Vrmsc are the root mean square of close-circuit voltage; R and Rc means the load resistance and the internal resistance of PZT4 patch in the circuit; ω is the excitation frequency; P ¯ , P ¯ d , and P ¯ max represent the average power, the average power density, and the maximum average power from a PZT4 patch of an L-shaped beam respectively; Ropt is the optimum load resistance in the circuit and can be solved by R = Rc and P ¯ / R = 0 .

5. Experimental Results and Discussion

In the following research, the treading experiments of 1# and 2# piezoelectric bricks are conducted through simulating the footstep of a person by a linear reciprocating motor. In the experiment, the influences of some factors, including the footstep excitation amplitude and frequency, the force arm length, PCS number of an LPCB, unimorph/bimorph PCS, and the load resistance, on the output voltage and average power from each PZT4 patch of the LPCBs are measured and discussed.

5.1. Experiments of 1# Piezoelectric Brick

The experiment arrangement for this section is as below: 1#1 PZT4 patch was pasted tightly on the upper surface of the substrate in the PCS of an LPCB, and the tests about the output voltages/average powers from 1#1 PZT4 patch of 1# piezoelectric brick were conducted by considering the change of the force arm length, the amplitude of footstep excitation, and the load resistance.

5.1.1. Peak-to-Peak Voltages from 1#1 PZT4 Patch on Unimorph PCS (Open-Circuit)

The peak-to-peak voltages from 1#1 PZT4 patch on unimorph PCS of the LPCB were measured by changing the amplitude of footstep excitation and the force arm length. Taking the amplitude (F) of 500 N and the frequency (f) of 1 Hz of exerted force as an example, the instantaneous voltages from 1#1 PZT4 patch on unimorph PCS in 8 s were recorded and displayed in Figure 7, in which positive peak voltages are bigger than the negative peak voltages. The reason is that the peak deformation of the PCS of the LPCB in forced vibration (positive voltage section) is larger than that in free vibration (negative voltage section). The peak-to-peak voltages from 1#1 PZT4 patch on unimorph PCS are depicted in Figure 8 in the condition of the excitation frequency of 1 Hz and the amplitude of footstep excitation increasing from 250 N to 500 N; the specific voltages are listed in Table 2. Obviously, the peak-to-peak voltages from 1#1 PZT4 patch linearly increase with the increases in the amplitude of footstep excitation and the force arm length, which all lead to the increase in the surface strain exerted on the PCS (explained as Equations (6) and (9)–(11)). Correspondingly, the peak-to-peak voltage densities from 1#1 PZT4 patch on unimorph PCS have the same change trend as that of voltages with the increase in the amplitude of footstep excitation and the force arm length. This case in which Ap keeps as a constant. Specifically, corresponding to the force arm length of 19.5 mm, 26.5 mm and 33.5 mm, the peak-to-peak voltage densities from 1#1 PZT4 patch on unimorph PCS respectively increases from 0.0128 V/mm3 to 0.0308 V/mm3, 0.024 V/mm3 to 0.0524 V/mm3, and 0.0472 V/mm3 to 0.0792 V/mm3 with the increase in the amplitude of footstep excitation from 250 N to 500 N.
Figure 7. Reported voltages from 1#1 PZT4 patch on unimorph PCS of 1# piezoelectric brick (F = 500 N, f = 1 Hz). (a) L = 19.5 mm; (b) L = 26.5 mm; (c) L = 33.5 mm.
Figure 8. Peak-to-peak voltages from 1#1 PZT4 patch on unimorph PCS of 1# piezoelectric brick versus the amplitude of footstep excitation (f = 1 Hz).
Table 2. Peak-to-peak voltages (V) from 1#1 and 2#1 PZT4 patches (f = 1 Hz).

5.1.2. Average Powers from PZT4 Patch of 1#1 on Unimorph PCS (Close-Circuit)

Based on a series of experiments, the average powers from 1#1 PZT4 patch on unimorph PCS of 1# piezoelectric brick corresponding to different load resistance are recorded in the condition of F = 500 N and f = 1 Hz. The average output power from 1#1 PZT4 patch on unimorph PCS versus load resistance from 10 kΩ to 900 kΩ is displayed in Figure 9. Obviously, in the excitation of exerted force (F =500 N, f =1 Hz), for the force arm length of 19.5 mm, 26.5 mm, and 33.5 mm, the average output powers from 1#1 PZT4 patch show a trend of rising first and then a dropping as (0.01 mW, 2.04 mW, 0.68 mW), (0.78 mW, 5.67 mW, 2.45 mW), and (3.65 mW, 11.32 mW, 4.1 mW) respectively with the increase in the load resistances from 10 kΩ to 900 kΩ. The optimal load resistances corresponding to the maximum average powers of 2.04 mW, 5.67 mW, and 11.32 W are 333.3 KΩ, 285.7 KΩ, and 230.8 KΩ, respectively. The maximum average output power densities from 1 # 1 PZT4 patch are 0.82 μW/mm3, 2.27 μW/mm3 and 4.53 μW/mm3 corresponding to the force arm of 19.5 mm, 26.5 mm, and 33.5 mm, respectively. The results show that with the increase in the force arm length, average output powers and average power densities from 1#1 PZT4 patch increase, but the optimal load resistance decreases. This is because the increase in the force arm length would cause the increase in the surface strain exerted on LPCB and finally leads to the increases in output average powers and average power densities. This phenomenon can also be explained by Equations (9)–(11) and (16)–(18). In addition, with the increase in the force arm length, the 1st resonant frequency of the LPCB will decrease which is positive correlation to the optimal load resistance.
Figure 9. Average powers from PZT4 patch of 1#1 on unimorph PCS of 1# piezoelectric brick versus the load resistance and the force arm length (F = 500 N, f = 1 Hz).

5.2. Experiments of 2# Piezoelectric Brick

The experiment arrangement for this section is as below: firstly, 2#1 and 2#3 PZT4 patches were pasted tightly on upper surfaces of PCS1 and PCS2 shown as Figure 2, and tests about the output voltages/average powers from 2#1 and 2#3 PZT4 patches were conducted by considering changes of the force arm length, amplitude and frequency of footstep excitation (f = 1 Hz/2 Hz), and the load resistance; secondly, 2#2 and 2#4 PZT4 patches, same as 2#1 and 2#3, were pasted on lower surfaces of PCS1 and PCS2, and the average powers from 2#2 and 2#4 PZT4 patches are measured by thinking of the influence of the foresaid factors.

5.2.1. Peak-to-Peak Voltages from PZT4 Patches of 2#1 on Unimorph PCS1 and 2#3 on Unimorph PCS2 (Open-Circuit)

The peak-to-peak voltages from PZT4 patches of 2#1 on unimorph PCS1 and 2#3 on unimorph PCS2 are displayed in Figure 10a,b respectively. Specifically, for the force arm length of 19.5 mm, 26.5 mm and 33.5 mm, the peak-to-peak voltages from 2#1 PZT4 patch on unimorph PCS1 are (40 V, 76 V, 101 V, 131 V, 153 V, 165 V), (94 V, 130 V, 164 V, 196 V, 217 V, 238 V), and (170 V, 219 V, 261 V, 304 V, 331 V, 355 V), the peak-to-peak voltages from 2#3 PZT4 patch on unimorph PCS2 are (47 V, 81 V, 108 V, 135 V, 157 V, 173 V), (99 V, 137 V, 173 V, 200 V, 224 V, 244 V), and (179 V, 226 V, 269 V, 308 V, 339 V, 363 V) corresponding to amplitude of footstep excitation of 250 N, 300 N, 350 N, 400 N, 450 N and 500 N, respectively. The corresponding voltage densities from 2#3 PZT4 patch on unimorph PCS2 are computed as (0.019 V/mm3, 0.032 V/mm3, 0.043 V/mm3, 0.054 V/mm3, 0.063 V/mm3, 0.069 V/mm3), (0.04 V/mm3, 0.055 V/mm3, 0.069 V/mm3, 0.08 V/mm3, 0.089 V/mm3, 0.097 V/mm3) and (0.072 V/mm3, 0.09 V/mm3, 0.108 V/mm3, 0.123 V/mm3, 0.136 V/mm3, 0.144 V/mm3) corresponding to amplitude of footstep excitation of 250 N, 300 N, 350 N, 400 N, 450 N and 500 N, respectively. It can be found that the peak-to-peak voltages from PZT4 patches of 2#1 on unimorph PCS1 and 2#3 on unimorph PCS2 all display an increasing trend with the increases in the amplitude of footstep excitation and the force arm length. This is because the increases in the two factors aforesaid leads to the increase in the surface strain and the output voltage of the PCSs. This phenomenon also can be theoretically explained by Equations (9)–(11), (14) and (15).
Figure 10. Peak-to-peak voltages from PZT4 patches of 2#1 on unimorph PCS1 and 2#3 on unimorph PCS2 of 2# piezoelectric brick versus the amplitude of footstep excitation (f = 1 Hz). (a) 2#1 PZT4 patch; (b) 2#3 PZT4 patch.
To compare the energy harvesting ability of unimorph PCSs 1 and 2 of 2# piezoelectric brick, the peak-to-peak voltages from PZT4 patches of 2#1 on unimorph PCS1 and 2#3 on unimorph PCS2 were extracted and displayed in Figure 11a–c corresponding to the force arm length of 19.5 mm, 26.5 mm, and 33.5 mm, respectively. Obviously, in the same excitation and force arm, the output voltage from 2#3 PZT4 patch on unimorph PCS2 was slightly larger than the corresponding one from 2#1 PZT4 patch on unimorph PCS1. This is because there is a weakly internal energy dissipation in the energy transmission of exerted force from PCS2 to PCS1. For Figure 11a, the maximum difference is 7 V (47 V–40 V) at amplitude of footstep excitation of 250 N; for Figure 11b, the maximum difference is 9 V (173 V–164 V) at amplitude of footstep excitation of 350 N; and for Figure 11c, the maximum difference is 9 V (179 V–170 V) at amplitude of footstep excitation of 250 N. This phenomenon experimentally demonstrates that unimorph PCSs 1 and 2 basically have the same energy harvesting ability for they bear the same bending moment in the treading process, which also can be seen from Figure 3a.
Figure 11. Comparison of peak-to-peak voltages from PZT4 patches of 2#1 on unimorph PCS1 and 2#3 on unimorph PCS2 of 2# piezoelectric brick versus the amplitude of footstep excitation (f = 1 Hz). (a) L = 19.5 mm; (b) L = 26.5 mm; (c) L = 33.5 mm.
The peak-to-peak voltages from PZT4 patches of 1#1 on unimorph PCS of 1# piezoelectric brick and PZT4 patches of 2#1 on unimorph PCS1 of 2# piezoelectric brick are displayed in Figure 12 and Table 2. It can be observed that the peak-to-peak voltages from 2#1 PZT4 patch of unimorph PCS1 of 2# piezoelectric brick are obviously larger than the corresponding one from 1#1 PZT4 patch of unimorph PCS of 1# piezoelectric brick. This is because 2# piezoelectric has a smaller extensional rigidity than 1# piezoelectric, which causes the increased surface strain of 2#1 PZT4 patch of 2# piezoelectric brick than that of 1#1 PZT4 patch 1# piezoelectric brick. For example, the maximum difference can reach up to 157 V (355 V–198 V) when amplitude of footstep excitation is 500 N and the force arm length is 33.5 mm. This indicates that the LPCB with two PCSs in 2# piezoelectric brick has a better energy harvesting ability than the LPCB with one PCS in 1# piezoelectric brick because the LPCB with two PCSs has a smaller bending rigidity than the LPCB with one PCS.
Figure 12. Comparison of peak-to-peak voltages from PZT4 patches of 1#1 on unimorph PCS of 1# piezoelectric brick and 2#1 on unimorph PCS1 of 2# piezoelectric brick versus the amplitude of footstep excitation (f = 1 Hz). (a) L = 19.5 mm; (b) L = 26.5 mm; (c) L = 33.5 mm.

5.2.2. Average Powers from PZT4 Patches of 2#1–2#4 on PCSs (Close-Circuit)

In the following experiments, let the amplitude and the frequency of footstep excitation be 500 N and 1 Hz respectively; the average powers from PZT4 patches of 2#1 on unimorph PCS1 and 2#3 on unimorph PCS2 of 2# piezoelectric brick are measured through adjusting the load resistance. From the experimental results shown as Figure 13, the average powers from PZT4 patches of 2#1 on unimorph PCS1 and 2#3 on unimorph PCS2 all show a trend of first increase and then decrease with the increase in the load resistance from 10 kΩ to 900 kΩ. Specifically, for the force arm of 19.5 mm, 26.5 mm and 33.5 mm, as shown in Figure 13a the maximum average output powers from 2#1 PZT4 patch on unimorph PCS1 are 9.63 mW, 18.33 mW, and 41.23 mW corresponding to their optimal load resistances of 411.8 kΩ, 375 kΩ, and 333.3 kΩ respectively; the maximum average powers from 2#3 PZT4 patch on unimorph PCS2 and their optimal load resistances are (10.07 mW, 411.8 kΩ), (21.04 mW, 375 kΩ), and (43.65 mW, 333.3 kΩ), respectively, which is displayed as Figure 13b. Based on the aforesaid experimental results, it can be observed that with the increase in the force arm length, the average output powers from PZT4 patches of 2# piezoelectric brick increase, but the optimal load resistance matching maximum average powers decreases. This is because the increase in the force arm length would cause the increase in the bending moment exerted on LPCB and the decrease in the 1st resonant frequency of the LPCB. The former would further cause the increase in the average power, and the latter could lead to the decrease in the optimal load resistance. In addition, the average output power from 2#3 PZT4 patch on unimorph PCS2 is slightly larger than the corresponding one from 2#1 PZT4 patch on unimorph PCS1. This phenomenon indicates that PCS1 and PCS2 of the LPCB of 2# piezoelectric brick basically have the same energy harvesting ability for their same uniform surface strain in the treading process. It is noteworthy that the 2#3 PZT4 patch (50 mm × 50 mm × 1 mm) on unimorph PCS2 can output an average power up to 43.65 mW (17.46 μW/mm3). This indicates the proposed piezoelectric bricks in this research are promising and cost-effective.
Figure 13. Average powers from unimorph PCSs of 2# piezoelectric brick versus the load resistance and force arm length (F = 500 N, f = 1 Hz). (a) 2#1 PZT4 patch on PCS1; (b) 2#3 PZT4 patchon PCS2.
The experiments of bimorph PCSs of 2# piezoelectric brick were conducted by pasting 2#2 and 2#4 PZT4 patches on the lower surfaces of PCS1 and PCS2 respectively. The average powers from PZT4 patches of 2#1–2#2 on bimorph PCS1 and 2#3–2#4 on bimorph PCS2 also show a change of first increase and then decrease with the increase in the load resistance, which can be seen from Figure 14 and Figure 15. In addition, some other valuable findings can be obtained from Table 3. First, the optimal load resistances for 2#1–2#4 PZT4 patches are same when the force arm length is set; for example, the optimal load resistance keeps 444.4 kΩ, 411.8 kΩ, and 375 kΩ, respectively corresponding to force arm of 19.5 mm, 26.5 mm, and 33.5 mm for 2#1–2#4 PZT4 patches; second, the average output powers from 2#1 PZT4 patch are slightly larger than the corresponding ones from 2#2 PZT4 patch, the average output powers from 2#3 PZT4 patch are slightly larger than the corresponding ones from 2#4 PZT4 patches. This is because the strain energy in PCS transfers from stretching surface to pressing surface in the vibration process and there is energy dissipation in the transaction process. 2#1 and 2#3 PZT4 patches are in the stretching state in the forced vibration process, and there is a bigger energy dissipation from 2#1 and 2#3 PZT4 patches to 2#2 and 2#4 PZT4 patches compared to that from 2#2 and 2#4 PZT4 patches to 2#1 and 2#3 PZT4 patches in the free vibration process.
Figure 14. Average powers from bimorph PCS1 of 2# piezoelectric brick versus the load resistance and force arm length (F = 500 N, f = 1 Hz). (a) 2#1 PZT4 patch; (b) 2#2 PZT4 patch.
Figure 15. Average powers from bimorph PCS2 of 2# piezoelectric brick versus the load resistance and force arm length (F = 500 N, f = 1 Hz). (a) 2#3 PZT4 patch; (b) 2#4 PZT4 patch.
Table 3. The maximum average powers from 2#1–2#4 PZT4 patches on bimorph PCSs and the corresponding optimal load resistances (F = 500 N, f = 1 Hz).
This phenomenon indicates that 2#1–2#4 PZT4 patches basically have the same level of deformation and energy harvesting ability in the treading process, which can be explained by Equations (9)–(11) and (16)–(18).
Finally, to explore the influence of the frequency of exerted force on the harvesting performance of 2# piezoelectric brick, the excitation parameters are set to be: F = 500 N, f = 2 Hz, and L = 33.5 mm, the generated voltages are reported for 8 s and shown in Figure 16, and the average powers are measured and displayed in Figure 17. Obviously, the generated voltages from 2#3 PZT4 patch as shown in Figure 16b are still slightly larger than the corresponding ones from 2#1 PZT4 patch as shown in Figure 16a, which is because the same reason as 5.2.1. Similarly, in the same condition, the maximum average power from 2#3 PZT4 patch is slightly larger than the one from 2#1 PZT4 patch, which can be seen from Figure 17. Some important experimental results displayed in Figure 16 and Figure 17 are taken out and listed in Table 4; for example, the peak-to-peak voltages, the maximum average powers from 2#1 PZT4 patch and 2#3 PZT4 patch on unimorph PCSs and their optimal load resistances are (362 V, 89.74 mW, 230.77 kΩ) and (376 V, 94.72 mW, 230.77 kΩ) respectively. It is worth noting that the average power from the 2#3 PZT4 patch at 2 Hz is almost double times of that at 1 Hz, however, the output voltages from 2 Hz excitation and 1 Hz excitation are basically the same. It can be seen the output average power (power density) in 2 Hz excitation can reach up to 94.72 mW (37.89 μW/mm3). The reason is the excitation period for 2 Hz is half of that for 1 Hz, which can be explained by Equations (14) and (16)–(19).
Figure 16. Reported voltages from 2#1 and 2#3 PZT4 patch on unimorph PCS1 and PCS2 of 2# piezoelectric brick (F = 500 N, f = 2 Hz, and L = 33.5 mm). (a) 2#1 PZT4 patch on PCS1; (b) 2#3 PZT4 patch on PCS2.
Figure 17. Average powers from unimorph PCSs of #2 piezoelectric brick versus the load resistance and force arm length (F = 500 N, f = 2 Hz). (a) 2#1 PZT4 patch on PCS1; (b) 2#3 PZT4 patch on PCS2.
Table 4. Output electric parameters from 2#1 and 2#3 PZT4 patches on unimorph PCSs in different frequency of exerted force (F = 500 N, L = 33.5 mm).
For the proposed piezoelectric bricks, their higher energy harvesting efficiency and cost-effectiveness depend on the force amplifier and the higher average power density of the piezoelectric patch. Actually, the average power density of the proposed brick is relatively higher than those of the most exist piezoelectric harvesters shown as Table 5. This indicates that the proposed piezoelectric brick has a promising application prospect.
Table 5. The maximum average power density of the piezoelectric harvesters.

6. MATLAB Simulation

In order to further study the influence of the substrate material on the electric output parameters of 1# piezoelectric brick, a series of programs were developed through MATLAB software based on the theoretical model in Section 4. RMS of voltages and average powers from LPCB made of different materials, including aluminum alloy, spring steel and Babbitt metal, are computed and depicted. In the simulation of three models, the force arm length and the footstep excitation amplitude all are set to increase from 19.5 mm to 33.5 mm, and from 250 N to 500 N, respectively. Other parameters are taken from Table 1 and Table 6.
Table 6. Output electric parameters of 1#1 PZT4 patches on unimorph PCS with different substrate materials.
Before the numerical research, the peak-to-peak voltages of 1#1 PZT4 patch from simulation results and experimental results are extracted and compared, which can be seen from Figure 18. The results show that the simulation values are slightly bigger than the experimental values. This is because the theoretical model in the simulation it is assumed that the force arm segment is a cantilever and its fixed end has no displacement. In actuality, its fixed end has a weakly displacement, especially the angular displacement which leads to a bigger bending moment compared to the experiment value. However, the errors between the simulation values and the experimental values are no more than 6%, which indicates the theoretical model and the simulation results are reliable and accuracy.
Figure 18. Peak-to-peak voltages of 1#1 PZT4 patch of unimorph PCS from simulation and experiment versus the amplitude of footstep excitation.
According to the simulation results, the RMS of voltages and average powers corresponding to different substrate material are demonstrated in Figure 19, Figure 20 and Figure 21. It is obvious that for three substrate materials, the RMS of voltages and average powers from the LPCB of 1# piezoelectric brick increase with the increases of the force arm length and the excitation force amplitude. For example, when the amplitude of the footstep excitation is kept as 500 N, the average output powers from 1#1 PZT4 patch of the LPCB with aluminum alloy substrate, spring steel substrate, and Babbitt metal substrate increase from 2.15 mW to 13.24 mW, 1.69 mW to 11.39 mW and 2.35 mW to 16.01 mW with the increase of the force arm length from 19.5 mm to 33.5 mm, respectively. This is because the increases of the force arm length and the excitation force amplitude all lead to the increase of the surface strain exerted on the PCS (see Equations (6)–(11)), which further causes the increase of the average power from 1#1 PZT4 patch (see Equations (13)–(17)). Specifically, the maximum RMS of the voltages and the average powers from LPCB with aluminum alloy, -spring steel, and Babbitt metal are extracted and listed in Table 6. Obviously, the RMS of voltage and the average power increase with the decrease of the Young’s modulus of the substrate material. For example, compared with the aluminum alloy substrate and spring steel substrate, the maximum RMS of the voltages and the average powers from LPCB with Babbitt metal can reach up to 14.55 mW. This is because the Babbitt metal substrate has a smaller Young’s modulus than that of the alloy substrate and spring steel substrate, which can be explained by Equations (4)–(11) and (19). This simulation result indicates that using Babbitt metal substrate can improve the energy harvesting ability of the LPCB of 1# piezoelectric brick, but the corresponding cost will also increase.
Figure 19. RMS of voltages and average powers from 1#1 PZT4 patch of 1# piezoelectric brick with Aluminum alloy substrate versus the force arm length of LPCB and the footstep excitation amplitude. (a) RMS of voltages; (b) Average powers.
Figure 20. RMS of voltages and average powers from 1#1 PZT4 patch of 1# piezoelectric brick with Spring steel substrate versus the force arm length of LPCB and the footstep excitation amplitude. (a) RMS of voltages; (b) Average powers.
Figure 21. RMS of voltages and average powers from 1#1 PZT4 patch of 1# piezoelectric brick with Babbitt metal substrate versus the force arm length of LPCB and the footstep excitation amplitude. (a) RMS of voltages; (b) Average powers.

7. Conclusions

In view of the low output power density of the existing footstep harvesters, two pairs of distinctive LPCBs and the corresponding piezoelectric brick models are developed to improve the utilization efficiency of the piezoelectric patches used in the bricks. A theory model of the aforesaid LPCB is established to analyze its dynamic performance. Two pairs of LPCBs and two piezoelectric brick specimens are customized and a series of experiments are carried out. Some numerical computations based on the theory model of LPCB are conducted. According to the experiment and simulation results, some valuable conclusions can be drawn as follows:
1.
The force amplification factor increases with the increase of amplitude of footstep excitation and the energy harvesting ability of the piezoelectric brick can be improved by using the substrate material with a small young’s modulus;
2.
For any PZT4 patch bonded on LPCB in 1# or 2# piezoelectric brick, the output peak voltage in forced vibration period is far greater than that in the free vibration period, because the strain amplitude of the PZT4 patch in the forced vibration period is much bigger than that in free vibration period;
3.
The average powers from PZT4 patches bonded on upper surfaces in PCSs are slightly larger than the corresponding ones from PZT4 patches bonded on lower surfaces in PCSs, which is because the strain energy in PCS transfers from stretching surface to pressing surface in the vibration process and there is a bigger energy dissipation in the transaction from upper surface to the lower surface compared to from lower surface to upper surface;
4.
The output voltages and powers from PZT4 patches of 2# piezoelectric brick are notably larger than the corresponding ones from PZT4 patches of 1# piezoelectric brick in the same excitation; the main reason is the bending rigidity of 2# piezoelectric brick is less than that of 1# piezoelectric brick;
5.
For 2# piezoelectric brick, the output voltages and powers from PZT4 patches on PCS2 are slightly larger than the corresponding ones from PZT4 patches on PCS1, because there is energy dissipation of exerted force in the transmission from PCS2 to PCS1;
6.
The measured voltage (voltage density) and the output average power (power density) from 2# piezoelectric brick can reach up to 376 V (0.15 V/mm3) and 94.72 mW (37.89 μW/mm3) for a PZT4 patch with a dimension of 50 mm × 50 mm × 1 mm.

Author Contributions

X.X. and G.D. incepted the research. X.X. and Z.W. designed the experiments. Z.W. and X.X conducted the experiments. Z.W. and J.Z. analyzed the data. X.X., Z.W., J.Z. and G.D. wrote the paper. All authors have read and agreed to the published version of the manuscript.

Funding

This research was partially funded by Major Project for Special Technology Innovation of Hubei Province [2019 AAA011] and PetroChina Innovation foundation [2017 D-5007-0604].

Institutional Review Board Statement

Not applicable.

Data Availability Statement

All data details about this research have been displayed in the manuscript.

Conflicts of Interest

The authors declare no conflict of interest.

References

  1. Choi, Y.M.; Lee, M.G.; Jeon, Y. Wearable biomechanical energy harvesting technologies. Energies 2017, 10, 1483. [Google Scholar] [CrossRef] [Green Version]
  2. Izadgoshasb, I.; Lim, Y.Y.; Lake, N.; Tang, L.; Padilla, R.V.; Kashiwao, T. Optimizing orientation of piezoelectric cantilever beam for harvesting energy from human walking. Energy Convers. Manag. 2018, 161, 66–73. [Google Scholar] [CrossRef]
  3. Berdy, D.F.; Valentino, D.J.; Peroulis, D. Kinetic energy harvesting from human walking and running using a magnetic levitation energy harvester. Sens. Actuators A Phys. 2015, 222, 262–271. [Google Scholar] [CrossRef]
  4. Ha, M.; Park, J.; Lee, Y.; Ko, H. Triboelectric generators and sensors for self-powered wearable electronics. ACS Nano 2015, 9, 3421–3427. [Google Scholar] [CrossRef] [PubMed]
  5. Tan, Y.; Lu, G.; Cong, M.; Wang, X.; Ren, L. Gathering energy from ultra-low-frequency human walking using a double frequency up-conversion harvester in public squares. Energy Convers. Manag. 2020, 217, 112958. [Google Scholar] [CrossRef]
  6. Jeong, S.Y.; Hwang, W.S.; Cho, J.W.; Jeong, J.C. Piezoelectric device operating as sensor and harvester to drive switching circuit in LED shoes. Energy 2019, 177, 87–93. [Google Scholar] [CrossRef]
  7. Iqbal, M.; Nauman, M.M.; Khan, F.U.; Abas, P.E.; Choek, Q.; Iqbal, A.; Aissa, B. Vibration-based piezoelectric, electromagnetic, and hybrid energy harvesters for microsystems applications: A contributed review. Int. J. Energy Res. 2021, 45, 65–102. [Google Scholar] [CrossRef]
  8. Hamlehdar, M.; Kasaeian, A.; Safaei, M.R. Energy harvesting from fluid flow using piezoelectrics: A critical review. Renew. Energy 2019, 143, 1826–1838. [Google Scholar] [CrossRef]
  9. Safaei, M.; Sodano, H.A.; Anton, S.R. A review of energy harvesting using piezoelectric materials: State-of-the-art a decade later (2008–2018). Smart Mater. Struct. 2019, 28, 113001. [Google Scholar] [CrossRef]
  10. Kim, H.W.; Priya, S.; Uchino, K.; Newnham, R.E. Piezoelectric Energy Harvesting under High Pre-Stressed Cyclic Vibrations. J. Electroceram. 2015, 15, 27–34. [Google Scholar] [CrossRef]
  11. Anh, N.D.; Linh, N.N.; Manh, V.; Tuan, V.A.; Kuu, N.V.; Nguyen, A.T.; Elishakoff, I. Efficiency of mono-stable piezoelectric Duffing energy harvester in the secondary resonances by averaging method. Part 1: Sub-harmonic resonance. Int. J. Lin. Mech. 2020, 126, 103537. [Google Scholar] [CrossRef]
  12. Pradeesh, E.L.; Udhayakumar, S. Effect of placement of piezoelectric material and proof mass on the performance of piezoelectric energy harvester. Mech. Syst. Signal Process. 2019, 130, 664–676. [Google Scholar] [CrossRef]
  13. He, L.; Zhao, D.; Li, W.; Wu, X.; Cheng, G. A dual piezoelectric energy harvester with contact and non-contact driven by inertial wheel. Mech. Syst. Signal Process. 2020, 146, 106994. [Google Scholar] [CrossRef]
  14. Zhao, Q.; Liu, Y.; Wang, L.; Yang, H.; Cao, D. Design method for piezoelectric cantilever beam structure under low frequency condition. Int. J. Pavement Res. Technol. 2018, 11, 153–159. [Google Scholar] [CrossRef]
  15. Xie, X.; Wang, Q.; Wu, N. Energy harvesting from high-rise buildings by a piezoelectric coupled cantilever with a proof mass. Int. J. Eng. Sci. 2013, 72, 98–106. [Google Scholar] [CrossRef]
  16. Li, M.; Jing, X. Novel tunable broadband piezoelectric harvesters for ultralow-frequency bridge vibration energy harvesting. Appl. Energy 2019, 255, 113829. [Google Scholar] [CrossRef]
  17. Wang, H.; Jasim, A.; Chen, X. Energy harvesting technologies in roadway and bridge for different applications—A comprehensive review. Appl. Energy 2018, 212, 1083–1094. [Google Scholar] [CrossRef]
  18. Xie, X.; Wang, Q.; Wu, N. Potential of a piezoelectric energy harvester from sea waves. J. Sound Vib. 2014, 333, 1421–1429. [Google Scholar] [CrossRef]
  19. Xie, X.; Wang, Q.; Wu, N. Energy harvesting from transverse ocean waves by a piezoelectric plate. Int. J. Eng. Sci. 2014, 81, 41–48. [Google Scholar] [CrossRef]
  20. Wu, N.; Wang, Q.; Xie, X. Ocean wave energy harvesting with a piezoelectric coupled buoy structure. Appl. Ocean Res. 2015, 50, 110–118. [Google Scholar] [CrossRef]
  21. Hwang, W.S.; Ahn, J.H.; Jeong, S.Y.; Jung, H.J.; Hong, S.K.; Choi, J.Y.; Cho, J.Y.; Kim, J.H.; Sung, T.H. Design of piezoelectric ocean-wave energy harvester using sway movement. Sens. Actuators A Phys. 2017, 260, 191–197. [Google Scholar] [CrossRef]
  22. Wu, N.; Wang, Q.; Xie, X. Wind energy harvesting with a piezoelectric harvester. Smart Mater. Struct. 2013, 22, 095023. [Google Scholar] [CrossRef]
  23. Hou, C.; Shan, X.; Zhang, A.; Song, R.; Yang, Z. Design and Modeling of a Magnetic-Coupling Monostable Piezoelectric Energy Harvester under Vortex-Induced Vibration. IEEE Access 2020, 8, 108913–108927. [Google Scholar] [CrossRef]
  24. Jia, J.; Shan, X.; Upadrashta, D.; Xie, T.; Yang, Y.; Song, R. An asymmetric bending-torsional piezoelectric energy harvester at low wind speed. Energy 2020, 198, 117287. [Google Scholar] [CrossRef]
  25. Shan, X.; Tian, H.; Xie, T. Energy Harvesting Performance of a Wing Panel for Aeroelastic Vibration. Int. J. Struct. Stab. Dyn. 2019, 19, 1950102. [Google Scholar] [CrossRef]
  26. Shan, X.; Tian, H.; Cao, G.; Xie, T. Enhancing Performance of a Piezoelectric Energy Harvester System for Concurrent Flutter and Vortex-Induced Vibration. Energies 2020, 13, 3101. [Google Scholar] [CrossRef]
  27. Kan, J.; Fan, C.; Wang, S.; Zhang, Z.; Wen, J.; Huang, L. Study on a piezo-windmill for energy harvesting. Renew. Energy 2016, 97, 210–217. [Google Scholar] [CrossRef]
  28. Fan, K.; Chang, J.; Chao, F.; Pedrycz, W. Design and development of a multipurpose piezoelectric energy harvester. Energy Convers. Manag. 2015, 96, 430–439. [Google Scholar] [CrossRef]
  29. Mei, X.; Zhou, S.; Yang, Z.; Kaizuka, T.; Nakano, K. A tri-stable energy harvester in rotational motion: Modeling, theoretical analyses and experiments. J. Sound Vib. 2020, 469, 115142. [Google Scholar] [CrossRef]
  30. Bao, B.; Chen, W.; Wang, Q. A piezoelectric hydro-energy harvester featuring a special container structure. Energy 2019, 189, 116261. [Google Scholar] [CrossRef]
  31. Bao, B.; Wang, Q. A rain energy harvester using a self-release tank. Mech. Syst. Signal Process. 2021, 147, 107099. [Google Scholar] [CrossRef]
  32. Li, K.; He, Q.; Wang, J.; Zhou, Z.; Li, X. Wearable energy harvesters generating electricity from low-frequency human limb movement. Microsyst. Nanoeng. 2018, 4, 24. [Google Scholar] [CrossRef] [PubMed]
  33. Fan, K.; Qu, H.; Wu, Y.; Wen, T.; Wang, F. Design and development of a rotational energy harvester for ultralow frequency vibrations and irregular human motions. Renew. Energy 2020, 156, 1028–1039. [Google Scholar] [CrossRef]
  34. Zhang, G.; Li, M.; Li, H.; Wang, Q.; Jiang, Q. Harvesting Energy from Human Activity: Ferroelectric Energy Harvesters for Portable. Implantable, and Biomedical Electronics. Energy Technol. 2018, 6, 791–812. [Google Scholar] [CrossRef]
  35. George, A.; Moline, D.; Wagner, J. A mobile energy harvesting autowinder-Build and test. Renew. Energy 2020, 146, 2659–2667. [Google Scholar] [CrossRef]
  36. Izadgoshasb, I.; Lin, Y.Y.; Tang, L.H.; Padilla, R.V.; Tang, Z.S.; Sedighi, M. Improving efficiency of piezoelectric based energy harvesting from human motions using double pendulum system. Energy Convers. Manag. 2019, 84, 559–570. [Google Scholar] [CrossRef]
  37. Xie, X.; Carpinteri, A.; Wang, Q. A theoretical model for a piezoelectric energy harvester with a tapered shape. Eng. Struct. 2017, 144, 19–25. [Google Scholar] [CrossRef]
  38. Xie, X.; Wang, Q. A study on a high efficient cylinder composite piezoelectric energy harvester. Compos. Struct. 2017, 161, 237–245. [Google Scholar] [CrossRef]
  39. Xie, X.; Wang, Q. A study on an ocean wave energy harvester made of a composite piezoelectric buoy structure. Compos. Struct. 2017, 178, 447–454. [Google Scholar] [CrossRef]
  40. Zhang, J.; Xie, X.; Song, G.; Du, G.; Liu, D. A study on a near-shore cantilevered sea wave energy harvester with a variable cross section. Energy Sci. Eng. 2019, 7, 3174–3185. [Google Scholar] [CrossRef]
  41. Keshmiri, A.; Wu, N.; Wang, Q. A new nonlinearly tapered FGM piezoelectric energy harvester. Eng. Struct. 2018, 173, 52–60. [Google Scholar] [CrossRef]
  42. Xie, X.; Wang, Q.; Wu, N. A ring piezoelectric energy harvester excited by magnetic forces. Int. J. Eng. Sci. 2014, 77, 71–78. [Google Scholar] [CrossRef]
  43. Xie, X.; Wang, Q. Energy harvesting from a vehicle suspension system. Energy 2015, 86, 385–392. [Google Scholar] [CrossRef]
  44. Xie, X.; Wang, Q. A mathematical model for piezoelectric ring energy harvesting technology from vehicle tires. Int. J. Eng. Sci. 2015, 94, 113–127. [Google Scholar] [CrossRef]
  45. Xie, X.; Wang, Q.; Wang, S. Energy harvesting from high-rise buildings by a piezoelectric harvester device. Energy 2015, 93, 1345–1352. [Google Scholar] [CrossRef]
  46. Xie, X.; Wang, Q. Design of a piezoelectric harvester fixed under the roof of a high-rise building. Eng. Struct. 2016, 117, 1–9. [Google Scholar] [CrossRef]
  47. Viet, N.V.; Xie, X.; Lie, K.; Banthia, N.; Wang, Q. Energy harvesting from ocean waves by a floating energy harvester. Energy 2016, 112, 1219–1226. [Google Scholar] [CrossRef]
  48. Viet, N.V.; Wang, Q. Ocean wave energy pitching harvester with a frequency tuning capability. Energy 2018, 162, 603–617. [Google Scholar] [CrossRef]
  49. Delibas, B.; Koc, B. L1B2 Piezo Motor Using D33 Effect. In Proceedings of the ACTUATOR, 16th International Conference on New Actuators, Bremen, Germany, 25–27 June 2018; pp. 1–4. [Google Scholar]
  50. Randall, C.A.; Kelnberger, A.; Yang, G.Y.; Eitel, R.E.; Shrout, T.R. High Strain Piezoelectric Multilayer Actuators—A Material Science and Engineering Challenge. J. Electroceram. 2005, 14, 177–191. [Google Scholar] [CrossRef]
  51. Wischnewski, M.; Delibas, B.; Wischnewski, A. Piezoelectric motor operated both in resonance and DC modes. In Proceedings of the ACTUATOR, International Conference and Exhibition on New Actuator Systems and Applications, Online, 17–19 February 2021; pp. 1–4. [Google Scholar]
  52. Kim, K.B.; Cho, J.Y.; Jabbar, H.; Ahn, J.H.; Hong, S.D.; Woo, S.B.; Sung, T.H. Optimized composite piezoelectric energy harvesting floor tile for smart home energy management. Energy Convers. Manag. 2018, 171, 31–37. [Google Scholar] [CrossRef]
  53. Liu, H.; Hua, R.; Lu, Y.; Wang, Y.; Salman, E.; Liang, J. Boosting the efficiency of a footstep piezoelectric-stack energy harvester using the synchronized switch technology. J. Intell. Mater. Syst. Struct. 2019, 30, 813–822. [Google Scholar] [CrossRef]
  54. Qian, F.; Xu, T.; Zuo, L. Design, optimization, modeling and testing of a piezoelectric footwear energy harvester. Energy Convers. Manag. 2018, 171, 1352–1364. [Google Scholar] [CrossRef]
  55. Qian, F.; Xu, T.; Zuo, L. Material equivalence, modeling and experimental validation of a piezoelectric boot energy harvester. Smart Mater. Struct. 2019, 28, 075018. [Google Scholar] [CrossRef]
  56. Kuang, Y.; Daniels, A.; Zhu, M. A sandwiched piezoelectric transducer with flex end-caps for energy harvesting in large force environments. J. Phys. D Appl. Phys. 2017, 50, 345501. [Google Scholar] [CrossRef]
  57. Cha, Y.; Seo, J. Energy harvesting from a piezoelectric slipper during walking. J. Intell. Mater. Syst. Struct. 2017, 29, 1456–1463. [Google Scholar] [CrossRef]
  58. Hu, X.; Li, Y.; Xie, X. A study on a U-shaped piezoelectric coupled beam and its corresponding ingenious harvester. Energy 2019, 185, 938–950. [Google Scholar] [CrossRef]
  59. Xie, X.; Wang, Z.; Liu, D.; Du, G.; Zhang, J. An experimental study on a novel cylinder harvester made of L-shaped piezoelectric coupled beams with a high efficiency. Energy 2020, 212, 118572. [Google Scholar] [CrossRef]
  60. Xie, X.; Zhang, J.; Wang, Z.; Song, G. An experimental study on a high-efficient multifunctional U-shaped piezoelectric coupled beam. Energy Convers. Manag. 2020, 224, 113330. [Google Scholar] [CrossRef]
  61. Sun, S.; Peter, W. Modeling of a horizontal asymmetric U-shaped vibration-based piezoelectric energy harvester (U-VPEH). Mech. Syst. Signal Process. 2019, 114, 467–485. [Google Scholar] [CrossRef]
  62. Cao, D.; Duan, X.; Guo, X.; Lai, S. Design and performance enhancement of a force-amplified piezoelectric stack energy harvester under pressure fluctuations in hydraulic pipeline systems. Sens. Actuators A Phys. 2020, 309, 112031. [Google Scholar] [CrossRef]
  63. Yang, Z.; Zu, J.; Luo, J.; Peng, Y. Modeling and parametric study of a force-amplified compressive-mode piezoelectric energy harvester. J. Intell. Mater. Syst. Struct. 2017, 28, 357–366. [Google Scholar] [CrossRef]
Publisher’s Note: MDPI stays neutral with regard to jurisdictional claims in published maps and institutional affiliations.

Article Metrics

Citations

Article Access Statistics

Multiple requests from the same IP address are counted as one view.