Next Article in Journal
Conceptual Design Evaluation Considering Confidence Based on Z-AHP-TOPSIS Method
Previous Article in Journal
Analysis of Skim Reading on Desktop versus Mobile Screen
Previous Article in Special Issue
Experimental Thermodynamic Investigation on the Refrigerant Charge in a Transcritical CO2 Electric Bus Air Conditioning System
 
 
Font Type:
Arial Georgia Verdana
Font Size:
Aa Aa Aa
Line Spacing:
Column Width:
Background:
Article

An Ultra-Low Temperature Transcritical R744 Refrigeration System for Future Detectors at CERN LHC

1
Department of Energy and Process Engineering, Norwegian University of Science and Technology (NTNU), 7491 Trondheim, Norway
2
European Organization for Nuclear Research (CERN), 1211 Geneva, Switzerland
3
Department of Electrical Engineering, Faculty of Engineering and the Built Environment, University of Cape Town, Cape Town 7701, South Africa
*
Author to whom correspondence should be addressed.
Appl. Sci. 2021, 11(16), 7399; https://doi.org/10.3390/app11167399
Submission received: 30 June 2021 / Revised: 5 August 2021 / Accepted: 6 August 2021 / Published: 11 August 2021

Abstract

:
The cooling systems of the future tracking detectors of the ATLAS and CMS experiments at the Large Hadron Collider (LHC) at CERN will be entirely based on CO2 refrigeration technology. The system is a booster refrigeration system, composed of a two stage primary part with transcritical R744 equipment and a low temperature secondary CO2 pumped loop. The primary refrigeration sub-system installed on surface provides cold R744 at 53 C to the CO2 pumped loops installed 100 m underground and rejects the heat exchanged. The process must be reliable and remain stable regardless of the amount of heat exchanged, which will amount to hundreds of kilowatts and is expected to vary throughout the lifetime of the detectors. The paper discusses the concept adopted for the innovative transcritical R744 cycle and describes the technical details of the first prototype built.

1. Introduction

The silicon detectors used to reconstruct the tracks of charged particles (particle trackers) in collider experiments need to operate at stable temperature to maximise the signal to noise ratio. Furthermore, when subject to radiation, the operational temperature must be lowered below 0 C to minimise the detrimental effects of radiation on their performance [1].
The Large Hadron Collider at CERN is undergoing an upgrade preparing it for the High Luminostiy programme (HL-HLC) starting in 2026 [2]. This upgrade is planned to increase by a factor of 10 the luminosity, i.e., the density of the particles created by the collision. This will in turn increase of an order of magnitude the radiation level in the detectors [3]. As the level of irradiation of silicon detector grows, the temperature required to maintain the performance of the silicon sensor decreases, becoming more and more critical at highly irradiated environments [4]. The two largest particle detectors in the world, ATLAS and CMS installed at LHC, are going through major upgrades to get ready for a 10 year-long operation along with the High Luminosity version of the accelerator. Such upgrades involve the replacement of the present particle trackers with large silicon detectors of new generation, capable of coping with the increased density of tracks.
The new silicon trackers will require a new cooling system, capable of evacuating from the detector volume a nominal power up to 300 k W for ATLAS and 500 k W for CMS, while ensuring a temperature of the refrigerant in the detector heat exchangers down to 43   C .

1.1. CO2 Cooling for Particle Trackers

CO2 evaporative cooling systems based on mechanically pumped loops are more and more frequently used for particle trackers, because they allow for the use of smaller tubes (hence reducing the amount of material in the tracking region), while presenting more favourable thermo-physical properties compared to other refrigerants. This approach has been successfully used for the first time in the LHCb Velo detector since 2008 [5]. Since then, it has been adopted also for the ATLAS Inner b-Layer (IBL) detector since 2014 [6] and the CMS “Phase-1” Pixel detector since 2016 [7].
The specific CO2 pumped loop developed for the thermal management of silicon detectors at LHC, commonly referred to as 2PACL [8], is an oil-free system pumping subcooled liquid CO2 into the detectors via small pipes (around 2 m m ID pipes), bringing it in saturated condition at the inlet of the detector heat exchangers, to efficiently evacuate all the heat produced by the electronics mounted on the silicon detectors [9] while keeping the silicon sensors very stably at the desired temperature set point.
The 2PACL system will be installed 100 m underground in a cavern hosting several services for the operation of the detector. However, it requires an external system to cool down the liquid CO2 before pumping it towards the detector and condensate the two-phase CO2 coming back from the detector. It is actually the secondary loop in a more complex cascade of system: the heat evacuated from the detector is exchanged with a primary loop, responsible for transporting the heat to the surface and to maintain the secondary loop CO2 subcooled to below 50   C . In particular, the more stringent thermal requirements imposed by the harsh HL-HLC environment push to lower the subcool target for the secondary loop CO2 down to 53   C .
The design of an innovative primary system capable of achieving this ambitious goal is the focus of a research programme launched in common by CERN and NTNU.

1.2. R744 Primary Systems

Following the 2014’s European Parliament resolution for the transition over HFCs [10], the commitment of CERN for a greener future and the presence of low temperature R744 chillers in the market (operating between 40   C and 50   C ), the ATLAS and CMS experiments decided to use only CO2 for the new cascade system designed to cool their future trackers.
However, a conventional R744 chiller system off the shelf would not comply with the particular requirements of both detectors. Therefore, the refrigeration process, the equipment and control logic associated had to be rethought.
The system is non-standard in many aspects, and therefore few prototypes are foreseen to check beforehand that the proposed solution will be able to reliably and stably cope with all technical challenges. The first prototype built is the subject of this work.

1.3. Technical Challenges

The LHC accelerator is located in a 27 k m long circular tunnel excavated at a depth of the order of 100 m from the surface. As illustrated in Figure 1, the LHC experiments are built around the accelerator and are housed in large underground halls conventionally named “caverns”: the detector itself occupies the so-called “experimental cavern”, while all ancillaries that are not strictly required to be placed in the immediate closeness of the detectors are housed in a parallel hall called “service cavern”. This is the case of the secondary 2PACL system.
However, due to space limitations, to the amount of heat produced and to the risks of asphyxiation in case of leak, ATLAS and CMS cannot afford to install underground also the large R744 chiller required as primary system. The primary system needs thus to be installed on surface, inside a dedicated building with all the space and security features needed. Its connection to the 2PACL system in the service cavern is indeed one of the challenges to be tackled, due to the complex pipe routing, estimated to be ≈ 300 m long with around 90 m of height difference and very limited space for integration. In order to cope with the space constraints, it has been decided to establish this connection with non-insulated pipes.
The LHC beam time allocated to the experiments is extremely valuable and it is mandatory to avoid any stoppage of the detector while the beam is circulating. Therefore, the highest level of reliability is the top priority for all the experiments’ detectors and their vital ancillary systems, including the cooling.
Underground, the pressure of the R744 primary shall be as low as possible at the evaporator level to cool the liquid CO2 pumped by the 2PACL secondary loop down to lowest possible temperature. The physical limit is of course 56.6   C , corresponding to the CO2 triple point at 5.2 bar): therefore, the challenge translates into minimising that safety margin, protecting from the risk of getting below the triple point due to the pressure drop along the line. Moreover, with non-insulated pipes at room temperature and such low return pressure, the superheating of the return line will be significantly large (≈ 70 K).
The oil circulating in the primary system will tend to migrate to the coldest point of the installation, which will be located underground in this particular case. Considering the height difference of around 90 m and the complex routing of the transfer lines, pumping the oil accumulated underground back to the system does not seem feasible. Hence, the oil separation shall be extremely efficient.
Finally, both experiments require the temperature to be kept stable in nominal operation, at startup and during stoppage to avoid any potential damage to the sensor modules. The system is therefore also required to cope with a significant range of heat loads, which will vary from a minimum of 50 k W during stoppage up to a maximum of 920 k W at startup. The amount of cooling provided to the detector’s evaporator is ultimately controlled by the secondary loop which is independent from the primary system. The primary chiller shall thus keep the process stable to finely control the return pressure at ±250 m bar during operation ( 0.5   K ), while the system shall also be able to react quickly to transient regimens.

1.4. Modular R744 Chiller

To address the high level of reliability and large amplitude of cooling capacity to be requested throughout the lifetime of the detector, a novel modular design for the R744 chillers has been proposed [11].
Inside the dedicated buildings it is foreseen the installation of a group of interconnected vapour-compressing modules (compressor slices) as illustrated in Figure 2, with dedicated air gas coolers and a common equipment module with water gas cooler and receiver.
Each compressor slice is designed to cope with the vapour-compressing and heat rejection needs for a given cooling capacity request and will solely operate in case of need. Decoupling the whole unit into independent modules enables the possibility for the maintenance teams to intervene with no risk of perturbing the process.
In case of an unexpected shutdown of the electrical network, the system needs to keep a minimum cooling of the detectors while it evacuates the remaining heat (minimum requirement of 50 k W ). With a modular scheme, it will be possible to plug the power cabinets of a few compressor slices to a diesel power supply units, which is quite an advantageous feature in terms of cost and footprint for the whole installation.
The R744 liquid supply to the services cavern and the return of evaporated gas to the compressor slices is established via long pipes with no thermal insulation and hence, at ambient temperature. ATLAS and CMS final units will share the same design but in the number of compressor slices modules and the dimensions of connection pipelines [11].

2. Technical Solution

For ultra-low temperature applications (temperatures below 50   C according to Regulation (EU) No 517/2014) like the freezing and storage of fish, it is common to use blends of R744 with other natural refrigerants with lower freezing points like the R170 and R1150 [12]. Unfortunately, these refrigerants are not applicable to our application as they are flammable and hence, an innovative solution had to be found to manage the required cooling temperatures using CO2 only.
The refrigeration cycle concept adopted [9] is illustrated in Figure 3 and considers the following assumptions: outlet temperature of transcritical gas cooler of 30 C , interstage gas cooler outlet temperature of 30 C , high side pressure of 76 bar, evaporation temperature of 55   C , superheat of 0 K for evaporator and 10 K at interstage, isentropic compression process and isenthalpic expansion.
In order to achieve such aggressive goals, several unusual design solutions have been considered for this cycle: in the following, the rationale behind the main specific design choices is exposed.

2.1. Booster Transcritical Cycle

Given that evaporator’s liquid supply is achieved through non-insulated pipes, it would be inefficient keeping the receiver at a temperature below the temperature underground (statepoint 2 around 20 C ). Moreover, as the CO2 has a rather low critical temperature of 31 C and a minimum level of flash gas shall be produced in the receiver to sustain the refrigeration cycle, the solution will inevitably pass by a transcritical cycle to avoid any temperature control close to the triple point singularity.
The most adapted solution to compress CO2 gas returning from underground with a pressure below 6 bar and at room temperature (very large superheating) to transcritical pressures is a transcritical booster compression cycle.

2.1.1. Two-Phase Desuperheater

Considering the warm return gas temperature, a desuperheater is needed to avoid too high discharge temperatures on the low pressure (LP) compressor and make vapour compression more efficient. To desuperheat the suction of the LP compressor, instead of injecting liquid into LP compressor suction side, that could potentially cause the production solid CO2, a microplate heat exchanger has been adopted, using the liquid injected into the MP compressor suction to control its suction superheating (statepoints 10→11 and corresponding 104→105). This way, the desuperheating becomes a by-product of the interstage superheating control simplifying greatly the control logic and the LP compressor is able to operate with suction pressures below triple point (large superheat is still imposed by design). Moreover, the two-phase heat transfer with partial evaporation enhances significantly the heat transfer coefficient on the evaporator part thanks to the high degree of wetted surfaces.

2.1.2. Internal Heat Exchanger

Prior to the evaporator installed underground, a heat exchanger is installed to subcool the R744 at room temperature coming from the surface with the cold return gas from the evaporator that returns back to the surface the refrigerant at room temperature (statepoints 4→5; 7→8). This way, the system increases the cooling capacity of the evaporator. Furthermore, to minimise superheating losses which can be very penalising in high pressure fluids like the CO2, the cooling capacity control of secondary loop also integrates the possibility to control the outlet vapour quality.

2.1.3. Flash Gas Injection

With the proposed modular arrangement the compressor units (apart from the first one) shall be pressurised and start up before being connected to the gas return line and start regulating the return pressure. Otherwise, the pressurisation would be out of control (chiller has no control on flow across evaporator) causing instabilities in the process that must be avoided.
The other way proposed to pressurise the compressor is via flash gas injection at the interstage pressure while keeping the LP compressor by pass valve with a minimum opening to pressurise the low pressure side.
The flash gas ends also participating with the liquid injection and intermediate gas cooler in the cooling of the gas at intermediate pressure (statepoints 203→204) and in the pressurisation of the oil reservoir like in conventional chillers.

3. Components and Methods

3.1. First Prototype

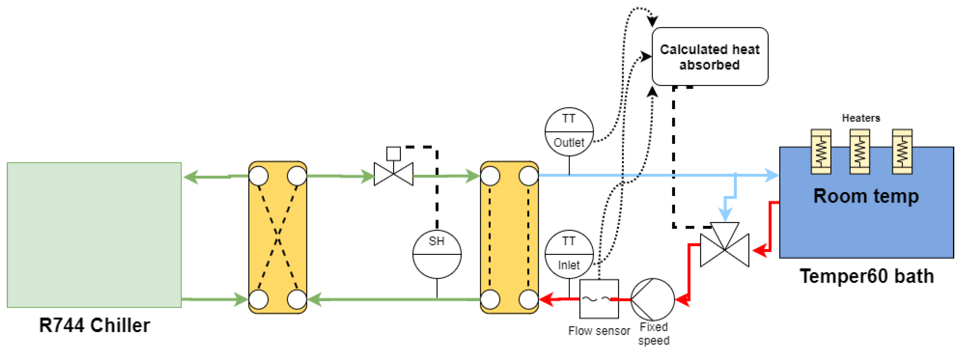
The first prototype of the primary system (System A) has been installed in a laboratory at CERN, dedicated to replicate the detector CO2 refrigeration system. It has been designed with two compressor slices, each one with a compressor per compression stage and a common unit. Each one of the compressor slices uses is equipped with a different brand of compressors to investigate the performance and reliability of two different manufacturers. The chiller has been designed to cope with a maximum cooling capacity of 75 k W at a suction pressure of 6 bar. Figure 4 illustrates a simplified version of the piping and instrumentation diagram of the system with setpoints corresponding to refrigeration cycle baseline of Figure 3.
Figure 5 shows the current status of the room (still without the 2PACL system) and how the final installation will look in the future.
The System A is installed inside a separate room to minimise noise. In order to allow for separate commissioning of System A and of the 2PACL system, a temporary dummy load for System A has been built (see Section 3.3). This dummy load shown in Figure 6 provides the same interface as the future 2PACL system and permits the replication of the operation of the full detector cooling chain.

3.1.1. Oil Separators

To fulfil the requirement of oil carry over below 1 ppm to the evaporator underground, a two-stage oil separator is installed inside the compressor slice as shown in Figure 7, with the possibility for a third stage to be installed in the common equipment.

3.1.2. Gas Coolers

The compressor slices are equipped with air gas coolers, designed to reject all the heat. In case a third stage of oil separation is needed, the air gas coolers are expected to keep the return gas at a relatively high temperature (above 35 °C) so the oil can be separated in the common unit before cooling further the gas to a more reasonable temperature with a water gas cooler.

3.2. Process Control

The primary system presented in this work is designed such that its control is separated from the load requested underground. It has thus no control on the flow rate going to the evaporator (this is controlled by the secondary system control) and as the return pressure shall be kept stable at all times, each compressor slice shall be able to start up disconnected from the evaporator return line and only take the lead once the remaining connected slices cannot cope anymore with load request.

3.2.1. Stepper Logic of Compressor Slices

The compressor slices will be sequentially connected to the return line as a function of the load and may be swapped by a redundant compressor slice in case a slice in operation needs intervention.
For stable operation, the control logic considers that each compressor slice shall be able to start up disconnected from the load return line and stay ready (“standby”) to be connected to the return line (becoming “active”) once the current “activated” slice is not able to cope anymore with load demand. Once the “standby” slice is connected to the return line, the hot gas bypass valves of the previous slice are fully closed with no capacity regulation, becoming a “passive” slice.

3.2.2. Flash Gas Pressurisation and Compressors Startup

As explained in Section 2.1.3, the pressurisation of each compressor slice shall happen during operation of the chiller separated from the return line (“standby” step) to keep the fine control of return pressure. The pressurisation pace is controlled via a controlled valve and the compressors start up with fully open bypass valves once the pressure inside the slice meets the operational pressures (7 bar for the low pressure side and 23 bar for the medium pressure side).

3.2.3. Cooling Capacity Regulation

The cooling capacity is regulated via hot gas bypass valves with compressors speed aid whenever sudden load changes require a faster reaction. Minimising the opening of bypass valves via compressors’ speed regulation is known to be more efficient [13]. However, as stability and reliability are favoured over efficiency, the bypass valves regulation has been favoured and this second option will be evaluated later as a potential optimisation of the system.

3.2.4. Back Pressure Regulation

The pressure setpoint regulating the backpressure valve uses the parameterization shown in Figure 8, calculated to optimise the COP and taking into consideration the process cycle presented in Figure 3 (use of python Coolprop library [14]). The parameterization has been extended to subcritical pressures when the temperature is between 10 C and 26 C , so there is always a minimum of flash gas produced in the receiver, helping to maintain the receiver pressure stable when the gas is cooled too much (receiver is kept at room temperature thus ≈ 55 bar).

3.3. Dummy Load

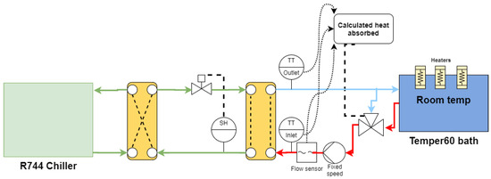
The piping and instrumentation diagram of the dummy load used to test the chiller prototype is illustrated in Figure 9. It is an independent system composed of two main circulating loops exchanging heat through a heat exchanger that one shall consider as the evaporator. One of the loops circulates the chiller’s R744 and the other Temper60®(mix of water and glycol). The R744 flow through the evaporator is controlled as a function of either its outlet vapour quality or superheating at the outlet of the evaporator. The vapour quality control has been added to avoid superheating losses and evaluate if heat exchanger performance is improved when flooded at the outlet. The Temper60® is pumped from a bath kept at room temperature (25 ºC) via regulation of three 25 kW thyristors to avoid ambient heat loss or heat pickup. The total load is calculated from evaporator’s inlet and outlet temperatures and controlled via a three-way valve. The pressure upstream and downstream the R744 regulation valves are determined by the chiller. As the dummy load has been designed to replicate the operation principle of the final 2PACL system to be used in the final units, the superheater referred before has also been integrated.

4. Preliminary Results

The initial commissioning of the system was the opportunity to validate the concept, fine tune the control logic of the system and investigate potential inefficiencies in the design. The two compressor units performed with a COP of 0.94 and 0.92 with the conditions below:
  • LP and MP Compressors frequency of 50 Hz .
  • Same PID parameters of control loops.
  • Suction pressure setpoint of 5.5 bar (saturation temperature of 55   C ).
  • Interstage pressure setpoint of 21.6 bar (MP compressor suction).
  • Transcritical pressure setpoint of 81 bar.
  • Gas cooled at 30 C at the high pressure side.
  • Gas cooled at 20 C at the interstage.
After tuning the controls, the system proved to be able to deal with sudden load changes as shown in Figure 10. In the next section, the first return of experience is exposed.

4.1. Lessons Learned

4.1.1. Reversed Oil Flow

With the proposed modular design, the high-pressure side of the MP compressor does not start up connected to the liquid receiver and is not isolated from the low pressure side. This approach leads to a faster pressurisation of the oil reservoir than the high pressure side of the slice at startup and consequently, the system may experience back-flow of oil into the oil separators as the oil valves are not leak tight for reversed flow.

4.1.2. Over-Pressurisation

The compressor slice is pressurised via flash gas controlled injection, which is also used to pressurise the oil reservoir. Once the flash gas shut-off valve opens (connection to gas in the receiver), a controlled valve is installed to control the pressurisation pace and control receiver pressure like in conventional chillers. With CO2 back-flow coming from oil reservoir to the oil separators and open bypass valve of MP compressor as default position, the pressurisation of the system is out of control.
Moreover, at system stoppage, while the shut off valves take the time to disconnect the compressor high pressure side from the liquid receiver, the low pressure side is exposed to rapid pressurisation if the internal valves interfacing low and high pressure sides (flash gas and MP compressor bypass valve) are not closed immediately.

4.1.3. Gas Coolers Draining

The bypass circuit for the air gas coolers can store a non-negligible amount of cooled CO2 gas that can migrate to the the high-pressure side once the compressor slice is stopped, as illustrated in Figure 11. To avoid CO2 stored in oil separators, the systems includes a drain line that bypasses the separators connecting to the return line. Despite the anticipation of this problem it was observed the accumulation of liquid into the accumulators once the system was stopped, indicating that another feature of the design was probably overlooked.

5. Discussion

5.1. Oil and CO2 Back-Flow

The non-conventional way used to pressurise the compressor slices causes reversed oil and CO2 into the oil separators which was not anticipated. This issue affects the control of the process (lack of control of pressurisation and receiver pressure) and can potentially damage oil dumping valves and filters inside oil separators. To avoid the oil back-flow, a modular system like the one hereby proposed shall include a one way valve, the oil dumping valves and the oil valves.

5.2. Quality of Oil Separation

The quality of oil separation could only be evaluated qualitatively by checking amount of oil accumulated into the low side of the evaporator. Some oil has been spotted but there was no way to properly quantify the level of oil separator. Hence, for the future units, an inline THC analyser with a 1 ppm measurement precision shall be included after the oil separator to evaluate the quality of oil separation in real time.

5.3. Over-Pressurisation at Stoppage

The low pressure side of the first prototype has been designed for 60 bar, already anticipating uncontrolled over-pressurisation during commissioning of the unit. However, this shall be avoided as the future units will be designed to lower pressures. The main cause for this uncontrolled pressurisation was the open default position of flash gas control valve and bypass control valve of MP compressor, with the paths illustrated by the blue arrows in Figure 12. As baseline, the compressor slice was designed to be at equalised pressure everywhere once stopped while being drained via draining valve until pressure equalises return line pressure. As the shut-off valves are too slow and pressure in the receiver is high, the safety position of controlled valves had to be rethought. It has been proposed that the flash gas and bypass valve safety position is closed and that the system keeps relying on drain valve to equalise pressure everywhere. The low pressure side will be able to equalise the high pressure side through the MP compressor as it is not tight to reversed flow and the oil reservoir would be kept pressurised above slice. Moreover, one-way valve downstream the shut-off discharge valve has also been proposed to minimise impact in the process once the system is connected to discharge line and rely solely on flash gas injection to pressurise the whole slice.

5.4. Liquid CO2 in Oil Separators

Accumulation of liquid CO2 in the oil separators can be very harmful to the compressors in case the CO2 is emptied to the oil reservoir at the same time there is oil intake on one of the compressors. Looking at the system pipeline routing, the position of the draining point and default position of MP compressor bypass valve are the potential causes for having the draining happen across the oil separators to the low pressure side of compressor slice.
Changing the default position of the MP compressor bypass valve helps in avoiding the flow across oil separators. On top of this, the draining point is proposed to be placed right after the return line from air gas coolers to stay farther from the oil separators.

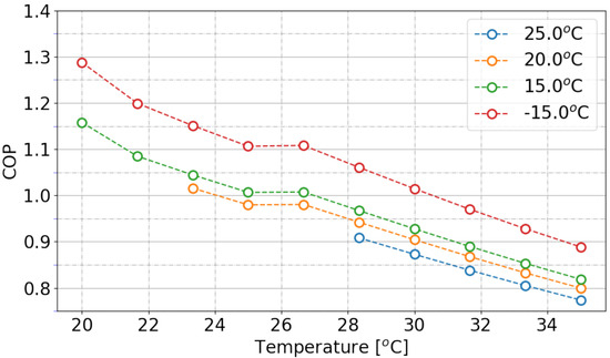
5.5. System’s Performance

The LP compressors presented isentropic efficiencies of 61% and 66% and the MP compressors efficiencies of 68% and 69%. With these efficiencies, the compressor slices managed a COP of 0.92 and 0.94 which is slightly below the COP of 1.1 theoretically expected for a conventional CO2/CO2 booster system [15]. Figure 13 shows how the COP of the cycle is penalised around 10%, by the use of non-insulated receiver and piping. The method used to calculate the COP and used in the concept cycle illustrated is in line with the Gullo et al. investigations [16].
The COP of the system may benefit from a change of interstage pressure and this shall be investigated during experimental optimisation studies to come. It is also being considered the use of parallel compression and multi-ejectors which together could potentially increase the efficiency of the cycle up to 40% [16].
Finally, the system has been capable of coping with sudden changes of load (0% to 100% and from 100% to 0%). Once the load is completely removed the low pressure compressor experiences a sudden pressure decrease, reaching 3.5 bar for a few seconds before recovering back to the pressure setpoint. The compressor presents no problem reacting to this effect and the large superheat and non-existence of liquid injection is by design safeguarding any potential introduction of solid CO2 at the suction of the compressor.

6. Conclusions and Outlook

The ATLAS and CMS experiments require the primary system to be capable of providing a cooling temperature underground at 53   C (corresponding to 6 bar) with a stability of ± 0.5   K . The preliminary commissioning tests hereby presented have been conducted at 5.5 bar already anticipating the expected 500 m bar of pressure drop between the evaporator and the buildings on the surface. The results were important to validate the principle of operation and enlarge the possibilities for the final units.
Amongst the prototypes foreseen before launching the production of the final units, only this first prototype includes two compressor slices. Therefore, this system will keep being a source of important feedback for the definition of the end control logic. This work reports the preliminary results that will precede a forethought testing campaign that will happen in the coming months. Throughout the next tests, it will be investigated how the system’s control shall deal with the management of multiple slices at every case scenario, what are the optimal process setpoints given the chosen components, other different capacity control strategies and finally the reliability of the system in case of major failures. Moreover, the system has been designed so it can operate even below triple point if needed (for example, in case the pressure underground is closer to the triple point pressure of 5.2 bar). The lowest possible pressure in the evaporator underground will be dictated by the low pressure limit of the design so it will be particularly interesting to evaluate the operation limits.
The next prototype is currently under design, benefiting from the System A preliminary results, and should be ready by the end of this year. This system will comprise one compressor slice only with twice the cooling capacity of System A (two LP compressors) and will serve mainly to investigate the amount of oil carried over to underground by connecting it to the dummy load presented in Section 3.3 through the ATLAS shaft. A third prototype with only one compressor slice should benefit from the coming testing campaign on System A and shall arrive at CERN by the middle of next year. Together with the other two prototypes, it will provide the feedback needed for the design of the ATLAS and CMS final units that shall arrive by mid 2023.
The studies will proceed and the final return of experience on System A will soon be shared in future publishing.

Author Contributions

Conceptualisation, P.B., B.V. and A.H.; methodology, P.B.; software, P.B., W.H., L.Z., L.D. and D.T.; validation, P.B., A.H., B.V. and P.P.; formal analysis, P.B. and P.P.; investigation, P.B.; resources, A.H., B.V., P.P., W.H., L.Z., P.H., M.B., L.D. and D.T.; data curation, P.B.; writing—original draft preparation, P.B. and P.P.; writing—review and editing, P.B., A.H., B.V., P.P., W.H., L.Z., P.H. and M.B.; visualisation, P.B.; supervision, B.V., L.Z. and P.H.; project administration, A.H., P.P. and M.B.; funding acquisition, A.H., P.P. and M.B. All authors have read and agreed to the published version of the manuscript.

Funding

This research received no external funding and the APC was funded by CERN and NTNU.

Institutional Review Board Statement

Not applicable.

Informed Consent Statement

Not applicable.

Data Availability Statement

Not applicable.

Conflicts of Interest

The authors declare no conflict of interest.

References

  1. Moll, M. Radiation tolerant semiconductor sensors for tracking detectors. Nucl. Instrum. Methods Phys. Res. Sect. A Accel. Spectrometers Detect. Assoc. Equip. 2006, 565, 202–211. [Google Scholar] [CrossRef]
  2. Apollinari, G.; Béjar Alonso, I.; Brüning, O.; Lamont, M.; Rossi, L. High-Luminosity Large Hadron Collider (HL-LHC): Preliminary Design Report; CERN Yellow Reports: Monographs; CERN: Geneva, Switzerland, 2015. [Google Scholar] [CrossRef]
  3. Schmidt, B. The High-Luminosity upgrade of the LHC: Physics and Technology Challenges for the Accelerator and the Experiments. J. Phys. Conf. Ser. 2016, 706, 022002. [Google Scholar] [CrossRef] [Green Version]
  4. Petagna, P.; Verlaat, B.; Francescon, A. Two-Phase Thermal Management of Silicon Detectors for High Energy Physics. In Encyclopedia of Two-Phase Heat Transfer and Flow III: Macro and Micro Flow Boiling and Numerical Modeling Fundamentals Volume 4: Special Boiling Topics; World Scientific: Singapore, 2015; pp. 335–412. [Google Scholar]
  5. Verlaat, B.E.A. CO2 cooling for the LHCb-VELO Experiment at CERN. In Proceedings of the 8th IFF/IRR Gustav Lorentzen Conference on Natural Working Fluids, CPD 16-T3-08, Copenhagen, Denmark, 7–10 September 2008. [Google Scholar]
  6. Zwalinski, L.; Bortolin, C.; Blaszczyk, T.; Berry, S.; Corbaz, F.; Glonti, G.; Crespo-Lopez, O.; Godlewski, J.; Lippert, M.; Nichilo, S.; et al. CO2 cooling system for Insertable B Layer detector into the ATLAS experiment. In Proceedings of the Technology and Instrumentation in Particle Physics TIPP 2014, Amsterdam, The Netherlands, 2–6 June 2014. [Google Scholar]
  7. Daguin, J.E.A. CO2 cooling for particle detectors: Experiences from the CMS and ATLAS detector systems at LHC, and prospects for future upgrades. In Proceedings of the 24th IIR International Congress of Refrigeration, ID:0788, Yokohama, Japan, 16–22 August 2015. [Google Scholar]
  8. Colijn, A.; Verlaat, B. Evaporative CO2 Heat Transfer Measurements for Cooling Systems of Particle Physics Detectors. In Proceedings of the HEFAT-2010, 7th International Conference on Heat Transfer, Fluid Mechanics and Thermodynamics, Antalya, Turkey, 19–21 July 2010. [Google Scholar]
  9. Verlaat, B.; Petagna, P.; Zwalinski, L. CO2 cooling challenges at CERN for the future phase 2 upgrade program. In Proceedings of the 25th IIR International Congress of Refrigeration Proceedings, Montreal, QC, Canada, 24–30 August 2019. [Google Scholar]
  10. Parliament, E. Regulation (EU) No 517/2014 of the European Parliament and of the Council of 16 April 2014 on Fluorinated Greenhouse Gases and Repealing Regulation (EC) No 842/2006 Text with EEA Relevance. Available online: http://data.europa.eu/eli/reg/2014/517/oj (accessed on 29 June 2021).
  11. Barroca, P.; Hafner, A.; Pardiñas, A.; Verlaat, B.L.Z.; Hulek, W.P.P.; Hanf, P.; Battistin, M. Evaporative cooling system with natural refrigerant at −50 °C and 100 m underground. In Proceedings of the 14th Gustav Lorentzen Conference, ID:1149, Kyoto, Japan, 7–9 December 2020. [Google Scholar]
  12. Di Nicola, G.; Polonara, F.; Stryjek, R.; Arteconi, A. Performance of cascade cycles working with blends of CO2 + natural refrigerants. Int. J. Refrig. 2011, 34, 1436–1445. [Google Scholar] [CrossRef]
  13. Pardiñas, A.; Blust, S.; Verlaat, B.; Hafner, A. CO2 Refrigeration for the detectors at CERN. Reliability and energy efficiency. In Proceedings of the CYTEF 2020 VIII Congreso Iberoamericano de las Ciencias y Técnicas del Frío, Pamplona, Spain, 11–12 November 2020. [Google Scholar]
  14. Bell, I.H.; Wronski, J.; Quoilin, S.; Lemort, V. Pure and Pseudo-pure Fluid Thermophysical Property Evaluation and the Open-Source Thermophysical Property Library CoolProp. Ind. Eng. Chem. Res. 2014, 53, 2498–2508. [Google Scholar] [CrossRef] [PubMed] [Green Version]
  15. Bellos, E.; Tzivanidis, C. A theoretical comparative study of CO2 cascade refrigeration systems. Appl. Sci. 2019, 9, 790. [Google Scholar] [CrossRef] [Green Version]
  16. Gullo, P.; Tsamos, K.; Hafner, A.; Ge, Y.; Tassou, S.A. State-of-the-art technologies for transcritical R744 refrigeration systems—A theoretical assessment of energy advantages for European food retail industry. Energy Procedia 2017, 123, 46–53. [Google Scholar] [CrossRef]
Figure 1. Overview of ATLAS and CMS cooling system pipeline connections and distribution.
Figure 1. Overview of ATLAS and CMS cooling system pipeline connections and distribution.
Applsci 11 07399 g001
Figure 2. Modular design with common equipment module in blue integrating the receive feeding the evaporator underground and multiple compressor modules. Two green compressor units are operating at maximum cooling capacity (expected around 75 k W for final units), one is regulating the gas return pressure from underground and the orange one is a redundant compressor slice.
Figure 2. Modular design with common equipment module in blue integrating the receive feeding the evaporator underground and multiple compressor modules. Two green compressor units are operating at maximum cooling capacity (expected around 75 k W for final units), one is regulating the gas return pressure from underground and the orange one is a redundant compressor slice.
Applsci 11 07399 g002
Figure 3. CO2 pressure-enthalpy diagram with the process flow for the transcritical two-stage compressor cycle proposed for the chiller.
Figure 3. CO2 pressure-enthalpy diagram with the process flow for the transcritical two-stage compressor cycle proposed for the chiller.
Applsci 11 07399 g003
Figure 4. Simplified P&ID diagram of System A with common equipment, compressor slices and cold box. Reference to the state points of pressure-enthalpy diagram of Figure 3.
Figure 4. Simplified P&ID diagram of System A with common equipment, compressor slices and cold box. Reference to the state points of pressure-enthalpy diagram of Figure 3.
Applsci 11 07399 g004
Figure 5. (left) Current installation with common equipment placed on the false floor and compressor units inside separate room (right) 3D model of final installation with the 2PACL system on place.
Figure 5. (left) Current installation with common equipment placed on the false floor and compressor units inside separate room (right) 3D model of final installation with the 2PACL system on place.
Applsci 11 07399 g005
Figure 6. (left) Chiller room with two compressor slices and connections to gas coolers and common unit (right) Dummy load used to replicate operation of 2PACL system and heat load.
Figure 6. (left) Chiller room with two compressor slices and connections to gas coolers and common unit (right) Dummy load used to replicate operation of 2PACL system and heat load.
Applsci 11 07399 g006
Figure 7. Coarse and fine oil separators installed in one of the compressor slices.
Figure 7. Coarse and fine oil separators installed in one of the compressor slices.
Applsci 11 07399 g007
Figure 8. Parameterized backpressure setpoint used to optimise COP.
Figure 8. Parameterized backpressure setpoint used to optimise COP.
Applsci 11 07399 g008
Figure 9. Dummy load simplified P&ID.
Figure 9. Dummy load simplified P&ID.
Applsci 11 07399 g009
Figure 10. Low pressure compressor reaction to sudden load change.
Figure 10. Low pressure compressor reaction to sudden load change.
Applsci 11 07399 g010
Figure 11. (left) Path followed by CO2 being draining into separators. (right) Visualisation through oil level sensor sight glass of CO2 condensing inside oil separator.
Figure 11. (left) Path followed by CO2 being draining into separators. (right) Visualisation through oil level sensor sight glass of CO2 condensing inside oil separator.
Applsci 11 07399 g011
Figure 12. Flow path through flash gas controlled valve and MP compressor bypass valve (in blue) leading to over-pressurisation of low pressure side and draining path to return line through draining valve (in purple).
Figure 12. Flow path through flash gas controlled valve and MP compressor bypass valve (in blue) leading to over-pressurisation of low pressure side and draining path to return line through draining valve (in purple).
Applsci 11 07399 g012
Figure 13. Investigation of COP of the proposed cycle for different cooled gas temperatures.
Figure 13. Investigation of COP of the proposed cycle for different cooled gas temperatures.
Applsci 11 07399 g013
Publisher’s Note: MDPI stays neutral with regard to jurisdictional claims in published maps and institutional affiliations.

Share and Cite

MDPI and ACS Style

Barroca, P.; Hafner, A.; Verlaat, B.; Petagna, P.; Hulek, W.; Zwalinski, L.; Hanf, P.; Battistin, M.; Davoine, L.; Teixeira, D. An Ultra-Low Temperature Transcritical R744 Refrigeration System for Future Detectors at CERN LHC. Appl. Sci. 2021, 11, 7399. https://doi.org/10.3390/app11167399

AMA Style

Barroca P, Hafner A, Verlaat B, Petagna P, Hulek W, Zwalinski L, Hanf P, Battistin M, Davoine L, Teixeira D. An Ultra-Low Temperature Transcritical R744 Refrigeration System for Future Detectors at CERN LHC. Applied Sciences. 2021; 11(16):7399. https://doi.org/10.3390/app11167399

Chicago/Turabian Style

Barroca, Pierre, Armin Hafner, Bart Verlaat, Paolo Petagna, Wojciech Hulek, Lukasz Zwalinski, Pierre Hanf, Michele Battistin, Loic Davoine, and Daniella Teixeira. 2021. "An Ultra-Low Temperature Transcritical R744 Refrigeration System for Future Detectors at CERN LHC" Applied Sciences 11, no. 16: 7399. https://doi.org/10.3390/app11167399

APA Style

Barroca, P., Hafner, A., Verlaat, B., Petagna, P., Hulek, W., Zwalinski, L., Hanf, P., Battistin, M., Davoine, L., & Teixeira, D. (2021). An Ultra-Low Temperature Transcritical R744 Refrigeration System for Future Detectors at CERN LHC. Applied Sciences, 11(16), 7399. https://doi.org/10.3390/app11167399

Note that from the first issue of 2016, this journal uses article numbers instead of page numbers. See further details here.

Article Metrics

Back to TopTop