On the Potential Contributions of Matrix Converters for the Future Grid Operation, Sustainable Transportation and Electrical Drives Innovation
Abstract
1. Introduction
- The first section briefly introduces practical considerations on the design of matrix converter-based topologies with a special care given to the bidirectional switches commutation methods.
- The second section focuses in “Enabling technologies for smart and resilient grids”, presenting matrix converter applications towards a smarter, more efficient, versatile and sustainable grid.
- The third section presents prominent applications of matrix converters in the connection of renewable energies to the grid, a crucial topic with the increasing demand for decarburization.
- The fourth section highlights how matrix converter-based topologies tackle challenges in future variable speed electric drives, whose impact spreads across almost all industrial fields
- Electric mobility promises the electrification of most transportation vehicles, and the interface between the grid and electric vehicles is the topic of the fifth section highlighting the contributions of matrix converters.
- The sixth section covers potential contributions of matrix converters to the pursuit of more sustainable transportation means detailing work developed on electric aircraft, marine and traction applications.
- The final section introduces future challenges and research needs for matrix converters whose development is crucial for the penetration of the matrix converter in the aforementioned applications.
2. Practical Considerations on the Implementation of Matrix Converters
3. Enabling Technologies for Smart and Resilient Grids
3.1. Matrix Converter Applications in Hybrid Transformers
3.2. Matrix Converter Applications in Solid State Transformers (SSTs)
3.3. Matrix Converters Applications in Flexible Alternating Current Transmission Systems (FACTS)
4. Matrix Converters in the Connection of Renewable Energies to the Grid
4.1. Matrix Converter Applications for Integration of Photovoltaic (PV) Systems
4.1.1. Power Quality Compensation in the Connection of PV Arrays to the Smart Grid (SG)
4.1.2. Unidirectional 3 × 2 Matrix Converter Topology Application
4.1.3. Indirect Matrix Converter Topology Application
4.1.4. Experimental Indirect Matrix Converter (IMC) Application Results
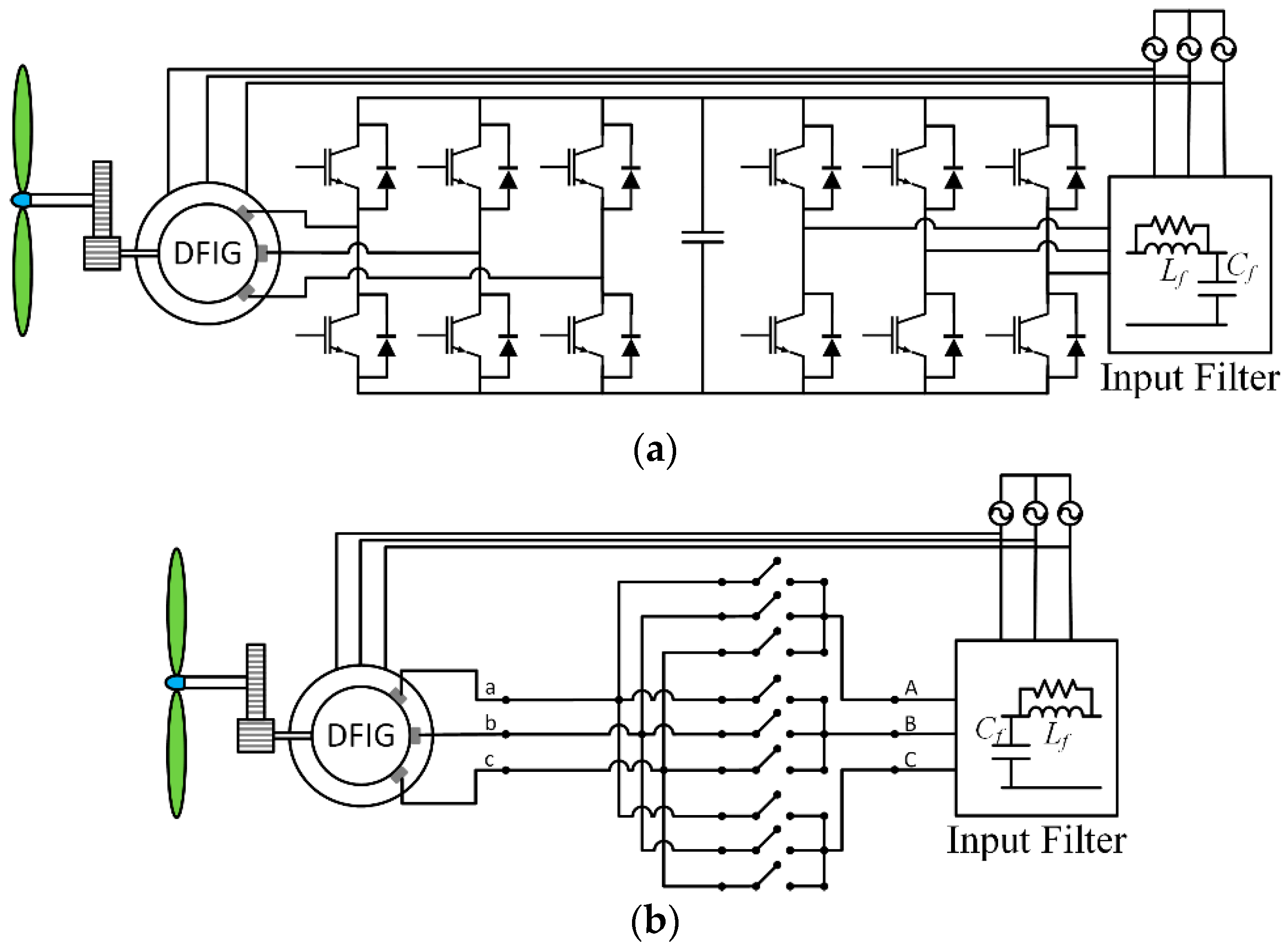
4.2. Matrix Converter Applications in Wind Energy Conversion Systems
4.3. Matrix Converter Application for the Connection of Offshore Wind Farms to the Grid
5. Matrix Converters Contribution towards the Innovation of Electrical Drives
5.1. Direct Matrix Converter (DMC)-Based Works
5.2. IMC-Based Works
5.3. Variations of IMC-Based Topologies
6. Grid Integration and Interface of Mobility Technologies
6.1. Matrix Converters in Direct Current (DC) Fast-Charging Stations
6.2. Matrix Converters in Energy Storage Applications
7. Sustainable Transportation Applications Enabled by the Use of Matrix Converters
7.1. More Electric Aircraft
7.2. Marine and Railway Aplications
8. Challenges and Research Needs of Matrix Converters
9. Conclusions
Author Contributions
Funding
Data Availability Statement
Conflicts of Interest
References
- Wheeler, P.W.; Rodríguez, J.; Clare, J.C.; Empringham, L.; Weinstein, A. Matrix converters: A technology review. IEEE Trans. Ind. Electron. 2002, 49, 276–288. [Google Scholar] [CrossRef]
- Zhou, K.; Huang, L.; Luo, X.; Li, Z.; Li, J.; Dai, G.; Zhang, B. Characterization and Performance Evaluation of the Superjunction RB-IGBT in Matrix Converter. IEEE Trans. Power Electron. 2018, 33, 3289–3301. [Google Scholar] [CrossRef]
- Takahashi, H.; Kaneda, M.; Minato, T. 1200V class reverse blocking IGBT (RB-IGBT) for AC matrix converter. In Proceedings of the IEEE International Symposium on Power Semiconductor Devices and ICs (ISPSD), Kitakyushu, Japan, 24–27 May 2004; Volume 16, pp. 121–124. [Google Scholar]
- Friedli, T.; Kolar, J.W. Milestones in matrix converter research. IEEJ J. Ind. Appl. 2012, 1, 2–14. [Google Scholar] [CrossRef]
- Nguyen-Duy, K.; Liu, T.H.; Chen, D.F.; Hung, J.Y. Improvement of matrix converter drive reliability by online fault detection and a fault-tolerant switching strategy. IEEE Trans. Ind. Electron. 2012, 59, 244–256. [Google Scholar] [CrossRef]
- Dasika, J.D.; Saeedifard, M. A fault-tolerant strategy to control the matrix converter under an open-switch failure. IEEE Trans. Ind. Electron. 2015, 62, 680–691. [Google Scholar] [CrossRef]
- Khwan-On, S.; de Lillo, L.; Empringham, L.; Wheeler, P. Fault-tolerant matrix converter motor drives with fault detection of open switch faults. IEEE Trans. Ind. Electron. 2011, 59, 257–268. [Google Scholar] [CrossRef]
- Obi, M.; Bass, R. Trends and challenges of grid-connected photovoltaic systems—A review. Renew. Sustain. Energy Rev. 2016, 58, 1082–1094. [Google Scholar] [CrossRef]
- Mohd, A.; Ortjohann, E.; Schmelter, A.; Hamsic, N.; Morton, D. Challenges in integrating distributed Energy storage systems into future smart grid. In Proceedings of the 2008 IEEE International Symposium on Industrial Electronics, Cambridge, UK, 30 June–2 July 2008; pp. 1627–1632. [Google Scholar]
- Milano, F.; Dorfler, F.; Hug, G.; Hill, D.J.; Verbič, G. Foundations and challenges of low-inertia systems (Invited Paper). In Proceedings of the 20th Power Systems Computation Conference, PSCC 2018, Dublin, Ireland, 11–15 June 2018; pp. 1–25. [Google Scholar]
- Selvan, K.C.; Arunsaiikar, G. Grid integration of hybrid renewable energy system using versatile matrix converter. In Proceedings of the 2nd IEEE National Conference on Emerging Trends in New and Renewable Energy Sources and Energy Management (NCET NRES EM 2014), Chennai, India, 16–17 December 2014; IEEE: New York, NY, USA, 2015. No. Vmc. pp. 153–158. [Google Scholar]
- Sun, Y.; Li, X.; Su, M.; Wang, H.; Dan, H.; Xiong, W. Indirect matrix converter-based topology and modulation schemes for enhancing input reactive power capability. IEEE Trans. Power Electron. 2015, 30, 4669–4681. [Google Scholar] [CrossRef]
- Gambôa, P.; Silva, J.F.; Pinto, S.F.; Margato, E. Predictive optimal matrix converter control for a dynamic voltage restorer with flywheel energy storage. In Proceedings of the IECON (Industrial Electronics Conference), Porto, Portugal, 3–5 November 2009; No. 1. pp. 759–764. [Google Scholar]
- Liserre, M.; Buticchi, G.; Andresen, M.; de Carne, G.; Costa, L.F.; Zou, Z.X. The Smart Transformer: Impact on the Electric Grid and Technology Challenges. IEEE Ind. Electron. Mag. 2016, 10, 46–58. [Google Scholar] [CrossRef]
- Huber, J.E.; Kolar, J.W. Solid-State Transformers: On the Origins and Evolution of Key Concepts. IEEE Ind. Electron. Mag. 2016, 10, 19–28. [Google Scholar] [CrossRef]
- Lopez, J.V.; Garcia, S.M.; Rodriguez, J.C.C.; Garcia, R.V.; Fernandez, S.M.; Olay, C.C. Electronic tap-changing stabilizers for medium-voltage lines optimum balanced circuit. IEEE Trans. Power Deliv. 2012, 27, 1909–1918. [Google Scholar] [CrossRef]
- Lozano, J.M.; Ramirez, J.M.; Correa, R.E. A novel Dynamic Voltage Restorer based on matrix converters. In Proceedings of the International Symposium: Modern Electric Power Systems, MEPS’10, Wrocław, Poland, 20–22 September 2010. No. 1145. [Google Scholar]
- Shabanpour, A.; Seifi, A.R. A Dynamic Voltage Restorer Based on matrix converter with fuzzy controller. Adv. Electr. Electron. Eng. 2012, 10, 143–151. [Google Scholar] [CrossRef]
- Szczesniak, P.; Kaniewski, J. Hybrid Transformer with Matrix Converter. IEEE Trans. Power Deliv. 2016, 31, 1388–1396. [Google Scholar] [CrossRef]
- Szczesniak, P.; Kaniewski, J. A voltage regulator/conditioner based on a hybrid transformer with matrix converter. In Proceedings of the IECON (Industrial Electronics Conference), Dallas, TX, USA, 29 October–1 November 2014; pp. 3292–3297. [Google Scholar]
- Pinto, S.F.; Alcaria, P.; Monteiro, J.; Silva, J.F. Matrix Converter-Based Active Distribution Transformer. IEEE Trans. Power Deliv. 2016, 31, 1493–1501. [Google Scholar] [CrossRef]
- Szcześniak, P. Comparison of control methods for a dynamic voltage restorer using a three-phase matrix converter. Simulation 2016, 92, 1053–1063. [Google Scholar] [CrossRef]
- Kolar, J.W.; Ortiz, G. Solid-State-Transformers: Key Components of Future Traction and Smart Grid Systems. In Proceedings of the 2014 International Power Electronics Conference, Hiroshima, Japan, 18–21 May 2014; No. Ipec. pp. 22–35. [Google Scholar]
- Boroyevich, D.; Cvetković, I.; Dong, D.; Burgos, R.; Wang, F.; Lee, F. Future electronic power distribution systems—A contemplative view. In Proceedings of the International Conference on Optimisation of Electrical and Electronic Equipment, OPTIM, Brasov, Romania, 20–22 May 2010; pp. 1369–1380. [Google Scholar]
- Dujic, D.; Kieferndorf, F.; Canales, F.; Drofenik, U. Power electronic traction transformer technology. In Proceedings of the 2012 IEEE 7th International Power Electronics and Motion Control Conference—ECCE Asia, IPEMC 2012, Harbin, China, 2–5 June 2012; IEEE: New York, NY, USA, 2012; Volume 1, pp. 636–642. [Google Scholar]
- Satyamsetti, V.; Michealides, A.; Hadjiantonis, A. Forecasting on solid state transformer applications. In Proceedings of the International Conference on Intelligent Sustainable Systems, ICISS 2017, Palladam, India, 7–8 December 2017; No. Iciss. pp. 330–335. [Google Scholar]
- Pinto, S.; Mendes, P.; Silva, J.F. Modular Matrix Converter Based Solid State Transformer for smart grids. Electr. Power Syst. Res. 2016, 136, 189–200. [Google Scholar] [CrossRef]
- Nasir, U.; Costabeber, A.; Wheeler, P.; Rivera, M.; Clare, J. A Three-Phase Modular Isolated Matrix Converter. IEEE Trans. Power Electron. 2019, 34, 11760–11773. [Google Scholar] [CrossRef]
- Nasir, U.; Costabeber, A.; Rivera, M.; Wheeler, P.; Clare, J. A Leakage-Inductance-Tolerant Commutation Strategy for Isolated AC/AC Converters. IEEE J. Emerg. Sel. Top. Power Electron. 2019, 7, 467–479. [Google Scholar] [CrossRef]
- Liu, Y.; Liu, Y.; Ge, B.; Abu-Rub, H. Interactive Grid Interfacing System by Matrix-Converter-Based Solid State Transformer with Model Predictive Control. IEEE Trans. Ind. Inform. 2020, 16, 2533–2541. [Google Scholar] [CrossRef]
- Banaei, M.R.; Salary, E. Mitigation of voltage sag, swell and power factor correction using solid-state transformer based matrix converter in output stage. Alex. Eng. J. 2014, 53, 563–572. [Google Scholar] [CrossRef]
- Saha, J.; Yadav, G.N.B.; Panda, S.K. A Matrix-Based Solid-State-Transformer for A Hybrid Nanogrid. In Proceedings of the 2018 IEEE International Conference on Power Electronics, Drives and Energy Systems, Chennai, India, 18–21 December 2018. [Google Scholar]
- Divan, D.; Johal, H. Distributed FACTS—A new concept for realizing grid power flow control. IEEE Trans. Power Electron. 2007, 22, 2253–2260. [Google Scholar] [CrossRef]
- Rohouma, W.; Balog, R.S.; Peerzada, A.A.; Begovic, M.M. Development of a capacitor-less D-STATCOM for power quality improvement in low voltage network. In Proceedings of the 2019 IEEE 13th International Conference on Compatibility, Power Electronics and Power Engineering, CPE-POWERENG 2019, Sonderborg, Denmark, 23–25 April 2019; pp. 1–5. [Google Scholar]
- Shadmand, M.B.; Mosa, M.; Balog, R.S.; Abu-Rub, H. Model predictive control of a capacitorless matrix converter-based STATCOM. IEEE J. Emerg. Sel. Top. Power Electron. 2017, 5, 796–808. [Google Scholar] [CrossRef]
- Holtsmark, N.; Molinas, M. Reactive power compensation capability of a matrix converter-based FACTS device. In Proceedings of the 2011 IEEE PES Trondheim PowerTech: The Power of Technology for a Sustainable Society, POWERTECH 2011, Trondheim, Norway, 19–23 June 2011; pp. 1–6. [Google Scholar]
- Monteiro, J.; Silva, J.F.; Pinto, S.F.; Palma, J. Matrix converter-based unified power-flow controllers: Advanced direct power control method. IEEE Trans. Power Deliv. 2011, 26, 420–430. [Google Scholar] [CrossRef]
- Monteiro, J.; Silva, J.F.; Pinto, S.F.; Palma, J. Linear and sliding-mode control design for matrix converter-based unified power flow controllers. IEEE Trans. Power Electron. 2014, 29, 3357–3367. [Google Scholar] [CrossRef]
- Kroposki, B.; Johnson, B.; Zhang, Y.; Gevorgian, V.; Denholm, P.; Hodge, B.-M.; Hannegan, B. Achieving a 100% Renewable Grid: Operating Electric Power Systems with Extremely High Levels of Variable Renewable Energy. IEEE Power Energy Mag. 2017, 15, 61–73. [Google Scholar] [CrossRef]
- Asrari, A.; Wu, T.; Lotfifard, S. The Impacts of Distributed Energy Sources on Distribution Network Reconfiguration. IEEE Trans. Energy Convers. 2016, 31, 606–613. [Google Scholar] [CrossRef]
- Teodorescu, R.; Liserre, M.; Rodríguez, P. Grid Converters for Photovoltaic and Wind Power Systems; John Wiley & Sons Ltd.: Hoboken, NJ, USA, 2011. [Google Scholar]
- Singh, B.; Chandra, A.; Al-Haddad, K. Power Quality Problems and Mitigation Techniques; John Wiley & Sons Ltd.: Hoboken, NJ, USA, 2015. [Google Scholar]
- Tang, C.-Y.; Chen, Y.-T.; Chen, Y.-M. PV Power System with Multi-Mode Operation and Low-Voltage Ride-Through Capability. IEEE Trans. Ind. Electron. 2015, 62, 7524–7533. [Google Scholar] [CrossRef]
- Baran, M.E.; Hooshyar, H.; Shen, Z.; Huang, A. Accommodating High PV Penetration on Distribution Feeders. IEEE Trans. Smart Grid 2012, 3, 1039–1046. [Google Scholar] [CrossRef]
- Marei, M.I.; El-Saadany, E.F.; Salama, M.M.A. A Flexible DG Interface Based on a New RLS Algorithm for Power Quality Improvement. IEEE Syst. J. 2012, 6, 68–75. [Google Scholar] [CrossRef]
- Ghanbari, T.; Farjah, E.; Naseri, F. Power quality improvement of radial feeders using an efficient method. Electr. Power Syst. Res. 2018, 163, 140–153. [Google Scholar] [CrossRef]
- Gayatri, M.T.L.; Parimi, A.M.; Kumar, A.V.P. A review of reactive power compensation techniques in microgrids. Renew. Sustain. Energy Rev. 2018, 81, 1030–1036. [Google Scholar] [CrossRef]
- Ali, M.S.; Haque, M.M.; Wolfs, P. A review of topological ordering based voltage rise mitigation methods for LV distribution networks with high levels of photovoltaic penetration. Renew. Sustain. Energy Rev. 2019, 103, 463–476. [Google Scholar] [CrossRef]
- López-Erauskin, R.; Geury, T.; González, A.; Gyselinck, J.; Hervás, M.E.; Fabre, A. Testing the Enhanced Functionalities of Commercial PV Inverters Under Realistic Atmospheric and Abnormal Grid Conditions. In Proceedings of the 5th Solar Integration Workshop, Brussels, Belgium, 19–20 October 2015. [Google Scholar]
- Bae, Y.; Vu, T.-K.K.; Kim, R.-Y.Y. Implemental control strategy for grid stabilization of grid-connected PV system based on German grid code in symmetrical low-to-medium voltage network. IEEE Trans. Energy Convers. 2013, 28, 619–631. [Google Scholar] [CrossRef]
- Saadat, N.; Choi, S.S.; Vilathgamuwa, D.M. A Series-Connected Photovoltaic Distributed Generator Capable of Enhancing Power Quality. IEEE Trans. Energy Convers. 2013, 28, 1026–1035. [Google Scholar] [CrossRef]
- Zeng, Z.; Yang, H.; Tang, S.; Zhao, R. Objective-Oriented Power Quality Compensation of Multifunctional Grid-Tied Inverters and Its Application in Microgrids. IEEE Trans. Power Electron. 2015, 30, 1255–1265. [Google Scholar] [CrossRef]
- Wandhare, R.G.; Agarwal, V. Reactive Power Capacity Enhancement of a PV-Grid System to Increase PV Penetration Level in Smart Grid Scenario. IEEE Trans. Smart Grid 2014, 5, 1845–1854. [Google Scholar] [CrossRef]
- Geury, T.; Pinto, S.; Gyselinck, J. Current source inverter-based photovoltaic system with enhanced active filtering functionalities. IET Power Electron. 2015, 8, 2483–2491. [Google Scholar] [CrossRef]
- Chilipi, R.R.; al Sayari, N.; Beig, A.R.; Al Hosani, K. A Multitasking Control Algorithm for Grid-Connected Inverters in Distributed Generation Applications Using Adaptive Noise Cancellation Filters. IEEE Trans. Energy Convers. 2016, 31, 714–727. [Google Scholar] [CrossRef]
- Madonna, V.; Migliazza, G.; Giangrande, P.; Lorenzani, E.; Buticchi, G.; Galea, M. The Rebirth of the Current Source Inverter: Advantages for Aerospace Motor Design. IEEE Ind. Electron. Mag. 2019, 13, 65–76. [Google Scholar] [CrossRef]
- Lorenzani, E.; Immovilli, F.; Migliazza, G.; Frigieri, M.; Bianchini, C.; Davoli, M. CSI7: A modified three-phase current-source inverter for modular photovoltaic applications. IEEE Trans. Ind. Electron. 2017, 64, 7. [Google Scholar] [CrossRef]
- Youssef, E.; Costa, P.; Pinto, S.; Amin, A.; Samahy, A. Direct Power Control of a Single Stage Current Source Inverter Grid-Tied PV System. Energies 2020, 13, 3165. [Google Scholar] [CrossRef]
- Dash, P.P.; Kazerani, M. Dynamic modeling and performance analysis of a grid-connected current-source inverter-based photovoltaic system IEEE Trans. IEEE Trans. Sustain. Energy 2011, 2, 4. [Google Scholar] [CrossRef]
- Sahan, B.; Araújo, S.V.; Nöding, C.; Zacharias, P. Comparative Evaluation of Three-Phase Current Source Inverters for Grid Interfacing of Distributed and Renewable Energy Systems. IEEE Trans. Power Electron. 2011, 26, 2304–2318. [Google Scholar] [CrossRef]
- Cossutta, P.; Aguirre, M.P.; Cao, A.; Raffo, S.; Valla, M.I. Single-Stage Fuel Cell to Grid Interface with Multilevel Current-Source Inverters. IEEE Trans. Ind. Electron. 2015, 62, 5256–5264. [Google Scholar] [CrossRef]
- Klumpner, C. A new single-stage current source inverter for photovoltaic and fuel cell applications using reverse blocking IGBTs. In Proceedings of the IEEE Power Electronics Specialists Conference, Orlando, FL, USA, 17–21 June 2007; pp. 1683–1689. [Google Scholar]
- Zhou, Y.; Huang, W.; Zhao, P.; Zhao, J. Coupled-inductor single-stage boost inverter for grid-connected photovoltaic system. IET Power Electron. 2014, 7, 259–270. [Google Scholar] [CrossRef]
- Guo, X.; Xu, D.; Wu, B. Four-Leg Current-Source Inverter with a New Space Vector Modulation for Common-Mode Voltage Suppression. IEEE Trans. Ind. Electron. 2015, 62, 6003–6007. [Google Scholar] [CrossRef]
- Anand, S.; Gundlapalli, S.K.; Fernandes, B.G. Transformer-Less Grid Feeding Current Source Inverter for Solar Photovoltaic System. IEEE Trans. Ind. Electron. 2014, 61, 5334–5344. [Google Scholar] [CrossRef]
- Photong, C.; Klumpner, C.; Wheeler, P. A current source inverter with series connected AC capacitors for photovoltaic application with grid fault ride through capability. In Proceedings of the 2009 35th Annual Conference of IEEE Industrial Electronics, Porto, Portugal, 3–5 November 2009. [Google Scholar]
- Geury, T.; Pinto, S.; Gyselinck, J.; Wheeler, P. An indirect matrix converter-based unified power quality conditioner for a PV inverter with enhanced power quality functionality. In Proceedings of the 2015 IEEE Innovative Smart Grid Technologies—Asia (ISGT ASIA), Bangkok, Thailand, 3–6 November 2015. [Google Scholar]
- Campanhol, L.B.G.; da Silva, S.A.O.; de Oliveira, A.A.; Bacon, V.D. Single-Stage Three-Phase Grid-Tied PV System with Universal Filtering Capability Applied to DG Systems and AC Microgrids. IEEE Trans. Power Electron. 2017, 32, 9131–9142. [Google Scholar] [CrossRef]
- Devassy, S.; Singh, B. Design and Performance Analysis of Three-Phase Solar PV Integrated UPQC. IEEE Trans. Ind. Appl. 2018, 54, 73–81. [Google Scholar] [CrossRef]
- Khadkikar, V. Enhancing Electric Power Quality Using UPQC: A Comprehensive Overview. IEEE Trans. Power Electron. 2012, 27, 2284–2297. [Google Scholar] [CrossRef]
- Geury, T.; Pinto, S.; Gyselinck, J. Direct control method for a PV system integrated in an Indirect Matrix Converter-based UPQC. In Proceedings of the 2016 the 4th IEEE International Conference on Smart Energy Grid Engineering, Oshawa, ON, Canada, 21–24 August 2016. [Google Scholar]
- Empringham, L.; Kolar, J.W.; Rodriguez, J.; Wheeler, P.W.; Clare, J.C. Technological issues and industrial application of matrix converters: A review. IEEE Trans. Ind. Electron. 2013, 60, 4260–4271. [Google Scholar] [CrossRef]
- Vijayagopal, M.; Silva, C.; Empringham, L.; de Lillo, L. Direct Predictive Current-Error Vector Control for a Direct Matrix Converter. IEEE Trans. Power Electron. 2019, 34, 1925–1935. [Google Scholar] [CrossRef]
- Hamouda, M.; Blanchette, H.F.; Al-Haddad, K. Unity Power Factor Operation of Indirect Matrix Converter Tied to Unbalanced Grid. IEEE Trans. Power Electron. 2016, 31, 1095–1107. [Google Scholar] [CrossRef]
- Pena, R.; Cardenas, R.; Reyes, E.; Clare, J.; Wheeler, P. Control of a Doubly Fed Induction Generator via an Indirect Matrix Converter with Changing DC Voltage. IEEE Trans. Ind. Electron. 2011, 58, 4664–4674. [Google Scholar] [CrossRef]
- Friedli, T.; Kolar, J.W.; Rodriguez, J.; Wheeler, P.W. Comparative Evaluation of Three-Phase AC/AC Matrix Converter and Voltage DC-Link Back-to-Back Converter Systems. IEEE Trans. Ind. Electron. 2012, 59, 4487–4510. [Google Scholar] [CrossRef]
- Kolar, J.W.; Schafmeister, F.; Round, S.D.; Ertl, H. Novel Three-Phase AC/AC Sparse Matrix Converters. IEEE Trans. Power Electron. 2007, 22, 1649–1661. [Google Scholar] [CrossRef]
- European Wind Energy Association. UpWind: Design Limits and Solutions for Very Large Wind Turbines; Brussels, Belgium. 2011; Available online: http://www.ewea.org/fileadmin/files/library/publications/reports/UpWind_Report.pdf (accessed on 1 May 2021).
- Mensou, S.; Essadki, A.; Nasser, T.; Idrissi, B.B. A direct power control of a DFIG based-WECS during symmetrical voltage dips. Prot. Control. Mod. Power Syst. 2020, 5, 1–12. [Google Scholar] [CrossRef]
- Cárdenas, R.; Peña, R.; Clare, J.; Wheeler, P. Analytical and experimental evaluation of a WECS based on a cage induction generator fed by a matrix converter. IEEE Trans. Energy Convers. 2011, 26, 204–215. [Google Scholar] [CrossRef]
- Mondal, S.; Kastha, D. Improved Direct Torque and Reactive Power Control of a Matrix-Converter-Fed Grid-Connected Doubly Fed Induction Generator. IEEE Trans. Ind. Electron. 2015, 62, 7590–7598. [Google Scholar] [CrossRef]
- Mondal, S.; Kastha, D. Maximum Active and Reactive Power Capability of a Matrix Converter-Fed DFIG-Based Wind Energy Conversion System. IEEE J. Emerg. Sel. Top. Power Electron. 2017, 5, 1322–1333. [Google Scholar] [CrossRef]
- Elizondo, J.L.; Olloqui, A.; Rivera, M.; Macias, M.E.; Probst, O.; Micheloud, O.M.; Rodriguez, J. Model-based predictive rotor current control for grid synchronization of a DFIG driven by an indirect matrix converter. IEEE J. Emerg. Sel. Top. Power Electron. 2014, 2, 715–726. [Google Scholar] [CrossRef]
- Jiang, Z.; Xie, K. Identification and effect analysis of the weak parts of large-scale wind energy conversion system using the reliability tracing technique. Prz. Elektrotechniczny 2012, 88, 192–196. [Google Scholar]
- Semken, R.S.; Polikarpova, M.; Röyttä, P.; Alexandrova, J.; Pyrhönen, J.; Nerg, J.; Mikkola, A.; Backman, J. Direct-drive permanent magnet generators for high-power wind turbines: Benefits and limiting factors. IET Renew. Power Gener. 2012, 6, 1–8. [Google Scholar] [CrossRef]
- Hojabri, H.; Mokhtari, H.; Chang, L. Reactive Power Control of Permanent-Magnet. IEEE Trans. Power Deliv. 2013, 28, 575–584. [Google Scholar] [CrossRef]
- Karaman, E.; Farasat, M.; Trzynadlowski, A.M. Indirect matrix converters as generator-grid interfaces for wind energy systems. IEEE J. Emerg. Sel. Top. Power Electron. 2014, 2, 776–783. [Google Scholar] [CrossRef]
- Singh, A.; Benzaquen, J.; Mirafzal, B. Current Source Generator-Converter Topology for Direct-Drive Wind Turbines. IEEE Trans. Ind. Appl. 2018, 54, 1663–1670. [Google Scholar] [CrossRef]
- Diaz, M.; Cardenas, R.; Espinoza, M.; Rojas, F.; Mora, A.; Clare, J.C.; Wheeler, P. Control of Wind Energy Conversion Systems Based on the Modular Multilevel Matrix Converter. IEEE Trans. Ind. Electron. 2017, 64, 8799–8810. [Google Scholar] [CrossRef]
- Barrera-Cardenas, R.; Molinas, M. Comparative study of wind turbine power converters based on medium-frequency AC-link for offshore DC-grids. IEEE J. Emerg. Sel. Top. Power Electron. 2015, 3, 525–541. [Google Scholar] [CrossRef]
- Yuan, C.; Zhou, R.; Tong, M. Topologies and control of low-frequency alternating current for offshore wind farms based on modular multilevel matrix converter. J. Eng. 2019, 2019, 2271–2277. [Google Scholar] [CrossRef]
- Abebe, R.; Vakil, G.; Calzo, G.L.; Cox, T.; Lambert, S.; Johnson, M.; Gerada, C.; Mecrow, B. Integrated motor drives: State of the art and future trends. IET Electr. Power Appl. 2016, 10, 757–771. [Google Scholar] [CrossRef]
- Wang, J.; Li, Y.; Han, Y. Integrated Modular Motor Drive Design with GaN Power FETs. IEEE Trans. Ind. Appl. 2015, 51, 3198–3207. [Google Scholar] [CrossRef]
- Levi, E.; Bodo, N.; Dordevic, O.; Jones, M. Recent advances in power electronic converter control for multiphase drive systems. In Proceedings of the 2013 IEEE Workshop on Electrical Machines Design, Control and Diagnosis, Paris, France, 11–12 March 2013; pp. 158–167. [Google Scholar]
- Levi, E.; Bojoi, R.; Profumo, F.; Toliyat, H.A.; Williamson, S. Multiphase induction motor drives—A technology status review. IET Electr. Power Appl. 2007, 1, 489–516. [Google Scholar] [CrossRef]
- Levi, E. Multiphase electric machines for variable-speed applications. IEEE Trans. Ind. Electron. 2008, 55, 1893–1909. [Google Scholar] [CrossRef]
- Toulabi, M.S.; Salmon, J.; Knight, A.M. Design, Control, and Experimental Test of an Open-Winding IPM Synchronous Motor. IEEE Trans. Ind. Electron. 2017, 64, 2760–2769. [Google Scholar] [CrossRef]
- Araújo, A.V.R.R.S.; Rodrigues, R.A.; de Paula, H.; Baccarini, L.M.R. Premature Wear and Recurring Bearing Failures in an Inverter Driven Induction Motor—Part I: Investigation of the Problem. In Proceedings of the 2013 IEEE Industry Applications Society Annual Meeting, Lake Buena Vista, FL, USA, 6–11 October 2013; Volume 6, pp. 1–6. [Google Scholar]
- Gupta, R.K.; Mohapatra, K.K.; Somani, A.; Mohan, N. Direct-matrix-converter-based drive for a three-phase open-end-winding AC machine with advanced features. IEEE Trans. Ind. Electron. 2010, 57, 4032–4042. [Google Scholar] [CrossRef]
- Rząsa, J. Research on dual matrix converter feeding an open-end-winding load controlled with the use of rotating space vectors—Part I. In Proceedings of the IECON 2013—39th Annual Conference of the IEEE Industrial Electronics Society, Vienna, Austria, 10–13 November 2013; pp. 4919–4924. [Google Scholar]
- Rzasa, J.; Garus, G. Research on dual matrix converter feeding an open end winding load controlled with the use of rotating space vectors—Part II. In Proceedings of the IECON 2013—39th Annual Conference of the IEEE Industrial Electronics Society, Vienna, Austria, 10–13 November 2013; pp. 4925–4930. [Google Scholar]
- Iqbal, A.; Ahmed, S.M.; Abu-Rub, H. Space vector PWM technique for a three-to-five-phase matrix converter. IEEE Trans. Ind. Appl. 2012, 48, 697–707. [Google Scholar] [CrossRef]
- Ahmed, S.M.; Salam, Z.; Abu-Rub, H. An improved space vector modulation for a three-to-seven-phase matrix converter with reduced number of switching vectors. IEEE Trans. Ind. Electron. 2015, 62, 3327–3337. [Google Scholar] [CrossRef]
- Ahmed, S.M.; Iqbal, A.; Abu-Rub, H.; Rodriguez, J.; Rojas, C.A.; Saleh, M. Simple carrier-based PWM technique for a three-to-nine-phase direct ac-ac converter. IEEE Trans. Ind. Electron. 2011, 58, 5014–5023. [Google Scholar]
- Ali, M.; Iqbal, A.; Khan, M.R.; Ayyub, M.; Anees, M.A. Generalized Theory and Analysis of Scalar Modulation Techniques for a m × n Matrix Converter. IEEE Trans. Power Electron. 2017, 32, 4864–4877. [Google Scholar] [CrossRef]
- Ahmed, S.M.; Abu-Rub, H.; Salarti, Z.; Rivera, M.; Ellabban, O. Generalized carrier based pulse width modulation technique for a three to n-phase dual matrix converter. In Proceedings of the IECON 2014—40th Annual Conference of the IEEE Industrial Electronics Society, Dallas, TX, USA, 29 October–1 November 2014; pp. 3298–3304. [Google Scholar]
- Ahmed, S.M.; Abu-Rub, H.; Salam, Z. Space vector control of dual matrix converters based five-phase open-end winding drive. In Proceedings of the 2014 IEEE Conference on Energy Conversion, Johor Bahru, Malaysia, 13–14 October 2014; pp. 348–353. [Google Scholar]
- Ahmed, S.M.; Abu-Rub, H.; Salam, Z. Common-mode voltage elimination in a three-to-five-phase dual matrix converter feeding a five-phase open-end drive using space-vector modulation technique. IEEE Trans. Ind. Electron. 2015, 62, 6051–6063. [Google Scholar] [CrossRef]
- Rahman, K.; Iqbal, A.; Al-Hitmi, M.A.; Dordevic, O.; Ahmad, S. Performance Analysis of a Three-to-Five Phase Dual Matrix Converter Based on Space Vector Pulse Width Modulation. IEEE Access 2019, 7, 12307–12318. [Google Scholar] [CrossRef]
- Ahmed, S.M.; Salam, Z.; Abu-Rub, H. Common-mode voltage elimination in a three-to-seven phase dual matrix converter feeding a seven phase open-end induction motor drive. In Proceedings of the 2014 IEEE Conference on Energy Conversion, Johor Bahru, Malaysia, 13–14 October 2014; pp. 207–212. [Google Scholar]
- Nguyen, T.D.; Lee, H.H. Carrier-based PWM technique for three-to-five phase indirect matrix converters. In Proceedings of the IECON 2011—37th Annual Conference of the IEEE Industrial Electronics Society, Melbourne, Australia, 7–10 November 2011; pp. 3662–3667. [Google Scholar]
- Nguyen, T.D.; Lee, H.H. Development of a Three-to-Five-Phase Indirect Matrix Converter with Carrier-Based PWM Based on Space-Vector Modulation Analysis. IEEE Trans. Ind. Electron. 2016, 63, 13–24. [Google Scholar] [CrossRef]
- Rahman, K.; Iqbal, A.; Al-Emadi, N.; Ben-Brahim, L. Common mode voltage reduction in a three-to-five phase matrix converter fed induction motor drive. IET Power Electron. 2017, 10, 817–825. [Google Scholar] [CrossRef]
- Chai, M.; Xiao, D.; Dutta, R.; Fletcher, J.E. Space vector PWM techniques for three-to-five-phase indirect matrix converter in the overmodulation region. IEEE Trans. Ind. Electron. 2016, 63, 550–561. [Google Scholar] [CrossRef]
- Riedemann, J.; Cárdenas, R.; Clare, J.; Wheeler, P.; Blasco-gimenez, R. Control strategy of a dual-inverter system for an open-end winding induction machine based on indirect matrix converter. In Proceedings of the Power Electronics and Applications (EPE’14-ECCE Europe), Lappeenranta, Finland, 26–28 August 2014; pp. 1–8. [Google Scholar]
- Riedemann, J.; Pena, R.; Cárdenas, R.; Rivera, M.; Blasco-Gimenez, R.; Clare, J.; Wheeler, P. Control of an open-end winding induction machine via a two-output indirect matrix converter. In Proceedings of the IEEE Applied Power Electronics Conference and Exposition—APEC, Fort Worth, TX, USA, 16–20 March 2014; pp. 1537–1544. [Google Scholar]
- Riedemann, J.; Clare, J.C.; Wheeler, P.W.; Blasco-Gimenez, R.; Rivera, M.; Pena, R. Open-End Winding Induction Machine Fed by a Dual-Output Indirect Matrix Converter. IEEE Trans. Ind. Electron. 2016, 63, 4118–4128. [Google Scholar] [CrossRef]
- Tran, Q.H.; Nguyen, T.D.; Lee, H.H. A SVM method for five-leg indirect matrix converters with open-end winding load. In Proceedings of the 2015 9th International Conference on Power Electronics and ECCE Asia (ICPE-ECCE Asia), Seoul, Korea, 1–5 June 2015; pp. 934–939. [Google Scholar]
- Tran, Q.H.; Nguyen, T.D.; Lee, H.H. Three-vector modulation scheme to improve output performance for five-leg indirect matrix converter fed open-end load. In Proceedings of the 2016 IEEE 8th International Power Electronics and Motion Control. Conference (IPEMC-ECCE Asia), Hefei, China, 22–26 May 2016; pp. 2133–2138. [Google Scholar]
- Tran, Q.H.; Lee, H.H. A Three-Vector Modulation Strategy for Indirect Matrix Converter Fed Open-End Load to Reduce Common-Mode Voltage with Improved Output Performance. IEEE Trans. Power Electron. 2017, 32, 7904–7915. [Google Scholar] [CrossRef]
- Tewari, S.; Gupta, R.K.; Mohan, N. Three-level indirect matrix converter based open-end winding AC machine drive. In Proceedings of the IECON 2011—37th Annual Conference of the IEEE Industrial Electronics Society, Melbourne, Australia, 7–10 November 2011; No. 1. pp. 1636–1641. [Google Scholar]
- Tewari, S.; Gupta, R.K.; Somani, A.; Mohan, N. Indirect matrix converter based open-end winding AC drives with zero common-mode voltage. In Proceedings of the IEEE Applied Power Electronics Conference and Exposition—APEC, Long Beach, CA, USA, 20–24 March 2016; IEEE: New York, NY, USA, 2016; Volume 2016, pp. 1520–1527. [Google Scholar]
- Tewari, S.; Mohan, N. Matrix Converter Based Open-End Winding Drives with Common-Mode Elimination: Topologies, Analysis, and Comparison. IEEE Trans. Power Electron. 2017, 8993, 1–18. [Google Scholar] [CrossRef]
- Bento, A.; Luís, R.; Pinto, S.; Silva, J.F. A Novel Multilevel T-Type Indirect Matrix Converter for Three-phase Open-end AC Loads. In Proceedings of the IECON 2019—45th Annual Conference of the IEEE Industrial Electronics Society, Lisbon, Portugal, 14–17 September 2019; pp. 6575–6580. [Google Scholar]
- IEA. Global EV Outlook 2020; IEA: Paris, France, 2020. [Google Scholar]
- Chen, T.; Zhang, X.-P.; Wang, J.; Li, J.; Wu, C.; Hu, M.; Bian, H. A Review on Electric Vehicle Charging Infrastructure Development in the UK. J. Mod. Power Syst. Clean Energy 2020, 8, 193–205. [Google Scholar] [CrossRef]
- Chaudhry, H.; Bohn, T. A V2G application using DC fast charging and its impact on the grid. In Proceedings of the 2012 IEEE Transportation Electrification Conference and Expo (ITEC), Dearborn, MI, USA, 18–20 June 2012. [Google Scholar]
- Nguyen, T.-L.; Lee, H.-H. An Enhanced Control Strategy for AC-DC Matrix Converters under Unbalanced Grid Voltage. IEEE Trans. Ind. Electron. 2020, 67, 1718–1727. [Google Scholar] [CrossRef]
- Wang, H.; Blaabjerg, F. Reliability of Capacitors for DC-Link Applications in Power Electronic Converters-An Overview. IEEE Trans. Ind. Appl. 2014, 50, 3569–3578. [Google Scholar] [CrossRef]
- Song, Y.; Wang, B. Survey on Reliability of Power Electronic Systems. IEEE Trans. Power Electron. 2013, 28, 591–604. [Google Scholar] [CrossRef]
- Schrittwieser, L.; Leibl, M.; Kolar, J.W. 99% Efficient isolated three-phase matrix-type DAB buck-boost PFC rectifier. IEEE Trans. Power Electron. 2020, 35, 138–157. [Google Scholar] [CrossRef]
- Sandoval, J.J.; Essakiappan, S.; Enjeti, P. A bidirectional series resonant matrix converter topology for electric vehicle DC fast charging. In Proceedings of the IEEE Applied Power Electronics Conference and Exposition—APEC, Charlotte, NC, USA, 15–19 March 2015; IEEE: New York, NY, USA, 2015; Volume 2015, pp. 3109–3116. [Google Scholar]
- You, K.; Xiao, D.; Rahman, M.F.; Uddin, M.N. Applying reduced general direct space vector modulation approach of AC-AC matrix converter theory to achieve direct power factor controlled three-phase AC-DC matrix rectifier. IEEE Trans. Ind. Appl. 2014, 50, 2243–2257. [Google Scholar] [CrossRef]
- Afsharian, J.; Xu, D.; Wu, B.; Gong, B.; Yang, Z. The Optimal PWM Modulation and Commutation Scheme for a Three-Phase Isolated Buck Matrix-Type Rectifier. IEEE Trans. Power Electron. 2018, 33, 110–124. [Google Scholar] [CrossRef]
- Metidji, R.; Metidji, B.; Mendil, B. Design and Implementation of a Unity Power Factor Fuzzy Battery Charger using an Ultrasparse Matrix Rectifier. IEEE Trans. Power Electron. 2013, 28, 2269–2276. [Google Scholar] [CrossRef]
- Feng, B.; Lin, H.; Wang, X. Modulation and control of ac/dc matrix converter for battery energy storage application. IET Power Electron. 2015, 8, 1583–1594. [Google Scholar] [CrossRef]
- Varajao, D.; Araujo, R.E.; Miranda, L.M.; Lopes, J.A.P. Modulation Strategy for a Single-Stage Bidirectional and Isolated AC\DC Matrix Converter for Energy Storage Systems. IEEE Trans. Ind. Electron. 2018, 65, 3458–3468. [Google Scholar] [CrossRef]
- Su, M.; Wang, H.; Sun, Y.; Yang, J.; Xiong, W.; Liu, Y. AC/DC Matrix Converter with an Optimized Modulation Strategy for V2G Applications. IEEE Trans. Power Electron. 2013, 28, 5736–5745. [Google Scholar] [CrossRef]
- Grote, M.; Williams, I.; Preston, J. Direct carbon dioxide emissions from civil aircraft. Atmos. Environ. 2014, 95, 214–224. [Google Scholar] [CrossRef]
- Aerospace, W.; Power, N. The More Electric Aircraft. IEEE Electrif. Mag. 2014, 44, 6–12. [Google Scholar]
- Chen, J.; Wang, C.; Chen, J. Investigation on the selection of electric power system architecture for future more electric aircraft. IEEE Trans. Transp. Electrif. 2018, 4, 563–576. [Google Scholar] [CrossRef]
- Buticchi, G.; Liserre, M.; Al-Haddad, K. On-Board Microgrids for the More Electric Aircraft. IEEE Trans. Ind. Electron. 2019, 66, 5585–5587. [Google Scholar] [CrossRef]
- Rohouma, W.; Zanchetta, P.; Wheeler, P.W.; Empringham, L. A Four-Leg Matrix Converter Ground Power Unit with Repetitive Voltage Control. IEEE Trans. Ind. Electron. 2015, 62, 2032–2040. [Google Scholar] [CrossRef]
- Kobravi, K.; Iravani, R.; Kojori, H.A. A review and implementation of Matrix-Converter for aerospace application. In Proceedings of the 2012 IEEE Energy Conversion Congress and Exposition, ECCE 2012, Raleigh, NC, USA, 15–20 September 2012; pp. 698–705. [Google Scholar]
- Lei, J.; Zhou, B.; Wei, J.; Qin, X.; Bian, J. Aircraft starter/generator system based on indirect matrix converter. In Proceedings of the IECON 2014—40th Annual Conference of the IEEE Industrial Electronics Society, Dallas, TX, USA, 29 October–1 November 2014; pp. 4840–4846. [Google Scholar]
- Mohamad, A.S. Modeling of a steady-state VSCF aircraft electrical generator based on a matrix converter with high number of input phases. In Proceedings of the 2015 IEEE Student Conference on Research and Development, SCOReD 2015, Kuala Lumpur, Malaysia, 13–14 December 2015; pp. 500–505. [Google Scholar]
- Bojoi, R.; Neacsu, M.G.; Tenconi, A. Analysis and survey of multi-phase power electronic converter topologies for the more electric aircraft applications. In Proceedings of the SPEEDAM 2012—21st International Symposium on Power Electronics, Electrical Drives, Automation and Motion, Sorrento, Italy, 20–22 June 2012; pp. 440–445. [Google Scholar]
- Shi, B.; Zhou, B.; Hu, D. A novel dual-output indirect matrix converter for more electric aircraft. In Proceedings of the IECON 2017—43rd Annual Conference of the IEEE Industrial Electronics Society, Beijing, China, 29 October—1 November 2017; Volume 2017, pp. 4083–4087. [Google Scholar]
- Singh, A.K.; Das, P.; Panda, S.K. A novel matrix based isolated three phase AC-DC converter with reduced switching losses. In Proceedings of the IEEE Applied Power Electronics Conference and Exposition—APEC, Charlotte, NC, USA, 15–19 March 2015; IEEE: New York, NY, USA, 2015; Volume 2015, pp. 1875–1880. [Google Scholar]
- Singh, A.K.; Jeyasankar, E.; Das, P.; Panda, S.K. A Matrix-Based Nonisolated Three-Phase AC-DC Rectifier with Large Step-Down Voltage Gain. IEEE Trans. Power Electron. 2017, 32, 4796–4811. [Google Scholar] [CrossRef]
- Huang, X.; Goodman, A.; Gerada, C.; Fang, Y.; Lu, Q. A single sided matrix converter drive for a brushless DC motor in aerospace applications. IEEE Trans. Ind. Electron. 2012, 59, 3542–3552. [Google Scholar] [CrossRef]
- Bucknall, R.W.G.; Ciaramella, K.M. On the Conceptual Design and Performance of a Matrix Converter for Marine Electric Propulsion. IEEE Trans. Power Electron. 2010, 25, 1497–1508. [Google Scholar] [CrossRef]
- Drábek, P.; Peroutka, Z.; Pittermann, M.; Cédl, M. New configuration of traction converter with medium-frequency transformer using matrix converters. IEEE Trans. Ind. Electron. 2011, 58, 5041–5048. [Google Scholar] [CrossRef]
- Bednar, B.; Drabek, P.; Pittermann, M. Novel control strategy of traction converter with medium frequency transformer. In Proceedings of the ELEKTRO 2016—11th International Conference, Strbske Pleso, Slovakia, 16–18 May 2016; pp. 254–259. [Google Scholar]
- Kuring, C.; Hilt, O.; Bocker, J.; Wolf, M.; Dieckerhoff, S.; Wurfl, J. Novel monolithically integrated bidirectional GaN HEMT. In Proceedings of the 2018 IEEE Energy Conversion Congress and Exposition, ECCE 2018, Portland, OR, USA, 23–27 September 2018; pp. 876–883. [Google Scholar]
- Umeda, H.; Yamada, Y.; Asanuma, K.; Kusama, F.; Kinoshita, Y.; Ueno, H.; Ishida, H.; Hatsuda, T.; Ueda, T. High power 3-phase to 3-phase matrix converter using dual-gate GaN bidirectional switches. In Proceedings of the IEEE Applied Power Electronics Conference and Exposition—APEC, San Antonio, TX, USA, 4–8 March 2018; Volume 2018, pp. 894–897. [Google Scholar]
- Jessen, G.H. The Supercharged Semiconductor: Gallium oxide could make powerful radios and switch thousands of volts. IEEE Spectrum 2021, 58, 36–42. [Google Scholar] [CrossRef]
- Gao, R.; She, X.; Husain, I.; Huang, A.Q. Solid-State-Transformer-Interfaced Permanent Magnet Wind Turbine Distributed Generation System with Power Management Functions. IEEE Trans. Ind. Appl. 2017, 53, 3849–3861. [Google Scholar] [CrossRef]
- Pugliese, S.; Andresen, M.; Mastromauro, R.A.; Buticchi, G.; Stasi, S.; Liserre, M. A New Voltage Balancing Technique for a Three-Stage Modular Smart Transformer Interfacing a DC Multibus. IEEE Trans. Power Electron. 2019, 34, 2829–2840. [Google Scholar] [CrossRef]
- Moosavi, M.; Farivar, G.; Member, S.; Iman-Eini, H. Operating Region for Cascaded H-Bridge Converters. IEEE Trans. Power Electron. 2014, 29, 5044–5053. [Google Scholar] [CrossRef]
























Publisher’s Note: MDPI stays neutral with regard to jurisdictional claims in published maps and institutional affiliations. |
© 2021 by the authors. Licensee MDPI, Basel, Switzerland. This article is an open access article distributed under the terms and conditions of the Creative Commons Attribution (CC BY) license (https://creativecommons.org/licenses/by/4.0/).
Share and Cite
Bento, A.; Paraíso, G.; Costa, P.; Zhang, L.; Geury, T.; Pinto, S.F.; Silva, J.F. On the Potential Contributions of Matrix Converters for the Future Grid Operation, Sustainable Transportation and Electrical Drives Innovation. Appl. Sci. 2021, 11, 4597. https://doi.org/10.3390/app11104597
Bento A, Paraíso G, Costa P, Zhang L, Geury T, Pinto SF, Silva JF. On the Potential Contributions of Matrix Converters for the Future Grid Operation, Sustainable Transportation and Electrical Drives Innovation. Applied Sciences. 2021; 11(10):4597. https://doi.org/10.3390/app11104597
Chicago/Turabian StyleBento, Alexandre, Guilherme Paraíso, Pedro Costa, Lijun Zhang, Thomas Geury, Sónia Ferreira Pinto, and José Fernando Silva. 2021. "On the Potential Contributions of Matrix Converters for the Future Grid Operation, Sustainable Transportation and Electrical Drives Innovation" Applied Sciences 11, no. 10: 4597. https://doi.org/10.3390/app11104597
APA StyleBento, A., Paraíso, G., Costa, P., Zhang, L., Geury, T., Pinto, S. F., & Silva, J. F. (2021). On the Potential Contributions of Matrix Converters for the Future Grid Operation, Sustainable Transportation and Electrical Drives Innovation. Applied Sciences, 11(10), 4597. https://doi.org/10.3390/app11104597

