Analytical-Numerical Model for Temperature Prediction of a Serpentine Belt Drive System
Abstract
1. Introduction
2. Thermal Model
2.1. Establishment of Thermal Model
2.2. Thermal Analysis of the Belt
2.3. Thermal Analysis at Belt–Pulley Engaged Surfaces
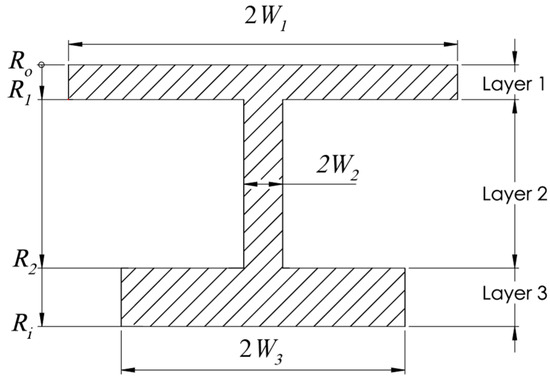
2.4. Pulley Internal Thermal Analysis
2.4.1. Pulley Mathematical Algorithm
2.4.2. Numerical Method
2.4.3. Modeling Structure
2.4.4. Modeling Motions
2.4.5. Meshing Procedure
2.4.6. Modeling the Heat Transfer
2.4.7. Input/Output Setting
2.4.8. Parametric Setting
2.5. Overall Structure
3. Experimental Setup
3.1. Load Cases
3.2. Belt Layouts
3.3. Equipment Setup
4. Results and Discussion
4.1. Verification of Sn(ωpn)
4.2. Model Verification
4.3. Temperature Plot Verification
5. Conclusions
Author Contributions
Funding
Conflicts of Interest
References
- Kim, S.; Shim, J.; Rhee, J.Y.; Jung, D.; Park, C. Temperature Distribution Characteristics of Concrete during Fire Occurrence in a Tunnel. Appl. Sci. 2019, 9, 4740. [Google Scholar] [CrossRef]
- Guan, P.; Ai, Y.; Fei, C.; Yao, Y. Thermal Fatigue Life Prediction of Thermal Barrier Coat on Nozzle Guide Vane via Master–Slave Model. Appl. Sci. 2019, 9, 4357. [Google Scholar] [CrossRef]
- Gerbert, G. Traction Belt Mechanics; Machine and Vehicle Design, Chalmers University of Technology: Gothenburg, Sweden, 1999. [Google Scholar]
- Manin, L.; Liang, X.; Lorenzon, C. Power losses prediction in poly-v belt transmissions: Application to front engine accessory drives. In Proceedings of the International Gear Conference 2014, Lyon, France, 26–28 August 2014; Elsevier: Amsterdam, The Netherlands, 2014; pp. 1162–1171. [Google Scholar]
- Silva, C.; Manin, L.; Rinaldi, R.G.; Remond, D.; Bbsnier, E.; Andrianoely, M. Modeling of power losses in poly-V belt transmissions: Hysteresis phenomena (standard analysis). J. Adv. Mech. Des. Syst. Manuf. 2017, 11, JAMDSM0085. [Google Scholar] [CrossRef]
- Silva, C.; Manin, L.; Rinaldi, R.G.; Remond, D.; Besnier, E.; Andrianoely, M. Modeling of power losses in poly-V belt transmissions: Hysteresis phenomena (enhanced analysis). Mech. Mach. Theory 2018, 121, 373–397. [Google Scholar] [CrossRef]
- Silva, C.; Manin, L.; Andrianoely, M.; Besnier, E.; Remond, D. Power losses distribution in serpentine belt drive: Modelling and experiments. Proc. Inst. Mech. Eng. Part D J. Automob. Eng. 2019, 233, 3424–3437. [Google Scholar] [CrossRef]
- Bertini, L.; Carmignani, L.; Frendo, F. Analytical model for the power losses in rubber V-belt continuously variable transmission (CVT). Mech. Mach. Theory 2014, 78, 289–306. [Google Scholar] [CrossRef]
- Balta, B.; Sonmez, F.O.; Cengiz, A. Speed losses in V-ribbed belt drives. Mech. Mach. Theory 2015, 86, 1–14. [Google Scholar] [CrossRef]
- Qin, Z.; Cui, D.; Yan, S.; Chu, F. Hysteresis modeling of clamp band joint with macro-slip. Mech. Syst. Signal Process. 2016, 66–67, 89–110. [Google Scholar] [CrossRef]
- Bents, D.J. Axial Force and Efficiency Tests of Fixed Center Variable Speed Belt Drive. SAE Technical Paper Series; 1981. Available online: https://ntrs.nasa.gov/archive/nasa/casi.ntrs.nasa.gov/19810006852.pdf (accessed on 17 February 2020).
- Julió, G.; Plante, J.S. An experimentally-validated model of rubber-belt CVT mechanics. Mech. Mach. Theory 2011, 46, 1037–1053. [Google Scholar] [CrossRef]
- Merghache, S.M.; Ghernaout, M. Experimental and numerical study of heat transfer through a synchronous belt transmission type AT10. Appl. Therm. Eng. 2017, 127, 705–717. [Google Scholar] [CrossRef]
- Fortunato, G.; Ciaravola, V.; Furno, A.; Lorenz, B.; Persson, B. General theory of frictional heating with application to rubber friction. J. Phys. Condens. Matter 2015, 27, 175008. [Google Scholar] [CrossRef] [PubMed]
- Mackerle, J. Rubber and rubber-like materials, finite-element analyses and simulations, an addendum: A bibliography (1997–2003). Model. Simul. Mater. Sci. Eng. 2004, 12, 1031–1053. [Google Scholar] [CrossRef]
- Phan, D.; Kondyles, D. Rotor Design and Analysis; A Technique Using Computational Fluid Dynamics (CFD) and Heat Transfer Analysis. SAE Technical Paper. 2003. Available online: https://www.sae.org/publications/technical-papers/content/2003-01-3303/ (accessed on 17 February 2020).
- Ramzan, M.; Riasat, S.; Kadry, S.; Long, C.; Nam, Y.; Lu, D. Numerical Simulation of 3D Condensation Nanofluid Film Flow with Carbon Nanotubes on an Inclined Rotating Disk. Appl. Sci. 2019, 10, 168. [Google Scholar] [CrossRef]
- Talati, F.; Jalalifar, S. Analysis of heat conduction in a disk brake system. Heat Mass Transf. 2009, 45, 1047–1059. [Google Scholar] [CrossRef]
- Wu, Y.; Wu, M.; Zhang, Y.; Wang, L. Experimental study of heat and mass transfer of a rolling wheel. Heat Mass Transf. 2014, 50, 151–159. [Google Scholar] [CrossRef]
- Belhocine, A.; Bouchetara, M. Thermal behavior of full and ventilated disc brakes of vehicles. J. Mech. Sci. Technol. 2012, 26, 3643–3652. [Google Scholar] [CrossRef]
- McPhee, A.D.; Johnson, D.A. Experimental heat transfer and flow analysis of a vented brake rotor. Int. J. Therm. Sci. 2008, 47, 458–467. [Google Scholar] [CrossRef]
- Reddy, S.M.; Mallikarjuna, J.M.; Ganesan, V. Flow and Heat Transfer Analysis of a Ventilated Disc Brake Rotor Using CFD. SAE Technical Paper. 2008. Available online: https://www.sae.org/publications/technical-papers/content/2008-01-0822/ (accessed on 17 February 2020).
- Yan, H.B.; Feng, S.S.; Yang, X.H.; Lu, T.J. Role of cross-drilled holes in enhanced cooling of ventilated brake discs. Appl. Therm. Eng. 2015, 91, 318–333. [Google Scholar] [CrossRef]
- Moradi-Dastjerdi, R.; Payganeh, G.; Tajdari, M. Thermoelastic analysis of functionally graded cylinders reinforced by wavy CNT using a mesh-free method. Polym. Compos. 2018, 39, 2190–2201. [Google Scholar] [CrossRef]
- Moradi-Dastjerdi, R.; Payganeh, G. Transient heat transfer analysis of functionally graded CNT reinforced cylinders with various boundary conditions. Steel Compos. Struct. 2017, 24, 359–367. [Google Scholar]
- Safaei, B.; Moradi-Dastjerdi, R.; Qin, Z.; Behdinan, K.; Chu, F. Determination of thermoelastic stress wave propagation in nanocomposite sandwich plates reinforced by clusters of carbon nanotubes. J. Sandw. Struct. Mater. 2019. [CrossRef]
- Safaei, B.; Moradi-Dastjerdi, R.; Behdinan, K.; Qin, Z.; Chu, F. Thermoelastic behavior of sandwich plates with porous polymeric core and CNT clusters/polymer nanocomposite layers. Compos. Struct. 2019, 226, 111209. [Google Scholar] [CrossRef]
- Moradi-Dastjerdi, R.; Behdinan, K. Thermoelastic static and vibrational behaviors of nanocomposite thick cylinders reinforced with graphene. Steel Compos. Struct. 2019, 31, 529–539. [Google Scholar]
- Wurm, J.; Fitl, M.; Gumpesberger, M.; Väisänen, E.; Hochenauer, C. Novel CFD approach for the thermal analysis of a continuous variable transmission (CVT). Appl. Therm. Eng. 2016, 103, 159–169. [Google Scholar] [CrossRef]
- Wurm, J.; Fitl, M.; Gumpesberger, M.; Väisänen, E.; Hochenauer, C. Advanced heat transfer analysis of continuously variable transmissions (CVT). Appl. Therm. Eng. 2017, 114, 545–553. [Google Scholar] [CrossRef]
- Mukunthan, S.; Vleugels, J.; Huysmans, T.; Kuklane, K.; Mayor, T.S.; De Bruyne, G. Thermal-Performance Evaluation of Bicycle Helmets for Convective and Evaporative Heat Loss at Low and Moderate Cycling Speeds. Appl. Sci. 2019, 9, 3672. [Google Scholar] [CrossRef]
- Shiming, Y.; Wenquan, T. Heat Transfer, 4th ed.; Higher Education Press: Beijing, China, 1998; Volume 1. [Google Scholar]
- Abramowitz, M.; Stegun, I.A. Handbook of Mathematical Functions with Formulas, Graphs, and Mathematical Tables, 10th ed.U.S. Dept. of Commerce, National Bureau of Standards: Washington, DC, USA, 1972. [Google Scholar]
- Pei, H.; Kong, B.; Jiang, Y.; Shi, H. Forced Convection Heat Transfer for Stratospheric Airship Involved Flight State. Appl. Sci. 2020, 10, 1294. [Google Scholar] [CrossRef]

















| Parameter | Symbol | Variation |
|---|---|---|
| Pulley Radius (mm) | R | 76.2/108/148 |
| Thermal Conductivity of the Pulley (W/m/k) | ΛRp | 55 (Steel)/0.3 (FRP) |
| Transmitted Speed (RPM) | ωp4 | 2000/4000/6000 |
| Pulley ID | Layout 1 | Layout 2 | ||||
|---|---|---|---|---|---|---|
| X (mm) | Y (mm) | Radius (mm) | X (mm) | Y (mm) | Radius (mm) | |
| 1 | 0 | 0 | 148 | 0 | 0 | 148 |
| 2 | 228 | −18 | 65 | 240 | −29 | 65 |
| 3 | 297 | 187 | 62 | 311 | 255 | 62 |
| 4 | 212 | 189 | 76 | 205 | 185 | 108 |
| 5 | 117 | 104 | 65 | 96 | 113 | 65 |
© 2020 by the authors. Licensee MDPI, Basel, Switzerland. This article is an open access article distributed under the terms and conditions of the Creative Commons Attribution (CC BY) license (http://creativecommons.org/licenses/by/4.0/).
Share and Cite
Liu, X.; Behdinan, K. Analytical-Numerical Model for Temperature Prediction of a Serpentine Belt Drive System. Appl. Sci. 2020, 10, 2709. https://doi.org/10.3390/app10082709
Liu X, Behdinan K. Analytical-Numerical Model for Temperature Prediction of a Serpentine Belt Drive System. Applied Sciences. 2020; 10(8):2709. https://doi.org/10.3390/app10082709
Chicago/Turabian StyleLiu, Xingchen, and Kamran Behdinan. 2020. "Analytical-Numerical Model for Temperature Prediction of a Serpentine Belt Drive System" Applied Sciences 10, no. 8: 2709. https://doi.org/10.3390/app10082709
APA StyleLiu, X., & Behdinan, K. (2020). Analytical-Numerical Model for Temperature Prediction of a Serpentine Belt Drive System. Applied Sciences, 10(8), 2709. https://doi.org/10.3390/app10082709

