Study on New Bolted T-Stub Connection with Inserted Plates under Axial and Cyclic Loads
Abstract
:1. Introduction
2. Mechanical Model
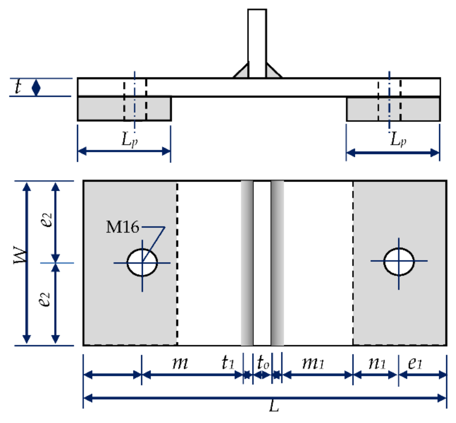
3. Test Specimen, Test Setup and Instrumentation
- Setting or not setting the inserted plates, to measure the influence of plates on the mechanical properties of the connection (and the dissipation capacity in particular).
- Relative strength of T-stub flange and two high-strength bolts, to verify the reliability of the proposed mechanical model for failure modes and load bearing capacity calculation.
- Fabricating the connection by cutting from a standard steel section or welding two steel plates, to compare the impacts of setup on the mechanical properties of the connection.
- Length of the T-stub flange and width of the inserted plates, to investigate the energy dissipation capacity of the connection then determine the optimum width of plates.
4. Test Observations, Results and Analysis
4.1. Tension Test
4.2. Compression Test
4.2.1. Test Results
4.2.2. Test Data Validation
4.3. Cyclic Test
4.3.1. Test Results
4.3.2. Energy Dissipation Capacity
4.3.3. Equivalent Viscous Damping Ratio
5. Discussion
6. Conclusions
- (1)
- The proposal regarding the insertion of two rectangular plates beneath the T-stub flange to promote the mechanical properties of the component is feasible.
- (2)
- The two failure modes of new T-stub connections under tension in the test are identical to those explored in previous studies, as expected. Meanwhile, the two compressive failure modes from tests conformed to the mechanical model this study set up. The first mechanism featured plastic hinges forming a flange-web connection with the flange above the inner sides of two plates, while the second involved plastic deformation occurring at the flange-web connection, as well as two bolts.
- (3)
- The existence of two plates did not substantially strengthen the tensile properties, but effectively elevated the compressive strength, stiffness and ductility of the specimens. Furthermore, the compressive forces obtained through the tests agreed well with the formulas presented in terms of compression bearing capacity.
- (4)
- The hysteresis loops of specimens designed according to the Type 1 failure mode were plump and stable, while those based on the Type 2 failure mode revealed a pinched effect, as did the specimens with a plate width exceeding 46 mm.
- (5)
- The T-stub connections fabricated by means of welding surpassed those from hot rolled steel sections in terms of rigidity and ductility performance, with the overall energy consumed by former capable of rising by about 14% compared with the latter.
- (6)
- An average of 50% improvement on energy dissipation capacity can be expected after the two plates are assembled. An increase of 16% energy dissipation capacity is possible for each 10 mm increment in flange length. The energy dissipation capacity also increased by 10% and 23% for every 2 or 6 mm growth in plate width, respectively, up to 46 mm in total.
- (7)
- The geometric relationship matching the optimal width of the plates herein refers to the plate width roughly taking up 31% of flange width; in this case, the ratio of distance between the inside of the plates and the bolt centerline to the distance between the bolt centerline and the flange-web connection was about 4:3.
Author Contributions
Funding
Acknowledgments
Conflicts of Interest
References
- Miller, D.K. Lessons learned from the Northridge earthquake. Eng. Struct. 1998, 20, 249–260. [Google Scholar] [CrossRef]
- Nakashima, M.; Inoue, K.; Tada, M. Classification of Damage to Steel Building Observed in the 1995 Hyogoken-Nanbu Earthquake. Eng. Struct. 1998, 20, 271–281. [Google Scholar] [CrossRef]
- Suita, K.; Tamura, T.; Morita, S.; Nakashima, M.; Engelhardt, M.D. Plastic rotation capacity of steel beam-to-column connections using a reduced beam section and no weld access hole design. J. Struct. Constr. Eng. 1999, 526, 177–184. [Google Scholar] [CrossRef]
- Sang, H.O.; Young, J.K.; Tae, S.M. Cyclic performance of existing moment connections in steel retrofitted with a reduced beam section and bottom flange reinforcements. Can. J. Civ. Eng. 2007, 34, 199–209. [Google Scholar]
- Yu, Y.S.; Wang, Y. Experimental study on mechanical properties of steel frame beam flange weakened joints. Eng. Mech. 2009, 26, 168–175. [Google Scholar]
- Engelhardt, M.D.; Sabot, T.A. Seismic-resistant steel moment connections: Developments since the 1994 Northridge earthquake. Prog. Struct. Eng. Mater. 1997, 1, 68–77. [Google Scholar] [CrossRef]
- Chen, J.; Su, M.Z.; Shen, L. Experimental study on the hysteretic behavior of steel structure welded flange plate strengthened beam column rigid connection. J. Archit. Struct. 2007, 28, 1–7. [Google Scholar]
- Shi, Y.J.; Li, Z.F.; Chen, H. Experimental study on seismic behavior of new type beam column joints of high-rise steel frame. J. Build. Struct. 2002, 23, 2–7. [Google Scholar]
- Yao, Y.; Chu, Y.P. Analysis on the Mechanical Properties of Connections on Cold-Formed Square Steel Column and Beam. Adv. Mater. Res. 2011, 163, 676–680. [Google Scholar] [CrossRef]
- Jia, L.G. Experimental study of the behavior of beam-column connections of cellular steel frames under low-cyclic reversed loading. China Civ. Eng. J. 2012, 45, 61–68. [Google Scholar]
- Su, C.S.; Wook, D.K. Structural Performance of Composite Joints using Bent Studs. Int. J. Steel Struct. 2010, 10, 1–13. [Google Scholar]
- Popov, E.P.; Takhirov, S.M. Bolted large seismic steel beam-to-column connections Part 1: Experimental study. Eng. Struct. 2002, 24, 1523–1534. [Google Scholar] [CrossRef]
- Takhirov, S.M.; Popov, E.P. Bolted large seismic steel beam-to-column connections Part 2: Numerical nonlinear analysis. Eng. Struct. 2002, 24, 1535–1545. [Google Scholar] [CrossRef]
- Young, J.K.; Sang, H.O. Effect of the moment transfer efficiency of a beam web on deformation capacity at box column-to-beam connections. Eng. Struct. 2007, 63, 24–36. [Google Scholar]
- Li, W.L.; Hao, J.P.; Wang, L.Q.; Chen, H.Y. Experimental and analytical study on stiffness of beam-to-column minor axis top- and-seat angle connection in steel frames. J. Build. Struct. 2008, 29, 125–131. [Google Scholar]
- Benavent, C.A. Influence of hysteretic dampers on the seismic response of reinforced concrete wide beam–column connections. Eng. Struct. 2006, 28, 580–592. [Google Scholar] [CrossRef]
- Koetaka, Y.; Chusilp, P.; Zhang, Z. Mechanical property of beam-to-column moment connections with hysteretic dampers for column weak axis. Eng. Struct. 2005, 27, 109–117. [Google Scholar] [CrossRef]
- Sang, H.O.; Young, J.K.; Hong, S.R. Seismic performance of steel structures with slit dampers. Eng. Struct. 2009, 31, 1997–2008. [Google Scholar]
- Latour, M.; Rizzano, G. Experimental behavior and mechanical modeling of dissipative T-stub connections. J. Struct. Eng. 2012, 138, 170–181. [Google Scholar] [CrossRef]
- Yang, J.G.; Lee, H.D. Method for increasing the energy dissipation capacity of T-stubn connections. Int. J. Steel Struct. 2015, 15, 595–603. [Google Scholar] [CrossRef]
- Latour, M.; Piluso, V.; Rizzano, G. Free from damage beam-to-column joints: Testing and design of DST connections with friction pads. Eng. Struct. 2015, 85, 219–233. [Google Scholar] [CrossRef]
- Latour, M.; Piluso, V.; Rizzano, G. Experimental analysis of beam-to-column joints equipped with sprayed aluminum friction dampers. J. Constr. Steel Res. 2018, 146, 33–48. [Google Scholar] [CrossRef]
- Latour, M.; D’Aniello, M.; Zimbru, M.; Rizzano, G.; Piluso, V.; Landolfo, R. Removable friction dampers for low-damage steel beam-to-column joints. Soil Dyn. Earthq. Eng. 2018, 115, 66–81. [Google Scholar] [CrossRef]
- Wu, Z.Q.; Jiang, S.F.; Yan, H.; Su, J.Q. New steel beam-top-column connection structure. Util. Model. Pat. 2010, 201020181041.2. [Google Scholar]
- Faella, C.; Piluso, V.; Rizzano, G. Experimental analysis of bolted connections: Snug versus preloaded bolts. J. Struct. Eng. 1998, 124, 765–774. [Google Scholar] [CrossRef]
- Faella, C.; Piluso, V.; Rizzano, G. Structural Steel Semi-Rigid Connections: Theory, Design and Software; CRC Press: Boca Raton, FL, USA, 2000; pp. 206–317. [Google Scholar]
- Bernuzzi, C.; Cordova, B. Structural Steel Design to Eurocode 3 and AISC Specifications. Costr. Met. 2016, 68, 110–121. [Google Scholar]
- Eurocode C E N 3. Design of Steel Structures Part 1–8, Design of Joints; BS EN 1993-1-8; European Committee for Standardization (CEN): Brussels, Belgium, 2005. [Google Scholar]
- National Standards of the People’s Republic of China. Standard for Design of Steel Structures; GB 50017-2017; Ministry of Housing and Urban-rural Development (MOHURD): Beijing, China, 2017.
- National Standards of the People’s Republic of China. High Strength Bolts with Large Hexagon Head for Steel Structures; GB-T 1228-2006; Standardization Administration: Beijing, China, 2006. [Google Scholar]
- National Standards of the People’s Republic of China. Steel and Steel Products—Location and Preparation of Samples and Test Pieces for Mechanical Testing; GB-T 2975-2018; Standardization Administration: Beijing, China, 2018. [Google Scholar]
- National Standards of the People’s Republic of China. Metallic Materials—Tensile Testing at Ambient Temperature; GB-T 228-2002; Standardization Administration: Beijing, China, 2002. [Google Scholar]
- D’Aniello, M.; Cassiano, D.; Landolfo, R. Monotonic and cyclic inelastic tensile response of European preloadable gr10.9 bolt assemblies. J. Constr. Steel Res. 2016, 124, 77–90. [Google Scholar] [CrossRef]
- National Standards of the People’s Republic of China. Specification for Seismic Test of Buildings; JGJ/T 101-2015; Ministry of Housing and Urban-Rural Development (MOHURD): Beijing, China, 2015.
- Wang, Q.F.; Zheng, J.K.; Zhou, B. Study on seismic behavior of HRBF500 RC column based on hysteretic energy. Civ. Eng. J. 2013, 46, 22–28. [Google Scholar]
- Liu, Y.; Liu, W.; Yang, Q. Study and application of elasto-plastic energy spectrum model for long-period structure. J. Build. Struct. 2014, 35, 15–22. [Google Scholar]
- Augusto, H.; Castro, J.M.; Rebelo, C.; da Silva, L.S. Ductility-equivalent viscous damping relationships for beam-to-column partial-strength steel joints. J. Earthq. Eng. 2017, 9, 810–836. [Google Scholar] [CrossRef]
- Zhang, D.F.; Zhao, J.H.; He, S.H. Cyclic testing of concrete-filled double-skin steel tubular column to steel beam joint with RC Slab. Adv. Civ. Eng. 2018, 7126393, 1–15. [Google Scholar] [CrossRef]
- Raul, Z. Equivalent Viscous Damping Models in Displacement Based Seismic Design. Bull. Polytech. Inst. Jassy Constr. Archit. Sect. 2006, 2, 51–60. [Google Scholar]














| Specimen | No. | W | Lp | t | t0 | t1 | e1 | e2 | m | m1 | n1 | Bolt | Making | |
|---|---|---|---|---|---|---|---|---|---|---|---|---|---|---|
| /mm | Class | Method | FT | |||||||||||
| TC-N-50-0 | 2 | 50 | — | 9 | 6.5 | 11.2 | 25 | 25 | 33.95 | — | — | 10.9s | Cutting | T+H |
| TC-P-50-38 | 2 | 50 | 38 | 9 | 6.5 | 11.2 | 25 | 25 | 33.95 | 22.55 | 13 | 10.9s | Cutting | C+H |
| TC-P-50-40 | 3 | 50 | 40 | 9 | 6.5 | 11.2 | 25 | 25 | 33.95 | 20.55 | 15 | 10.9s | Cutting | T+C+H |
| TC-P-50-42 | 2 | 50 | 42 | 9 | 6.5 | 11.2 | 25 | 25 | 33.95 | 18.55 | 17 | 10.9s | Cutting | C+H |
| TC-P-60-40 | 3 | 60 | 40 | 9 | 6.5 | 11.2 | 25 | 30 | 33.95 | 20.55 | 15 | 10.9s | Cutting | T+C+H |
| WA-P-50-40 | 3 | 50 | 40 | 9 | 6.5 | 8.48 | 27 | 25 | 40.2 | 23.27 | 13 | 10.9s | Welding | T+C+H |
| WA-P-50-46 | 3 | 50 | 46 | 9 | 6.5 | 8.48 | 27 | 25 | 40.2 | 17.27 | 19 | 10.9s | Welding | T+C+H |
| WA-P-50-52 | 3 | 50 | 52 | 9 | 6.5 | 8.48 | 27 | 25 | 40.2 | 11.27 | 25 | 10.9s | Welding | T+C+H |
| WB-P-75-40 | 3 | 75 | 40 | 13 | 13 | 14.14 | 27 | 37.5 | 33.5 | 14.36 | 13 | 8.8s | Welding | T+C+H |
| WB-P-75-46 | 3 | 75 | 46 | 13 | 13 | 14.14 | 27 | 37.5 | 33.5 | 8.36 | 19 | 8.8s | Welding | T+C+H |
| WB-P-75-52 | 3 | 75 | 52 | 13 | 13 | 14.14 | 27 | 37.5 | 33.5 | 2.36 | 25 | 8.8s | Welding | T+C+H |
| Specimen | Py Test Results/kN | Fc,Rd Theoretical Results/kN | Difference |
|---|---|---|---|
| TC-P-50-38-C | 29.91 | 28.14 | 5.93% |
| TC-P-50-40-C | 34.12 | 32.58 | 4.50% |
| TC-P-50-42-C | 36.19 | 34.20 | 5.49% |
| TC-P-60-40-C | 38.86 | 37.05 | 4.65% |
| WA-P-50-40-C | 33.83 | 31.91 | 5.67% |
| WA-P-50-46-C | 43.84 | 43.00 | 1.91% |
| WA-P-50-52-C | 68.56 | 65.91 | 3.87% |
| WB-P-75-40-C | 202.4 | 185.02 | 8.59% |
| WB-P-75-46-C | 346.6 | 326.77 | 5.72% |
| WB-P-75-52-C | 714.62 | 766.19 | −7.22% |
© 2020 by the authors. Licensee MDPI, Basel, Switzerland. This article is an open access article distributed under the terms and conditions of the Creative Commons Attribution (CC BY) license (http://creativecommons.org/licenses/by/4.0/).
Share and Cite
Zhu, X.; Wu, Z. Study on New Bolted T-Stub Connection with Inserted Plates under Axial and Cyclic Loads. Appl. Sci. 2020, 10, 2631. https://doi.org/10.3390/app10072631
Zhu X, Wu Z. Study on New Bolted T-Stub Connection with Inserted Plates under Axial and Cyclic Loads. Applied Sciences. 2020; 10(7):2631. https://doi.org/10.3390/app10072631
Chicago/Turabian StyleZhu, Xiaoming, and Zhaoqi Wu. 2020. "Study on New Bolted T-Stub Connection with Inserted Plates under Axial and Cyclic Loads" Applied Sciences 10, no. 7: 2631. https://doi.org/10.3390/app10072631
APA StyleZhu, X., & Wu, Z. (2020). Study on New Bolted T-Stub Connection with Inserted Plates under Axial and Cyclic Loads. Applied Sciences, 10(7), 2631. https://doi.org/10.3390/app10072631

