An Improved Power System Transient Stability Prediction Model Based on mRMR Feature Selection and WTA Ensemble Learning
Abstract
1. Introduction
2. Materials and Methods
2.1. Data Preparation and Basic SVM Prediction Model
2.1.1. Three-time Stages Related to Transient Stability
2.1.2. SVM Prediction Model
2.2. Analysis of Multiple Input Features
2.2.1. Rotor Motion Equation
2.2.2. Separability of Electromagnetic Power and 3 Traditional Features
2.3. Feature Selection Based on mRMR Technique
- Define the set of selected feature groups as .
- Calculate the correlation between each group of input features and the target , and then select the group of input features that is most relevant to the target according to Equation (10). The selected group of input features is added to the set as the first input feature group.
- Select the next group of input features according to Equation (11), using the previously recorded features in .
- Add the selected feature group in Step 3 to the set , and then repeat Step 3 until all input features are sorted.
2.4. High Accuracy Prediction Model Based on WTA Ensemble Learning
2.4.1. Combined Features of Voltage Amplitude and Electromagnetic Power
2.4.2. WTA Ensemble Learning Model
3. Results
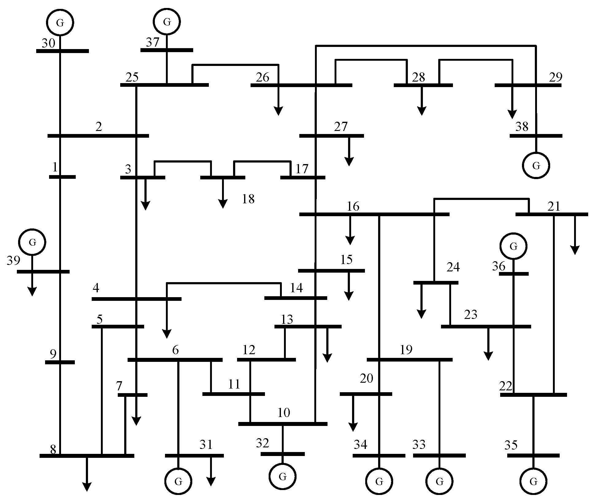
3.1. Sample Generation and Data Series Analysis with Traditional Three Features
3.2. Prediction Results of Four Input Features, Including the Proposed Electromagnetic Power Feature
3.3. Optimal Input Features Selection by mRMR
3.4. High Accuracy Prediction Results Based on WTA Ensemble Learning
3.4.1. Simple Combined Features of Voltage Amplitude and Electromagnetic Power
3.4.2. Improved WTA Ensemble Learning Results for Conservative Prediction
4. Discussion
5. Conclusions
Author Contributions
Funding
Conflicts of Interest
References
- Gan, G.; Zhu, Z.; Geng, G.; Jiang, Q. An efficient parallel sequential approach for transient stability emergency control of large scale power system. IEEE Trans. Power Syst. 2018, 33, 5854–5864. [Google Scholar] [CrossRef]
- Ma, S.; Chen, C.; Liu, C.; Shen, Z. A measurement-simulation hybrid method for transient stability assessment and control based on the deviation energy. Int. J. Electr. Power 2020, 115, 105422. [Google Scholar] [CrossRef]
- Rahman, M.S.; Pota, H.R.; Orchi, T.F. A multi-agent approach for enhancing transient stability of smart grids with renewable energy. Int. J. Electr. Power 2015, 67, 488–500. [Google Scholar] [CrossRef]
- Zakariazadeh, A.; Jadid, S.; Siano, P. Stochastic operational scheduling of smart distribution system considering wind generation and demand response programs. Int. J. Electr. Power 2014, 63, 218–225. [Google Scholar] [CrossRef]
- Liu, J.; Fang, W.; Zhang, X.; Yang, C. An improved photovoltaic power forecasting model with the assistance of aerosol index data. IEEE Trans. Sustain. Energy 2015, 6, 434–442. [Google Scholar] [CrossRef]
- Chen, Z.; Han, X.; Fan, C.; He, Z.; Su, X.; Mei, S. A data segmentation-based ensemble classification method for power system transient stability status prediction with imbalanced data. Appl. Sci. 2019, 9, 4216. [Google Scholar] [CrossRef]
- Gurung, S.; Naetiladdanon, S.; Sangswang, A. Coordination of power-system stabilizers and battery energy-storage system controllers to improve probabilistic small-signal stability considering integration of renewable-energy resources. Appl. Sci. 2019, 9, 1109. [Google Scholar] [CrossRef]
- Xia, S.; Zhang, Q.; Hussain, S.T.; Hong, B.; Zou, W. Impacts of integration of wind farms on power system transient stability. Appl. Sci. 2018, 8, 1289. [Google Scholar] [CrossRef]
- Sobbouhi, A.R.; Vahedi, A. Online synchronous generator out-of-step prediction by electrical power curve fitting. IET Gener. Transmiss. Distrib. 2020, 14, 1169–1176. [Google Scholar] [CrossRef]
- Hazari, M.; Mannan, M.A.; Muyeen, S.M.; Umemura, A.; Takahashi, R.; Tamura, J. Stability augmentation of a grid-connected wind farm by fuzzy-logic-controlled DFIG-based wind turbines. Appl. Sci. 2018, 8, 20. [Google Scholar] [CrossRef]
- Iravani, A.; de Leon, F. Real-time transient stability assessment using dynamic equivalents and nonlinear observers. IEEE Trans. Power Syst. 2020. [Google Scholar] [CrossRef]
- Liu, J.; Sun, H.; Wu, L.; Zhang, Z.; Niu, S.; Ke, X.; Huo, C. An overview of transient stability assessment of power systems. Smart Power 2019, 47, 44–53. [Google Scholar]
- Karami, A.; Esmaili, S.Z. Transient stability assessment of power systems described with detailed models using neural networks. Int. J. Electr. Power 2013, 45, 279–292. [Google Scholar] [CrossRef]
- Pai, M.A.; Vittal, V. Multimachine stability analysis using vector Lyapunov functions with inertial-centre decomposition. Int. J. Electr. Power 1983, 5, 139–144. [Google Scholar] [CrossRef]
- Wang, B.; Sun, K.; Su, X. A decoupling based direct method for power system transient stability analysis. In Proceedings of the 2015 IEEE Power & Energy Society General Meeting, Denver, CO, USA, 26–30 July 2015; pp. 1–5. [Google Scholar]
- Chiang, H.D.; Wu, F.F.; Varaiya, P.P. A BCU method for direct analysis of power system transient stability. IEEE Trans. Power Syst. 1994, 9, 1194–1208. [Google Scholar] [CrossRef]
- Alinezhad, B.; Karegar, H.K. Out-of-step protection based on equal area criterion. IEEE Trans. Power Syst. 2017, 32, 968–977. [Google Scholar] [CrossRef]
- Wehenkel, L.; van Cutsem, T.; Ribbens-Pavella, M. An artificial intelligence framework for online transient stability assessment of power systems. IEEE Trans. Power Syst. 1989, 4, 789–800. [Google Scholar] [CrossRef]
- AL-Masri, A.N.; Ab Kadir MZ, A.; Hizam, H.; Mariun, N. A novel implementation for generator rotor angle stability prediction using an adaptive artificial neural network application for dynamic security assessment. IEEE Trans. Power Syst. 2013, 28, 2516–2525. [Google Scholar] [CrossRef]
- Yan, R.; Geng, G.; Jiang, Q.; Li, Y. Fast transient stability batch assessment using cascaded convolutional neural networks. IEEE Trans. Power Syst. 2019, 34, 2802–2813. [Google Scholar] [CrossRef]
- Shi, Z.; Yao, W.; Zeng, L.; Wen, J.; Fang, J.; Ai, X.; Wen, J. Convolutional neural network-based power system transient stability assessment and instability mode prediction. Appl. Energy 2020, 263, 114586. [Google Scholar] [CrossRef]
- Tan, B.; Yang, J.; Tang, Y.; Jiang, S.; Xie, P.; Yuan, W. A deep imbalanced learning framework for transient stability assessment of power system. IEEE Access 2019, 7, 81759–81769. [Google Scholar] [CrossRef]
- Wu, S.; Zheng, L.; Hu, W.; Yu, R.; Liu, B. Improved deep belief network and model interpretation method for power system transient stability assessment. J. Mod. Power Syst. Clean Energy 2020, 8, 27–37. [Google Scholar] [CrossRef]
- Aliyan, E.; Aghamohammadi, M.; Kia, M.; Heidari, A.; Shafie-khah, M.; Catalão, J.P. Decision tree analysis to identify harmful contingencies and estimate blackout indices for predicting system vulnerability. Electr. Power Syst. Res. 2020, 178, 106036. [Google Scholar] [CrossRef]
- Amraee, T.; Ranjbar, S. Transient instability prediction using decision tree technique. IEEE Trans. Power Syst. 2013, 28, 3028–3037. [Google Scholar] [CrossRef]
- Wei, H.U.; Zongxiang, L.U.; Shuang, W.U.; Zhang, W.; Yu, D.O.N.G.; Rui, Y.U.; Baisi, L.I.U. Real-time transient stability assessment in power system based on improved SVM. J. Mod. Power Syst. Clean Energy 2019, 7, 26–37. [Google Scholar]
- Gomez, F.R.; Rajapakse, A.D.; Annakkage, U.D.; Fernando, I.T. Support vector machine-based algorithm for post-fault transient stability status prediction using synchronized measurements. IEEE Trans. Power Syst. 2011, 26, 1474–1483. [Google Scholar] [CrossRef]
- Ye, S.; Li, X.; Wang, X.; Qian, Q. Power system transient stability assessment based on adaboost and support vector machines. In Proceedings of the 2012 Asia-pacific Power & Energy Engineering Conference, Shanghai, China, 27–29 March 2012; pp. 1–5. [Google Scholar]
- MA, Q.; Yang, Y.H.; Liu, W.Y.; Qi, Z.; Guo, J.Z. Power system transient stability prediction with combined SVM method mixing multiple input features. Proc. CSEE 2005, 25, 17–23. (In Chinese) [Google Scholar]
- Wang, B.; Fang, B.; Wang, Y.; Liu, H.; Liu, Y. Power system transient stability assessment based on big data and the core vector machine. IEEE Trans. Smart Grid 2016, 7, 2561–2570. [Google Scholar] [CrossRef]
- Li, Y.; Yang, Z. Application of EOS-ELM with binary Jaya-based feature selection to real-time transient stability assessment using PMU data. IEEE Access 2017, 5, 23092–23101. [Google Scholar] [CrossRef]
- Lv, J.; Pawlak, M.; Annakkage, U.D. Prediction of the transient stability boundary using the lasso. IEEE Trans. Power Syst. 2013, 28, 281–288. [Google Scholar] [CrossRef]
- Amjady, N.; Majedi, S.F. Transient stability prediction by a hybrid intelligent system. IEEE Trans. Power Syst. 2007, 22, 1275–1283. [Google Scholar] [CrossRef]
- Kundur, P.; Paserba, J.; Ajjarapu, V.; Andersson, G.; Bose, A.; Canizares, C.; Hatziargyriou, N.; Hill, D.; Stankovic, A.; Taylor, C.; et al. Definition and classification of power system stability IEEE/CIGRE joint task force on stability terms and definitions. IEEE Trans. Power Syst. 2004, 19, 1387–1401. [Google Scholar]
- Chow, J.H.; Cheung, K.W. A toolbox for power system dynamics and control engineering education and research. IEEE Trans. Power Syst. 1992, 7, 1559–1564. [Google Scholar] [CrossRef]
- Liu, J.; Wang, X.; Sun, H.; Cheng, L.; Ke, X.; Sun, X.; Wei, P. A conservative prediction model of power system transient stability. In Proceedings of the 2018 IEEE Power and Energy Society General Meeting, Portland, OR, USA, 5–10 August 2018; pp. 1–5. [Google Scholar]
- Peng, H.; Long, F.; Ding, C. Feature selection based on mutual information criteria of max-dependency, max-relevance, and min-redundancy. IEEE Trans. Pattern Anal. 2005, 27, 1226–1238. [Google Scholar] [CrossRef] [PubMed]
- Chang, C.C.; Lin, C.J. LIBSVM: A library for support vector machines. ACM Trans. Intel. Syst. Technol. 2007, 2, 1–27. [Google Scholar] [CrossRef]
- Palm, R.B. Prediction as a Candidate for Learning Deep Hierarchical Models of Data; Technical University of Denmark: Kongens Lyngby, Denmark, 2012. [Google Scholar]













| Electrical Quantity | Train Samples | Test Samples | Train Accuracy/% | Test Accuracy/% |
|---|---|---|---|---|
| Generator current | 2112 | 1056 | 99.29 | 97.73 |
| Rotor angle | 99.29 | 98.30 | ||
| Rotor speed | 99.15 | 98.20 | ||
| Bus voltage amplitude | 99.95 | 98.39 | ||
| Electromagnetic power | 99.62 | 98.77 |
| Model | Optimal Parameters | Electrical Quantity | Test Accuracy/% |
|---|---|---|---|
| SVM | 5-fold: C = 2048, g = 0.25 | Bus voltage amplitude | 98.39 |
| 5-fold: C = 512, g = 0.002 | Electromagnetic power | 98.77 | |
| BP-NN | The iteration epochs: 100 The batch size: 352 | Bus voltage amplitude | 97.35 |
| Electromagnetic power | 98.01 | ||
| RF | 500 trees, 20 random variables 500 trees, 10 random variables | Bus voltage amplitude | 97.82 |
| Electromagnetic power | 96.97 |
| Test Sets Labels | Predict Results | Recall Rate/% | |
|---|---|---|---|
| Stable | Unstable | ||
| Stable | 945 | 7 | 99.26 |
| Unstable | 10 | 94 | 90.38 |
| Test Sets Labels | Predict Results | Recall Rate/% | |
|---|---|---|---|
| Stable | Unstable | ||
| Stable | 947 | 5 | 99.47 |
| Unstable | 8 | 96 | 92.31 |
| Input Features | Stable Samples | Unstable Samples | Overall Accuracy |
|---|---|---|---|
| Accuracy | Accuracy | ||
| 0.9926 | 0.9038 | 0.9839 | |
| 0.9947 | 0.9231 | 0.9877 | |
| 0.9958 | 0.9327 | 0.9896 |
| Input Features | Stable Samples | Unstable Samples | Overall Accuracy |
|---|---|---|---|
| Prediction Accuracy | Prediction Accuracy | ||
| 0.9926 | 0.9038 | 0.9839 | |
| 0.9947 | 0.9231 | 0.9877 | |
| WTA | 0.9873 | 0.9926 | 0.9878 |
© 2020 by the authors. Licensee MDPI, Basel, Switzerland. This article is an open access article distributed under the terms and conditions of the Creative Commons Attribution (CC BY) license (http://creativecommons.org/licenses/by/4.0/).
Share and Cite
Liu, J.; Sun, H.; Li, Y.; Fang, W.; Niu, S. An Improved Power System Transient Stability Prediction Model Based on mRMR Feature Selection and WTA Ensemble Learning. Appl. Sci. 2020, 10, 2255. https://doi.org/10.3390/app10072255
Liu J, Sun H, Li Y, Fang W, Niu S. An Improved Power System Transient Stability Prediction Model Based on mRMR Feature Selection and WTA Ensemble Learning. Applied Sciences. 2020; 10(7):2255. https://doi.org/10.3390/app10072255
Chicago/Turabian StyleLiu, Jun, Huiwen Sun, Yitong Li, Wanliang Fang, and Shuanbao Niu. 2020. "An Improved Power System Transient Stability Prediction Model Based on mRMR Feature Selection and WTA Ensemble Learning" Applied Sciences 10, no. 7: 2255. https://doi.org/10.3390/app10072255
APA StyleLiu, J., Sun, H., Li, Y., Fang, W., & Niu, S. (2020). An Improved Power System Transient Stability Prediction Model Based on mRMR Feature Selection and WTA Ensemble Learning. Applied Sciences, 10(7), 2255. https://doi.org/10.3390/app10072255

