Parametric Study on Seismic Rehabilitation of Masonry Buildings Using FRP Based upon 3D Non-Linear Dynamic Analysis
Abstract
1. Introduction
2. The Applied Element Method
3. Validation of the Analysis Method
- Walls are modeled with real brick configurations and connected with mortar joints (Masonry mesh), which is shown in Figure 5.
- Walls are modeled with simplified quadrilateral mesh including average properties of brick and mortar, which is shown in Figure 6 where the masonry wall is divided in the wall plane to 40 × 40 discretized elements.
4. Case Study
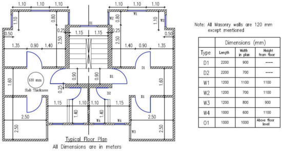
4.1. Description of the Studied Structure
4.2. Material Properties
4.3. Loads
4.4. Earthquake (EQ) Characteristics
- First case. Design earthquake magnitude according to the actual location of the building in Giza (Zone 3), where the peak ground acceleration equals 0.15 g.
- Second case. Design earthquake magnitude according to the most active seismic location in Egypt (zone 5B), where the peak ground acceleration equals 0.3 g.
4.5. Case Studies
5. Numerical Results
5.1. Reference (Non-Retrofitted) Case in Zone 3
5.2. Reference (Non-Retrofitted) Case in Zone 5B
5.3. Case of Retrofitting Solid Walls in Zone 5B
5.4. Case of Retrofitting Solid Walls and Openings in Zone 5B
5.5. Optimization of the Amount of CFRP
6. Conclusions
- (1)
- On the basis of the validation results of the previous experimental program, the constitutive models of concrete can be used for simulating the masonry as simplification where the simulation results show good agreement with the experimental results.
- (2)
- The studied mid-rise masonry bearing walls building shows good behavior in resisting earthquakes for seismic zone 3 (peak ground acceleration of 0.15 g) while it shows a complete collapse in the seismic zone 5B (peak ground acceleration of 0.3 g).
- (3)
- The externally bonded CFRP laminates are proven to be efficient for seismically strengthening the masonry mid-rise bearing wall buildings. It shows a good capability of preventing structural collapse with minor local damage. For the current case study, strengthening with CFRP laminates of width 0.5 m and thickness 0.25 mm is proven to be sufficient for preventing the total collapse of the building.
Author Contributions
Funding
Acknowledgments
Conflicts of Interest
References
- American Concrete Institution. Abstract of: State of the Art Report on Fiber Reinforced Plastic (FRP) for Concrete Structures; (ACI 440 R-95); American Concrete Institution: Farmington Hills, MI, USA, 1995; Volume 92, p. 5. [Google Scholar]
- Stratford, T.; Pascale, G.; Manfroni, O.; Bonfiglioli, B. Shear Strengthening Masonry Panels with Sheet Glass-Fiber Reinforced Polymer. J. Compos. Constr. 2004, 8, 434–443. [Google Scholar] [CrossRef]
- Petersen, R.B. In-Plane Shear Behavior of Unreinforced Masonry Panels Strengthened with Fiber Reinforced Polymer Strips. Ph.D. Thesis, The University of Newcastle, Callaghan, Australia, 2009. [Google Scholar]
- Chuang, S.; Zhuge, Y.; Wong, T.; Peters, L. Seismic retrofitting of unreinforced masonry walls by FRP strips. In Proceedings of the Pacific Conference on Earthquake Engineering, University of Canterbury, Christchurch, New Zealand, 13–15 February 2003. [Google Scholar]
- Tumialan, J.G.; Morbin, A.; Micelli, F.; Nanni, A. Flexural strengthening of URM walls with FRP laminates. In Proceedings of the Third International Conference on Composites in Infrastructure (ICCI 2002), San Francisco, CA, USA, 10–12 June 2002. [Google Scholar]
- Li, T.; Galati, N.; Tumialan, J.G.; Nanni, A. FRP strengthening of URM walls with openings-Experimental results. ACI Struct. J. 2005, 4, 569–577. [Google Scholar]
- Silva, P.F.; Belarbi, A.; Li, T. In-plane performance assessment of URM walls retrofitted with FRP. TMS J. 2006, 24, 57–70. [Google Scholar]
- Maria, H.S.; Alcaino, P.; Luders, C. Experimental Response of Masonry Walls Externally Reinforced with Carbon Fiber Fabrics. In Proceedings of the 8th U.S. National Conference on Earthquake Engineering, San Francisco, CA, USA, 18–22 April 2006. [Google Scholar]
- ElGawady, M.A.; Lestuzzi, P.; Badoux, M. In-plane seismic response of URM walls upgraded with FRP. J. Compos. Constr. 2005, 9, 524–535. [Google Scholar] [CrossRef]
- Lignola, G.P.; Prota, A.; Manfredi, G. Numerical investigation on the influence of FRP retrofit layout and geometry on the in-plane behavior of masonry walls. J. Compos. Constr. 2012, 16, 712–723. [Google Scholar] [CrossRef]
- Pantò, B.; Cannizzaro, F.; Caddemi, S.; Caliò, I.; Chácara, C.; Lourenço, P.B. Nonlinear modelling of curved masonry structures after seismic retrofit through FRP reinforcing. Buildings 2017, 7, 79. [Google Scholar] [CrossRef]
- Ramaglia, G.; Lignola, G.P.; Fabbrocino, F.; Prota, A. Numerical investigation of masonry strengthened with composites. Polymers 2018, 10, 334. [Google Scholar] [CrossRef]
- Housing and Building Research Center, Egypt. The Egyptian Code for Calculating Loads and Actions in Structural and Block Works; ECP (201); Housing and Building Research Center: Giza, Egypt, 2012. [Google Scholar]
- Tagel-Din, H.; Meguro, K. Applied Element Method for Dynamic Large Deformation Analysis of Structures. Int. J. Jpn. Soc. Civ. Eng. 2010, 17, 215s–224s. [Google Scholar] [CrossRef]
- Maekawa, K.; Pimanmas, A.; Okamura, H. Nonlinear Mechanics of Reinforced Concrete; Spon Press: London, UK, 2003. [Google Scholar]
- Menegotto, M.; Pinto, P. Method of analysis for cyclically loaded reinforced concrete plane frames including changes in geometry and non-elastic behavior of elements under combined normal force and bending. In IABSE Symposium of Resistance and Ultimate Deformability of Structure acted on by Well Defined Repeated Loads; International Association for Bridge and Structural Engineering: Zurich, Switzerland, 1973. [Google Scholar]
- Angelillo, M.; Lourenço, P.B.; Milani, G. Masonry Behaviour and Modelling; Springer: Vienna, Austria, 2014; Volume 551. [Google Scholar]
- Hartmann, D.; Breidt, M.; Nguyen, V.; Stangenberg, F.; Höhle, S.; Schweizerhof, K.; Mattern, S.; Blankenhorn, G.; Möller, B.; Liebscher, M. Structural Collapse Simulation under Consideration of Uncertainty—Fundamental Concept and Results. Comput. Struct. 2008, 86, 2064–2078. [Google Scholar] [CrossRef]
- Giamundo, V.; Sarhosis, V.; Lignola, G.; Sheng, Y.; Manfredi, G. Evaluation of different computational modelling strategies for the analysis of low strength masonry structures. Eng. Struct. 2014, 73, 160–169. [Google Scholar] [CrossRef]
- Pantò, B.; Cannizzaro, F.; Caliò, I.; Lourenço, P. Numerical and Experimental Validation of a 3D Macro-Model for the In-Plane and Out-Of-Plane Behavior of Unreinforced Masonry Walls. Int. J. Arch. Heritage 2017, 11, 946–964. [Google Scholar]
- Helmy, H.; Salem, H.; Mourad, S. Computer-Aided Assessment of Progressive Collapse of Reinforced Concrete Structures according to GSA Code. J. Perform. Constr. Facil. 2013, 27, 529–539. [Google Scholar] [CrossRef]
- Helmy, H.; Salem, H.; Mourad, S. Progressive collapse assessment of framed reinforced concrete structures according to UFC guidelines for alternative path method. Eng. Struct. 2014, 42, 127–141. [Google Scholar] [CrossRef]
- Helmy, H.; Elfouly, A.; Salem, H. Numerical simulation of demolition of Perna Seca Hospital using the Applied Element Method. In Proceedings of the Structures Congress, Chicago, IL, USA, 29–31 March 2012. [Google Scholar]
- Meguro, K.; Tagel-Din, H. AEM Used for Large Displacement Structure Analysis. J. Nat. Disaster Sci. 2002, 24, 65–82. [Google Scholar]
- Park, H.; Suk, C.G.; Kim, S.K. Collapse Modeling of model RC Structure using Applied Element Method. J. Korean Soc. Rock Mech. 2009, 19, 43–51. [Google Scholar]
- Salem, H. Computer-aided design of framed reinforced concrete structures subjected to flood scouring. J. Am. Sci. 2011, 7, 191–2000. [Google Scholar]
- Salem, H.; Helmy, H. Numerical investigation of collapse of the Minnesota I-35W bridge. Eng. Struct. 2014, 59, 635–645. [Google Scholar] [CrossRef]
- Salem, H.; Ehab, M.; Mostafa, H.; Yehia, N. Earthquake Pounding Effect on Adjacent Reinforced Concrete Buildings. Int. J. Comput. Appl. 2014, 106. [Google Scholar] [CrossRef]
- Salem, H.; Mohssen, S.; Kasa, K.; Hosoda, A. Collapse Analysis of Utatsu Ohashi Bridge Damaged by Tohoku Tsunami using Applied Element Method. J. Adv. Concr. Technol. 2014, 12, 388–402. [Google Scholar] [CrossRef]
- Tagel-Din, H. Collision of Structures during Earthquakes. In Proceedings of the 12th European Conference on Earthquake Engineering, London, UK, 9–13 September 2002. [Google Scholar]
- Asprone, D.; Nanni, A.; Tagel-Din, H. Applied Element Method Analysis of Porous GFRP Barrier Subjected to Blast. Adv. Struct. Eng. 2010, 13, 153–169. [Google Scholar] [CrossRef]
- Almusallam, T.H.; Elsanadedy, H.M.; Abbas, H.; Ngo, T.; Mendis, P. Numerical analysis for progressive collapse potential of a typical-framed concrete building. Int. J. Civ. Environ. Eng. 2010, 10, 36–42. [Google Scholar]
- Kang, H.; Kim, J. Progressive Collapse of Steel Moment Frames Subjected to Vehicle Impact. J. Perform. Constr. Facil. 2015, 29, 6. [Google Scholar] [CrossRef]
- Griffin, J.W. Experimental and Analytical Investigation of Progressive Collapse through Demolition Scenarios and Computer Modeling. Master’s Thesis, Civil Engineering, Raleigh, NC, USA, 2008. [Google Scholar]
- Extreme Loading of Structures (ELS). Available online: http://www.extremeloading.com (accessed on 10 January 2018).
- Gasprini, D.A.; Vanmarcke, E.H. SIMQKE User’s Manual and Documentation; Massachusetts Institute of Technology: Cambridge, MA, USA, 1976. [Google Scholar]




































| Specimen Name | Reinforcement Configuration | Strip Width (mm) | Total Area of Reinforcement (m2) | Ratio of FRP Reinforcement (%) |
|---|---|---|---|---|
| MLC-00-CA-SF-01 | - | - | - | - |
| MLC-00-CA-SF-02 | - | - | - | - |
| MLC-00-CA-FX-01 | Diagonal | 300 | 3.37 | 0.2 |
| MLC-00-CA-FX-03 | Diagonal | 200 | 2.25 | 0.13 |
| MLC-00-CA-FH-02 | Horizontal | 150 | 1.78 | 0.42 |
| MLC-00-CA-FH-04 | Horizontal | 100 | 1.19 | 0.28 |
| Material Type | Bricks | Mortar | CFRP (0.13 mm) | Epoxy | |
|---|---|---|---|---|---|
| Young’s Modulus | N/mm2 | 6618 | 10,000 | 230,000 | 3000 |
| Compressive Strength | N/mm2 | 11 | 25 | - | 80 |
| Tensile Strength | N/mm2 | 0.85 | 5 | 3500 | 50 |
| Specific Weight | kN/m3 | 18 | 22 | 19 | 12 |
| Material Type | Concrete | Bricks | CFRP | Epoxy | Steel Reinforcement | |
|---|---|---|---|---|---|---|
| Young’s Modulus | N/mm2 | 22,000 | 6618 | 230,000 | 3000 | 200,000 |
| Compressive Strength | N/mm2 | 25 | 10 | 0.35 | 80 | - |
| Tensile Strength | N/mm2 | 2.5 | 1 | 3500 | 50 | 360 |
| Specific Weight | kN/m3 | 25 | 19 | 18 | 12 | 78 |
| Ultimate Strength | N/mm2 | - | - | - | - | 520 |
| Studied Cases (Legend) | Earthquake Direction | Earthquake Zone | Retrofitting Scheme |
|---|---|---|---|
| E.Q. X- ZONE 3 | X | 3 | - |
| E.Q. Y- ZONE 3 | Y | 3 | - |
| E.Q. X- ZONE 5B | X | 5B | - |
| E.Q. Y- ZONE 5B | Y | 5B | - |
| E.Q. X- ZONE 5B- SW | X | 5B | Solid walls |
| E.Q. Y- ZONE 5B- SW | Y | 5B | Solid walls |
| E.Q. X- ZONE 5B- SW & OP | X | 5B | Solid walls & openings |
| E.Q. Y- ZONE 5B- SW & OP | Y | 5B | Solid walls & openings |
© 2018 by the authors. Licensee MDPI, Basel, Switzerland. This article is an open access article distributed under the terms and conditions of the Creative Commons Attribution (CC BY) license (http://creativecommons.org/licenses/by/4.0/).
Share and Cite
Fathalla, E.; Salem, H. Parametric Study on Seismic Rehabilitation of Masonry Buildings Using FRP Based upon 3D Non-Linear Dynamic Analysis. Buildings 2018, 8, 124. https://doi.org/10.3390/buildings8090124
Fathalla E, Salem H. Parametric Study on Seismic Rehabilitation of Masonry Buildings Using FRP Based upon 3D Non-Linear Dynamic Analysis. Buildings. 2018; 8(9):124. https://doi.org/10.3390/buildings8090124
Chicago/Turabian StyleFathalla, Eissa, and Hamed Salem. 2018. "Parametric Study on Seismic Rehabilitation of Masonry Buildings Using FRP Based upon 3D Non-Linear Dynamic Analysis" Buildings 8, no. 9: 124. https://doi.org/10.3390/buildings8090124
APA StyleFathalla, E., & Salem, H. (2018). Parametric Study on Seismic Rehabilitation of Masonry Buildings Using FRP Based upon 3D Non-Linear Dynamic Analysis. Buildings, 8(9), 124. https://doi.org/10.3390/buildings8090124

