Lateral-Torsional Buckling Behavior of Low-Carbon H-Shape Bolted Composite Beams
Abstract
1. Introduction
2. Experimental Investigations
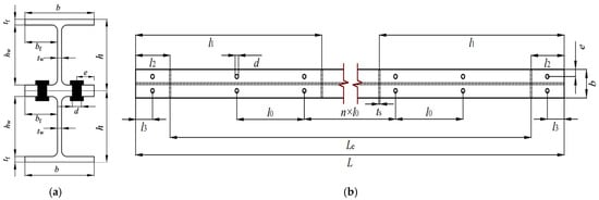
2.1. Specimens Design and Original Data
2.2. Test Setup
2.3. Arrangement of Displacement Meters and Strain Gauges
3. Test Results and Discussion
3.1. Test Observations
3.1.1. HBCB Specimen
3.1.2. NCLB Specimen
3.2. Specimens’ Load and Displacement Curves
3.2.1. Load vs. Mid-Span Deflection
3.2.2. Load vs. Mid-Span Lateral Deformation
3.2.3. Load vs. Relative Longitudinal Slippage
3.3. Specimens’ Load and Strain Curve
4. ABAQUS Analysis Methodology and Validation
4.1. Finite Element Model
4.1.1. Model Component Dimensions
4.1.2. True Stress–Strain Relationship of Steel and Bolts
4.1.3. Contact Settings
4.1.4. Boundary Conditions and Load Application
4.1.5. Element and Mesh
4.1.6. Bolt Pre-Tension Force
4.1.7. Initial Geometric Imperfections
4.1.8. Residual Stress
4.2. Finite Element Verification
4.2.1. Comparison of Failure Modes
4.2.2. Comparison of Load–Deformation Curves
5. Analysis of the Influence of High-Strength Bolts
5.1. The Influence of High-Strength Bolt Pre-Loadings
5.2. The Influence of High-Strength Bolt Spacings
6. Conclusions
- The proposed low-carbon H-shape bolted composite beams (HBCBs) demonstrated reliable lateral-torsional buckling behavior, validated through experimental and numerical investigations.
- High-strength bolt connections significantly enhanced the stability and load-bearing capacity of the beams compared with boltless laminated counterparts.
- Bolt spacing critically influences performance when the bolt spacing exceeds 1/15 of the beam span. At a spacing of L/15, the load-bearing capacity of HBCBs reached approximately 93.3% of that of beams with plug-weld connections.
- High-strength bolts reduced longitudinal slip effectively, but they did not fully replicate the performance of welded connections. Further research is necessary to optimize bolt arrangements and reduce longitudinal slips to enhance the overall mechanical performance of HBCBs.
7. Limitations, Advantages, and Future Perspectives
7.1. Limitations
- Simplifications in finite element modeling: The numerical model simplifies the bolt geometry by replacing the hexagonal bolt cap with a circular cap and ignoring bolt threads to improve convergence and computational efficiency. While this simplification does not affect overall trends, minor discrepancies may exist compared with actual behavior.
- Longitudinal slip effects: The study found that high-strength bolted composite beams (HBCBs) exhibited longitudinal relative slip between the upper and lower beams. Although increasing bolt spacing beyond L/15 had negligible effects on load-bearing capacity, slip control remains a challenge and requires further optimization.
- Limited parameter investigation: The current study primarily focuses on bolt pre-loadings and bolt spacing, while other influential factors, such as material properties, flange–web interaction, and residual stresses, were not extensively investigated.
- Lack of cyclic loading tests: This research focuses on monotonic loading conditions, whereas real-world structures often experience cyclic loading. The performance of HBCBs under repeated loads needs further exploration.
7.2. Advantages
- Low-carbon strategy: This study emphasizes reducing welding-related CO2 emissions, which constitute 57.2% of the prefabrication process emissions. By using hot-rolled H-shapes and bolted connections, this study presents an environmentally friendly alternative to traditional welded structures.
- Enhanced structural performance: Experimental and numerical results demonstrate that HBCBs achieve approximately 93.3% of the load-bearing capacity of plug-welded connections while significantly reducing construction emissions.
- Reliable numerical modeling: The proposed ABAQUS finite element model was validated against experimental data, with errors in critical and peak loads remaining within 9% and 3%, respectively, ensuring its applicability for further parametric studies.
- Engineering applicability: This study provides practical insights into optimizing bolt spacing (L/15 as the optimal threshold) and bolt pre-loading (increased pre-tension enhances stiffness and reduces slip), guiding real-world design and construction.
7.3. Future Perspectives
- Further optimization of bolt arrangements: While L/15 was identified as an effective bolt spacing, additional investigations into alternative patterns (e.g., staggered arrangements) could further enhance performance and slip resistance.
- Cyclic performance studies: Future research should explore the long-term durability of HBCBs under seismic loading to ensure their reliability in extreme conditions.
- Incorporation of residual stresses: More detailed modeling of residual stresses, particularly around bolt holes, could refine the accuracy of numerical predictions.
- Hybrid connection approaches: Investigating the combination of bolted and minimal welding techniques may help balance load-bearing capacity, slip control, and sustainability goals.
Author Contributions
Funding
Data Availability Statement
Conflicts of Interest
References
- Gan, V.; Wong, C.; Tse, K.; Chen, J.; Lo, I.; Chan, C. Parametric modelling and evolutionary optimization for cost-optimal and low-carbon design of high-rise reinforced concrete buildings. Adv. Eng. Inform. 2019, 42, 100962. [Google Scholar] [CrossRef]
- Arogundade, S.; Dulaimi, M.; Ajayi, S. Holistic Review of Construction Process Carbon-Reduction Measures: A Systematic Literature Review Approach. Buildings 2023, 13, 1780. [Google Scholar] [CrossRef]
- You, J.; Xu, X.; Wang, Y.; Xiang, X.; Luo, Y. Life cycle carbon emission assessment of large-span steel structures: A case study. Structures 2023, 52, 842–853. [Google Scholar] [CrossRef]
- Zhang, J.; Zhang, Y.; Chen, Y.; Wang, J.; Zhao, L.; Chen, M. Evaluation of Carbon Emission Efficiency in the Construction Industry Based on the Super-Efficient Slacks-Based Measure Model: A Case Study at the Provincial Level in China. Buildings 2023, 13, 2207. [Google Scholar] [CrossRef]
- BS EN 15978:2011; Sustainability of Construction Works-Assessment of Environmental Performance of Buildings-Calculation Method. British Standards Institute: London, UK, 2011.
- Li, Q.; Yue, Q.; Feng, P.; Xie, N.; Liu, Y. Development Status and Prospect of Steel Structure Industry Based on Carbon Peak and Carbon Neutrality Target. Prog. Steel Build. Struct. 2022, 24, 1–6. [Google Scholar]
- Hammond, G.; Jones, C. Embodied energy and carbon in construction materials. Proc. Inst. Civ. Eng. Energy 2008, 161, 87–98. [Google Scholar] [CrossRef]
- Dani, A.; Roy, K.; Masood, R.; Fang, Z.; Lim, J. A comparative study on the life cycle assessment of New Zealand residential buildings. Buildings 2022, 12, 50. [Google Scholar] [CrossRef]
- Hart, J.; D’Amico, B.; Pomponi, F. Whole-life embodied carbon in multistory buildings: Steel, concrete and timber structures. J. Ind. Ecol. 2021, 25, 403–418. [Google Scholar] [CrossRef]
- Mostafavi, F.; Tahsildoost, M.; Zomorodian, Z.S. Energy efficiency and carbon emission in high-rise buildings: A review (2005–2020). Build. Environ. 2021, 206, 108329. [Google Scholar] [CrossRef]
- Rousta, A.M.; Azandariani, M.G.; Ardakani, M.A.S.; Shoja, S. Cyclic behavior of an energy dissipation system with the vertical steel panel flexural-yielding dampers. Structures 2022, 45, 629–644. [Google Scholar] [CrossRef]
- Sadeghi, M.; Shoja, S.; Ardakani, M.A.S.; Jahangiri, M. Innovative improvement towards steel plate shear walls employing the grid stiffeners along with the metallic yielding dampers. J. Constr. Steel Res. 2024, 223, 109080. [Google Scholar] [CrossRef]
- Hu, S.; Liu, S.; Zeng, S.; Zhang, B.; Xu, Z. Investigating seismic performance of a novel self-centering shear link in EBF utilizing experimental and numerical simulation. J. Constr. Steel Res. 2025, 224, 109129. [Google Scholar] [CrossRef]
- Liu, S.; Chen, S.; Zeng, S.; Zhang, B.; Hu, S. Seismic performance analysis of K-shaped EBF with an innovative crack-resistant composition beam. J. Build. Eng. 2025, 101, 111818. [Google Scholar] [CrossRef]
- Huang, Z.; Zhou, H.; Tang, H.; Zhao, Y.; Lin, B. Carbon emissions of prefabricated steel structure components: A case study in China. J. Clean. Prod. 2023, 406, 137047. [Google Scholar] [CrossRef]
- Roy, K.; Dani, A.A.; Ichhpuni, H.; Fang, Z.; Lim, J.B.P. Improving sustainability of steel roofs: Life cycle assessment of a case study roof. Appl. Sci. 2022, 12, 5943. [Google Scholar] [CrossRef]
- Lu, L.; Wang, D.; Dai, Z.; Luo, T.; Ding, S.; Hao, H. Global Buckling Investigation of the Flanged Cruciform H-shapes Columns (FCHCs). Appl. Sci. 2021, 11, 11458. [Google Scholar] [CrossRef]
- Nie, W.; Lu, L.; Li, R.; Hao, H.; Luo, T. Global buckling investigation of T-shaped built-up columns composed of two hot-rolled H-shapes. Structures 2023, 58, 105485. [Google Scholar] [CrossRef]
- Lin, X.; Okazaki, T.; Chung, Y.L.; Nakashima, M. Flexural performance of bolted built-up columns constructed of H-SA700 steel. J. Constr. Steel Res. 2013, 82, 48–58. [Google Scholar] [CrossRef]
- Zhu, Y.; Zhao, J. Experimental and analytical studies on bearing capacity of bolt connected composite plate girders. Int. J. Steel Struct. 2017, 17, 1317–1329. [Google Scholar] [CrossRef]
- Xu, B.; Xia, J.; Chang, H.; Ma, R.; Zhang, L. Flexural behaviour of pairs of laminated unequal channel beams with different interfacial connections in corner-supported modular steel buildings. Thin-Walled Struct. 2020, 154, 106792. [Google Scholar] [CrossRef]
- Xu, B.; Xia, J.; Ma, R.; Chang, H.; Yang, C.; Zhang, L. Investigation on interfacial slipping response of laminated channel beams with bolt connections in modular steel buildings. J. Build. Eng. 2023, 63, 105441. [Google Scholar] [CrossRef]
- Xu, B.; Xia, J.; Chang, H.; Chen, X.; Yang, C.; Zhang, L. Numerical-analytical investigation on bending performance of laminated beams in modular steel buildings. J. Constr. Steel Res. 2024, 217, 108630. [Google Scholar] [CrossRef]
- GB 50017-2017; Standard for Design of Steel Structures. China Architecture & Building Press: Beijing, China, 2017.
- Xin, H.; Veljkovic, M. Evaluation of high strength steels fracture based on uniaxial stress-strain curves. Eng. Fail. Anal. 2021, 120, 105025. [Google Scholar] [CrossRef]
- ECCS. Ultimate Limit State Calculation of Sway Framed with Rigid Joints; Technical Committee 8 (TC 8) of European Convention for Constructional Steelwork (ECCS): Brussels, Belgium, 1984. [Google Scholar]

















| Specimen | tf | tw | b | bf | h | hw |
|---|---|---|---|---|---|---|
| The upper beam of HBCB | 7.9 | 6.2 | 100.2 | 47.2 | 99.6 | 83.8 |
| The lower beam of HBCB | 8.1 | 6.2 | 100.4 | 47.0 | 100.0 | 83.6 |
| The upper beam of NCLB | 8.1 | 6.2 | 100.1 | 47.1 | 100.1 | 83.8 |
| The lower beam of NCLB | 8.1 | 6.0 | 100.3 | 47.0 | 100.2 | 83.9 |
| Specimen | L | Le | H | l0 | l1 | l2 | l3 | d | e | ts |
|---|---|---|---|---|---|---|---|---|---|---|
| HBCB | 2999.74 | 2699.44 | 199.58 | 299.6 | 824.4 | 149.4 | 74.4 | 13.9 | 25.2 | 5.9 |
| NCLB | 3000.02 | 2699.96 | 200.30 | 299.9 | 824.9 | 149.9 | 74.9 | 13.9 | 25.1 | 5.8 |
| Samples | E/MPa | σy/MPa | εy | σu/MPa | εu | σst/MPa | εst |
|---|---|---|---|---|---|---|---|
| Web 100-1 | 203,000 | 345.7 | 0.00191 | 464.1 | 0.17724 | 368.7 | 0.24158 |
| Web 100-2 | 202,000 | 359.3 | 0.00218 | 469.2 | 0.18205 | 368.9 | 0.26537 |
| Web 100-3 | 208,000 | 362.8 | 0.00240 | 471.0 | 0.17979 | 369.2 | 0.25779 |
| Mean | 204,333 | 355.9 | 0.00216 | 468.1 | 0.17969 | 368.9 | 0.25491 |
| Flange 100-1 | 202,000 | 320.2 | 0.00163 | 440.8 | 0.25002 | 345.2 | 0.35135 |
| Flange 100-2 | 210,000 | 308.2 | 0.00163 | 445.6 | 0.38066 | 343.8 | 0.38066 |
| Flange 100-3 | 204,000 | 291.0 | 0.00390 | 441.9 | 0.34566 | 345.6 | 0.34566 |
| Mean | 205,333 | 306.5 | 0.00239 | 442.8 | 0.32545 | 344.9 | 0.35922 |
| Bolt | 161,000 | 645.0 | 0.004 | 793.5 | 0.025 | 636.9 | 0.121 |
| Specimen | Test | ABAQUS | ||||
|---|---|---|---|---|---|---|
| Pcr | Pmax | Pend | Pcr, FE | Pmax, FE | Pend, FE | |
| HBCB | 91.66 | 126.59 | 126.59 | 99.59 | 126.05 | 102.10 |
| Error | - | - | - | +8.65% | −0.43% | - |
| NCLB | 83.85 | 94.91 | 82.52 | 91.27 | 96.88 | 80.47 |
| Error | - | - | - | +8.85% | +2.08% | −2.48% |
| Bolt Type | Pre-Load Level | Nr (kN) | Ns (kN) | Pmax (kN) | udmax (mm) |
|---|---|---|---|---|---|
| M12 8.8 | 0.6 | 23.1 | 38.5 | 124.16 | 4.98 |
| 1.0 | 38.5 | 38.5 | 126.05 | 4.70 | |
| 1.4 | 53.9 | 38.5 | 130.10 | 4.51 |
| Specimen | Bolt Spacing l0/mm | l0/L | Bolt Counts | Pmax/kN | Dmax/mm | udmax/mm |
|---|---|---|---|---|---|---|
| HW-HW | — | — | 0 | 97.11 | 126.51 | 7.76 |
| HW-HW-L | 3000 | 1 | 4 | 114.43 | 167.29 | 6.30 |
| HW-HW-L/2 | 1500 | 1/2 | 6 | 118.64 | 187.09 | 5.73 |
| HW-HW-L/4 | 750 | 1/4 | 10 | 123.82 | 184.53 | 5.52 |
| HW-HW-L/5 | 600 | 1/5 | 12 | 124.13 | 180.63 | 5.22 |
| HW-HW-L/8 | 375 | 1/8 | 16 | 125.35 | 179.87 | 4.93 |
| HW-HW-L/10 | 300 | 1/10 | 20 | 128.19 | 177.77 | 4.46 |
| HW-HW-L/15 | 200 | 1/15 | 32 | 128.67 | 170.08 | 3.50 |
| HW-HW-L/16 | 187.5 | 1/16 | 34 | 129.16 | 172.41 | 3.38 |
| HW-HW-T | — | — | — | 137.90 | 125.12 | 2.47 |
Disclaimer/Publisher’s Note: The statements, opinions and data contained in all publications are solely those of the individual author(s) and contributor(s) and not of MDPI and/or the editor(s). MDPI and/or the editor(s) disclaim responsibility for any injury to people or property resulting from any ideas, methods, instructions or products referred to in the content. |
© 2025 by the authors. Licensee MDPI, Basel, Switzerland. This article is an open access article distributed under the terms and conditions of the Creative Commons Attribution (CC BY) license (https://creativecommons.org/licenses/by/4.0/).
Share and Cite
Darkwah, K.K.; Lu, L.; Liu, B.; Huang, Z.; Hao, H. Lateral-Torsional Buckling Behavior of Low-Carbon H-Shape Bolted Composite Beams. Buildings 2025, 15, 688. https://doi.org/10.3390/buildings15050688
Darkwah KK, Lu L, Liu B, Huang Z, Hao H. Lateral-Torsional Buckling Behavior of Low-Carbon H-Shape Bolted Composite Beams. Buildings. 2025; 15(5):688. https://doi.org/10.3390/buildings15050688
Chicago/Turabian StyleDarkwah, Kojo Kumah, Linfeng Lu, Bingyou Liu, Zhengzhong Huang, and Hanlin Hao. 2025. "Lateral-Torsional Buckling Behavior of Low-Carbon H-Shape Bolted Composite Beams" Buildings 15, no. 5: 688. https://doi.org/10.3390/buildings15050688
APA StyleDarkwah, K. K., Lu, L., Liu, B., Huang, Z., & Hao, H. (2025). Lateral-Torsional Buckling Behavior of Low-Carbon H-Shape Bolted Composite Beams. Buildings, 15(5), 688. https://doi.org/10.3390/buildings15050688

