Influence of the Objective Function in the Dynamic Model Updating of Girder Bridge Structures
Abstract
1. Introduction
- Modeling errors, which stem from inaccurate or simplifying assumptions in the model definition; these can include uncertainties in the mathematical equations governing the model (model–structure errors), such as geometric simplifications or kinematic and static assumptions; or approximate boundary conditions and model characteristics (model–parameter errors), like simplified restraint and load definitions or erroneous modeling of structural members; or approximate discretization and simplification of the modeled system (model–order errors), such as truncation errors or mesh discretization.
- Parameter value errors, arising from inaccurate assumptions regarding the values of the parameters that govern the structural response, such as material properties as well as member dimensions and stiffnesses; these may not be precisely known or may exhibit spatial variability that are too significant to be accurately described.
- Numerical software/hardware errors, which stem from the algorithms used to solve the model governing equations, including rounding errors and iterative convergence issues.
2. Dynamic Model Updating and Definition of the Objective Functions
2.1. General Concepts
2.2. Model Updating Procedure
- Model class selection;
- Initial model definition;
- Output selection;
- Objective function definition;
- Sensitivity parameter selection;
- Parameter calibration (updating).
2.3. Adopted Objective Functions
- Natural frequency, ;
- Vibration mode shape, ;
- Modal flexibility matrix, .
3. Case Studies
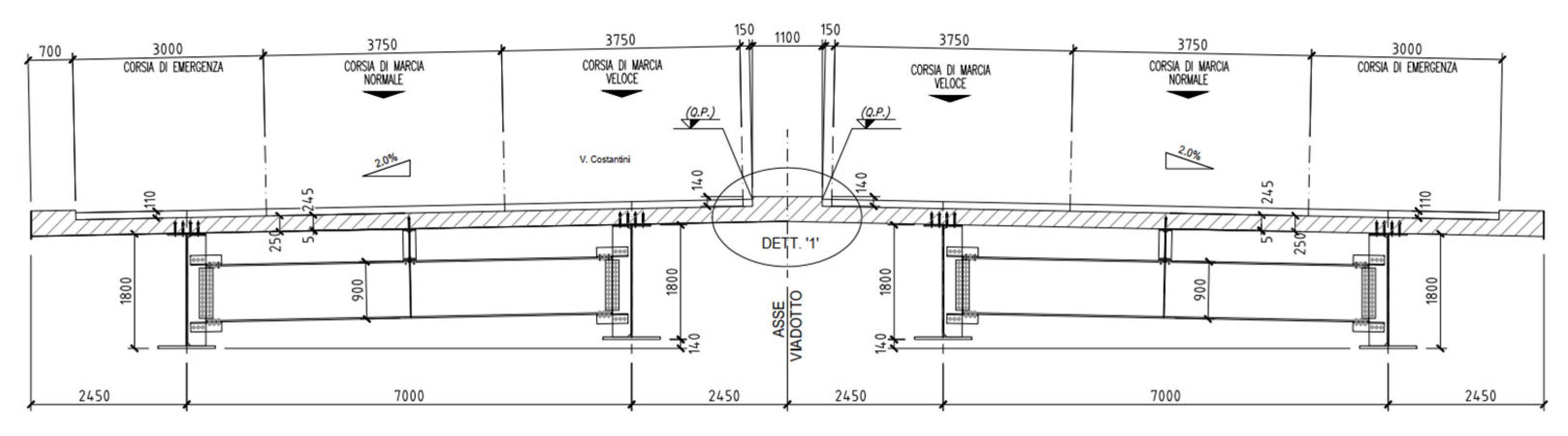
3.1. Bridge A
3.2. Bridge B
4. Experimental Results
4.1. Bridge A
4.2. Bridge B
- Case 1: all equal (unitary) weighting coefficients ;
- Case 2: weighting coefficients inversely proportional to the modes order and normalized to obtain a unitary sum ;
- Case 3: weighting coefficients proportional to the OMA power spectral density (PSD) ordinates and normalized to obtain a unitary sum , with being the ordinate of the PSD at the i-th identified frequency.
- The position of the minimum of function f is sensitive to the weighting scheme; this is located at −5% of E0 for Case 1, at +5% of E0 for Case 2, and at E0 for Case 3;
- The position of the minimum of function MAC2 is insensitive to the weighting scheme, although its identification is not straightforward, due to very small variation for values of the parameter lower than −5% of E0;
- The position of the minimum of functions MFM1 and MFM3 is also insensitive to the weighting scheme, and is located at −5% of E0;
- The position of the minimum of function MFM2 slightly depends on the weighting scheme; this is located at +10% of E0 for Cases 1 and 3, and at +15% of E0 for Case 2.
- As already observed for Figure 13, functions MAC1, MAC2, MFM1, and MFM3 capture the coupling in the mode shapes that occurs at a parameter value of 1.1 E0 (+10%), which results in a peak of the normalized objective function.
5. Conclusions
Author Contributions
Funding
Data Availability Statement
Acknowledgments
Conflicts of Interest
Nomenclature
| FE | finite element |
| MAC | modal assurance criterion |
| MFM | modal flexibility matrix |
| OMA | operational modal analysis |
| RC | reinforced concrete |
References
- Mottershead, J.E.; Friswell, M.I. Model updating in structural dynamics: A survey. J. Sound Vib. 1993, 167, 347–375. [Google Scholar] [CrossRef]
- Mottershead, J.E.; Link, M.; Friswell, M.I. The sensitivity method in finite element model updating: A tutorial. Mech. Syst. Signal Process. 2011, 25, 2275–2296. [Google Scholar] [CrossRef]
- Simoen, E.; De Roeck, G.; Lombaert, G. Dealing with uncertainty in model updating for damage assessment: A review. Mech. Syst. Signal Process. 2015, 56–57, 123–149. [Google Scholar] [CrossRef]
- Ereiz, S.; Duvnjak, I.; Jiménez-Alonso, J.F. Review of finite element model updating methods for structural applications. Structures 2022, 41, 684–723. [Google Scholar] [CrossRef]
- Reichert, I.; Olney, P.; Lahmer, T. Influence of the error description on model-based design of experiments. Eng. Struct. 2019, 193, 100–109. [Google Scholar] [CrossRef]
- Lofrano, E.; Pingaro, M.; Trovalusci, P.; Paolone, A. Optimal Sensors Placement in Dynamic Damage Detection of Beams Using a Statistical Approach. J. Optim. Theory Appl. 2020, 187, 758–775. [Google Scholar] [CrossRef]
- Di Re, P.; Lofrano, E.; Ciambella, J.; Romeo, F. Structural analysis and health monitoring of twentieth-century cultural heritage: The Flaminio Stadium in Rome. Smart Struct. Syst. 2021, 27, 285–303. [Google Scholar] [CrossRef]
- Xiao, F.; Mao, Y.; Sun, H.; Chen, G.S.; Tian, G. Stiffness Separation Method for Reducing Calculation Time of Truss Structure Damage Identification. Struct. Control Health Monit. 2024, 1, 5171542. [Google Scholar] [CrossRef]
- Xiao, F.; Yan, Y.; Meng, X.; Xu, L.; Chen, G.S. Parameter identification of beam bridges based on stiffness separation method. Structures 2024, 67, 107001. [Google Scholar] [CrossRef]
- Teughels, A.; De Roeck, G. Damage detection and parameter identification by finite element model updating. Rev. Eur. Gen. Civ. 2005, 9, 109–158. [Google Scholar] [CrossRef]
- Schommer, S.; Nguyen, V.H.; Maas, S.; Zürbes, A. Model updating for structural health monitoring using static and dynamic measurements. Proc. Eng. 2017, 199, 2146–2153. [Google Scholar] [CrossRef]
- Mao, Y.; Tian, G.; Chen, G.S. Partial-Model-Based Damage Identification of Long-Span Steel Truss Bridge Based on Stiffness Separation Method. Struct. Control Health Monit. 2024, 1, 5530300. [Google Scholar] [CrossRef]
- Hurtado, O.D.; Ortiz, A.R.; Gomez, D.; Astroza, R. Bayesian Model-Updating Implementation in a Five-Story Building. Buildings 2023, 13, 1568. [Google Scholar] [CrossRef]
- Ruggieri, S.; Bruno, G.; Attolico, A.; Uva, G. Assessing the dredging vibrational effects on surrounding structures: The case of port nourishment in Bari. J. Build. Eng. 2024, 96, 110385. [Google Scholar] [CrossRef]
- Behmanesh, I.; Moaveni, B.; Lombaert, G.; Papadimitriou, C. Hierarchical Bayesian model updating for structural identification. Mech. Syst. Signal Process. 2015, 64–65, 360–376. [Google Scholar] [CrossRef]
- Zhao, H.; Fu, C.; Zhang, Y.; Zhu, W.; Lu, K.; Francis, E.M. Dimensional decomposition-aided metamodels for uncertainty quantification and optimization in engineering: A review. Comput. Methods Appl. Mech. Eng. 2024, 428, 117098. [Google Scholar] [CrossRef]
- Cheng, X.-X. Model Updating for a Continuous Concrete Girder Bridge Using Data from Construction Monitoring. Appl. Sci. 2023, 13, 3422. [Google Scholar] [CrossRef]
- Malekghaini, N.; Ghahari, F.; Ebrahimian, H.; Bowers, M.; Ahlberg, E.; Taciroglu, E. A Two-Step FE Model Updating Approach for System and Damage Identification of Prestressed Bridge Girders. Buildings 2023, 13, 420. [Google Scholar] [CrossRef]
- Liu, C.; Zhang, F.; Ni, Y.; Ai, B.; Zhu, S.; Zhao, Z.; Fu, S. Efficient Model Updating of a Prefabricated Tall Building by a DNN Method. Sensors 2024, 24, 5557. [Google Scholar] [CrossRef]
- Zhao, H.; Lv, J.; Wang, Z.; Gao, T.; Xiong, W. Finite Element Model Updating Using Resonance–Antiresonant Frequencies with Radial Basis Function Neural Network. Appl. Sci. 2023, 13, 6928. [Google Scholar] [CrossRef]
- Cui, J.; Kim, D.; Koo, K.Y.; Chaudhary, S. Structural model updating of steel box girder bridge using modal flexibility based deflections. Balt. J. Road Bridg. Eng. 2012, 7, 253–260. [Google Scholar] [CrossRef]
- Brunetti, M.; Ciambella, J.; Evangelista, L.; Lofrano, E.; Paolone, A.; Vittozzi, A. Experimental results in damping evaluation of a high-speed railway bridge. Procedia Eng. 2017, 199, 3015–3020. [Google Scholar] [CrossRef]
- Gattulli, V.; Lofrano, E.; Paolone, A.; Potenza, F. Measured properties of structural damping in railway bridges. J. Civ. Struct. Health Monit. 2019, 9, 639–653. [Google Scholar] [CrossRef]
- Pastor, M.; Binda, M.; Harcarik, T. Modal Assurance Criterion. Proc. Eng. 2012, 49, 543–548. [Google Scholar] [CrossRef]
- Golub, G.H.; Van Loan, C.F. Matrix Computations, 3rd ed.; Johns Hopkins: Baltimore, MD, USA, 1996. [Google Scholar]
- Jimenez-Alonso, J.F.; Naranjo-Perez, J.; Pavic, A.; Saez, A. Maximum likelihood finite-element model updating of civil engineering structures using nature-inspired computational algorithms. Struct. Eng. Int. 2021, 31, 326–338. [Google Scholar] [CrossRef]
- Di Re, P.; Ciambella, J.; Lofrano, E.; Paolone, A. Dynamic testing and modeling of span interaction in high-speed railway girder bridges. Measurement 2024, 226, 114078. [Google Scholar] [CrossRef]
- Di Re, P.; Benaim Sanchez, D.M. Finite difference technique for the evaluation of the transverse displacements in force-based beam finite elements. Comput. Methods Appl. Mech. Eng. 2024, 428, 117067. [Google Scholar] [CrossRef]
- Computers and Structures Inc. SAP2000 Integrated Software for Structural Analysis and Design; CSI: Berkeley, CA, USA, 2024; Volume 24, Available online: https://www.csiamerica.com/products/sap2000 (accessed on 19 January 2025).
- Aloisio, A.; Pasca, D.P.; Di Battista, L.; Rosso, M.M.; Cucuzza, R.; Marano, G.C.; Alaggio, R. Indirect assessment of concrete resistance from FE model updating and Young’s modulus estimation of a multi-span PSC viaduct: Experimental tests and validation. Structures 2022, 37, 686–697. [Google Scholar] [CrossRef]
- Waeytens, J.; Rosić, B.; Charbonnel, P.E.; Merliot, E.; Siegert, D.; Chapeleau, X.; Vidal, R.; Le Corvec, V.; Cottineau, L.M. Model updating techniques for damage detection in concrete beam using optical fiber strain measurement device. Eng. Struct. 2016, 129, 2–10. [Google Scholar] [CrossRef]
- Jaishi, B.; Ren, W.X. Structural finite element model updating using ambient vibration test results. J. Struct. Eng. 2005, 131, 617–628. [Google Scholar] [CrossRef]















| Objective Function | Considered Outputs | Literature | Pros | Cons |
|---|---|---|---|---|
| f | Frequencies | [26,27] | - Easy to apply - RMS measure | - Does not capture mode shape variation |
| MAC1 | Mode shapes | [26] | - Captures mode shape variation | - Does not capture frequency variation - Mode shapes harder to be determined - Not an RMS measure |
| MAC2 | Mode shapes | Proposed | - Captures mode shape variation - RMS measure | - Does not capture frequency variation - Mode shapes harder to be determined |
| MFM1 | Frequencies and mode shapes | [13] | - Captures frequency and mode shape variations | - Mode shapes harder to be determined - Not an RMS measure |
| MFM2 | Frequencies and mode shapes | Proposed | - Captures frequency and mode shape variations - RMS measure | - Mode shapes harder to be determined |
| MFM3 | Frequencies and mode shapes | Proposed | - Captures frequency and mode shape variations - RMS measure | - Mode shapes harder to be determined |
| Objective Function | Optimum Value of E [% w.r.t. E0] | Optimum Value of E [GPa] | Second-Order Derivative |
|---|---|---|---|
| f | −4.2% | 30.66 | 6.29 |
| MFM1 | −3.5% | 30.88 | 6.14 |
| MFM2 | −3.3% | 30.95 | 11.89 |
| MFM3 | −2.9% | 31.06 | 7.66 |
| Obj. Fun. | Case 1 | Case 2 | Case 3 | ||||||
|---|---|---|---|---|---|---|---|---|---|
| Opt. E [% of E0] | Opt. E [GPa] | II Ord. Der. | Opt. E [% of E0] | Opt. E [GPa] | II Ord. Der. | Opt. E [% of E0] | Opt. E [GPa] | II Ord. Der. | |
| f | −3.2% | 33.02 | 0.34 | 6.1% | 36.17 | 0.24 | −1.1% | 33.74 | 0.34 |
| MAC2 | −16.4% | 28.50 | 0.15 | −7.2% | 31.65 | 0.49 | −6.6% | 31.84 | 0.76 |
| MFM1 | −5.2% | 32.33 | 3.35 | −5.1% | 32.37 | 8.12 | −5.1% | 32.37 | 11.23 |
| MFM2 | 9.6% | 37.39 | 0.48 | 15.8% | 39.48 | 0.33 | 9.0% | 37.16 | 0.49 |
| MFM3 | 5.3% | 35.90 | 2.55 | −5.1% | 32.37 | 5.90 | −5.1% | 32.37 | 8.58 |
Disclaimer/Publisher’s Note: The statements, opinions and data contained in all publications are solely those of the individual author(s) and contributor(s) and not of MDPI and/or the editor(s). MDPI and/or the editor(s) disclaim responsibility for any injury to people or property resulting from any ideas, methods, instructions or products referred to in the content. |
© 2025 by the authors. Licensee MDPI, Basel, Switzerland. This article is an open access article distributed under the terms and conditions of the Creative Commons Attribution (CC BY) license (https://creativecommons.org/licenses/by/4.0/).
Share and Cite
Di Re, P.; Vangelisti, I.; Lofrano, E. Influence of the Objective Function in the Dynamic Model Updating of Girder Bridge Structures. Buildings 2025, 15, 341. https://doi.org/10.3390/buildings15030341
Di Re P, Vangelisti I, Lofrano E. Influence of the Objective Function in the Dynamic Model Updating of Girder Bridge Structures. Buildings. 2025; 15(3):341. https://doi.org/10.3390/buildings15030341
Chicago/Turabian StyleDi Re, Paolo, Iacopo Vangelisti, and Egidio Lofrano. 2025. "Influence of the Objective Function in the Dynamic Model Updating of Girder Bridge Structures" Buildings 15, no. 3: 341. https://doi.org/10.3390/buildings15030341
APA StyleDi Re, P., Vangelisti, I., & Lofrano, E. (2025). Influence of the Objective Function in the Dynamic Model Updating of Girder Bridge Structures. Buildings, 15(3), 341. https://doi.org/10.3390/buildings15030341

