Next Article in Journal
Evaluating Modular House Construction Projects: A Delphi Method Enhanced by Conversational AI
Next Article in Special Issue
Probabilistic Analysis of Strength in Retrofitted X-Joints under Tensile Loading and Fire Conditions
Previous Article in Journal
Research on a Calculation Method for the Horizontal Displacement of the Retaining Structure of Deep Foundation Pits
Previous Article in Special Issue
Influences of Species and Density on the Horizontal Flame Spread Behavior of Densified Wood
 
 
Font Type:
Arial Georgia Verdana
Font Size:
Aa Aa Aa
Line Spacing:
Column Width:
Background:
Article

Research on the Scale Fire Test and Fire Resistance of the One-Way Slab of a Metro

1
Department of Engineering Physics, Tsinghua University, No. 30 Shuangqing Rd, Beijing 100084, China
2
Guangzhou Metro Group Co., Ltd., No. 1238 Xingang Eastern Rd, Guangzhou 510335, China
3
Guangzhou Building Material Institute Limited Company, No. 2 Keyan Rd, Guangzhou 510663, China
4
Guangdong Province Enterprise Key Laboratory of Materials and Elements Fire Testing Technology, No. 2 Keyan Rd, Guangzhou 510663, China
*
Author to whom correspondence should be addressed.
Buildings 2024, 14(6), 1695; https://doi.org/10.3390/buildings14061695
Submission received: 14 April 2024 / Revised: 11 May 2024 / Accepted: 31 May 2024 / Published: 6 June 2024
(This article belongs to the Special Issue Behaviour and Safety of Building Structures in Fire)

Abstract

To address the difficulty in conducting fire tests to verify the fire-resistance limit of large one-way slabs with heavy loads in a metro, a scale fire test method is proposed based on the bearing capacity calculation of the one-way slab under fire. The scale fire test method adapted the hypothesis that the deflection of the one-way slab under fire is close to a half-sine function and the plane section hypothesis. The validity of this hypothesis is verified through fire tests and finite element simulations. The scale fire test method achieves a similar temperature field and mechanical behavior between the scaled model and full-scale model of the one-way slab. The results of the fire tests showed that the temperature field and mechanical behavior of the scaled model were consistent with those of the full-scale model, with an error in fire resistance of 4.7%. The calculation results and fire test results are essentially consistent, with an error of 6.5%, and according to the calculation of the one-way slab fire-resistance limit, the key factor affecting the fire resistance of the one-way slab under fire is the temperature of the bottom rebars. Using the scale fire test method, the size effect of the one-way slab under fire still exists, and larger slabs have a greater deformation capacity.

1. Introduction

The reinforced concrete slab is the main horizontal partition component of buildings. It plays a critical role in the structural integrity by sustaining vertical loads, thereby exerting substantial influence on the overall safety performance of the building. The fire-resistance requirements for reinforced concrete (RC) slabs are extensively outlined in several building codes worldwide, including those in China. The “Code for Fire Protection Design of Buildings” [1], an authoritative document in China, meticulously delineates the parameters for cast-in-situ RC slabs capable of withstanding a maximum standard fire-resistance period of 1.85 h. Notably, the code lacks explicit parameters for slabs designed to achieve fire-resistance ratings beyond the 1.85 h. The Fire Service Department imposes stringent fire safety regulations mandating fire resistance exceeding 3 h for cover slabs of subway stations, metro lines, and underground shopping complexes [2]. This requirement is crucial because a fire in these areas could lead to major disasters due to the large number of people present in these premises, and it is difficult to escape from underground spaces. In China, the “Standard for fire protection design of metro” [3] stipulates that the fire resistance of the slab used to separate the vehicle base from other functional places must be at least 3 h. The fire resistance of the slab serving as a fire road in a Qingdao hotel must meet a 3-h rating [4]. In Wuhan, a metro vehicle section specifies that the fire resistance of load-bearing components, such as beams and slabs above subway stations, must exceed 3 h [5]. The slabs of underground structures are often difficult to test for fire resistance due to their large size and the heavy loads they bear. For instance, the span of cover slabs of a subway station in Guangzhou reaches 15.6 m, making it challenging to conduct fire tests. There is currently no fire test furnace large enough to test such large slabs, and it is hard to accept assessment methods based on theoretical calculations and numerical simulations by the Fire Service Department. Therefore, assessing the fire resistance of large slabs presents a difficult engineering problem.
While there have been numerous studies on the fire resistance of slabs in typical buildings with smaller sizes and loads, but there is limited research on the fire resistance of slabs used in underground structures and metro systems, which are larger and carry heavier loads. Dong et al. [6,7,8] conducted a series of fire tests on slabs and found that the combined membrane effect of steel beams and reinforced concrete slabs under significant deflections can significantly enhance the structure’s fire resistance. These tests focused on the supportive role of steel beams on concrete slabs, which is different from conventional support conditions. Wang et al. [9,10] conducted fire tests on two-way slabs with different support conditions to study their impact on the fire behavior and membrane effect of concrete slabs. They tested slabs with four sides fixed and four sides simply supported. Similarly, Zhu et al. [11,12] conducted fire tests on slabs with two adjacent sides fixed and the other two adjacent sides simply supported. Wu et al. [5] proposed a scaled fire test method to assess the fire resistance of large-sized, heavily loaded slabs above metro systems in Wuhan. This study observed temperature distribution and changes in the scaled slab during a fire, but the effectiveness of the scaled fire test method is still unverified. Naguib [13,14] has developed excellent fire-retardant materials that can also be used to improve the fire resistance of the slabs.
There are few studies on scaled models of slabs under fire. Because the similarity relation between the scale model and the full-scale model under fire is not uniform, it is difficult to realize the similarity conditions. Some studies on the similarity of the mechanical behavior of a slab under fire also lack experimental verification [15]. However, it is essential to assess the fire-resistance performance of tunnel components that exceed the current testing capabilities [16,17]. This is because determining the fire-resistance performance of tunnels is a necessary procedure for subway operation after passing the fire inspection, and existing testing techniques are unable to conduct fire-resistance tests on large-sized slabs. Based on the failure mechanism of one-way slabs in fire, this study proposed a scale fire test method for simply supported one-way slabs under fire. Comparative tests were carried out on both full-scale and scaled models to assess the efficacy of the scaled test method. Equations for internal force equilibrium of simply supported one-way slabs under fire were derived, and their fire-resistance limits were calculated using the Newton iteration method. The accuracy of the calculated results was validated through experimental verification. Finite element models were used to simulate the behavior of both full-scale and scaled models under fire, and the stress–strain relationship of the reinforcement was analyzed to confirm the effectiveness of the scaled test method. Additionally, key factors influencing the fire resistance of one-way slabs were analyzed.

2. Similarity of the One-Way Slab’s Fire Behavior

The performance of both rebar and concrete deteriorates at high temperatures, directly impacting the mechanical behavior of the slab under fire. The mechanical response of a one-way slab under fire is significantly influenced by the temperature distribution in the one-way slab. To ensure similarity in the mechanical behavior of slabs exposed to fire, it is crucial to achieve similarity in temperature fields. It is necessary to maintain the same temperatures at corresponding points and moments for both the scaled model and the full-scale model (with a temperature similarity coefficient of 1). Heating during a fire can be considered as a one-dimensional heat transfer within the slab, occurring solely in the depth direction. Concrete is prone to spalling in fire, with the extent and depth of spalling being difficult to predict [18]. Decreasing the slab depth may neglect the influence of concrete spalling on the fire resistance of the slab. To ensure temperature similarity, the depths of the scaled slab and the full-scale slab are kept identical, along with maintaining the same depth for concrete cover and rebar configuration in both slabs.
In the context of structural analysis, the deflection of the one-way slab under fire was close to the half-sine function (Equation (1)) [19], and the curvature function is obtained after the second derivative of the deflection function (Equation (4)); then, the curvature at mid-span is φm.
y = u m sin x l π
y = u m π l cos x l π
y = u m π l 2 sin x l π
φ m = y ( 1 + y 2 ) 3 2 x = l 2 = u m π l 2
where um is the mid-span deflection of the one-way slab; l is the span of the one-way slab; x is the distance from a point on the one-way slab to the support point.
According to ISO 834-1:1999 (E) [20], when the mid-span deflection of a one-way slab as a horizontal load-bearing component reaches um = l2/(400h) (where l is the span of the one-way slab, and h is the depth of the one-way slab), it is considered that the one-way slab has lost its bearing capacity. um = l2/(400h) is substituted into Equation (3); then, φm = π2/(400h). Under fire, the curvature at the mid-span of a one-way slab increases monotonously until the one-way slab is damaged. Therefore, it can be considered that when the curvature at the mid-span of a one-way slab reaches φm = π2/(400h) under fire, the one-way slab reaches the fire-resistance limit. According to φm = π2/(400h), when a one-way slab reaches the fire-resistance limit, it has nothing to do with the span of the slab; it is mainly affected by the depth of the slab. Therefore, in the design of the fire test models, the full-scale slab and the scaled slab have the same depth to better realize the mechanical behavior similarity of both slabs under fire.
Under fire, the reinforced concrete one-way slab reaching its fire-resistance limit is mainly due to the temperature increase of the rebar and concrete; the bearing capacity gradually decreases and finally reaches the fire-resistance limit. The thermal strain caused by high temperature has a great influence on the internal force–deflection of a one-way slab, and the strain and stress distribution of a one-way slab is shown in Figure 1. Regardless of the contribution of the concrete tension to the bearing capacity of the one-way slab, the concrete in the compression area is divided into n layers along the depth for calculation. The depth of the i layer is ∆h, and the height from the centroid axis is yi. According to the plane section hypothesis, the concrete strain that causes stress is εci; the strain of reinforcement in the compressive area is ε’s; the strain of rebar in the tensile area is εs. By substituting Equations (5)–(7) into the constitutive model of rebar and concrete [21], the concrete stress σci, the stress (σ’s) of the rebar in compression area, and the stress (σs) of the rebar in tensile area, the internal force (Nin, Min) of the cross-section can be calculated by the internal force equilibrium method.
ε c i = φ y i ε 0 + ε l i
ε s = φ h 2 a ε 0 + ε s t
ε s = φ h 2 a + ε 0 ε s t
where ε0 and φ are the strain and curvature at the centroid axis of the cross-section, respectively, and the expansion of ε0 is positive; εli is the thermal strain of concrete at the i layer; ε’st and εst are the thermal strains of the reinforcement in the tensile and compression areas, respectively.
N i n = i = 1 n σ c i b Δ h + σ s A s σ s A s
M i n = i n σ c i b Δ h y i + σ s A s h 2 a + σ s A s h 2 a
The strength of the bottom rebars in a reinforced concrete one-way slab decreases as the temperature increases under fire. In the compression area of the slab, the rebar and concrete are relatively distant from the fire, resulting in lower temperatures due to the poor thermal conductivity of concrete. Therefore, according to the principles of internal force equilibrium, the primary factor influencing the fire-resistance limit of the one-way slab is the temperature of the bottom rebars. In the fire tests, the stress of the bottom rebars in both the full-scale slab and scaled slab is maintained consistently to achieve mechanical behavior similarity. The fire tests utilized the same load ratio and temperature curve to ensure the consistency of temperature and stress in the bottom rebars during both tests. Both the full-scale slab and scaled slab were constructed using the same rebar and concrete, with identical parameters such as elastic modulus, Poisson’s ratio, thermal conductivity, and specific heat capacity. Additionally, the depth, concrete cover, and reinforcement form of both slabs are identical. The similarity coefficients between the two slabs are presented in Table 1. Due to the similarity in mechanical behavior of a scaled one-way slab, which is derived from the equilibrium equations of simply supported conditions, the scaled model should be chosen as a simply supported one-way slab, and the similarity coefficients should meet the requirements outlined in Table 1. The scaled fire test method successfully achieved a similar temperature field and mechanical behavior between the full-scale and scaled one-way slabs.

3. Test Setup

3.1. One-Way Slab Design

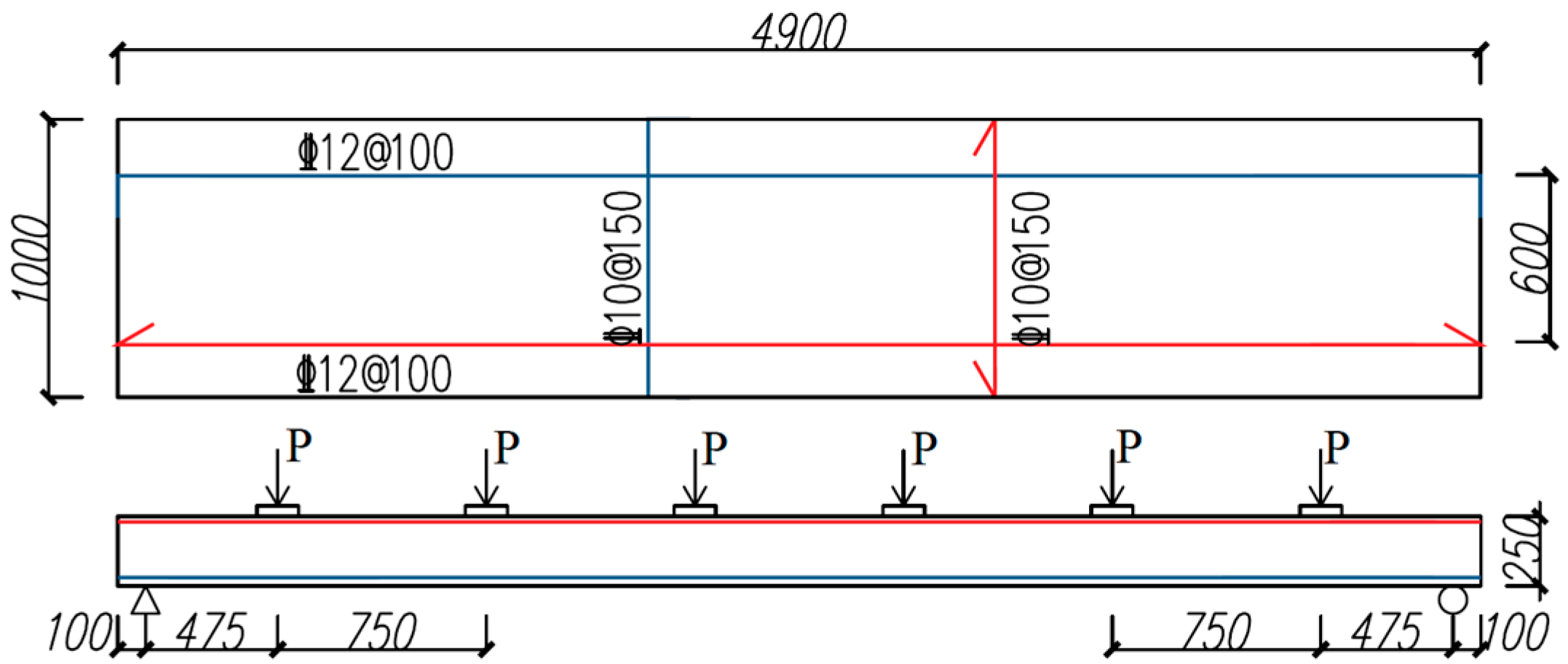
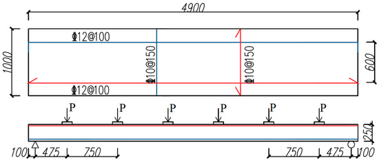
The reinforced concrete one-way slabs in the fire tests refer to the cover slabs of a subway station in Guangzhou as the full-scale model. The full-scale one-way slab is 4900 mm (L) × 1000 mm (W) × 250 mm (h), with a span of 4500 mm. Double-layer two-way reinforcement is adopted in the slab. The longitudinal rebar is Ø12, and the transverse rebar is Ø10. The concrete cover at the bottom and top of the slab is 30 mm and 20 mm, respectively. The geometric dimensions and rebar arrangement of the full-scale slab are shown in Figure 2. The similarity coefficient of the scaled one-way slab is mainly influenced by the dimensions of the fire test furnace. The full-scale slab is arranged parallel to the long side of the fire test furnace with a span of 4500 mm; the scaled slab is arranged parallel to the short side of the fire test furnace with a span of 3000 mm. The similarity coefficient (s) is 1:1.5. The scaled slab is 3400 mm (L) × 700 mm (W) × 250 mm (h), with a span of 3000 mm. Double-layer two-way rebar is adopted in the scaled slab. The longitudinal rebar is Ø8, and the transverse rebar is Ø10. The concrete covers at the bottom and top of the slab are 30 mm and 20 mm, respectively. The geometric dimensions and rebar arrangement of the scaled slab are shown in Figure 3.
The one-way slabs were constructed using the same rebar and concrete, both with a concrete strength grade of C25 and the mix design of the concrete as shown in Table 2. Table 3 provides the measured yield strength and tensile strength of the rebar. Both the full-scale and scaled slabs were subjected to a 60-day curing period under identical conditions, with continuous monitoring of moisture content. Water was applied as necessary to ensure consistent moisture levels in both slabs. On the day of the fire test, the compressive strength of the concrete was determined using six specimens, resulting in an average compressive strength of 28.6 MPa. Additionally, the moisture content of the concrete was evaluated on the day of the fire tests. The crushed concrete was divided into six groups, each weighing 2 kg, and dried in an oven at 105 °C for 7 days. The average moisture content of the concrete was found to be 4.5%.

3.2. Test Apparatus

The fire tests of the one-way slabs were conducted in a horizontal fire test furnace with dimensions of 4500 mm (L) × 3000 mm (W) × 1500 mm (h). The test apparatus and methods refer to standard ISO 834-1:1999 (E) [20]. The furnace was equipped with eight burners for providing heat and smoke vents at the bottom, as illustrated in Figure 4. The full-scale slab was arranged parallel to the long side of the furnace with a span of 4500 mm, while the scaled slab was positioned parallel to the short side of the furnace with a span of 3000 mm. Heat-resistant steel plates and supports were placed on top of the furnace walls to support both ends of the one-way slabs, as depicted in Figure 4. In order to apply a uniformly distributed load on the components, the furnace was fitted with a loading system comprising 24 hydraulic jacks. These jacks shared a hydraulic system to ensure that equal force was exerted by all of them, as depicted in Figure 5. Additionally, the loading system included an automatic load stability maintenance function during the fire test.

3.3. Measurement

During both fire tests, the experimental observations, temperatures, and deformation data of the slabs were meticulously recorded. The test phenomena were primarily captured by a combination of the test technician’s observations and a camera. Type-K thermocouples (WRN-291) were employed to measure the temperatures of both the rebars and the concrete. The deflections of both slabs were quantified using LVDTs (MPS-XS-500 mm, Miran Technology Co., Ltd., Shenzhen, China). The thermocouples were positioned at the 1/4 and 1/2 points across the span of the one-way slabs, with nine thermocouples distributed vertically to record the concrete temperature at depths of 0 mm, 30 mm, 60 mm, 90 mm, 120 mm, 150 mm, 180 mm, 210 mm, and 250 mm from the slab surface exposed to fire. Additionally, four thermocouples were installed to gauge the temperature of the upper and lower longitudinal rebars. To measure the deflection of the slabs accurately, LVDTs were placed at critical locations: the 1/8, 1/4, 3/8, and 1/2 sections along the slabs’ span. Simultaneously, during both fire tests, a pressure sensor was used to continuously record the force exerted by the hydraulic jack. To ensure that the force from the hydraulic jack did not decrease as the slab deflection increased, the hydraulic pump automatically initiated to stabilize the force whenever the pressure sensor detected a drop, thus maintaining a constant hydraulic jack force throughout the tests.

3.4. Test Program

The slabs were placed on top of the furnace walls, with two short sides being simply supported. Cover slabs were used to seal the top of the furnace. Mechanical loads were applied to the slabs, with 20% of the loads applied every 30 min. The ultimate load of the full-scale slab at room temperature was 21.31 t, including the deadweight. The applied load on the full-scale slab was 4.36 t, resulting in a load ratio of 0.35. The ultimate load of the scaled slab at room temperature was 20.5 t, including the deadweight. The applied load was 5.9 t, with a load ratio of 0.35. After the mechanical loads were applied, the slabs were in the elastic stage, and the deformations were minimal. The mid-span deflection of the full-scale slab was 15.5 mm, while the mid-span deflection of the scaled slab was 8.9 mm. Following the application of the mechanical loads, they were maintained for 60 min to stabilize the slab deformations before the fire tests began. The furnace temperature curve followed ISO 834. The mechanical loads were sustained during the fire tests. According to ISO 834-1:1999 (E) [20], a one-way slab loses its bearing capacity when the mid-span deflection reaches um = l2/(400h), where l is the span and h is the thickness of the slab. The fire tests were concluded when the full-scale slab reached a mid-span deflection of 202.5 mm and the scaled slab reached a mid-span deflection of 90 mm, indicating the loss of bearing capacity for the slabs.

4. Tests Results and Discussions

4.1. Temperature in the Fire Test Furnace

The full-scale slab’s fire test lasted 153.5 min, reaching a furnace temperature of 1018.9 °C. The scaled slab fire test lasted 144.0 min, reaching a furnace temperature of 1024.8 °C. Despite the slight difference in furnace temperatures, both fire tests showed similar results, indicating that the temperature variance did not significantly impact the fire-resistance limit of both slabs. Figure 6 displays the average furnace temperature curves during the fire tests, revealing differences between the furnace temperatures in the fire tests and the ISO 834. These variations were mainly due to moisture evaporation in the concrete, which led to heat loss. Additionally, the furnace’s negative pressure and fast heat-loss rate caused fluctuations in the furnace temperatures during the fire tests.

4.2. Thermal Response of the Slabs

(1)
The concrete temperature
During the fire tests, the temperature distributions of the 1/2 span section and 1/4 span section of the slabs are shown in Figure 7. Due to the bottom surface of the slabs being exposed to fire, the concrete temperatures at the bottom of the slabs are similar to the fire temperature in the furnace. The concrete temperature gradient near the bottom of the slab (0–120 mm) was steep and changed rapidly during the fire test, while the temperature gradient near the top of the slab (120–250 mm) was gradual and changed slowly. The concrete temperatures in the slab increased slowly, reaching about 100 °C. Moisture in the concrete migrates from high- to low-temperature areas, leading to increased moisture near the top of the slab. A significant amount of water overflowed from the top surface of the slab during the fire test (as shown in Figure 8), resulting in prolonged evaporation time for the moisture near the top of the slab and a more pronounced “temperature plateau” phenomenon. As depicted in Figure 7, the temperatures of M5, M6, M7, M8, and M9 and Q5, Q6, Q7, Q8, and Q9, which are close to the top of the slab, are all approximately 100 °C. Therefore, the concrete in the compression area of the slab is minimally affected by the high temperature.
(2)
Rebar temperature
During the fire tests, the rebars’ temperatures on the 1/2-span section and the 1/4-span section of the slabs are shown in Figure 9. The rebars’ temperatures at the bottom of both slabs were relatively similar and consistent with the surrounding concrete temperatures. The temperature curves of the rebars exhibited a “temperature plateau” phenomenon. At the fire-resistance limit, the bottom rebar temperature of the full-scale slab was 559.6 °C, while that of the scaled slab was 556.6 °C. The rebars’ temperatures near the top of both slabs did not exceed 100 °C, indicating that, like the concrete near the top of the slab, the rebars were minimally affected by the fire.

4.3. Deflection Response of the Slabs

After the fire tests, the deflections of both slabs are presented in Figure 10. LVDTs (LV1, LV2, LV3, and LV4) are positioned at the 1/8, 1/4, 3/8, and 1/2 spans of the slabs. Figure 11 illustrates the deflection–time curves at these four points for both slabs during the fire tests. The deflection development trends of both slabs during the fire tests were consistent. Before approaching the fire-resistance limit, the mid-span deflection of both slabs increased gradually. As the slabs neared failure, the mid-span deflection of both slabs sharply rose, reaching the fire-resistance limit. In Ref. [15], the hypothesis that the deflection of the one-way slab under fire approximates a half-sine function was proposed for calculating the deflection deformation of one-way slabs under fire. The deflections of the full-scale slab and scaled slab from the fire tests were used to validate this hypothesis. The deflections of both slabs at 30 min, 60 min, 90 min, 120 min, and 140 min of the fire tests were compared with the calculated deflections of both slabs using Equation (1), as shown in Figure 12. The calculation results from Equation (1) were consistent with the test results, supporting the reasonableness of the hypothesis regarding the deflection of the one-way slab under fire approximating a half-sine function.
ISO 834-1:1999 (E) [20] employs the mid-span deflection of the one-way slab as the criterion for determining damage. Figure 11 shows that at 123 min of the full-scale slab fire test, the mid-span deflection of the full-scale slab exceeds 1/30, reaching 150.4 mm. At 147.5 min of the full-scale slab fire test, the mid-span deflection of the slab surpassed the limit deflection um = l2/(400h), reaching 205.1 mm. Therefore, the fire-resistance limit of the full-scale slab is 147.5 min. Figure 12 exhibits that at 140.5 min of the scaled slab fire test, the mid-span deflection of the scaled slab surpassed the limit deflection um = l2/(400h), reaching 90.9 mm. Hence, the fire-resistance limit of the scaled slab is 140.5 min. The fire-resistance limit of both the full-scale slab and the scaled slab during the fire tests is relatively close, with an error of 4.7%. Because the mid-span deflection of the one-way slab is used as the criterion for determining damage, direct comparison of the deflection–time curves of different span slabs is difficult. In order to compare the mid-span deflection characteristics of the full-scale slab and the scaled slab during the fire tests, the mid-span deflections of both slabs are normalized, as depicted in Figure 13. The mid-span deflections of both slabs are nearly identical before approaching failure. However, the mid-span deflection of the scaled slab sharply increases as it nears failure. This indicates that the test result of the scaled slab fire test can reflect the fire-resistance limit of the full-scale slab using the scale fire test method, and the test result of the scaled slab fire test errs on the safe side. It should be noted that the scale fire test method currently only applies to a simply supported one-way slab. As full-scale one-way slabs exhibit better deformation capabilities, the fire resistance of a scaled one-way slab tends to be conservative. This aspect should be taken into account when utilizing the scale fire test method.
Based on the internal force equilibrium of the mid-cross-sections of one-way slabs, the tensile force provided by the concrete is disregarded. Instead, the bearing capacity of the slab is primarily provided by the tensile force of the rebars near the bottom of the slab and the compressive force of the concrete and rebars near the top of the slab. The temperatures of the concrete and rebars near the top of the slab do not exceed 100 °C. The high temperature has minimal effects on the strength of the concrete and rebars near the top of the slab, and their compressive stress remains unaffected. Thus, the main cause of slab damage during the fire test is the reduction in the bearing capacity and the increase in deflection due to the decreased strength and stiffness of the bottom rebars under high temperatures. The rebars’ strength is primarily affected by the heat. Figure 14a shows the temperatures of the bottom rebars of the full-scale slab and scaled slab during the fire test, while Figure 14b displays the change in rebar strength at high temperatures. Notably, the time when the temperature of the bottom rebars reaches 550 °C is essentially the same as the time when the slabs reach the fire-resistance limit. Furthermore, the rebars lose 62% of their strength at 550 °C.

5. Theoretical and Finite Element Verification

Based on Equations (8) and (9), under a given temperature field, corresponding values of ε0 and φ can be determined to achieve Nin = 0 and Min = Mk, where Mk represents the moment generated by loads on the slab. The um can be determined from φ by Equation (3). The temperature field in the slab is input at different moments during the fire test to determine um at the corresponding moment. According to ISO 834-1:1999 (E) [20], when the mid-span deflection of a one-way slab as a horizontal load-bearing component reaches um = l2/(400h), the one-way slab reaches its fire-resistance limit. Newton’s iterative method is employed to solve Equations (8) and (9) for ε0 and φ. The initial values for the iterative calculation at high temperature are ε0 and φ at room temperature, while the initial values for the iterative calculation at the next moment are ε0 and φ at the current moment. The calculation of the mid-span deflection under fire uses the concrete temperature fields in the fire tests. Figure 15 presents a comparison between the fire test results and the calculated mid-span deflections of the fire slabs, demonstrating agreement between the theoretical calculations and the test results.
The analysis of the internal force of the cross-section under fire indicates that as the temperature of the bottom rebars of the slab increases, the bearing capacity decreases, and the deflection increases. Eventually, when the temperature of the bottom rebars is sufficiently high, the deflection of the slab will reach its limit. The crucial factor influencing the fire-resistance limit of the one-way slab is the temperature of the bottom rebars. Therefore, increasing the depth of the concrete cover or implementing heat insulation measures to reduce the temperature of the bottom reinforcement can significantly enhance the fire-resistance limit of the one-way slab. However, previous studies [22] have shown that beyond a certain depth, increasing the depth of the concrete cover has a limited impact on the fire resistance of the slab. This phenomenon may be attributed to the fact that normal concrete flexural components are often in a cracked state under service loads, and as the depth of the concrete cover increases, the cracks widen and deepen correspondingly, thereby slowing down the hysteresis of the temperature rise of the tensile rebars.
Measuring the strain and stress of rebars inside slabs during fire tests is difficult. To further validate the effectiveness of the simply supported one-way slab scale fire test method, two fire tests of the one-way slabs were simulated using finite element software (ABAQUS, version 6.14). The convenience of extracting the strain and stress of the steel bars in finite element simulation makes it possible to verify the basic assumptions of the simply supported one-way slab scale fire test method. A finite element model was established in Abaqus, as shown in Figure 16. The concrete was modeled as three-dimensional solid elements, and the rebars were modeled using truss elements. The contact between the rebars and concrete was modeled using the embedded mode. Since the mid-span deflection specified in ISO834 was used as the failure criterion for the one-way slabs, the slip between –the rebars and concrete was not considered.
The thermal–structural coupling analysis of the one-way slab was performed using the sequential coupling method in Abaqus, with material properties of the rebars and concrete based on EC2 [21]. The stress strengthening model was applied to the rebars, while the concrete was modeled using a concrete plastic damage model. During the heat transfer analysis, the impact of moisture content in the concrete was taken into account, and the convective heat transfer coefficients and thermal radiation coefficients for the fire-exposed and unexposed surfaces of the slab were referenced from [23]. The element size for both concrete and rebars was 30 mm. The furnace temperature curves from the full-scale and scaled slabs fire tests were utilized in the finite element simulation, and the simulated temperature field inside the slab was compared with the test results, as depicted in Figure 17. While the temperature field inside the slab of the finite element simulation generally aligned with the fire test results, there was a notable disparity between the finite element simulation and the fire test results for the unexposed surface of the slab. This is attributed to moisture migration within the slab during fire tests, a phenomenon that cannot be accurately simulated. The temperature on the unexposed surface of the slab remains relatively low (≤100 °C), at which the strength of the rebars and concrete remains nearly unchanged, thus exerting minimal impact on the finite element simulation results.
Based on the heat transfer analysis, a thermal–structural coupling analysis was conducted. The boundary conditions and applied loads from two slab fire tests were incorporated into the finite element model. Subsequently, the temperature rise processes of the slabs were introduced in the static analysis step to simulate its structural response under fire. In the thermal–structural coupling analysis step, the deflection curves of the two slabs at mid-span are shown in Figure 18. The deflections of the slabs under fire were simulated, and the finite element simulation results closely matched the fire tests. The error in simulating the fire-resistance limit was 3.4% for the full-scale slab and 2.8% for the scaled slab. Thus, under accurate temperature field conditions, finite element analysis can effectively simulate the structural response of the one-way slab until it reaches its fire-resistance limit. However, once the fire-resistance limit is reached, the one-way slab is on the verge of failure, making its structural response difficult to accurately determine.
The scale fire test method for one-way slabs with the same depth is based on the mid-span curvature at the fire-resistance limit, which is independent of the slab span. At the same mid-span curvature, the rebar strain at the bottom of the slabs is consistent due to the slabs having the same depth and temperature distribution within the slabs. The uniformity of rebar stress at the bottom of the slabs is also attributed to these factors. The extracted strains and stresses of the rebars obtained from the finite element model are compared in Figure 19. When the full-scale and scaled slabs were undamaged, the strain and stress of the rebars at the bottom were consistent. However, as the fire progressed and concrete damage increased, there was a certain difference in rebar stress between the full-scale and scaled slabs due to internal force redistribution, although the difference was not significant. The rebar strains of the full-scale and scaled slabs were very similar before the slabs lost bearing capacity, but significant differences in the rebar strains emerged on the verge of failure. The finite element simulation results are consistent with the theoretical derivation results of the scale fire test method for one-way slabs with the same depth, indicating the rationality of this test method. However, the size effect of the one-way slab under fire still exists, and larger slabs have a greater deformation capacity.

6. Conclusions

To address the challenge of determining the fire-resistance limit of large-scale one-way slab and to assist the Fire Service Department in completing fire acceptance for metro projects, the scaled fire test method for one-way slabs of the metro was proposed. The paper conducted fire tests on both a full-scale one-way slab and a scaled slab to verify the scale fire test method of the simply supported one-way slab. Through theoretical analysis and experimental study on the fire-resistance limit, the key factors affecting the fire-resistance limit of the one-way slab were analyzed. The following main conclusions can be drawn from the investigation:
(1)
The scale fire test method achieves a temperature field similarity between the scaled model and full-scale model of the one-way slab, indicating that the temperatures at corresponding points and times are the same for the two models.
(2)
The mechanical behavior similarity between the scaled model and full-scale model at the same temperature during scale fire tests allows the fire test results of the scaled model to reflect the fire-resistance limit of the full-scale model.
(3)
The theoretical calculation results match the fire test results, and it is determined that the temperature of the longitudinal rebars at the bottom of the slab is the key factor affecting the fire-resistance limit. Increasing the depth of the concrete cover can effectively enhance the fire-resistance limit.
(4)
FEM analysis demonstrates that the stress and strain of the rebars in full-scale and scaled slabs are similar before failure, validating the assumption behind the scale fire test method. However, as the slabs approach failure, a noticeable difference in rebar strain emerges, suggesting a size effect in one-way slabs under fire conditions. Larger slabs exhibit greater deformation capacity.

Author Contributions

P.Q.: conceptualization, data analysis, investigation, and writing—review and editing; J.D.: methodology, conceptualization, supervision, and project administration; Z.Y.: writing—original draft, conceptualization, supervision, project administration, and funding acquisition; J.L.: conduct experiments and data analysis; W.L.: conduct experiments and data analysis. All authors have read and agreed to the published version of the manuscript.

Funding

This work was supported by the research and development project of the Department of Housing and Urban Rural Development of Guangdong Province, (2021-K5-291990, 2021) and (2022-K24-590110, 2022).

Data Availability Statement

The datasets presented in this article are not readily available because [include reason, e.g., the data are part of an ongoing study or due to technical/time limitations]. Requests to access the datasets should be directed to djtworkaholic@163.com.

Conflicts of Interest

Author Peiyun Qiu was employed by the company Guangzhou Metro Group Co., Ltd. Authors Jintao Duan, Zhan Yang, Jianyong Liu and Weitian Lu were employed by Guangzhou Building Material Institute Limited Company. The authors declare that the research was conducted in the absence of any commercial or financial relationships that could be construed as a potential conflict of interest.

References

  1. GB 50016-2014; Code for Fire Protection Design of Buildings. Ministry of Housing and Urban-Rural Development of the People’s Republic of China: Beijing, China, 2014. (In Chinese)
  2. GB 51298-2018; Standard for Fire Protection Design of Metro. Ministry of Housing and Urban-Rural Development of the People’s Republic of China: Beijing, China, 2018. (In Chinese)
  3. Dai, J.; Wang, L. Discussion on fire-caused building collapse cases and in-situ emergency rescue strategies. Fire Sci. Technol. 2021, 40, 1814–1818. (In Chinese) [Google Scholar]
  4. Liu, G.; Wang, D. Fire protection design for development of platform above Suzhou Taiping Car Depot. J. Railw. Eng. Soc. 2012, 29, 67. (In Chinese) [Google Scholar]
  5. Wu, M.; Yu, M.; Tang, Z.; Fang, Z.; Xu, H. Simulation experiment on reinforced concrete top-head platform of metro car depot under vehicle fire. J. Harbin Inst. Technol. 2021, 53, 31–40. (In Chinese) [Google Scholar]
  6. Dong, Y.; Peng, X.; Fang, Y.; Zhang, D. Behavior of Sway Two-Bay, Two-Story Composite Steel Frames in Fire. J. Struct. Eng. 2015, 142, 8–13. [Google Scholar] [CrossRef]
  7. Yang, Z.; Dong, Y.; Xu, W. Fire tests on two-way concrete, slabs in a full-scale multi-storey steel-framed building. Fire Saf. J. 2013, 58, 38–48. [Google Scholar] [CrossRef]
  8. Zhang, D.; Dong, Y.; Fang, Y. Behaviour of full-scale two-way simply supported concrete slabs in fire. Mag. Concr. Res. 2014, 66, 836–844. [Google Scholar] [CrossRef]
  9. Wang, B.; Dong, Y. Experimental study of two -way reinforced concrete slabs under fire. China Civ. Eng. J. 2010, 43, 53–62. (In Chinese) [Google Scholar]
  10. Wang, B.; Dong, Y. Experimental research of four-edge simple support two-way reinforced concrete slab under fire. J. Build. Struct. 2009, 30, 4–14. (In Chinese) [Google Scholar]
  11. Wang, Y.; Bisby, L.; Wang, T.; Yuan, G.; Baharudin, E. Fire behaviour of reinforced concrete slabs under combined biaxial in-plane and out-of-plane loads. Fire Saf. J. 2013, 96, 27–45. [Google Scholar] [CrossRef]
  12. Wang, Y.; Yuan, G.; Huang, Z.; Lyv, J.; Li, Z.; Wang, T. Experimental study on the fire behaviour of reinforced concrete slabs under combined uni-axial in-plane and out-of-plane loads. Eng. Struct. 2016, 128, 316–332. [Google Scholar] [CrossRef]
  13. Naguib, H.M. Recycled polyester filled with eggshells waste-based nano CaCO3: Thermo-mechanical and flame-retardant features. New J. Chem. 2023, 47, 4999–5010. [Google Scholar] [CrossRef]
  14. Naguib, H.M. Environmental-friendly recycled Polyester/Mg (OH)2 nanocomposite: Fire-retardancy and thermal stability. Polym. Test. 2018, 72, 308–314. [Google Scholar] [CrossRef]
  15. Zhang, H.; Wan, Y.; Wu, B.; Lv, H. Similarity on fire behavior of reinforced concrete beams with pre-damage. J. Build. Struct. 2022, 43, 162–173. (In Chinese) [Google Scholar]
  16. Duan, J.; Qiu, P.; Liu, J.; Wu, X. Experimental Study of the Concrete Cracking Behavior of an Immersed Tunnel under Fire. Buildings 2023, 13, 1412. [Google Scholar] [CrossRef]
  17. Lee, W.M.; Fragomeni, S.; Monckton, H.; Guerrieri, M. A review of test Methods, issues and challenges of Large-Scale fire testing of concrete tunnel linings. Constr. Build. Mater. 2023, 392, 131901. [Google Scholar] [CrossRef]
  18. Dwaikat, M.; Kodur, V. Hydrothermal model for predicting fire-induced spalling in concrete structural systems. Fire Saf. J. 2009, 44, 425–434. [Google Scholar] [CrossRef]
  19. Wu, B.; Hong, Z. Fire resistance of simply supported reinforced concrete beam. J. South China Univ. Technol. (Nat. Sci. Ed.) 2006, 34, 82–88. (In Chinese) [Google Scholar]
  20. ISO 834-1:1999(E); Fire-Resistance Tests-Elements of Building Construction-Part 1: General Requirements. International Organization for Standardization: Geneva, Switzerland, 1999.
  21. EN_1992-1-1:2004; Eurocode 2: Design of Concrete Structures—Part 1: General Rules and Rules for Buildings. European Committee for Standardization: Brussels, Belgium, 2009.
  22. Shi, X.; Guo, Z. Experimental studies on fire resistance of reinforced concrete beams with different thickness concrete covers. Ind. Constr. 1996, 26, 12–19. (In Chinese) [Google Scholar]
  23. Song, Y.; Fu, C.; Liang, S.; Topilin, I.; Song, X. Residual Shear Capacity of Post-Fire RC Beams under Indirect Loading. Buildings 2023, 13, 969. [Google Scholar] [CrossRef]
Figure 1. Strain and stress distribution and networks of a one-way slab.
Figure 1. Strain and stress distribution and networks of a one-way slab.
Buildings 14 01695 g001
Figure 2. The full-scale one-way slab.
Figure 2. The full-scale one-way slab.
Buildings 14 01695 g002
Figure 3. The scaled one-way slab.
Figure 3. The scaled one-way slab.
Buildings 14 01695 g003
Figure 4. The supports at both ends of the one-way slab.
Figure 4. The supports at both ends of the one-way slab.
Buildings 14 01695 g004
Figure 5. The loading system with 24 hydraulic jacks.
Figure 5. The loading system with 24 hydraulic jacks.
Buildings 14 01695 g005
Figure 6. The average temperature in the furnace of two fire tests [20].
Figure 6. The average temperature in the furnace of two fire tests [20].
Buildings 14 01695 g006
Figure 7. The temperature distributions of the 1/2-span section and 1/4-span section of 2 slabs.
Figure 7. The temperature distributions of the 1/2-span section and 1/4-span section of 2 slabs.
Buildings 14 01695 g007
Figure 8. Water overflowed from the top surface of the slab.
Figure 8. Water overflowed from the top surface of the slab.
Buildings 14 01695 g008
Figure 9. The rebars temperature on the 1/2-span section and the 1/4-span section of the slabs.
Figure 9. The rebars temperature on the 1/2-span section and the 1/4-span section of the slabs.
Buildings 14 01695 g009
Figure 10. The full-scale and scaled slabs after the fire tests.
Figure 10. The full-scale and scaled slabs after the fire tests.
Buildings 14 01695 g010
Figure 11. The deflection–time curves at the four points of both slabs under fire.
Figure 11. The deflection–time curves at the four points of both slabs under fire.
Buildings 14 01695 g011
Figure 12. The comparison of deflection between the fire tests and the half-sine function.
Figure 12. The comparison of deflection between the fire tests and the half-sine function.
Buildings 14 01695 g012
Figure 13. The normalized deflections of the full-scale and the scaled slabs.
Figure 13. The normalized deflections of the full-scale and the scaled slabs.
Buildings 14 01695 g013
Figure 14. The temperature of the bottom rebars and the strength reduction of rebar.
Figure 14. The temperature of the bottom rebars and the strength reduction of rebar.
Buildings 14 01695 g014
Figure 15. The test results and the calculation results of the mid-span deflections of the full-scale and the scaled slabs.
Figure 15. The test results and the calculation results of the mid-span deflections of the full-scale and the scaled slabs.
Buildings 14 01695 g015
Figure 16. FEM of both one-way slabs.
Figure 16. FEM of both one-way slabs.
Buildings 14 01695 g016
Figure 17. The simulated temperature field inside the slab compared with the test results.
Figure 17. The simulated temperature field inside the slab compared with the test results.
Buildings 14 01695 g017
Figure 18. The simulated deflections of two slabs compared with the test results.
Figure 18. The simulated deflections of two slabs compared with the test results.
Buildings 14 01695 g018
Figure 19. The strains and stresses of the rebars.
Figure 19. The strains and stresses of the rebars.
Buildings 14 01695 g019
Table 1. Similarity coefficients.
Table 1. Similarity coefficients.
ParametersGeometricTimeTemperatureElastic ModulusLoad RatioStressDeflection
Similarity coefficients11111s2
Table 2. Mix design of the concrete (C25).
Table 2. Mix design of the concrete (C25).
Siliceous aggregates (kg/m3)1090
River sands (kg/m3)755
Portland cement (kg/m3)390
Water (kg/m3)190
Slag powder (kg/m3)75
Fly ash (kg/m3)35
Additives (kg/m3)3.9
Table 3. Measured strength of rebars.
Table 3. Measured strength of rebars.
Rebar/mmYield Strength/MPaTensile Strength/MPa
8386.1493.2
10397.4502.7
12426.1532.5
Disclaimer/Publisher’s Note: The statements, opinions and data contained in all publications are solely those of the individual author(s) and contributor(s) and not of MDPI and/or the editor(s). MDPI and/or the editor(s) disclaim responsibility for any injury to people or property resulting from any ideas, methods, instructions or products referred to in the content.

Share and Cite

MDPI and ACS Style

Qiu, P.; Duan, J.; Yang, Z.; Liu, J.; Lu, W. Research on the Scale Fire Test and Fire Resistance of the One-Way Slab of a Metro. Buildings 2024, 14, 1695. https://doi.org/10.3390/buildings14061695

AMA Style

Qiu P, Duan J, Yang Z, Liu J, Lu W. Research on the Scale Fire Test and Fire Resistance of the One-Way Slab of a Metro. Buildings. 2024; 14(6):1695. https://doi.org/10.3390/buildings14061695

Chicago/Turabian Style

Qiu, Peiyun, Jintao Duan, Zhan Yang, Jianyong Liu, and Weitian Lu. 2024. "Research on the Scale Fire Test and Fire Resistance of the One-Way Slab of a Metro" Buildings 14, no. 6: 1695. https://doi.org/10.3390/buildings14061695

APA Style

Qiu, P., Duan, J., Yang, Z., Liu, J., & Lu, W. (2024). Research on the Scale Fire Test and Fire Resistance of the One-Way Slab of a Metro. Buildings, 14(6), 1695. https://doi.org/10.3390/buildings14061695

Note that from the first issue of 2016, this journal uses article numbers instead of page numbers. See further details here.

Article Metrics

Back to TopTop